Role of Curing Conditions and Precursor on the Microstructure and Phase Chemistry of Alkali-Activated Fly Ash and Slag Pastes
Abstract
1. Introduction
2. Materials and Methods
2.1. Materials and Sample Preparation
2.2. Characterization Methods
2.2.1. SEM-EDX, PARC, IGOR
- Spectral Imaging (SI) of the samples with SEM-EDX,
- evaluating the SI images with PARC software to define phases, their area/volume percentages, and spatial distribution,
- calculation of bulk chemical compositions of the phases and consistency check with the bulk composition from XRF analysis.
SEM-EDX
PhAse Recognition and Characterization (PARC) Software
IGOR
- -
- combine the information obtained from multiple fields and obtain the variance between fields (standard deviations in area proportions of phases),
- -
- calculate average phase chemistry for one or multiple fields,
- -
- calculate average/sum area % per phase for multiple fields,
- -
- calculate sample bulk chemistry (mass balance) using densities of the unreacted FA and GBFS (known) and reaction products (gel).
Degree of Reaction
2.2.2. X-ray Powder Fluorescence
2.2.3. X-ray Powder Diffraction
3. Results and Discussion
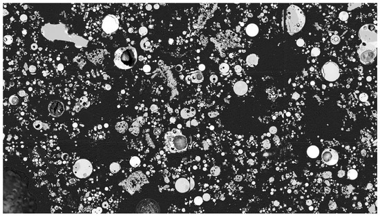
3.1. Characterization of Raw Materials with PARC
3.1.1. Raw GBFS
3.1.2. Raw FA
3.2. Characterization of Pastes with PARC
3.2.1. GBFS Paste (S100)
3.2.2. Binary GBFS-FA Paste (S50)
3.3. Degree of Reaction
3.4. Bulk Chemistry
3.5. Phase Mineralogy
4. Conclusions
- The curing conditions had a clear effect on the composition and amount of the reaction products. XRF and PARC results showed that sealing of the alkali-activated samples results in a higher Na+ uptake in the gels compared to the unsealed cured samples. This effect is most dominant at later ages (28 days of curing). The effect of curing conditions was more pronounced in the binary system. In addition to the chemical modifications, the mineralogy of the binary paste was also affected by the curing conditions. The formation of calcite was observed in unsealed cured samples at all investigated ages. The curing conditions are critical from a durability point of view for concrete. Sealed curing conditions will certainly contribute to durable alkali-activated FA/GBFS materials.
- The three main phases in paste S100 after 28 days of sealed curing were unreacted slag particles, CaNaAlSi gel and CaMgNaAlSi gel. In comparison, paste S50 consisted of more phases including quartz, mullite, hematite and magnetite in addition to amorphous phases (i.e., unreacted GBFS and FA, and gel phases than in paste S100). The Ca/Si ratio of the CaNaAlSi gel was lower by a factor of two in paste S50 compared to paste S100, which seems to be proportional to the GBFS content.
- Curing conditions have a significant influence on the chemical composition of the phases in the microstructure of alkali-activated pastes. This effect is the most dominant after 28 days of curing, while at 7 days, no significant change was encountered. The different chemical composition is due to the Na+ leaching from the samples which were unsealed cured. Instead of CNASH gel, CASH gel is formed in these samples.
- The pastes showed different reaction rates. Comparing the proportions of the phases in paste S100 at the age of 28 days and 1 year suggested that the degree of reaction of GBFS is limited and reaches its maximum at 28 days in the studied conditions. On the other hand, the phase proportions changed until 1 year in paste S50, as the reaction of the FA particles continues even after an extended period of 1 year. This indicates the role of GBFS dissolution in the early ages (28 days) and of FA in the later ages in binary alkali-activated pastes.
- In paste S100, the quantification of the reaction products was not possible with XRD due to their amorphous nature. However, PARC showed to be very useful in the identification of the reacted and the unreacted phases, which enabled calculation of the degree of reaction of the S100 samples.
Author Contributions
Funding
Institutional Review Board Statement
Informed Consent Statement
Data Availability Statement
Acknowledgments
Conflicts of Interest
References
- Provis, J.L. Alkali-activated materials. Cem. Concr. Res. 2017, 114, 40–48. [Google Scholar] [CrossRef]
- Lothenbach, B.; Gruskovnjak, A. Hydration of alkali-activated slag: Thermodynamic modelling. Adv. Cem. Res. 2007, 19, 81–92. [Google Scholar] [CrossRef]
- Bernal, S.A.; Provis, J.L.; Rose, V.; de Gutiérrez, R.M. High-resolution X-ray diffraction and fluorescence microscopy characterization of alkali-activated slag-metakaolin binders. J. Am. Ceram. Soc. 2013, 96, 1951–1957. [Google Scholar] [CrossRef]
- Bell, J.L.; Sarin, P.; Driemeyer, P.E.; Haggerty, R.P.; Chupas, P.J.; Kriven, W.M. X-ray pair distribution function analysis of a metakaolin-based, KAlSi2O6·5.5H2O inorganic polymer (geopolymer). J. Mater. Chem. 2008, 18, 5974–5981. [Google Scholar] [CrossRef]
- Jennings, H.M.; Bullard, J.W.; Thomas, J.J.; Andrade, J.E.; Chen, J.J.; Scherer, G.W. Characterization and modeling of pores and surfaces in cement paste: Correlations to processing and properties. J. Adv. Concr. Technol. 2008, 6, 5–29. [Google Scholar] [CrossRef]
- Garcia-Lodeiro, I.; Palomo, A.; Fernández-Jiménez, A.; Macphee, D.E. Compatibility studies between NASH and CASH gels. Study in the ternary diagram Na2O–CaO–Al2O3–SiO2–H2O. Cem. Concr. Res. 2011, 41, 923–931. [Google Scholar] [CrossRef]
- Ismail, I.; Bernal, S.A.; Provis, J.L.; San Nicolas, R.; Hamdan, S.; van Deventer, J.S. Modification of phase evolution in alkali-activated blast furnace slag by the incorporation of fly ash. Cem. Concr. Compos. 2014, 45, 125–135. [Google Scholar] [CrossRef]
- Bernal, S.A.; Provis, J.L.; Rose, V.; De Gutierrez, R.M. Evolution of binder structure in sodium silicate-activated slag-metakaolin blends. Cem. Concr. Compos. 2011, 33, 46–54. [Google Scholar] [CrossRef]
- Oh, J.E.; Monteiro, P.J.; Jun, S.S.; Choi, S.; Clark, S.M. The evolution of strength and crystalline phases for alkali-activated ground blast furnace slag and fly ash-based geopolymers. Cem. Concr. Res. 2010, 40, 189–196. [Google Scholar] [CrossRef]
- Ye, H.; Radlińska, A. Fly ash-slag interaction during alkaline activation: Influence of activators on phase assemblage and microstructure formation. Constr. Build. Mater. 2016, 122, 594–606. [Google Scholar] [CrossRef]
- Myers, R.J.; Bernal, S.A.; San Nicolas, R.; Provis, J.L. Generalized structural description of calcium–sodium aluminosilicate hydrate gels: The cross-linked substituted tobermorite model. Langmuir 2013, 29, 5294–5306. [Google Scholar] [CrossRef]
- Shi, C. On the state and role of alkalis during the activation of alkali-activated slag cement. In Proceedings of the 11th International Congress on the Chemistry of Cement, Durban, South Africa, 11–16 May 2003. [Google Scholar]
- Famy, C.; Scrivener, K.; Crumbie, A. What causes differences of CSH gel grey levels in backscattered electron images? Cem. Concr. Res. 2002, 32, 1465–1471. [Google Scholar] [CrossRef]
- Scrivener, K.L. Backscattered electron imaging of cementitious microstructures: Understanding and quantification. Cem. Concr. Compos. 2004, 26, 935–945. [Google Scholar] [CrossRef]
- Durdziński, P.T.; Dunant, C.F.; Haha, M.B.; Scrivener, K.L. A new quantification method based on SEM-EDS to assess fly ash composition and study the reaction of its individual components in hydrating cement paste. Cem. Concr. Res. 2015, 73, 111–122. [Google Scholar] [CrossRef]
- Van Hoek, C.; Small, J.; van der Laan, S. Large-Area Phase Mapping Using PhAse Recognition and Characterization (PARC) Software. Microsc. Today 2016, 24, 12–21. [Google Scholar] [CrossRef]
- Van Hoek, C.J.; de Roo, M.; van der Veer, G.; van der Laan, S.R. A SEM-EDS study of cultural heritage objects with interpretation of constituents and their distribution using PARC data analysis. Microsc. Microanal. 2011, 17, 656–660. [Google Scholar] [CrossRef]
- Van Hoek, C. How to process zillions of spectra from spectral imaging datasets? From phase mapping to bulkchemistry on micron-to centimeter scale using PARC. Microsc. Microanal. 2014, 20, 660–661. [Google Scholar] [CrossRef]
- Berryman, E.J.; Williams-Jones, A.E.; Migdisov, A.A. Steel slag carbonation in a flow-through reactor system: The role of fluid-flux. J. Environ. Sci. 2015, 27, 266–275. [Google Scholar] [CrossRef]
- Siddique, R.; Khan, M.I. Supplementary Cementing Materials; Springer Science & Business Media: Berlin, Germany, 2011. [Google Scholar]
- Wan, H.; Shui, Z.; Lin, Z. Analysis of geometric characteristics of GGBS particles and their influences on cement properties. Cem. Concr. Res. 2004, 34, 133–137. [Google Scholar] [CrossRef]
- Wang, P.; Trettin, R.; Rudert, V. Effect of fineness and particle size distribution of granulated blast-furnace slag on the hydraulic reactivity in cement systems. Adv. Cem. Res. 2005, 17, 161–167. [Google Scholar] [CrossRef]
- Scrivener, K.; Snellings, R.; Lothenbach, B. A Practical Guide to Microstructural Analysis of Cementitious Materials; CRC Press: London, UK, 2016. [Google Scholar]
- Thomas, J.J.; Allen, A.J.; Jennings, H.M. Density and water content of nanoscale solid C–S–H formed in alkali-activated slag (AAS) paste and implications for chemical shrinkage. Cem. Concr. Res. 2012, 42, 377–383. [Google Scholar] [CrossRef]
- Underwood, E. Quantitative Stereology; Reading Addison-Wesley Publishing Co.: Boston, MA, USA, 1970; p. 274. [Google Scholar]
- Rickard, W.D.; Williams, R.; Temuujin, J.; Van Riessen, A. Assessing the suitability of three Australian fly ashes as an aluminosilicate source for geopolymers in high temperature applications. Mater. Sci. Eng. A 2011, 528, 3390–3397. [Google Scholar] [CrossRef]
- Lloyd, R.R.; Provis, J.L.; van Deventer, J.S. Microscopy and microanalysis of inorganic polymer cements. 1: Remnant fly ash particles. J. Mater. Sci. 2009, 44, 608–619. [Google Scholar] [CrossRef]
- Chancey, R.T.; Stutzman, P.; Juenger, M.C.; Fowler, D.W. Comprehensive phase characterization of crystalline and amorphous phases of a Class F fly ash. Cem. Concr. Res. 2010, 40, 146–156. [Google Scholar] [CrossRef]
- Valcke, S.L.; Sarabèr, A.J.; Pipilikaki, P.; Fischer, H.R.; Nugteren, H.W. Screening coal combustion fly ashes for application in geopolymers. Fuel 2013, 106, 490–497. [Google Scholar] [CrossRef]
- Haha, M.B.; Le Saout, G.; Winnefeld, F.; Lothenbach, B. Influence of activator type on hydration kinetics, hydrate assemblage and microstructural development of alkali activated blast-furnace slags. Cem. Concr. Res. 2011, 41, 301–310. [Google Scholar] [CrossRef]
- Haha, M.B.; Lothenbach, B.; Le Saout, G.L.; Winnefeld, F. Influence of slag chemistry on the hydration of alkali-activated blast-furnace slag—Part I: Effect of MgO. Cem. Concr. Res. 2011, 41, 955–963. [Google Scholar] [CrossRef]
- Haha, M.B.; Lothenbach, B.; Le Saout, G.; Winnefeld, F. Influence of slag chemistry on the hydration of alkali-activated blast-furnace slag-Part II: Effect of Al2O3. Cem. Concr. Res. 2012, 42, 74–83. [Google Scholar] [CrossRef]
- Richardson, I.G.; Brough, A.R.; Groves, G.W.; Dobson, C.M. The characterization of hardened alkali-activated blast-furnace slag pastes and the nature of the calcium silicate hydrate (CSH) phase. Cem. Concr. Res. 1994, 24, 813–829. [Google Scholar] [CrossRef]
- Richardson, I.G. The nature of the hydration products in hardened cement pastes. Cem. Concr. Compos. 2000, 22, 97–113. [Google Scholar] [CrossRef]
- Nedeljković, M.; Ghiassi, B.; van der Laan, S.; Li, Z.; Ye, G. Effect of curing conditions on the pore solution and carbonation resistance of alkali-activated fly ash and slag pastes. Cem. Concr. Res. 2019, 116, 146–158. [Google Scholar] [CrossRef]
- Nedeljković, M.; Zuo, Y.; Arbi, K.; Ye, G. Carbonation Resistance of Alkali-Activated Slag Under Natural and Accelerated Conditions. J. Sustain. Met. 2018, 4, 33–49. [Google Scholar] [CrossRef]
- Brough, A.R.; Atkinson, A. Sodium silicate-based, alkali-activated slag mortars: Part I. Strength, hydration and microstructure. Cem. Concr. Res. 2002, 32, 865–879. [Google Scholar] [CrossRef]
- Fernández-Jiménez, A.; Palomo, A. Composition and microstructure of alkali activated fly ash binder: Effect of the activator. Cem. Concr. Res. 2005, 35, 1984–1992. [Google Scholar] [CrossRef]
- Škvára, F.; Kopecký, L.; Šmilauer, V.; Bittnar, Z. Material and structural characterization of alkali activated low-calcium brown coal fly ash. J. Hazard. Mater. 2009, 168, 711–720. [Google Scholar] [CrossRef] [PubMed]




























| - | Na2O | MgO | Al2O3 | SiO2 | P2O5 | S | K2O | CaO | TiO2 | Fe2O3 | L.O.I. |
|---|---|---|---|---|---|---|---|---|---|---|---|
| FA | 0.8 | 1.5 | 23.8 | 56.8 | 0.5 | 0.3 | 1.6 | 4.8 | 1.2 | 7.2 | 1.2 |
| GBFS | 0.4 | 8.0 | 13.5 | 35.5 | 0.0 | 1.0 | 0.5 | 39.8 | 1.0 | 0.6 | −1.3 |
| Mixture | FA a | GBFS b | m(Na2O)/ m(binder) | SiO2/ Na2O | Water | Activator | Curing Regime |
|---|---|---|---|---|---|---|---|
| S50 | 50 | 50 | 4.80 | 1.45 | 38.00 | 12.00 | Unsealed/ Sealed |
| S100 | 0 | 100 |
| - | Na2O | MgO | Al2O3 | SiO2 | P2O5 | SO3 | K2O | CaO | TiO2 | MnO | Fe2O3 |
|---|---|---|---|---|---|---|---|---|---|---|---|
| GBFS | 0.45 | 8.14 | 13.09 | 35.48 | 0.22 | 2.53 | 0.35 | 38.11 | 1.12 | 0.32 | 0.19 |
| - | Density (g/cm3) | Weight Avg | Na2O | MgO | Al2O3 | SiO2 | P2O5 | SO3 | K2O | CaO | TiO2 | MnO | Fe2O3 |
|---|---|---|---|---|---|---|---|---|---|---|---|---|---|
| Quartz (SiO2) | 2.62 | 8.50 | 0.31 | 0.09 | 0.09 | 98.35 | 0.14 | 0.63 | 0.00 | 0.00 | 0.00 | 0.00 | 0.39 |
| Hematite and Magnetite 1 | 5.74 | 0.97 | 0.33 | 0.46 | 0.76 | 3.04 | 0.00 | 0.00 | 0.20 | 0.59 | 0.00 | 0.36 | 94.27 |
| AlSi_grain | 2.44 | 76.21 | 0.88 | 0.64 | 31.51 | 58.67 | 0.48 | 0.26 | 1.74 | 0.87 | 1.11 | 0.03 | 6.37 |
| NaAlSi_grain | 2.44 | 1.91 | 5.36 | 0.78 | 25.58 | 61.24 | 0.57 | 0.16 | 2.03 | 0.60 | 0.58 | 0.2 | 2.90 |
| KAlSi_grain | 2.44 | 1.51 | 1.07 | 0.20 | 19.82 | 66.40 | 0.31 | 0.20 | 10.45 | 0.30 | 0.30 | 0.03 | 0.95 |
| CaAlSi_grain | 2.44 | 2.51 | 0.00 | 0.37 | 35.18 | 41.74 | 0.70 | 0.15 | 0.00 | 17.45 | 0.56 | 0.00 | 3.85 |
| MgAlSi_grain | 2.44 | 1.99 | 1.07 | 9.44 | 20.28 | 57.13 | 0.78 | 0.14 | 1.22 | 1.25 | 0.61 | 0.16 | 7.94 |
| FeAlSi_grain | 2.44 | 0.92 | 0.56 | 1.04 | 14.60 | 39.80 | 0.23 | 0.05 | 0.98 | 0.71 | 1.12 | 0.05 | 40.85 |
| TiAlSi_grain | 2.44 | 0.86 | 1.27 | 1.22 | 29.71 | 43.39 | 0.00 | 0.00 | 1.51 | 2.77 | 14.45 | 1.24 | 4.45 |
| CaMgAlSi_grain | 2.44 | 1.27 | 0.14 | 8.24 | 20.64 | 39.17 | 2.34 | 0.00 | 0.02 | 21.03 | 0.53 | 0.11 | 7.78 |
| MgFe_grain | 2.44 | 1.47 | 0.01 | 6.67 | 1.86 | 0.57 | 0.04 | 0.03 | 0.01 | 0.39 | 0.11 | 0.81 | 89.51 |
| P_grain | 2.44 | 0.93 | 0.00 | 6.09 | 11.6 | 17.14 | 24.01 | 0.07 | 0.30 | 36.60 | 0.88 | 0.00 | 3.31 |
| Calcite (CaCO3) | 2.71 | 0.29 | 0.00 | 0.00 | 0.82 | 0.43 | 1.54 | 2.33 | 0.00 | 94.38 | 0.00 | 0.00 | 0.49 |
| Dolomite (CaMg(CO3)2) | 2.87 | 0.12 | 0.00 | 32.17 | 1.30 | 2.09 | 0.97 | 3.75 | 0.07 | 57.65 | 0.09 | 0.14 | 1.78 |
| Al2O3 | 4.00 | 0.54 | 0.08 | 0.00 | 91.84 | 5.37 | 0.45 | 0.02 | 0.07 | 0.31 | 1.02 | 0.02 | 0.84 |
| - | Na2O | MgO | Al2O3 | SiO2 | P2O5 | SO3 | K2O | CaO | TiO2 | MnO | Fe2O3 |
|---|---|---|---|---|---|---|---|---|---|---|---|
| FA | 1.05 | 1.13 | 24.99 | 60.46 | 0.59 | 0.38 | 1.70 | 2.21 | 1.41 | 0.06 | 6.02 |
| Paste S100 | |||||||||||
|---|---|---|---|---|---|---|---|---|---|---|---|
| Reaction products | CaNaAlSi | CaMgNaAlSi | CaAlSi | ||||||||
| Atomic ratio | Na/Si | Mg/Si | Al/Si | Ca/Si | Na/Si | Mg/Si | Al/Si | Ca/Si | Na/Si | Al/Si | Ca/Si |
| Standard deviation | ±0.003 | ±0.001 | ±0.003 | ±0.016 | ±0.020 | ±0.017 | ±0.002 | ±0.025 | ±0.007 | ±0.006 | ±0.027 |
| 1 day sealed | 0.37 | 0.11 | 0.25 | 0.61 | 0.43 | 0.34 | 0.36 | 0.45 | − | − | − |
| 7 days sealed | 0.37 | 0.11 | 0.27 | 0.64 | 0.31 | 0.53 | 0.46 | 0.66 | − | − | − |
| 28 days sealed | 0.33 | 0.10 | 0.26 | 0.84 | 0.31 | 0.66 | 0.52 | 0.84 | − | − | − |
| 1 year sealed | 0.29 | 0.10 | 0.24 | 0.85 | 0.25 | 0.69 | 0.51 | 0.83 | − | − | − |
| 7 days unsealed | 0.32 | 0.10 | 0.26 | 0.60 | 0.27 | 0.49 | 0.44 | 0.61 | − | − | − |
| 28 days unsealed | 0.12 | 0.11 | 0.25 | 0.69 | 0.08 | 0.41 | 0.40 | 0.73 | 0.06 | 0.18 | 0.71 |
| Paste S50 | |||||||||||
|---|---|---|---|---|---|---|---|---|---|---|---|
| Reaction products | CaNaAlSi | CaMgNaAlSi | CaAlSi | ||||||||
| Atomic ratio | Na/Si | Mg/Si | Al/Si | Ca/Si | Na/Si | Mg/Si | Al/Si | Ca/Si | Na/Si | Al/Si | Ca/Si |
| Standard deviation | ±0.002 | ±0.002 | ±0.002 | ±0.007 | ±0.033 | ±0.027 | ±0.011 | ±0.024 | ±0.001 | ±0.002 | ±0.002 |
| 1 day sealed | 0.33 | 0.10 | 0.26 | 0.30 | 0.35 | 0.29 | 0.32 | 0.28 | 0.19 | 0.30 | 0.37 |
| 7 days sealed | 0.35 | 0.08 | 0.29 | 0.34 | 0.41 | 0.37 | 0.45 | 0.41 | 0.19 | 0.35 | 0.47 |
| 28 days sealed | 0.30 | 0.09 | 0.31 | 0.49 | 0.33 | 0.30 | 0.37 | 0.49 | 0.18 | 0.36 | 0.46 |
| 1 year sealed | 0.40 | 0.05 | 0.30 | 0.50 | 0.47 | 0.37 | 0.38 | 0.51 | 0.11 | 0.55 | 0.35 |
| 7 days unsealed | 0.30 | 0.08 | 0.28 | 0.33 | 0.41 | 0.29 | 0.43 | 0.31 | 0.16 | 0.29 | 0.38 |
| 28 days unsealed | 0.25 | 0.09 | 0.30 | 0.48 | 0.26 | 0.28 | 0.35 | 0.47 | 0.14 | 0.31 | 0.49 |
| S100 | 1 Day Sealed | 7 Days Sealed | 28 Days Sealed | 1 Year Sealed | 7 Days Unsealed | 28 Days Unsealed |
|---|---|---|---|---|---|---|
| Na2O | 4.48 | 4.80 | 4.45 | 5.12 | 3.96 | 2.76 |
| MgO | 6.00 | 6.11 | 5.89 | 6.71 | 6.29 | 6.02 |
| Al2O3 | 10.09 | 10.35 | 9.98 | 10.02 | 10.59 | 10.32 |
| SiO2 | 33.90 | 34.70 | 33.71 | 36.42 | 35.44 | 34.58 |
| P2O5 | 0.00 | 0.00 | 0.00 | 0.00 | 0.00 | 0.00 |
| S | 1.44 | 1.44 | 1.43 | 1.60 | 1.32 | 1.20 |
| K2O | 0.42 | 0.41 | 0.42 | 0.33 | 0.40 | 0.38 |
| CaO | 40.53 | 39.62 | 41.24 | 37.40 | 39.29 | 41.76 |
| TiO2 | 1.39 | 1.22 | 1.40 | 1.17 | 1.31 | 1.43 |
| MnO | 0.36 | 0.31 | 0.35 | 0.32 | 0.33 | 0.38 |
| Fe2O3 | 0.69 | 0.66 | 0.68 | 0.61 | 0.66 | 0.67 |
| S50 | 1 Day Sealed | 7 Days Sealed | 28 Days Sealed | 1 Year Sealed | 7 Days Unsealed | 28 Days Unsealed |
|---|---|---|---|---|---|---|
| Na2O | 5.09 | 5.12 | 4.46 | 4.56 | 4.78 | 3.88 |
| MgO | 3.87 | 4.07 | 3.78 | 4.16 | 4.21 | 4.50 |
| Al2O3 | 15.42 | 15.08 | 13.71 | 14.41 | 15.36 | 15.49 |
| SiO2 | 43.27 | 43.38 | 41.00 | 45.74 | 44.12 | 44.83 |
| P2O5 | 0.31 | 0.32 | 0.30 | 0.23 | 0.32 | 0.34 |
| S | 1.07 | 1.10 | 1.17 | 1.12 | 1.00 | 0.96 |
| K2O | 0.85 | 0.86 | 0.93 | 0.81 | 0.82 | 0.80 |
| CaO | 22.50 | 22.92 | 25.89 | 22.58 | 22.39 | 22.47 |
| TiO2 | 1.34 | 1.36 | 1.59 | 1.30 | 1.26 | 1.34 |
| MnO | 0.20 | 0.21 | 0.26 | 0.21 | 0.20 | 0.21 |
| Fe2O3 | 4.94 | 4.82 | 6.03 | 4.73 | 4.65 | 4.58 |
| S100 | 1 Day Sealed | 7 Days Sealed | 28 Days Sealed | 1 Year Sealed | 7 Days Unsealed | 28 Days Unsealed |
|---|---|---|---|---|---|---|
| Na2O | 4.71 | 4.92 | 4.90 | 4.35 | 4.32 | 1.77 |
| MgO | 7.03 | 7.10 | 6.82 | 7.17 | 7.15 | 6.68 |
| Al2O3 | 12.09 | 12.06 | 11.51 | 10.84 | 12.26 | 11.60 |
| SiO2 | 30.04 | 31.03 | 33.62 | 33.87 | 31.06 | 33.49 |
| P2O5 | 0.32 | 0.30 | 0.24 | 0.24 | 0.31 | 0.31 |
| SO3 | 1.68 | 1.95 | 1.72 | 1.66 | 1.60 | 1.24 |
| K2O | 0.54 | 0.47 | 0.36 | 0.31 | 0.48 | 0.34 |
| CaO | 41.09 | 40.44 | 39.22 | 39.80 | 41.23 | 42.95 |
| TiO2 | 1.01 | 0.99 | 1.02 | 1.01 | 1.03 | 1.03 |
| MnO | 0.29 | 0.29 | 0.29 | 0.29 | 0.30 | 0.28 |
| Fe2O3 | 0.40 | 0.44 | 0.31 | 0.48 | 0.25 | 0.33 |
| S50 | 1 Day Sealed | 7 Days Sealed | 28 Days Sealed | 1 Year Sealed | 7 Days Unsealed | 28 Days Unsealed |
|---|---|---|---|---|---|---|
| Na2O | 4.26 | 4.54 | 4.13 | 6.49 | 3.61 | 2.55 |
| MgO | 4.83 | 5.13 | 4.51 | 4.42 | 5.26 | 4.84 |
| Al2O3 | 16.46 | 17.41 | 17.06 | 15.21 | 16.87 | 16.30 |
| SiO2 | 42.88 | 42.55 | 40.30 | 44.23 | 43.22 | 43.21 |
| P2O5 | 0.61 | 0.61 | 0.55 | 0.55 | 0.61 | 0.55 |
| SO3 | 1.22 | 1.40 | 1.85 | 1.71 | 1.46 | 1.62 |
| K2O | 1.09 | 1.05 | 1.00 | 0.98 | 1.03 | 0.84 |
| CaO | 23.77 | 23.44 | 26.83 | 22.69 | 23.80 | 26.73 |
| TiO2 | 0.94 | 1.03 | 0.91 | 0.98 | 1.05 | 0.91 |
| MnO | 0.21 | 0.19 | 0.17 | 0.23 | 0.21 | 0.20 |
| Fe2O3 | 3.71 | 2.39 | 2.44 | 2.61 | 2.90 | 2.24 |
Publisher’s Note: MDPI stays neutral with regard to jurisdictional claims in published maps and institutional affiliations. |
© 2021 by the authors. Licensee MDPI, Basel, Switzerland. This article is an open access article distributed under the terms and conditions of the Creative Commons Attribution (CC BY) license (https://creativecommons.org/licenses/by/4.0/).
Share and Cite
Nedeljković, M.; Ghiassi, B.; Ye, G. Role of Curing Conditions and Precursor on the Microstructure and Phase Chemistry of Alkali-Activated Fly Ash and Slag Pastes. Materials 2021, 14, 1918. https://doi.org/10.3390/ma14081918
Nedeljković M, Ghiassi B, Ye G. Role of Curing Conditions and Precursor on the Microstructure and Phase Chemistry of Alkali-Activated Fly Ash and Slag Pastes. Materials. 2021; 14(8):1918. https://doi.org/10.3390/ma14081918
Chicago/Turabian StyleNedeljković, Marija, Bahman Ghiassi, and Guang Ye. 2021. "Role of Curing Conditions and Precursor on the Microstructure and Phase Chemistry of Alkali-Activated Fly Ash and Slag Pastes" Materials 14, no. 8: 1918. https://doi.org/10.3390/ma14081918
APA StyleNedeljković, M., Ghiassi, B., & Ye, G. (2021). Role of Curing Conditions and Precursor on the Microstructure and Phase Chemistry of Alkali-Activated Fly Ash and Slag Pastes. Materials, 14(8), 1918. https://doi.org/10.3390/ma14081918

