Study of SCC of X70 Steel Immersed in Simulated Soil Solution at Different pH by EIS
Abstract
:1. Introduction
2. Materials and Methods
2.1. Material and Test Solution
2.2. Slow Strain Rate Test (SSRT)
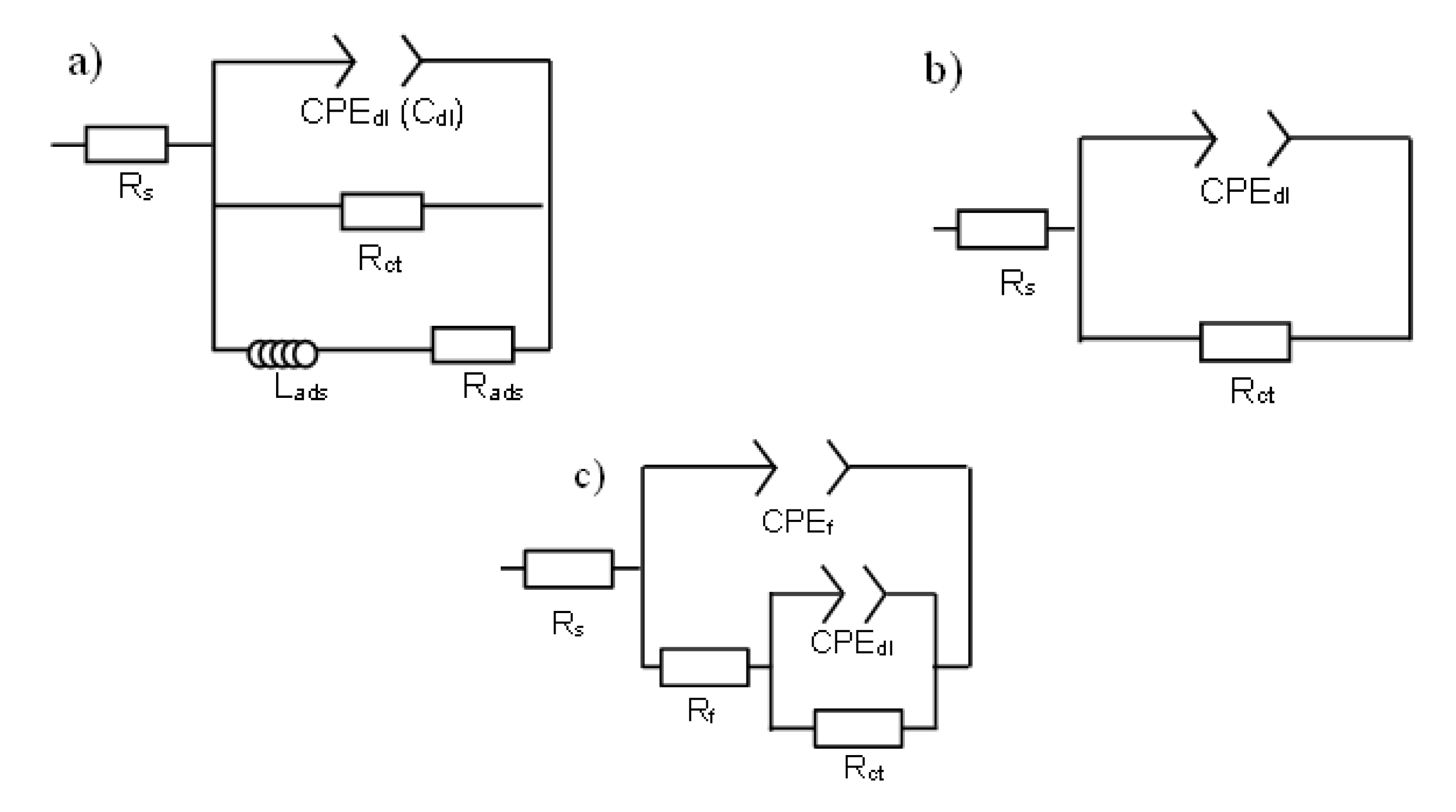
2.3. Electrochemical Impedance Spectroscopy (EIS)
3. Results and Discussion
3.1. Slow Strain Rate Test (SSRT)
3.2. SEM Observations
3.3. Electrochemical Impedance Spectroscopy (EIS)
Determination of SCC Crack Initiation from the Phase Shift (Δφ) Value
3.4. X-ray Diffraction (XRD) Analysis
3.5. Effect of pH Solution on Electrochemical Reactions
4. Conclusions
- According to the SSRT results, the SCC susceptibility increase as the pH value decreases. At pH 3, the X70 steel was moderately susceptible to SCC, whereas at pH 8 and pH 10, the X70 steel presented low susceptibility to SCC.
- Fractographic analysis by SEM revealed that at pH 3, the fracture surface exhibited a brittle appearance with presence of internal cracks, indicating that hydrogen was involved in the SCC process. On the other hand, at pH 8 and pH 10, the steel exhibited extensive plastic deformation and ductile fracture mode. Longitudinal surface of samples showed that the secondary cracking was more severe as solution pH decreased.
- EIS measurements allowed evaluating the effect of stress and changes in the metal-solution interface by monitoring parameters such as Rct and Cdl during the SSRT tests. EIS results indicated that both anodic dissolution and hydrogen embrittlement contributed to the SCC of the steel in the acid solution. Finally, the evolution of Δφ at frequencies below 10 Hz during SSRT test was able to detect the crack initiation by SCC at a closed point to the yield strength of the steel.
- XRD results showed that the solution pH changed the components of the corrosion products film, which limited the SCC process in the NS4 solution at pH 8 and pH 10.
Author Contributions
Funding
Data Availability Statement
Conflicts of Interest
References
- Javidi, M.; Horeh, B.S. Investigating the mechanism of stress corrosion cracking in near-neutral and high pH environments for API 5L X52 steel. Corros. Sci. 2014, 80, 213–220. [Google Scholar] [CrossRef]
- Zhu, M.; Du, C.; Li, X.; Liu, Z.; Wang, S.; Zhao, T.; Jia, J. Effect of strength and microstructure on stress corrosion cracking behavior and mechanism of X80 pipeline steel in high pH carbonate/bicarbonate solution. J. Mater. Eng. Perform. 2014, 23, 1358–1365. [Google Scholar] [CrossRef]
- Fang, B.; Han, E.H.; Wang, J.; Ke, W. Mechanical and environmental influences on stress corrosion cracking of an X-70 pipeline steel in dilute near-neutral pH solutions. Corrosion 2007, 63, 419–432. [Google Scholar] [CrossRef]
- Meresht, E.S.; Farahani, T.S.; Neshati, J. Failure analysis of stress corrosion cracking occurred in a gas transmission steel pipeline. Eng. Fail. Anal. 2011, 18, 963–970. [Google Scholar] [CrossRef]
- Van Boven, G.; Chen, W.; Rogge, R. The role of residual stress in neutral pH stress corrosion cracking of pipeline steels. Part I: Pitting and cracking occurrence. Acta Mater. 2007, 55, 29–42. [Google Scholar] [CrossRef]
- Torres-Islas, A.; Gonzalez-Rodriguez, J.G.; Uruchurtu, J.; Serna, S. Stress corrosion cracking study of microalloyed pipeline steels in dilute NaHCO3 solutions. Corros. Sci. 2008, 50, 2831–2839. [Google Scholar] [CrossRef]
- Fang, B.Y.; Atrens, A.; Wang, J.Q.; Han, E.H.; Zhu, Z.Y.; Ke, W. Review of stress corrosion cracking of pipeline steels in “low” and “high” pH solutions. J. Mater. Sci. 2003, 38, 127–132. [Google Scholar] [CrossRef]
- Pan, B.W.; Li, J.X.; Su, Y.J.; Chu, W.Y.; Qiao, L.J. Role of Hydrogen in Stress Corrosion Cracking of X-60 Pipeline Steel in Soil Containing Water. Corrosion 2012, 68, 1029–1036. [Google Scholar] [CrossRef]
- Shirband, Z.; Luo, J.L.; Eadie, R.; Chen, W. Studying Stress Corrosion Cracking Crack Initiation in Pipeline Steels in a Near-Neutral pH Environment: The Role of Hydrotesting. Corrosion 2020, 76. [Google Scholar] [CrossRef]
- Niazi, H.; Chevil, K.; Gamboa, E.; Lamborn, L.; Chen, W.; Zhang, H. Effects of loading spectra on high pH crack growth behavior of X65 pipeline steel. Corrosion 2020, 76, 601–615. [Google Scholar] [CrossRef]
- Fu, A.Q.; Cheng, Y.F. Electrochemical polarization behavior of X70 steel in thin carbonate/bicarbonate solution layers trapped under a disbonded coating and its implication on pipeline SCC. Corros. Sci. 2010, 52, 2511–2518. [Google Scholar] [CrossRef]
- Meng, G.Z.; Zhang, C.; Cheng, Y.F. Effects of corrosion product deposit on the subsequent cathodic and anodic reactions of X-70 steel in near-neutral pH solution. Corros. Sci. 2008, 50, 3116–3122. [Google Scholar] [CrossRef]
- Ryakhovskikh, I.V.; Bogdanov, R.I.; Ignatenko, V.E. Intergranular stress corrosion cracking of steel gas pipelines in weak alkaline soil electrolytes. Eng. Fail. Anal. 2018, 94, 87–95. [Google Scholar] [CrossRef]
- Cheng, Y.F. Thermodynamically modeling the interactions of hydrogen, stress and anodic dissolution at crack-tip during near-neutral pH SCC in pipelines. J. Mater. Sci. 2007, 42, 2701–2705. [Google Scholar] [CrossRef]
- Niu, L.; Cheng, Y.F. Corrosion behavior of X-70 pipe steel in near-neutral pH solution. Appl. Surf. Sci. 2007, 253, 8626–8631. [Google Scholar] [CrossRef]
- Liu, Z.Y.; Li, X.G.; Du, C.W.; Lu, L.; Zhang, Y.R.; Cheng, Y.F. Effect of inclusions on initiation of stress corrosion cracks in X70 pipeline steel in an acidic soil environment. Corros. Sci. 2009, 51, 895–900. [Google Scholar] [CrossRef]
- Zhang, J.; Liu, J.; Hu, Q.; Huang, F.; Cheng, Z.; Guo, J. The influence of tensile stress on the electrochemical behavior of X80 steel in a simulated acid soil solution. Anti-Corros. Method. Mater. 2015, 62, 103–108. [Google Scholar] [CrossRef]
- Galván-Martínez, R.; Orozco-Cruz, R.; Carmona-Hernández, A.; Mejía-Sánchez, E.; Morales-Cabrera, M.A.; Contreras, A. Corrosion study of pipeline steel under stress at different cathodic potentials by EIS. Metals 2019, 9, 1353. [Google Scholar] [CrossRef] [Green Version]
- Chen, W.; King, F.; Jack, T.R.; Wilmott, M.J. Environmental aspects of near-neutral pH stress corrosion cracking of pipeline steel. Metall. Mater. Trans. A 2002, 33, 1429–1436. [Google Scholar] [CrossRef]
- Liu, Z.; Du, C.; Zhang, X.; Wang, F.; Li, X. Effect of pH value on stress corrosion cracking of X70 pipeline steel in acidic soil environment. Acta Metall. Sin. 2013, 26, 489–496. [Google Scholar] [CrossRef] [Green Version]
- Gadala, I.M.; Alfantazi, A. Electrochemical behavior of API-X100 pipeline steel in NS4, near-neutral, and mildly alkaline pH simulated soil solutions. Corros. Sci. 2014, 82, 45–57. [Google Scholar] [CrossRef]
- Cui, Z.Y.; Liu, Z.Y.; Wang, L.W.; Ma, H.C.; Du, C.W.; Li, X.G.; Wang, X. Effect of pH value on the electrochemical and stress corrosion cracking behavior of X70 pipeline steel in the dilute bicarbonate solutions. J. Mater. Eng. Perform. 2015, 24, 4400–4408. [Google Scholar] [CrossRef]
- Liang, P.; Guo, Y.; Qin, H.; Shi, Y.; Li, F.; Jin, L.; Fang, Z. Effects of pH on the electrochemical behavior and stress corrosion cracking of X80 pipeline steel in simulated alkaline soil solution. Int. J. Electrochem. Sci. 2019, 14, 6247–6256. [Google Scholar] [CrossRef]
- Cheng, Y.F.; Niu, L. Application of electrochemical techniques in investigation of the role of hydrogen in near-neutral pH stress corrosion cracking of pipelines. J. Mater. Sci. 2007, 42, 3425–3434. [Google Scholar] [CrossRef]
- Shahriari, A.; Shahrabi, T.; Oskuie, A.A. A study on stress corrosion cracking of X70 pipeline steel in carbonate solution by EIS. J. Mater. Eng. Perform. 2013, 22, 1459–1470. [Google Scholar] [CrossRef]
- Carpintero-Moreno, E.J.; Gonzalez-Rodriguez, J.G.; Uruchurtu-Chavarin, J.; Rosales, I.; Campillo, B.; Leduc-Lezama, L. Detection of Stress Corrosion Cracking in a Dual-Phase Steel Using Electrochemical Noise and Impedance Spectroscopy. Corrosion 2013, 69, 85–94. [Google Scholar] [CrossRef]
- Bosch, R.W.; Vankeerberghen, M. Differentiation of SCC Susceptibility with EIS of Alloy 182 in High Temperature Water. Corros. Mater. Degrad. 2021, 2, 341. [Google Scholar] [CrossRef]
- Bosch, R.W. Electrochemical impedance spectroscopy for the detection of stress corrosion cracks in aqueous corrosion systems at ambient and high temperature. Corros. Sci. 2005, 47, 125–143. [Google Scholar] [CrossRef]
- Neshati, J.; Adib, B.; Sardashti, A. Stress corrosion cracking detection of sensitized stainless steel 304 in chloride media by using electrochemical impedance spectroscopy (EIS). J. Pet. Sci. Technol. 2012, 2, 55–60. [Google Scholar]
- Xiong, Y.; Shen, Y.; He, L.; Yang, Z.; Song, R. Stress corrosion cracking behavior of LSP/MAO treated magnesium alloy during SSRT in a simulated body fluid. J. Alloys Compd. 2020, 822, 153707. [Google Scholar] [CrossRef]
- Lou, X.; Singh, P.M. Phase angle analysis for stress corrosion cracking of carbon steel in fuel-grade ethanol: Experiments and simulation. Electrochim. Acta 2011, 56, 1835–1847. [Google Scholar] [CrossRef]
- Oskuie, A.A.; Shahrabi, T.; Shahriari, A.; Saebnoori, E. Electrochemical impedance spectroscopy analysis of X70 pipeline steel stress corrosion cracking in high pH carbonate solution. Corros. Sci. 2012, 61, 111–122. [Google Scholar] [CrossRef]
- Barraza-Fierro, J.I.; Serna-Barquera, S.A.; Campillo-Illanes, B.F.; Castaneda, H. EIS Behavior of Experimental High-Strength Steel in Near-Neutral pH and Load Conditions. Metall. Mater. Trans. A 2017, 48, 1944–1958. [Google Scholar] [CrossRef]
- NACE TM0198. Slow Strain Rate Test Method for Screening Corrosion-Resistant Alloys for Stress Corrosion Cracking in Sour Oilfield Service; NACE International: Houston, TX, USA, 2004. [Google Scholar]
- Contreras, A.; Hernández, S.L.; Orozco-Cruz, R.; Galvan-Martínez, R. Mechanical and environmental effects on stress corrosion cracking of low carbon pipeline steel in a soil solution. Mater. Des. 2012, 35, 281–289. [Google Scholar] [CrossRef]
- Nenasheva, T.A.; Marshakov, A.I. Kinetics of dissolution of hydrogenated carbon steel in electrolytes with pH close to neutral. Prot. Met. Phys. Chem. Surf. 2015, 51, 1018–1026. [Google Scholar] [CrossRef]
- Natividad, C.; García, R.; López, V.H.; Galván-Martínez, R.; Salazar, M.; Contreras, A. Stress corrosion cracking assessment of API X65 steel non-conventionally heat treated. Mater. Corros. 2016, 67, 352–360. [Google Scholar] [CrossRef]
- ASTM G1-90. Standard Practice for Preparing, Cleaning, and Evaluating Corrosion Test Specimens; ASTM: West Conshohocken, PA, USA, 1999. [Google Scholar]
- Urquidi-Macdonald, M.; Real, S.; Macdonald, D.D. Applications of Kramers—Kronig transforms in the analysis of electrochemical impedance data—III. Stability and linearity. Electrochim. Acta 1990, 35, 1559–1566. [Google Scholar] [CrossRef]
- Cui, Z.; Liu, Z.; Wang, L.; Li, X.; Du, C.; Wang, X. Effect of plastic deformation on the electrochemical and stress corrosion cracking behavior of X70 steel in near-neutral pH environment. Mater. Sci. Eng. A 2016, 677, 259–273. [Google Scholar] [CrossRef]
- Jacobo, L.R.; Garcia, R.; Lopez, V.H.; Contreras, A. Effect of non-conventional heat treatment of API X60 pipeline steel on corrosion resistance and stress corrosion cracking susceptibility. Anti-Corros. Methods Mater. 2019, 66, 274–285. [Google Scholar] [CrossRef]
- Bueno, A.H.S.; Moreira, E.D.; Gomes, J.A.C.P. Evaluation of stress corrosion cracking and hydrogen embrittlement in an API grade steel. Eng. Fail. Anal. 2014, 36, 423–431. [Google Scholar] [CrossRef]
- Zhang, G.A.; Cheng, Y.F. Micro-electrochemical characterization of corrosion of welded X70 pipeline steel in near-neutral pH solution. Corros. Sci. 2009, 51, 1714–1724. [Google Scholar] [CrossRef]
- Liu, Z.Y.; Li, X.G.; Cheng, Y.F. Mechanistic aspect of near-neutral pH stress corrosion cracking of pipelines under cathodic polarization. Corros. Sci. 2012, 55, 54–60. [Google Scholar] [CrossRef]
- McIntyre, D.R.; Kane, R.D.; Wilhelm, S.M. Slow strain rate testing for materials evaluation in high-pressure H2S environments. Corrosion 1988, 44, 920–926. [Google Scholar] [CrossRef]
- Lynch, S. Hydrogen embrittlement phenomena and mechanisms. Corros. Rev. 2012, 30, 105–123. [Google Scholar] [CrossRef]
- Wang, R. Effects of hydrogen on the fracture toughness of a X70 pipeline steel. Corros. Sci. 2009, 51, 2803–2810. [Google Scholar] [CrossRef]
- Quej-Aké, L.M.; Galvan-Martinez, R.; Contreras-Cuevas, A. Electrochemical and tension tests behavior of API 5L X60 pipeline steel in a simulated soil solution. Mater. Sci. Forum 2013, 755, 153–161. [Google Scholar] [CrossRef]
- Chen, L.; Case, R. The Susceptibility of Nanostructured Steel to Sulfide Stress Corrosion Cracking as a function of H2S concentration, pH and Heat Treatment. In Proceedings of the Corrosion Virtual Conference and Expo 2021; Paper No. 16365; NACE International: Houston, TX, USA, 2021. [Google Scholar]
- Tian, H.; Wang, X.; Cui, Z.; Lu, Q.; Wang, L.; Lei, L.; Zhang, D. Electrochemical corrosion, hydrogen permeation and stress corrosion cracking behavior of E690 steel in thiosulfate-containing artificial seawater. Corros. Sci. 2018, 144, 145–162. [Google Scholar] [CrossRef]
- Wang, L.; Xin, J.; Cheng, L.; Zhao, K.; Sun, B.; Li, J.; Cui, Z. Influence of inclusions on initiation of pitting corrosion and stress corrosion cracking of X70 steel in near-neutral pH environment. Corros. Sci. 2019, 147, 108–127. [Google Scholar] [CrossRef]
- Liu, Z.Y.; Wang, X.Z.; Du, C.W.; Li, J.K.; Li, X.G. Effect of hydrogen-induced plasticity on the stress corrosion cracking of X70 pipeline steel in simulated soil environments. Mater. Sci. Eng. A 2016, 658, 348–354. [Google Scholar] [CrossRef] [Green Version]
- Galván-Martínez, R.; Carmona, A.; Baltazar, M.; Contreras, A.; Orozco-Cruz, R. Stress Corrosion Cracking of X70 Pipeline Steel immersed in Synthetic Soil solution. Afinidad 2019, 76, 52–62. [Google Scholar]
- Fan, L.; Liu, Z.Y.; Guo, W.M.; Hou, J.; Du, C.W.; Li, X.G. A new understanding of stress corrosion cracking mechanism of X80 pipeline steel at passive potential in high-pH solutions. Acta Metall. Sin. 2015, 28, 866–875. [Google Scholar] [CrossRef] [Green Version]
- Wang, X.Z.; Liu, Z.Y.; Ge, X.; Zhan, X.L.; Du, C.W.; Li, X.G. Growth behavior of stress corrosion cracks of X80 pipeline steel in underground water of acidic soil. Corrosion 2014, 70, 872–879. [Google Scholar] [CrossRef]
- Li, M.C.; Cheng, Y.F. Mechanistic investigation of hydrogen-enhanced anodic dissolution of X-70 pipe steel and its implication on near-neutral pH SCC of pipelines. Electrochim. Acta 2007, 52, 8111–8117. [Google Scholar] [CrossRef]
- Zheng, C.; Yi, G. Investigating the influence of hydrogen on stress corrosion cracking of 2205 duplex stainless steel in sulfuric acid by electrochemical impedance spectroscopy. Corros. Rev. 2017, 35, 23–33. [Google Scholar] [CrossRef]
- Bosch, R.W.; Moons, F.; Zheng, J.H.; Bogaerts, W.F. Application of electrochemical impedance spectroscopy for monitoring stress corrosion cracking. Corrosion 2001, 57, 532–539. [Google Scholar] [CrossRef]
- Zhao, J.; Duan, H.; Jiang, R. Synergistic corrosion inhibition effect of quinoline quaternary ammonium salt and Gemini surfactant in H2S and CO2 saturated brine solution. Corros. Sci. 2015, 91, 108–119. [Google Scholar] [CrossRef]
- Wang, X.; Yang, H.; Wang, F. A cationic gemini-surfactant as effective inhibitor for mild steel in HCl solutions. Corros. Sci. 2010, 52, 1268–1276. [Google Scholar] [CrossRef]
- Brug, G.J.; van den Eeden, A.L.; Sluyters-Rehbach, M.; Sluyters, J.H. The analysis of electrode impedances complicated by the presence of a constant phase element. J. Electroanal. Chem. Interfacial Electrochem. 1984, 176, 275–295. [Google Scholar] [CrossRef]
- Liu, Z.Y.; Li, X.G.; Du, C.W.; Cheng, Y.F. Local additional potential model for effect of strain rate on SCC of pipeline steel in an acidic soil solution. Corros. Sci. 2009, 51, 2863–2871. [Google Scholar] [CrossRef]
- Lopez, D.A.; Simison, S.N.; de Sanchez, S.R. The influence of steel microstructure on CO2 corrosion. EIS studies on the inhibition efficiency of benzimidazole. Electrochim. Acta 2003, 48, 845–854. [Google Scholar] [CrossRef]
- Tamura, H. The role of rusts in corrosion and corrosion protection of iron and steel. Corros. Sci. 2008, 50, 1872–1883. [Google Scholar] [CrossRef] [Green Version]
- Dong, J.; Zhao, Y.; Zhao, R.; Zhou, R. Effects of pH and particle size on kinetics of nitrobenzene reduction by zero-valent iron. J. Environ. Sci. 2010, 22, 1741–1747. [Google Scholar] [CrossRef]
- Marvasti, M.H. Crack Growth Behavior of Pipeline Steels in Near Neutral pH Soil Environment. Master’s Thesis, Department of Chemical and Materials Engineering, University of Alberta, Edmonton, AB, Canada, 2010. [Google Scholar]
- Liu, Z.Y.; Li, Q.; Cui, Z.Y.; Wu, W.; Li, Z.; Du, C.W.; Li, X.G. Field experiment of stress corrosion cracking behavior of high strength pipeline steels in typical soil environments. Constr. Build. Mater. 2017, 148, 131–139. [Google Scholar] [CrossRef]
- Jegdić, B.; Polić-Radovanović, S.; Ristić, S.; Alil, A. Corrosion processes, nature and composition of corrosion products on iron artefacts of weaponry. Sci. Tech. Rev. 2011, 61, 50–56. [Google Scholar]
- Blengino, J.M.; Keddam, M.; Labbe, J.P.; Robbiola, L. Physico-chemical characterization of corrosion layers formed on iron in a sodium carbonate-bicarbonate containing environment. Corros. Sci. 1995, 37, 621–643. [Google Scholar] [CrossRef]
- Ohtsuka, T. Passivation oxide films and rust layers on iron. In Characterization of Corrosion Products on Steel Surfaces; Springer: Berlin/Heidelberg, Germany, 2006; pp. 19–31. [Google Scholar]
- Asher, S.L.; Leis, B.; Colwell, J.; Singh, P.M. Investigating a mechanism for transgranular stress corrosion cracking on buried pipelines in near-neutral pH environments. Corrosion 2007, 63, 932–939. [Google Scholar] [CrossRef]
- Liu, J.; Cheng, J.; Hu, Q.; Huang, F.; Xu, J.; Guo, B. The stress corrosion cracking behavior of X120 pipeline steel in a simulated acidic soil solution. Anti-Corros. Method. Mater. 2012, 59, 311–316. [Google Scholar] [CrossRef]
- Liang, P.; Li, X.; Du, C.; Chen, X. Stress corrosion cracking of X80 pipeline steel in simulated alkaline soil solution. Mater. Des. 2009, 30, 1712–1717. [Google Scholar] [CrossRef]









| Element | C | Mn | Si | Al | Nb | Cu | Cr | Ni | V | Ti | Fe |
|---|---|---|---|---|---|---|---|---|---|---|---|
| wt.% | 0.03 | 1.48 | 0.13 | 0.033 | 0.1 | 0.29 | 0.27 | 0.16 | 0.004 | 0.012 | Bal. |
| Condition | TF 1 (h) | (GPa) | (MPa) | (%) | (%) | (%) | |||
|---|---|---|---|---|---|---|---|---|---|
| Air | 42.2 | 344 | 566 | 612 | 14.5 | 84 | 0.13 | ||
| NS4 pH 3 | 30.4 | 279.4 | 604.7 | 655.3 | 10.4 | 62.8 | 0.09 | 0.74 | 0.64 |
| NS4 pH 8 | 37.6 | 285.2 | 564 | 575.2 | 12.9 | 78.3 | 0.12 | 0.94 | 0.88 |
| NS4 pH 10 | 41.9 | 299.4 | 552 | 574.4 | 14.4 | 81.8 | 0.13 | 0.96 | 0.99 |
| pH | Point | Rs (Ω cm2) | Rf (Ω cm2) | CPEf-Y0 (sn/Ω cm2) | nf | Cdl (μF/cm2) | Rct (Ω cm2) | Rads (Ω cm2) | L (H/cm2) |
|---|---|---|---|---|---|---|---|---|---|
| 3 | T0 | 26.5 | 94.5 | 214.4 | 232.96 | 1882.4 | |||
| EZ | 26 | 128.4 | 188.2 | 487.04 | 3349.5 | ||||
| YS | 27.2 | 138.3 | 170.1 | 465.93 | 4253 | ||||
| UTS | 26.4 | 161.2 | 166.2 | 337 | 3037.3 | ||||
| BF | 29.2 | 265.1 | 200.1 | 483.55 | 4786.3 | ||||
| 8 | T0 | 48.7 | 449.5 | 494.32 | |||||
| EZ | 50.1 | 436.9 | 567.9 | ||||||
| YS | 48.6 | 355.4 | 583 | ||||||
| UTS | 51.8 | 175.92 | 9.9 × 10−4 | 0.74 | 414.4 | 293.8 | |||
| BF | 55.2 | 178.69 | 1.5 × 10−3 | 0.74 | 1014 | 200 | |||
| 10 | T0 | 42.5 | 677.2 | 373.58 | |||||
| EZ | 40.8 | 1090.7 | 584 | ||||||
| YS | 41.2 | 1399 | 440.22 | ||||||
| UTS | 47.4 | 127.44 | 2.0 × 10−4 | 0.72 | 2945.3 | 303.11 | |||
| BF | 53.4 | 91.106 | 2.4 × 10−3 | 0.67 | 3896 | 266.62 |
Publisher’s Note: MDPI stays neutral with regard to jurisdictional claims in published maps and institutional affiliations. |
© 2021 by the authors. Licensee MDPI, Basel, Switzerland. This article is an open access article distributed under the terms and conditions of the Creative Commons Attribution (CC BY) license (https://creativecommons.org/licenses/by/4.0/).
Share and Cite
Carmona-Hernandez, A.; Orozco-Cruz, R.; Mejía-Sanchez, E.; Espinoza-Vazquez, A.; Contreras-Cuevas, A.; Galvan-Martinez, R. Study of SCC of X70 Steel Immersed in Simulated Soil Solution at Different pH by EIS. Materials 2021, 14, 7445. https://doi.org/10.3390/ma14237445
Carmona-Hernandez A, Orozco-Cruz R, Mejía-Sanchez E, Espinoza-Vazquez A, Contreras-Cuevas A, Galvan-Martinez R. Study of SCC of X70 Steel Immersed in Simulated Soil Solution at Different pH by EIS. Materials. 2021; 14(23):7445. https://doi.org/10.3390/ma14237445
Chicago/Turabian StyleCarmona-Hernandez, Andres, Ricardo Orozco-Cruz, Edgar Mejía-Sanchez, Araceli Espinoza-Vazquez, Antonio Contreras-Cuevas, and Ricardo Galvan-Martinez. 2021. "Study of SCC of X70 Steel Immersed in Simulated Soil Solution at Different pH by EIS" Materials 14, no. 23: 7445. https://doi.org/10.3390/ma14237445
APA StyleCarmona-Hernandez, A., Orozco-Cruz, R., Mejía-Sanchez, E., Espinoza-Vazquez, A., Contreras-Cuevas, A., & Galvan-Martinez, R. (2021). Study of SCC of X70 Steel Immersed in Simulated Soil Solution at Different pH by EIS. Materials, 14(23), 7445. https://doi.org/10.3390/ma14237445

