Evaluation of the Behavior of Two CAD/CAM Fiber-Reinforced Composite Dental Materials by Immersion Tests
Abstract
1. Introduction
2. Materials and Methods
2.1. Sample Preparation
2.2. Morphology and Chemical Composition
2.3. Immersion Assay
- Δm represents the mass variation;
- mf is the mass of the sample after immersion;
- mi is the initial mass of the sample.
3. Results
3.1. Characterization of Fiber-Reinforced Resin Materials before Immersion Tests
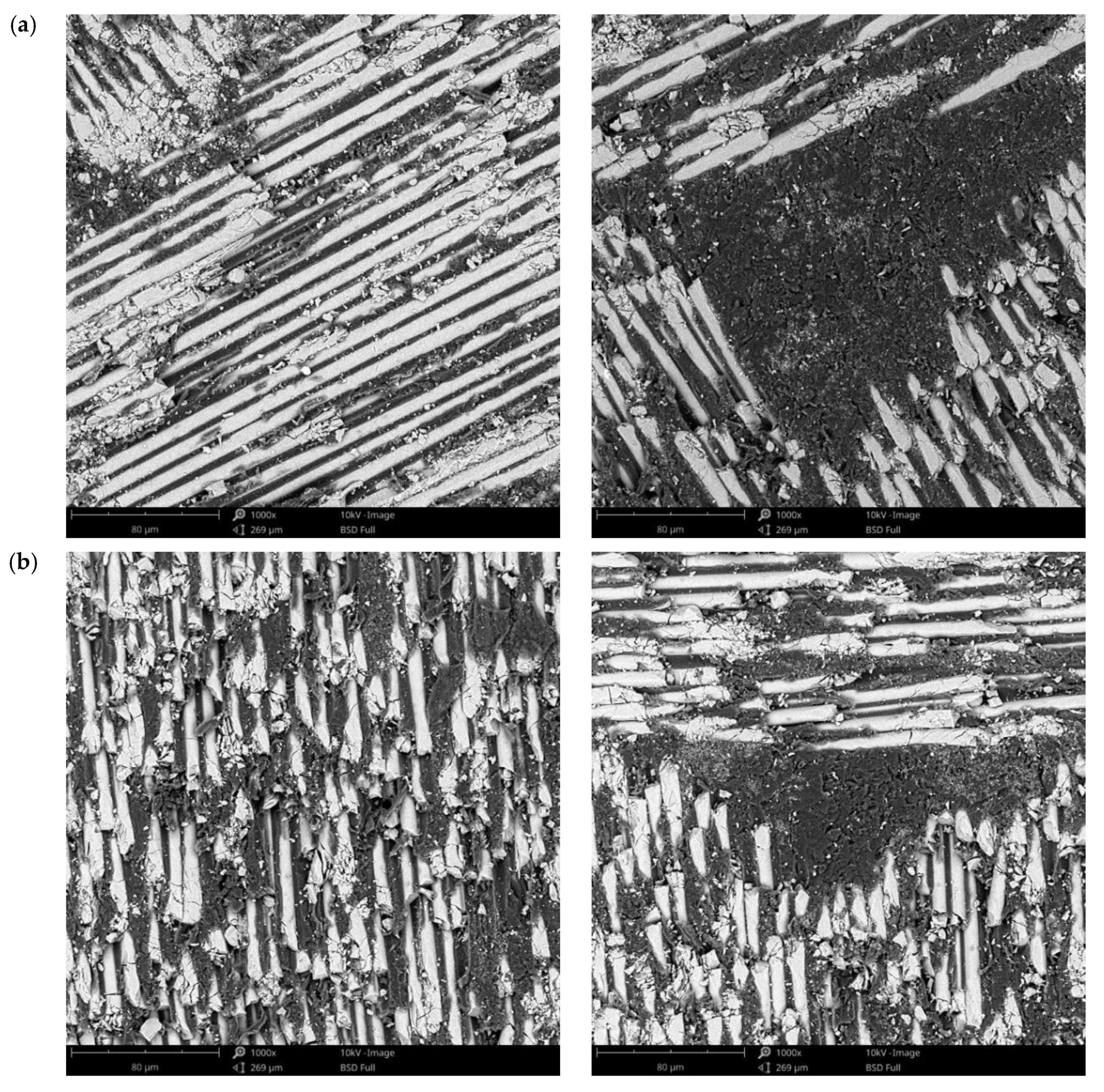
3.1.1. Morphology
3.1.2. Chemical Composition
3.2. Immersion Assay in Artificial Saliva
3.3. Surface Morphology after Immersion Tests in Artificial Saliva
4. Discussion
5. Conclusions
Author Contributions
Funding
Institutional Review Board Statement
Informed Consent Statement
Data Availability Statement
Acknowledgments
Conflicts of Interest
References
- Ngo, Tri-Dung. Introduction to Composite Materials. In Composite and Nanocomposite Materials—From Knowledge to Industrial Applications; IntechOpen: London, UK, 2020. [Google Scholar] [CrossRef]
- Zhou, X.; Huang, X.; Li, M.; Peng, X.; Wang, S.; Zhou, X.; Cheng, L. Development and status of resin composite as dental restorative materials. J. Appl. Polym. Sci. 2019, 136, 48180. [Google Scholar] [CrossRef]
- Reddy, M.S.B.; Ponnamma, D.; Choudhary, R.; Sadasivuni, K.K. A Comparative Review of Natural and Synthetic Biopolymer Composite Scaffolds. Polymers 2021, 13, 1105. [Google Scholar] [CrossRef]
- Rokaya, D.; Srimaneepong, V.; Sapkota, J.; Qin, J.; Siraleartmukul, K.; Siriwongrungson, V. Polymeric materials and films in dentistry: An overview. J. Adv. Res. 2018, 14, 25–34. [Google Scholar] [CrossRef]
- Patel, E.; Choonara, Y.E.; Pillay, V. Dental biomaterials: Challenges in the translation from lab to patient. S. Afr. Dent. J. 2020, 75, 16–28. [Google Scholar] [CrossRef][Green Version]
- Kabbej, M.; Guillard, V.; Angellier-Coussy, H.; Wolf, C.; Gontard, N.; Gaucel, S. 3D Modelling of Mass Transfer into Bio-Composite. Polymers 2021, 13, 2257. [Google Scholar] [CrossRef] [PubMed]
- Rajak, D.K.; Pagar, D.D.; Menezes, P.M.; Linul, E. Fiber-Reinforced Polymer Composites: Manufacturing, Properties, and Applications—Review. Polymers 2019, 11, 1667. [Google Scholar] [CrossRef]
- Subhan, M.A.; Choudhury, K.P.; Neogi, N. Advances with Molecular Nanomaterials in Industrial Manufacturing Applications. Nanomanufacturing 2021, 1, 75–97. [Google Scholar] [CrossRef]
- de Oliveira, A.D.; Augusto Gonçalves, C.B. Polymer Nanocomposites with Different Types of Nanofiller. In Nanocomposites—Recent Evolutions; Sivasankaran, S., Ed.; IntechOpen: London, UK, 2018. [Google Scholar] [CrossRef]
- Prasad, K.; Bazaka, O.; Chua, M.; Rochford, M.; Fedrick, L.; Spoor, J.; Symes, R.; Tieppo, M.; Collins, C.; Cao, A.; et al. Metallic Biomaterials: Current Challenges and Opportunities. Materials 2017, 10, 884. [Google Scholar] [CrossRef]
- Bechir, F.; Bataga, S.M.; Ungureanu, E.; Vranceanu, D.M.; Pacurar, M.; Bechir, E.S.; Cotrut, C.M. Experimental Study Regarding the Behavior at Different pH of Two Types of Co-Cr Alloys Used for Prosthetic Restorations. Materials 2021, 14, 4635. [Google Scholar] [CrossRef]
- Poggio, C.E.; Ercoli, C.; Rispoli, L.; Maiorana, C.; Esposito, M. Metal-free materials for fixed prosthodontic restorations. Cochrane Database Syst. Rev. 2017, 12, CD009606. [Google Scholar] [CrossRef]
- García-Engra, G.; Fernandez-Estevan, L.; Casas-Terrón, J.; Fons-Font, A.; Castelo-Baz, P.; Agustín-Panadero, R.; Román-Rodriguez, J.L. Fracture Resistance of New Metal-Free Materials Used for CAD-CAM Fabrication of Partial Posterior Restorations. Medicina 2020, 56, 132. [Google Scholar] [CrossRef] [PubMed]
- Skorulska, A.; Piszko, P.; Rybak, Z.; Szymonowicz, M.; Dobrzyński, M. Review on Polymer, Ceramic and Composite Materials for CAD/CAM Indirect Restorations in Dentistry—Application, Mechanical Characteristics and Comparison. Materials 2021, 14, 1592. [Google Scholar] [CrossRef]
- Tharani Kumar, S.; Prasanna Devi, S.; Krithika, C.; Raghavan, R.N. Review of Metallic Biomaterials in Dental Applications. J. Pharm. Bioallied Sci. 2020, 12, S14–S19. [Google Scholar] [CrossRef]
- Sinha, N. Shear Bond Strength Characteristics on Surface Treatment Modalities of CAD-CAM Resin Based Core Materials. Master’s Thesis, Marquette University, Milwaukee, WI, USA, 2021. [Google Scholar]
- Passaretti, A.; Petroni, G.; Miracolo, G.; Savoia, V.; Perpetuini, A.; Cicconetti, A. Metal free, full arch, fixed prosthesis for edentulous mandible rehabilitation on four implants. J Prosthodont. Res. 2018, 62, 264–267. [Google Scholar] [CrossRef] [PubMed]
- Suzaki, N.; Yamaguchi, S.; Hirose, N.; Tanaka, R.; Takahashi, Y.; Imazato, S.; Hayashi, M. Evaluation of physical properties of fiber-reinforced composite resin. Dent. Mater. 2020, 36, 987–996. [Google Scholar] [CrossRef] [PubMed]
- Available online: https://www.shofu.com/wp-content/uploads/CAD-CAM-Article-US-Inside-Dental-Technology.pdf (accessed on 11 October 2021).
- Ewers, R.; Perpetuini, P.; Morgan, J.V.; Marincola, M.; Wu, R.; Seemann, R. TRINIA™- Metal-free restorations. Implants 2017, 1, 22–27. [Google Scholar]
- Available online: https://www.trinia.com/ (accessed on 10 October 2021).
- Available online: https://preat.com/attachment_systems/trilor-high-performance-polymer/ (accessed on 11 October 2021).
- Available online: www.bioloren.com (accessed on 10 October 2021).
- Available online: https://bioloren.com/trilor/ (accessed on 11 October 2021).
- Hao, Y.; Huang, X.; Zhou, X.; Li, M.; Ren, B.; Peng, X.; Cheng, L. Influence of Dental Prosthesis and Restorative Materials Interface on Oral Biofilms. Int. J. Mol. Sci. 2018, 19, 3157. [Google Scholar] [CrossRef]
- Lee, Y.-H.; Chung, S.W.; Auh, Q.-S.; Hong, S.-J.; Lee, Y.-A.; Jung, J.; Lee, G.-J.; Park, H.J.; Shin, S.-I.; Hong, J.-Y. Progress in Oral Microbiome Related to Oral and Systemic Diseases: An Update. Diagnostics 2021, 11, 1283. [Google Scholar] [CrossRef]
- Clarrett, D.M.; Hachem, C. Gastroesophageal Reflux Disease (GERD). Mo. Med. 2018, 115, 214–218. [Google Scholar]
- Watanabe, M.; Nakatani, E.; Yoshikawa, H.; Kanno, T.; Nariai, Y.; Yoshino, A.; Vieth, M.; Kinoshita, Y.; Sekine, J. Oral soft tissue disorders are associated with gastroesophageal reflux disease: Retrospective study. BMC Gastroenterol. 2017, 92. [Google Scholar] [CrossRef]
- Kreth, J.; Merritt, J.; Pfeifer, C.S.; Khajotia, S.; Ferracane, J.L. Interaction between the Oral Microbiome and Dental Composite Biomaterials: Where We Are and Where We Should Go. J. Dent. Res. 2020, 99, 1140–1149. [Google Scholar] [CrossRef] [PubMed]
- Saramet, V.; Melescanu-Imre, M.; Tâncu, A.M.C.; Albu, C.C.; Ripszky-Totan, A.; Pantea, M. Molecular Interactions between Saliva and Dental Composites Resins: A Way Forward. Materials 2021, 14, 2537. [Google Scholar] [CrossRef] [PubMed]
- Vlădescu, A.; Pârâu, A.; Pană, I.; Cotruț, C.M.; Constantin, L.R.; Braic, V.; Vrânceanu, D.M. In Vitro Activity Assays of Sputtered HAp Coatings with SiC Addition in Various Simulated Biological Fluids. Coatings 2019, 9, 389. [Google Scholar] [CrossRef]
- Porto, T.S.; Roperto, R.C.; Akkus, A.; Akkus, O.; Teich, S.; Faddoul, F.; Porto-Neto, S.T.; Campos, E.A. Effect of storage and aging conditions on the flexural strength and flexural modulus of CAD/CAM materials. Dent Mater. J. 2019, 38, 264–270. [Google Scholar] [CrossRef] [PubMed]
- Pratap, B.; Gupta, R.K.; Bhardwaj, B.; Nag, M. Resin based restorative dental materials: Characteristics and future perspectives. Jpn. Dent. Sci. Rev. 2019, 55, 126–138. [Google Scholar] [CrossRef]
- Jovanovic, M.; Zivic, M.; Milosavljevic, M. A Potential Application of Materials Based on a Polymer and CAD/CAM Composite Resins in Prosthetic Dentistry. J. Prosthodont. Res. 2020, 65, 137–147. [Google Scholar] [CrossRef]
- Scribante, A.; Vallittu, P.K.; Özcan, M. Fiber-Reinforced Composites for Dental Applications. BioMed Res. Int. 2018, 2018, 4734986. [Google Scholar] [CrossRef]
- Vallittu, P.K. An overview of development and status of fiber-reinforced composites as dental and medical biomaterials. Acta Biomater. Odontol. Scand. 2018, 4, 44–55. [Google Scholar] [CrossRef]
- Scribante, A.; Vallittu, P.K.; Özcan, M.; Lassila, L.; Gandini, P.; Sfondrini, M.F. Travel beyond Clinical Uses of Fiber Reinforced Composites (FRCs) in Dentistry: A Review of Past Employments, Present Applications, and Future Perspectives. BioMed Res. Int. 2018, 2018, 1498901. [Google Scholar] [CrossRef]
- Eid, R.; Azzam, K.; Skienhe, H.; Ounsi, H.; Ferrari, M.; Salameh, Z. Influence of Adaptation and Adhesion on the Retention of Computer-aided Design/Computer-aided Manufacturing Glass Fiber Posts to Root Canal. J. Contemp. Dent. Pract. 2019, 20, 1004. [Google Scholar]
- Eid, R.Y.; Koken, S.; Baba, N.Z.; Ounsi, H.; Ferrari, M.; Salameh, Z. Effect of Fabrication Technique and Thermal Cycling on the Bond Strength of CAD/CAM Milled Custom fit Anatomical Post and Cores: An in Vitro Study. J. Prosthodont. 2019, 28, 898–905. [Google Scholar] [CrossRef] [PubMed]
- Eid, R.; Juloski, J.; Ounsi, H.; Silwaidi, M.; Ferrari, M.; Salameh, Z. Fracture resistance and failure pattern of endodontically treated teeth restored with computer-aided design/computer-aided manufacturing post and cores: A pilot study. J. Contemp. Dent. Pract. 2019, 20, 56–63. [Google Scholar] [PubMed]
- Ilie, N.; Hickel, R. Investigations on mechanical behaviour of dental composites. Clin Oral Investig 2009, 13, 427–438. [Google Scholar] [CrossRef] [PubMed]
- Lohbauer, U.; Belli, R. The mechanical performance of a novel self-adhesive restorative material. J. Adhes. Dent. 2020, 22, 47–58. [Google Scholar]
- Gusmão, G.M.; De Queiroz, T.V.; Pompeu, G.F.; Filho, P.F.; da Silva, C.V. The influence of storage time and pH variation on water sorption by different composite resins. Indian J. Dent. Res. 2013, 24, 60–65. [Google Scholar]
- Zayeri, F.; Razmavar, S.; Naserinejad, K.; Akbarzadeh-Baghban, A.; Torabzadeh, H.; Salehi, M. Experimental Comparison of Hygroscopic Expansion in Three Different Composite Resins. J. Islam. Dent. Assoc. Iran 2012, 24, 35–42. [Google Scholar]
- Ghasemi, E.; Mosharraf, R.; Mirzaei, S. Comparison of water sorption of two injection acrylic resins with a conventional pressure-packed acrylic resin. J. Islam. Dent. Assoc. Iran. 2019, 31, 177–181. [Google Scholar] [CrossRef][Green Version]
- Azzam, R.S. Are the persistent symptoms to proton pump inhibitor therapy due to refractory gastroesopahgeal reflux disease or to other disorders? Arq. Gastroenterol. 2018, 55, 85–91. [Google Scholar] [CrossRef]
- Liebermann, A.; Wimmer, T.; Schmidlin, P.R.; Scherer, H.; Löffler, P.; Roos, M.; Stawarczyk, B. Physicomechanical characterization of polyetheretherketone and current esthetic dental CAD/CAM polymers after aging in different storage media. J. Prosthet. Dent. 2016, 115, 321–328.e2. [Google Scholar] [CrossRef]
- Dos Santos, W.R.G.; de Brito, M.K.T.; de Lima, A.G.B. Study of the Moisture Absorption in Polymer Composites Reinforced with Vegetal Fiber Using Langmuir’s Model. Mater. Res. 2019, 22, e20180848. [Google Scholar] [CrossRef]
- Irari, K.W.; Moodley, D.S.; Patel, N. Effect of aging in artificial saliva on the shear bond strength of resin composite. S. Afr. Dent. J. 2018, 73, 617–622. [Google Scholar] [CrossRef]
- Abdallah, A.J. Machinability of High-Strength Dental Polymers and Their Performance as Framework Materials for All-on-Four Prostheses. Ph.D. Thesis, Boston University, Boston, MA, USA, 2021. [Google Scholar]
- Ruschel, G.H.; Gomes, É.A.; Silva-Sousa, Y.T.; Pinelli, R.G.P.; Sousa-Neto, M.D.; Pereira, G.K.R.; Spazzin, A.O. Mechanical properties and superficial characterization of a milled CAD-CAM glass fiber post. J. Mech. Behav. Biomed. Mater. 2018, 82, 187–192. [Google Scholar] [CrossRef] [PubMed]
- Sfondrini, M.F.; Vallittu, P.K.; Lassila, L.; Viola, A.; Gandini, P.; Scribante, A. Glass Fiber Reinforced Composite Orthodontic Retainer: In Vitro Effect of Tooth Brushing on the Surface Wear and Mechanical Properties. Materials 2020, 13, 1028. [Google Scholar] [CrossRef] [PubMed]
- Musanje, L.; Darvell, B.W. Aspects of water sorption from the air, water and artificial saliva in resin composite restorative materials. Dent. Mater. 2003, 19, 414–422. [Google Scholar] [CrossRef]
- Thornton, I. Mechanical Properties of Dental Resin Composite CAD/CAM Blocks (T). Master’s Thesis, University of British Columbia, Vancouver, BC, Canada, 2014. Available online: https://open.library.ubc.ca/collections/ubctheses/24/items/1.0167584 (accessed on 13 October 2021).
- Iftikhar, S.; Jahanzeb, N.; Saleem, M.; Rehman, S.; Matinlinna, J.P.; Samad Khan, A. The Trends of Dental Biomaterials Research and Future Directions: A Mapping Review. Saudi Dent. J. 2021, 33, 229–238. Available online: https://www.sciencedirect.com/science/article/pii/S101390522100002X (accessed on 19 October 2021). [CrossRef]













| Material Trade Name | Codification | Manufacturer |
|---|---|---|
| TriniaTM | C1 | BICON Dental Implants (Boston, MA, USA)/https://www.trinia.com/ (Accessed on 10 October 2021) [21] |
| TriLor | C2 | Bioloren SRL (Saronno, Italy)/https://bioloren.com/en/prodotti/trilor-en/trilor-disk/ (Accessed on 11 October 2021) [24] |
| Chemical Substances | Quantity/L (g) |
|---|---|
| Na2HPO4 | 0.19 |
| NaCl | 0.70 |
| KSCN | 0.33 |
| KH2PO4 | 0.26 |
| NaHCO3 | 1.50 |
| Ureea | 1.30 |
| Sample | Spot | Element (wt.%) | |||||||||
|---|---|---|---|---|---|---|---|---|---|---|---|
| O | C | Si | Ca | Al | Na | Mg | Ti | Cl | S | ||
| C1 | 1 | 44.54 | 31.12 | 11.97 | 6.7 | 4.67 | 0.43 | 0.33 | 0.24 | - | - |
| 2 | 25.03 | 69.89 | 1.52 | 1.09 | 0.62 | - | - | 1.63 | 0.22 | ||
| C2 | 1 | 44.02 | 21.82 | 17.56 | 10.09 | 5.9 | - | 0.3 | - | - | 0.31 |
| 2 | 27.05 | 55.59 | 3.43 | 7.69 | 1.11 | - | - | 2.73 | 0.1 | 2.29 | |
| Carter Brugirard SA pH | Material | Mass Evolution (mg) | |||
|---|---|---|---|---|---|
| Day 3 | Day 7 | Day 14 | Day 21 | ||
| pH = 7.6 | C1 | −0.72 (±0.01) | −0.18 (±0.01) | 0.51 (±0.01) | 1.65 (±0.02) |
| C2 | −0.99 (±0.02) | −0.34 (±0.01) | 0.54 (±0.01) | 1.54 (±0.01) | |
| pH = 5.7 | C1 | −0.73 (±0.01) | −0.27 (±0.01) | 0.59 (±0.02) | 1.72 (±0.02) |
| C2 | −1.11 (±0.02) | −0.40 (±0.01) | 0.59 (±0.01) | 1.82 (±0.02) | |
| varying pH from 5.7 to 3 | C1 | −0.86 (±0.02) | −0.46 (±0.01) | 0.30 (±0.02) | 0.98 (±0.02) |
| C2 | −1.05 (±0.02) | −0.68 (±0.02) | 0.18 (±0.01) | 1.10 (±0.01) | |
Publisher’s Note: MDPI stays neutral with regard to jurisdictional claims in published maps and institutional affiliations. |
© 2021 by the authors. Licensee MDPI, Basel, Switzerland. This article is an open access article distributed under the terms and conditions of the Creative Commons Attribution (CC BY) license (https://creativecommons.org/licenses/by/4.0/).
Share and Cite
Bechir, F.; Bataga, S.M.; Tohati, A.; Ungureanu, E.; Cotrut, C.M.; Bechir, E.S.; Suciu, M.; Vranceanu, D.M. Evaluation of the Behavior of Two CAD/CAM Fiber-Reinforced Composite Dental Materials by Immersion Tests. Materials 2021, 14, 7185. https://doi.org/10.3390/ma14237185
Bechir F, Bataga SM, Tohati A, Ungureanu E, Cotrut CM, Bechir ES, Suciu M, Vranceanu DM. Evaluation of the Behavior of Two CAD/CAM Fiber-Reinforced Composite Dental Materials by Immersion Tests. Materials. 2021; 14(23):7185. https://doi.org/10.3390/ma14237185
Chicago/Turabian StyleBechir, Farah, Simona Maria Bataga, Adrian Tohati, Elena Ungureanu, Cosmin Mihai Cotrut, Edwin Sever Bechir, Mircea Suciu, and Diana Maria Vranceanu. 2021. "Evaluation of the Behavior of Two CAD/CAM Fiber-Reinforced Composite Dental Materials by Immersion Tests" Materials 14, no. 23: 7185. https://doi.org/10.3390/ma14237185
APA StyleBechir, F., Bataga, S. M., Tohati, A., Ungureanu, E., Cotrut, C. M., Bechir, E. S., Suciu, M., & Vranceanu, D. M. (2021). Evaluation of the Behavior of Two CAD/CAM Fiber-Reinforced Composite Dental Materials by Immersion Tests. Materials, 14(23), 7185. https://doi.org/10.3390/ma14237185

