Comparison of Shaped Charge Jet Performance Generated by Machined and Additively Manufactured CuSn10 Liners
Abstract
:1. Introduction
2. Material Preparation
2.1. SLM Fabrication Process
2.2. Liners
2.3. Shaped Charges
3. Experimental Design
3.1. Observation of Liner Microstructure
3.2. Jet Performance Tests
3.3. Micro Analysis of the Retrieved Targets
4. Results and Discussion
4.1. Liner Microstructure
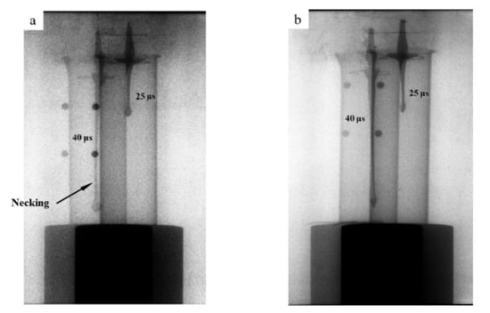
4.2. Jet Appearance
4.3. Penetration Capability
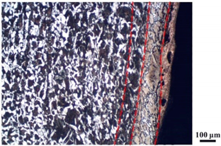
4.4. Microstructure Analysis of Target
5. Conclusions
Author Contributions
Funding
Institutional Review Board Statement
Informed Consent Statement
Data Availability Statement
Acknowledgments
Conflicts of Interest
References
- Walters, W.; Ground, A.P. An overview of the shaped charge concept. In Proceedings of the 11th Annual ARL/USMA Technical Symposium, Aberdeen, MA, USA, 5–7 November 2003. [Google Scholar]
- Derby, B. The dependence of grain size on stress during dynamic recrystallisation. Acta Metall. Mater. 1991, 39, 955–962. [Google Scholar] [CrossRef]
- Andrade, U.; Meyers, M.A.; Vecchio, K.S.; Chokshi, A.H. Dynamic recrystallization in high-strain, high-strain-rate plastic deformation of copper. Acta Metall. Mater. 1994, 42, 3183–3195. [Google Scholar] [CrossRef]
- OΡЛЕНКО, Л.П.; Sun, C.; Hu, H.; Zhou, Z. Explosion Physics; Science Press: Beijing, China, 2011. [Google Scholar]
- Xiao, Q.Q.; Huang, Z.X.; Zu, X.; Jia, X.; Zhu, Q.F.; Cai, W. Shaped charge penetration into high-and ultrahigh-strength Steel–Fiber reactive powder concrete targets. Def. Technol. 2020, 16, 217–224. [Google Scholar] [CrossRef]
- Xiao, Q.Q.; Huang, Z.X.; Zu, X.; Jia, X.; Zhu, Q.F.; Cai, W. Explosives with lined cavities. J. Appl. Phys. 1948, 19, 563–582. [Google Scholar]
- Murr, L.E.; Shih, H.K.; Niou, C.S. Dynamic recrystallization in detonating tantalum shaped charges: A mechanism for extreme plastic deformation. Mater. Charact. 1994, 33, 65–74. [Google Scholar] [CrossRef]
- Shih, H.K.; Murr, L.E.; Niou, C.S.; Zernow, L. Dynamic recrystallization in a tantalum shaped charge. Scr. Metall. Mater. 1993, 29, 1291–1296. [Google Scholar]
- Gurevitch, A.C.; Murr, L.E.; Shih, H.K.; Niou, C.S.; Advani, A.H.; Manuel, D.; Zernow, L. Characterization and comparison of microstructures in the shaped-charge regime: Copper and tantalum. Mater. Charact. 1993, 30, 201–216. [Google Scholar] [CrossRef]
- Murr, L.E.; Niou, C.S.; Sanchez, J.C.; Shih, H.K.; Duplessis, L.; Pappu, S.; Zernow, L. Comparison of beginning and ending microstructures in metal shaped charges as a means to explore mechanisms for plastic deformation at high rates. J. Mater. Sci. 1995, 30, 2747–2758. [Google Scholar] [CrossRef]
- Yan, C.; Huang, Z.X.; Zu, X.D.; Xiao, Q.Q.; Jia, X. Mechanical Property of Ultra-fine Grained Copper Material and Study on Application of Liner Field. J. Ballist. 2017, 29, 85–92. [Google Scholar]
- Chao, Y.; Zhengxiang, H.; Xudong, Z.; Qiangqiang, X.; Xin, J. Ultra-fine Grained Pure Copper Shaped Charge Liner Performance Study. Ordnance Ind. Autom. 2017, 3, 36. [Google Scholar] [CrossRef]
- Zhang, M.Y.; Gao, P.; Yan, Z.F.; Tian, T.; Cai, W.Z.; Jia, X.B. Structure of copper shaped charge liner evolution law based on die forging process. In Journal of Physics: Conference Series; IOP Publishing: Bristol, UK, 2020; Volume 1507, p. 032036. [Google Scholar]
- Ngo, T.D.; Kashani, A.; Imbalzano, G.; Nguyen, K.T.; Hui, D. Additive manufacturing (3D printing): A review of materials, methods, applications and challenges. Compos. Part B Eng. 2018, 143, 172–196. [Google Scholar] [CrossRef]
- Olakanmi, E.O.; Cochrane, R.F.; Dalgarno, K.W. A review on selective laser sintering/melting (SLS/SLM) of aluminium alloy powders: Processing, microstructure, and properties. Prog. Mater. Sci. 2015, 74, 401–477. [Google Scholar] [CrossRef]
- Zhang, D.; Prasad, A.; Bermingham, M.J.; Todaro, C.J.; Benoit, M.J.; Patel, M.N.; Qiu, D.; StJohn, D.H.; Qian, M.; Easton, M.A. Grain refinement of alloys in fusion-based additive manufacturing processes. Metall. Mater. Trans. A 2020, 51, 4341–4359. [Google Scholar] [CrossRef]
- Agu, H.O.; Hameed, A.; Appleby-Thomas, G.J. Comparison of the Microstructure of Machined and Laser Sintered Shaped Charge Liner in the Hydrodynamic Regime. J. Dyn. Behav. Mater. 2019, 5, 484–494. [Google Scholar] [CrossRef] [Green Version]
- Mulligan, P.; Johnson, C.; Ho, J.; Lough, C.; Kinzel, E. 3D Printed Conical Shaped Charge Performance. In Hypervelocity Impact Symposium; American Society of Mechanical Engineers: New York, NY, USA, 14–19 April 2019; Volume 883556. [Google Scholar]
- Guo, X.; Huang, S.; Song, P.; Li, Y.; Liu, J.; Guo, M. Additive manufacturing of copper alloy and its application in Munroe effects. In AOPC 2020: Advanced Laser Technology and Application; International Society for Optics and Photonics: Bellingham, WA, USA, 2020; Volume 11562. [Google Scholar]
- Ho, J.; Lough, C.S.; Mulligan, P.; Kinzel, E.C.; Johnson, C.E. Additive Manufacturing of Liners for Shaped Charges. In Proceedings of the 29th Annual International Solid Freeform Fabrication Symposium–An Additive Manufacturing Conference, Austin, TX, USA, 13–15 August 2018. [Google Scholar]
- Xi, B.; Jinxu, L.; Shukui, L.; Cuicui, L.; Wenqi, G.; Tengteng, W. Effect of interaction mechanism between jet and target on penetration performance of shaped charge liner. Mater. Sci. Eng. A 2012, 553, 142–148. [Google Scholar] [CrossRef]
- Guo, W.; Liu, J.; Xiao, Y.; Li, S.; Zhao, Z.; Cao, J. Comparison of penetration performance and penetration mechanism of w-cu shaped charge liner against three kinds of target: Pure copper, carbon steel and Ti-6Al-4V alloy. Int. J. Refract. Met. Hard Mater. 2016, 60, 147–153. [Google Scholar] [CrossRef] [Green Version]
- Prashanth, K.G.; Scudino, S.; Klauss, H.J.; Surreddi, K.B.; Löber, L.; Wang, Z.; Chaubey, A.K.; Kühn, U.; Eckert, J. Microstructure and mechanical properties of Al–12Si produced by selective laser melting: Effect of heat treatment. Mater. Sci. Eng. A 2014, 590, 153–160. [Google Scholar] [CrossRef]
- ISO 197-4:1983. Copper and Copper Alloys—Terms and Definitions—Part 4: Castings; ISO: Geneva, Switzerland, 1983. [Google Scholar]
- Wang, Z. Preparation and Kinetics of RDX/PVAc Composite Particles; Nanjing University of Science and Technology: Nanjing, China, 2020. [Google Scholar]
- Vigil, M.G. Optimized Conical Shaped Charge Design Using the SCAP Code; Sandia Report, SAND88-1790, UC-35; Sandia National Laboratories: Albuquerque, NM, USA, 1988; pp. 1–87. [Google Scholar]
- GB/T 699-2015. Quality Carbon Structural Steels; Standards Press of China: Beijing, China, 2015. [Google Scholar]
- Gong, H.; Rafi, K.; Gu, H.; Starr, T.; Stucker, B. Analysis of defect generation in Ti–6Al–4V parts made using powder bed fusion additive manufacturing processes. Addit. Manuf. 2014, 1, 87–98. [Google Scholar] [CrossRef]
- Simonelli, M.; Tse, Y.Y.; Tuck, C. Effect of the build orientation on the mechanical properties and fracture modes of SLM Ti–6Al–4V. Mater. Sci. Eng. A 2014, 616, 1–11. [Google Scholar] [CrossRef] [Green Version]
- Chokshi, A.H.; Meyers, M. The prospects for superplasticity at high strain rates: Preliminary considerations and an example. Scr. Metall. Mater. 1990, 24, 605–610. [Google Scholar] [CrossRef]
- Hirsch, E. A Formula for the Shaped Charge Jet Breakup-Time. Propellants Explos. Pyrotech. 1979, 4, 89–94. [Google Scholar] [CrossRef]
- Yin, Z.X.; Ma, C.M.; Li, S.X.; Cheng, G.Q. Perforation of an ultra-high strength steel penetrated by shaped charge jet. Mater. Sci. Eng. A 2004, 379, 443–447. [Google Scholar] [CrossRef]
- Fressengeas, C.; Molinari, A. Instability and localization of plastic flow in shear at high strain rates. J. Mech. Phys. Solids 1987, 35, 185–211. [Google Scholar] [CrossRef]















| Composition | Cu | Sn | Ni | Pb | Fe | Zn | O |
|---|---|---|---|---|---|---|---|
| Proportion | Balance | 9–11 | <0.01 | <0.01 | <0.01 | <0.01 | <0.2 |
| Property | Yield Stress (MPa) | Ultimat Tensile Stress(MPa) | Elongation (%) | Section Shrinkage (%) |
|---|---|---|---|---|
| Value | 355 | 600 | 16 | 40 |
| Section | Longitudinal | Transversal | |
|---|---|---|---|
| Technique | |||
| Turning | ![]() | ![]() | |
| SLM | ![]() | ![]() | |
| Section | Longitudinal | Transversal | |
|---|---|---|---|
| Technique | |||
| Turning (100 times magnification) | ![]() | ![]() | |
| SLM (200 times magnification) | ![]() | ![]() | |
| Position | (a) | (b) |
|---|---|---|
| ① | ![]() | ![]() |
| ② | ![]() | ![]() |
| ③ | ![]() | ![]() |
| ④ | ![]() | ![]() |
| ⑤ | ![]() | ![]() |
| ⑥ | ![]() | ![]() |
Publisher’s Note: MDPI stays neutral with regard to jurisdictional claims in published maps and institutional affiliations. |
© 2021 by the authors. Licensee MDPI, Basel, Switzerland. This article is an open access article distributed under the terms and conditions of the Creative Commons Attribution (CC BY) license (https://creativecommons.org/licenses/by/4.0/).
Share and Cite
Sun, S.; Jiang, J.; Wang, S.; Men, J.; Li, M.; Wang, Y. Comparison of Shaped Charge Jet Performance Generated by Machined and Additively Manufactured CuSn10 Liners. Materials 2021, 14, 7149. https://doi.org/10.3390/ma14237149
Sun S, Jiang J, Wang S, Men J, Li M, Wang Y. Comparison of Shaped Charge Jet Performance Generated by Machined and Additively Manufactured CuSn10 Liners. Materials. 2021; 14(23):7149. https://doi.org/10.3390/ma14237149
Chicago/Turabian StyleSun, Shengjie, Jianwei Jiang, Shuyou Wang, Jianbing Men, Mei Li, and Yawei Wang. 2021. "Comparison of Shaped Charge Jet Performance Generated by Machined and Additively Manufactured CuSn10 Liners" Materials 14, no. 23: 7149. https://doi.org/10.3390/ma14237149
APA StyleSun, S., Jiang, J., Wang, S., Men, J., Li, M., & Wang, Y. (2021). Comparison of Shaped Charge Jet Performance Generated by Machined and Additively Manufactured CuSn10 Liners. Materials, 14(23), 7149. https://doi.org/10.3390/ma14237149




















