Analysis and Modification of Methods for Calculating Axial Load Capacity of High-Strength Steel-Reinforced Concrete Composite Columns
Abstract
:1. Introduction
2. Experimental Investigation
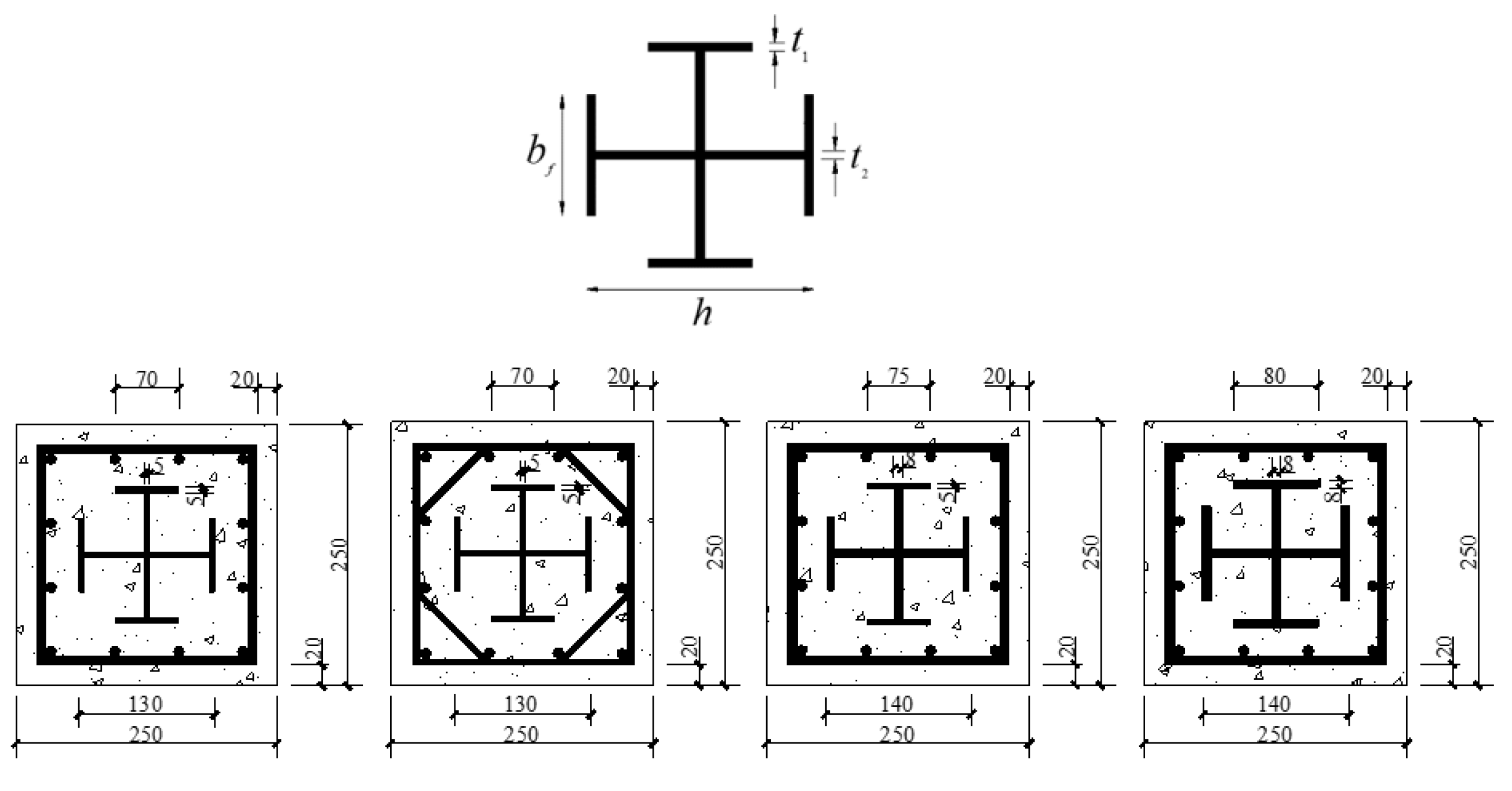
2.1. Test Specimens
2.2. Material Properties
2.3. Test Setup and Procedure
2.4. Test Results and Analysis
2.4.1. Failure Mode
2.4.2. Ultimate Bearing Capacity
3. Modification of Bearing Capacity Calculation
3.1. Current Calculation Methods
3.2. Comparison between Test Results and Calculations
3.3. Modification of Formula for Calculating Bearing Capacity Considering Confinement Effect of Stirrup
4. Verification of Finite Element Model and Parametric Study
4.1. Establishment of Finite Element Model
4.2. Verification of Finite Element Model
4.3. Finite Element Parametric Study
5. Conclusions
- The bearing capacity of SRC columns can be significantly improved by high-strength steel. Compared with the bearing capacity of the Q235 SRC columns, the maximum bearing capacity of the Q460 SRC column and the Q690 SRC column increase by 13.2% and 35.3%, respectively. Further, the bearing capacity of the SRC columns was significantly improved by increasing the steel ratio.
- When stirrups satisfy the requirements of the stirrup eigenvalues, the utilization ratio of high-strength steel increases. The bearing capacity of high-strength SRC columns with complex stirrups significantly enlarges compared with the high-strength SRC columns with rectangular stirrups.
- The bearing capacity of the high-strength SRC columns declines with an increase in the slenderness ratio. The high-strength SRC composite columns with a large slenderness ratio experience greater buckling deformation than high-strength SRC columns with a conventional slenderness ratio.
- Comparing of the results calculated by codes AISC360-16, Eurocode 4 and JGJ138-2016 with this test results reveals that these codes are too conservative, and the calculation results of code JGJ138-2016 are closest to the test results. A modified formula for the bearing capacity of the SRC columns considering the confinement effect of the stirrups on concrete is derived based on code JGJ138-2016.
- The simulation results considering the confinement effect of the stirrups show great agreement with the experimental bearing capacity and failure mode of the SRC columns. The contribution of high-strength steel can be maximized, and the bearing capacity can be improved by reducing the stirrup spacing. When the stirrup eigenvalues is close to the minimum stirrup eigenvalues, the increasing magnitude of bearing capacity is obvious. When the stirrups eigenvalues exceed the minimum stirrup eigenvalues, the improvement of bearing capacity is not apparent.
Author Contributions
Funding
Institutional Review Board Statement
Informed Consent Statement
Data Availability Statement
Conflicts of Interest
References
- Shokouhian, M.; Shi, Y.J. Flexural strength of hybrid steel I-beams based on slenderness. Eng. Struct. 2015, 93, 114–128. [Google Scholar] [CrossRef]
- Tsutsumi, S.; Kitamura, T.; Fincato, R. Ductile behaviour of carbon steel for welded structures: Experiments and numerical simulations. J. Constr. Steel Res. 2020, 172, 106185. [Google Scholar] [CrossRef]
- Al-azzani, H.; Yang, J.; Sharhan, A.; Wang, W.Y. A practical approach for fire resistance design of restrained high-strength Q690 steel beam considering creep effect. Fire Technol. 2021, 57, 1683–1706. [Google Scholar] [CrossRef]
- Gang, S.; Ban, H.-Y.; Shi, Y.-J.; Yuanqing, W. Overview of research progress for high strength steel structures. Eng. Mech. 2013, 30, 1–13. [Google Scholar]
- ANSI/AISC360-2016. Specification for Structural Steel Buildings; AISC Committee on Specifications: Chicago, IL, USA, 2016. [Google Scholar]
- European Committee for Standardization. Eurocode 4: Design of Composite Steel and Concrete Structures Part 1-1: General Rules for Buildings: EN 1994-1-1:2004; European Committee for Standardization: Brussels, Belgium, 2004. [Google Scholar]
- JGJ138-2016. Code for Design of Composite Structures; 000013338/2016-00180; Architecture and Building Press: Beijing, China, 2016. [Google Scholar]
- Yang, Y.; Hou, Z.; Li, G.; Gong, C.; Chen, S.; Qiu, L. The bearing capacity and seismic performance of high strength steel reinforced concrete column. Steel Constr. 2016, 31, 21–31. [Google Scholar]
- Mirza, S.A.; Skrabek, B.W. Statistical analysis of slender composite beam-column strength. J. Struct. Eng. 1992, 118, 1312–1332. [Google Scholar] [CrossRef]
- Zhao, X.; Wen, F.; Chan, T.-M.; Cao, S. Theoretical stress–strain model for concrete in steel-reinforced concrete columns. J. Struct. Eng. 2019, 145, 04019009. [Google Scholar] [CrossRef]
- Sheikh, S.A.; Uzumeri, S.M. Strength and Ductility of Tied Concrete Columns. J. Struct. Div. 1980, 106, 1079–1102. [Google Scholar] [CrossRef]
- Mander, J.B.; Priestley, M.J.N.; Park, R. Theoretical stress-strain model for confined concrete. J. Struct. Eng. 1988, 114, 1804–1826. [Google Scholar] [CrossRef] [Green Version]
- Chen, S.; Wu, P. Analytical model for predicting axial compressive behavior of steel reinforced concrete column. J. Constr. Steel Res. 2016, 128, 649–660. [Google Scholar] [CrossRef]
- Wang, J.; Su, Y.; Zhao, J.; Wang, X.; Su, W. Study on axial compression performance of high strength H-section steel reinforced concrete composite column. J. Build. Struct. 2021. [Google Scholar] [CrossRef]
- Zhao, X.; Wen, F.; Chen, Y.; Hu, J.; Yang, X.; Dai, L.; Cao, S. Experimental study on the static performance of steel reinforced concrete columns with high encased steel ratios. Struct. Des. Tall Spec. Build. 2018, 27, e1536. [Google Scholar] [CrossRef]
- GB/T228-2010. Chinese Standard for Metallic Materials-Tensile Testing at Ambient Temperature; Architecture and Building Press: Beijing, China, 2010. [Google Scholar]
- GB/T50152-2012. Standard for Test Methods of Concrete Structures; 000013338/2012-00191; Architecture and Building Press: Beijing, China, 2012. [Google Scholar]
- Zhao, X.-Z.; Wen, F.-P. Theoretical study on confinement mechanism and stress-strain model for steel confined concrete in SRC columns. Eng. Mech. 2018, 35, 36–46. [Google Scholar]
- Fib. Fib Model Code for Concrete Structures 2010; International Federation for Structural Concrete: Lausanne, Switzerland, 2010. [Google Scholar]
- Xiaolai, Y.; Rongxin, T.; Zhongliang, X.; Yan, L. Modification of mechanical model of confined concrete proposed by Mander. J. Yangzhou Univ. (Nat. Sci. Ed.) 2018, 21, 61–65. (In Chinese) [Google Scholar]
- Kim, C.-S.; Park, H.-G.; Chung, K.-S.; Choi, I.-R. Eccentric axial load testing for concrete-encased steel columns using 800 MPa steel and 100 MPa concrete. J. Struct. Eng. 2012, 138, 1019–1031. [Google Scholar] [CrossRef]
- Kim, C.-S.; Park, H.-G.; Lee, H.-J.; Choi, I.-R.; Chung, K.-S. Eccentric Axial Load Test for High-Strength Composite Columns of Various Sectional Configurations. J. Struct. Eng. 2017, 143, 04017075. [Google Scholar] [CrossRef]
- GB 50010-2010. Chinese Standard for Design of Concrete Structures; 000013338/2015-00308; Architecture and Building Press: Beijing, China, 2010. [Google Scholar]























| Specimen Designation | Steel Grade | Steel Ratio to Concrete | Steel Geometric Size (h × bf × t1 × t2)/mm | Stirrup Type | Slenderness Ratio | Height/mm | Stirrups Spacing |
|---|---|---|---|---|---|---|---|
| C1Q2S4T1R1 (C1) | Q235 | 4.12% | 130 × 70 × 5 × 5 | 1 | 17 | 1200 | 80 |
| C2Q2S4T2R1 (C2) | Q235 | 4.12% | 130 × 70 × 5 × 5 | 2 | 17 | 1200 | 80 |
| C3Q2S5T1R1 (C3) | Q235 | 5.63% | 140 × 75 × 5 × 8 | 1 | 17 | 1200 | 80 |
| C4Q2S7T1R1 (C4) | Q235 | 7.17% | 140 × 80 × 8 × 8 | 2 | 17 | 1200 | 80 |
| C5Q4S4T1R1 (C5) | Q460 | 4.12% | 130 × 70 × 5 × 5 | 1 | 17 | 1200 | 80 |
| C6Q4S4T2R1 (C6) | Q460 | 4.12% | 130 × 70 × 5 × 5 | 2 | 17 | 1200 | 80 |
| C7Q4S5T1R1 (C7) | Q460 | 5.63% | 140 × 75 × 5 × 8 | 1 | 17 | 1200 | 80 |
| C8Q4S7T1R1 (C8) | Q460 | 7.17% | 140 × 80 × 8 × 8 | 2 | 17 | 1200 | 80 |
| C9Q4S7T1R2 (C9) | Q460 | 7.17% | 140 × 80 × 8 × 8 | 1 | 29 | 2000 | 80 |
| C10Q4S7T1R3 (C10) | Q460 | 7.17% | 140 × 80 × 8 × 8 | 2 | 40 | 2800 | 80 |
| C11Q6S4T1R1 (C11) | Q690 | 4.12% | 130 × 70 × 5 × 5 | 1 | 17 | 1200 | 80 |
| C12Q6S4T2R1 (C12) | Q690 | 4.12% | 130 × 70 × 5 × 5 | 2 | 17 | 1200 | 80 |
| C13Q6S5T1R1 (C13) | Q690 | 5.63% | 140 × 75 × 5 × 8 | 1 | 17 | 1200 | 80 |
| C14Q6S7T1R1 (C14) | Q690 | 7.17% | 140 × 80 × 8 × 8 | 2 | 17 | 1200 | 80 |
| Grade | t/mm | fy/Mpa | fu/Mpa | δ/% |
|---|---|---|---|---|
| Q235 | 5 | 277 | 437 | 33.7 |
| Q235 | 8 | 305 | 469 | 32.5 |
| Q460 | 5 | 474 | 558 | 28.8 |
| Q460 | 8 | 507 | 596 | 27.9 |
| Q690 | 5 | 740 | 820 | 16.5 |
| Q690 | 8 | 738 | 818 | 17.2 |
| HRB400 (stirrups) | 8 | 469 | 611 | 28.6 |
| HRB400 (longitudinal reinforcement) | 10 | 460 | 609 | 27.8 |
| Grade of Concrete | ||||
|---|---|---|---|---|
| C50 | 52.6 | 55.4 | 40.8 | 35,736.3 |
| 56.1 | ||||
| 54.8 | ||||
| 53.2 | ||||
| 56.6 | ||||
| 57.4 | ||||
| 57.3 | ||||
| 54.9 | ||||
| 55.7 |
| Specimens | Test Results | AISC360-16 | ( − 1)% | Eurocode 4 | ( − 1)% | JGJ138-2016 | ( − 1)% |
|---|---|---|---|---|---|---|---|
| Nu/kN | Nai/kN | Ne/kN | Nj/kN | ||||
| C1Q2S4T1R1 | 4200 | 2633 | 37.3% | 2713 | 35.4% | 2943 | 29.9% |
| C2Q2S4T2R1 | 4506 | 2633 | 41.6% | 2713 | 39.8% | 2943 | 34.7% |
| C3Q2S5T1R1 | 4340 | 2887 | 33.5% | 2968 | 31.6% | 3166 | 27.1% |
| C4Q2S7T1R1 | 4596 | 3149 | 31.5% | 3230 | 29.7% | 3394 | 26.2% |
| C5Q4S4T1R1 | 4462 | 3006 | 32.6% | 3107 | 30.4% | 3305 | 25.9% |
| C6Q4S4T2R1 | 5050 | 3006 | 40.5% | 3107 | 38.5% | 3305 | 34.6% |
| C7Q4S5T1R1 | 4878 | 3398 | 30.3% | 3505 | 28.1% | 3660 | 25.0% |
| C8Q4S7T1R1 | 5383 | 3803 | 29.4% | 3912 | 27.3% | 4023 | 25.3% |
| C9Q4S7T1R2 | 5120 | 3561 | 30.4% | 3778 | 26.2% | 3983 | 22.2% |
| C10Q4S7T1R3 | 4848 | 3228 | 33.4% | 3617 | 25.5% | 3862 | 20.3% |
| C11Q6S4T1R1 | 4847 | 3666 | 24.4% | 3810 | 21.4% | 3954 | 18.4% |
| C12Q6S4T2R1 | 5407 | 3666 | 32.2% | 3810 | 29.5% | 3954 | 26.9% |
| C13Q6S5T1R1 | 5487 | 4299 | 21.7% | 4461 | 18.7% | 4546 | 17.1% |
| C14Q6S7T1R1 | 6220 | 4953 | 20.4% | 5126 | 17.6% | 5152 | 17.2% |
| Specimens | ABAQUS Results | Test Results Np/kN | Nu/Np | Nup/Np | |||
|---|---|---|---|---|---|---|---|
| C1Q2S4T1R1 | 4107 | 4183 | 4220 | 4200 | 97.8% | 99.6% | 100.5% |
| C2Q2S4T2R1 | 4341 | 4495 | 4554 | 4506 | 96.3% | 99.8% | 101.1% |
| C3Q2S5T1R1 | 4208 | 4317 | 4388 | 4340 | 96.9% | 99.5% | 101.1% |
| C4Q2S7T1R1 | 4529 | 4690 | 4721 | 4596 | 98.5% | 102.0% | 102.7% |
| C5Q4S4T1R1 | 4270 | 4641 | 4726 | 4462 | 95.7% | 104.0% | 105.9% |
| C6Q4S4T2R1 | 4649 | 5094 | 5307 | 5050 | 92.1% | 100.9% | 105.1% |
| C7Q4S5T1R1 | 4621 | 4991 | 5056 | 4878 | 94.7% | 102.3% | 103.6% |
| C8Q4S7T1R1 | 5086 | 5447 | 5531 | 5383 | 94.5% | 101.2% | 102.7% |
| C9Q4S7T1R2 | 4824 | 5283 | 5312 | 5120 | 94.2% | 103.2% | 103.8% |
| C10Q4S7T1R3 | 4707 | 4951 | 5003 | 4848 | 97.1% | 102.1% | 103.2% |
| C11Q6S4T1R1 | 4433 | 4961 | 5019 | 4847 | 91.5% | 102.4% | 103.5% |
| C12Q6S4T2R1 | 4786 | 5440 | 5536 | 5407 | 88.5% | 100.6% | 102.4% |
| C13Q6S5T1R1 | 5025 | 5729 | 5955 | 5487 | 91.6% | 104.4% | 108.5% |
| C14Q6S7T1R1 | 5682 | 6733 | 6892 | 6220 | 91.1% | 108.2% | 110.8% |
| Specimen | Stirrup Spacing (mm) | Stirrup Type | Simulation Results (kN) | Increasing Magnitude |
|---|---|---|---|---|
| C11Q6S4T1R1 | 80 | rectangular | 4961 | 0.0% |
| Sp70-Q6S4T1R1 | 70 | rectangular | 5197 | 4.8% |
| Sp60-Q6S4T1R1 | 60 | rectangular | 5536 | 11.6% |
| Sp50-Q6S4T1R1 | 50 | rectangular | 5927 | 19.5% |
| C12Q6S4T2R1 | 80 | complex | 5440 | 0.0% |
| Sp70-Q6S4T2R1 | 70 | complex | 5745 | 5.6% |
| Sp60-Q6S4T2R1 | 60 | complex | 5899 | 8.4% |
Publisher’s Note: MDPI stays neutral with regard to jurisdictional claims in published maps and institutional affiliations. |
© 2021 by the authors. Licensee MDPI, Basel, Switzerland. This article is an open access article distributed under the terms and conditions of the Creative Commons Attribution (CC BY) license (https://creativecommons.org/licenses/by/4.0/).
Share and Cite
Wang, J.; Duan, Y.; Wang, Y.; Wang, X.; Liu, Q. Analysis and Modification of Methods for Calculating Axial Load Capacity of High-Strength Steel-Reinforced Concrete Composite Columns. Materials 2021, 14, 6860. https://doi.org/10.3390/ma14226860
Wang J, Duan Y, Wang Y, Wang X, Liu Q. Analysis and Modification of Methods for Calculating Axial Load Capacity of High-Strength Steel-Reinforced Concrete Composite Columns. Materials. 2021; 14(22):6860. https://doi.org/10.3390/ma14226860
Chicago/Turabian StyleWang, Jun, Yuxin Duan, Yifan Wang, Xinran Wang, and Qi Liu. 2021. "Analysis and Modification of Methods for Calculating Axial Load Capacity of High-Strength Steel-Reinforced Concrete Composite Columns" Materials 14, no. 22: 6860. https://doi.org/10.3390/ma14226860
APA StyleWang, J., Duan, Y., Wang, Y., Wang, X., & Liu, Q. (2021). Analysis and Modification of Methods for Calculating Axial Load Capacity of High-Strength Steel-Reinforced Concrete Composite Columns. Materials, 14(22), 6860. https://doi.org/10.3390/ma14226860
