Bio-Fibres as a Reinforcement of Gypsum Composites
Abstract
:1. Introduction
2. Materials and Methods
2.1. Constituent Materials
2.2. Fibre-Reinforced Gypsum Composites
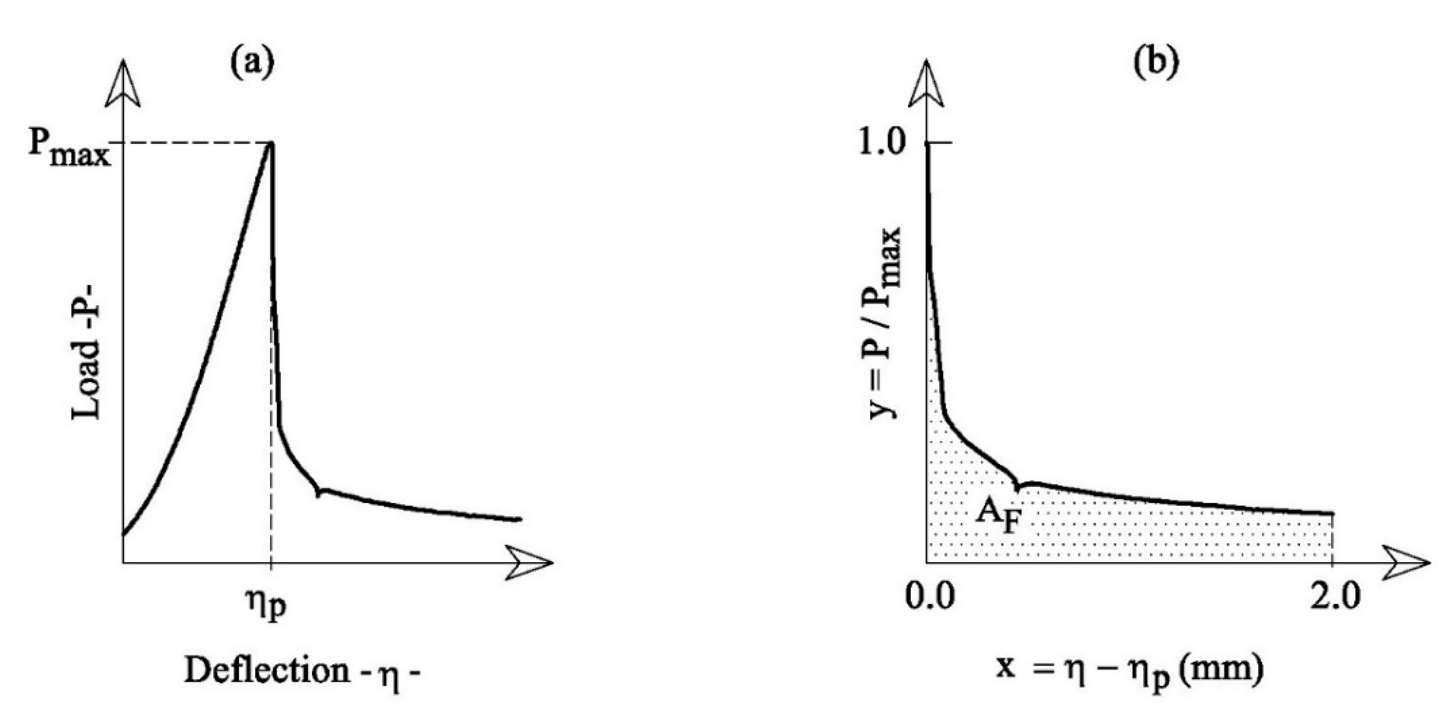
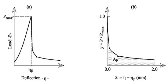
2.3. Mechanical Tests
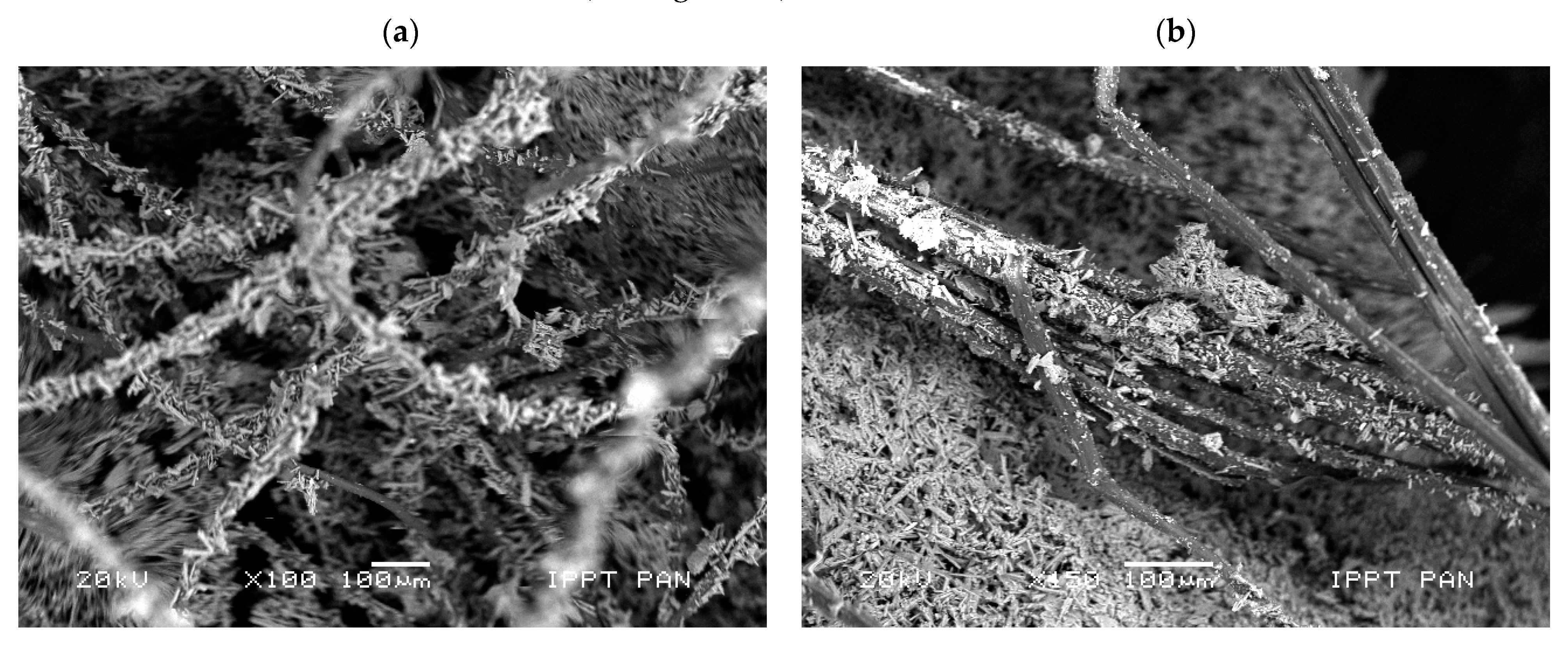
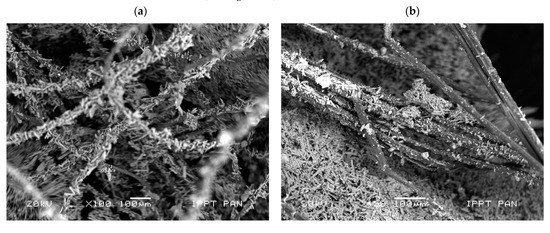
2.4. Microstructure Analyses of Gypsum Composites
3. Test Results and Discussion
3.1. Mechanical Performances
3.2. Microstructure Analysis
4. Conclusions
- Sheep wool fibres are characterized by uniform dimensions, whereas hemp fibres show high dimensional variability and tend to delaminate.
- XRD analysis shows that hemp fibres are semi-crystalline, with a high crystallinity index (i.e., Ic = 84.5%). Sheep wool fibres also show a crystal type structure, but with a relatively low degree of crystallographic order.
- Mechanical tests reveal the fracture toughness depends on the type of bio-fibre.
- The fracture toughness of the wool-reinforced gypsum is remarkably larger than that measured on hemp-reinforced composites, due to a better adhesion of wool with the gypsum matrix.
- SEM analysis performed on fibre-reinforced gypsum showed a dense matrix and a high homogeneity of matrix with sheep wool, whereas the matrix with hemp fibres contained empty air-voids. This is due to the delamination of the hemp fibres.
- Very good adhesion of the sheep wool fibres with the gypsum matrix occurs. Indeed, gypsum modifies the surface of wool fibres, which appears completely covered by crystals. The same does not occur as much on the surface of hemp fibres.
Author Contributions
Funding
Institutional Review Board Statement
Informed Consent Statement
Data Availability Statement
Conflicts of Interest
References
- Jóźwiak-Niedźwiedzka, D.; Fantilli, A.P. Wool-reinforced cement-based composites. Materials 2020, 13, 3590. [Google Scholar] [CrossRef] [PubMed]
- Petek, B.; Logar, R.M. Management of waste sheep wool as valuable organic substrate in European Union countries. J. Mater. Cycles Waste Manag. 2020, 23, 44–54. [Google Scholar] [CrossRef]
- Zoccola, M.; Montarsolo, A.; Mossotti, R.; Patrucco, A.; Tonin, C. Green Hydrolysis as an Emerging Technology to Turn Wool Waste into Organic Nitrogen Fertilizer. Waste Biomass-Valorization 2015, 6, 891–897. [Google Scholar] [CrossRef]
- Chin, S.C.; Tee, K.F.; Tong, F.S.; Ong, H.R.; Gimbun, J. Thermal and mechanical properties of bamboo fiber reinforced composites. Mater. Today Commun. 2019, 23, 100876. [Google Scholar] [CrossRef]
- Schiavoni, S.; D׳alessandro, F.; Bianchi, F.; Asdrubali, F. Insulation materials for the building sector: A review and comparative analysis. Renew. Sustain. Energy Rev. 2016, 62, 988–1011. [Google Scholar] [CrossRef]
- Volf, M.; Diviš, J.; Havlík, F. Thermal, Moisture and Biological Behaviour of Natural Insulating Materials. Energy Procedia 2015, 78, 1599–1604. [Google Scholar] [CrossRef] [Green Version]
- Fantilli, A.P.; Sicardi, S.; Dotti, F. The use of wool as fiber-reinforcement in cement-based mortar. Constr. Build. Mater. 2017, 139, 562–569. [Google Scholar] [CrossRef]
- Štirmer, N.; Milovanović, B.; Sokol, J.M. Cement composites reinforced with sheep’s wool. In Proceedings of the International Symposium on Eco-Crete/Wallevik; Olafur, H., Bager, D.H., Hjartarson, B., Wallevik, J.E., Eds.; ICI Rheocenter: Reykjavik, Iceland, 2014; pp. 271–278. [Google Scholar]
- Fantilli, A.P.; Jóźwiak-Niedźwiedzka, D. Influence of Portland cement alkalinity on wool-reinforced mortar. Proc. Inst. Civ. Eng. -Constr. Mater. 2021, 174, 172–181. [Google Scholar] [CrossRef]
- Laadila, M.A.; LeBihan, Y.; Caron, R.-F.; Vaneeckhaute, C. Construction, renovation and demolition (CRD) wastes contaminated by gypsum residues: Characterization, treatment and valorization. Waste Manag. 2020, 120, 125–135. [Google Scholar] [CrossRef]
- Godinho-Castro, A.P.; Testolin, R.C.; Janke, L.; Corrêa, A.X.; Radetski, C.M. Incorporation of gypsum waste in ceramic block production: Proposal for a minimal battery of tests to evaluate technical and environmental viability of this recycling process. Waste Manag. 2012, 32, 153–157. [Google Scholar] [CrossRef]
- Iucolano, F.; Caputo, D.; Leboffe, F.; Liguori, B. Mechanical behavior of plaster reinforced with abaca fibers. Constr. Build. Mater. 2015, 99, 184–191. [Google Scholar] [CrossRef]
- Mukhametrakhimov, R.; Lukmanova, L.V.; Gilmanshin, I.R. Physical and mechanical properties of fiber reinforced gypsum-based composite. IOP Conf. Series Mater. Sci. Eng. 2019, 570. [Google Scholar] [CrossRef] [Green Version]
- Zhu, C.; Zhang, J.; Peng, J.; Cao, W.; Liu, J. Physical and mechanical properties of gypsum-based composites reinforced with PVA and PP fibers. Constr. Build. Mater. 2018, 163, 695–705. [Google Scholar] [CrossRef]
- Wu, Y.-F. The effect of longitudinal reinforcement on the cyclic shear behavior of glass fiber reinforced gypsum wall panels: Tests. Eng. Struct. 2004, 26, 1633–1646. [Google Scholar] [CrossRef]
- Iucolano, F.; Liguori, B.; Aprea, P.; Caputo, D. Evaluation of bio-degummed hemp fibers as reinforcement in gypsum plaster. Compos. Part B Eng. 2018, 138, 149–156. [Google Scholar] [CrossRef]
- Iucolano, F.; Boccarusso, L.; Langella, A. Hemp as eco-friendly substitute of glass fibres for gypsum reinforcement: Impact and flexural behaviour. Compos. Part B Eng. 2019, 175, 107073. [Google Scholar] [CrossRef]
- Jia, R.; Wang, Q.; Feng, P. A comprehensive overview of fibre-reinforced gypsum-based composites (FRGCs) in the construction field. Compos. Part B Eng. 2020, 205, 108540. [Google Scholar] [CrossRef]
- Aluigi, A.; Zoccola, M.; Vineis, C.; Tonin, C.; Ferrero, F.; Canetti, M. Study on the structure and properties of wool keratin regenerated from formic acid. Int. J. Biol. Macromol. 2007, 41, 266–273. [Google Scholar] [CrossRef]
- Ghosn, S.; Cherkawi, N.; Hamad, B. Studies on Hemp and Recycled Aggregate Concrete. Int. J. Concr. Struct. Mater. 2020, 14, 54. [Google Scholar] [CrossRef]
- Schaefer, C.O.; Cheriaf, M.; Rocha, J.C. Production of Synthetic Phosphoanhydrite and Its Use as a Binder in Self-Leveling Underlayments (SLU). Materials 2017, 10, 958. [Google Scholar] [CrossRef] [Green Version]
- Methods of Testing Cement—Part 1: Determination of Strength; EN 196-1; European Committee for Standardization: Brussels, Belgium, 2016.
- Coelho, A.W.F.; Thiré, R.; Araujo, A.C. Manufacturing of gypsum–sisal fiber composites using binder jetting. Addit. Manuf. 2019, 29. [Google Scholar] [CrossRef]
- Naaman, A.E. Fiber Reinforced Cement and Concrete Composites, 1st ed.; Techno Press 3000: Sarasota, FL, USA, 2018; p. 765. [Google Scholar]











| Series | ηp | st. dev. | Pmax | st. dev. | AF | st. dev. | Pc | st. dev. |
|---|---|---|---|---|---|---|---|---|
| (mm) | (N) | (mm) | (N) | |||||
| ref. | 1.29 | 0.03 | 2330 | 138 | 0.004 | 0.001 | 22307 | 908 |
| WF | 1.15 | 0.16 | 1876 | 232 | 1.026 | 0.131 | 15652 | 3760 |
| HF | 1.21 | 0.07 | 1656 | 239 | 0.376 | 0.113 | 1739 | 2320 |
Publisher’s Note: MDPI stays neutral with regard to jurisdictional claims in published maps and institutional affiliations. |
© 2021 by the authors. Licensee MDPI, Basel, Switzerland. This article is an open access article distributed under the terms and conditions of the Creative Commons Attribution (CC BY) license (https://creativecommons.org/licenses/by/4.0/).
Share and Cite
Fantilli, A.P.; Jóźwiak-Niedźwiedzka, D.; Denis, P. Bio-Fibres as a Reinforcement of Gypsum Composites. Materials 2021, 14, 4830. https://doi.org/10.3390/ma14174830
Fantilli AP, Jóźwiak-Niedźwiedzka D, Denis P. Bio-Fibres as a Reinforcement of Gypsum Composites. Materials. 2021; 14(17):4830. https://doi.org/10.3390/ma14174830
Chicago/Turabian StyleFantilli, Alessandro P., Daria Jóźwiak-Niedźwiedzka, and Piotr Denis. 2021. "Bio-Fibres as a Reinforcement of Gypsum Composites" Materials 14, no. 17: 4830. https://doi.org/10.3390/ma14174830
APA StyleFantilli, A. P., Jóźwiak-Niedźwiedzka, D., & Denis, P. (2021). Bio-Fibres as a Reinforcement of Gypsum Composites. Materials, 14(17), 4830. https://doi.org/10.3390/ma14174830

