Direct Magnetoelectric Effect in a Sandwich Structure of PZT and Magnetostrictive Amorphous Microwires
Abstract
1. Introduction
2. Materials and Methods
- (1)
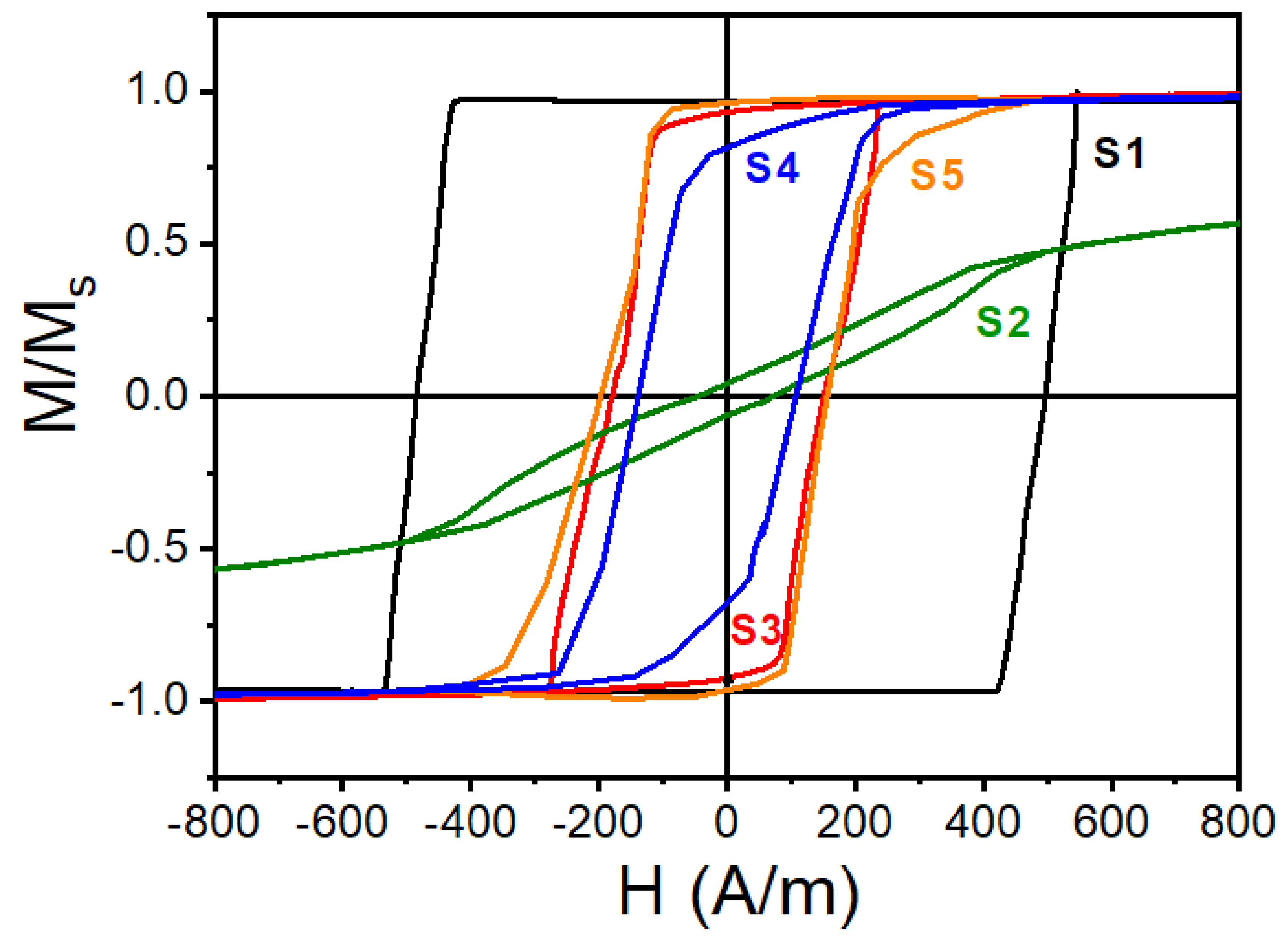
- As-prepared in glass coat (referred to as-cast, S1);
- (2)
- As-cast and then annealed (S2);
- (3)
- As-cast and glass-coat removed (S3);
- (4)
- As-cast, annealed, and then glass-coat removed (S4);
- (5)
- As-cast, glass-coat removed, and then annealed (S5).
3. Results and Discussion
4. Conclusions
Author Contributions
Funding
Acknowledgments
Conflicts of Interest
References
- Nan, C.-W.; Bichurin, M.I.; Dong, S.; Viehland, D.; Srinivasan, G. Multiferroic magnetoelectric composites: Historical perspective, status, and future directions. Appl. Phys. 2008, 103, 1. [Google Scholar] [CrossRef]
- Palneedi, H.; Annapureddy, V.; Priya, S.; Ryu, J. Status and Perspectives of Multiferroic Magnetoelectric Composite Materials and Applications. Actuators 2016, 5, 9. [Google Scholar] [CrossRef]
- Fiebig, M. Topical review: Revival of the magnetoelectric effect. J. Phys. D Appl. Phys. 2005, 38, R123–R152. [Google Scholar] [CrossRef]
- Vaz, C.A.F.; Hoffman, J.; Ahn, C.H.; Ramesh, R. Magnetoelectric coupling effects in multiferroic complex oxide composite structures. Adv. Mater. 2010, 22, 2900–2918. [Google Scholar] [CrossRef]
- Ramos, P.; Amorin, H.; Ricote, J.; Castro, A.; Alguero, M. Insights into the performance of magnetoelectric ceramic layer composites. J. Compos. Sci. 2017, 1, 14. [Google Scholar] [CrossRef]
- Ryu, J.; Carazo, A.V.; Uchino, K.; Kim, H.E. Magnetoelectric properties in piezoelectric and magnetostrictive laminate composites. J. Appl. Phys. 2001, 40, 4948–4951. [Google Scholar] [CrossRef]
- Vazquez, M. Handbook of Magnetism and Advanced Magnetic Materials 4: Novel Materials; John Wiley &Sons, Ltd.: Hoboken, NJ, USA, 2007; pp. 2192–2226. [Google Scholar]
- Vazquez, M.; Zhukov, A.P. Magnetic properties of glass-coated amorphous and nanocrystalline microwires. J. Magn. Magn. Mater. 1996, 160, 223. [Google Scholar] [CrossRef]
- Turutin, A.V.; Vidal, J.V.; Kubasov, I.V.; Kislyuk, A.M.; Kiselev, D.A.; Malinkovich, M.D.; Parkhomenko, Y.N.; Kobeleva, S.P.; Kholkin, A.L.; Sobolev, N.A. Highly sensitive magnetic field sensor based on a metglas /bidomain lithium niobate composite shaped in form of a tuning fork. J. Magn. Magn. Mater. 2019, 486, 165209. [Google Scholar] [CrossRef]
- Chiriac, H.; Corodeanu, S.; Lostun, M.; Stoian, G.; Ababei, G.; Ovari, T.A. Rapidly solidified amorphous nanowires. J. Appl. Phys. 2011, 109, 063902. [Google Scholar] [CrossRef]
- Antonov, A.S.; Borisov, V.T.; Borisov, O.V.; Prokoshin, A.F.; Usov, N.A. Residual quenching stresses in glass-coated amorphous ferromagnetic microwires. J. Phys. D Appl. Phys. 2000, 33, 1161–1168. [Google Scholar] [CrossRef]
- Baranov, S.A.; Larin, V.S.; Torcunov, A.V. Technology, Preparation and Properties of the Cast Glass-Coated Magnetic Microwires. Crystals 2017, 7, 136. [Google Scholar] [CrossRef]
- Gudoshnikov, S.; Churyukanova, M.; Kaloshkin, S.; Zhukov, A.; Zhukova, V.; Usov, N.A. Investigation of the properties of Co-rich amorphous ferromagnetic microwires by means of small angle magnetization rotation method. J. Magn. Magn. Mater. 2015, 387, 53–57. [Google Scholar] [CrossRef]
- Baraban, I.; Panina, L.; Litvinova, A.; Rodionova, V. Effect of glass-removal on the magnetostriction and magnetic switching properties in amorphous FeSiB microwires. J. Magn. Magn. Mater. 2019, 481, 50–54. [Google Scholar] [CrossRef]
- Zhukov, A.; Churyukanova, M.; Kaloshkin, S.; Sudarchikova, V.; Gudoshnikov, S.; Ipatov, M.; Talaat, A.; Blanco, J.M.; Zhukova, V. Magnetostriction of Co–Fe-based amorphous soft magnetic microwires. J. Electron. Mater. 2016, 45, 226–234. [Google Scholar] [CrossRef]
- Calisir, I.; Amirov, A.A.; Kleppe, A.K.; Hall, D.A. Optimization of functional properties in lead-free BiFeO3-BaTiO3 ceramics through La3+ substitution strategy. J. Mater. Chem. A 2018, 6, 5378–5397. [Google Scholar] [CrossRef]
- Amirov, A.A.; Yusupov, D.M.; Ismailov, A.M.; Abdulkadirova, N.Z. Direct magnetoelectric effect in Ni–PZT–Pt layered multiferroic composites. J. Surf. Investig. X ray Synchrotron Neutron Tech. 2018, 12, 336–338. [Google Scholar] [CrossRef]
- Zhukov, A. Domain wall propagation in a Fe-rich glass-coated amorphous microwire. Appl. Phys. Lett. 2001, 78, 3106–3108. [Google Scholar] [CrossRef]
- Zhukova, V.; Ipatov, M.; Talaat, A.; Blanco, J.M.; Churyukanova, M.; Zhukov, A. Effect of stress annealing on magnetic properties and GMI effect of Co-and Fe-rich microwires. J. Alloys Compd. 2017, 707, 189–194. [Google Scholar] [CrossRef]
- Baraban, I.; Leble, S.; Panina, L.P.; Rodionova, V. Control of magneto-static and -dynamic properties by stress tuning in Fe-Si-B amorphous microwires with fixed dimensions. J. Magn. Magn. Mater. 2019, 477, 415–419. [Google Scholar] [CrossRef]
- Zhukova, V.; Blanco, J.M.; Ipatov, M.; Churyukanova, M.; Taskaev, S.; Zhukov, A. Tailoring of magnetoimpedance effect and magnetic softness of Fe-rich glass-coated microwires by stress-annealing. Sci. Rep. 2018, 8, 3202. [Google Scholar] [CrossRef]
- Bichurin, M.I.; Petrov, V.M.; Ryabkov, O.V.; Averkin, S.V.; Srinivasan, G. Theory of magnetoelectric effects at magnetoacoustic resonance in single-crystal ferromagnetic-ferroelectric heterostructures. Phys. Rev. B 2005, 72, 060408. [Google Scholar] [CrossRef]
- Dong, S.H.; Cheng, J.; Li, J.F.; Viehland, D. Enhanced magnetoelectric effects in laminate composites of Terfenol-D/Pb (Zr, Ti)O3 under resonant drive. Appl. Phys. Let. 2003, 83, 4812–4814. [Google Scholar] [CrossRef]
- Filippov, D.A.; Laletin, V.M.; Galichyan, T.A. Magnetoelectric effect in bilayer magnetostrictive-piezoelectric structure. Theory and experiment. Appl. Phys. A 2014, 115, 1087–1091. [Google Scholar] [CrossRef]
- Cheng, J.H.; Wang, Y.G.; Xie, D. Resonance magnetoelectric effect in Ni/Pb(Zr,Ti)O3/Terfenol-D trilayered composites with different mechanical boundary conditions. Appl. Phys. Lett. 2004, 104, 252411. [Google Scholar] [CrossRef]
- Wan, J.G.; Li, Z.Y.; Wang, Y.; Zeng, M.; Wang, G.H.; Liu, J.-M. Strong flexural resonant magnetoelectric effect in Terfenol-D/epoxy-Pb(Zr, Ti)O3 bilayer. Appl. Phys. Lett. 2005, 86, 202504. [Google Scholar] [CrossRef]
- Nan, C.W.; Li, M.; Huang, J.H. Calculations of giant magnetoelectric effects in ferroic composites of rare-earth–iron alloys and ferroelectric polymers. Phys. Rev. B 2001, 63, 144415. [Google Scholar] [CrossRef]
- Nan, C.W.; Liu, G.; Lin, Y.H. Influence of interfacial bonding on giant magnetoelectric response of multiferroic laminated composites of Tb1−xDyxFe2 and PbZrxTi1−xO3. Appl. Phys. Lett. 2003, 83, 4366. [Google Scholar] [CrossRef]
- Palneedi, H.; Maurya, D.; Kim, G.-Y.; Priya, S.; Kang, S.-J.; Kim, K.-H.; Choi, S.-Y.; Ryu, J. Enhanced off-resonance magnetoelectric response in laser annealed PZT thick film grown on magnetostrictive amorphous metal substrate. Appl. Phys. Lett. 2015, 107, 012904. [Google Scholar] [CrossRef]
- Kong, D.J.; Ruan-Wu, C.; Luo, Y.X.; Zhang, C.L.; Zhang, C. Magnetoelectric effects in multiferroic laminated plates with imperfect interfaces. Theor. Appl. Mech. Lett. 2017, 2, 93–99. [Google Scholar] [CrossRef]
- Srinivasan, G.; Rasmussen, E.T.; Levin, B.J.; Hayes, R. Magnetoelectric effects in bilayers and multilayers of magnetostrictive and piezoelectric perovskite oxides. Phys. Rev. B 2002, 65, 134402. [Google Scholar] [CrossRef]
- Zhou, Y.; Maurya, D.; Yan, Y.; Srinivasan, G.; Quandt, E.; Priya, S. Self-biased magnetoelectric composites: An overview and future perspectives. Energy Harvest. Syst. 2016, 3, 1–42. [Google Scholar] [CrossRef]
- Mandal, S.K.; Sreenivasulu, G.; Petrov, V.M.; Srinivasan, G. Magnetization-graded multiferroic composite and magnetoelectric effects at zero bias. Phys. Rev. B 2011, 84, 014432. [Google Scholar] [CrossRef]
- Li, M.; Wang, Z.; Wang, Y.; Li, J.; Viehland, D. Giant magnetoelectric effect in self-biased laminates under zero magnetic field. Appl. Phys. Lett. 2013, 102, 082404. [Google Scholar] [CrossRef]
- Fetisov, L.Y.; Chashin, D.V.; Saveliev, D.V.; Afanas’ev, M.S.; Simonov-Emel’yanov, I.D.; Vopson, M.M.; Fetisov, Y.K. Magnetoelectric direct and converse resonance effects in a flexible ferromagnetic-piezoelectric polymer structure. J. Magn. Magn. Mater. 2019, 485, 251–256. [Google Scholar] [CrossRef]








| Composition | d, μm | D, μm | , A/m | Condition | |||
|---|---|---|---|---|---|---|---|
| Fe77.5B15Si7.5 | 12 | 26 | 0.46 | 493.6 | 0.99 | (S1) As-cast, with glass | |
| 167.2 | 0.94 | (S3) Without glass |
| Microwire | Glass Coated | Glass Coat Removed | |||
|---|---|---|---|---|---|
| As-Cast S1 | Annealed S2 | Glass Removed S3 | Annealed then Glass Removed S4 | Glass Removed then Annealed S5 | |
| fres, kHz | 57.9 | 55.2 | 52.5 | 51.9 | 51 |
| αME (max), * mV/cm×Oe | 55.49 (477.7 A/m) | 65.9 (477.7 A/m) | 70.5 (238.8 A/m) | 97.55 (318.48 A/m) | 99.32 (238.8 A/m) |
© 2020 by the authors. Licensee MDPI, Basel, Switzerland. This article is an open access article distributed under the terms and conditions of the Creative Commons Attribution (CC BY) license (http://creativecommons.org/licenses/by/4.0/).
Share and Cite
Amirov, A.; Baraban, I.; Panina, L.; Rodionova, V. Direct Magnetoelectric Effect in a Sandwich Structure of PZT and Magnetostrictive Amorphous Microwires. Materials 2020, 13, 916. https://doi.org/10.3390/ma13040916
Amirov A, Baraban I, Panina L, Rodionova V. Direct Magnetoelectric Effect in a Sandwich Structure of PZT and Magnetostrictive Amorphous Microwires. Materials. 2020; 13(4):916. https://doi.org/10.3390/ma13040916
Chicago/Turabian StyleAmirov, Abdulkarim, Irina Baraban, Larissa Panina, and Valeria Rodionova. 2020. "Direct Magnetoelectric Effect in a Sandwich Structure of PZT and Magnetostrictive Amorphous Microwires" Materials 13, no. 4: 916. https://doi.org/10.3390/ma13040916
APA StyleAmirov, A., Baraban, I., Panina, L., & Rodionova, V. (2020). Direct Magnetoelectric Effect in a Sandwich Structure of PZT and Magnetostrictive Amorphous Microwires. Materials, 13(4), 916. https://doi.org/10.3390/ma13040916

