The Effect of Geometrical Non-Linearity on the Crashworthiness of Thin-Walled Conical Energy-Absorbers
Abstract
1. Introduction
2. Crashworthiness Indicators
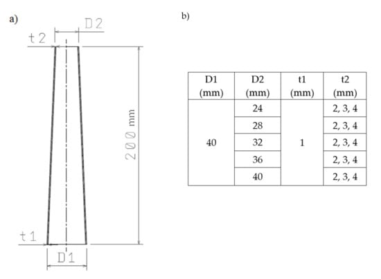
3. Test Specimens
4. Numerical Analysis
4.1. Finite Element Method
4.2. Numerical Simulation Using theMultilayer Perceptron
5. Conclusions
Author Contributions
Funding
Conflicts of Interest
References
- Sun, G.; Pang, T.; Xu, C.; Zheng, G.; Song, J. Energy absorption mechanics for variable thickness thin-walled structures. Thin-Walled Struct. 2017, 118, 214–228. [Google Scholar] [CrossRef]
- Habte, H.S.; Abdul–Latif, A. Finite element modeling of non-conventional energy dissipating systems using metallic like-composite tubular structures. Int. J. Impact Eng. 2020, 139, 103511. [Google Scholar] [CrossRef]
- Szewczak, I.; Rzeszut, K.; Rozylo, P.; Samborski, S. Laboratory and Numerical Analysis of Steel Cold-Formed Sigma Beams Retrofitted by Bonded CFRP Tapes. Materials 2020, 13, 4339. [Google Scholar] [CrossRef] [PubMed]
- Kopczyński, A.; Rusiński, E. Passive Safety. Energy Absorption by Thin-Walled Profiles; Publishing House of the Wrocław University of Technology: Wrocław, Poland, 2010; ISBN 9788374935784. [Google Scholar]
- Segade, A.; López-Campos, J.; Fernández, J.; Casarejos, E.; Vilán, J. Finite Element Simulation for Analysing the Design and Testing of an Energy Absorption System. Materials 2016, 9, 660. [Google Scholar] [CrossRef] [PubMed]
- Jones, N. Structural Impact; Cambridge University Press: Cambridge, UK, 1990; Volume 53, ISBN 9780521301800. [Google Scholar]
- Bai, Y.; Bao, Y.; Wierzbicki, T. Fracture of prismatic aluminum tubes under reverse straining. Int. J. Impact Eng. 2006, 32, 671–701. [Google Scholar] [CrossRef]
- Kubiak, T. Static and Dynamic Buckling of Thin-walled Plate Structures; Springer International Publishing: Basel, Switzerland, 2013; Volume 9783319006, ISBN 9783319006543. [Google Scholar]
- Wierzbicki, T.; Abramowicz, W. On the Crushing Mechanics of Thin-Walled Structures. J. Appl. Mech. 1983, 50, 727–734. [Google Scholar] [CrossRef]
- Ravi Sankar, H.; Parameswaran, V. Effect of circular perforations on the progressive collapse of circular cylinders under axial impact. Int. J. Impact Eng. 2018, 122, 346–362. [Google Scholar] [CrossRef]
- Hanssen, A.G.; Langseth, M.; Hopperstad, O.S. Static and dynamic crushing of square aluminium extrusions with aluminium foam filler. Int. J. Impact Eng. 2000, 24, 347–383. [Google Scholar] [CrossRef]
- Santosa, S.; Wierzbicki, T. On the modeling of crush behavior of a closed-cell aluminum foam structure. J. Mech. Phys. Solids 1998, 46, 645–669. [Google Scholar] [CrossRef]
- Vestrum, O.; Edvard, L.; Dæhli, B.; Sture, O.; Børvik, T. Constitutive modeling of a graded porous polymer based on X-ray computed tomography. Mater. Des. 2020, 188, 108449. [Google Scholar] [CrossRef]
- Dirgantara, T.; Jusuf, A.; Kurniati, E.O.; Gunawan, L.; Putra, I.S. Crashworthiness analysis of foam–filled square column considering strain rate effect of the foam. Thin-Walled Struct. 2018, 129, 365–380. [Google Scholar] [CrossRef]
- Ferdynus, M.; Rogala, M. Numerical Crush Analysis of Thin-Walled Aluminium Columns with Square Cross-Section and a Partial Foam Filling. Adv. Sci. Technol. Res. J. 2019, 13, 144–151. [Google Scholar] [CrossRef]
- Ying, L.; Zhao, X.; Dai, M.; Zhang, S.; Hu, P. Crashworthiness design of quenched boron steel thin-walled structures with functionally graded strength. Int. J. Impact Eng. 2016, 95, 72–88. [Google Scholar] [CrossRef]
- Yang, S.; Qi, C. Multiobjective optimization for empty and foam-filled square columns under oblique impact loading. Int. J. Impact Eng. 2013, 54, 177–191. [Google Scholar] [CrossRef]
- Wu, Y.; Fang, J.; He, Y.; Li, W. Crashworthiness of hierarchical circular-joint quadrangular honeycombs. Thin-Walled Struct. 2018, 133, 180–191. [Google Scholar] [CrossRef]
- Mohammadiha, O.; Beheshti, H.; Aboutalebi, F.H. Multi-objective optimisation of functionally graded honeycomb filled crash boxes under oblique impact loading. Int. J. Crashworthiness 2015, 20, 44–59. [Google Scholar] [CrossRef]
- Balaji, G.; Annamalai, K. Crushing response of square aluminium column filled with carbon fibre tubes and aluminium honeycomb. Thin-Walled Struct. 2018, 132, 667–681. [Google Scholar] [CrossRef]
- Wang, S.; Wang, H.; Ding, Y.; Yu, F. Crushing behavior and deformation mechanism of randomly honeycomb cylindrical shell structure. Thin-Walled Struct. 2020, 39, 1067. [Google Scholar] [CrossRef]
- Hussain, N.N.; Regalla, S.P.; Rao Yendluri, V.D. Numerical investigation into the effect of various trigger configurations on crashworthiness of GFRP crash boxes made of different types of cross sections. Int. J. Crashworthiness 2017, 22, 565–581. [Google Scholar] [CrossRef]
- Debski, H.; Rozylo, P.; Gliszczynski, A.; Kubiak, T. Numerical models for buckling, postbuckling and failure analysis of pre-damaged thin-walled composite struts subjected to uniform compression. Thin-Walled Struct. 2019, 139, 53–65. [Google Scholar] [CrossRef]
- Alkhatib, S.E.; Matar, M.S.; Tarlochan, F.; Laban, O.; Mohamed, A.S.; Alqwasmi, N. Deformation modes and crashworthiness energy absorption of sinusoidally corrugated tubes manufactured by direct metal laser sintering. Eng. Struct. 2019, 201, 109838. [Google Scholar] [CrossRef]
- Ferdynus, M.; Kotełko, M.; Urbaniak, M. Crashworthiness performance of thin-walled prismatic tubes with corner dents under axial impact—Numerical and experimental study. Thin-Walled Struct. 2019, 144, 106239. [Google Scholar] [CrossRef]
- Rogala, M.; Gajewski, J.; Ferdynus, M. Numerical analysis of the thin-walled structure with different trigger locations under axial load. IOP Conf. Ser. Mater. Sci. Eng. 2019, 710, 012028. [Google Scholar] [CrossRef]
- Ma, W.; Li, Z.; Xie, S. Crashworthiness analysis of thin-walled bio-inspired multi-cell corrugated tubes under quasi-static axial loading. Eng. Struct. 2020, 204, 110069. [Google Scholar] [CrossRef]
- Ferdynus, M.; Rozylo, P.; Rogala, M. Energy Absorption Capability of Thin-Walled Prismatic Aluminum Tubes with Spherical Indentations. Materials 2020, 13, 4304. [Google Scholar] [CrossRef] [PubMed]
- Rogala, M. Neural networks in crashworthiness analysis of thin- walled profile with foam filling. Adv. Sci. Technol. Res. J. 2020, 14, 93–99. [Google Scholar] [CrossRef]
- Macaulay, M. Introduction to Impact Engineering; Springer Netherlands: Dordrecht, The Netherlands, 1987; Volume 9, ISBN 978-94-010-7920-4. [Google Scholar]
- Rózyło, P. Passive Safety of a Buggy-Type Car in the Aspect of a Dynamic Analysis of the Frame. Acta Mech. Autom. 2019, 13, 75–79. [Google Scholar] [CrossRef]
- Díaz, J.; Costas, M. Crashworthiness. In Encyclopedia of Continuum Mechanics; Springer: Berlin/Heidelberg, Germany, 2019; pp. 1–18. ISBN 9783211833346. [Google Scholar]
- Karpiński, R.; Jaworski, Ł.; Jonak, J.; Krakowski, P. The influence of the nucleus pulposus on the stress distribution in the natural and prosthetic intervertebral disc. MATEC Web Conf. 2019, 252, 07006. [Google Scholar] [CrossRef]
- Karpiński, R.; Jaworski, Ł.; Jonak, J.; Krakowski, P. Stress distribution in the knee joint in relation to tibiofemoral angle using the finite element method. MATEC Web Conf. 2019, 252, 07007. [Google Scholar] [CrossRef]
- Ratajczak, M.; Ptak, M.; Chybowski, L.; Gawdzińska, K.; Bedziński, R. Material and structural modeling aspects of brain tissue deformation under dynamic loads. Materials 2019, 12, 271. [Google Scholar] [CrossRef]
- Drake, R.; Vogl, W.; Mitchell, A. Gray’s Anatomy for Students. BMJ 2006, 333, s184. [Google Scholar] [CrossRef]
- Nakadate, H.; Zhang, Y.; Han, L.; Aomura, S.; Matsui, Y. Finite element head model simulation of the case suspected of diffuse axonal injury in the traffic accident. Int. J. Crashworthiness 2018, 23, 182–192. [Google Scholar] [CrossRef]
- Gajewski, J.; Golewski, P.; Sadowski, T. Geometry optimization of a thin-walled element for an air structure using hybrid system integrating artificial neural network and finite element method. Compos. Struct. 2017, 159, 589–599. [Google Scholar] [CrossRef]
- Gajewski, J.; Sadowski, T. Sensitivity analysis of crack propagation in pavement bituminous layered structures using a hybrid system integrating Artificial Neural Networks and Finite Element Method. Comput. Mater. Sci. 2014, 82, 114–117. [Google Scholar] [CrossRef]
- Gajewski, J.; Vališ, D. The determination of combustion engine condition and reliability using oil analysis by MLP and RBF neural networks. Tribol. Int. 2017, 115, 557–572. [Google Scholar] [CrossRef]
- Mirzaei, M.; Shakeri, M.; Sadighi, M.; Akbarshahi, H. Crashworthiness design for cylindrical tube using neural network and genetic algorithm. Procedia Eng. 2011, 14, 3346–3353. [Google Scholar] [CrossRef][Green Version]
- Electronic Manual of Statistics PL, Kraków. Available online: https://www.statsoft.pl/textbook/stathome.html (accessed on 29 October 2020).
- Vališ, D.; Gajewski, J.; Žák, L. Potential for using the ANN-FIS meta-model approach to assess levels of particulate contamination in oil used in mechanical systems. Tribol. Int. 2019, 135, 324–334. [Google Scholar] [CrossRef]
- Li, F.; Sun, G.; Huang, X.; Rong, J.; Li, Q. Multiobjective robust optimization for crashworthiness design of foam filled thin-walled structures with random and interval uncertainties. Eng. Struct. 2015, 88, 111–124. [Google Scholar] [CrossRef]
- Reddy, T.J.; Rao, Y.V.D.; Narayanamurthy, V. Thin-walled structural configurations for enhanced crashworthiness. Int. J. Crashworthiness 2018, 23, 57–73. [Google Scholar] [CrossRef]
- Pang, T.; Zheng, G.; Fang, J.; Ruan, D.; Sun, G. Energy absorption mechanism of axially-varying thickness (AVT) multicell thin-walled structures under out-of-plane loading. Eng. Struct. 2019, 196, 109130. [Google Scholar] [CrossRef]




















| AA6061-T6 Aluminium Material Properties | |
|---|---|
| Density (kg/m3) | 2700 |
| Young Modulus (MPa) | 70,000 |
| Poisson ratio v (-) | 0.33 |
| Yield point Re (MPa) | 200 |
| Tensile Strength Rm (MPa) | 279.98 |
| Elongation E (%) | 5.98 |
| Network | Quality (Training) | Quality (Testing) | Quality (Validating) | Error (Training) | Learning Algorithm | Error | Activation (Hidden) | Activation (Output) |
|---|---|---|---|---|---|---|---|---|
| MLP 2-5-1 | 0.96102 | 0.95473 | 0.96421 | 0.000619 | BFGS 8 | SOS | Linear | Tahn |
| MLP 2-5-1 | 0.98577 | 0.98312 | 0.97432 | 0.000229 | BFGS 38 | SOS | Exponential | Logistic |
| MLP 2-6-1 | 0.99392 | 0.97501 | 0.97261 | 0.000970 | BFGS 6 | SOS | Gaussa | Exponential |
| Networks | Thickness | Diameter |
|---|---|---|
| MLP 2-5-1 | 43.0670 | 4.79858 |
| MLP 2-5-1 | 162.6045 | 26.37700 |
| MLP 2-6-1 | 25.9865 | 2.61329 |
| Average | 77.2193 | 11.26296 |
Publisher’s Note: MDPI stays neutral with regard to jurisdictional claims in published maps and institutional affiliations. |
© 2020 by the authors. Licensee MDPI, Basel, Switzerland. This article is an open access article distributed under the terms and conditions of the Creative Commons Attribution (CC BY) license (http://creativecommons.org/licenses/by/4.0/).
Share and Cite
Rogala, M.; Gajewski, J.; Ferdynus, M. The Effect of Geometrical Non-Linearity on the Crashworthiness of Thin-Walled Conical Energy-Absorbers. Materials 2020, 13, 4857. https://doi.org/10.3390/ma13214857
Rogala M, Gajewski J, Ferdynus M. The Effect of Geometrical Non-Linearity on the Crashworthiness of Thin-Walled Conical Energy-Absorbers. Materials. 2020; 13(21):4857. https://doi.org/10.3390/ma13214857
Chicago/Turabian StyleRogala, Michal, Jakub Gajewski, and Miroslaw Ferdynus. 2020. "The Effect of Geometrical Non-Linearity on the Crashworthiness of Thin-Walled Conical Energy-Absorbers" Materials 13, no. 21: 4857. https://doi.org/10.3390/ma13214857
APA StyleRogala, M., Gajewski, J., & Ferdynus, M. (2020). The Effect of Geometrical Non-Linearity on the Crashworthiness of Thin-Walled Conical Energy-Absorbers. Materials, 13(21), 4857. https://doi.org/10.3390/ma13214857

