A New Composite Slab Using Crushed Waste Tires as Fine Aggregate in Self-Compacting Lightweight Aggregate Concrete
Abstract
1. Introduction
2. Experimental Program
2.1. Material Properties
2.1.1. Concrete
2.1.2. Profiled Steel Sheeting
2.1.3. Reinforcement
2.2. Test Specimens
2.3. Test Set-Up and Instrumentation
2.4. Loading Program
3. Results and Discussion
3.1. Properties of SCRLC
3.2. Experimental Study of Flexural Behavior of Composite Slabs
3.2.1. Failure Procedure and Modes
3.2.2. Load–Deflection Curves
3.2.3. Profiled Steel Strain and Concrete Surface Strain Analysis
3.2.4. Load–Slip Curves
3.3. Finite Element Analysis of Flexural Behavior of Composite Slabs
3.3.1. General Structural Model
3.3.2. Verification of Finite Element Model
3.3.3. Parametric Studies on Flexural Properties of Composite Slabs
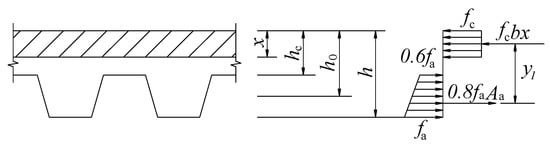
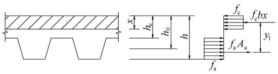
3.4. Evaluation of Flexural Capacity of Composite Slabs
- (1)
- The bending deflection of SCRLC composite slabs was accordance with the plane section assumption;
- (2)
- The tensile strength of SCRLC in the tensile zone of composite slabs was ignored;
- (3)
- The stress of the upper flange of profiled steel sheeting was 60% of the yield stress of profiled steel sheeting when the composite slabs reached their ultimate flexural carrying capacity.
4. Conclusions
- (1)
- Self-compacting technology was successfully used in the preparation of rubber lightweight aggregate concrete to make composite slabs. Four composite slabs with different shear spans (450 mm and 800 mm) and SCRLC (0 and 30% in rubber particles substitution ratio) were prepared, and the flexural strength tests were conducted. Comparing with SCLC composite slabs, SCRLC30 composite slabs had better anti-cracking ability under loading.
- (2)
- An accurate and effective finite element model was established to account for further understanding on the effect of SCRLC strength on the flexural properties of composite slabs. With the increase of rubber particles substitution ratio in SCRLC, the yield load, ultimate load, and deflection corresponding to the yield load and ultimate load of composite slabs decreased. The reduction of SCRLC strength was much more than the reduction of the bearing capacity of corresponding composite slabs.
- (3)
- Comparing with NC composite slabs, SCRLC composite slabs had the similar ultimate load when the properties of the concrete, profile steel sheeting, and size of the composite slab were approximate. However, the self-weight of the SCRLC composites slabs reduced by about 30%. Applying SCRLC in composites slabs was feasible and would be beneficial to improve the anti-cracking ability of composites slabs.
- (4)
- The traditional calculated method of the flexural bearing capacity of NC composite slabs was unsuitable for analyzing the flexural bearing capacity of SCRLC composite slabs. After analysis, a modified calculated method was proposed for the evaluation of the flexural capacity of SCRLC composite slabs.
Author Contributions
Funding
Conflicts of Interest
References
- Aslani, F.; Kelin, J.; Klein, J. Assessment and development of high-performance fibre-Reinforced lightweight self-compacting concrete including recycled crumb rubber aggregates exposed to elevated temperatures. J. Clean. Prod. 2018, 200, 1009–1025. [Google Scholar] [CrossRef]
- Li, L.; Tu, G.-R.; Lan, C.; Liu, F. Mechanical characterization of waste-Rubber-Modified recycled-Aggregate concrete. J. Clean. Prod. 2016, 124, 325–338. [Google Scholar] [CrossRef]
- Gupta, T.; Chaudhary, S.; Sharma, R.K. Assessment of mechanical and durability properties of concrete containing waste rubber tire as fine aggregate. Constr. Build. Mater. 2014, 73, 562–574. [Google Scholar] [CrossRef]
- Sgobba, S.; Borsa, M.; Molfetta, M.; Marano, G.C. Mechanical performance and medium-Term degradation of rubberised concrete. Constr. Build. Mater. 2015, 98, 820–831. [Google Scholar] [CrossRef]
- Bisht, K.; Ramana, P. Evaluation of mechanical and durability properties of crumb rubber concrete. Constr. Build. Mater. 2017, 155, 811–817. [Google Scholar] [CrossRef]
- Holmes, N.; Dunne, K.; O’Donnell, J. Longitudinal shear resistance of composite slabs containing crumb rubber in concrete toppings. Constr. Build. Mater. 2014, 55, 365–378. [Google Scholar] [CrossRef]
- Behnia, A.; Ranjbar, N.; Chai, H.K.; Abdullah, A.I.; Masaeli, M.; Abdulla, A.I. Fracture characterization of multi-layer wire mesh rubberized ferrocement composite slabs by means of acoustic emission. J. Clean. Prod. 2017, 157, 134–147. [Google Scholar] [CrossRef][Green Version]
- Abdelaleem, B.H.; Hassan, A.A. Effect of combining steel fibers with crumb rubber on enhancing the behavior of beam-Column joints under cyclic loading. Eng. Struct. 2019, 182, 510–527. [Google Scholar] [CrossRef]
- Yang, F.; Feng, W.; Liu, F.; Jing, L.; Yuan, B.; Chen, D. Experimental and numerical study of rubber concrete slabs with steel reinforcement under close-in blast loading. Constr. Build. Mater. 2019, 198, 423–436. [Google Scholar] [CrossRef]
- Mendis, A.S.; Al-Deen, S.; Ashraf, M. Effect of rubber particles on the flexural behaviour of reinforced crumbed rubber concrete beams. Constr. Build. Mater. 2017, 154, 644–657. [Google Scholar] [CrossRef]
- Ismail, M.K.; Hassan, A.A. Performance of Full-Scale Self-Consolidating Rubberized Concrete Beams in Flexure. ACI Mater. J. 2016, 113, 207–218. [Google Scholar] [CrossRef]
- Ismail, M.K.; Hassan, A.A. Shear behaviour of large-Scale rubberized concrete beams reinforced with steel fibres. Constr. Build. Mater. 2017, 140, 43–57. [Google Scholar] [CrossRef]
- Oktay, H.; Yumrutaş, R.; Akpolat, A. Mechanical and thermophysical properties of lightweight aggregate concretes. Constr. Build. Mater. 2015, 96, 217–225. [Google Scholar] [CrossRef]
- Tian, Y.; Shi, S.; Jia, K.; Hu, S. Mechanical and dynamic properties of high strength concrete modified with lightweight aggregates presaturated polymer emulsion. Constr. Build. Mater. 2015, 93, 1151–1156. [Google Scholar] [CrossRef]
- Cui, H.; Lo, Y.T.; Memon, S.A.; Xu, W. Effect of lightweight aggregates on the mechanical properties and brittleness of lightweight aggregate concrete. Constr. Build. Mater. 2012, 35, 149–158. [Google Scholar] [CrossRef]
- Zhao, Y.; Gao, J.; Chen, F.; Liu, C.; Chen, X. Utilization of waste clay bricks as coarse and fine aggregates for the preparation of lightweight aggregate concrete. J. Clean. Prod. 2018, 201, 706–715. [Google Scholar] [CrossRef]
- Aslani, F.; Ma, G.; Wan, D.L.Y.; Le, V.X.T. Experimental investigation into rubber granules and their effects on the fresh and hardened properties of self-compacting concrete. J. Clean. Prod. 2018, 172, 1835–1847. [Google Scholar] [CrossRef]
- Miller, N.M.; Tehrani, F. Mechanical properties of rubberized lightweight aggregate concrete. Constr. Build. Mater. 2017, 147, 264–271. [Google Scholar] [CrossRef]
- Lv, J.; Zhou, T.; Du, Q.; Wu, H. Effects of rubber particles on mechanical properties of lightweight aggregate concrete. Constr. Build. Mater. 2015, 91, 145–149. [Google Scholar] [CrossRef]
- Nepomuceno, M.; De Oliveira, L.A.P.; Pereira, S.F. Mix design of structural lightweight self-compacting concrete incorporating coarse lightweight expanded clay aggregates. Constr. Build. Mater. 2018, 166, 373–385. [Google Scholar] [CrossRef]
- Lv, J.; Du, Q.; Zhou, T.; He, Z.; Li, K. Fresh and Mechanical Properties of Self-Compacting Rubber Lightweight Aggregate Concrete and Corresponding Mortar. Adv. Mater. Sci. Eng. 2019, 2019, 1–14. [Google Scholar] [CrossRef]
- Rana, M.; Uy, B.; Mirza, O. Experimental and numerical study of end anchorage in composite slabs. J. Constr. Steel Res. 2015, 115, 372–386. [Google Scholar] [CrossRef]
- Li, X.; Zheng, X.; Ashraf, M.; Li, H. Experimental study on the longitudinal shear bond behavior of lightweight aggregate concrete—Closed profiled steel sheeting composite slabs. Constr. Build. Mater. 2017, 156, 599–610. [Google Scholar] [CrossRef]
- Arrayago, I.; Ferrer, M.; Marimon, F.; Real, E.; Mirambell, E. Experimental investigation on ferritic stainless steel composite slabs. Eng. Struct. 2018, 174, 538–547. [Google Scholar] [CrossRef]
- Zhang, H.; Geng, Y.; Wang, Y.Y.; Wang, Q.H. Long-Term behavior of continuous composite slabs made with 100% fine and coarse recycled aggregate. Eng. Struct. 2020, 212, 1–17. [Google Scholar] [CrossRef]
- Bai, L.; Li, Y.; Hou, C.; Zhou, T.; Cao, M. Longitudinal shear behaviour of composite slabs with profiled steel sheeting and ECC. Eng. Struct. 2020, 205, 110085. [Google Scholar] [CrossRef]
- Grossi, L.G.F.; Santos, C.F.R.; Malite, M. Longitudinal shear strength prediction for steel-concrete composite slabs with additional reinforcement bars. J. Constr. Steel Res. 2020, 166, 105908. [Google Scholar] [CrossRef]
- Mohammed, B. Structural behavior and m–k value of composite slab utilizing concrete containing crumb rubber. Constr. Build. Mater. 2010, 24, 1214–1221. [Google Scholar] [CrossRef]
- Cheah, C.B.; Ramli, M. The structural behaviour of HCWA ferrocement–reinforced concrete composite slabs. Compos. Part. B Eng. 2013, 51, 68–78. [Google Scholar] [CrossRef]
- Cho, C.-G.; Kappos, A.; Moon, H.-J.; Lim, H.-J. Experiments and failure analysis of SHCC and reinforced concrete composite slabs. Eng. Fail. Anal. 2015, 56, 320–331. [Google Scholar] [CrossRef]
- Adawi, A.; Youssef, M.A.; Meshaly, M.E. Finite element modeling of the composite action between hollowcore slabs and the topping concrete. Eng. Struct. 2016, 124, 302–315. [Google Scholar] [CrossRef]
- Ranzi, G.; Ostinelli, A. Ultimate behaviour and design of post-tensioned composite slabs. Eng. Struct. 2017, 150, 711–718. [Google Scholar] [CrossRef]
- Ahmed, I.M.; Tsavdaridis, K.D. The evolution of composite flooring systems: Applications, testing, modelling and eurocode design approaches. J. Constr. Steel Res. 2019, 155, 286–300. [Google Scholar] [CrossRef]
- Standard for Test Method of Mechanical Properties on Ordinary Concrete; GB/T50081-2002; China National Standard: Beijing, China, 2003.
- Technical Specification for Lightweight Aggregate Concrete; JGJ51-2002; China Professional Standard: Beijing, China, 2002.
- Lv, J.; Zhou, T.; Du, Q.; Li, K.; Sun, K. Evaluation of Stress-Strain Behavior of Self-Compacting Rubber Lightweight Aggregate Concrete under Uniaxial Compression Loading. Materials 2019, 12, 4064. [Google Scholar] [CrossRef] [PubMed]
- Bai, W.Q.; Lv, J. Experimental on damping capacity of rubber lightweight aggregate concrete. J. Chang’an Univ. (Nat. Sci. Ed.) 2018, 38, 26–33. (In Chinese) [Google Scholar]
- Code for Design of Composite Structures; JGJ138-2016; China Professional Standard: Beijing, China, 2016.
























| Type of Concrete | Substitution (by Volume) | Weight Per Cubic Meter (kg/m3) | |||||||
|---|---|---|---|---|---|---|---|---|---|
| Cement | Fly Ash | Rubber Particles | Sand | Shale Ceramsite | Thickener | Water Reducer | Water | ||
| SCLC | 0 | 425 | 85 | 0 | 700 | 610 | 0.204 | 5.1 | 179 |
| SCRLC10 | 10% | 425 | 85 | 31 | 630 | 610 | 0.204 | 5.1 | 179 |
| SCRLC20 | 20% | 425 | 85 | 62 | 560 | 610 | 0.204 | 5.1 | 179 |
| SCRLC30 | 30% | 425 | 85 | 93 | 490 | 610 | 0.204 | 5.1 | 179 |
| SCRLC40 | 40% | 425 | 85 | 124 | 420 | 610 | 0.204 | 5.1 | 179 |
| SCRLC50 | 50% | 425 | 85 | 155 | 350 | 610 | 0.204 | 5.1 | 179 |
| Type | Weight (kg/m2) | Moment of Inertia, I (cm4/m) | Sectional Resistance Moment, W (cm3/m) |
|---|---|---|---|
| YX76-344-688 | 14.10 | 176.49 | 44.12 |
| Diameter (mm) | Yield Strength( MPa) | Tensile Strength (MPa) | Elastic Modulus (GPa) | Elongation (%) |
|---|---|---|---|---|
| 8 | 335 | 450 | 206 | 25 |
| Slab Specimen | Length, L (mm) | Width, B (mm) | Thickness of Slab, ds (mm) | Shear Span, Lx (mm) | Substitution (by Volume) (%) |
|---|---|---|---|---|---|
| SCLC-B-1 | 2000 | 688 | 150 | 450 | 0 |
| SCLC-B-2 | 3400 | 688 | 150 | 800 | |
| SCRLC30-B-1 | 2000 | 688 | 150 | 450 | 30 |
| SCRLC30-B-2 | 3400 | 688 | 150 | 800 |
| Type of Concrete | Compressive Strength, (MPa) | Elastic Modulus, (GPa) | Splitting Tensile Strength (MPa) | Apparent Density (kg/m3) |
|---|---|---|---|---|
| SCLC | 45.6 | 26.8 | 4.41 | 1921 |
| SCRLC10 | 43.3 | 24.3 | 4.19 | 1867 |
| SCRLC20 | 39.4 | 22.7 | 3.82 | 1825 |
| SCRLC 30 | 33.8 | 19.9 | 3.36 | 1765 |
| SCRLC40 | 25.3 | 18.1 | 2.77 | 1709 |
| SCRLC50 | 20.8 | 15.5 | 2.35 | 1648 |
| Parameter | SCLC | SCRLC10 | SCRLC20 | SCRLC30 | SCRLC40 | SCRLC50 |
|---|---|---|---|---|---|---|
| α | 1.84 | 1.94 | 2.13 | 2.35 | 2.51 | 2.89 |
| β | 16 | 8 | 6 | 1.6 | 1.4 | 1.2 |
| Symbol of Specimen | Initial Cracking State of Concrete | Yielding State of Slabs | Ultimate Load Capacity Status of Slabs | Pcr/Pu | |||
|---|---|---|---|---|---|---|---|
| Pcr/(kN) | ucr/(mm) | Py/(kN) | uy/(mm) | Pu/(kN) | uu/(mm) | ||
| SCLC-B-1 | 35.5 | 2.23 | 123.5 | 9.41 | 139.4 | 14.48 | 0.232 |
| SCLC-B-2 | 11.1 | 1.36 | 70.0 | 25.93 | 76.7 | 46.21 | 0.144 |
| SCRLC30-B-1 | 39.2 | 1.45 | 108.6 | 7.21 | 128.9 | 14.81 | 0.304 |
| SCRLC30-B-2 | 12.4 | 2.24 | 52.2 | 18.18 | 68.7 | 36.79 | 0.181 |
| Symbol of Specimen | Py (kN) | uy (mm) | Pu (kN) | uu (mm) | ||||||||
|---|---|---|---|---|---|---|---|---|---|---|---|---|
| Test | FEM | FEM/Test | Test | FEM | FEM/Test | Test | FEM | FEM/Test | Test | FEM | FEM/Test | |
| SCLC-B-1 | 123.5 | 135.2 | 1.09 | 9.4 | 8.6 | 0.92 | 139.4 | 142.2 | 1.02 | 14.5 | 15.0 | 1.03 |
| SCLC-B-2 | 108.6 | 117.3 | 1.08 | 7.2 | 6.7 | 0.93 | 128.9 | 132.6 | 1.03 | 14.8 | 15.1 | 1.02 |
| SCRLC30-B-1 | 70.0 | 72.8 | 1.04 | 25.9 | 26.3 | 1.02 | 76.7 | 82.8 | 1.08 | 46.2 | 48.6 | 1.05 |
| SCRLC30-B-2 | 52.2 | 56.9 | 1.09 | 18.2 | 18.6 | 1.02 | 68.7 | 74.5 | 1.08 | 36.8 | 38.0 | 1.02 |
| Symbol of Specimen | Yielding State of Slabs | Ultimate Load Capacity Status of Slabs | Substitution (by Volume) (%) | ||
|---|---|---|---|---|---|
| Py/(kN) | uy/(mm) | Pu/(kN) | uu/(mm) | ||
| SCLC-B-1 | 135.2 | 8.6 | 142.2 | 15.0 | 0 |
| SCLC-B-2 | 72.8 | 25.9 | 82.8 | 48.6 | |
| SCRLC10-B-1 | 124.3 | 7.0 | 138.3 | 13.5 | 10% |
| SCRLC10-B-2 | 68.2 | 22.8 | 81.7 | 46.0 | |
| SCRLC20-B-1 | 122.3 | 6.6 | 135.4 | 12.5 | 20% |
| SCRLC20-B-2 | 65.5 | 20.7 | 79.3 | 40.4 | |
| SCRLC30-B-1 | 117.3 | 6.7 | 132.6 | 15.1 | 30% |
| SCRLC30-B-2 | 56.9 | 18.6 | 74.5 | 38.0 | |
| SCRLC40-B-1 | 118.8 | 6.7 | 128.9 | 9.5 | 40% |
| SCRLC40-B-2 | 63.2 | 20.8 | 75.9 | 36.0 | |
| SCRLC50-B-1 | 110.2 | 6.6 | 118.1 | 9.0 | 50% |
| SCRLC50-B-2 | 61.8 | 20.5 | 71.7 | 36.2 | |
| Symbol of Specimen | Calculated Value Mu/kN·m | Experimental Value M/kN·m | Mu/M |
|---|---|---|---|
| SCLC-B-1 | 38.17 | 32.0 | 1.19 |
| SCLC-B-2 | 38.17 | 33.1 | 1.15 |
| SCRLC10-B-1 | 38.09 | 31.1 | 1.22 |
| SCRLC10-B-2 | 38.09 | 32.7 | 1.16 |
| SCRLC20-B-1 | 37.69 | 30.5 | 1.24 |
| SCRLC20-B-2 | 37.69 | 31.7 | 1.19 |
| SCRLC30-B-1 | 37.50 | 29.8 | 1.26 |
| SCRLC30-B-2 | 37.50 | 29.8 | 1.26 |
| SCRLC40-B-1 | 36.55 | 29.0 | 1.26 |
| SCRLC40-B-2 | 36.55 | 30.4 | 1.20 |
| SCRLC50-B-1 | 35.62 | 26.6 | 1.34 |
| SCRLC50-B-2 | 35.62 | 28.9 | 1.23 |
| Symbol of Specimen | Upper Flange εu (×10−6) | Yielding Strain εy (×10−6) | εu/εy | |
|---|---|---|---|---|
| Numerical Results | Experimental Results | |||
| SCLC-B-1 | 972 | 898 | 1553 | 0.62 (0.58) |
| SCLC-B-2 | 942 | 811 | 1553 | 0.61 (0.52) |
| SCRLC10-B-1 | 908 | / | 1553 | 0.58 |
| SCRLC10-B-2 | 910 | / | 1553 | 0.59 |
| SCRLC20-B-1 | 814 | / | 1553 | 0.52 |
| SCRLC20-B-2 | 898 | / | 1553 | 0.58 |
| SCRLC30-B-1 | 915 | 879 | 1553 | 0.59 (0.57) |
| SCRLC30-B-2 | 984 | 857 | 1553 | 0.63 (0.55) |
| SCRLC40-B-1 | 781 | / | 1553 | 0.50 |
| SCRLC40-B-2 | 1063 | / | 1553 | 0.68 |
| SCRLC50-B-1 | 961 | / | 1553 | 0.62 |
| SCRLC50-B-2 | 990 | / | 1553 | 0.64 |
| Average value | — | — | — | 0.60 |
| Standard deviation | — | — | — | 0.047 |
| Symbol of Specimen | Modified Calculated Value M’u/kN·m | Experimental Value M/kN·m | M’u/M | M’u/Mu |
|---|---|---|---|---|
| SCLC-B-1 | 30.95 | 32.0 | 0.97 | 0.81 |
| SCLC-B-2 | 30.95 | 33.1 | 0.94 | 0.81 |
| SCRLC10-B-1 | 30.89 | 31.1 | 0.99 | 0.81 |
| SCRLC10-B-2 | 30.89 | 32.7 | 0.94 | 0.81 |
| SCRLC20-B-1 | 30.64 | 30.5 | 1.00 | 0.81 |
| SCRLC20-B-2 | 30.64 | 31.7 | 0.97 | 0.81 |
| SCRLC30-B-1 | 30.52 | 29.8 | 1.02 | 0.81 |
| SCRLC30-B-2 | 30.52 | 29.8 | 1.02 | 0.81 |
| SCRLC40-B-1 | 29.91 | 29 | 1.03 | 0.82 |
| SCRLC40-B-2 | 29.91 | 30.4 | 0.98 | 0.82 |
| SCRLC50-B-1 | 29.31 | 26.6 | 1.10 | 0.82 |
| SCRLC50-B-2 | 29.31 | 28.9 | 1.01 | 0.82 |
| Average value | — | — | 1.00 | 0.81 |
| Standard deviation | — | — | 0.04 | 0.004 |
© 2020 by the authors. Licensee MDPI, Basel, Switzerland. This article is an open access article distributed under the terms and conditions of the Creative Commons Attribution (CC BY) license (http://creativecommons.org/licenses/by/4.0/).
Share and Cite
Lv, J.; Zhou, T.; Wu, H.; Sang, L.; He, Z.; Li, G.; Li, K. A New Composite Slab Using Crushed Waste Tires as Fine Aggregate in Self-Compacting Lightweight Aggregate Concrete. Materials 2020, 13, 2551. https://doi.org/10.3390/ma13112551
Lv J, Zhou T, Wu H, Sang L, He Z, Li G, Li K. A New Composite Slab Using Crushed Waste Tires as Fine Aggregate in Self-Compacting Lightweight Aggregate Concrete. Materials. 2020; 13(11):2551. https://doi.org/10.3390/ma13112551
Chicago/Turabian StyleLv, Jing, Tianhua Zhou, Hanheng Wu, Liurui Sang, Zuoqian He, Gen Li, and Kaikai Li. 2020. "A New Composite Slab Using Crushed Waste Tires as Fine Aggregate in Self-Compacting Lightweight Aggregate Concrete" Materials 13, no. 11: 2551. https://doi.org/10.3390/ma13112551
APA StyleLv, J., Zhou, T., Wu, H., Sang, L., He, Z., Li, G., & Li, K. (2020). A New Composite Slab Using Crushed Waste Tires as Fine Aggregate in Self-Compacting Lightweight Aggregate Concrete. Materials, 13(11), 2551. https://doi.org/10.3390/ma13112551
