GHOST—Gate to Hybrid Optimization of Structural Topologies
Abstract
1. Introduction
2. Problem
3. The Hybrid Algorithm
3.1. Concept
3.2. Performance
4. Generation of Optimal Topologies
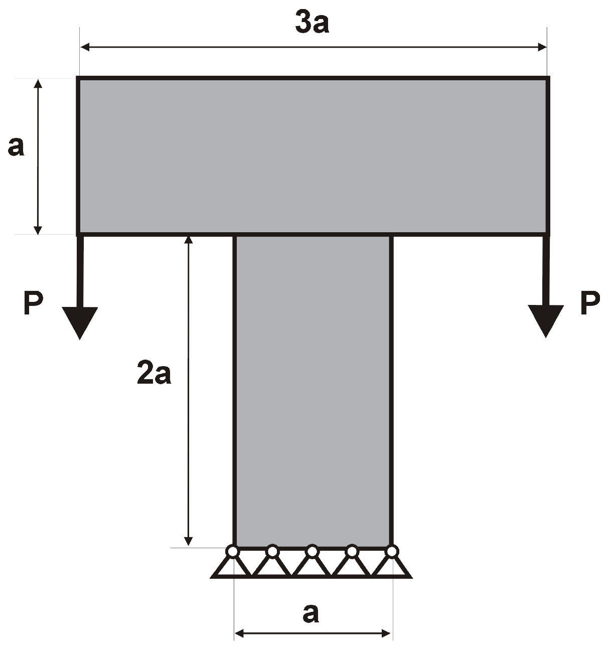
5. The Engineering Example
6. Concluding Remarks
Author Contributions
Funding
Conflicts of Interest
References
- Zhu, J.H.; Zhang, W.H.; Xia, L. Topology Optimization in Aircraft and Aerospace Structures Design. Arch. Comput. Methods Eng. 2016, 23, 595–622. [Google Scholar] [CrossRef]
- Gilbert, M.; Lewiński, T. Topology Optimization in Civil and Structural Engineering. In Proceedings of the 8th World Congress on Computational Mechanics, 5th. European Congress on Computational Methods in Applied Sciences and Engineering, Venice, Italy, 30 June–4 July 2008. [Google Scholar]
- Beghini, L.L.; Beghini, A.; Katz, N.; Baker, W.F.; Paulino, G.H. Connecting architecture and engineering through structural topology optimization. Eng. Struct. 2014, 59, 716–726. [Google Scholar] [CrossRef]
- Regazzoni, F.; Parolini, N.; Verani, M. Topology optimization of multiple anisotropic materials, with application to self-assembling diblock copolymers. Comput. Methods Appl. Mech. Eng. 2018, 338, 562–596. [Google Scholar] [CrossRef]
- Bendsoe, M.P.; Kikuchi, N. Generating optimal topologies in optimal design using a homogenization method. Comput. Methods Appl. Mech. Eng. 1988, 71, 197–224. [Google Scholar] [CrossRef]
- Bendsoe, M.P. Optimal shape design as a material distribution problem. Struct. Optim. 1989, 1, 193–202. [Google Scholar] [CrossRef]
- Bendsoe, M.P.; Sigmund, O. Topology Optimization. Theory, Methods and Applications; Springer: Berlin, Germany, 2003. [Google Scholar]
- Rozvany, G.I.N. A critical review of established methods of structural topology optimization. Struct. Multidiscip. Optim. 2008, 37, 217–237. [Google Scholar] [CrossRef]
- Sigmund, O.; Maute, K. Topology optimization approaches. Struct. Multidiscip. Optim. 2013, 48, 1031–1055. [Google Scholar] [CrossRef]
- Deaton, J.D.; Grandhi, R.V. A survey of structural and multidisciplinary continuum topology optimization: Post 2000. Struct. Multidiscip. Optim. 2014, 49, 1–38. [Google Scholar] [CrossRef]
- Xie, X.M.; Steven, G.P. Evolutionary Structural Optimisation; Springer: Berlin, Germany, 1997. [Google Scholar]
- Querin, Q.M.; Steven, G.P.; Xie, Y.M. Evolutionary structural optimization using a bi-directional algorithm. Eng. Comput. 1998, 15, 1034–1048. [Google Scholar] [CrossRef]
- Kane, C.; Jouve, F.; Schoenauer, M. Structural topology optimization in linear and nonlinear elasticity using genetic algorithms. In Proceedings of the 21st ASME Design Automation Conference, Boston, MA, USA, 17–20 September 1995; pp. 1–8. [Google Scholar]
- Balamurugan, R.; Ramakrishnan, C.; Singh, N. Performance evaluation of a two stage adaptive genetic algorithm in structural topology optimization. Appl. Soft Comput. 2008, 8, 1607–1624. [Google Scholar] [CrossRef]
- Kaveh, A.; Hassani, B.; Shojaee, S.; Tavakkoli, S.M. Structural topology optimization using ant colony methodology. Eng. Struct. 2008, 30, 2559–2565. [Google Scholar] [CrossRef]
- Kobayashi, M.H. On a biologically inspired topology optimization method. Commun. Nonlinear Sci. Numer. Simul. 2010, 15, 787–802. [Google Scholar] [CrossRef]
- Chang, S.Y.; Youn, S.K. Material cloud method for topology optimization. Numer. Methods Eng. 2006, 65, 1585–1607. [Google Scholar] [CrossRef]
- Eschenauer, H.A.; Kobelev, V.V.; Schumacher, A. Bubble method for topology and shape optimization of structures. Struct. Optim. 1993, 8, 42–51. [Google Scholar] [CrossRef]
- Wang, M.Y.; Wang, X.; Guo, D. A level set method for structural topology optimization. Comput. Methods Appl. Mech. Eng. 2003, 192, 227–246. [Google Scholar] [CrossRef]
- Allaire, G.; Jouve, F.; Toader, A.M. Structural optimization using sensitivity analysis and a level-set method. J. Comput. Phys. 2004, 194, 363–393. [Google Scholar] [CrossRef]
- Inou, N.; Shimotai, N.; Uesugi, T. A cellular automaton generating topological structures. In Proceedings of the 2nd European Conference on Smart Structures and Materials, Glasgow, UK, 13 September 1994; pp. 47–50. [Google Scholar]
- Tovar, A.; Patel, N.M.; Niebur, G.L.; Sen, M.; Renaud, J.E. Topology optimization using a hybrid cellular automaton method with local control rules. J. Mech. Des. 2006, 128, 1205–1216. [Google Scholar] [CrossRef]
- Bochenek, B.; Tajs-Zielińska, K. Novel local rules of Cellular Automata applied to topology and size optimization. Eng. Optim. 2012, 44, 23–35. [Google Scholar] [CrossRef]
- Du, Y.; Chen, D.; Xiang, X.; Tian, Q.; Zhang, Y. Topological Design of Structures Using a Cellular Automata Method. CMES: Comput. Model. Eng. Sci. 2013, 94, 53–75. [Google Scholar]
- Bochenek, B.; Tajs-Zielińska, K. Minimal compliance topologies for maximal buckling load of columns. Struct. Multidiscip. Optim. 2015, 51, 1149–1157. [Google Scholar] [CrossRef]
- Bochenek, B.; Tajs-Zielińska, K. GOTICA -generation of optimal topologies by irregular cellular automata. Struct. Multidiscip. Optim. 2017, 55, 1989–2001. [Google Scholar] [CrossRef]
- Guo, X.; Zhang, W.S.; Zhong, W.L. Doing topology optimization explicitly and geometrically—A new moving morphable components based framework. J. Appl. Mech. 2014, 81, 081009. [Google Scholar] [CrossRef]
- Zhang, W.; Yuan, J.; Zhang, J.; Guo, X. A new topology optimization approach based on Moving Morphable Components (MMC) and the ersatz material model. Struct. Multidiscip. Optim. 2016, 53, 1243–1260. [Google Scholar] [CrossRef]
- Xing, B.; Gao, W.J. Innovative Computational Intelligence: A Rough Guide to 134 Clever Algorithms; Springer: Cham, Germany, 2014. [Google Scholar]
- Sigmund, O. A 99 line topology optimization code written in MATLAB. Struct. Multidiscip. Optim. 2001, 21, 120–127. [Google Scholar] [CrossRef]
- Bochenek, B.; Mazur, M. A novel heuristic algorithm for minimum compliance optimization. Eng. Trans. 2016, 64, 541–546. [Google Scholar]
- Andreassen, E.; Clausen, A.; Schvenels, M.; Lazarov, B.S.; Sigmund, O. Efficient topology optimization in Matlab using 88 lines of code. Struct. Multidiscip. Optim. 2011, 4, 1–16. [Google Scholar] [CrossRef]
- Liu, K.; Tovar, A. An efficient 3D topology optimization code written in Matlab. Struct. Multidiscip. Optim. 2014, 50, 1175–1196. [Google Scholar] [CrossRef]
- Otomori, M.; Yamada, T.; Izui, K.; Nishiwaki, S. Matlab code for a level set-based topology optimization method using a reaction diffussion equation. Struct. Multidiscip. Optim. 2015, 51, 1159–1172. [Google Scholar] [CrossRef]
- Wei, P.; Li, Z.; Li, X.; Wang, M.Y. An 88-line MATLAB code for the parameterized level set method based topology optimization using radial basis functions. Struct. Multidiscip. Optim. 2018, 58, 831–849. [Google Scholar] [CrossRef]
- Biyikli, E.; To, A.C. Proportional topology optimization: a new non-sensitivity method for solving stress constrained and minimum compliance problems and its implementation in Matlab. PLoS ONE 2015, 10, e0145041. [Google Scholar] [CrossRef] [PubMed]
- Talishi, C.; Paulino, G.H.; Pereira, A.; Menezes, I.F.M. PolyTop: A Matlab implementation of a general topology optimization framework using unstructured polygonal finite element meshes. Struct. Multidiscip. Optim. 2012, 45, 329–357. [Google Scholar] [CrossRef]
- Tavakoli, R.; Mohseni, S.M. Alternating active-phase algorithm for multimaterial topology optimization problems: A 115-line MATLAB implementation. Struct. Multidiscip. Optim. 2014, 49, 621–642. [Google Scholar] [CrossRef]




























| Algorithm | Test Structure 1 | Test Structure 2 | Test Structure 3 | Test Structure 4 |
|---|---|---|---|---|
| Algorithm (1) [30] | 102.68 | 117.04 | 22.19 | 17.73 |
| Algorithm (2) [31] | 96.69 | 112.93 | 22.26 | 17.61 |
| Hybrid algorithm | 93.71 | 110.58 | 21.47 | 17.46 |
| Top88 [32] | 102.18 | 112.80 | 22.33 | 17.72 |
| Levelset88 [34] | 101.62 | 111.33 | 21.44 | 17.69 |
| PTOc [36] | 102.60 | 117.41 | 22.47 | 17.98 |
© 2019 by the authors. Licensee MDPI, Basel, Switzerland. This article is an open access article distributed under the terms and conditions of the Creative Commons Attribution (CC BY) license (http://creativecommons.org/licenses/by/4.0/).
Share and Cite
Bochenek, B.; Tajs-Zielińska, K. GHOST—Gate to Hybrid Optimization of Structural Topologies. Materials 2019, 12, 1152. https://doi.org/10.3390/ma12071152
Bochenek B, Tajs-Zielińska K. GHOST—Gate to Hybrid Optimization of Structural Topologies. Materials. 2019; 12(7):1152. https://doi.org/10.3390/ma12071152
Chicago/Turabian StyleBochenek, Bogdan, and Katarzyna Tajs-Zielińska. 2019. "GHOST—Gate to Hybrid Optimization of Structural Topologies" Materials 12, no. 7: 1152. https://doi.org/10.3390/ma12071152
APA StyleBochenek, B., & Tajs-Zielińska, K. (2019). GHOST—Gate to Hybrid Optimization of Structural Topologies. Materials, 12(7), 1152. https://doi.org/10.3390/ma12071152

