Application of Two-Photon-Absorption Pulsed Laser for Single-Event-Effects Sensitivity Mapping Technology
Abstract
1. Introduction
2. Materials and Methods
2.1. Ultrafast Laser Testing System Introduction
2.2. Maintenance and Verification for Testing System
2.2.1. Verification of Pulse Duration
2.2.2. Verification of Spot Size
2.2.3. Verification of Laser Energy
2.2.4. Verification of Temporal Control by Pockels Cell
2.2.5. Verification of Beam Scanner Module (BSM)
- it moves laser beam with high velocity while scanning the ROI;
- it moves the laser beam precisely inside the ROI;
- Since the stage is still, there is no physical vibration applied to the DUT.
2.3. SRAM Chip in the Testing
3. Results and Discussion
3.1. Threshold Energy for Generating Errors in Different Structure of SRAM
3.2. Energy Distribution along Z Axis
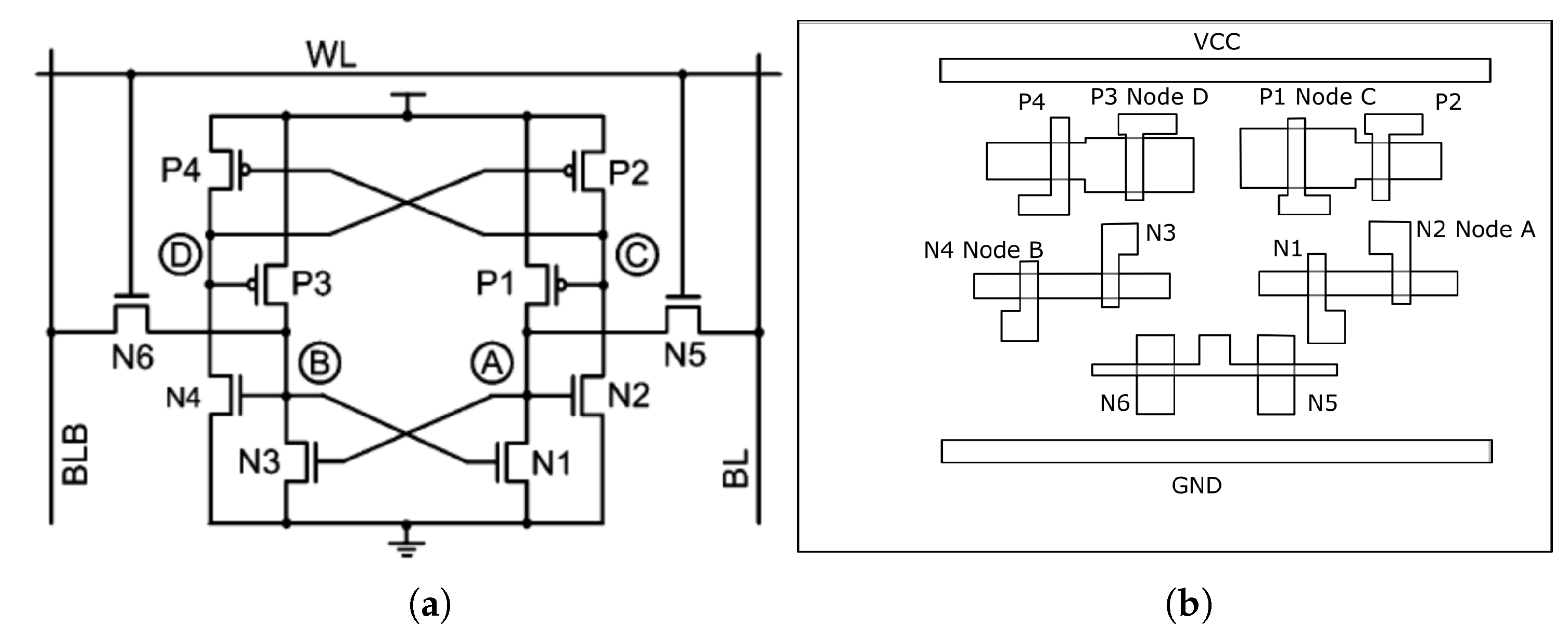
3.3. Sensitive Map and Simulation for Quatro Structure of SRAM
3.3.1. Sensitive Map of Quatro Structure
3.3.2. TFIT Simulation of Quatro Structure
4. Conclusions
Author Contributions
Funding
Conflicts of Interest
References
- Wallmark, J.T.; Marcus, S.M. Minimum Size and Maximum Packing Density of Nonredundant Semiconductor Devices. Proc. IRE 1962, 50, 286–298. [Google Scholar] [CrossRef]
- Binder, D.; Smith, E.C.; Holman, A.B. Satellite Anomalies from Galactic Cosmic Rays. IEEE Trans. Nucl. Sci. 1975, 22, 2675–2680. [Google Scholar] [CrossRef]
- Dodd, P.E.; Schwank, J.R.; Shaneyfelt, M.R.; Felix, J.A.; Paillet, P.; Ferlet-Cavrois, V.; Baggio, J.; Reed, R.A.; Warren, K.M.; Weller, R.A.; et al. Impact of Heavy Ion Energy and Nuclear Interactions on Single-Event Upset and Latchup in Integrated Circuits. IEEE Trans. Nucl. Sci. 2007, 54, 2303–2311. [Google Scholar] [CrossRef]
- Habing, D.H. The Use of Lasers to Simulate Radiation-Induced Transients in Semiconductor Devices and Circuits. IEEE Trans. Nucl. Sci. 1965, 12, 91–100. [Google Scholar] [CrossRef]
- Buchner, S.P.; Miller, F.; Pouget, V.; McMorrow, D.P. Pulsed-Laser Testing for Single-Event Effects Investigations. IEEE Trans. Nucl. Sci. 2013, 60, 1852–1875. [Google Scholar] [CrossRef]
- Khachatrian, A.; Roche, N.J.; McMorrow, D.; Warner, J.H.; Buchner, S.P.; Melinger, J.S. A Dosimetry Methodology for Two-Photon Absorption Induced Single-Event Effects Measurements. IEEE Trans. Nucl. Sci. 2014, 61, 3416–3423. [Google Scholar] [CrossRef]
- Yu, Y.T.; Han, J.W.; Feng, G.Q.; Cai, M.H.; Chen, R. Correction of Single Event Latchup Rate Prediction Using Pulsed Laser Mapping Test. IEEE Trans. Nucl. Sci. 2015, 62, 565–570. [Google Scholar] [CrossRef]
- Miller, F.; Buard, N.; Hubert, G.; Alestra, S.; Baudrillard, G.; Carriere, T.; Gaillard, R.; Palau, J.M.; Saigne, F.; Fouillat, P. Laser Mapping of SRAM Sensitive Cells: A Way to Obtain Input Parameters for DASIE Calculation Code. IEEE Trans. Nucl. Sci. 2006, 53, 1863–1870. [Google Scholar] [CrossRef]
- Chugg, A.M.; Burnell, A.J.; Moutrie, M.J.; Jones, R.; Harboe-SØrensen, R. Laser SEE Sensitivity Mapping of SRAM Cells. IEEE Trans. Nucl. Sci. 2007, 54, 2106–2112. [Google Scholar] [CrossRef]
- Pouget, V.; Fouillat, P.; Lewis, D.; Lapuyade, H.; Sarger, L.; Roche, F.M.; Duzellier, S.; Ecoffet, R. An overview of the applications of a pulsed laser system for SEU testing. In Proceedings of the 6th IEEE International On-Line Testing Workshop (Cat. No. PR00646), Palma de Mallorca, Spain, 3–5 July 2000; pp. 52–57. [Google Scholar] [CrossRef]
- McMorrow, D.; Lotshaw, W.T.; Melinger, J.S.; Buchner, S.; Boulghassoul, Y.; Massengill, L.W.; Pease, R.L. Three-dimensional mapping of single-event effects using two photon absorption. IEEE Trans. Nucl. Sci. 2003, 50, 2199–2207. [Google Scholar] [CrossRef]
- Palomo, F.R.; Mogollon, J.M.; Napoles, J.; Aguirre, M.A. Mixed-Mode Simulation of Bit-Flip With Pulsed Laser. IEEE Trans. Nucl. Sci. 2010, 57, 1884–1891. [Google Scholar] [CrossRef]
- Egorov, A.N.; Chumakov, A.I.; Mavritskiy, O.B.; Pechenkin, A.A.; Savchenkov, D.V.; Telets, V.A.; Yanenko, A.V. Femtosecond Laser Simulation Facility for SEE IC Testing. In Proceedings of the 2014 IEEE Radiation Effects Data Workshop (REDW), Paris, France, 14–18 July 2014; pp. 1–4. [Google Scholar] [CrossRef]
- Wang, T.; Wang, K.; Chen, L.; Dinh, A.; Bhuva, B.; Shuler, R. A RHBD LC-Tank Oscillator Design Tolerant to Single-Event Transients. IEEE Trans. Nucl. Sci. 2010, 57, 3620–3625. [Google Scholar] [CrossRef]
- Ladbury, R.L.; Benedetto, J.; McMorrow, D.; Buchner, S.P.; Label, K.A.; Berg, M.D.; Kim, H.S.; Sanders, A.B.; Friendlich, M.R.; Phan, A. TPA Laser and Heavy-Ion SEE Testing: Complementary Techniques for SDRAM Single-Event Evaluation. IEEE Trans. Nucl. Sci. 2009, 56, 3334–3340. [Google Scholar] [CrossRef]
- Buchner, S.; McMorrow, D.; Poivey, C.; Howard, J.; Boulghassoul, Y.; Massengill, L.W.; Pease, R.; Savage, M. Comparison of single-event transients induced in an operational amplifier (LM124) by pulsed laser light and a broad beam of heavy ions. IEEE Trans. Nucl. Sci. 2004, 51, 2776–2781. [Google Scholar] [CrossRef]
- Bristow, A.; Rotenberg, N.; Van Driel, H.M. Two-photon absorption and Kerr coefficients of silicon for 850–2200 nm. Appl. Phys. Lett. 2007, 90, 191104. [Google Scholar] [CrossRef]
- Van Stryland, E.W.; Vanherzeele, H.; Woodall, M.A.; Soileau, M.J.; Smirl, A.L.; Guha, S.; Boggess, T.F. Two Photon Absorption, Nonlinear Refraction, And Optical Limiting In Semiconductors. Opt. Eng. 1985, 24, 244613. [Google Scholar] [CrossRef]
- McMorrow, D.; Lotshaw, W.T.; Melinger, J.S.; Buchner, S.; Pease, R.L. Subbandgap laser-induced single event effects: carrier generation via two-photon absorption. IEEE Trans. Nucl. Sci. 2002, 49, 3002–3008. [Google Scholar] [CrossRef]
- McMorrow, D.; Buchner, S.; Lotshaw, W.; Melinger, J.S.; Maher, M.; Savage, M.W. Demonstration of single-event effects induced by through-wafer two-photon absorption. IEEE Trans. Nucl. Sci. 2005, 51, 3553–3557. [Google Scholar] [CrossRef]
- Watkins, A.; Gnawali, K.; Quinn, H. Single Event Effects Characterization Using a Single Photon Absorption Laser. In Proceedings of the 2018 IEEE AUTOTESTCON, National Harbor, MD, USA, 17–20 September 2018; pp. 1–4. [Google Scholar] [CrossRef]
- Kasap, S.O.; Pearson. Optoelectronics and Photonics: Principles and Practices; Pearson: Boston, MA, USA, 2013; Chapter 1; pp. 8, 20. [Google Scholar]
- Kanyogoro, N.; Buchner, S.; McMorrow, D.; Hughes, H.; Liu, M.S.; Hurst, A.; Carpasso, C. A New Approach for Single-Event Effects Testing With Heavy Ion and Pulsed-Laser Irradiation: CMOS/SOI SRAM Substrate Removal. IEEE Trans. Nucl. Sci. 2010, 57, 3414–3418. [Google Scholar] [CrossRef]
- Miller, F.; Buard, N.; Carriere, T.; Dufayel, R.; Gaillard, R.; Poirot, P.; Palau, J.; Sagnes, B.; Fouillat, P. Effects of beam spot size on the correlation between laser and heavy ion SEU testing. IEEE Trans. Nucl. Sci. 2004, 51, 3708–3715. [Google Scholar] [CrossRef]
- Darracq, F.; Lapuyade, H.; Buard, N.; Mounsi, F.; Foucher, B.; Fouillat, P.; Calvet, M.; Dufayel, R. Backside SEU laser testing for commercial off-the-shelf SRAMs. IEEE Trans. Nucl. Sci. 2002, 49, 2977–2983. [Google Scholar] [CrossRef]
- Tragardh, J.; Macrae, K.; Travis, C.; Armor, R.; Norris, G.; Wilson, S.H.; Oppo, G.L.; McConnell, G. A simple but precise method for quantitative measurement of the quality of the laser focus in a scanning optical microscope. J. Microsc. 2015, 259, 66–73. [Google Scholar] [CrossRef] [PubMed]
- Khosrofian, J.M.; Garetz, B.A. Measurement of a Gaussian laser beam diameter through the direct inversion of knife-edge data. Appl. Opt. 1983, 22, 3406–3410. [Google Scholar] [CrossRef]
- Arecchi, F.T. Measurement of the Statistical Distribution of Gaussian and Laser Sources. Phys. Rev. Lett. 1965, 15, 912–916. [Google Scholar] [CrossRef]
- Jahinuzzaman, S.M.; Rennie, D.J.; Sachdev, M. A Soft Error Tolerant 10T SRAM Bit-Cell With Differential Read Capability. IEEE Trans. Nucl. Sci. 2009, 56, 3768–3773. [Google Scholar] [CrossRef]
- Li, L. Soft Error Tolerant Design of Static Random Access Memory Bitcell. Master’s Thesis, Dalhousie University, Halifax Regional Municipality, NS, Canada, 2015. [Google Scholar]
- Li, Y.Q.; Wang, H.B.; Liu, R.; Chen, L.; Nofal, I.; Shi, S.T.; He, A.; Guo, G.; Baeg, S.H.; Wen, S.J.; et al. A Quatro-Based 65-nm Flip-Flop Circuit for Soft-Error Resilience. IEEE Trans. Nucl. Sci. 2017, 64, 1554–1561. [Google Scholar] [CrossRef]
- Li, Y.B.; Dai, X.X.; Wang, Y.; Chen, L.; Nofal, I.; Cai, L.; Shen, Z.; Sun, W.; Bi, J.; Li, B.; et al. A single event upset tolerant latch design. Microelectron. Reliab. 2018, 88–90, 909–913. [Google Scholar] [CrossRef]
- Li, Y.Q.; Wang, H.B.; Liu, R.; Chen, L.; Nofal, I.; Chen, Q.; He, A.; Guo, G.; Baeg, S.H.; Wen, S.; et al. A 65 nm Temporally Hardened Flip-Flop Circuit. IEEE Trans. Nucl. Sci. 2016, 63, 2934–2940. [Google Scholar] [CrossRef]











| Vitesse | RegA 9000 | OPA 9800 | |
|---|---|---|---|
| Pulse Duration (fs) | ∼95 | ∼140 | ∼200 |
| Location | Energy (pJ) | Address | Errors |
|---|---|---|---|
| (1,0) | 80 | 1038 | 1 |
| (1,1) | 80 | 1102 | 1 |
| (2,0) | 80 | 1039 | 1 |
| (2,1) | 80 | 1104 | 1 |
| SRAM Structure | Threshold Energy (pJ) | Error Rate of Pattern All 0 (%) | Number of Free Charge for Single Pulse (/cm3) |
|---|---|---|---|
| Traditional 6T | 30 | 0.012 | |
| Regular 11T | 50 | 0.001 | |
| LEAP 11T | 50 | 0.001 | |
| Quatro 10T | 70 | 0.0005 |
| Position Upwards (μm) | Threshold Energy (pJ) | Position Downwards (μm) | Threshold Energy (pJ) |
|---|---|---|---|
| 0 | 50 | 0 | 50 |
| +1 | 50 | −1 | 50 |
| +2 | 50 | −2 | 50 |
| +3 | 60 | −3 | 50 |
| +4 | 80 | −4 | 70 |
| +5 | 80 | −5 | 100 |
| +6 | 90 | −6 | 110 |
| +7 | 100 | ||
| +8 | 100 |
© 2019 by the authors. Licensee MDPI, Basel, Switzerland. This article is an open access article distributed under the terms and conditions of the Creative Commons Attribution (CC BY) license (http://creativecommons.org/licenses/by/4.0/).
Share and Cite
Gu, C.; Chen, R.; Belev, G.; Shi, S.; Tian, H.; Nofal, I.; Chen, L. Application of Two-Photon-Absorption Pulsed Laser for Single-Event-Effects Sensitivity Mapping Technology. Materials 2019, 12, 3411. https://doi.org/10.3390/ma12203411
Gu C, Chen R, Belev G, Shi S, Tian H, Nofal I, Chen L. Application of Two-Photon-Absorption Pulsed Laser for Single-Event-Effects Sensitivity Mapping Technology. Materials. 2019; 12(20):3411. https://doi.org/10.3390/ma12203411
Chicago/Turabian StyleGu, Cheng, Rui Chen, George Belev, Shuting Shi, Haonan Tian, Issam Nofal, and Li Chen. 2019. "Application of Two-Photon-Absorption Pulsed Laser for Single-Event-Effects Sensitivity Mapping Technology" Materials 12, no. 20: 3411. https://doi.org/10.3390/ma12203411
APA StyleGu, C., Chen, R., Belev, G., Shi, S., Tian, H., Nofal, I., & Chen, L. (2019). Application of Two-Photon-Absorption Pulsed Laser for Single-Event-Effects Sensitivity Mapping Technology. Materials, 12(20), 3411. https://doi.org/10.3390/ma12203411
