Comparison of Electrophysical Properties of PZT-Type Ceramics Obtained by Conventional and Mechanochemical Methods
Abstract
1. Introduction
2. Experiment
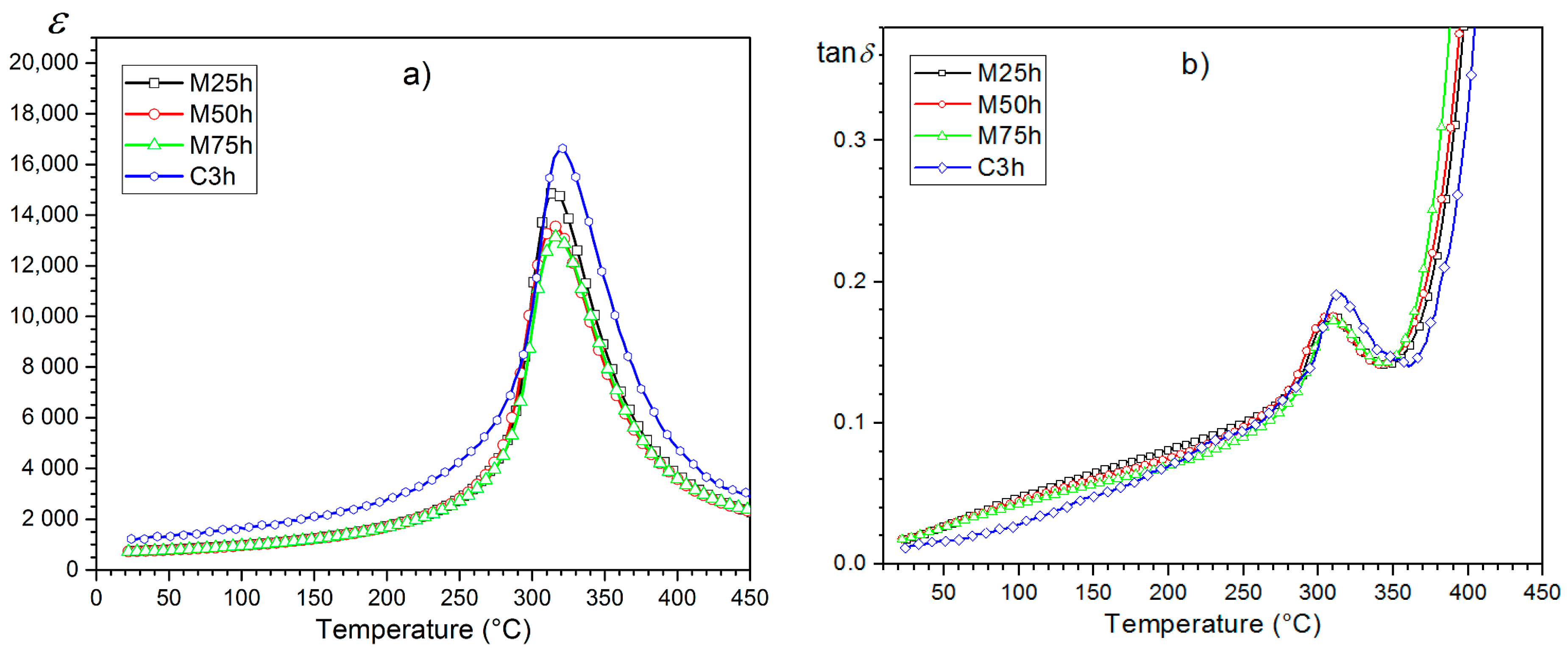
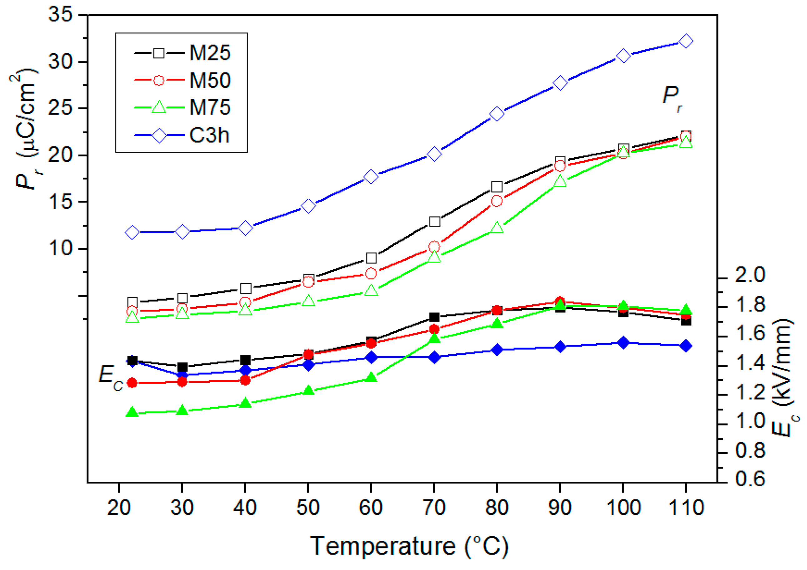
3. Results and Discussion
4. Conclusions
Author Contributions
Funding
Conflicts of Interest
References
- Uchino, K.; Giniewicz, J.R. Micromechatronics, 1st ed.; CRC Press: New York, NY, USA, 2003. [Google Scholar]
- Kim, B.G.; Cho, S.M.; Kim, T.Y.; Jang, H.M. Giant dielectric permittivity observed in Pb-based perovskite ferroelectrics. Phys. Rev. Lett. 2001, 86, 3404–3406. [Google Scholar] [CrossRef] [PubMed]
- Noheda, B.; Cox, D.E. Bridging phases at the morphotropic boundaries of lead oxide solid solutions. Phase Transit. 2006, 79, 5–20. [Google Scholar] [CrossRef]
- Li, J.; Sun, Q. Effects of Cr2O3 doping on the electrical properties and the temperature stabilities of PZT binary piezoelectric ceramics. Rare Met. 2008, 27, 362–366. [Google Scholar] [CrossRef]
- Chu, S.-Y.; Chen, T.-Y.; Tsai, I.-T.; Water, W. Doping effects of Nb additives on the piezoelectric and dielectric properties of PZT ceramics and its application on SAW device. Sens. Actuators A 2004, 113, 198–203. [Google Scholar] [CrossRef]
- Maiwa, H.; Kimura, O.; Shoji, K.; Ochiai, H. Low temperature sintering of PZT ceramics without additives via an ordinary ceramic route. J. Eur. Ceram. Soc. 2005, 25, 2383–2385. [Google Scholar] [CrossRef]
- Jo, W.; Dittmer, R.; Acosta, M.; Zang, J.; Groh, C.; Sapper, E.; Wang, K.; Rödel, J. Giant electric-field-induced strains in lead-free ceramics for actuator applications—status and perspective. J. Electroceram. 2012, 29, 71–93. [Google Scholar] [CrossRef]
- Prasatkhetragarn, A.; Yimnirun, R. Phase formation, electrical properties and morphotropic phase boundary of 0.95Pb(ZrxTi1-x)O3–0.05Pb(Mn1/3Nb2/3)O3 ceramics. Ceram. Int. 2013, 39, S91–S95. [Google Scholar] [CrossRef]
- Moulson, A.J.; Herbert, J.M. Electroceramics, Properties, Applications; Wiley–Interscience: New York, NY, USA, 2003. [Google Scholar]
- Ozaki, K.; Matin, A.; Numata, Y.; Akai, D.; Sawada, K.; Ishida, M. Fabrication and characterization of a smart epitaxial piezoelectric micromachined ultrasonic transducer. Mat. Sci. Eng. B 2014, 190, 41–46. [Google Scholar] [CrossRef]
- Sitko, R.; Zawisza, B.; Jurczyk, J.; Bochenek, D.; Płońska, M. Multielement XRF Semimicroanalysis of Pb(Zr,Ti)O3 type ferroelectric ceramic materials doped with Pb(Nb,Mn)O3 and Bi2O3 by the thin layer metod. Microchim. Acta 2004, 144, 9–15. [Google Scholar]
- Xu, Y. Ferroelectric Materials and Their Applications; North-Holland: Amsterdam, The Netherlands, 1991. [Google Scholar]
- Tzou, H.S.; Lee, H.-J.; Arnolod, S.M. Smart materials, precision sensors/actuators, smart structures, and structronic systems. Mech. Adv. Mater. Struc. 2014, 11, 367–393. [Google Scholar] [CrossRef]
- Zachariasz, R.; Bochenek, D. Properties of the PZT type ceramics admixed with barium and niobium. Arch. Metall. Mater. 2009, 54, 895–902. [Google Scholar]
- Boucher, E.; Guiffard, B.; Lebrun, L.; Guyomar, D. Effects of Zr/Ti ratio on structural, dielectric and piezoelectric properties of Mn- and (Mn, F)-doped lead zirconate titanate ceramics. Ceram. Int. 2006, 2, 479–485. [Google Scholar] [CrossRef]
- Yadav, K.L.; Sharma, P. Synthesis and characterization of Mn doped PZT ceramics. Indian J. Eng. Mater. Sci. 2008, 15, 61–67. [Google Scholar]
- Shrout, T.R.; Papet, P.; Kim, S.; Lee, G.-S. Conventionally prepared submicrometer lead-based perovskite powders by reactive calcination. J. Am. Ceram. Soc. 1990, 73, 1862–1867. [Google Scholar] [CrossRef]
- Mahmud, I.; Ur, S.-Ch.; Yoon, M.-S. Effect of high-energy milling process on microstructure and piezoelectric/dielectric properties of 0.99Pb(Zr0.53Ti0.47)O3-0.01BiYO3 ceramic for piezoelectric energy harvesting devices. Electron. Mater. Lett. 2014, 10, 223–228. [Google Scholar] [CrossRef]
- Miclea, C.; Tanasoiu, C.; Gheorghiu, A.; Miclea, C.F.; Tanasoiu, V. Synthesis and piezoelectric properties of nanocrystalline PZT-based ceramics prepared by high energy ball milling process. J. Mater. Sci. 2004, 39, 5431–5434. [Google Scholar] [CrossRef]
- Kong, L.B.; Ma, J.; Zhu, W.; Tan, O.K. Preparation of PMN–PT ceramics via a high-energy ball milling process. J. Alloys Compd. 2002, 336, 242–246. [Google Scholar] [CrossRef]
- Stojanovic, B.D.; Simoes, A.Z.; Paiva-Santos, C.O.; Jovalekic, C.; Mitic, V.V.; Varela, J.A. Mechanochemical synthesis of barium titanate. J. Eur. Ceram. Soc. 2005, 25, 1985–1989. [Google Scholar] [CrossRef]
- Maurya, D.; Thota, H.; Nalwa, K.S.; Garg, A. BiFeO3 ceramics synthesized by mechanical activation assisted versus conventional solid-state-reaction process: A comparative study. J. Alloys Compd. 2009, 477, 780–784. [Google Scholar] [CrossRef]
- Stojanovic, B.D. Mechanochemical synthesis of ceramic powders with perovskite structure. J. Mater. Process. Tech. 2003, 143, 78–81. [Google Scholar] [CrossRef]
- Khamman, O.; Sarakonsri, T.; Rujiwatra, A.; Laosiritaworn, Y.; Yimnirun, R.; Ananta, S. Effects of milling time and calcination condition on phase formation and particle size of lead zirconate nanopowders prepared by vibro-milling. J. Mater. Sci. 2007, 42, 8438–8446. [Google Scholar] [CrossRef]
- Liu, X.; Akdogan, E.K.; Safari, A.; Riman, R.E. Mechanically activated synthesis of PZT and its electromechanical properties. Appl. Phys. A 2005, 81, 531–537. [Google Scholar] [CrossRef]
- Xingsen, G.; Xue, J.; Wang, J. Mechanical activation-induced sequential combination, morphotric segregation and order/disorder transformation in Pb-based relaxors. Mater. Sci. Eng. 2003, B99, 63–69. [Google Scholar] [CrossRef]
- Kong, L.B.; Ma, J.; Zhang, R.F.; Zhu, W.; Tan, O.K. Lead zirconate titanate ceramics achieved by reaction sintering of PbO and high-energy ball milled (ZrTi)O2 nanosized powders. Mater. Lett. 2002, 55, 370–377. [Google Scholar] [CrossRef]
- Branković, Z.; Branković, G.; Jovalekić, Č.; Maniette, Y.; Cilense, M.; Varela, J.A. Mechanochemical synthesis of PZT powder. Mater. Sci. Eng. A 2003, 345, 243–248. [Google Scholar] [CrossRef]
- Bochenek, D.; Surowiak, Z. Influence of admixtures on the properties of biferroic Pb(Fe0.5Nb0.5)O3 ceramics. Phys. Status Solidi A 2009, 206, 2857–2865. [Google Scholar]
- Bochenek, D.; Niemiec, P.; Adamczyk, M.; Szafraniak-Wiza, I. Physical properties of lead-free BaFe1/2Nb1/2O3 ceramics obtained from mechanochemically synthesized powders. J. Mater. Sci. 2018, 53, 13501–13512. [Google Scholar] [CrossRef]
- Bochenek, D.; Niemiec, P.; Skulski, R.; Adamczyk, M.; Brzezińska, D. Electrophysical properties of the multicomponent PBZT-type ceramics doped by Sn4+. J. Electroceram. 2019, 42, 17–30. [Google Scholar] [CrossRef]












| Parameter | C3h | M25h | M50h | M75h |
|---|---|---|---|---|
| ρDC at Tr (Ωm) | 3.98 × 109 | 8.45 × 107 | 7.15 × 109 | 4.70 × 108 |
| EAct in I (eV) | 0.46 | 0.13 | 0.49 | 0.47 |
| EAct in II (eV) | 0.94 | 0.87 | 0.87 | 0.92 |
| TC (°C) | 320 | 315 | 316 | 316 |
| εr at RT | 1227 | 745 | 727 | 726 |
| εmax at TC | 16,629 | 14,931 | 13,541 | 13,140 |
| tanδ at RT | 0.011 | 0.018 | 0.018 | 0.017 |
| tanδ at TC | 0.182 | 0.173 | 0.169 | 0.170 |
| Pr (μC/cm2) at RT | 11.80 | 4.35 | 3.33 | 2.60 |
| Ec (kV/mm) at RT | 1.43 | 1.43 | 1.28 | 1.08 |
| kp | 0.47 | 0.45 | 0.43 | 0.41 |
| d31 (pC/N) | 52.23 | 52.71 | 54.38 | 44.10 |
| g31 × 10−3 (Vm/N) | 8.00 | 7.37 | 7.68 | 6.48 |
| Qm | 219 | 235 | 334 | 497 |
| d33 (pC/N) | 262 | 149 | 147 | 143 |
© 2019 by the authors. Licensee MDPI, Basel, Switzerland. This article is an open access article distributed under the terms and conditions of the Creative Commons Attribution (CC BY) license (http://creativecommons.org/licenses/by/4.0/).
Share and Cite
Bochenek, D.; Niemiec, P.; Szafraniak-Wiza, I.; Dercz, G. Comparison of Electrophysical Properties of PZT-Type Ceramics Obtained by Conventional and Mechanochemical Methods. Materials 2019, 12, 3301. https://doi.org/10.3390/ma12203301
Bochenek D, Niemiec P, Szafraniak-Wiza I, Dercz G. Comparison of Electrophysical Properties of PZT-Type Ceramics Obtained by Conventional and Mechanochemical Methods. Materials. 2019; 12(20):3301. https://doi.org/10.3390/ma12203301
Chicago/Turabian StyleBochenek, Dariusz, Przemysław Niemiec, Izabela Szafraniak-Wiza, and Grzegorz Dercz. 2019. "Comparison of Electrophysical Properties of PZT-Type Ceramics Obtained by Conventional and Mechanochemical Methods" Materials 12, no. 20: 3301. https://doi.org/10.3390/ma12203301
APA StyleBochenek, D., Niemiec, P., Szafraniak-Wiza, I., & Dercz, G. (2019). Comparison of Electrophysical Properties of PZT-Type Ceramics Obtained by Conventional and Mechanochemical Methods. Materials, 12(20), 3301. https://doi.org/10.3390/ma12203301

