Consolidation Modeling during Thermoforming of Thermoplastic Composite Prepregs
Abstract
1. Introduction
2. Viscoelastic Characterization for Compaction Behavior
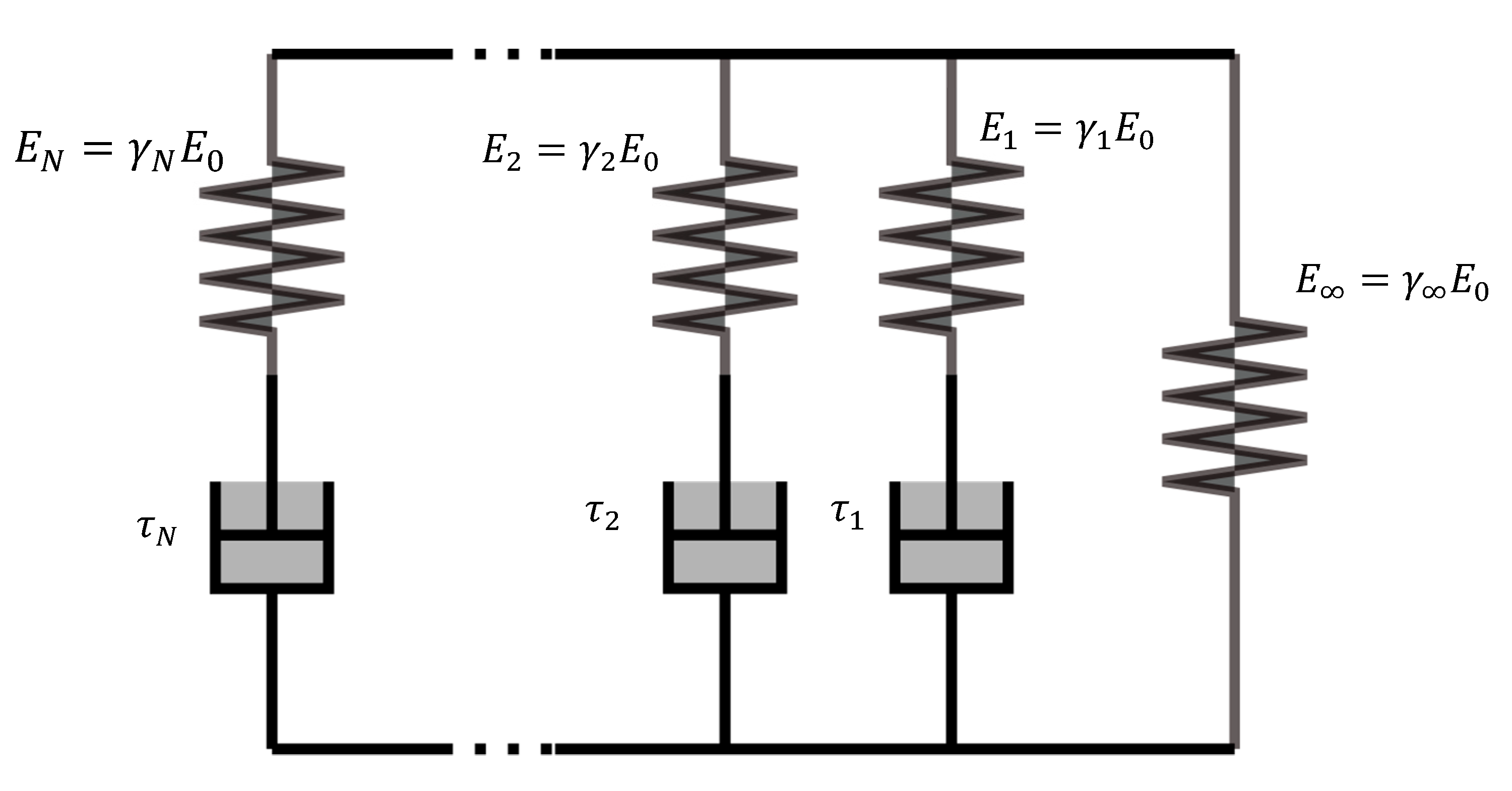
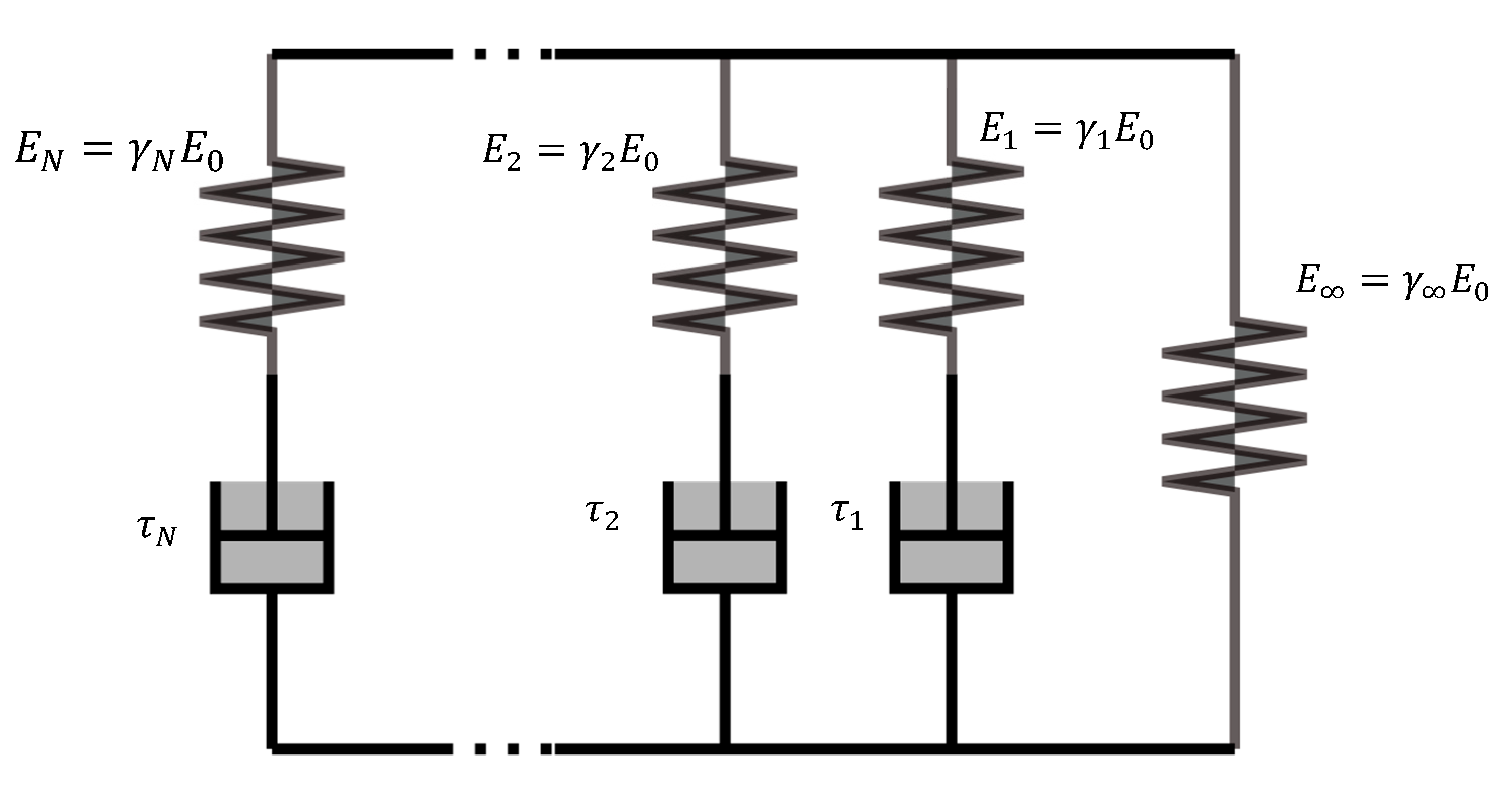
2.1. Viscoelastic Model for Compaction Behavior
3. Prediction of the Consolidation Level
3.1. Intimate Contact Model
3.2. A Time Discrete Approach
3.3. Remark on Consolidation and Crystallisation
4. Compaction Tests at a High Temperature
4.1. Material
4.2. Experimental Set-up
4.3. Experimental Conditions
4.4. Experimental Results
5. F.E. Simulations of Thermoforming
5.1. Prismatic Solid Shell Finite Element Model
5.2. Simulation of Compaction Tests
5.3. Thermoforming Simulation of a Double Dome
5.4. Remark Concerning the Type of Element and The Finite Element Software
6. Conclusions
Author Contributions
Funding
Conflicts of Interest
Appendix A. Strain Energy Functions Associated with Each Deformation Mode
A.1. Elongation Strain Energy
A.2. Bending Strain Energy
A.3. In-plane Shear Strain Energy
Appendix B. List of Symbols
| Nomenclature | |||
| List of definition | |||
| /S | Second Piola-Kirchoff stress tensor | Papp | Applied pressure |
| /C | Right Cauchy-Green strain tensor | a, b, w | Dimension parameters |
| w | Internal potential energy | D | Degree of intimate contact |
| /F | Deformation gradient tensor | η | Matrix viscosity |
| I1, I2, I3… In | Invariants | k1, k2 | Geometric ratios |
| Aelong1, Aelong2 | Parameter A related to elongation mode in warp, weft direction | A0, An, An+1 | Parameter A at initial state, before, after nth time increment |
| Aχ1, Aχ2 | Parameter A related to bending mode in warp, weft direction | Ashear, Acomp | Parameter A related to in-plane shearing mode, and compression mode |
| T | Temperature | External, internal and inertial work | |
| Ei | Young’s modulus of spring element i | Virtual displacement vector | |
| Viscosity of dashpot i | u, | Displacement and acceleration vectors | |
| τi | Relaxation time | Exterior and interior load vectors | |
| γi | Relative weight | Superscript α | Index related to bending, membrane, or pinching deformation |
| Stress-like internal variable | σ | Cauchy stress tensor | |
| Algorithmic solution of Q | B | Strain interpolation matrix | |
| Dk, Ci | Polynomial parameters | Ωe | Volume of element |
| ψ | Free energy function | T1, T2 | Tensile stiffness in two directions of yarn |
| tn, tn+1 | Times at the beginning and end of the nth time increment | Mχ1, Mχ2 | Bending moments in two directions of yarn |
| Δtn | nth time increment | B1, B2 | Material parameters related to bending |
| α, β | Thermo-dependent parameters | ||
References
- Fuchs, E.R.H.; Field, F.R.; Roth, R.; Kirchain, R.E. Strategic materials selection in the automobile body: Economic opportunities for polymer composite design. Compos. Sci. Technol. 2008, 68, 1989–2002. [Google Scholar] [CrossRef]
- Mallick, P.K. Thermoplastics and thermoplastic-matrix composites for lightweight automotive structures. In Materials, Design and Manufacturing for Lightweight Vehicles; Woodhead Publishing: Cambridge, UK, 2010; pp. 174–207. [Google Scholar]
- Friedrich, K.; Almajid, A.A. Manufacturing aspects of advanced polymer composites for automotive applications. Appl. Compos. Mater. 2013, 20, 107–128. [Google Scholar] [CrossRef]
- Friedrich, K.; Hou, M.; Krebs, J. Thermoforming of continuous fibre/thermoplastic composite sheets. Compos. Mater. Ser. 1997, 11, 91–162. [Google Scholar]
- Haanappel, S.P.; Ten Thije, R.H.W.; Sachs, U.; Rietman, B.; Akkerman, R. Formability analyses of uni-directional and textile reinforced thermoplastics. Compos. Part A Appl. Sci. Manuf. 2014, 56, 80–92. [Google Scholar] [CrossRef]
- Lessard, H.; Lebrun, G.; Benkaddour, A.; Pham, X.T. Influence of process parameters on the thermostamping of a [0/90] 12 carbon/polyether ether ketone laminate. Compos. Part A Appl. Sci. Manuf. 2015, 70, 59–68. [Google Scholar] [CrossRef]
- Gnaba, I.; Wang, P.; Soulat, D.; Omrani, F.; Ferreira, M.; Vroman, P. Investigation about the effect of manufacturing parameters on the mechanical behaviour of natural fibre nonwovens reinforced thermoplastic composites. Materials 2019, 12, 2560. [Google Scholar] [CrossRef]
- De Luca, P.; Lefébure, P.; Pickett, A.K. Numerical and experimental investigation of some press forming parameters of two fibre reinforced thermoplastics: APC2-AS4 and PEI-CETEX. Compos. Part A Appl. Sci. Manuf. 1998, 29, 101–110. [Google Scholar] [CrossRef]
- Boisse, P. Finite element analysis of composite forming. In Composites Forming Technologies; Woodhead Publishing: Cambridge, UK, 2007; pp. 46–79. [Google Scholar]
- Hsiao, S.W.; Kikuchi, N. Numerical analysis and optimal design of composite thermoforming process. Comput. Methods Appl. Mech. Eng. 1999, 177, 1–34. [Google Scholar] [CrossRef]
- Guzman-Maldonado, E.; Hamila, N.; Boisse, P.; Bikard, J. Thermomechanical analysis, modelling and simulation of the forming of pre-impregnated thermoplastics composites. Compos. Part A Appl. Sci. Manuf. 2015, 78, 211–222. [Google Scholar] [CrossRef]
- Guzman-Maldonado, E.; Hamila, N.; Naouar, N.; Moulin, G.; Boisse, P. Simulation of thermoplastic prepreg thermoforming based on a visco-hyperelastic model and a thermal homogenization. Mater. Des. 2016, 93, 431–442. [Google Scholar] [CrossRef]
- Jauffrès, D.; Morris, C.D.; Sherwood, J.A.; Chen, J. Simulation of the thermostamping of woven composites: Mesoscopic modelling using explicit FEA codes. Int. J. Mater. Form. 2009, 2, 173–176. [Google Scholar] [CrossRef]
- Harrison, P.; Gomes, R.; Curado-Correia, N. Press forming a 0/90 cross-ply advanced thermoplastic composite using the double-dome benchmark geometry. Compos. Part A Appl. Sci. Manuf. 2013, 54, 56–69. [Google Scholar] [CrossRef]
- Sherwood, J.A.; Fetfatsidis, K.A.; Gorczyca, J.L.; Berger, L. Fabric thermostamping in polymer matrix composites. In Manufacturing Techniques for Polymer Matrix Composites (PMCs); Woodhead Publishing: Cambridge, UK, 2012; pp. 139–181. [Google Scholar]
- Gong, Y.; Peng, X.; Yao, Y.; Guo, Z. An anisotropic hyperelastic constitutive model for thermoplastic woven composite prepregs. Compos. Sci. Technol. 2016, 128, 17–24. [Google Scholar] [CrossRef]
- Machado, M.; Fischlschweiger, M.; Major, Z. A rate-dependent non-orthogonal constitutive model for describing shear behaviour of woven reinforced thermoplastic composites. Compos. Part A Appl. Sci. Manuf. 2016, 80, 194–203. [Google Scholar] [CrossRef]
- Dörr, D.; Henning, F.; Kärger, L. Nonlinear hyperviscoelastic modelling of intra-ply deformation behaviour in finite element forming simulation of continuously fibre-reinforced thermoplastics. Compos. Part A Appl. Sci. Manuf. 2018, 109, 585–596. [Google Scholar] [CrossRef]
- Slange, T.K.; Grouve, W.J.B.; Warnet, L.L.; Wijskamp, S.; Akkerman, R. Towards the combination of automated lay-up and stamp forming for consolidation of tailored composite components. Compos. Part A Appl. Sci. Manuf. 2019, 119, 165–175. [Google Scholar] [CrossRef]
- Nixon-Pearson, O.J.; Belnoue, J.P.H.; Ivanov, D.S.; Potter, K.D.; Hallett, S.R. An experimental investigation of the consolidation behaviour of uncured prepregs under processing conditions. J. Compos. Mater. 2017, 51, 1911–1924. [Google Scholar] [CrossRef]
- Dell’Anna, R.; Lionetto, F.; Montagna, F.; Maffezzoli, A. Lay-Up and Consolidation of a Composite Pipe by In Situ Ultrasonic Welding of a Thermoplastic Matrix Composite Tape. Materials 2018, 11, 786. [Google Scholar] [CrossRef] [PubMed]
- Amirkhosravi, M.; Pishvar, M.; Cengiz Altan, M. Fabricating high-quality VARTM laminates by magnetic consolidation: Experiments and process model. Compos. Part A Appl. Sci. Manuf. 2018, 114, 398–406. [Google Scholar] [CrossRef]
- Patou, J.; Bonnaire, R.; De Luycker, E.; Bernhart, G. Influence of consolidation process on voids and mechanical properties of powdered and commingled carbon/PPS laminates. Compos. Part A Appl. Sci. Manuf. 2019, 117, 260–275. [Google Scholar] [CrossRef]
- Michaud, V.; Tornqvist, R.; Manson, J.-A.E. Impregnation of Compressible Fiber Mats with a Thermoplastic Resin. Part II: Experiments. J. Compos. Mater. 2001, 35, 1174–1200. [Google Scholar] [CrossRef]
- Long, A.C.; Wilks, C.E.; Rudd, C.D. Experimental characterisation of the consolidation of a commingled glass/polypropylene composite. Compos. Sci. Technol. 2001, 61, 1591–1603. [Google Scholar] [CrossRef]
- Helmus, R.; Hinterhölzl, R.; Hubert, P. A stochastic approach to model material variation determining tow impregnation in out-of-autoclave prepreg consolidation. Compos. Part A Appl. Sci. Manuf. 2015, 77, 293–300. [Google Scholar] [CrossRef]
- Helmus, R.; Centea, T.; Hubert, P.; Hinterhölzl, R. Out-of-autoclave prepreg consolidation: Coupled air evacuation and prepreg impregnation modeling. J. Compos. Mater. 2016, 50, 1403–1413. [Google Scholar] [CrossRef]
- Lionetto, F.; Dell’Anna, R.; Montagna, F.; Maffezzoli, A. Modeling of continuous ultrasonic impregnation and consolidation of thermoplastic matrix composites. Compos. Part A Appl. Sci. Manuf. 2016, 82, 119–129. [Google Scholar] [CrossRef]
- Wysocki, M.; Toll, S.; Larsson, R.; Asp, L.E. Anisotropic and tension-compression asymmetric model for composites consolidation. Compos. Part A Appl. Sci. Manuf. 2010, 41, 284–294. [Google Scholar] [CrossRef]
- Gutowski, T.G.; Dillon, G.; Chey, S.; Li, H. Laminate wrinkling scaling laws for ideal composites. Compos. Manuf. 1995, 6, 123–134. [Google Scholar] [CrossRef]
- Dodwell, T.J.; Butler, R.; Hunt, G.W. Out-of-plane ply wrinkling defects during consolidation over an external radius. Compos. Sci. Technol. 2014, 105, 151–159. [Google Scholar] [CrossRef]
- Belnoue, J.P.-H.; Nixon-Pearson, O.J.; Thompson, A.J.; Ivanov, D.S.; Potter, K.D.; Hallett, S.R. Consolidation-Driven Defect Generation in Thick Composite Parts. J. Manuf. Sci. Eng. 2018, 140, 071006. [Google Scholar] [CrossRef]
- Springer, G.S. Resin Flow During the Cure of Fiber Reinforced Composites. J. Compos. Mater. 1982, 16, 400–410. [Google Scholar] [CrossRef]
- Loos, A.C.; Springer, G.S. Curing of Epoxy Matrix Composites. J. Compos. Mater. 1983, 17, 135–169. [Google Scholar] [CrossRef]
- Dave, R.; Kardos, J.L.; Duduković, M.P. A model for resin flow during composite processing: Part 1—General mathematical development. Polym. Compos. 1987, 8, 29–38. [Google Scholar] [CrossRef]
- Kelly, P.A.; Umer, R.; Bickerton, S. Viscoelastic response of dry and wet fibrous materials during infusion processes. Compos. Part A Appl. Sci. Manuf. 2006, 37, 868–873. [Google Scholar] [CrossRef]
- Kelly, P.A. A viscoelastic model for the compaction of fibrous materials. J. Text. Inst. 2011, 102, 689–699. [Google Scholar] [CrossRef]
- Gutowski, T.G.; Cai, Z.; Bauer, S.; Boucher, D.; Kingery, J.; Wineman, S. Consolidation Experiments for Laminate Composites. J. Compos. Mater. 1987, 21, 650–669. [Google Scholar] [CrossRef]
- Gu, Y.; Li, M.; Zhang, Z.; Sun, Z. Numerical simulation and experimental study on consolidation of toughened epoxy resin composite laminates. J. Compos. Mater. 2006, 40, 2257–2277. [Google Scholar] [CrossRef]
- Hagège, B.; Boisse, P.; Billoët, J.-L. Finite element analyses of knitted composite reinforcement at large strain. Rev. Eur. Éléments Finis 2005, 14, 767–776. [Google Scholar] [CrossRef]
- Rogers, T.G. Squeezing flow of fibre-reinforced viscous fluids. J. Eng. Math. 1989, 23, 81–89. [Google Scholar] [CrossRef]
- Kaprielian, P.V.; O’Neill, J.M. Shearing flow of highly anisotropic laminated composites. Composites 1989, 20, 43–47. [Google Scholar] [CrossRef]
- Balasubramanyam, R.; Jones, R.S.; Wheeler, A.B. Modelling transverse flows of reinforced thermoplastic materials. Composites 1989, 20, 33–37. [Google Scholar] [CrossRef]
- Wang, E.L.; Gutowski, T.G. Laps and gaps in thermoplastic composites processing. Compos. Manuf. 1991, 2, 69–78. [Google Scholar] [CrossRef]
- Shuler, S.F.; Advani, S.G. Transverse squeeze flow of concentrated aligned fibers in viscous fluids. J. Nonnewton Fluid Mech. 1996, 65, 47–74. [Google Scholar] [CrossRef]
- Belnoue, J.P.H.; Nixon-Pearson, O.J.; Ivanov, D.; Hallett, S.R. A novel hyper-viscoelastic model for consolidation of toughened prepregs under processing conditions. Mech. Mater. 2016, 97, 118–134. [Google Scholar] [CrossRef]
- Nguyen, Q.T.; Vidal-Sallé, E.; Boisse, P.; Park, C.H.; Saouab, A.; Bréard, J.; Hivet, G. Mesoscopic scale analyses of textile composite reinforcement compaction. Compos. Part B Eng. 2013, 44, 231–241. [Google Scholar] [CrossRef]
- Zou, H.; Yin, W.; Cai, C.; Wang, B.; Liu, A.; Yang, Z.; Li, Y.; He, X. The Out-of-Plane Compression Behavior of Cross-Ply AS4/PEEK Thermoplastic Composite Laminates at High Strain Rates. Materials 2018, 11, 2312. [Google Scholar] [CrossRef] [PubMed]
- Van West, B.P.; Pipes, R.B.; Advani, S.G. The consolidation of commingled thermoplastic fabrics. Polym. Compos. 1991, 12, 417–427. [Google Scholar] [CrossRef]
- Bernet, N.; Michaud, V.; Bourban, P.E.; Manson, J.A.E. Impregnation model for the consolidation of thermoplastic composites made from commingled yarns. J. Compos. Mater. 1999, 33, 751–772. [Google Scholar] [CrossRef]
- Lee, W.I.; Springer, G.S. A Model of the Manufacturing Process of Thermoplastic Matrix Composites. J. Compos. Mater. 1987, 21, 1017–1055. [Google Scholar] [CrossRef]
- Phillips, R.; Akyüz, D.A.; Månson, J.A.E. Prediction of the consolidation of woven fibre-reinforced thermoplastic composites. Part I. Isothermal case. Compos. Part A Appl. Sci. Manuf. 1998, 29, 395–402. [Google Scholar] [CrossRef]
- Mantell, S.C.; Springer, G.S. Manufacturing Process Models for Thermoplastic Composites. J. Compos. Mater. 1992, 26, 2348–2377. [Google Scholar] [CrossRef]
- Bickerton, S.; Buntain, M.J.; Somashekar, A.A. The viscoelastic compression behavior of liquid composite molding preforms. Compos. Part A Appl. Sci. Manuf. 2003, 34, 431–444. [Google Scholar] [CrossRef]
- Hubert, P.; Poursartip, A. Method for the direct measurement of the fibre bed compaction curve of composite prepregs. Compos. Part A Appl. Sci. Manuf. 2001, 32, 179–187. [Google Scholar] [CrossRef]
- Dörr, D.; Schirmaier, F.J.; Henning, F.; Kärger, L. A viscoelastic approach for modeling bending behavior in finite element forming simulation of continuously fiber reinforced composites. Compos. Part A Appl. Sci. Manuf. 2017, 94, 113–123. [Google Scholar] [CrossRef]
- Harrison, P.; Yu, W.R.; Long, A.C. Rate dependent modelling of the forming behaviour of viscous textile composites. Compos. Part A Appl. Sci. Manuf. 2011, 42, 1717–1726. [Google Scholar] [CrossRef]
- Boisse, P.; Hamila, N.; Helenon, F.; Hagège, B.; Cao, J. Different approaches for woven composite reinforcement forming simulation. Int. J. Mater. Form. 2008, 1, 21–29. [Google Scholar] [CrossRef]
- Ciarlet, P. Mechanical Elasticity: Three Dimensional Elasticity; Elsevier: Amsterdam, The Netherlands, 1988. [Google Scholar]
- Zhang, J.M.; Rychlewski, J. Structural tensors for anisotropic solids. Arch. Mech. 1990, 42, 267–277. [Google Scholar]
- Charmetant, A.; Orliac, J.G.; Vidal-Sallé, E.; Boisse, P. Hyperelastic model for large deformation analyses of 3D interlock composite preforms. Compos. Sci. Technol. 2012, 72, 1352–1360. [Google Scholar] [CrossRef]
- Mathieu, S.; Hamila, N.; Bouillon, F.; Boisse, P. Enhanced modeling of 3D composite preform deformations taking into account local fiber bending stiffness. Compos. Sci. Technol. 2015, 117, 322–333. [Google Scholar] [CrossRef]
- Naouar, N.; Vidal-Salle, E.; Schneider, J.; Maire, E.; Boisse, P. 3D composite reinforcement meso FE analyses based on X-ray computed tomography. Compos. Struct. 2015, 132, 1094–1104. [Google Scholar] [CrossRef]
- Criscione, C.J.; Douglas, A.S.; Hunter, W.C. Physically based strain invariant set for materials exhibiting transversely isotropic behavior. J. Mech. Phys. Solids 2001, 49, 871–897. [Google Scholar] [CrossRef]
- Liang, B.; Hamila, N.; Peillon, M.; Boisse, P. Analysis of thermoplastic prepreg bending stiffness during manufacturing and of its influence on wrinkling simulations. Compos. Part A Appl. Sci. Manuf. 2014, 67, 111–122. [Google Scholar] [CrossRef]
- Simo, J.; Hughes, T. Computational Inelasticity; Springer: New York, NY, USA, 1998. [Google Scholar]
- Dara, P.H.; Loos, A.C. Thermoplastic Matrix Composite Processing Model; Report CCMS-85-10, VPI-E-85-21; Center for Composite Materials and Structures, Virginia Polytechnic Institute and State University: Blacksburg, VA, USA, 1985. [Google Scholar]
- Bersee, H.E.N.; Beukers, A. Consolidation of thermoplastic composites. J. Thermoplast. Compos. Mater. 2003, 16, 433–455. [Google Scholar] [CrossRef]
- Levy, A.; Heider, D.; Tierney, J.; Gillespie, J.W. Inter-layer thermal contact resistance evolution with the degree of intimate contact in the processing of thermoplastic composite laminates. J. Compos. Mater. 2014, 48, 491–503. [Google Scholar] [CrossRef]
- Sonmez, F.O.; Hahn, H.T. Modeling of heat transfer and crystallization in thermoplastic composite tape placement process. J. Thermoplast. Compos. Mater. 1997, 10, 198–240. [Google Scholar] [CrossRef]
- Yang, F.; Pitchumani, R. A fractal Cantor set based description of interlaminar contact evolution during thermoplastic composites processing. J. Mater. Sci. 2001, 36, 4661–4671. [Google Scholar] [CrossRef]
- Gruber, M.B.; Lockwood, I.Z.; Dolan, T.L.; Funck, S.B.; Tierney, J.J.; Simacek, P.; Gillespie, J.W., Jr.; Advani, S.G.; Jensen, B.J.; Cano, R.J.; et al. Thermoplastic in situ placement requires better impregnated tapes and tows. In Proceedings of the International SAMPE Technical Conference, North Charleston, SC, USA, 22–25 October 2012. [Google Scholar]
- Streeter, V.L.; Wylie, E.B. Fluid Mechanics; McGraw-Hill: New York, NY, USA, 1975. [Google Scholar]
- Cartledge, H.C.Y.; Baillie, C.A. Studies of microstructural and mechanical properties of nylon/glass composite—Part II—The effect of microstructures on mechanical and interfacial properties. J. Mater. Sci. 1999, 34, 5113–5126. [Google Scholar] [CrossRef]
- Quan, H.; Li, Z.M.; Yang, M.B.; Huang, R. On transcrystallinity in semi-crystalline polymer composites. Compos. Sci. Technol. 2005, 65, 999–1021. [Google Scholar] [CrossRef]
- Nakamura, K.; Watanabe, T.; Katayama, K.; Amano, T. Some aspects of nonisothermal crystallization of polymers. I. Relationship between crystallization temperature, crystallinity and cooling conditions. J. Appl. Polym. Sci. 1972, 6, 1077–1092. [Google Scholar] [CrossRef]
- Sonmez, F.O.; Eyol, E. Optimal post-manufacturing cooling paths for thermoplastic composites. Compos. Part A Appl. Sci. Manuf. 2002, 33, 301–314. [Google Scholar] [CrossRef]
- Di Lorenzo, M.L.; Silvestre, C. Non-isothermal crystallization of polymers. Prog. Polym. Sci. 1999, 24, 917–950. [Google Scholar] [CrossRef]
- Ijaz, M.; Robinson, M.; Gibson, A.G. Cooling and crystallisation behaviour during vacuum-consolidation of commingled thermoplastic composites. Compos. Part A Appl. Sci. Manuf. 2007, 38, 828–842. [Google Scholar] [CrossRef]
- Kim, K.J.; Yu, W.R.; Harrison, P. Optimum consolidation of self-reinforced polypropylene composite and its time-dependent deformation behavior. Compos. Part A Appl. Sci. Manuf. 2008, 39, 1597–1605. [Google Scholar] [CrossRef]
- Robitaille, F.; Gauvin, R. Compaction of textile reinforcements for composites manufacturing. I: Review of experimental results. Polym. Compos. 1998, 19, 198–216. [Google Scholar] [CrossRef]
- Marquardt, D.W. An Algorithm for Least-Squares Estimation of Nonlinear Parameters. J. Soc. Ind. Appl. Math. 1963, 11, 431–441. [Google Scholar] [CrossRef]
- Gereke, T.; Döbrich, O.; Hübner, M.; Cherif, C. Experimental and computational composite textile reinforcement forming: A review. Compos. Part A Appl. Sci. Manuf. 2013, 46, 1–10. [Google Scholar] [CrossRef]
- Bussetta, P.; Correia, N. Numerical forming of continuous fibre reinforced composite material: A review. Compos. Part A Appl. Sci. Manuf. 2018, 113, 12–31. [Google Scholar] [CrossRef]
- Skordos, A.A.; Monroy Aceves, C.; Sutcliffe, M.P.F. A simplified rate dependent model of forming and wrinkling of pre-impregnated woven composites. Compos. Part A Appl. Sci. Manuf. 2007, 38, 1318–1330. [Google Scholar] [CrossRef]
- D’Agostino, M.V.; Giorgio, I.; Greco, L.; Madeo, A.; Boisse, P. Continuum and discrete models for structures including (quasi-) inextensible elasticae with a view to the design and modeling of composite reinforcements. Int. J. Solids Struct. 2015, 59, 1–17. [Google Scholar] [CrossRef]
- Zouari, B.; Daniel, J.L.; Boisse, P. A woven reinforcement forming simulation method. Influence of the shear stiffness. Comput. Struct. 2006, 84, 351–363. [Google Scholar] [CrossRef]
- Hamila, N.; Boisse, P. A meso-macro three node finite element for draping of textile composite preforms. Appl. Compos. Mater. 2007, 14, 235–250. [Google Scholar] [CrossRef]
- Hamila, N.; Boisse, P.; Sabourin, F.; Brunet, M. A semi-discrete shell finite element for textile composite reinforcement forming simulation. Int. J. Numer. Methods Eng. 2009, 79, 1443–1466. [Google Scholar] [CrossRef]
- Xiong, H.; Guzman Maldonado, E.; Hamila, N.; Boisse, P. A prismatic solid-shell finite element based on a DKT approach with efficient calculation of through the thickness deformation. Finite Elem. Anal. Des. 2018, 151, 18–33. [Google Scholar] [CrossRef]
- Belytschko, T.; Liu, W.K.; Moran, B.; Elkhodary, K. Nonlinear Finite Elements for Continua and Structures; John Wiley & Sons: Hoboken, NJ, USA, 2013. [Google Scholar]
- Software PLASFIB. Inter Deposit Certification; Agence pour la Protection des Programmes: Paris, France, 2011. [Google Scholar]
- Khan, M.A.; Mabrouki, T.; Vidal-Sallé, E.; Boisse, P. Numerical and experimental analyses of woven composite reinforcement forming using a hypoelastic behaviour. Application to the double dome benchmark. J. Mater. Process. Technol. 2010, 201, 378–388. [Google Scholar] [CrossRef]
- Sargent, J.; Chen, J.; Sherwood, J.; Cao, J.; Boisse, P.; Willem, A.; Vanclooster, K.; Lomov, S.V.; Khan, M.; Mabrouki, T.; et al. Benchmark study of finite element models for simulating the thermostamping of woven-fabric reinforced composites. Int. J. Mater. Form. 2010, 3, 683–686. [Google Scholar] [CrossRef]
- Lee, W.; Um, M.K.; Byun, J.H.; Boisse, P.; Cao, J. Numerical study on thermo-stamping of woven fabric composites based on double-dome stretch forming. Int. J. Mater. Form. 2010, 3, 1217–1227. [Google Scholar] [CrossRef]
- Aridhi, A.; Arfaoui, M.; Mabrouki, T.; Naouar, N.; Denis, Y.; Zarroug, M.; Boisse, P. Textile composite structural analysis taking into account the forming process. Compos. Part B Eng. 2019, 166, 773–784. [Google Scholar] [CrossRef]
- Peng, X.; Rehman, Z.U. Textile composite double dome stamping simulation using a non-orthogonal constitutive model. Compos. Sci. Technol. 2011, 7, 1075–1081. [Google Scholar] [CrossRef]
- Willems, A.; Lomov, S.V.; Verpoest, I.; Vandepitte, D.; Harrison, P.; Yu, W.R. Forming simulation of a thermoplastic commingled woven textile on a double dome. Int. J. Mater. Form. 2008, 1, 965–968. [Google Scholar] [CrossRef][Green Version]
- Abaqus 6.14 Theory Manual; Dassault Systèmes Simulia Corp.: Johnston, RI, USA, 2014; Available online: https://www.3ds.com/products-services/simulia/products/abaqus/ (accessed on 3 September 2019).
- Boisse, P.; Hamila, N.; Guzman-Maldonado, E.; Madeo, A.; Hivet, G.; Dell’Isola, F. The bias-extension test for the analysis of in-plane shear properties of textile composite reinforcements and prepregs: A review. Int. J. Mater. Form. 2017, 10, 473–492. [Google Scholar] [CrossRef]














| Matrix | PA 6-6 |
|---|---|
| Fibers | Carbon |
| Weaving pattern | 2 × 2 twill |
| Number of layers | 4 |
| Thickness (mm) | 2.05 |
| Surface density (g.mm-2) | 2600 |
| Fiber volume content | 0.6 |
| 260 °C | 270 °C | 280 °C | 300 °C | Units | |
|---|---|---|---|---|---|
| D1 | 2.274 × 10−2 | 6.814 × 10−2 | 2.177× 10−2 | 8.793 × 10−2 | [J mm−2] |
| D2 | 4.113 × 10−1 | 5.870× 10−1 | 3.607× 10−1 | 6.889× 10−1 | [J mm−2] |
| D3 | 2.478 | 1.080 | 1.279 | 1.466 | [J mm−2] |
| D4 | 5.386 | 3.434 × 10-1 | 1.974 | -3.411 | [J mm−2] |
| D5 | 4.170 | 1.383 | −9.312 × 10−1 | 6.299 × 10−1 | [J mm−2] |
| γ1 | 7.293 | 1.043 | 5.236 × 10−1 | 8.024 × 10−1 | - |
| γ2 | 4.499 × 10−1 | 5.754 × 10−1 | 9.420 × 10−2 | 4.443 × 10−1 | - |
| τ1 | 35.87 | 8.473 × 10−1 | 5.787 × 10−2 | 3.638 × 10−1 | [s] |
| τ2 | 20.37 | 6.724 × 10−1 | 3.262 × 10−1 | 3.881 × 10−1 | [s] |
| 260 °C | 270 °C | 280 °C | 300 °C | Units | |
|---|---|---|---|---|---|
| k1 | 1.85 | - | |||
| k2 | 0.82 | - | |||
| η | [MPa·s] | ||||
© 2019 by the authors. Licensee MDPI, Basel, Switzerland. This article is an open access article distributed under the terms and conditions of the Creative Commons Attribution (CC BY) license (http://creativecommons.org/licenses/by/4.0/).
Share and Cite
Xiong, H.; Hamila, N.; Boisse, P. Consolidation Modeling during Thermoforming of Thermoplastic Composite Prepregs. Materials 2019, 12, 2853. https://doi.org/10.3390/ma12182853
Xiong H, Hamila N, Boisse P. Consolidation Modeling during Thermoforming of Thermoplastic Composite Prepregs. Materials. 2019; 12(18):2853. https://doi.org/10.3390/ma12182853
Chicago/Turabian StyleXiong, Hu, Nahiène Hamila, and Philippe Boisse. 2019. "Consolidation Modeling during Thermoforming of Thermoplastic Composite Prepregs" Materials 12, no. 18: 2853. https://doi.org/10.3390/ma12182853
APA StyleXiong, H., Hamila, N., & Boisse, P. (2019). Consolidation Modeling during Thermoforming of Thermoplastic Composite Prepregs. Materials, 12(18), 2853. https://doi.org/10.3390/ma12182853

