Study on Near-Net Forming Technology for Stepped Shaft by Cross-Wedge Rolling Based on Variable Cone Angle Billets
Abstract
:1. Introduction
2. Materials and Methods
2.1. Plastic Flow Kinetic Theories of Metal Deformation in CWR
2.2. Confirmation of the Finite Element Simulation Scheme
2.3. Forming Features of Stepped Shaft Rolling and Forming Mechanisms of Concaves
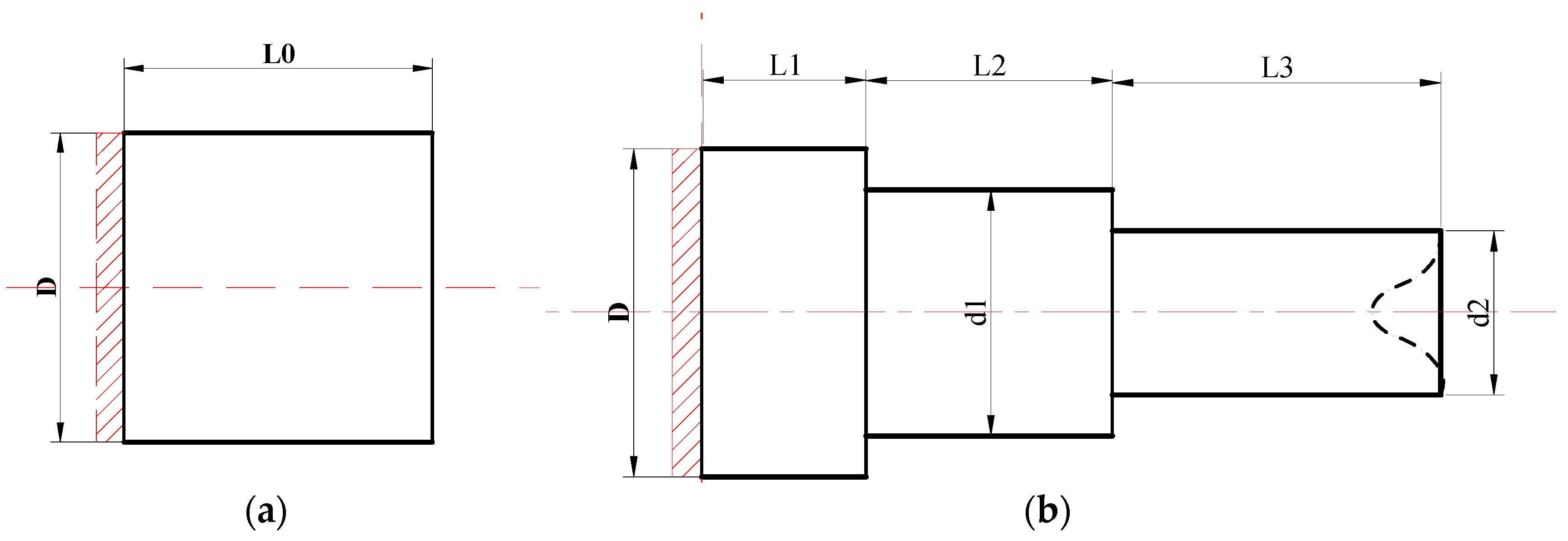
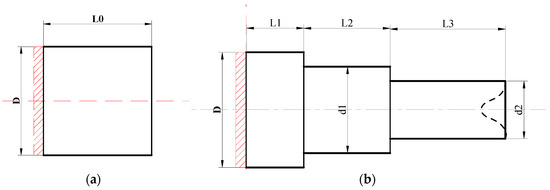
2.4. Design of Billet Shape and Features of Shaft Ends Made of Billets with Variable Cone Angle
3. Results and Discussion
3.1. Influence of the Total Cone Section Length m on Concave Depth
3.2. Influence of the Length of the First Cone Section n on Concave Depth
3.3. Influence of Cone Angle α on Concave Depth
3.4. Comprehensive Analysis of the Influence Degree of the Shape Parameters of Billets
3.5. Experimental Verification
4. Conclusions
- In the process of cross-wedge rolling (CWR), metal in the shaping area will crimp like fibers, and the axial movement path of the end metal is in line with the spiral curve equation. During the rolling of the stepped shaft, subject to the impact of the changes of the percentage reduction of area, fiber crimp of metal, etc., the shaping process of the concave develops by stages, and the depth is increased by the wave mode. The adoption of a billet with a variable cone angle can effectively enhance the quality of stepped shaft ends and increase the utilization rate to more than 99%.
- The parameters of the cone angle α, the first cone section length n, and the total cone section length m have increasingly weaker influence on end concaves. Specifically, the cone angle α makes the most significant impact on the end concave’s quality, which is about two times the influence of the total cone section length m. The depth of concave will firstly decrease and then increase with the increasing of the cone angle α and of the first cone section length n, and will decrease with the increasing of the total cone section length m.
- Through comparison, the error ratio between the experimental and simulation results of rolling stepped shafts using billets with a variable cone angle is lower than 5%. It means that the results of finite element simulation are reliable, and can reflect the changes of shaping of the rolling piece during practical production.
Author Contributions
Funding
Conflicts of Interest
References
- Hu, Z.H.; Zhang, K.S.; Wang, B.Y.; Shu, X.D. Formed Technology and Simulation of Parts about the Cross-Wedge Rolling, 1st ed.; Metallurgy Press: Beijing, China, 2005; pp. 1–64. ISBN 7-5024-3518-2. [Google Scholar]
- Pater, Z. A study of cross wedge rolling process. J. Mater. Process. Technol. 1998, 80–81, 370–375. [Google Scholar] [CrossRef]
- Shu, X.D.; Zhao, P. Dynamic characteristics of automobile semi-axes cross wedge rolling mills. J. Univ. Sci. Technol. Beijing 2007, 29, 1254. [Google Scholar] [CrossRef]
- Shu, X.D.; Valery, Y.S.; Kozhevnikova, G.; Sun, B.S.; Peng, W.F. Cross Wedge Rolling Theory and Forming Technology, 1st ed.; Science Press: Beijing, China, 2014; pp. 1–10. ISBN 978-7-03-040397-1. [Google Scholar]
- Pater, Z. Theoretical and experimental analysis of cross wedge rolling. Int. J. Mach. Tools Manuf. 2000, 40, 49–63. [Google Scholar] [CrossRef]
- Danno, A.; Awano, T. Effect of rolling conditions on formation of central cavity in 2-roll cross rolling. J. JSTP 1976, 17, 117–124. [Google Scholar]
- Pater, Z. Finite element analysis of cross wedge rolling. J. Mater. Process. Technol. 2006, 173, 201–208. [Google Scholar] [CrossRef]
- Pater, Z.; Tomczak, J.; Bulzak, T. New forming possibilities in cross wedge rolling processes. Arch. Civ. Mech. Eng. 2018, 18, 149–161. [Google Scholar] [CrossRef]
- Wei, X.H. Study on the End Rolling Quality of Cross Wedge Rolling. Master’s Thesis, Ningbo University, Ningbo, China, 2011. [Google Scholar]
- Ma, Z.H.; Yang, C.P.; Hu, Z.H. Study on the influence factors of the end concave of cross wedge rolling. Forg. Stamp. Technol. 2002, 27, 29–30. [Google Scholar]
- Zu, W.M. Study on the Key Technology of Multi-Wedge Cross Wedge Rolling Forming Automobile Semi-Axis. Ph.D. Thesis, University of Science and Technology Beijing, Beijing, China, 2008. [Google Scholar]
- Shu, X.D.; Wei, X.H.; Chen, L.P. Influence analysis of block wedge on rolled-piece end quality in cross wedge rolling. Appl. Mech. Mater. 2011, 101, 1055–1058. [Google Scholar] [CrossRef]
- Gong, W.W.; Shu, X.D.; Peng, W.F.; Sun, B.S. The research on the microstructure evolution law of cross wedge rolling asymmetric shaft-parts based on parity wedge. Appl. Mech. Mater. 2012, 201, 1121–1125. [Google Scholar] [CrossRef]
- Liu, C.; Shu, X.D.; Chao, C.; Sun, B.S. Influence rules of technological parameters on end quality in closed cross wedge rolling (CWR). Adv. Mater. Res. 2014, 1095, 756–761. [Google Scholar] [CrossRef]
- Wei, J.; Shu, X.D.; Tian, D.Y.; Xiang, W.; Wei, Y.; Han, S.; Peng, W.; Liu, C.; Wang, Y.; Niu, B. Study in shaft end forming quality of closed-open cross wedge rolling shaft using a wedge block. Int. J. Adv. Manuf. Technol. 2017, 93, 1095–1105. [Google Scholar] [CrossRef]
- Pater, Z. Cross-wedge rolling. In Comprehensive Materials Processing; Button, S.T., Ed.; Elsevier Ltd.: Amsterdam, The Netherlands, 2014; Volume 3, pp. 211–279. ISBN 0080965326. [Google Scholar]
- Zhang, X.Y. Simulation of deformation principle of near net shape cross wedge rolling process to form shafts without concaves. Forg. Stamp. Technol. 2013, 38, 156–159. [Google Scholar]
- Hu, B.; Shu, X.D.; Hong, Z. Study on influence of end concavity of rolled piece by billet circular arc angle with CWR. Appl. Mech. Mater. 2014, 599, 478–481. [Google Scholar] [CrossRef]
- Duan, W.Z. Research on Rules of Material Loss on the Ends of Cross Wedge Rolling Workpiece. Ph.D. Thesis, University of Science and Technology Beijing, Beijing, China, 2010. [Google Scholar]
- Zeng, J.; Xu, C.; Ren, W.; Li, P. Study on the deformation mechanism for forming shafts without concavity during the near-net forming cross wedge rolling process. Int. J. Adv. Manuf. Technol. 2017, 91, 127–136. [Google Scholar] [CrossRef]
- Shu, X.D.; Hu, B.; Li, C.B.; Lv, Z.T.; Peng, W.F.; Sun, B.S. One Kind of Billet Shearing Devices. ZL201310583234.9, 22 July 2015. [Google Scholar]
- Shu, X.D.; Wang, Y.; Li, Z.X.; Wei, J.; Zhou, Z.R. Crank Slider Type Hot Billet Shearing Mechanism Driven by Denatured Eccentric Circular Gear. ZL 201510414990.8, 31 May 2017. [Google Scholar]

















| Number | m/mm | α/° | n/mm | Concave Depth/mm |
|---|---|---|---|---|
| 1 | 15 | 50 | 3 | 4.946 |
| 2 | 15 | 60 | 3 | 4.337 |
| 3 | 15 | 70 | 3 | 2.452 |
| 4 | 15 | 76.5 | 3 | 5.972 |
| 5 | 15 | 80 | 3 | 6.828 |
| 6 | 15 | 70 | 1.5 | 4.672 |
| 7 | 15 | 70 | 3 | 2.452 |
| 8 | 15 | 70 | 4.5 | 3.075 |
| 9 | 15 | 70 | 6 | 3.856 |
| 10 | 15 | 70 | 7.5 | 5.249 |
| 11 | 12.5 | 70 | 3 | 4.111 |
| 12 | 15 | 70 | 3 | 2.452 |
| 13 | 17.5 | 70 | 3 | 2.263 |
| 14 | 20 | 70 | 3 | 2.294 |
| 15 | 22.5 | 70 | 3 | 1.745 |
| Concave Depth | Finite Element Simulation Results/mm | Experimental Results/mm | Material Utilization | |
|---|---|---|---|---|
| Billet Type | ||||
| traditional billet | 25.44 mm | 24.95 mm | 86.8% | |
| billet with variable cone angle | 1.93 mm | 1.85 mm | 99% | |
© 2018 by the authors. Licensee MDPI, Basel, Switzerland. This article is an open access article distributed under the terms and conditions of the Creative Commons Attribution (CC BY) license (http://creativecommons.org/licenses/by/4.0/).
Share and Cite
Han, S.; Shu, X.; Shu, C. Study on Near-Net Forming Technology for Stepped Shaft by Cross-Wedge Rolling Based on Variable Cone Angle Billets. Materials 2018, 11, 1278. https://doi.org/10.3390/ma11081278
Han S, Shu X, Shu C. Study on Near-Net Forming Technology for Stepped Shaft by Cross-Wedge Rolling Based on Variable Cone Angle Billets. Materials. 2018; 11(8):1278. https://doi.org/10.3390/ma11081278
Chicago/Turabian StyleHan, Sutao, Xuedao Shu, and Chang Shu. 2018. "Study on Near-Net Forming Technology for Stepped Shaft by Cross-Wedge Rolling Based on Variable Cone Angle Billets" Materials 11, no. 8: 1278. https://doi.org/10.3390/ma11081278
APA StyleHan, S., Shu, X., & Shu, C. (2018). Study on Near-Net Forming Technology for Stepped Shaft by Cross-Wedge Rolling Based on Variable Cone Angle Billets. Materials, 11(8), 1278. https://doi.org/10.3390/ma11081278
