Generalized Fracture Toughness and Compressive Strength of Sustainable Concrete Including Low Calcium Fly Ash
Abstract
:1. Introduction
2. Discussion of Scientific Objectives
- mode I, opening or tensile mode,
- mode II, sliding or in-plane shear (pure shear) mode,
- mode III, tearing or anti-plane shear mode.
- In the range of LCFA testing, the scientific objectives were:
- analysis of physicochemical properties of LCFA,
- evaluation of pozzolanic activity of LCFA.
- In the range of fracture toughness, the scientific objectives were:
- experimental determination of the impact of LCFA additive on the critical stress intensity factor of concrete under: I, II and III mode fracture, between the third and 365th day of curing,
- calculation of particular concretes with generalized fracture toughness .
3. Experimental Section
3.1. Materials
3.2. Preparation and Casting of Test Specimens
3.3. Specimens Used in the Studies
- 6 cubic specimens (150 mm) for testing the compressive strength—,
- 6 beams (80 × 150 × 700 mm) with one initial crack for testing fracture toughness under mode I fracture—,
- 6 cubic specimens (150 mm) with two initial cracks for testing fracture toughness under mode II fracture—,
- 6 cylindrical specimens with a diameter of 150 mm and a height of 300 mm having an initial circumferential notch, for testing fracture toughness under mode III fracture—.
3.4. Pozzolanic Activity of the LCFA
3.5. Compressive Strength Test
3.6. Fracture Toughness Tests
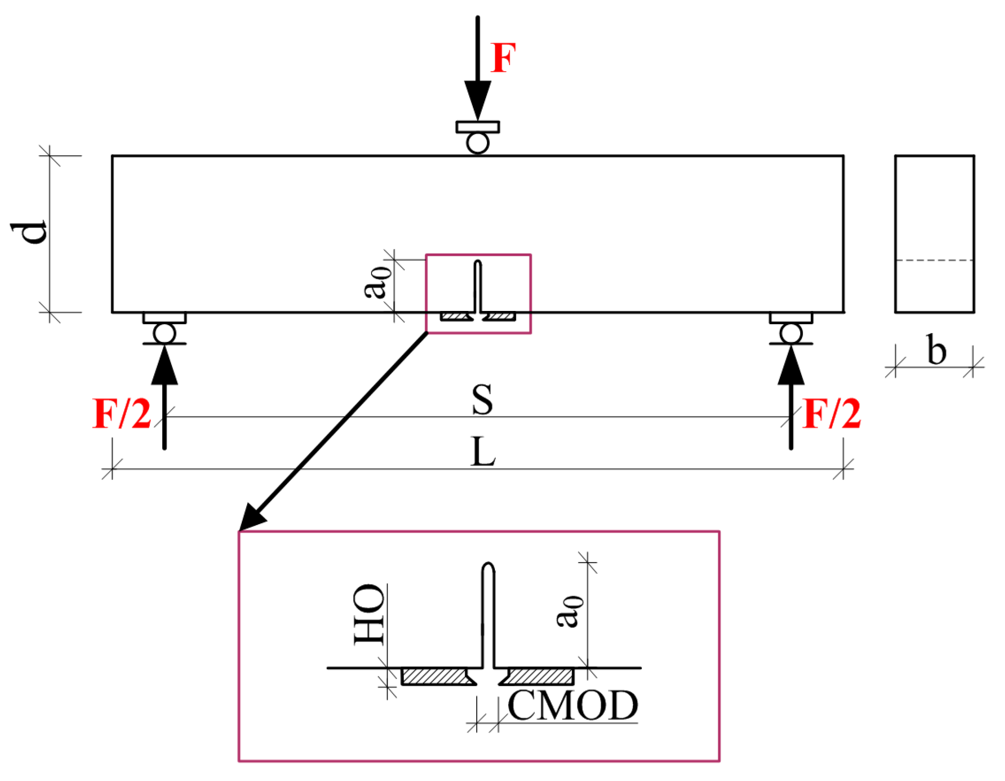
3.6.1. Mode I Loading
- Load (F)—Crack mouth opening displacement (CMOD),
- Load—Displacement (f).
3.6.2. Mode II Loading
- Load (F)—Time (t),
- Load—Displacement (f),
3.6.3. Mode III Loading
- Angle of rotation ()—Time (t),
- Torque (T)—Time,
- Torque—Angle of rotation,
3.6.4. Determination of Generalized Fracture Toughness
4. Test Results
4.1. Pozzolanic Activity
4.2. Compressive Strength
4.3. Generalized Fracture Toughness
5. Discussion
6. Conclusions
- It is possible to make sustainable concrete with the addition of low calcium fly ash with high compressive strength and generalized fracture toughness.
- The low calcium fly ash additive in the amount of 20 and 30% of mass of cement significantly affects the change of generalized fracture toughness in tension, shear and torsion.
- The values of the critical stress intensity factor depend on the age of concrete.
- The low calcium fly ash additive in the amount of up to 30% of mass of cement drastically reduced the compressive strength and the generalized fracture toughness at an early age.
- 20% low calcium fly ash additive ensures high compressive strength and generalized fracture toughness in matured concretes.
- Concretes with 30% low calcium fly ash additive are characterized by the highest dynamic increase of the parameters and .
- After 180 and 365 days, generalized fracture toughness of LCFA-30 concrete is higher in comparison to the values obtained for reference concrete.
- Results of the generalized fracture toughness and the compressive strength are convergent qualitatively.
- Effect of curing time on the compressive strength and the generalized fracture toughness of concretes with low calcium fly ash additive is directly related to the pozzolanic activity of this ashes.
7. Possible Use of the Obtained Results in the Construction Practice
- In the case of concretes, which are scheduled for commissioning after 28 days, or later, the preferred solution is to use composites modified with the 20% LCFA additive.
- The use of concretes with 30% LCFA additive in typical structures is possible, however, it should be taken into account that their strength and fracture toughness can be reduced for up to six months, compared to plain concretes.
- It is not advisable to construct concrete structures, with the low calcium fly ash additive, if their commissioning is planned before the 28th day after the placing of concrete mixture.
- It is not recommended to use composites with the low calcium fly ash additive in the prefabricated elements, in which the interoperational transport strength would be less than a week.
- In any case, it is not advisable to use concretes with 20% and 30% low calcium fly ash additive, if they are subjected to any load in less than three days from the preparation of concrete mixture.
Acknowledgments
Conflicts of Interest
References
- Malhotra, V.M. Sustainable development and concrete technology. Concr. Int. 2002, 24, 22. [Google Scholar]
- Mehta, P.K. Reducing the environmental impact of concrete. Concr. Int. 2001, 23, 61–66. [Google Scholar]
- Xu, J.-H.; Yi, B.-W.; Fan, Y. A bottom-up optimization model for long-term CO2 emissions reduction pathway in the cement industry: A case study of China. Int. J. Greenh. Gas Control 2016, 44, 199–216. [Google Scholar] [CrossRef]
- Deja, J.; Uliasz-Bochenczyk, A.; Mokrzycki, E. CO2 emissions from Polish cement industry. Int. J. Greenh. Gas Control 2010, 4, 583–588. [Google Scholar] [CrossRef]
- Mehta, P.K. Concrete technology for sustainable development. Concr. Int. 1999, 21, 47–53. [Google Scholar]
- Aitcin, P.C. Cements of yesterday and today. Concrete of tomorrow. Cem. Concr. Res. 2000, 30, 1349–1359. [Google Scholar] [CrossRef]
- Jayapalan, A.R.; Lee, B.Y. Can nanotechnology be ‘green’? Comparing efficacy of nano and microparticles in cementitious materials. Cem. Concr. Compos. 2013, 36, 16–24. [Google Scholar] [CrossRef]
- D’Alessandro, A.; Fabiani, C.; Pisello, A.L.; Ubertini, F.; Materazzi, A.L.; Cotana, F. Innovative concretes for low-carbon constructions: A review. Int. J. Low-Carbon Technol. 2017, 12, 289–309. [Google Scholar] [CrossRef]
- Berndt, M.L. Properties of sustainable concrete containing fly ash, slag and recycled concrete aggregate. Constr. Build. Mater. 2009, 23, 2606–2613. [Google Scholar] [CrossRef]
- Liew, K.M.; Sojobi, A.O.; Zhang, L.W. Green concrete: Prospects and challenges. Constr. Build. Mater. 2017, 156, 1063–1095. [Google Scholar] [CrossRef]
- Thatcher, A.; Milner, K. Is a green building really better for building occupants? A longitudinal evaluation. Build. Environ. 2016, 108, 194–206. [Google Scholar] [CrossRef]
- Long, G.; Gao, Y.; Xie, Y. Designing more sustainable and greener self-compacting concrete. Constr. Build. Mater. 2015, 84, 301–306. [Google Scholar] [CrossRef]
- Lukowski, P. Polymer-Cement composites containing waste perlite powder. Materials 2016, 9, 839. [Google Scholar] [CrossRef] [PubMed]
- Alwaeli, M. Economic calculus of the effectiveness of waste utilization processed as substitutes of primary materials. Environ. Protect. Eng. 2011, 37, 51–58. [Google Scholar]
- Lothenbach, B.; Scrivener, K.; Hooton, R.D. Supplementary cementitious materials. Cem. Concr. Res. 2011, 41, 1244–1256. [Google Scholar] [CrossRef]
- Velazquez, S.; Monzo, J.M.; Borrachero, M.V.; Paya, J. Assessment of pozzolanic activity using methods based on the measurement of electrical conductivity of suspensions of Portland Cement and pozzolan. Materials 2014, 7, 7533–7547. [Google Scholar] [CrossRef] [PubMed]
- Wu, M.; Li, Ch.; Yao, W. Gel/space ratio evolution in ternary composite system consisting of Portland Cement, silica fume, and fly ash. Materials 2017, 10, 59. [Google Scholar] [CrossRef] [PubMed]
- Zhang, P.; Wan, J.; Wang, K.; Li, Q. Influence of nano-SiO2 on properties of fresh and hardened high performance concrete: A state-of-the-art review. Constr. Build. Mater. 2017, 148, 648–658. [Google Scholar] [CrossRef]
- Ortega, J.M.; Esteban, M.D.; Rodriguez, R.R.; Pastor, J.L.; Ibanco, F.J.; Sanchez, I.; Climent, M.A. Long-Term Behaviour of fly ash and slag cement grouts for micropiles exposed to a sulphate aggressive medium. Materials 2017, 10, 598. [Google Scholar] [CrossRef] [PubMed]
- Marks, M.; Glinicki, M.A.; Gibas, K. Prediction of the chloride resistance of concrete modified with high calcium Fly Ash Rusing machine learning. Materials 2015, 8, 8714–8727. [Google Scholar] [CrossRef] [PubMed]
- Kalaw, M.E.; Culaba, A.; Hinode, H.; Kurniawan, W.; Gallardo, S.; Promentilla, M.A. Optimizing and characterizing geopolymers from ternary blend of Philippine coal fly ash, coal bottom ash and rice hull ash. Materials 2016, 9, 580. [Google Scholar] [CrossRef] [PubMed]
- Xu, W.; Lo, T.Y.; Wang, W.; Ouyang, D.; Wang, P.; Xing, F. Pozzzolanic reactivity of silica fume and ground rice husk ash reactive silica in a cementitious system: A comparative study. Materials 2016, 9, 146. [Google Scholar] [CrossRef] [PubMed]
- Aprianti, S.E. A huge number of artificial waste material can be supplementary cementitious material (SCM) for concrete production—A review part II. J. Clean. Prod. 2017, 142, 4178–4194. [Google Scholar] [CrossRef]
- Solomon, P.R.; Fletcher, T.H.; Pugmire, R.J. Progress in coal pyrolysis. Fuel 1993, 72, 587–597. [Google Scholar] [CrossRef]
- Blissett, R.S.; Rowson, N.A. A review of the multi-component utilization of coal fly ash. Fuel 2012, 97, 1–23. [Google Scholar] [CrossRef]
- Mainganye, D.; Ojumu, T.V.; Petrik, L. Synthesis of zeolites Na-P1 from South African coal fly ash: Effect of impeller design and agitation. Materials 2013, 6, 2074–2089. [Google Scholar] [CrossRef] [PubMed]
- Yao, Z.T.; Ji, X.S.; Sarker, P.K.; Tang, J.H.; Ge, L.Q.; Xia, M.S.; Xi, Y.Q. A comprehensive review on the applications of coal fly ash. Earth-Sci. Rev. 2015, 141, 105–121. [Google Scholar] [CrossRef]
- Manz, O.E. Worldwide production of coal ash and utilization in concrete and other products. Fuel 1997, 76, 691–696. [Google Scholar] [CrossRef]
- Hemalatha, T.; Ramaswamy, A. Areview on fly ash characteristics—Towards promoting high volume utilization in developing sustainable concrete. J. Clean. Prod. 2017, 147, 546–559. [Google Scholar] [CrossRef]
- MuhdNorhasri, M.S.; Hamidah, M.S.; MohdFadzil, A. Applications of using nano material in concrete: A review. Constr. Build. Mater. 2017, 133, 91–97. [Google Scholar]
- Mignon, A.; Snoeck, D.; Dubruel, P.; Van Vlierberghe, S.; De Belie, N. Crack mitigation in concrete: Superabsorbent polymers as key to success? Materials 2017, 10, 237. [Google Scholar] [CrossRef] [PubMed]
- Suryanto, B.; Buckman, J.O.; Thompson, P.; Bolbol, M.; McCarter, W.J. Monitoring micro-crack healing in an enhineered cementitious composite using the environmental scanning electron microscope. Mater. Charact. 2016, 119, 175–185. [Google Scholar] [CrossRef]
- Gorzelanczyk, T.; Hola, J.; Sadowski, L.; Schabowicz, K. Non-destructive identification of cracks in unilateralny accessible massive concrete walls in hydroelectric power plant. Arch. Civ. Mech. Eng. 2016, 16, 413–421. [Google Scholar] [CrossRef]
- Yaghoobi, A.; Chorzepa, M.G.; Kim, S.S.; Durhan, S.A. Mesoscale fracture analysis of multiphase cementotious composites using peridynamics. Materials 2017, 10, 162. [Google Scholar] [CrossRef] [PubMed]
- Zhan, Y.; Meschke, G. Adaptive crack modeling with interface solid elements for plain and fiber reinforced concrete structures. Materials 2017, 10, 771. [Google Scholar] [CrossRef] [PubMed]
- Sadowski, T.; Golewski, G. Effect of aggregate kind and graining on modeling of plain concrete under compression. Comput. Mater. Sci. 2008, 43, 119–126. [Google Scholar] [CrossRef]
- Golewski, G.; Sadowski, T. Fracture toughness at shear (mode II) of concretes made of natural and broken aggregates. Brittle Matrix Compos. 2006, 8, 537–546. [Google Scholar]
- Sadowski, T.; Golewski, G.L. A failure analysis of concrete composites incorporating fly ash during torsional loading. Compos. Struct. 2018, 183, 527–535. [Google Scholar] [CrossRef]
- Santosh, M.; Ghosh, M.A. Multi-scale identification of concrete material parameters. Theoret. Appl. Fract. Mech. 2015, 75, 8–15. [Google Scholar] [CrossRef]
- Berto, F.; Ayatollahi, M.; Marsavina, L. Mixed mode fracture. Theoret. Appl. Fract. Mech. 2017, 91, 1. [Google Scholar] [CrossRef]
- Ayatollahi, M.R.; Saboori, B. T-stress effects in mixed mode I/II/III brittle frature. Eng. Fract. Mech. 2015, 144, 32–45. [Google Scholar] [CrossRef]
- Lo, K.W.; Zhong, K.; Tamilselvan, T.; Ong, K.C.G.; Wee, T.H. Mixed mode I–III fracture testing of cement mortar. ACI Mater. J. 2002, 99, 435–440. [Google Scholar]
- Song, L.; Huang, S.M.; Yang, S.C. Experimental investigation on criterion of three-dimensional mixed-mode fracture for concrete. Cem. Concr. Res. 2004, 34, 913–916. [Google Scholar] [CrossRef]
- Van Mier, J.G.M. Fracture Processes of Concrete. Assessment of Material Parameters for Fracture Models; CRC Press: Boca Raton, FL, USA; New York, NY, USA; London, UK; Tokyo, Japan, 2000. [Google Scholar]
- Knott, J.F. Fundamentals of Fracture Mechanics; Butterworths: London, UK, 1976. [Google Scholar]
- Lam, L.; Wong, Y.L.; Poon, C.S. Effect of fly ash and silica fume on compressive fracture behaviors of concrete. Cem. Concr. Res. 1998, 28, 271–283. [Google Scholar] [CrossRef]
- Golewski, G.L.; Sadowski, T. Macroscopic evaluation of fracture processes in fly ash concrete. Solid State Phenom. 2016, 254, 188–193. [Google Scholar] [CrossRef]
- Golewski, G.L.; Sadowski, T. An analysis of shear fracture toughness toughness and microstructure in concretes containing fly-ash. Constr. Build. Mater. 2014, 51, 207–214. [Google Scholar] [CrossRef]
- Golewski, G.L.; Sadowski, T. Experimental investigation and numerical modeling fracture processes in fly ash concrete at early age. Solid State Phenom. 2012, 188, 158–163. [Google Scholar] [CrossRef]
- Golewski, G.L.; Golewski, P.; Sadowski, T. Numerical modeling crack propagation under Mode II fracture in plain concretes containing siliceous fly ash additive using XFEM method. Comput. Mater. Sci. 2012, 62, 75–78. [Google Scholar] [CrossRef]
- Golewski, G.L.; Sadowski, T. The fracture toughness the of concretes with fly ash (FA) additive. Constr. Build. Mater. 2017, 143, 444–454. [Google Scholar] [CrossRef]
- Golewski, G.L. Determination of fracture toughness in concretes containing siliceous fly ash during mode III loading. Struct. Eng. Mech. 2017, 62, 1–9. [Google Scholar] [CrossRef]
- Golewski, G.L. Effect of fly ash addition on the fracture toughness of plain concrete at third model of fracture. J. Civ. Eng. Manag. 2017, 23, 613–620. [Google Scholar] [CrossRef]
- Ganesh Mabu, K.; Siva Nageswara Rao, G. Efficiency of fly ash in concrete with age. Cem. Concr. Res. 1996, 26, 465–474. [Google Scholar] [CrossRef]
- Ganesh Mabu, K.; Siva Nageswara Rao, G. Early strength behavior of fly ash concretes. Cem. Concr. Res. 1994, 24, 277–284. [Google Scholar] [CrossRef]
- Zhang, M.H. Microstructure, crack propagation, and mechanical properties of cement pastes containing high volumes of fly ashes. Cem. Concr. Res. 1995, 25, 1165–1178. [Google Scholar] [CrossRef]
- Papadakis, V.G. Effect of fly ash of Portland cement systems. Part I. Low-calcium fly ash. Cem. Concr. Res. 1999, 29, 1727–1736. [Google Scholar] [CrossRef]
- Siddique, R. Effect of fine aggregate replacement with Class F fly ash on the mechanical properties of concrete. Cem. Concr. Res. 2003, 33, 539–547. [Google Scholar] [CrossRef]
- Sliwinski, J.; Tracz, T.; Deja, J.; Lagosz, A. Selected properties of concretes with an addition of fractionated siliceous and fluidized bed fly ash. Cem. Wapno Beton 2013, 2, 81–90. [Google Scholar]
- Dragas, J.; Tosic, N.; Ignatovic, S.; Marinkovic, S. Mechanical and time-dependent properties of high-volume fly ash concrete for structural use. Mag. Concr. Res. 2016, 68, 632–645. [Google Scholar] [CrossRef]
- Maslehuddin, M.; Saricimen, H.; Al-Mana, A.I. Effect of fly ash addition on the corrosion resisting characteristics of concrete. ACI Mater. J. 1987, 84, 42–50. [Google Scholar]
- Gastaldini, A.L.G.; Isaia, G.C.; Saciloto, A.P.; Missau, F.; Hoppe, T.F. Influence of curing time on the chloride resistance of concrete containing rice husk ash: A technical and economical feasibility study. Cem. Concr. Compos. 2010, 32, 783–793. [Google Scholar] [CrossRef]
- Nath, P.; Sarker, P. Effect of fly ash on the durability properties of high strength concrete. Proc. Eng. 2011, 14, 1149–1156. [Google Scholar] [CrossRef]
- Berry, E.E.; Hemmings, R.T.; Zhang, M.-H.; Cornelius, B.J. Hydration in high-volume fly ash concrete binders. ACI Mater. J. 1994, 91, 382–389. [Google Scholar]
- Lee, H.J.; Lee, J.H.; Kim, D.G. Study on the change in microstructure of fly ash concrete depending on ages and degree of hydration using XRD and SEM. Adv. Mater. Res. 2012, 486, 350–355. [Google Scholar] [CrossRef]
- Taylor, P.C.; Tait, R.B. Effect of fly ash on fatigue and fracture properties of hardened cement mortar. Cem. Concr. Compos. 1999, 21, 223–232. [Google Scholar] [CrossRef]
- Golewski, G.L. Studies of natural radioactivity of concrete with siliceous fly ash addition. Cem. Wapno Beton 2015, 2, 106–114. [Google Scholar]
- Rilem Draft Recommendation. Determination of fracture parameters (KSIc and CTODc) of plain concrete using three-point bend tests. Mater. Struct. 1990, 23, 457–460. [Google Scholar]
- Tang, W.; Cui, H.; Tahmasbi, S. Fracture properties of polystyrene aggregate concrete after exposure to high temperatures. Materials 2016, 9, 630. [Google Scholar] [CrossRef] [PubMed]
- Prokopski, G.; Langier, B. Effect of water/cement ratio and silica fume addition on the fracture toughness and morphology of fractured surfaces of gravel concretes. Cem. Concr. Res. 2000, 30, 1427–1433. [Google Scholar] [CrossRef]
- Watkins, J. Fracture toughness test for soil-cement samples in mode II. Int. J. Fract. 1983, 23, R135–R138. [Google Scholar] [CrossRef]
- Golewski, G.L. Device to Test for Fracture Toughness of Concrete, Especially in Torsion. PL Patent 223460, 2016. [Google Scholar]
- Miannay, D.P. Fracture Mechanics; Springer: New York, NY, USA, 1998. [Google Scholar]















| Analyzed Parameter | Curing Age (days) | Reference |
|---|---|---|
| Mechanical properties | 1, 7, 28, 56, 90, 180, 365 | [56] |
| 3, 14, 28, 49, 91, 182, 364 | [57] | |
| 7, 14, 28, 56, 91, 365 | [58] | |
| 3, 7, 28, 90, 180 | [59] | |
| 3, 7, 14, 28, 90, 180 | [60] | |
| Corrosion resistance | Weekly, from 7 to 1000 | [61] |
| Chloride penetration | 91 | [62] |
| 28, 180 | [63] | |
| Drying shrinkage | 3, 7, 28, 56, 180 | [63] |
| Porosity, pore volume distribution and heat development | 3, 7, 14, 28, 49, 112, 182, 364 | [57] |
| Water absorbtion and water permeability | 28, 90 | [59] |
| Hydration process | 1/12, 1/5, 1, 3, 7, 14, 28, 56, 180 | [64] |
| Microstructure | 1, 7, 28, 56, 90, 180, 365 | [56] |
| 3, 14, 28, 49, 91, 182, 364 | [56] | |
| 1, 7, 28, 56 | [64] | |
| 1, 7, 28, 56, 91 | [65] | |
| Crack propagation | 1, 7, 28, 56, 90, 180, 365 | [56] |
| Fracture properties (in mortar) | 7, 28, 90, 180 | [66] |
| Chemical | Component (wt %) | |
|---|---|---|
| LCFA | OPC | |
| SiO2 | 50.96 | 21.37 |
| Al2O3 | 25.88 | 5.02 |
| Fe2O3 | 8.25 | 2.40 |
| CaO | 2.15 | 63.95 |
| Na2O | 1.26 | 0.18 |
| K2O | 2.65 | 0.91 |
| SO3 | 0.65 | 3.00 |
| MgO | 2.60 | 2.47 |
| P2O5 | 0.35 | - |
| Cs2O | 0.09 | - |
| BaO | 0.32 | - |
| TiO2 | 1.36 | - |
| Cl | - | 0.06 |
| LOI a | 3.20 | 1.24 |
| Concrete Series | OPC | LCFA | %LCFA | Sand | Gravel | Water | Plasticizer |
|---|---|---|---|---|---|---|---|
| LCFA-00 | 352 | 0 | 0 | ||||
| LCFA-20 | 282 | 70 | 20 | 676 | 1205 | 141 | 2 |
| LCFA-30 | 246 | 106 | 30 |
© 2017 by the author. Licensee MDPI, Basel, Switzerland. This article is an open access article distributed under the terms and conditions of the Creative Commons Attribution (CC BY) license (http://creativecommons.org/licenses/by/4.0/).
Share and Cite
Golewski, G.L. Generalized Fracture Toughness and Compressive Strength of Sustainable Concrete Including Low Calcium Fly Ash. Materials 2017, 10, 1393. https://doi.org/10.3390/ma10121393
Golewski GL. Generalized Fracture Toughness and Compressive Strength of Sustainable Concrete Including Low Calcium Fly Ash. Materials. 2017; 10(12):1393. https://doi.org/10.3390/ma10121393
Chicago/Turabian StyleGolewski, Grzegorz Ludwik. 2017. "Generalized Fracture Toughness and Compressive Strength of Sustainable Concrete Including Low Calcium Fly Ash" Materials 10, no. 12: 1393. https://doi.org/10.3390/ma10121393
APA StyleGolewski, G. L. (2017). Generalized Fracture Toughness and Compressive Strength of Sustainable Concrete Including Low Calcium Fly Ash. Materials, 10(12), 1393. https://doi.org/10.3390/ma10121393
