A Selection Method for Power Generation Plants Used for Enhanced Geothermal Systems (EGS)
Abstract
:1. Introduction
2. Description of Power Generation Systems
2.1. Single-Flash Geothermal Power Generation System
2.2. Double-Flash Geothermal Power Generation System
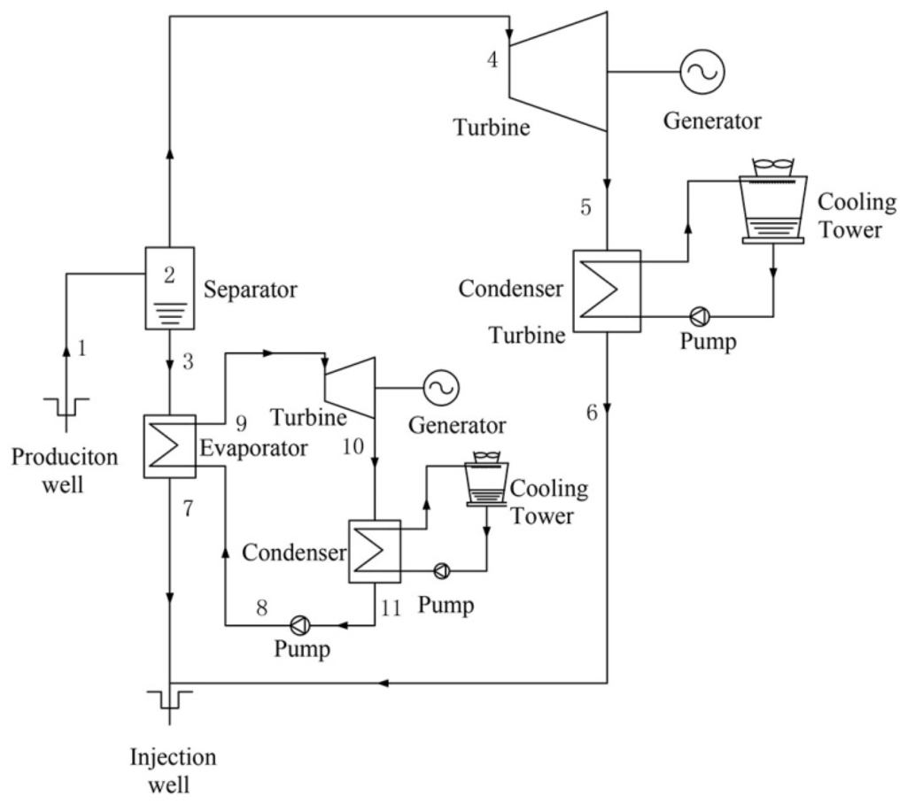
2.3. Flash-ORC Geothermal Power Generation System
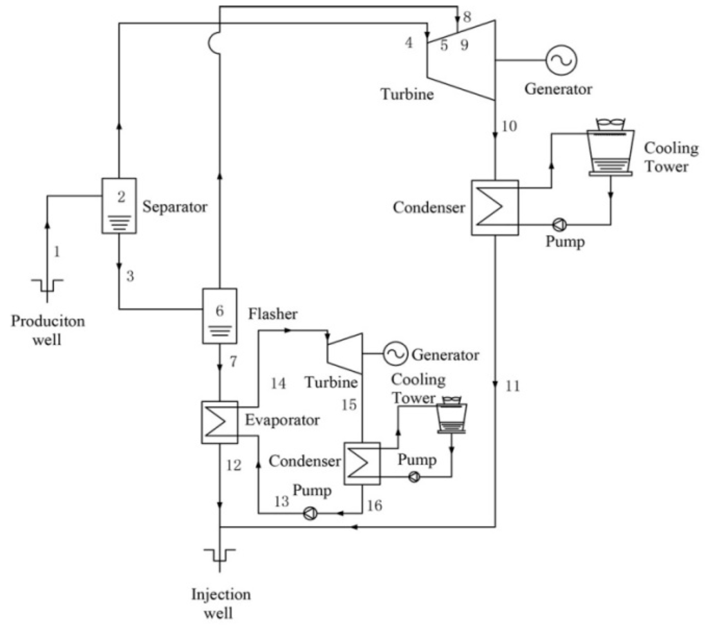
2.4. Double-Flash-ORC Geothermal Power Generation System
3. Modeling and Methodology
3.1. Modeling
- (a)
- Each geothermal power generation system operates under a steady state condition.
- (b)
- The flash process in the separator is modeled as an isenthalpic process.
- (c)
- Pure water properties (instead of geofluids’ properties) have been used in this study.
3.2. Methodology
4. Optimization of Parameters
4.1. Optimization of Flash Temperature in the DF System
4.2. Optimization of Evaporation Temperature in the FORC and DFORC
4.3. Effects of Temperature and Dryness of Geofluids on DF, FORC, and DFORC
5. Power Generation System Selection Maps
6. Conclusions
- (1)
- Compared with the reference system, SF, each upgraded system (DF, FORC, and DFORC) can produce more power output. It is observed that each upgraded system has a maximum net power output under a given geofluid condition.
- (2)
- Both the temperature and steam dryness of geofluids have strong influences on the performance of each kind of power generation system. In addition, there exists an upper limit of heat source temperature using a FORC system. For the investigated FORC with R245fa as working fluid, the upper limit of heat source temperature was found to be 170 °C.
- (3)
- Two useful maps for selecting a suitable power generation system used for EGS are produced based on the net power increase ratio of 10% and 15%, respectively. FORC is the most suitable system in the region with geofluid temperature below 170 °C. In the region with geofluid temperature above 170 °C, either the DF or DFORC system could be an option; the DF system is found to be more attractive under a higher geofluid temperature and a relatively lower dryness condition.
Acknowledgments
Author Contributions
Conflicts of Interest
References
- Shi, W. Renewable energy: Finding solutions for a greener tomorrow. Rev. Environ. Sci. Biotechnol. 2010, 9, 35–37. [Google Scholar] [CrossRef]
- Ellabban, O.; Abu-Rub, H.; Blaabjerg, F. Renewable energy resources: Current status, future prospects and their enabling technology. Renew. Sustain. Energy Rev. 2014, 39, 748–764. [Google Scholar] [CrossRef]
- Sanyal, S.K. Future of geothermal energy. In Proceedings of the Thirty-Fifth Workshop on Geothermal Reservoir Engineering, Stanford, CA, USA, 1–3 February 2010.
- Tester, J.W. The future of geothermal energy: Impact of enhanced geothermal systems (EGS) on the United States in the 21st century; Massachusetts Institute of Technology: Cambridge, MA, USA, 2006. [Google Scholar]
- Blackwell, D.D.; Negraru, P.T.; Richards, M.C. Assessment of the enhanced geothermal system resource base of the United States. Nat. Resour. Res. 2007, 15, 283–308. [Google Scholar] [CrossRef]
- Fehler, M.C. Stress control of seismicity patterns observed during hydraulic fracturing experiments at the Fenton Hill hot dry rock geothermal energy site, New Mexico. Int. J. Rock Mech. Min. Sci. Geomechan. 1989, 26, 211–219. [Google Scholar] [CrossRef]
- Duchane, D.; Brown, D. Hot dry rock (HDR) geothermal energy research and development at Fenton Hill, New Mexico. Geotherm. Heat Cent. Bull. 2002, 23, 13–19. [Google Scholar]
- Aki, K.; Fehler, M.; Aamodt, R.L.; Albright, J.N.; Potter, R.M.; Pearson, C.M.; Tester, J.W. Interpretation of seismic data from hydraulic fracturing experiments at the Fenton Hill, New Mexico, Hot Dry Rock geothermal site. J. Geophys. Res. Solid Earth 1982, 87, 936–944. [Google Scholar] [CrossRef]
- Min, K.B.; Xie, L.; Kim, H.; Lee, J. EGS field case studies-UK Rosemanowes and Australian Cooper Basin projects. J. Korean Soc. Rock Mechan. 2014, 24, 21–31. [Google Scholar] [CrossRef]
- Kuriyagawa, M.; Tenma, N. Development of hot dry rock technology at the Hijiori test site. Geothermics 1999, 28, 627–636. [Google Scholar] [CrossRef]
- Wallroth, T.; Eliasson, T.; Sundquist, U. Hot dry rock research experiments at Fjällbacka, Sweden. Geothermics 1999, 28, 617–625. [Google Scholar] [CrossRef]
- Kappelmeyer, O.; Gérard, A.; Schloemer, W.; Ferrandes, R.; Rummel, F.; Benderitter, Y. European HDR project at Soultz-sous-Forêts: General presentation. Geotherm. Sci. Technol. 1991, 2, 263–289. [Google Scholar]
- Robertson, A.; Morris, C.; Schochet, D. The Desert Peak East EGS Project: A Progress Report. In Proceedings of the World Geothermal Congress, Antalya, Turkey, 24–29 April 2005.
- Chen, D. Concepts of a Basic EGS Model for the Cooper Basin, Australia. In Proceedings of the 2010 World Geothermal Congress, Bali, Indonesia, 25–30 April 2010.
- Chen, D.; Wyborn, D. Habanero field tests in the Cooper Basin, Australia: A proof-of-concept for EGS. Geotherm. Resour. Counc. Trans. 2009, 33, 159–164. [Google Scholar]
- Hettkamp, T.; Baumgartner, J.; Baria, R.; Gérard, A.; Gandy, T.; Michelet, S.; Teza, D. Electricity Production from Hot Rocks. In Proceedings of the 29th Workshop on Geothermal Reservoir Engineering, Standford, CA, USA, 26–28 January 2004.
- Cerci, Y. Performance evaluation of a single-flash geothermal power plant in Denizli, Turkey. Energy 2003, 28, 27–35. [Google Scholar] [CrossRef]
- Sarr, J.R.; Mathieu-Potvin, F. Improvement of Double-Flash geothermal power plant design: A comparison of six interstage heating processes. Geothermics 2015, 54, 82–95. [Google Scholar] [CrossRef]
- Wang, J.; Wang, J.; Dai, Y.; Zhao, P. Thermodynamic analysis and optimization of a flash-binary geothermal power generation system. Geothermics 2015, 55, 69–77. [Google Scholar] [CrossRef]
- Li, M.; Lior, N. Comparative analysis of power plant options for enhanced geothermal systems (EGS). Energies 2014, 7, 8427–8445. [Google Scholar] [CrossRef]
- Yari, M. Exergetic analysis of various types of geothermal power plants. Renew. Energy 2010, 35, 112–121. [Google Scholar] [CrossRef]
- Jalilinasrabady, S.; Itoi, R.; Valdimarsson, P.; Saevarsdottir, G.; Fujii, H. Flash cycle optimization of Sabalan geothermal power plant employing exergy concept. Geothermics 2012, 43, 75–82. [Google Scholar] [CrossRef]
- Li, T.; Zhu, J.; Hu, K.; Kang, Z.; Zhang, W. Implementation of PDORC (parallel double-evaporator organic Rankine cycle) to enhance power output in oilfield. Energy 2014, 68, 680–687. [Google Scholar] [CrossRef]
- Klein, S.A.; Alvarado, F.L. EES: Engineering Equation Solver for the Microsoft Windows Operating System, 2nd ed.; F-Chart software: Madison, WI, USA, 1992. [Google Scholar]











| Items | Parameters |
|---|---|
| Heat loss in evaporator (%) | 30 |
| Cooling water pump isentropic efficiency (%) | 65 |
| Turbine isentropic efficiency (%) | 75 |
| Turbine mechanical efficiency (%) | 96 |
| Generator efficiency (%) | 93 |
| Items | Parameters |
|---|---|
| Working fluid | R245fa |
| Trubine isentropic efficiency (%) | 75 |
| Feeding pump isentropic efficiency (%) | 50 |
| Temperature difference at the pinch point (°C) | 6 |
| Turbine mechanical efficiency (%) | 96 |
| Generator efficiency (%) | 93 |
| Cooling water pump isentropic efficiency (%) | 65 |
© 2016 by the authors; licensee MDPI, Basel, Switzerland. This article is an open access article distributed under the terms and conditions of the Creative Commons Attribution (CC-BY) license (http://creativecommons.org/licenses/by/4.0/).
Share and Cite
Hu, K.; Zhu, J.; Zhang, W.; Lu, X. A Selection Method for Power Generation Plants Used for Enhanced Geothermal Systems (EGS). Energies 2016, 9, 597. https://doi.org/10.3390/en9080597
Hu K, Zhu J, Zhang W, Lu X. A Selection Method for Power Generation Plants Used for Enhanced Geothermal Systems (EGS). Energies. 2016; 9(8):597. https://doi.org/10.3390/en9080597
Chicago/Turabian StyleHu, Kaiyong, Jialing Zhu, Wei Zhang, and Xinli Lu. 2016. "A Selection Method for Power Generation Plants Used for Enhanced Geothermal Systems (EGS)" Energies 9, no. 8: 597. https://doi.org/10.3390/en9080597
APA StyleHu, K., Zhu, J., Zhang, W., & Lu, X. (2016). A Selection Method for Power Generation Plants Used for Enhanced Geothermal Systems (EGS). Energies, 9(8), 597. https://doi.org/10.3390/en9080597
