Development of a 60 kHz, 180 kW, Over 85% Efficiency Inductive Power Transfer System for a Tram
Abstract
:1. Introduction
2. Development of the 180 kW Level Inductive Power Transfer System
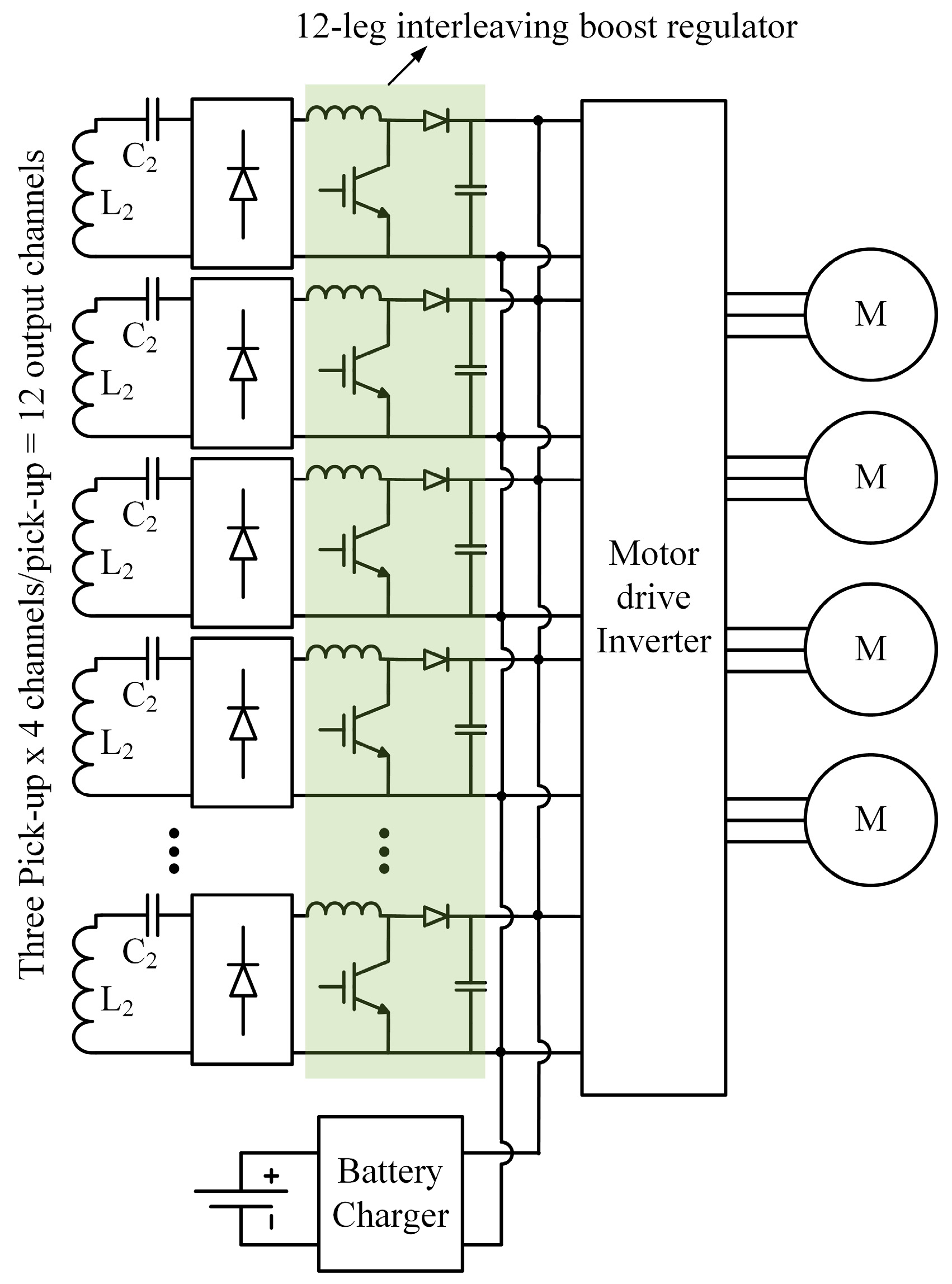
2.1. Configuration of the Target System
2.2. High-Frequency Transmitter and Pick-Up Design
2.2.1. Design Considerations
2.2.2. Transmitter Design
2.2.3. Pick-Up Design
2.2.4. Design Evaluation Using Finite Element Analysis (FEA)
2.3. Theoretical Evaluation of the Designed System
3. Experimental Evaluation
3.1. Experimental Setup
3.2. Experimental Results
3.2.1. Efficiency Measurement
3.2.2. Electromagnetic-Field Safety
4. Conclusions
Acknowledgments
Author Contributions
Conflicts of Interest
References
- Kawamura, A.; Kuroda, G.; Zhu, C. Experimental results on contact-less power transmission system for the high-speed trains. In Proceedings of the IEEE Power Electronics Specialists Conference (PESC 2007), Orlando, FL, USA, 17–21 June 2007; pp. 2779–2784.
- Winter, J.; Mayer, S.; Kaimer, S. Inductive power supply for heavy rail vehicles. In Proceedings of the 2013 3rd International, Electric Drives Production Conference (EDPC), Nuremberg, Germany, 29–30 October 2013.
- Technologies–Aerodynamic Optimization of Pantographs. Available online: http://www.railway-energy.org/tfee/index.php?ID=220&TECHNOLOGYID=5&SEL=210 (accessed on 1 October 2016).
- Commuter Rail Safety Study. Available online: https://transit-safety.fta.dot.gov/publications/sso/CRSafetyStudy/html/CRSS.html (accessed on 1 October 2016).
- PRIMOVE True e-Mobility. Available online: http://primove.bombardier.com/application/light-rail/ (accessed on 1 October 2016).
- Hwang, K.; Kim, S.; Kim, S.; Chun, Y.; Ahn, S. Design of wireless power transfer system for railway application. Int. J. Railw. 2012, 5, 167–174. [Google Scholar] [CrossRef]
- Lee, S.; Jung, G.; Shin, S.; Kim, Y.; Song, B.; Shin, J.; Cho, D. The optimal design of high-powered power supply modules for wireless power transferred train. In Proceedings of the Electrical Systems for Aircraft, Railway and Ship Propulsion (ESARS), Bologna, Italy, 16–18 October 2012.
- Bolger, J. Roadway Power and Control System for Inductively Coupled Transportation System. EP Patent EP0289868A2, 9 November 1988. [Google Scholar]
- Tseng, L.; Tseng, D. Inductive Charging of a Moving Electric Vehicle’s Battery. U.S. Patent 5,311,973, 17 May 1994. [Google Scholar]
- Vietzke, O.; Czainski, R. Conductor Arrangement for Producing an Electromagnetic Field and Route for Vehicles, in Particular for Road Automobiles, Comprising the Conductor Arrangement. CA Patent App. CA 2839528A1, 17 January 2013. [Google Scholar]
- Woronowicz, K. System and Method for Transferring Electric Energy to a Vehicle Using Segments of a Conductor Arrangement Which Can Be Operated Independently. U.S. Patent US9331527B2, 3 May 2016. [Google Scholar]
- Shin, J.; Song, B.; Lee, S.; Shin, S.; Kim, Y.; Jung, G.; Jeon, S. Contactless power transfer systems for on-line electric vehicle (OLEV). In Proceedings of the 2012 IEEE International Electric Vehicle Conference (IEVC), Greenville, SC, USA, 4–8 March 2012.
- Lee, S.-H. Design Methodologies for Low Flux Density, High Efficiency, kW Level Wireless Power Transfer Systems with Large Air Gaps. Ph.D. Thesis, University of Wisconsin, Madison, WI, USA, 2013. [Google Scholar]
- International Electrotechnical Commission (IEC). Electric and Magnetic Field Levels Generated by AC Power Systems–Measurement Procedures with Regard to Public Exposure; IEC 62110; International Electrotechnical Commission: Geneva, Switzerland, 2009. [Google Scholar]
- International Commission on Non-Ionizing Radiation Protection (ICNIRP). Guidelines for Limiting Exposure to Time-Varying Electric, Magnetic, and Electromagnetic Fields (Up to 300 GHz). Health Phys. 1998, 74, 494–522. [Google Scholar]
- Shim, H.-W.; Kim, J.-W.; Cho, D.-H. An analysis on power variance of SMFIR structure. In Proceedings of the 2014 IEEE Wireless Power Transfer Conference (WPTC), Jeju City, Korea, 8–9 May 2014; pp. 189–192.
- Kim, J.H.; Lee, B.S.; Lee, J.H.; Lee, S.H.; Park, C.B.; Jung, S.M. Development of 1-MW inductive power transfer system for a high-speed train. IEEE Trans. Ind. Electron. 2015, 62, 6242–6250. [Google Scholar] [CrossRef]
- Wang, C.S.; Stielau, O.; Covic, G. Design considerations for a contactless electric vehicle battery charger. IEEE Trans. Ind. Electron. 2005, 52, 1308–1314. [Google Scholar] [CrossRef]














| Design Parameters | Values | Design Parameters | Values |
|---|---|---|---|
| Operating frequency | 60 kHz | Air-gap | 7 cm |
| Track length | 15 m | Output power | 180 kW |
| Output voltage | 750 VDC | Coil-to-coil efficiency | Over 95% |
| Magnetic field radiation | 6.25 μT | - | - |
| Geometric parameters | Transmitter | Pick-Up |
|---|---|---|
| Length (mm) | 15,000 | 600 |
| Width (mm) | 480 | 920 |
| Height (mm) | 50 | 51 |
| Number of turns per layer | 4 | 4 |
| Number of layers | 1 | 8 |
| Number of modules | 1 | 3 |
| Circuit Parameters | Transmitter | Pick-Up | ||
|---|---|---|---|---|
| Simulated | Measured | Simulated | Measured | |
| Self-inductance (µH) | 576 | 557 | 71.3 | 79 |
| Mutual-inductance (µH) | 30.3 | 33.3 | - | - |
| Tuning capacitor (nF) | 12.7 | 13.7 | 96.4 | 87.2 |
| Equivalent series resistance (Ω) | 0.75 | 1.2 | 0.1 | 0.24 |
| Tuned frequency (kHz) | 58.8 | 57.5 | 60.1 | 60.5 |
© 2016 by the authors; licensee MDPI, Basel, Switzerland. This article is an open access article distributed under the terms and conditions of the Creative Commons Attribution (CC-BY) license (http://creativecommons.org/licenses/by/4.0/).
Share and Cite
Lee, S.-H.; Kim, J.-H.; Lee, J.-H. Development of a 60 kHz, 180 kW, Over 85% Efficiency Inductive Power Transfer System for a Tram. Energies 2016, 9, 1075. https://doi.org/10.3390/en9121075
Lee S-H, Kim J-H, Lee J-H. Development of a 60 kHz, 180 kW, Over 85% Efficiency Inductive Power Transfer System for a Tram. Energies. 2016; 9(12):1075. https://doi.org/10.3390/en9121075
Chicago/Turabian StyleLee, Seung-Hwan, Jae-Hee Kim, and Jun-Ho Lee. 2016. "Development of a 60 kHz, 180 kW, Over 85% Efficiency Inductive Power Transfer System for a Tram" Energies 9, no. 12: 1075. https://doi.org/10.3390/en9121075
APA StyleLee, S.-H., Kim, J.-H., & Lee, J.-H. (2016). Development of a 60 kHz, 180 kW, Over 85% Efficiency Inductive Power Transfer System for a Tram. Energies, 9(12), 1075. https://doi.org/10.3390/en9121075

