Online Fault Identification Based on an Adaptive Observer for Modular Multilevel Converters Applied to Wind Power Generation Systems
Abstract
:1. Introduction
2. Principle and Fault Mechanism Analysis for MMC
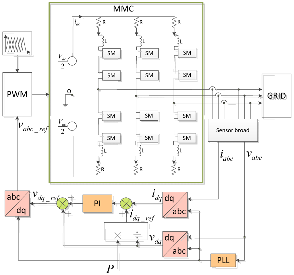
2.1. Operation Principle of MMC


2.2. Fault Mechanism of MMC

- (1)
- Normal operation: In normal operation, as listed in Table 1, when the arm current ip(n),k is positive, if T1 is turned on, T2 is turned off in the ith module which means Sp(n),i,k = 1, the current flows through D1 and C, the capacitor is charged; otherwise, T1 is turned off, T2 is turned on, the current will go through T2 and the capacitor voltage maintains stable; when ip(n),k is negative, T1 is turned off, T2 is turned on, the current flows through D2; oppositely, Sp(n),i,k = 0, the current will go through T1 and C, the capacitor is discharged;
| State No. | Current | Status | Gating Signal | Arm Current Goes Through | Capacitor | Capacitor Voltage |
|---|---|---|---|---|---|---|
| 1st | ip(n),k > 0 | T1 on, T2 off | Sp(n),i,k = 1 | D1 and C | Charged | Increased |
| 2nd | ip(n),k > 0 | T1 off, T2 on | Sp(n),i,k = 0 | T2 | Bypassed | Stable |
| 3rd | ip(n),k < 0 | T1 on, T2 off | Sp(n),i,k = 1 | T1 and C | Discharged | Decreased |
| 4th | ip(n),k < 0 | T1 off, T2 on | Sp(n),i,k = 0 | D2 | Bypassed | Stable |
- (2)
- Open-circuit fault in T1 (Figure 3a): as shown in Table 2, the sub-module operates as normal when the arm current ikm > 0, the arm current still goes through D1 and C to charge the capacitor when the gating signal Sp(n),i,k = 1 and the arm current flows through T2 to bypass the capacitor when the gating signal Sp(n),i,k = 0; when ip(n),k is negative, the module is in normal operation when Sp(n),i,k = 0, the arm current flows through D2 and the capacitor voltage is stable; however, when the gating signal Sp(n),i,k = 1, the arm current will be forced to go through D2 instead of T1 and C in the normal condition;
| State No. | Current | Status | Gating Signal | Arm Current Goes Through | Capacitor | Capacitor Voltage |
|---|---|---|---|---|---|---|
| 1st | ip(n),k > 0 | T1 on, T2 off | Sp(n),i,k = 1 | D1 and C | Charged | Increased |
| 2nd | ip(n),k > 0 | T1 off, T2 on | Sp(n),i,k = 0 | T2 | Bypassed | Stable |
| 3rd | ip(n),k < 0 | T1 on, T2 off | Sp(n),i,k = 1 | D2 | Bypassed | Stable |
| 4th | ip(n),k < 0 | T1 off, T2 on | Sp(n),i,k = 0 | D2 | Bypassed | Stable |
- (3)
- Open-circuit fault in T2 (Figure 3b): the open-circuit fault is shown in Table 3, the sub-module operates as normal when the arm current ip(n),k > 0 and Sp(n),i,k = 1, if T1 is turned off, T2 is turned on, the arm current is forced to go through D1 and C to charge the capacitor instead of T2 to bypass the capacitor; when the arm current ip(n),k < 0, the module is in normal operation;
| State No. | Current | Status | Gating Signal | Arm Current goes Through | Capacitor | Capacitor Voltage |
|---|---|---|---|---|---|---|
| 1st | ip(n),k > 0 | T1 on, T2 off | Sp(n),i,k = 1 | D1 and C | Charged | Increased |
| 2nd | ip(n),k > 0 | T1 off, T2 on | Sp(n),i,k = 0 | D1 and C | Charged | Increased |
| 3rd | ip(n),k < 0 | T1 on, T2 off | Sp(n),i,k = 1 | T1 and C | Discharged | Decreased |
| 4th | ip(n),k < 0 | T1 off, T2 on | Sp(n),i,k = 0 | D2 | Bypassed | Stable |
- (4)
- Short-circuit fault in T1 or T2 (Figure 3c): as shown in Table 4, when the short-circuit fault happens in T1 (T2), the sub-module operates as normal if the corresponding IGBT T1 (T2) is turned on and the complementary IGBT T2 (T1) is turned off; when the complementary IGBT T2 (T1) is turned on, the capacitor discharged through the capacitor discharging loop which is formed by the short-circuited T1 (T2), the complementary IGBT T2 (T1) and the capacitor C. Due to the small time constant of the capacitor discharging loop, the capacitor discharged very quickly which leads to the rapid declines of capacitor voltage and the large short-circuit current in the faulty module. Generally the faulty module is bypassed and the arm current goes through the switch used to do overcurrent protection. However, with MMC topology, the arm current will go through D1 to charge C when the arm current is positive and go through D2 to discharge C with negative arm current. The capacitor voltage of the faulty module changes from zero to a small value compared to the normal capacitor voltages.
| State No. | Current | Status | Gating Signal | Arm Current Go through | Capacitor | Capacitor Voltage |
|---|---|---|---|---|---|---|
| 1st | ip(n),k > 0 | T1 on, T2 off | Sp(n),i,k = 1 | D1 and C | Bypassed | Increased |
| 2nd | ip(n),k > 0 | T1 off, T2 on | Sp(n),i,k = 0 | D1 and C | Bypassed | Increased |
| 3rd | ip(n),k < 0 | T1 on, T2 off | Sp(n),i,k = 1 | D2 and C | Bypassed | Decreased |
| 4th | ip(n),k < 0 | T1 off, T2 on | Sp(n),i,k = 0 | D2 and C | Bypassed | Decreased |
3. Proposed Fault Identification Method for MMC

3.1. Fault Detection
| Features | Phase A | Phase B | Phase C | ||||||
|---|---|---|---|---|---|---|---|---|---|
| Open-Circuit Fault | Short-Circuit Fault | Open-Circuit Fault | Short-Circuit Fault | Open-Circuit Fault | Short-Circuit Fault | ||||
| T1 | T2 | T1 | T2 | T1 | T2 | ||||
| e1 | >kOT1 | <−kOT2 | >kS | <−kOT1 | >kOT2 | >kS | 0 | 0 | <−kS |
| e2 | >kOT1 | <−kOT2 | >kS | 0 | 0 | <−kS | <−kOT1 | >kOT2 | >kS |
| e3 | 0 | 0 | <−kS | >kOT1 | <−kOT2 | >kS | <−kOT1 | >kOT2 | >kS |
3.2. Fault Localization
3.2.1. Mode 1: Normal Operation
3.2.2. Mode 2: Open-Circuit Fault in T1
3.2.3. Mode 3: Open-Circuit Fault in T2
3.2.4. Mode 4: Short-Circuit Fault in T1 or T2
| Fault Type | Specification | Modification Strategy |
|---|---|---|
| Mode 1 | Normal condition | Sp(n),i,k = 1 |
| Mode 2 | Open-circuit fault in T1 | S'p(n),i,k = (ip(n),k > 0 && Sp(n),i,k = 1) |
| Mode 3 | Open-circuit fault in T2 | S''p(n),i,k = not (ip(n),k < 0 && Sp(n),i,k = 0) |
| Mode 4 | Short-circuit fault in T1 or T2 | S'''p(n),i,k = 0 |
4. Simulation Results

| Parameter | Value | Parameter | Value |
|---|---|---|---|
| Rated active power P | 20 MW | Arm resistor R | 0.05 Ω |
| Rated DC-link voltage Vdc | 60 kV | Number of sub-module N | 12 |
| Rated AC grid voltage Vac | 30 kV | Switching frequency fs | 1.2 kHz |
| Sub-module Capacitor C | 0.8 mF | Fundamental frequency f | 50 Hz |
| Arm inductor L | 5 mH | Modulation index M | 0.9 |
4.1. Normal Operation




4.2. Open-Circuit Fault in T1



4.3. Open-Circuit Fault in T2


4.4. Short-Circuit Fault in T1 or T2


5. Conclusions
Author Contributions
Conflicts of Interest
References
- Marquardt, R.; Lesnicar, A.; Hildinger, J. Modulares Stromrichterkonzept für Netzkupplungsanwendung bei hohen Spannungen; ETG-Fachtagung: Bad Nauheim, Germany, 2002. [Google Scholar]
- Westerweller, T.; Friedrich, K.; Armonies, U.; Orini, A.; Parquet, D.; When, S. Trans bay cable—World’s first HVDC system using multilevel voltage-sourced converter. In Proceedings of the CIGRE Session 2010, Paris, France, 22–27 August 2010.
- Xu, J.Z.; Zhao, C.Y.; Liu, W.J.; Guo, C.Y. Accelerated Model of Modular Multilevel Converters in PSCAD/EMTDC. IEEE Trans. Power Deliv. 2013, 28, 129–136. [Google Scholar] [CrossRef]
- Siemens HVDC Project. Available online: http://www.energy.siemens.com/us/en/power-transmission/hvdc/hvdc-plus/references.htm#content=2014%20INELFE%2C%20France-Spain (accessed on 16 April 2015).
- Glinka, M.; Marquardt, R. A New AC/AC-Multilevel Converter Family Applied to a Single-phase Converter. IEEE Trans. Ind. Electron. 2005, 52, 662–669. [Google Scholar] [CrossRef]
- Lesnicar, A.; Marquardt, R. An Innovative Modular Multilevel Converter Topology Suitable for a Wide Power Range. In Proceedings of the IEEE Power Tech Conference, Bologna, Italy, 23–26 June 2003.
- Song, W.; Huang, A. Fault-tolerant design and control strategy for cascaded h-bridge multilevel converter-based statcom. IEEE Trans. Ind. Electron. 2010, 57, 2700–2708. [Google Scholar] [CrossRef]
- Lezana, P.; Aguilera, R.; Rodríguez, J. Fault Detection on Multicell Converter Based on Output Voltage Frequency Analysis. IEEE Trans. Ind. Electron. 2009, 56, 2275–2283. [Google Scholar] [CrossRef]
- Yazdani, A.; Sepahvand, H.; Crow, M.L.; Ferdowsi, M. Fault detection and mitigation in multilevel STATCOMs. IEEE Trans. Ind. Electron. 2011, 58, 1307–1315. [Google Scholar] [CrossRef]
- Shao, S.; Wheeler, P.W.; Clare, J.C.; Watson, A.J. Fault detection for modular multilevel converters based on sliding mode observer, IEEE Trans. Power Electron. 2013, 28, 4867–4872. [Google Scholar] [CrossRef]
- Deng, F.J.; Chen, Z.; Khan, M.R. Fault detection and localization of modular multilevel converter. IEEE Trans. Power Electron. 2015, 30, 2721–2732. [Google Scholar] [CrossRef]
- Liu, H.; Loh, P.C.; Blaabjerg, F. Sub-module Short Circuit Fault Diagnosis in Modular Multilevel Converter based on WT and ANFIS. Electr. Power Compon. Syst. 2015, 43, 1080–1088. [Google Scholar] [CrossRef]
- Khomfoi, S.; Tolbert, L.M. Fault diagnosis and reconfiguration for multilevel inverter drive using AI-based techniques. IEEE Trans. Ind. Electron. 2007, 54, 2954–2968. [Google Scholar] [CrossRef]
- Khomfoi, S.; Tolbert, L.M. Fault diagnosis system for a multilevel inverter using a neural network. IEEE Trans. Ind. Electron. 2007, 22, 1062–1069. [Google Scholar]
- Jiang, W.; Wang, C.; Wang, M. Fault detection and Remedy of Multilevel Inverter based on BP Neural Network. In Proceedings of the Asia-Pacific Power and Energy Engineering Conference (APPEEC), Shanghai, China, 27–29 March 2012; pp. 1–4.
- Sedghi, S.; Dastfan, A.; Ahmadyfard, A. Fault detection of a seven level modular multilevel inverter via voltage histogram and neural network. In Proceedings of the Energy Conversion Congress and Exposition (ECCE), Shilla Jeju, Korea, 30 May–3 June 2011; pp. 1005–1012.
- Krener, A.J.; Xiao, M.Q. Nonlinear observer design in the siegel domain. J. Control Optim. 2002, 41, 932–953. [Google Scholar] [CrossRef]
- Blaabjerg, F.; Teodorescu, R.; Liserre, M. Overview of control and grid synchronization for distributed power generation systems. IEEE Trans. Ind. Electron. 2006, 53, 1398–1409. [Google Scholar] [CrossRef]
- Liu, H.; Loh, P.C.; Ma, K.; Blaabjerg, F. State observer design of modular multilevel converter. In. In Proceedings of the IEEE International Symposiums on Power Electronics for Distributed Generation Systems (PEDG), Aachen, Germany, 22–25 June 2015; pp. 413–418.
- Blaabjerg, F.; Liserre, M.; Ma, K. Power electronics converters for wind turbine systems. IEEE Trans. Ind. Appl. 2011, 48, 708–719. [Google Scholar] [CrossRef]
© 2015 by the authors; licensee MDPI, Basel, Switzerland. This article is an open access article distributed under the terms and conditions of the Creative Commons Attribution license (http://creativecommons.org/licenses/by/4.0/).
Share and Cite
Liu, H.; Ma, K.; Loh, P.C.; Blaabjerg, F. Online Fault Identification Based on an Adaptive Observer for Modular Multilevel Converters Applied to Wind Power Generation Systems. Energies 2015, 8, 7140-7160. https://doi.org/10.3390/en8077140
Liu H, Ma K, Loh PC, Blaabjerg F. Online Fault Identification Based on an Adaptive Observer for Modular Multilevel Converters Applied to Wind Power Generation Systems. Energies. 2015; 8(7):7140-7160. https://doi.org/10.3390/en8077140
Chicago/Turabian StyleLiu, Hui, Ke Ma, Poh Chiang Loh, and Frede Blaabjerg. 2015. "Online Fault Identification Based on an Adaptive Observer for Modular Multilevel Converters Applied to Wind Power Generation Systems" Energies 8, no. 7: 7140-7160. https://doi.org/10.3390/en8077140
APA StyleLiu, H., Ma, K., Loh, P. C., & Blaabjerg, F. (2015). Online Fault Identification Based on an Adaptive Observer for Modular Multilevel Converters Applied to Wind Power Generation Systems. Energies, 8(7), 7140-7160. https://doi.org/10.3390/en8077140

