Performance of Thermosyphon Solar Water Heaters in Series
Abstract
:1. Introduction

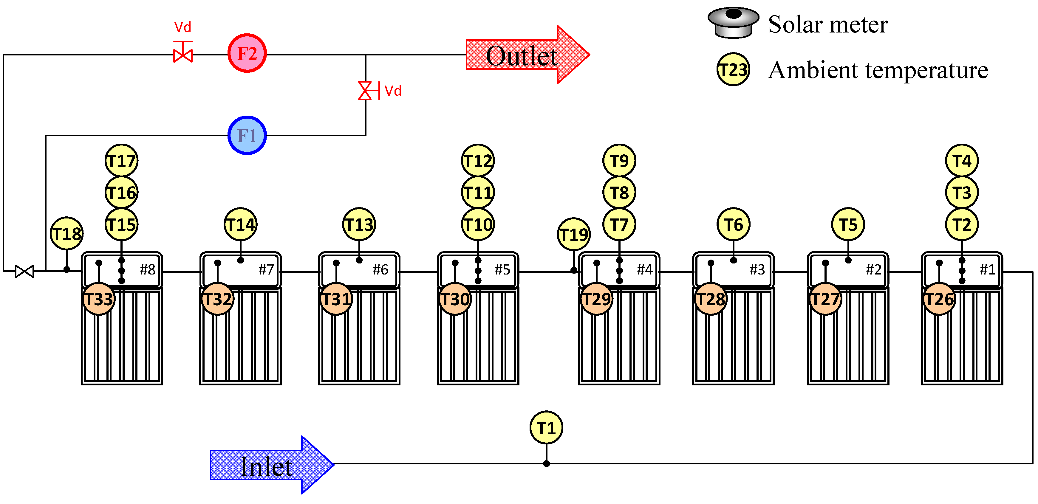
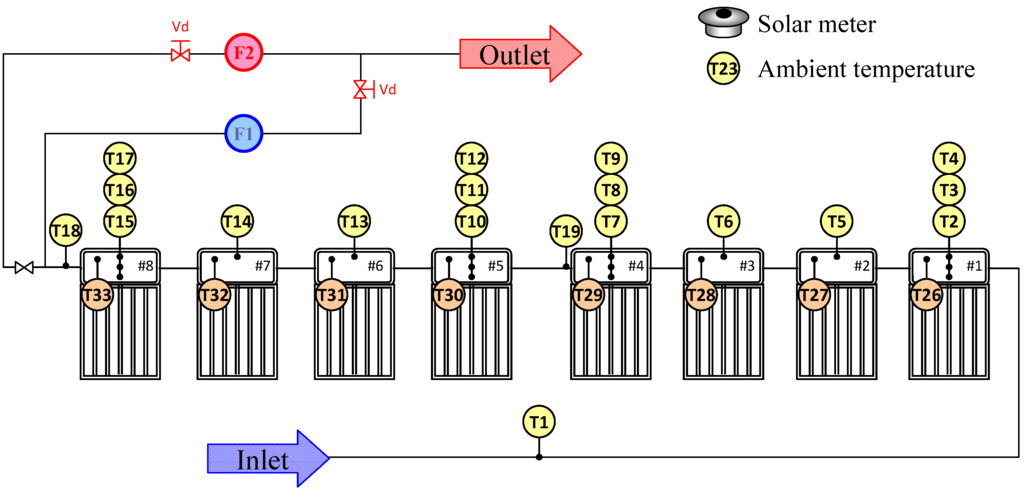
2. Experimental Setup
2.1. Experimental Apparatus
| Collector aperture area | 1.43 m2 (1471 mm × 970 mm) |
| Collector cover material | Single tempered glass, 3 mm thickness |
| Collector channel | 24 tubes of 8 mm internal diameter |
| Collector absorber | Non-selective absorbing surface-SUS444 |
| Collector slope | 30° |
| Storage | Horizontal tank, volume: 125 L |

2.2. Water Draw-off Profiles
| Time | DP-I | DP-II | DP-III |
|---|---|---|---|
| 10:00 | 250 L (50 min) | 125 L (25 min) | |
| 11:00 | 125 L (25 min) | ||
| 12:00 | 250 L (50 min) | 125 L (25 min) | |
| 13:00 | 125 L (25 min) | ||
| 14:00 | 250 L (50 min) | 125 L (25 min) | |
| 15:00 | 125 L (25 min) | 750 L (150 min, 15:30–18:00) | |
| 16:00 | 125 L (25 min) |
| Test condition | Date | Test period | I, W/m2 | Ta, °C |
|---|---|---|---|---|
| 10 LPM | 2011.06.10 | 09.45–11:25 | 783 | 33.9 ± 0.7 |
| 5 LPM | 2011.06.15 | 10:15–13:45 | 826 | 34.0 ± 2.0 |
| 1.7 LPM | 2011.04.08 | 10:00–16:00 | 791 | 28.5 ± 1.8 |
| 0.8 LPM | 2011.04.15 | 10:00–16:00 | 721 | 29.4 ± 1.5 |
2.3. Data Reduction

3. Results and Discussion
3.1. No-Load and Intermittent Load Cases


3.2. Continuous Load






4. Conclusions
- After a water draw-off period, the tank water would redistribute itself and temperature stratification was redeveloped within a short period under intermittent load conditions.
- The thermal efficiency for intermittent load conditions is about 5.8% to 7.0% higher than the value for the no-load condition.
- Under continuous load conditions, the temperature stratification in tanks is only preserved at flow rates less than the thermosyphon flow rate. The discharge efficiency decreases significantly for systems comprised of more than four thermosyphon SWHs, and there is no useful energy transferred to the water.The overall efficiency increases with an increase in the flow rate. Thermosyphon SWHs show more dependence on water draw-off profiles than temperature stratification in tanks. In addition, a series-parallel combination of thermosyphon SWHs would have a good performance for industrial applications.
Acknowledgments
References
- Weiss, W.; Bergmann, I.; Faninger, G. Solar Heat Worldwide: Markets and Contribution to the Energy Supply 2009 (Edition 2011); Institute for Sustainable Technologies: Gleisdorf, Austria, May 2011. [Google Scholar]
- Roulleau, T.; Lloyd, C.R. International policy issues regarding solar water heating, with a focus on New Zealand. Energy Policy 2008, 36, 1843–1857. [Google Scholar] [CrossRef]
- Karagiorgas, M.; Botzios, A.; Tsoutsos, T. Industrial solar thermal applications in Greece economic evaluation, quality requirements and case studies. Renew. Sustain. Energy Rev. 2001, 5, 157–173. [Google Scholar] [CrossRef]
- Chang, K.C.; Lee, T.S.; Chung, K.M. Solar water heaters in Taiwan. Renew. Energy 2006, 31, 1299–1308. [Google Scholar] [CrossRef]
- Li, Z.S.; Zhang, G.Q.; Li, D.M.; Zhou, J.; Li, L.J.; Li, L.X. Application and development of solar energy in building industry and its prospects in China. Energy Policy 2007, 35, 4121–4127. [Google Scholar] [CrossRef]
- Chang, K.C.; Lee, T.S.; Lin, W.M.; Chung, K.M. Outlook for solar water heaters in Taiwan. Energy Policy 2008, 36, 66–72. [Google Scholar] [CrossRef]
- Chang, K.C.; Lin, W.M.; Ross, G.; Chung, K.M. Dissemination of solar water heaters in South Africa. J. Energy South. Afr. 2011, 22, 2–7. [Google Scholar]
- Zago, M.; Casalegno, A.; Marchesi, R.; Rinaldi, F. Efficiency analysis of independent and centralized heating systems for residential buildings in Northern Italy. Energies 2011, 4, 2115–2131. [Google Scholar] [CrossRef]
- Duffie, J.A.; Beckman, W.A. Solar Engineering of Thermal Processes; John Wiley Sons: Hoboken, NJ, USA, 1980; Chapter 12; pp. 487–497. [Google Scholar]
- Prapas, D.E.; Veliannis, I.; Evangelopoulos, A.; Sotiropoulos, B.A. Large DHW solar systems with distributed storage tanks. Sol. Energy 1995, 35, 175–184. [Google Scholar] [CrossRef]
- Chang, K.C.; Lin, W.M.; Lee, T.S.; Chung, K.M. Local market of solar water heaters in Taiwan: Review and perspectives. Renew. Sustain. Energy Rev. 2009, 13, 2605–2612. [Google Scholar] [CrossRef]
- Lin, W.M.; Chang, K.C.; Liu, Y.M.; Chung, K.M. Field surveys of non-residential solar water heating systems in Taiwan. Energies 2012, 5, 258–269. [Google Scholar] [CrossRef]
- Garg, H.P. Design and performance of a large-size solar water heater. Sol. Energy 1973, 14, 303–312. [Google Scholar] [CrossRef]
- Shitzer, A.; Kalmanoviz, Y.; Zvirin, Y.; Grossman, G. Experiments with a flat plate solar water heating system in thermosyphonic flow. Sol. Energy 1978, 22, 27–33. [Google Scholar] [CrossRef]
- Mishra, R.S. Theoretical and experimental studies of pressurized and non-pressurized solar water heating systems of thermosyphonic type. Renew. Energy 1992, 2, 371–384. [Google Scholar] [CrossRef]
- Shariah, A.M.; Lof, G.O.G. The optimization of tank-volume-to-collector-area ratio for a thermosyphon solar water heater. Renew. Energy 1996, 7, 289–300. [Google Scholar] [CrossRef]
- Karaghouli, A.A.; Alnaser, W.E. Experimental study on thermosyphon solar water heater in Bahrain. Renew. Energy 2001, 24, 389–396. [Google Scholar] [CrossRef]
- Belessiotis, V.; Mathioulakis, E. Analytical approach of thermosyphon solar domestic hot water system performance. Sol. Energy 2002, 72, 307–315. [Google Scholar] [CrossRef]
- Michaelides, I.; Eleftheriou, P.; Siamas, G.A.; Roditis, G.; Kyriacou, P. Experimental investigation of the night losses of hot water storage tanks in thermosyphon solar water heaters. J. Renew. Sustain. Energy 2011, 3, 033103:1–033103:9. [Google Scholar] [CrossRef]
- Young, M.F.; Berguam, J.B. The performance of a thermosyphon solar domestic hot water system with hot water removal. Sol. Energy 1984, 32, 655–658. [Google Scholar] [CrossRef]
- Young, M.F.; Bauhn, J.W. An investigation of thermal stratification in horizontal storage tanks. ASME J. Sol. Energy Eng. 1981, 103, 286–290. [Google Scholar] [CrossRef]
- Jannatabadi, M.; Taherian, H. An experimental study of influence of hot water consumption rate on the thermal stratification inside a horizontal mantle storage tank. Heat Mass Transf. 2012. [Google Scholar] [CrossRef]
- Prapas, D.E.; Veliannis, I.; Evangelopoulos, A.; Sotiropoulos, B.A. Beneficial interconnection of two thermosyphon DHW solar systems. Appl. Energy 1994, 49, 47–60. [Google Scholar] [CrossRef]
- Morrison, G.L.; Braun, J.E. System modelling and operation characteristics of thermosyphon solar water heaters. Sol. Energy 1985, 34, 389–405. [Google Scholar] [CrossRef]
- Sezai, I.; Aldabbagh, L.B.Y.; Atikol, U.; Hacisevki, H. Performance improvement by using dual heaters in a storage-type domestic electric water heater. Appl. Energy 2005, 81, 291–305. [Google Scholar] [CrossRef]
© 2012 by the authors; licensee MDPI, Basel, Switzerland. This article is an open access article distributed under the terms and conditions of the Creative Commons Attribution license (http://creativecommons.org/licenses/by/3.0/).
Share and Cite
Liu, Y.-M.; Chung, K.-M.; Chang, K.-C.; Lee, T.-S. Performance of Thermosyphon Solar Water Heaters in Series. Energies 2012, 5, 3266-3278. https://doi.org/10.3390/en5093266
Liu Y-M, Chung K-M, Chang K-C, Lee T-S. Performance of Thermosyphon Solar Water Heaters in Series. Energies. 2012; 5(9):3266-3278. https://doi.org/10.3390/en5093266
Chicago/Turabian StyleLiu, Yi-Mei, Kung-Ming Chung, Keh-Chin Chang, and Tsong-Sheng Lee. 2012. "Performance of Thermosyphon Solar Water Heaters in Series" Energies 5, no. 9: 3266-3278. https://doi.org/10.3390/en5093266
APA StyleLiu, Y.-M., Chung, K.-M., Chang, K.-C., & Lee, T.-S. (2012). Performance of Thermosyphon Solar Water Heaters in Series. Energies, 5(9), 3266-3278. https://doi.org/10.3390/en5093266

