Fault Location in Power Electrical Traction Line System
Abstract
:1. Introduction
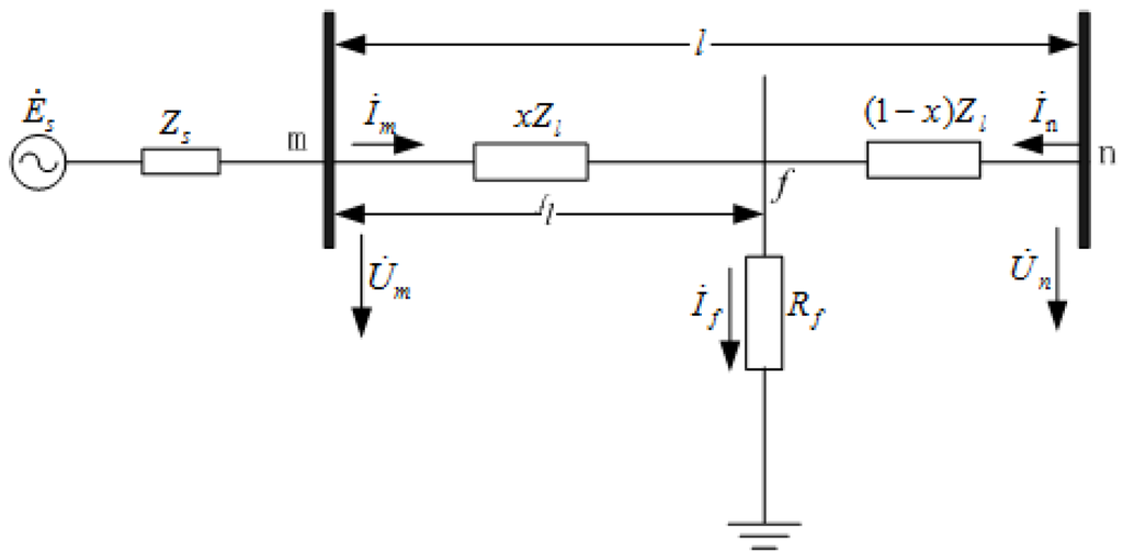
2. The Algorithms of Fault Distance Measurement
2.1. The Algorithm of Fault Location Calculation without Locomotive Consideration

| Parameter | Value |
|---|---|
| /(Ω/km) | 0.1–0.3 |
| /(mH/km) | 1.4–2.3 |
| /(nF/km) | 10–14 |
2.1.1. Lumped Transmission Line Parameter Condition

2.1.2. Distribution Transmission Line Parameter Condition


2.2. Fault Distance Measurement with the Consideration of Locomotive

2.3. The Algorithm of Fault Distance Measurement When Locomotive Is Regarded as a Constant Power Load
3. Simulation Results
( | Fault distance measurement and results | ||||||
|---|---|---|---|---|---|---|---|
| Reactance | Lumped para (M1) | Distributed para (M2) | |||||
| Calculated | (%) | Calculated | (%) | Calculated | (%) | ||
| 0 | 6 | 5.9691 | 0.1030 | 5.9691 | 0.1030 | 6.0001 | 0.0003 |
| 14 | 13.9288 | 0.2373 | 13.9288 | 0.2373 | 14.0013 | 0.0043 | |
| 26 | 25.8733 | 0.4223 | 25.8733 | 0.4223 | 26.0083 | 0.0277 | |
| 50 | 6 | 5.4884 | 1.7053 | 5.4884 | 1.7053 | 6.0169 | 0.0563 |
| 14 | 13.4355 | 1.8817 | 13.4355 | 1.8817 | 14.0258 | 0.0860 | |
| 26 | 25.3421 | 2.1930 | 25.3421 | 2.1930 | 26.0255 | 0.0850 | |
| 100 | 6 | 4.0522 | 6.4927 | 4.0522 | 6.4927 | 6.03376 | 0.1125 |
| 14 | 11.9867 | 6.7110 | 11.9867 | 6.7110 | 14.0503 | 0.1677 | |
| 26 | 23.8542 | 7.1527 | 23.8542 | 7.1527 | 26.0427 | 0.1423 | |
| Locomotive load | Fault distance | Fault distance measurement and results | |||
|---|---|---|---|---|---|
| Reactance | New algorithm (M3) | ||||
| Calculated | (%) | Calculated | (%) | ||
| 6 | 5.9600 | 0.1333 | 6.0473 | 0.1579 | |
| 14 | 13.1838 | 2.7207 | 14.4146 | 1.3820 | |
| 26 | 21.8284 | 13.9052 | 26.9293 | 3.0978 | |
| 6 | 5.9609 | 0.1303 | 6.0424 | 0.1415 | |
| 14 | 13.2589 | 2.4703 | 14.3728 | 1.2427 | |
| 26 | 22.2239 | 12.5870 | 26.8403 | 2.8012 | |
| 6 | 5.9616 | 0.1278 | 6.0384 | 0.1283 | |
| 14 | 13.3204 | 2.2653 | 14.3387 | 1.1291 | |
| 26 | 22.5508 | 11.4973 | 26.7670 | 2.5567 | |
| Locomotive load | Fault distance | Fault distance measurement and results | |||
|---|---|---|---|---|---|
| Reactance | New algorithm (M3) | ||||
| Calculated | (%) | Calculated | (%) | ||
| 6 | 5.4592 | 1.8027 | 6.0499 | 0.1666 | |
| 14 | 9.4120 | 15.2930 | 14.564 | 1.8830 | |
| 26 | 14.4751 | 38.4163 | 27.2918 | 4.3060 | |
| 6 | 5.4868 | 1.7105 | 6.0445 | 0.1485 | |
| 14 | 9.6849 | 14.3835 | 14.4936 | 1.6453 | |
| 26 | 15.1344 | 36.2185 | 27.1305 | 3.7683 | |
| 6 | 5.5112 | 1.6293 | 6.0405 | 0.1352 | |
| 14 | 9.9272 | 13.5760 | 14.4385 | 1.4617 | |
| 26 | 15.7247 | 34.2510 | 27.0048 | 3.3493 | |
| Locomotive load | Fault distance | Fault distance measurement and results | |||
|---|---|---|---|---|---|
| Reactance | New algorithm (M3) | ||||
| Calculated | (%) | Calculated | (%) | ||
| 6 | 5.1116 | 2.9613 | 6.0540 | 0.1802 | |
| 14 | 7.1568 | 22.8107 | 14.7998 | 2.6660 | |
| 26 | 9.9079 | 53.6401 | 27.8583 | 6.1944 | |
| 6 | 5.1260 | 2.9133 | 6.0478 | 0.1594 | |
| 14 | 7.3888 | 22.0371 | 14.6809 | 2.2697 | |
| 26 | 10.4525 | 51.8250 | 27.5800 | 5.2667 | |
| 6 | 5.1394 | 2.8684 | 6.0437 | 0.1460 | |
| 14 | 7.6073 | 21.3089 | 14.5921 | 1.9738 | |
| 26 | 10.9677 | 50.1077 | 27.3710 | 4.5700 | |
| Locomotive load | Fault distance | Fault distance measurement and results | |||
|---|---|---|---|---|---|
| Reactance | New algorithm (M3) | ||||
| Calculated | (%) | Calculated | (%) | ||
| 6 | 4.8602 | 3.7990 | 6.0613 | 0.2043 | |
| 14 | 5.8106 | 27.2978 | 15.2187 | 4.0625 | |
| 26 | 7.1359 | 62.8801 | 28.868 | 9.5600 | |
| 6 | 4.8440 | 3.8533 | 6.0535 | 0.1785 | |
| 14 | 5.9320 | 26.8932 | 15.0100 | 3.3667 | |
| 26 | 7.4535 | 61.8215 | 28.3701 | 7.9003 | |
| 6 | 4.8279 | 3.9069 | 6.0493 | 0.1646 | |
| 14 | 6.0521 | 26.4929 | 14.8594 | 2.8647 | |
| 26 | 7.7684 | 60.7720 | 28.0080 | 6.6936 | |
| Transient resistance | Fault distance | Fault distance measurement and results | |||
|---|---|---|---|---|---|
| Reactance | New algorithm (M4) | ||||
| Calculated | (%) | Calculated | (%) | ||
| 0 | 6 | 5.9690 | 0.1030 | 5.8899 | 0.3670 |
| 14 | 13.3714 | 2.0953 | 14.0058 | 0.0193 | |
| 26 | 22.2777 | 12.4077 | 25.7049 | 0.0193 | |
| 50 | 6 | 4.7854 | 4.0487 | 6.66124 | 2.2010 |
| 14 | 11.5264 | 8.2453 | 15.2937 | 4.3123 | |
| 26 | 19.4371 | 21.8763 | 27.3500 | 4.5000 | |
| 100 | 6 | 3.7350 | 7.5500 | 7.6162 | 5.3873 |
| 14 | 9.9142 | 13.6193 | 16.8078 | 9.3593 | |
| 26 | 16.9867 | 30.0443 | 29.2622 | 10.8740 | |
4. Conclusions
Acknowledgments
References
- Ekici, S. Support vector machines for classification and locating faults on transmission lines. Appl. Soft Comput. 2012, 12, 1650–1658. [Google Scholar] [CrossRef]
- Robert, S.; Stanislaw, O. Accurate fault location in the power transmission line using support vector machine approach. IEEE Trans. Power Syst. 2004, 19, 979–986. [Google Scholar]
- De Morais Pereira, C.E.; Zanetta, L.C., Jr. An optimisation approach for fault location in transmission lines using one terminal data. Int. J. Electr. Power Energy Syst. 2007, 29, 290–296. [Google Scholar] [CrossRef]
- Takagi, T.; Yamakoshi, Y.; Yamaura, M. Development of a new type fault locator using the one-terminal voltage and current data. IEEE Trans. PAS 1982, 101, 2892–2898. [Google Scholar] [CrossRef]
- Waikar, D.L.; Chin, P.S.M. Fast and accurate parameter estimation algorithm for digital distance relaying. Electr. Power Syst. Res. 1998, 44, 53–60. [Google Scholar] [CrossRef]
- Zivanovic, R. An application of global sensitivity analysis in evaluation of transmission line fault-locating algorithms. Procedia Soc. Behav. Sci. 2010, 2, 7780–7781. [Google Scholar] [CrossRef]
- Avdakovic, S.; Nubanovic, A.; Kusljugic, M.; Kusljugicb, M.; Musica, M. Wavelet transform applications in power system dynamics. Electr. Power Syst. Res. 2012, 83, 237–245. [Google Scholar] [CrossRef]
- Bernadi, A.; Leonowicz, Z. Fault location in power networks with mixed feeders using the complex space-phasor and hilbert-huang transform. Electr. Power Energy Syst. 2012, 42, 208–219. [Google Scholar] [CrossRef]
- Jung, H.; Park, Y.; Han, M.; Leea, C.; Parka, H.; Shinb, M. Novel technique for fault location estimation on parallel transmission lines using wavelet. Electr. Power Energy Syst. 2007, 29, 76–82. [Google Scholar] [CrossRef]
- Firouzjah, K.G.; Sheikholeslami, A. A current independent method based on synchronized voltage measurement for fault location on transmission lines. Simul. Model. Pract. Theory 2009, 17, 692–707. [Google Scholar] [CrossRef]
- Guobing, S.; Jiale, S.; Ge, Y. An accurate fault location algorithm for parallel transmission lines using one-terminal data. Electr. Power Energy Syst. 2009, 31, 124–129. [Google Scholar]
- Liao, Y. Transmission line fault location algorithms without requiring Line parameters. Electr. Power Compon. Syst. 2008, 36, 1218–1225. [Google Scholar] [CrossRef]
- Lin, X.; Weng, H.; Wang, B. A generalized method to improve the location accuracy of the single-ended sampled data and lumped parameter model based fault locators. Electr. Power Energy Syst. 2009, 31, 201–205. [Google Scholar] [CrossRef]
- Funk, A.T.; Malik, O.P. Impedance estimation including ground fault resistance error correction for distance protection. Electr. Power Energy Syst. 2000, 22, 59–66. [Google Scholar] [CrossRef]
- Jiale, S.; Qi, J. An accurate fault location algorithm for transmission line based on R-L model parameter identification. Electr. Power Syst. Res. 2005, 76, 17–24. [Google Scholar]
- Lian, B.; Salama, M.M.A.; Chikhani, A.Y. A time domain differential equation approach using distributed parameter line model for transmission line fault location algorithm. Electr. Power Syst. Res. 1998, 46, 1–10. [Google Scholar] [CrossRef]
- Mardiana, R.; Motairy, H.A.; Su, C.Q. Ground fault location on a transmission line using high-frequency transient voltages. IEEE Trans. Power Deliv. 2011, 26, 1298–1299. [Google Scholar] [CrossRef]
- Jiale, S.; Guobing, S.; Xu, Q.; Chao, Q. Time-domain fault location algorithm for parallel transmission lines using unsynchronized currents. Electr. Power Energy Syst. 2006, 28, 253–260. [Google Scholar] [CrossRef]
- Jiang, Z.; Miao, S.; Xu, H.; Liu, P.; Zhang, B. An effective fault location technique for transmission grids using phasor measurement units. Electr. Power Energy Syst. 2012, 42, 653–660. [Google Scholar] [CrossRef]
- Cheng, W.; Xu, G.; Mu, L. A novel fault location algorithm for traction network based on distributed parameter line model. Proc. CSU-EPSA 2005, 17, 63–66. [Google Scholar]
- Borghetti, A.; Corsi, S.; Nucci, C.A.; Paolone, M.; Peretto, L.; Tinarelli, R. On the use of continuous-wavelet transform for fault location in distribution power systems. Electr. Power Energy Syst. 2006, 28, 608–617. [Google Scholar] [CrossRef]
- Fan, C.; Li, K.K.; Chan, W.L.; Yu, W.; Zhang, Z. Application of wavelet fuzzy neural network in locating single line to ground fault in distribution lines. Electr. Power Energy Syst. 2007, 29, 497–503. [Google Scholar]
- Ngu, E.E.; Ramar, K. A combined impedance and traveling wave based fault location method for multi-terminal transmission lines. Electr. Power Energy Syst. 2011, 33, 1767–1775. [Google Scholar] [CrossRef]
- Mariscotti, A.; Pozzobon, P. Synthesis of line impedance expressions for railway traction systems. IEEE Trans. Vehicular Technol. 2003, 52, 420–430. [Google Scholar] [CrossRef]
- Qiu, G. Theory of Circuit, 5th ed.; The Advaced Education Publisher: Xi’an, China, 2006. [Google Scholar]
© 2012 by the authors; licensee MDPI, Basel, Switzerland. This article is an open access article distributed under the terms and conditions of the Creative Commons Attribution license (http://creativecommons.org/licenses/by/3.0/).
Share and Cite
Zhou, Y.; Xu, G.; Chen, Y. Fault Location in Power Electrical Traction Line System. Energies 2012, 5, 5002-5018. https://doi.org/10.3390/en5125002
Zhou Y, Xu G, Chen Y. Fault Location in Power Electrical Traction Line System. Energies. 2012; 5(12):5002-5018. https://doi.org/10.3390/en5125002
Chicago/Turabian StyleZhou, Yimin, Guoqing Xu, and Yanfeng Chen. 2012. "Fault Location in Power Electrical Traction Line System" Energies 5, no. 12: 5002-5018. https://doi.org/10.3390/en5125002
APA StyleZhou, Y., Xu, G., & Chen, Y. (2012). Fault Location in Power Electrical Traction Line System. Energies, 5(12), 5002-5018. https://doi.org/10.3390/en5125002
