Next Article in Journal
SATUFER Method for Determining the Degree of Lubricating Oil Dilution with Diesel Oil in an Internal Combustion Engine Lubrication System
Previous Article in Journal
Overvoltage Elimination via Distributed Backstepping-Controlled Converters in Near-Zero-Energy Buildings Under Excess Solar Power to Improve Distribution Network Reliability
 
 
Font Type:
Arial Georgia Verdana
Font Size:
Aa Aa Aa
Line Spacing:
Column Width:
Background:
Article

Secondary Frequency and Voltage Regulation of dVOC-Based Microgrids Based on Distributed Model Predictive Control

1
School of Control Science and Engineering, Shandong University, Jinan 250061, China
2
School of Automation, Qingdao University, Qingdao 266071, China
*
Author to whom correspondence should be addressed.
Energies 2026, 19(8), 1834; https://doi.org/10.3390/en19081834
Submission received: 25 February 2026 / Revised: 29 March 2026 / Accepted: 2 April 2026 / Published: 8 April 2026

Abstract

In order to address the challenges of frequency fluctuations and uneven voltage distributions in islanded microgrids, this paper proposes a distributed model predictive control (DMPC) strategy for secondary frequency and voltage regulation, and it adopts the virtual oscillator control (VOC) grid-forming method for the primary control. Firstly, the prediction model is constructed by integrating VOC dynamic equations with virtual inertia terms. Secondly, a cost function incorporating consensus constraints and tracking error terms is designed within the MPC framework, thereby achieving an optimal balance between dynamic consensus speed and steady-state tracking precision. Thirdly, the quadratic programming formulation strategy is used to solve the cost function optimization problem and update the DMPC outputs. Finally, simulation results verify that the proposed strategy ensures rapid frequency restoration and voltage regulation under sudden load variations and communication topology changes, while maintaining a smooth control process.

1. Introduction

With the global energy crisis and environmental issues becoming increasingly prominent, the penetration rate of distributed generation (DG) in microgrids has been continuously rising. Due to its intermittent operation and low efficiency, the system inertia has been decreasing, posing a potential threat to system stability [1]. In order to address the above issues, the grid-forming (GFM) control actively provides voltage and frequency support, achieving self-sufficiency of resources in islanded mode. Compared to droop control and the virtual synchronous generator (VSG), the virtual oscillator control (VOC) [2,3,4] realizes state synchronization by using nonlinear oscillator equations, exhibiting more advantageous dynamic performance. Furthermore, the inherent first-order characteristic of the VOC dynamic model limits the system’s dynamic adjustment capability against external disturbances. The dispatchable virtual oscillator control (dVOC) method contributes to adjustable power setpoints of VOC and offers a harmonic-free trajectory and nimbler dynamic performance. References [2,5] provide inertial support for DG and enhance system stability simultaneously by introducing a virtual inertia link.
Distributed microgrids rely on the primary control layer to ensure the stability of frequency and voltage, keeping them within the reasonable operating range. However, microgrid systems employing droop control or VSG as the primary control layer may experience deviations in frequency and voltage from their reference values when facing sudden load changes caused by impact loads, and accurate power sharing cannot be achieved due to differences in line impedances. The secondary control layer restores the system states to the rated values without steady-state error by compensating for the nominal values of voltage and frequency from the primary control [6], thus making up for the deviations of the primary control.
Typically, the secondary control layer of microgrids adopts a centralized structure, a decentralized structure, or a distributed structure [7,8,9]. Distributed control integrates the comprehensive advantages of the two former structures. Under this control structure, each DG processes the locally measured data and the data broadcast by adjacent nodes, then makes a comprehensive decision and sends out control signals, thus achieving the global optimization goal [10]. The application of distributed control in microgrids can effectively avoid the risk of single-point damage inherent in centralized control [11].
Based on the aforementioned distributed control architecture, various distributed strategies have been proposed in [12,13,14]. By leveraging sparse communication networks, each DG exchanges voltage, frequency or power information with adjacent nodes, thereby achieving the secondary control objectives of microgrids. A leader–follower consensus framework was proposed in [12] to ensure the coordinated control of all DGs. Under this framework, one or more nodes act as leaders, while the other nodes follow the leaders to ensure convergence to the reference values. For traditional secondary control based on consensus algorithms, the system variables will gradually converge to the desired setpoints, but fail to accurately reach these target values within the expected time [13]. In [14], the issues of frequency and voltage regulation as well as active and reactive power sharing in microgrids are addressed by combining the Distributed Averaging Proportional-Integral (DAPI) controller for frequency with a newly proposed voltage DAPI controller, forming a distributed dual-controller system that can meet the plug-and-play requirements. However, due to its linear characteristics, it is difficult to balance dynamic performance and stability during parameter tuning. To solve the problem of convergence speed, finite-time control is introduced in [15], which enhances the system’s recovery capability against disturbances. Nevertheless, the discontinuity of the controller in finite-time control may induce oscillation phenomena in practical systems. Oscillations not only affect the control accuracy, but also may compromise system stability.
Compared with conventional droop control and VSG-based control, VOC exhibits faster dynamic characteristics [4]. As a result, the secondary control layer in dVOC-based microgrids faces higher requirements in terms of dynamic response and coordinated regulation. Compared with the above distributed secondary control strategies, the model predictive control (MPC) features fast dynamic performance and provides a more systematic framework for future-state prediction, multi-objective coordination, and explicit penalty on excessive control actions. The MPC method predicts the future system state trajectories based on the discrete-time model of the system, and achieves multi-objective optimization by solving the cost function [16]. Compared with the above control strategies, microgrids under MPC exhibit accurate steady-state tracking and fast transient characteristics [17]. Meanwhile, multi-objective optimization and explicit constraint handling can be achieved by designing the cost function [18]. In [19], the balance between economic optimality and stability is adjusted by introducing a risk coefficient into the cost function, but this also makes the smoothness of control unguaranteed. Based on this, the cost function is redesigned by adding a control action penalty item in this paper to balance reference tracking, distributed coordination, and transient smoothness.
Existing MPC-based microgrid secondary control approaches share the receding-horizon optimization idea with the present work, but their control structures are different from the proposed framework. For instance, the distributed predictive controller in [18] is built on droop and power-transfer equations and explicitly incorporates communication connectivity and latency into the prediction model, while its control objectives focus on frequency and voltage regulation together with power consensus. In contrast, the proposed method is developed directly for dVOC-based microgrids. The nonlinear dVOC dynamics, augmented by a PD-based virtual inertia link, are successively linearized online and then used to construct the local prediction model. In addition, unlike VSG-based MPC approaches such as [17], where MPC is designed around VSG dynamics and optimized power increments are superposed on the VSG power reference, the present controller generates distributed secondary compensation signals for the voltage and frequency references of dVOC-based DGs. Therefore, the main methodological contribution of this work lies in embedding a distributed receding-horizon optimizer into a dVOC-oriented secondary-control structure, with explicit coordination, tracking, and control-increment smoothing in the cost function.
The main contributions of this work are summarized as follows:
(a)
The DMPC discrete-time model of the dVOC-based microgrids is established, while the PD controller is introduced in each DG inverter to enhance its inertia performance. This model enables the DMPC to accurately predict the system state trajectory, thereby calculating the optimal control action sequence.
(b)
The DMPC cost function is designed by introducing consensus constraint and tracking error terms to improve the coordination performance and tracking accuracy of inverters; the quadratic programming (QP) formulation is used to solve the optimization problem and generate distributed secondary compensation signals for voltage and frequency.
(c)
The proposed method simultaneously achieves dynamic consensus speed and steady-state tracking accuracy with load changes and communication topology changes; additionally, its system performance is superior to that of other control algorithms.
The structure of this paper is as follows. Section 2 establishes the system configuration and modeling of the distributed microgrid. In Section 3, the proposed secondary control strategy based on the DMPC control strategy is addressed. Section 4 verifies the effectiveness of the proposed strategy through simulation experiments. Section 5 summarizes this paper and describes the future work.

2. System Configuration and Modeling of dVOC-Based Microgrids

As shown in Figure 1, the three-phase DG inverters are connected to the AC bus of the microgrid via LC filters and equivalent grid impedance Zlinei, where Lfi and Cfi denote the inductance and capacitance of the LC filter, respectively. Vabci and Iabci represent the output three-phase voltage and the output current of the ith DG inverter, and i L i corresponds to the current on the ith DG inverter side, respectively.
In microgrids, the frequency and voltage stability of DGs are usually guaranteed by local primary controllers, while the distributed secondary controller is to eliminate deviations induced by the primary control. In this paper, the Andronov–Hopf (AHO) dVOC control strategy is used in the primary controllers for each DG, in which a voltage reference signal capable of autonomous regulation is constructed by directly integrating the power reference commands into the nonlinear dynamic model, thereby facilitating precise control over the inverter output power. The distributed MPC method is adopted for each secondary controller; the prediction sequence of neighbor nodes, Yj, is requisite. Additionally, it facilitates information exchange with other MPC controllers via communication nodes.

2.1. Modeling of the Communication Network

In this paper, the communication network comprising N nodes is modeled as an undirected graph G   =   ( V ,   E ,   A ) . Specifically, the node set V   =   { v 1 ,   v 2 ,   ,   v N } represents the N distributed MPC controllers in microgrids, while the edge set E     V × V describes the communication links among these controllers. The existence of a direct information transmission channel between node i and node j is denoted as ( i ,   j )     E . The adjacency matrix is defined as A   =   [ a ij ]     R N × N , where the entry a ij characterizes the connectivity between two nodes: if ( i ,   j )     E , then a ij   >   0 , with its value representing the communication weight between the nodes; otherwise, a ij   =   0 . Also, a ij   =   a ji in this full-duplex communication network. Furthermore, for any arbitrary node i , the neighbor set is defined as N i   =   {   j ( i ,   j ) E } , which comprises all neighbor nodes capable of exchanging data with node i . Assume there exists a virtual leader (node 0), and define the leader adjacent matrix as B = diag{b1, b2,…, bN}, in which bi = 1 if there is an edge from node 0 to node i; otherwise, bi = 0.
As shown in Figure 2, the adjacency matrix is described as
A = 0 1 0 1 0 1 0 0 1 0 0 0 0 0 1 1 1 0 0 1 0 0 1 1 0

2.2. Modeling of the dVOC Inverter

As discussed in [20], the dynamic model of the ith dVOC inverter is described as follows:
θ ˙ v o c i = ω v o c i = ω n o m k v k i 3 C V v o c i 2 P i P r e f V ˙ v o c i = ξ k v 2 V v o c i 2 V n o m 2 2 V v o c i 2 k v k i 3 C V v o c i Q i Q r e f
where θ voci , ω voci and V voci are the angle, angle frequency and voltage generated by the ith dVOC inverter, respectively. P ref and Q ref represent the reference values of active power and reactive power, P i and Q i represent the output active power and reactive power, respectively. V nom and ω nom are the nominal values of voltage and angular frequency of dVOC, respectively. ξ is the convergence coefficient, and k v and k i denote the voltage regulation coefficient and current regulation coefficient, respectively.
In order to enhance the inertial performance of the dVOC inverter, a PD controller is introduced in the power control link [5], thus the improved dynamic model of AHO is given as follows:
ω ˙ v o c i = 3 C V v o c i 2 k v k i k d + k p k d ω n i ω v o c i + 1 k d P 0 P i V ˙ v o c i = 2 ξ k v 2 V v o c i V n i 2 V v o c i 2 + k v k i 3 C V v o c i Q r e f Q i
where k p and k d are the proportional coefficient and derivative coefficient of the PD controller, respectively. In this paper, the VOC parameters P ref , Q ref , V nom , ω nom ,   k v , k i , k p and k d are identical for each DG.

2.3. Modeling of dVOC-Based Microgrids

Due to the nonlinear terms in the dVOC inverter model as shown in (3), modeling linearization is necessary to design the MPC controller. A first-order Taylor expansion of x ˙ =   f   ( x ,   u ,   d ) around the operating point ( x 0 ,   u 0 ,   d 0 ) yields
x ˙ = f x 0 , u 0 , d 0 + A δ x + B δ u + E δ d + α
where A , B , and E correspond to the Jacobian matrices of x ˙ =   f   ( x ,   u ,   d ) , δ x   =   x     x 0 , δ u   = u     u 0 , and δ d   =   d     d 0 , and α denotes the higher-order terms, respectively.
A = f x ( x 0 , u 0 , d 0 ) , B = f u ( x 0 , u 0 , d 0 ) , E = f d ( x 0 , u 0 , d 0 )
Here, for the ith dVOC inverter, take the state vector x i   =   ( ω voci ,   V voci ) T , the input vector u i   =   ( ω ni ,   V ni ) T , and the disturbance vector d i   =   ( P ni ,   Q ni ) T . By neglecting the higher-order terms α and subtracting f   ( x 0 i ,   u 0 i ,   d 0 i ) from both sides of (4), the linearized model is derived as
x ˙ i = A i x i + B i u i + E i d i
where
A i = 3 C V v o c i 2 k v k i k d k p k d 6 C V v o c i k v k i k d ω n i ω v o c i 0 2 ξ k v 2 V n i 2 3 V v o c i 2 k v k i 3 C V v o c i 2 Q r e f Q i T B i = 3 C V v o c i 2 k v k i k d + k p k d 0 0 4 ξ V v o c i V n i k v 2 , E i = 1 k d 0 0 k v k i 3 C V v o c i
For the optimization at the k-th sampling instant, the operating point of the i-th DG is updated by using the latest available system variables from the previous sampling instant, i.e., xi(k) = xi(k − 1), ui(k) = ui(k − 1), and di(k) = di(k − 1). Accordingly, the nonlinear dVOC dynamics are re-linearized at each prediction window around the updated operating point, and the resulting local linear model is used for prediction within the current horizon.

3. The Proposed Secondary Control Strategy Based on the Distributed Model Predictive Control

3.1. Model Discretization

Before deriving the prediction model, the system model is discretized utilizing the Forward Euler method, that is
x k + 1 = A u x k + B u u k + E u d k
where A u   =   I   + T s A i ,   B u   =   T s B i ,   E u   =   T s E i , t n   =   n T s with n   Z + , and T s represents the sampling period employed in the secondary control layer.
Thus, the discrete-time system model of ith dVOC inverter is derived as
Δ x i k + 1 = A u i Δ x i k + B u i Δ u i k + E u i Δ d i k
where Δ x i ( k + 1 )   =   x i ( k + 1 )     x i ( k ) ,   Δ u i ( k )   =   u i ( k )     u i ( k 1 ) , Δ d i ( k ) =   d i ( k )     d i ( k 1 ) .

3.2. Prediction Model

The output of the ith MPC controller is defined as
y i k + 1 = y i k + Δ x i k + 1
Taking the measured value at the latest time instant as the initial condition, the prediction horizon and control horizon are set to N p and N c , respectively. To reduce the online computational burden, the future disturbance increment is assumed to be zero within one prediction window, i.e., Δ d i ( k + n )   =   0 for all n   >   0 . This assumption means that the disturbance is frozen at its currently measured value over the current horizon, rather than implying that the actual future disturbance is physically zero. Consequently, the output prediction of the dVOC-based microgrids for the future N p steps is expressed as
Y p i ( k + 1 | k ) = I ,   I ,   ,   I T y i ( k ) + H x i Δ x i ( k ) + H d i Δ d i ( k ) + H u i Δ U i ( k )
where Y p i ( k + 1 | k ) = def y i ( k + 1 | k ) y i ( k + 2 | k ) y i ( k + N p | k ) , Δ U i ( k ) = def Δ u i ( k ) Δ u i ( k + 1 ) Δ u i ( k + N c 1 ) , and y i ( k + 1 | k ) denotes the prediction of the state at time instant k + 1 made at time instant k ; Hxi, Hui, and Hdi are the coefficient matrix and
H x i = A u i ,   A u i + A u i 2 ,   ,   n = 1 N p A u i n T ,
H d i = B u i ,   A u i B u i + B u i ,   ,   n = 1 N p A u i n 1 B u i T ,
H u i = B u i 0 0 A u i B u i + B u i B u i 0 n = 1 N c A u i n 1 B u i n = 1 N c 1 A u i n 1 B u i B u i n = 1 N p A u i n 1 B u i n = 1 N p N c + 1 A u i n 1 B u i

3.3. Cost Function

The cost function responds to control objectives and further improves system control performance. J i ω is introduced to regulate the frequency behavior of DGi by simultaneously considering inter-DG frequency coordination and nominal frequency restoration. Similarly, J i V is used to regulate the voltage behavior of DGi. In dVOC-based microgrids, in addition to considering the frequency consistency, voltage consistency, and reference tracking errors, the penalty term J i c for control action increments is introduced in the cost function so as to constrain the control rate of frequency and voltage as well as smoothing control actions while preventing system oscillations and enhancing system stability. Thus, the cost function is designed with their errors as
J i t n = J i ω t n + J i V t n + J i c t n             = k = 1 N p λ ω j N i a i j ω i t n + k ω j t n + k + b i ω i t n + k ω n o m 2             + k = 1 N p λ v j N i a i j V i t n + k V j t n + k + b i V i t n + k V n o m 2             + k = 1 N c λ Δ ω Δ ω i t n + k 1 2 + λ Δ v Δ V i t n + k 1 2
where λ ω and λ v are the weight coefficients of the frequency and voltage errors, and λ Δ ω and λ Δ v are the weight coefficients of the penalty term for control action increments.
Furthermore, the constraints are introduced to ensure that the consensus and tracking error terms converge to zero within the prediction horizon, and they are
lim t t n + N p j N i a i j ( ω i ( t ) ω j ( t ) ) + b i ω ( ω i ( t ) ω 0 ) = 0 lim t t n + N p j N i a i j ( V i ( t ) V j ( t ) ) + b i v ( V i ( t ) V 0 ) = 0
The terminal constraints are introduced to drive the tracking and consensus errors toward zero at the end of the prediction horizon, thereby improving the terminal convergence behavior of the receding-horizon control law. Since these terminal conditions are imposed as hard constraints, they may reduce the feasible solution space. For this reason, a backup controller is incorporated in Algorithm 1.
Algorithm 1. Distributed MPC Strategy for i-th Inverter
Inputs:Measurements and estimations: { P i ( k ) ,   Q i ( k ) , V i ( k ) , ω i ( k ) } ; neighbor information: { Y j ( k 1 ) j N i } ; control inputs at t = (k − 1)Ts: ui(k − 1).
Outputs:Optimal control increment ∆ui(k); predicted state sequence Yi(k).
1:Initialization: Compute matrix coefficients for prediction models.
2:for every sampling instant k do
3:Step 1: Linearization
4: Check connection status and update neighbor set N i .
5: Update Jacobian matrices Au, Bu based on current point ( ω i , V i ) .
6:Step 2: Communication Processing
7:for each neighbor j N i do
8:  Shift received sequence to align with time k
9:end for
10:Step 3: QP Formulation & Solution
11: Update QP matrices Hi and fi using prediction matrices
12: Solve QP problem: min 1 2 U i T HiUi + f i T Ui
13:Step 4: Feasibility Check & Update
14:if solution is feasible and t < tn + Ts then
15:  Extract first control move ∆ui(k) from ∆Ui.
16:  Update prediction sequence Yi(k).
17:else
18:  Apply the backup controller: ∆ui(k) = 0.
19:end if
20:Step 5: Execution
21: Update controller outputs ui(k) = ui(k − 1) + ∆ui(k).
22: Apply ui(k) and send Yi(k) to neighbors.
23:end for

3.4. Quadratic Programming Formulation

According to the cost function (11) and constraints (12), the voltage and frequency control problem transforms to a QP optimization problem, by introducing the matrices Hi, fi for each DG, and it is
min Δ U i ( k ) 1 2 Δ U i ( k ) T H i Δ U i ( k ) + f i T Δ U i ( k )
Since the weighting coefficients associated with the tracking and coordination terms are chosen to be nonnegative, and the control-increment penalty weights are selected to be positive, the Hessian matrix Hi is positive semidefinite, and becomes positive definite when the increment-penalty term is strictly weighted. The terminal constraints do not change the convexity of the problem, but only restrict the feasible solution space. Therefore, the resulting optimization problem is a convex QP. Then, the optimal control sequence is obtained by solving the QP problem, and they act on corresponding AHO controller of the DGi, respectively.
In sum, the procedure of the proposed distributed secondary control strategy is given in Algorithm 1, which is realized in a receding horizon way. At each sampling instant, the i -th DG inverter measures its local states and receives the prediction sequences transmitted from its neighbor nodes. Based on these local states, the Jacobian matrix is updated in real-time to facilitate the prediction of future states, which is subsequently combined with the prediction sequences from neighbor nodes to construct the standard QP problem. Then, the optimal control sequence is obtained by solving the QP problem via the QPKWIK algorithm in [18], with its first control action being applied to the primary controller as the compensation value to update the voltage and frequency references. Finally, the controller updates its calculated prediction sequence and broadcasts it to other neighbor nodes in the communication network.
Although a stability analysis is beyond the scope of this paper, we suggest to the reader the comprehensive approach to DMPC stability presented in [21].

4. Simulation Results

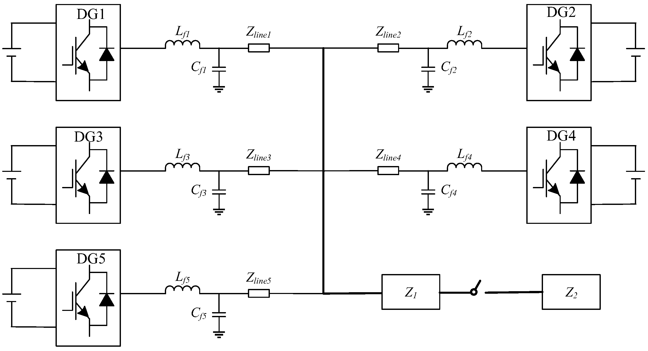
To verify the effectiveness, robustness, and superiority of the proposed DMPC secondary control strategy in the dVOC-based microgrids, a simulation model comprising five DGs, as shown in Figure 3, was established on the Matlab/Simulink (Release 2022b, MathWorks, Natick, MA, USA) platform. The main system parameters and controller parameters are presented in Table 1, Table 2, Table 3 and Table 4. The weighting factors used in the cost function were heuristically tuned to manage the tradeoff among frequency restoration, voltage regulation, consensus coordination, and control smoothness, and, when necessary, to give priority to one control objective over the others. In this work, the same tuning principle was applied to all DGs. The remaining differences among the weighting parameters of different DGs were mainly introduced to account for the different line impedances and the resulting differences in electrical coupling strength. The simulations are conducted with four cases: effectiveness verification under load variation conditions, robustness verification against communication topology transformation, comparative analysis with other control strategies, and plug-and-play performance verification.

4.1. Case I: Load Changes

The communication topology and adjacency matrix of the simulation are shown in Figure 2. The simulation steps are set as follows: the secondary control is activated at t   =   1   s ; load Z2 is connected at t   =   2 . 0   s , and load Z2 is disconnected at t   =   3.5   s . Figure 4 illustrates the dynamic response processes of the system frequency and voltage. Figure 4a shows that before t = 1.0 s, only the PD-VOC primary control is active, the system frequency stabilizes at 49.91 Hz with a steady-state frequency deviation. Moreover, due to the differences in line impedance of each DG, the voltage amplitude of each DG fails to achieve consensus. When the secondary controller with DMPC is active at t = 1.0 s, the system frequency smoothly recovers to the rated value of 50 Hz within 0.20 s, and the voltage of each DG rapidly achieves consensus and converges to the reference value.
Under the sudden load change conditions at t   =   2   s and t   =   3.5   s , the DMPC exhibits strong anti-disturbance capability. The frequency fluctuations caused by the sudden connection and disconnection of the loads are rapidly suppressed; the maximum dynamic deviation is controlled within a certain range. As marked in Figure 4a, the maximum frequency deviation is 0.028 Hz at both load switching instants, and the corresponding settling time is about 0.20 s. As shown in Figure 4b, the maximum voltage deviation is 0.10 V and the voltage settling time is about 0.30 s for both load connection and disconnection. No significant overshoot is observed throughout the process, which verified the effectiveness of the DMPC method under load change conditions.

4.2. Case II: Communication Topology Change

Distributed control relies on the connectivity of the communication network. To verify the robustness of the proposed strategy against changes in the communication network structure, the communication topology is changed as shown in Figure 5, and the load changes as in Case I. Figure 6 illustrates the frequency and voltage dynamic response with the changed communication topology.
Comparing the waveforms in Figure 4 (original topology) with those in Figure 6 (changed topology in Figure 5), despite significant topological changes, the system’s performance remains largely unaffected with the original control parameters. Specifically, under the changed communication topology, the maximum frequency deviation at t = 2 s and t = 3.5 s remains 0.028 Hz, and the corresponding settling time remains about 0.20 s, which is consistent with the results under the original topology. Similarly, the maximum voltage deviation remains 0.10 V, while the voltage settling time is about 0.28 s under both load switching events, which is very close to the 0.30 s obtained under the original topology. This indicates that even if the communication topology changes, the proposed DMPC strategy still achieves the global optimization objective through information interaction between neighbors, exhibiting a certain communication robustness.

4.3. Case III: Comparative Analysis

To further highlight the superiority of the proposed DMPC strategy, it is compared with the consensus algorithm and finite-time control under the same operating conditions. Both the consensus algorithm controller [14] and the finite-time controller [22] are implemented on exactly the same dVOC-based microgrid model as the proposed DMPC strategy. All compared controllers use the same system parameters, the same communication topology, the same load switching events, and the same initial conditions. Figure 7 illustrates the dynamic responses of frequency and voltage for the consensus algorithm and finite-time control, respectively.
Since the consensus algorithm is based on the principle of asymptotic convergence, it usually cannot guarantee the convergence time. At the load disturbance moments of t   =   2   s and t   =   3.5   s , the maximum frequency deviation under the consensus controller is 0.035 Hz and the corresponding settling time is 0.30 s, and the maximum voltage deviation under the consensus algorithm controller is 0.12 V with a settling time of 0.30 s. As can be seen from the simulation results, although this algorithm can also achieve frequency recovery and voltage consensus eventually, its settling time is significantly longer than that of the proposed DMPC strategy, with a larger transient fluctuation amplitude. In contrast, MPC leverages the predictive model to perceive changes in system states in advance and perform receding horizon optimization on control variables, thus significantly improving the speed of dynamic response.
The finite-time control method achieves faster convergence speed by virtue of the nonlinear characteristics of fractional powers. As shown in Figure 8, the finite-time controller yields a maximum frequency deviation of 0.032 Hz and a settling time of 0.25 s at both load disturbance instants. For the voltage response, the finite-time controller produces maximum deviations of 0.11 V and 0.12 V with a settling time of about 0.28 s. The simulation results show that although finite-time control also stabilizes the system in a relatively short time, the DMPC strategy ensures a smoother control process while maintaining comparable rapidity. Especially at the moment of load disconnection at t   =   3.5   s , the overshoot peaks of voltage and frequency under the DMPC strategy are slightly lower than those under finite-time control. This is because the DMPC cost function comprehensively performs weighted optimization on control increments and state deviations, which effectively avoids excessive control actions while ensuring fast dynamic response, thus achieving an optimal trade-off between rapidity and smoothness. Therefore, the distributed MPC secondary control strategy outperforms the traditional consensus algorithm in terms of dynamic response speed and surpasses finite-time control in terms of control process smoothness.

4.4. Case IV: Plug-and-Play Capability

To further verify the plug-and-play capability of the proposed DMPC strategy, the simulation process is arranged as follows: the secondary control is activated at t = 0.5 s; DG5 is disconnected from the main loop at t = 1.0 s; Z2 is connected at t = 2.0 s; DG5 is reconnected at t = 3.0 s; and Z2 is disconnected at t = 4.0 s. Figure 9 shows the dynamic responses of the system frequency and voltage during the whole process.
As shown in Figure 9a, after the secondary controller is activated, the system frequency is rapidly restored from the steady-state deviation under primary control to the rated value of 50 Hz. When the communication links related to DG5 are disconnected at t = 1.0 s, the system experiences a transient fluctuation, but the maximum frequency deviation is only about 0.075 Hz, and the frequency recovers to the consensus value within approximately 0.2 s. At t = 3.0 s, when DG5 is reconnected to the communication network, the transient disturbance becomes relatively larger; however, the maximum frequency deviation is still limited to about 0.145 Hz, and the recovery time is about 0.15 s. In addition, the disturbances introduced at t = 2.0 s and t = 4.0 s only cause slight fluctuations, which are quickly suppressed without sustained oscillations.
Figure 9b further shows that the voltage amplitudes of all DGs remain well regulated throughout the plug-and-play process. At t = 1.0 s, the maximum voltage deviation is approximately 0.113 V, and the voltage settles within about 0.25 s. When the communication links of DG5 are restored at t = 3.0 s, the maximum voltage deviation is about 0.227 V, and the voltage returns to the consensus value within approximately 0.3 s. Although temporary spikes appear during the plug-out and re-plugging operations, the voltage of each DG rapidly reconverges, and no obvious steady-state error is observed. Therefore, the proposed DMPC strategy can maintain stable frequency regulation and voltage consensus under plug-and-play events, demonstrating strong adaptability and robustness to communication network reconfiguration.

5. Conclusions

This paper proposes a DMPC secondary control strategy to address the challenges of frequency restoration and voltage sharing in the dVOC microgrids. Firstly, accurate prediction of the system’s future state trajectory is achieved by discretizing the VOC dynamic equations. Subsequently, a consensus term and a tracking error term are incorporated into the cost function. By adjusting the weighting functions, an optimal trade-off between dynamic consensus speed and steady-state tracking precision is realized through the receding horizon optimization mechanism. Simulation results demonstrate that under sudden load variations, the proposed strategy rapidly eliminates steady-state deviations resulting from primary control. Moreover, compared with other methods, it exhibits a smoother transient process while ensuring fast convergence. Under the changed communication topology, similar dynamic performance is maintained, indicating good adaptability of the proposed DMPC strategy to the tested network reconfiguration scenario. In the plug-and-play test, the proposed method also maintains stable frequency regulation and voltage consensus, with the main transient indices remaining within acceptable ranges under DG disconnection and reconnection events.
Future work will focus on introducing additional compensation terms into the cost function to cope with non-ideal conditions such as communication delays and three-phase unbalances.

Author Contributions

Conceptualization, Y.C. and G.Z.; Methodology, Y.C.; Software, Y.C. and Y.G.; Validation, Y.C. and Y.G.; Data curation, Y.G. and J.W.; Writing—original draft, Y.C.; Writing—review & editing, G.Z., J.W., C.F. and S.N.; Supervision, G.Z. and C.F.; Project administration, G.Z.; Funding acquisition, G.Z. All authors have read and agreed to the published version of the manuscript.

Funding

This work was supported in part by the National Natural Science Foundation of China under Grant 62273205 and 62503261, in part by the Youth Innovation Technology Support Program of Shandong Provincial Universities 2022KJ007, in part by project ZR2025MS981 supported by Shandong Provincial Natural Science Foundation, and in part by the Future Young Scholars Program of Shandong University.

Data Availability Statement

The data presented in this study are available on request from the corresponding author.

Conflicts of Interest

The authors declare no conflict of interest.

References

  1. Saeed, M.H.; Fangzong, W.; Kalwar, B.A.; Iqbal, S. A review on microgrids’ challenges & perspectives. IEEE Access 2021, 9, 166502–166517. [Google Scholar] [CrossRef]
  2. Han, H.; Hou, X.; Yang, J.; Wu, J.; Su, M.; Guerrero, J.M. Review of power sharing control strategies for islanding operation of AC microgrids. IEEE Trans. Smart Grid 2016, 7, 200–215. [Google Scholar] [CrossRef]
  3. Anttila, S.; Döhler, J.S.; Oliveira, J.G.; Boström, C. Grid forming inverters: A review of the state of the art of key elements for microgrid operation. Energies 2022, 15, 5517. [Google Scholar] [CrossRef]
  4. Luo, S.; Chen, W.; Li, X.; Hao, Z. A new virtual inertial strategy for Andronov–Hopf oscillator based grid-forming inverters. IEEE J. Emerg. Sel. Top. Power Electron. 2024, 12, 1995–2005. [Google Scholar] [CrossRef]
  5. Li, J.; Fletcher, J.E.; Holmes, D.G.; McGrath, B.P. Developing a machine equivalent inertial response for a virtual oscillator controlled inverter in a machine-inverter based microgrid. In Proceedings of the 2020 IEEE Energy Conversion Congress and Exposition (ECCE), Detroit, MI, USA, 11–15 October 2020; pp. 4314–4321. [Google Scholar]
  6. Yu, Y.; Liu, G.-P.; Huang, Y.; Guerrero, J.M. Coordinated predictive secondary control for DC microgrids based on high-order fully actuated system approaches. IEEE Trans. Smart Grid 2024, 15, 19–33. [Google Scholar] [CrossRef]
  7. Golsorkhi, M.S.; Baharizadeh, M. A unidirectional hierarchical control structure with zero power sharing error for hybrid AC/DC microgrid. IEEE Trans. Energy Convers. 2023, 38, 379–391. [Google Scholar]
  8. Chantola, A.; Sharma, V.; Singh, D. Centralized secondary control strategy on droop controlled inverter-based microgrid. In Proceedings of the 2023 Second IEEE International Conference on Measurement, Instrumentation, Control and Automation (ICMICA), Kurukshetra, India, 3–5 May 2023; pp. 1–6. [Google Scholar]
  9. Liu, X.; Yan, J.; Zhang, X.; Wu, H.; Ha, R. Distributed finite-time secondary voltage control of microgrid. In Proceedings of the 2023 42nd Chinese Control Conference (CCC), Tianjin, China, 24–26 July 2023; pp. 7261–7266. [Google Scholar]
  10. Aluko, A.; Buraimoh, E.; Oni, O.E.; Davidson, I.E. Advanced distributed cooperative secondary control of islanded DC microgrids. Energies 2022, 15, 3988. [Google Scholar] [CrossRef]
  11. Shafiee, Q.; Guerrero, J.M.; Vasquez, J.C. Distributed secondary control for islanded microgrids—A novel approach. IEEE Trans. Power Electron. 2014, 29, 1018–1031. [Google Scholar] [CrossRef]
  12. Singhal, A.; Vu, T.L.; Du, W. Consensus control for coordinating grid-forming and grid-following inverters in microgrids. IEEE Trans. Smart Grid 2022, 13, 4123–4133. [Google Scholar] [CrossRef]
  13. Dai, X.; Liu, G.-P.; Hu, W.; Deng, Q.; Lei, Z. Distributed secondary control for DC microgrids with time-varying communication delays: A networked predictive control scheme. IEEE Trans. Power Syst. 2024, 39, 4459–4472. [Google Scholar] [CrossRef]
  14. Simpson-Porco, J.W.; Shafiee, Q.; Dörfler, F.; Vasquez, J.C.; Guerrero, J.M.; Bullo, F. Secondary frequency and voltage control of islanded microgrids via distributed averaging. IEEE Trans. Ind. Electron. 2015, 62, 7025–7038. [Google Scholar] [CrossRef]
  15. Fu, C.; Zhang, C.; Zhang, G.; Xing, L. Distributed fast finite-time secondary control of islanded microgrids: A disturbance observer-based approach. Int. J. Electr. Power Energy Syst. 2024, 157, 109813. [Google Scholar] [CrossRef]
  16. Babayomi, O.; Zhang, Z.; Dragicevic, T.; Heydari, R.; Li, Y.; Garcia, C.; Rodriguez, J.; Kennel, R. Advances and opportunities in the model predictive control of microgrids: Part II–Secondary and tertiary layers. Int. J. Electr. Power Energy Syst. 2022, 134, 107339. [Google Scholar] [CrossRef]
  17. Long, B.; Liao, Y.; Chong, K.T.; Rodríguez, J.; Guerrero, J.M. MPC-controlled virtual synchronous generator to enhance frequency and voltage dynamic performance in islanded microgrids. IEEE Trans. Smart Grid 2021, 12, 953–964. [Google Scholar] [CrossRef]
  18. Gómez, J.S.; Sáez, D.; Simpson-Porco, J.W.; Cárdenas, R. Distributed predictive control for frequency and voltage regulation in microgrids. IEEE Trans. Smart Grid 2020, 11, 1319–1329. [Google Scholar] [CrossRef]
  19. Hans, C.A.; Sopasakis, P.; Raisch, J.; Reincke-Collon, C.; Patrinos, P. Risk-averse model predictive operation control of islanded microgrids. IEEE Trans. Control Syst. Technol. 2020, 28, 2136–2151. [Google Scholar] [CrossRef]
  20. Lu, M.; Dutta, S.; Purba, V.; Dhople, S.; Johnson, B. A grid-compatible virtual oscillator controller: Analysis and design. In Proceedings of the 2019 IEEE Energy Conversion Congress and Exposition (ECCE), Baltimore, MD, USA, 29 September–3 October 2019; pp. 2643–2649. [Google Scholar]
  21. Conte, C.; Zeilinger, M.N.; Morari, M.; Jones, C.N. Cooperative distributed tracking MPC for constrained linear systems: Theory and synthesis. In Proceedings of the 52nd IEEE Conference on Decision and Control, Florence, Italy, 10–13 December 2013; pp. 2792–2797. [Google Scholar]
  22. Dehkordi, N.M.; Sadati, N.; Hamzeh, M. Distributed robust finite-time secondary voltage and frequency control of islanded microgrids. IEEE Trans. Power Syst. 2017, 32, 3648–3659. [Google Scholar] [CrossRef]
Figure 1. The system configuration and proposed MPC control structure diagram.
Figure 1. The system configuration and proposed MPC control structure diagram.
Energies 19 01834 g001
Figure 2. Communication graph.
Figure 2. Communication graph.
Energies 19 01834 g002
Figure 3. The microgrid structure diagram.
Figure 3. The microgrid structure diagram.
Energies 19 01834 g003
Figure 4. Frequency and voltage dynamic response with DMPC method.
Figure 4. Frequency and voltage dynamic response with DMPC method.
Energies 19 01834 g004
Figure 5. Diagram of the communication topology change.
Figure 5. Diagram of the communication topology change.
Energies 19 01834 g005
Figure 6. Frequency and voltage dynamic response of DMPC under communication topology change.
Figure 6. Frequency and voltage dynamic response of DMPC under communication topology change.
Energies 19 01834 g006aEnergies 19 01834 g006b
Figure 7. Frequency and voltage dynamic response with the consensus algorithm.
Figure 7. Frequency and voltage dynamic response with the consensus algorithm.
Energies 19 01834 g007
Figure 8. Frequency and voltage dynamic response of the finite-time control strategy.
Figure 8. Frequency and voltage dynamic response of the finite-time control strategy.
Energies 19 01834 g008aEnergies 19 01834 g008b
Figure 9. Frequency and voltage dynamic response of the plug-and-play test.
Figure 9. Frequency and voltage dynamic response of the plug-and-play test.
Energies 19 01834 g009
Table 1. System parameters of the microgrid.
Table 1. System parameters of the microgrid.
SymbolDescriptionValue
V DC DC input voltage800 V
L f Filter inductor2 mH
C f Filter capacitor20 µF
Z line 1 Impedance of line 10.45 Ω + 2 mH
Z line 2 Impedance of line 20.5 Ω + 2 mH
Z line 3 Impedance of line 30.47 Ω + 2 mH
Z line 4 Impedance of line 40.45 Ω + 2 mH
Z line 5 Impedance of line 50.47 Ω + 2 mH
Z 1 Load 150 kW + 3 kVar
Z 2 Load 220 kW + 2 kVar
Table 2. dVOC parameters for each DG.
Table 2. dVOC parameters for each DG.
SymbolDescriptionValue
P ref Nominal active power1 kW
Q 0 Nominal reactive power1000 Var
V nom Oscillator RMS voltage311 V
ω nom Oscillator angular frequency100π rad/s
k p Governor proportional coefficient20
k d Governor differential coefficient100
C Oscillator virtual capacitor0.3
ξ Oscillator speed constant1
k v Oscillator voltage-scaling factor50
k i Oscillator current-scaling factor0.1
Table 3. DMPC parameters.
Table 3. DMPC parameters.
SymbolDescriptionValue
T S Secondary Level Sampling Period0.5 ms
N p Prediction Horizon10
N c Control Horizon4
Table 4. Weight coefficients of the DMPC for each DG.
Table 4. Weight coefficients of the DMPC for each DG.
Weight CoefficientDG1DG2DG3DG4DG5
λ ω 0.51.51.31.41.3
λ v 0.210.810.8
λ Δ ω 0.50.30.50.30.5
λ Δ v 0.30.20.30.20.3
Disclaimer/Publisher’s Note: The statements, opinions and data contained in all publications are solely those of the individual author(s) and contributor(s) and not of MDPI and/or the editor(s). MDPI and/or the editor(s) disclaim responsibility for any injury to people or property resulting from any ideas, methods, instructions or products referred to in the content.

Share and Cite

MDPI and ACS Style

Cao, Y.; Gao, Y.; Zhang, G.; Wang, J.; Fu, C.; Niu, S. Secondary Frequency and Voltage Regulation of dVOC-Based Microgrids Based on Distributed Model Predictive Control. Energies 2026, 19, 1834. https://doi.org/10.3390/en19081834

AMA Style

Cao Y, Gao Y, Zhang G, Wang J, Fu C, Niu S. Secondary Frequency and Voltage Regulation of dVOC-Based Microgrids Based on Distributed Model Predictive Control. Energies. 2026; 19(8):1834. https://doi.org/10.3390/en19081834

Chicago/Turabian Style

Cao, Yushuo, Yuheng Gao, Guanguan Zhang, Jianchao Wang, Cheng Fu, and Shaokun Niu. 2026. "Secondary Frequency and Voltage Regulation of dVOC-Based Microgrids Based on Distributed Model Predictive Control" Energies 19, no. 8: 1834. https://doi.org/10.3390/en19081834

APA Style

Cao, Y., Gao, Y., Zhang, G., Wang, J., Fu, C., & Niu, S. (2026). Secondary Frequency and Voltage Regulation of dVOC-Based Microgrids Based on Distributed Model Predictive Control. Energies, 19(8), 1834. https://doi.org/10.3390/en19081834

Note that from the first issue of 2016, this journal uses article numbers instead of page numbers. See further details here.

Article Metrics

Back to TopTop