Efficiency-Based CLLC Bidirectional DC-DC Converter Using Copolar Switching
Abstract
1. Introduction
- Control strategies: Variable-frequency or hybrid phase-shift modulation broadens the soft-switching window over wide input and output-voltage ranges, several prototypes have reported peak bidirectional efficiencies of 95–97% [19,20,21,22]. In addition to circuit-level approaches, modulation strategies play a critical role in the performance of CLLC converters. Existing control methods can be broadly categorized into constant-frequency and variable-frequency approaches. Constant-frequency methods, such as phase-shift modulation (PSM) [23,24] and pulse-width modulation (PWM) [25,26], regulate power by adjusting the phase relationship or duty cycle of the switching signals while maintaining a fixed switching frequency. These methods are attractive for practical implementation but may suffer from limited gain range or increased circulating current. On the other hand, variable-frequency control, such as pulse frequency modulation (PFM), regulates the converter by shifting the operating point along the resonant tank characteristics, enabling wide voltage regulation. However, it introduces challenges in magnetic design and may degrade performance under light-load conditions. Hybrid modulation strategies combining these approaches have also been proposed to extend the operating range, but they often increase control complexity [20,21,22].
2. CLLC DC-DC Converter
2.1. Simplified DC/DC Converter
2.2. Full Bridge CLLC Circuit
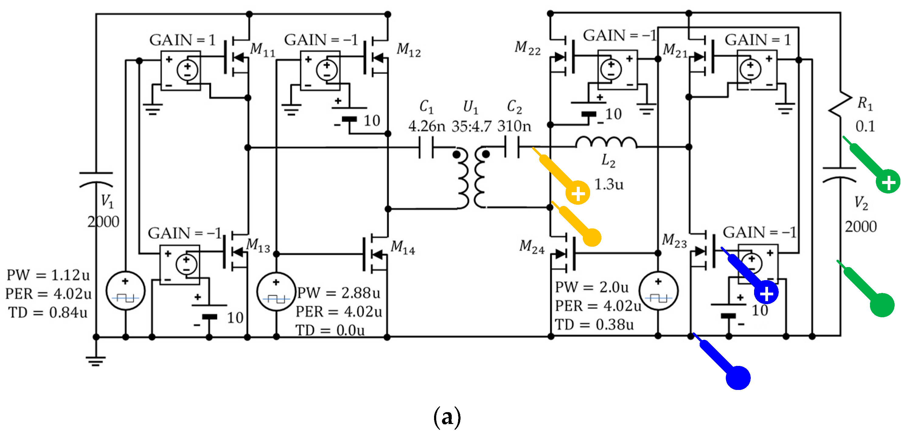
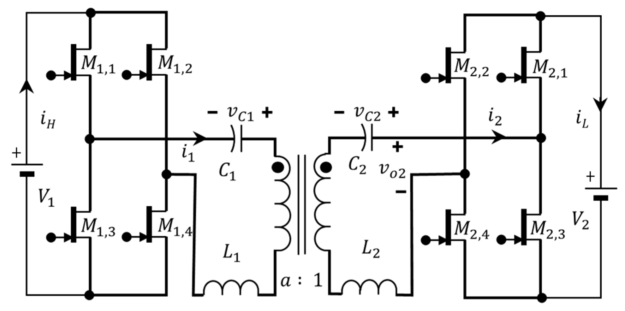
2.2.1. Circuit Topology
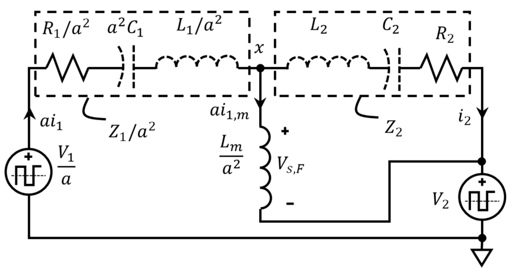
2.2.2. Circuit Modeling
2.2.3. Design Considerations
2.3. Switching Strategies
3. CLLC Reverse Mode
3.1. Copolar PWM Switching
3.2. Reverse Mode via Copolar PWM Switching
3.3. Comparison of Forward and Reverse Mode
4. Simulation and Experiment Result
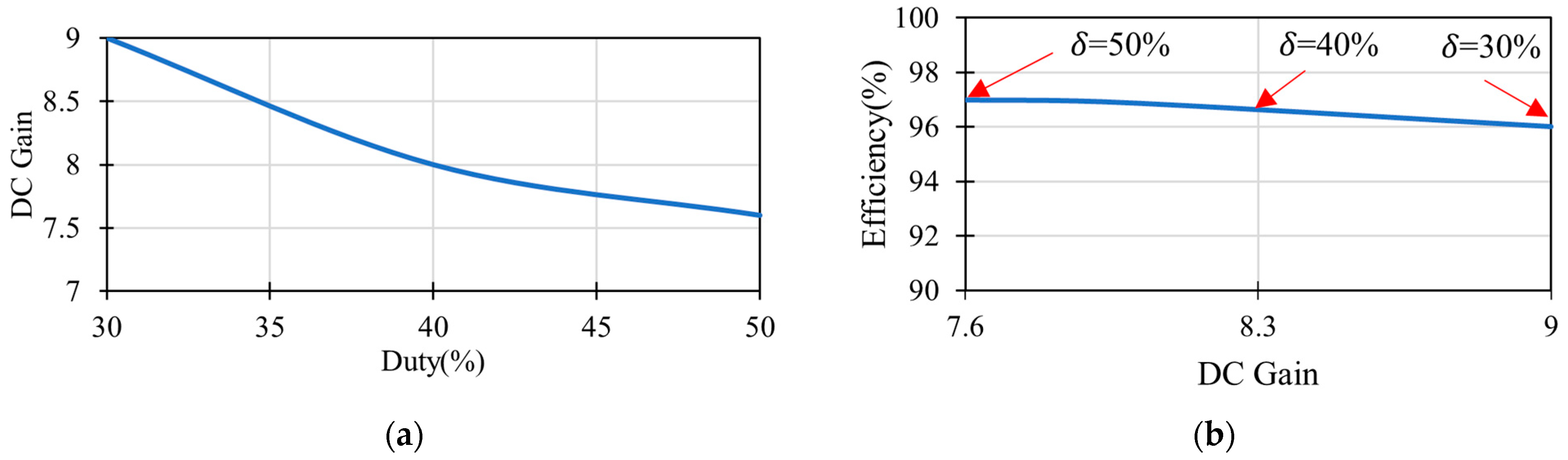
4.1. Simulation
4.2. Experiment
5. Discussion
6. Conclusions
Author Contributions
Funding
Data Availability Statement
Acknowledgments
Conflicts of Interest
Nomenclature
| a | Turn ratio |
| Fundamental Fourier coefficient | |
| Fundamental Fourier coefficient | |
| Heaviside step Function | |
| DC input current (A) | |
| Magnetization current (A) | |
| Forward-mode charging current(A) | |
| Fundamental component amplitude of resonant current (A) | |
| Fundamental component amplitude of resonant current (A) | |
| LC tank current (A) | |
| Reverse DC output current (A) | |
| Reverse mode discharging current (A) | |
| Magnetizing inductance referred to the secondary side. | |
| Output power (W) | |
| Reverse mode power output (W) | |
| Forward mode power output (W) | |
| = | Gate signal (V) |
| Gate signal (V) | |
| High voltage DC input (V) | |
| Equivalent voltage (V) | |
| Low voltage DC output | |
| RMS value on the secondary side (V) | |
| RMS value on the primary side (V) | |
| Nodal voltage (V) | |
| Forward secondary-side voltage (V) | |
| Reverse secondary-side voltage (V) | |
| Gate drive input voltage (V) | |
| voltage (V) | |
| Square Wave function | |
| Square Wave function | |
| Circuit impedance | |
| Impedance | |
| Impedance | |
| Efficiency | |
| Reverse mode efficiency (%) | |
| Forward mode efficiency (%) | |
| Impedance ratio | |
| Current ratio |
References
- Alatai, S.; Salem, M.; Ishak, D.; Das, H.S.; Alhuyi Nazari, M.; Bughneda, A.; Kamarol, M. A review on state-of-the-art power converters: Bidirectional, resonant, multilevel converters and their derivatives. Appl. Sci. 2021, 11, 10172. [Google Scholar] [CrossRef]
- Arunkumari, T.; Indragandhi, V. An overview of high voltage conversion ratio DC-DC converter configurations used in DC micro-grid architectures. Renew. Sustain. Energy Rev. 2017, 77, 670–687. [Google Scholar] [CrossRef]
- Wang, R.; Feng, W.; Nordman, B.; Gerber, D.; Li, Y.; Kang, J.; Hao, B.; Brown, R. Technology standards for direct current microgrids in buildings: A review. Renew. Sustain. Energy Rev. 2025, 211, 115278. [Google Scholar] [CrossRef]
- Chen, S.; Zhang, G.; Samson, S.Y.; Mei, Y.; Zhang, Y. A review of isolated bidirectional DC-DC converters for data centers. Chin. J. Electr. Eng. 2023, 9, 1–22. [Google Scholar] [CrossRef]
- Zhao, L.; Pei, Y.; Wang, L.; Pei, L.; Cao, W.; Gan, Y. Design methodology of bidirectional resonant CLLC charger for wide voltage range based on parameter equivalent and time domain model. IEEE Trans. Power Electron. 2022, 37, 12041–12064. [Google Scholar] [CrossRef]
- Min, J.; Ordonez, M. Bidirectional resonant CLLC charger for wide battery voltage range: Asymmetric parameters methodology. IEEE Trans. Power Electron. 2020, 36, 6662–6673. [Google Scholar] [CrossRef]
- Zhao, C.; Jin, F.; Li, Z.; Hsieh, Y.-H.; Lee, F.C.; Li, Q. Design Consideration for CLLC Converter with High Power and Wide Gain Range. In Proceedings of the 2023 IEEE Applied Power Electronics Conference and Exposition (APEC), Orlando, FL, USA, 19–23 March 2023; IEEE: New York, NY, USA, 2023; pp. 1–6. [Google Scholar]
- Chiou, G.-J.; He, C.-Y.; Chen, J.-Y.; Chien, C.-Y. Implementation of an interleaved bidirectional cllc resonant full-bridge dc-dc converter based on 48-volt bus. In Proceedings of the 2021 IEEE International Future Energy Electronics Conference (IFEEC), Taipei, Taiwan, 16–19 November 2021; IEEE: New York, NY, USA, 2021; pp. 1–6. [Google Scholar]
- Kim, E.-S.; Oh, J.-S. High-efficiency bidirectional LLC resonant converter with primary auxiliary windings. Energies 2019, 12, 4692. [Google Scholar] [CrossRef]
- Chen, N.; Chen, M.; Li, B.; Wang, X.; Sun, X.; Zhang, D.; Jiang, F.; Han, J. Synchronous rectification based on resonant inductor voltage for CLLC bidirectional converter. IEEE Trans. Power Electron. 2021, 37, 547–561. [Google Scholar] [CrossRef]
- Chen, R.; Shi, S.; Zhang, C.; Shi, W. 11 kW High-efficiency bidirectional CLLC converter with 1200 V SiC MOSFET. In Proceedings of the PCIM Asia 2021, International Exhibition and Conference for Power Electronics, Intelligent Motion, Renewable Energy and Energy Management, Shenzhen, China, 9–11 September 2021; VDE: Offenbach am Main, Germany, 2021; pp. 1–9. [Google Scholar]
- Shieh, Y.-T.; Wu, C.-C.; Jeng, S.-L.; Liu, C.-Y.; Hsieh, S.-Y.; Haung, C.-C.; Shieh, W.-Y.; Chieng, W.-H.; Chang, E.-Y. A turn-ratio-changing half-bridge CLLC DC–DC bidirectional battery charger using a GaN HEMT. Energies 2023, 16, 5928. [Google Scholar] [CrossRef]
- Liu, Y.; Du, G.; Wang, X.; Lei, Y. Analysis and design of high-efficiency bidirectional GaN-based CLLC resonant converter. Energies 2019, 12, 3859. [Google Scholar] [CrossRef]
- Ammar, A.M.; Ali, K.; Rogers, D.J. A bidirectional GaN-based CLLC converter for plug-in electric vehicles on-board chargers. In Proceedings of the IECON 2020 The 46th Annual Conference of the IEEE Industrial Electronics Society, Singapore, 18–21 October 2020; IEEE: New York, NY, USA, 2020; pp. 1129–1135. [Google Scholar]
- Zhu, T.; Zhuo, F.; Zhao, F.; Wang, F.; Song, R.; Wang, M. Analysis of GaN based full-bridge CLLC resonant converter considering output capacitances under light-load conditions. In Proceedings of the 2020 IEEE 9th International Power Electronics and Motion Control Conference (IPEMC2020-ECCE Asia), Nanjing, China, 29 November 2020—2 December 2020; IEEE: New York, NY, USA, 2020; pp. 2319–2324. [Google Scholar]
- He, P.; Mallik, A.; Sankar, A.; Khaligh, A. Design of a 1-MHz high-efficiency high-power-density bidirectional GaN-based CLLC converter for electric vehicles. IEEE Trans. Veh. Technol. 2018, 68, 213–223. [Google Scholar] [CrossRef]
- Bartecka, M.; Kłos, M.; Paska, J. Effective design methodology of CLLC resonant converter based on the minimal area product of high-frequency transformer. Energies 2023, 17, 55. [Google Scholar] [CrossRef]
- Gadelrab, R.; Lee, F.C. PCB-based magnetic integration and design optimization for three-phase LLC. IEEE Trans. Power Electron. 2023, 38, 14037–14049. [Google Scholar] [CrossRef]
- Jin, P.; Zhang, J.; Lu, Y.; Guo, Y.; Lei, G.; Zhu, J. Variable frequency isolated bidirectional CLLC resonant converter with voltage controlled variable capacitors. IEEE Trans. Ind. Electron. 2022, 70, 8907–8917. [Google Scholar] [CrossRef]
- Li, L.; Cao, Y.; Hou, L.; Mao, T.; Ning, W. PFM-PS hybrid control strategy CLLC resonant converter research. In Proceedings of the 2023 8th Asia Conference on Power and Electrical Engineering (ACPEE), Tianjin, China, 14-16 April 2023; IEEE: New York, NY, USA, 2023; pp. 1278–1284. [Google Scholar]
- Shi, Z.; Tang, Y.; Davari, P. On-board charger applications: A new hybrid control strategy for bidirectional CLLC resonant converter. Int. J. Circuit Theory Appl. 2024, 52, 3154–3169. [Google Scholar] [CrossRef]
- Tran, T.N.T.; Wang, J.-M. A Hybrid Bidirectional Full-Bridge CLLC Resonant Converter With Dual-Resonant Frequency for Enhancing Efficiency at Light-to-Medium Loads. IEEE J. Emerg. Sel. Top. Power Electron. 2024, 13, 119–135. [Google Scholar] [CrossRef]
- Hua, W.; Wu, H.; Yu, Z.; Xing, Y.; Sun, K. A phase-shift modulation strategy for a bidirectional CLLC resonant converter. In Proceedings of the 2019 10th International Conference on Power Electronics and ECCE Asia (ICPE 2019-ECCE Asia), Busan, Republic of Korea, 27–30 May 2019; IEEE: New York, NY, USA, 2019; pp. 1–6. [Google Scholar]
- Zhu, T.; Zhuo, F.; Zhao, F.; Wang, F.; Yi, H.; Zhao, T. Optimization of extended phase-shift control for full-bridge CLLC resonant converter with improved light-load efficiency. IEEE Trans. Power Electron. 2020, 35, 11129–11142. [Google Scholar] [CrossRef]
- Zhu, T.; Zhuo, F.; Zhao, F.; Yu, K.; Wang, F.; Song, R. A novel APWM control scheme for GaN based full-bridge CLLC resonant converter with improved light-load efficiency. In Proceedings of the 2020 IEEE Applied Power Electronics Conference and Exposition (APEC), New Orleans, LA, USA, 15–19 March 2020; IEEE: New York, NY, USA, 2020; pp. 2081–2085. [Google Scholar]
- Zong, S.; Luo, H.; Li, W.; Deng, Y.; He, X. Asymmetrical duty cycle-controlled LLC resonant converter with equivalent switching frequency doubler. IEEE Trans. Power Electron. 2015, 31, 4963–4973. [Google Scholar] [CrossRef]
- Lin, K.; Lin, S.; Huang, C.; Chen, W. Analysis and optimized design of conducted common-mode EMI characteristics of CLLC circuits. In Proceedings of the CPSS Transactions on Power Electronics and Applications, Cairo, Egypt, 2–6 November 2026. [Google Scholar]
- Shieh, Y.-T.; Liou, G.-T.; Jeng, S.-L.; Chieng, W.-H.; Lai, J.; Chang, E.-Y. Copolar Synchronous Switching Method for BLDC Motor Control in EV Application; IEEE Access: Piscataway, NJ, USA, 2025. [Google Scholar]
- Zou, S.; Lu, J.; Mallik, A.; Khaligh, A. Bi-directional CLLC converter with synchronous rectification for plug-in electric vehicles. IEEE Trans. Ind. Appl. 2017, 54, 998–1005. [Google Scholar] [CrossRef]



















| Symbol | Description | Value | Equation |
|---|---|---|---|
| Impedance ratio | 0.58 | case study | |
| Turn-ratio | 7.32 | case study | |
| High-side voltage | 400 V | case study | |
| Low-side voltage | 48 V | case study | |
| Voltage Gain = | 8.33 | (15) | |
| AC RMS voltage | 3.85 V | (14) | |
| Power efficiency | 92.5% | (5) | |
| Input DC average current | 3 A | (7) | |
| Charging power | 1.2 kW | (6) | |
| Magnetization current | 0.054 A | (11) |
| Symbol | Description | Unit | Value |
|---|---|---|---|
| Magnetization inductance | uH | 350 | |
| High-voltage-side inductance | uH | 95 | |
| High-voltage-side capacitance | nF | 4.26 | |
| Low-voltage-side inductance | uH | 1.3 | |
| Low-voltage-side capacitance | nF | 310 | |
| Turn-ratio | 7.44 | ||
| High voltage | V | 400 | |
| Low voltage | V | 48 | |
| Voltage Gain = | 8.33 | ||
| Switching frequency | kHz | 250 | |
| Forward mode power output | W | 1357 | |
| Forward mode efficiency | % | 94.5 | |
| Copolar duty in reverse mode | % | 28 | |
| PWM phase-shift in reverse mode | Radian | 0.594 | |
| Reverse mode power output | W | 1.016 | |
| Reverse mode efficiency | % | 94.7 |
| Symbol | Description | Unit | Value |
|---|---|---|---|
| Turn-ratio | 7.6 | ||
| Magnetization Inductance | μH | 250 | |
| High-voltage-side inductance | μF | 27 | |
| Low-voltage-side inductance | kHz | 250 | |
| High-voltage-side capacitance | nF | B32671L0822J000 | |
| Low-voltage-side capacitance | nF | R76QR3330SE30J | |
| High-voltage-side GaN | NYCU GaN(650 V, 150 mΩ) | ||
| Low-voltage-side GaN | EPC2302 | ||
| Gate Driver IC | Stdriveg600 |
| Method | Refs. | Control Degree | Gain | Advantage |
|---|---|---|---|---|
| Pulse frequency Modulation (PFM) | [29] | Frequency (f) | wide regulation range | |
| Phase-Shift Modulation (PSM) | [23,24] | Phase (φ) | Fixed-frequency operation; relatively simple implementation | |
| Hybrid Modulation (PFM + PSM/PWM) | [20,21,22] | f, φ, Duty (δ) | Flexible control; extended ZVS range; improved performance | |
| Proposed Method | δ | Fixed-frequency operation; relatively simple implementation |
Disclaimer/Publisher’s Note: The statements, opinions and data contained in all publications are solely those of the individual author(s) and contributor(s) and not of MDPI and/or the editor(s). MDPI and/or the editor(s) disclaim responsibility for any injury to people or property resulting from any ideas, methods, instructions or products referred to in the content. |
© 2026 by the authors. Licensee MDPI, Basel, Switzerland. This article is an open access article distributed under the terms and conditions of the Creative Commons Attribution (CC BY) license.
Share and Cite
Hsieh, Y.-T.; Chen, C.-H.; Shieh, W.-Y.; Haung, C.-C.; Chieng, W.-H.; Chang, E.Y. Efficiency-Based CLLC Bidirectional DC-DC Converter Using Copolar Switching. Energies 2026, 19, 1820. https://doi.org/10.3390/en19081820
Hsieh Y-T, Chen C-H, Shieh W-Y, Haung C-C, Chieng W-H, Chang EY. Efficiency-Based CLLC Bidirectional DC-DC Converter Using Copolar Switching. Energies. 2026; 19(8):1820. https://doi.org/10.3390/en19081820
Chicago/Turabian StyleHsieh, Yueh-Tsung, Chun-Hao Chen, Wen-Yuh Shieh, Chi-Chun Haung, Wei-Hua Chieng, and Edward Yi Chang. 2026. "Efficiency-Based CLLC Bidirectional DC-DC Converter Using Copolar Switching" Energies 19, no. 8: 1820. https://doi.org/10.3390/en19081820
APA StyleHsieh, Y.-T., Chen, C.-H., Shieh, W.-Y., Haung, C.-C., Chieng, W.-H., & Chang, E. Y. (2026). Efficiency-Based CLLC Bidirectional DC-DC Converter Using Copolar Switching. Energies, 19(8), 1820. https://doi.org/10.3390/en19081820

