Next Article in Journal
Basic Study on Cavitation Erosion by Liquid-Droplet Impingements on Wind Turbine Blade of Metallic Material
Previous Article in Journal
Coordinated Planning of Unbalanced Flexible Interconnected Distribution Networks Based on Distributed Optimization
 
 
Font Type:
Arial Georgia Verdana
Font Size:
Aa Aa Aa
Line Spacing:
Column Width:
Background:
Article

A Novel Simultaneous Fault Computation Algorithm for Any Asymmetric and Multiconductor Power System: SFPD

Department of Industrial Engineering, University of Padova, Via Gradenigo 6/A, 35131 Padova, Italy
*
Author to whom correspondence should be addressed.
Energies 2026, 19(7), 1770; https://doi.org/10.3390/en19071770
Submission received: 19 February 2026 / Revised: 20 March 2026 / Accepted: 25 March 2026 / Published: 3 April 2026
(This article belongs to the Section F1: Electrical Power System)

Abstract

The paper presents SFPD, the new open algorithm developed by the University of Padova (PD in the acronym) for computing the steady-state regime due to any number of simultaneous faults (SF at the beginning of the acronym) both short circuits and open conductors. The algorithm does not have simplified hypotheses, since it benefits from the pre-fault regime based on PFPD_MCA (power flow by University of Padova with multiconductor cell analysis), a multiconductor power flow (developed and published by the first author) which takes into account both the active conductors (i.e., the phases subjected to the impressed voltages) and the passive conductors (i.e., the interfered metallic conductors, namely earth wires of overhead lines, metallic screens and armors of land and submarine cables, enclosures of gas insulated lines, return and earth wires of 2 × 25 kV AC high-speed railway supply system, etc.). Different types of faults are considered, and where they occur (also along the lines), by means of a suitable admittance matrix in phase frame of reference and embedded inside the overall network bus admittance matrix. Some comparisons with simplified approaches are presented in order to demonstrate the power of the method. Eventually, application to the real Italian network is comprehensively shown.

1. Introduction

1.1. Motivation

The computations of the steady-state regime short-circuit currents play a key role in the design stage of a new power system in order to check the rated switching currents of the circuit breakers and also the distance relay settings. It is worth noting that in any high- and extra-high-voltage power system, the clearing of short-circuit currents must be as quick as possible in order to avoid loss of AC generation synchronism which could give rise to power system partial and total blackouts.
Moreover, the calculations of maximum short-circuit currents are needed for the design of a substation earthing grid.
It is worth noting that the interest in the correct computations of open conductor faults is triggered also by the fact that distance relays cannot detect these faults and do not trip for these kinds of faults. For these reasons, the open conductor faults in the transmission lines are a challenging problem in power systems operation.
The use of sequence frame of reference in the solution of fault computations is always an approximation, since the conditions of perfectly symmetrical structure, perfect positive-sequence supply, and perfectly balanced loads are never verified in the real networks.
In other words, sequence approach is based on some simplified hypotheses never verified in the real grids. Without detracting from a powerful tool that has served for many years and still serves electrical engineers in useful first orientation calculations, and without wishing to deprive it of the educational value allied to the courses of power systems analysis, research ought to develop open algorithms without simplifying hypotheses based on the phase frame of reference. In a steady-state regime, it is sufficiently correct and generally acceptable to reduce the analysis to the active conductors only. Conversely, in the regime due to a short and open circuit, it is necessary to use matrix algorithms considering the multiconductor system, composed of passive interfered conductors such as the earth wires of overhead lines (OHLs), the metallic screens and armors of cross-bonded/solid-bonded/single-point bonded insulated land/submarine cables and solid-bonded enclosures of gas insulated lines (GILs).

1.2. Literature Review

As mentioned above, the analysis of the faults is a fundamental topic in power system analysis. Some fundamental books are devoted to this topic from 1993 [1,2] to 2019 [3,4].
Refs. [1,4] approach the issue in the sequence frame of reference; instead, Refs. [2,3] prefer to adopt a phase frame of reference.
The literature contributions dealing with the computations of simultaneous faults are not numerous, even if IET (formerly IEE) has always paid a great deal of attention to this topic and produced some contributions in technical literature. In the first decade of this century, B. Oswald, in [5,6,7], developed a method to include simultaneous shunt and series faults in the admittance matrix. Though elegant and simple, that method has not been extended to the total network three-phase bus admittance matrix with the inclusion of sub-transient impedances of the synchronous generators and the shunt admittances modelling the loads, as the present method does. Moreover, it lacks an extended validation and comparison with international standards together with an application to real-world grids (in contrast, this present paper applies SFPD to the large-scale Italian grid).
In the literature, the use of sequence phase of reference or improved versions of sequence frame of reference is limited [8,9], and the preferred approach is the phase frame of reference [10,11,12]. In particular, in [10], a direct approach to derive the admittance matrix in the phase coordinates is adopted, and in [11], sparse matrix techniques have been exploited to enhance the computational efficiency. M.A. Laughton, in [13,14] (part 1 and 2), presented a treatment of the asymmetric and symmetric short circuits together with the open conductors in the three-phase asymmetric power system. Then, this treatment was generalized by L. Roy and N.D. Rao in [15]. G. Weitzenfeld developed a method [16] for studying the current distribution due to a line-to-earth short circuit by exploiting the double-sided elimination method. In [17], the authors investigate short-circuit currents in unbalanced distribution power systems by using the concept of selected inversion. Always limited to distribution systems, paper [18] studies the effect of the estimation of the fault resistance.
It is also worth mentioning some contributions related to the short circuits but with the aim of solving specific cases such as the six phases [19,20,21,22,23], the bundled conductors of OHLs [24,25], the induced voltages/currents in the earth wires [26], or the current distribution between soil and neutral conductors [27].
As regards contributions on six phases, [19] extends symmetrical component theory to six-phase transmission systems, providing one of the first frameworks for fault analysis in multiphase networks, and [22] develops a dual three-phase transformation that decomposes a six-phase system into equivalent three-phase subsystems. This simplifies the fault analysis while maintaining analytical completeness.
The most recent contribution on simultaneous faults is paper [28]. The authors derive generalized impedance equations to identify precise fault locations during a simultaneous open conductor and earth fault that occurred on a transmission line with the help of its equivalent sequence component network. They analyze one transmission line by using the sequence frame of reference, and therefore, it is not general, and it is based on simplified hypotheses.
Eventually, cross-country faults which are typical simultaneous line-to-earth short circuits, particularly noteworthy in distribution networks, captured a great deal of attention in the literature [29,30]. They are a particular case of what can be solved by a completely general algorithm such as SFPD.
Very recently, hybrid and adaptive methods that bridge this gap between the sequence and the phase frames of reference based on signal processing have been presented in technical literature [31,32].

1.3. Contribution

The two authors present a phase frame of reference-based simultaneous fault analysis called SFPD. In SFPD, short circuits of any type (line-to-earth, line-to-line, line-to-line-to-earth, etc.) and of any number along with open conductors of any type and number are considered by their suitable admittance matrix and embedded into the network bus admittance matrix.
The main novelties of this method with respect to the actual approaches can be summarized as follows:
  • The above-mentioned all-inclusive matrix also considers the sub-transient impedances of the synchronous generators and the shunt admittances modeling the loads (even if IEC standards allow one to neglect the shunt admittances like the loads).
  • The inclusion of the shunt admittances of the loads allows one to investigate how the fault regime overlaps with the steady-state regime before the fault.
  • The pre-fault regime is also accounted for by knowing the voltages in all the busbars of all the active and passive conductors: this is possible by using a multiconductor power flow named PFPD_MCA, previously created and published by the first author, which is the unique tool in the technical literature which solves the power flow of the interfered passive conductors (i.e., earth wires of OHLs, metallic screens or armors of insulated land/submarine cables, enclosures of GILs) beyond the phase conductors.
  • The present paper further generalizes all the preceding literature contributions towards multiconductor power systems (constituted, more generally, of n conductors) so that the three-phase power systems are a particular case (i.e., n = 3) of SFPD.
  • The pre-fault regime is correctly computed by also considering the passive conductors, without eliminating them by Kron’s reduction method. Knowledge of the pre-fault regimes of the passive conductors’ results is fundamental, since short circuits chiefly involve them (e.g., line-to-screen short circuit in ICs, and line-to-earth wire in OHLs).
All the above-mentioned points are solved for the first time in technical literature in a unique tool.

1.4. Paper Organization

The paper is organized as follows: Section 2 gives the theoretical background of SFPD; Section 3 presents the solution of the steady-state faulted regime; Section 4 holds a first validation of SFPD by means of IEC standards and simple benchmark networks. Finally, Section 5 shows the application to large-scale networks, e.g., the Italian transmission grid (ITG).

2. Simultaneous Fault Analysis by the University of Padova (SFPD): The Theoretical Background of This Open Matrix Algorithm

With regard to multiconductor electric lines, the modeling approach underlying the SFPD is Multiconductor Cell Analysis (generally known by its acronym MCA). It provides the possibility of obtaining the admittance matrix in the phase frame of reference of any electric line (in single or double circuit). It has been applied and experimentally validated by means of some real land ICs [33,34,35], of OHLs [36,37], of submarine three-core armored cables [38,39], and of GILs [40].
Even if each line typology has its own MCA representation (for which the readers can refer to the copious bibliography [33,34,35,36,37,38,39,40]), the basic idea for deriving its power frequency admittance matrix is to divide the entire length d of the line into cells of suitable length Δ (with Δ << d). The number n of conductors, both active and passive ones, varies for each line typology: for a single-circuit OHL with two earth wires, it is n = 3 + 2 = 5; for a double-circuit OHL with one earth wire, it is n = 3 + 3 + 1 = 7; for a single-circuit land (unarmored) IC, it is n = 3 + 3 = 6 (three phases and three metallic screens); for a double-circuit IC, it is n = 6 + 6 = 12; for a three-core armored submarine IC, it is n = 3 + 3 + 1 = 7 (three phases, three metallic screens, and one armor). The admittance matrix is the equivalent matrix of the cascade connection of z elementary cells where the number of cells is simply given by:
z = d
For OHLs, Δ can be equal to the average span (e.g., for EHV OHLs, it can be equal to 400 m); in contrast, for ICs, Δ can range between 10 m and 100 m.
Due to the small length Δ of each cell in comparison with the entire length of the multiconductor system d, each cell can be represented by means of a nominal multiconductor π-circuit consisting of one series block of longitudinal elements and two shunt blocks of transverse elements lumped at the sending-end (S) and receiving-end (R) of the cell. For the same abovementioned reason (i.e., Δ << d), it is possible to lump the distributed shunt admittances at the ends of the cell, thus allowing the separate study of longitudinal elements whose model is lumped in the series block. This is similar to what is usually done for the nominal π-circuit of short single-phase lines. Figure 1 shows the nominal multiconductor π-circuit of one elementary cell i for both a single-circuit OHL and a three-core submarine cable. At S and R, voltage vectors uS and uR and current vectors iS and iR can be defined. These vectors contain all the voltages and currents of both active conductors (phase conductors) and passive ones (OHL earth wires, IC screens, IC armors, GIL enclosures).
With regard to the longitudinal block of an OHL, the admittance matrix YL (2n × 2n) is defined by exploiting the Carson–Clem formulation, which is a set of formulae to determine the self and mutual impedances of longitudinal conductors which account for the earth return currents. Alternatively, the complete Carson formulae can be used with Carson’s corrections in terms of series. It has been widely demonstrated in the technical literature that at power frequency (50 or 60 Hz), the Carson–Clem formulae are very precise, and consequently, they give the same results as the complete Carson ones. For IC, the matrix Zca can be derived by means of Schelkunoff/Pollaczek or Wedepohl theories.
The matrix YL (2n × 2n) is the admittance matrix of the longitudinal block circuit formed by the n parallel conductors seen from the two ends, and it is given by:
i _ S L i _ R L = Z _ c a 1 Z _ c a 1 Z _ c a 1 Z _ c a 1 Y _ L 2 n × 2 n u _ S u _ R
With regard to the transverse or shunt elements, it is possible to lump a set of shunt admittances at the ends of the cell, so that each end can be modelled by means of two admittance matrices YSST (n × n) and YRRT (n × n). Typically, YSST = YRRT (since the admittances of Δ/2 are lumped at each end), and these two matrices are defined by computing the capacitive and conductive links between the conductors of the multiconductor system. The vectors of the shunt currents at both ends of the cell are linked to the voltage vectors by means of Equation (3); i.e.,
i _ S T i _ R T = Y _ S S T Y _ R R T Y _ T 2 n × 2 n u _ S u _ R
where YT of order (2n × 2n) is the transverse admittance matrix of the entire cell, and it is a block diagonal matrix where each block is represented by the sending-end transverse admittance matrix and the receiving-end one. Matrix Equation (3) links the sending-end transverse or shunt current vectors iST and the receiving-end one iRT.
From Figure 1, it is evident that the superimposition of YL and YT represents the admittance matrix of the steady-state regime of the elementary cell YCel (2n × 2n), so YCel = YT + YL, and:
i ¯ = Y ¯ C e l u ¯
where u is the vector of the cell voltages, and i is the vector of the currents entering in the cell.

2.1. The Admittance Matrix Representing the Faults

Once the admittance matrix YC of one cell is computed, it is necessary to make the cascade connection with all the other cells. Let us suppose that the fault location is along the line, at the position k (see Figure 2); the matrix Ycelf considers the type of fault. Its structure is shown in Figure 3: by means of this structure, it is straightforward to consider any type of short circuit at the sending or receiving end and any type of open conductor. The faulted cell admittance matrix Ycelf is given by:
Y c e l f = Y O C Y O C Y O C Y O C + Y S C _ S e n Y S C _ R e c
For instance, the open conductor of phase 1 can be considered by means of the following matrix:
Y O C = G 1 G 2 G 2 G 2 1 2 3 n
where G2 is a very high-value conductance representing the galvanic continuity, e.g., 106 S; G1 is a very small-value conductance representing the open conductor, e.g., 10−6 S; and the other elements are zeros. Any other open conductors can be easily considered, such as the open conductors of passive conductors like an earth wire breaking in an OHL or a screen fracture in an IC.
Differently, if a short circuit occurs at the sending end of a given cell, the elements of the YSC_Sen are expressed by:
y i , i = y i y 1 + + y i 1 + y i + 1 + y n k = 1 t y k
y i , j = y i y j k = 1 t y k
where Equation (7) expresses the self-admittances and Equation (8) the mutual ones. If a short circuit occurs between phase 1 and the earth wire n in a single-circuit OHL, it is sufficient to set:
y 1 = G 2 ; y n = G 2 ,   and   all   the   other   admittances   equal   to   0 .
With the systematic use of admittance matrices, it is possible to consider any type of fault and any number of these along the lines or at the busbars. The case of a short circuit at a busbar is not shown, since it simply employs a matrix like YSC. Moreover, the case of an arc resistance or, more generally, a fault impedance zf, can be easily modelled by (always with reference to a line-to-earth wire short circuit):
y 1 = G 2 ; y ¯ n = 1 / Z ¯ f   and   all   the   other   admittances   equal   to   0 .
With regard to the arc resistance, its value depends upon the short-circuit current magnitude. For short-circuit current magnitudes ranging between 10 kA and 60 kA, arc resistance ranges between 16 mΩ and 3.5 mΩ. Therefore, it is often neglected.
In contrast, the fault impedances of short circuits involving OHLs are much greater than the arc resistance. In regard to orders of magnitude, refer to Table 1, derived from 70 measured actual faults [41]. In the table, the fault impedance is considered to be wholly of a resistive nature (i.e., Zf = Rf).
According to the structure described below, several simultaneous faults can be implemented, adding multiple cells Ycelf inside the matrix structure of Figure 3. Then, the cascade connection of the faulted cells with the rest of the line cells allows the derivation of the equivalent admittance matrix Yeq of the entire line.

2.2. The Bus Admittance Matrix, Including the Network, Faults, Loads, and Generators

The multiconductor network admittance matrix in phase (namely ABC) frame of reference Y ¯ N A B C M and its formation have been thoroughly exposed in [42]. It encompasses the multiconductor structure of all the elements belonging to the grid, i.e., OHLs, ICs, GILs, two-winding transformers, three-winding transformers, and special transformers, e.g., PSTs, shunt reactors, capacitor banks, excluding loads, and synchronous generators. It is worth highlighting that after having located and characterized the faults according to Section 2.1, this matrix also includes the faults and becomes the matrix Y ¯ N _ F a u l t A B C M (see Figure 4). In Figure 4, the indexes G″ and G refer to the internal and external generator nodes, whereas the index L refers to load nodes and intermediate nodes.
The synchronous generators must be considered during their behavior in a faulted regime, which means that they must be modelled by its sub-transient positive, negative, and zero sequence impedances. In order to correctly consider their influence on the faulted regime, new fictious busbars must be added to the network busbars, i.e., the internal busbars of the synchronous generators which are named as G″ (see Figure 4).
All the synchronous generator admittance matrices ( Y ¯ g A B C for the generic g generator) in the phase frame of reference (obtainable by means of the Fortescue transformations, i.e., the use of matrix F [42] as in Figure 5) find their suitable locations on the matrix YSincr of Figure 4.
The presence of the loads (balanced or unbalanced) is considered by knowing the complex power absorbed by each phase A, B, C (see Figure 6).
It is worth noting that the admittance yA, yB, and yC modeling the load on each phase are computed by knowing the pre-fault regime solved by the multiconductor power flow PFPD_MCA, which gives all the busbar voltage phasors (e.g., ul,A, ul,B, ul,C for the generic load l). Therefore, the loads are correctly modelled by their equivalent admittance and not by their nominal one (i.e., with voltage magnitudes assumed to be 1 p.u.). Once computed Y ¯ l A B C for each load, these matrices must be located inside the block diagonal of the admittance matrix Y ¯ S G L A B C M of Figure 4.

3. The Steady-State Regime of the Faulted Power System

By considering the partition of Y ¯ F a u l t A B C M in Figure 4, it is possible to write the following matrix relation:
I ¯ G A B C = Y ¯ G G A B C E ¯ G A B C + Y ¯ G G L A B C E ¯ G L A B C I ¯ G L A B C = Y ¯ G L G A B C E ¯ G A B C + Y ¯ G L G L A B C E ¯ G L A B C
Since both faults and generators + loads are considered by their admittance matrices in phase frame of reference, their injected currents are zeroed, i.e., I ¯ G L A B C = 0 . Therefore, Equation (11) can be re-written in the following form:
I ¯ G A B C = Y ¯ G G A B C E ¯ G A B C + Y ¯ G G L A B C E ¯ G L A B C 0 = Y ¯ G L G A B C E ¯ G A B C + Y ¯ G L G L A B C E ¯ G L A B C
By considering the second equation of the system (12), the vector EGL can be derived:
E ¯ G L A B C = Y ¯ G L G L A B C 1 Y ¯ G L G A B C E ¯ G A B C
and substituted in the first equation of the system (12), it yields:
I ¯ G A B C = Y ¯ G G A B C E ¯ G A B C + Y ¯ G G L A B C Y ¯ G L G L A B C 1 Y ¯ G L G A B C E ¯ G A B C = Y ¯ G G A B C Y ¯ G G L A B C Y ¯ G L G L A B C 1 Y ¯ G L G A B C E ¯ G A B C
Equation (14) represents the current vector injected by the synchronous generators due to simultaneous faults occurring in the network. The voltage vector E ¯ G A B C can be derived by the knowledge of the pre-fault steady-state regime which is performed by the power flow solution of PFPD_MCA. Figure 7 shows the positive-sequence sub-transient circuit of a generic synchronous generator.
The voltage behind sub-transient impedance can be easily derived by means of the second Kirchhoff law applied to the positive-sequence equivalent circuit and given by:
E ¯ G = E ¯ G _ P F + z ¯ g , P I ¯ G _ P F
If consideration is given to all the synchronous machines in the network, Equation (15) must be re-written in matrix form by means of Equation (16), i.e.,
E ¯ G A B C = E ¯ G _ P F A B C + Z ¯ G A B C I ¯ G _ P F A B C
whose fully matrix representation is shown in Figure 8.
Once the fault regime is solved, it is possible to focus on a specific element of the network (usually on the transmission lines) to investigate the behavior of the electric quantities along the element itself. In order to achieve these further analyses, it is possible to use the SPLIT procedures. It was developed in [42] by the first author and reported again in Appendix A.

4. First Validations of SFPD

4.1. Comparison with IEC 60909-3

A first case study of SFPD is based on the international Standard IEC 60909-3 “Short-circuit currents in three-phase AC systems—Part 3” [43]. This standard offers some direct formulae to solve the cases of two separate simultaneous line-to-earth short circuits. No other case is presented and solved by the abovementioned standard, e.g., a simultaneous open conductor and a line-to-earth short circuit, a simultaneous line-to-line short circuit and a line-to-earth one, a simultaneous line-to-line-to-line short circuit and a line-to-line short circuit, etc. Notwithstanding, this standard is useful to compare the results of the unique considered case study with SFPD, which is completely general and can consider any type of simultaneous fault. Let us consider the network of Figure 9 during a cross-country fault or two separate simultaneous line-to-earth short circuits on two different phases (e.g., phases B and C). It is worth noting that the IEC standard allows one to solve only the case of simultaneous line-to-earth short circuits in the case of isolated neutral or resonant earthed neutral systems and not in the case of solidly earthed or low-impedance earthed neutral systems. Of course, SFPD can consider both of them, even if the comparison is obviously limited to the case presented in the standard. Moreover, unlike the IEC standard, SFPD also considers the contributions of the loads in the fault regime that, though limited in general, can be non-negligible in the case of high-impedance faults.
For the situation shown in Figure 9, the IEC standard [43] proposes the following formula:
I k E E = 3 c U n 6 Z ¯ P d + 2 Z ¯ P f + Z ¯ 0 f
In order to compare the IEC standard with SFPD, it is necessary to consider the network of Figure 10. The transformer, generator, and OHL data are reported in Appendix B.
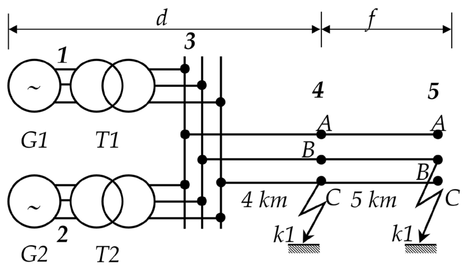
Let us suppose that a line-to-earth short circuit occurs at bus # 4 on phase C, and simultaneously, another short circuit occurs at bus # 5 on phase B. The presence of two generators (G1, G2 in Figure 10) is necessary for SFPD, since the pre-fault power flow is solved if there is at least one PV (G2 in Figure 10) node or one PQ node beyond the slack bus (G1 in Figure 10). In fact, the loads (PQ nodes) must be disregarded to compare with IEC, which neglects them.
By applying Equation (17) of IEC and SFPD, the results are compared in Table 2 in terms of short-circuit currents in the fault section. The pre-fault regime is considered in the IEC by means of the voltage factor c in Equation (17). It is worth remembering that c = 1.1 if the maximum short-circuit current Ikee,max is computed, and c = 1 if the minimum short-circuit current Ikee,min is computed. The differences with SFPD are about 9% for the IEC maximum short-circuit current and about 1% for the minimum short-circuit one. This is due to the fact that the exact pre-fault voltages are very close to 1 p.u., since at no-load, the Ferranti’s effect is negligible for OHLs of these lengths.
For the situation shown in Figure 11, the IEC standard [43] proposes the following formula:
I k E E = 3 c U n 6 Z ¯ P d Z ¯ P e + 2 Z ¯ P f Z ¯ P d + Z ¯ P e Z ¯ P d + Z ¯ P f + Z ¯ P e + Z ¯ 0 f
In order to make a comparison with SFPD, Figure 12 shows the corresponding network to be implemented. Table 3 reports the computations of the short-circuit currents with the two methods. Once again, the differences are below 10%.
For the situation shown in Figure 13, the IEC standard [43] proposes the following formula:
I k E E = 3 c U n 6 Z ¯ P d + 2 Z ¯ P g + Z ¯ P h + Z ¯ 0 g + Z ¯ 0 h
In order to compare SFPD with the IEC standards, it is necessary to implement the network of Figure 14.
Transformer, generator, and OHL data are reported in Appendix B. Let us suppose that a line-to-earth short circuit occurs at bus # 4 on phase C, and simultaneously, another short circuit occurs at bus # 5 on phase B.
By applying Equation (18) to IEC and SFPD, the results are compared in Table 4. Once again, the same considerations of the previous case can be made.
It is worth noting that the international standard covers a very limited set of real cases. For meshed networks, which are operated with earthed neutral, as in the case of high- and extra-high-voltage levels, there are no available computation tools in the abovementioned standard.

4.2. Simultaneous Two-Phase and Single-Phase Short Circuits

A second validation of SFPD can be presented by means of the case of Figure 15, for which the short-circuit currents are computed by the analytical formulation derived in [4]. At bus # 4, there is a simultaneous line-to-earth short circuit involving phase A and a line-to-line short circuit involving phases B and C. The data of the network elements are always in Appendix B.
The direct formulae for comparison can be derived in [4]. The short-circuit current in the phase A is given by:
I ¯ A = 6 Z ¯ N E v 4 Z ¯ P Z ¯ N + Z ¯ N Z ¯ 0 + Z ¯ 0 Z ¯ P
whereas those of phases B and C are equal and given by:
I ¯ B = I ¯ C = j 3 2 Z ¯ N + Z ¯ 0 E v 4 Z ¯ P Z ¯ N + Z ¯ N Z ¯ 0 + Z ¯ 0 Z ¯ P
The phase-to-earth voltages of phases B and C are equal and given by:
E ¯ B = E ¯ C = 3 Z ¯ N Z ¯ 0 E v 4 Z ¯ P Z ¯ N + Z ¯ N Z ¯ 0 + Z ¯ 0 Z ¯ P
Table 5 reports the results for the two approaches and the percentage differences between SFPD and the formulae of [4] in case of a solidly earthed neutral. The same applies for Table 6 but with an isolated neutral.
In both cases, the differences are below about 1%.

4.3. An 18-Bus Network and the Simultaneous Open Circuit and Two Line-to-Earth Short Circuits

In order to show the power of SFPD, after having validated it in the previous sections, it is possible to refer to the 18-bus network whose data is fully reported in Appendix C. There are three synchronous generators, three transformers, and an EHV network with 15 transmission lines and 15 equivalent loads. The single-line diagram of the network under analysis is shown in Figure 16.
A very interesting case deals with the breakage of one conductor which falls to the earth in two pieces, causing two line-to-earth short circuits in two different locations along the line, as depicted in Figure 17.
Let us suppose that this kind of fault occurs on line# 10 (between bus 14 and 15) with a total length of 130 km and that at 112.95 km, the breakage of conductor C occurs. The two line-to-earth short circuits occur at 112.5 km and at 113.4 km [44].
Table 7 reports the magnitudes and the angles of the short-circuit currents coming from bus 14 and from bus 15.
It is worth noting that the current magnitudes of the healthy phases A and B are not negligible, since in SFPD, the loads are correctly considered, and therefore the short-circuit currents overlap with the steady-state regime load currents. Moreover, the major contribution of the short-circuit current of phase C comes from right, since the fault is very close to bus # 15. The voltage magnitudes at the fault location are reported in Table 8. The healthy phases experience an overvoltage, whereas fault phase C has an extremely low voltage.
Another very important feature of SFPD is that it allows computing and immediately visualizing the electric quantity behaviors along any transmission line by means of the matrix procedure expounded in Appendix A. The phase conductor and the earth wire current magnitudes along the line are shown in Figure 18 and in Figure 19, respectively.
Since the earth return current iGR is simply given by the negative sum of the conductor (abbreviated with cond in the following summation) currents, i.e.,
i ¯ G R = c o n d = A E W i ¯ c o n d
It is also possible to derive the earth return current magnitude behavior along the line as shown in Figure 20.

4.4. An Instructive Example: Three-Phase Short-Circuit Calculation by Means of SFPD

In order to highlight the close-to-reality results of SFPD, it is very interesting to analyze a three-phase short circuit. Since the three-phase short circuit is the unique symmetric fault, the theory of sequence circuits states that such a short circuit gives three short circuits with equal current magnitudes and 120° out of phase. Of course, with the sequence frame of reference, the earth wire and earth return current magnitudes are zero.
The OHLs of Figure 16 are structurally asymmetric, so that the faulted regime, even in the occurrence of a symmetric short circuit, produces an asymmetric regime. This can be highlighted by the use of SFPD with a three-phase short circuit on the #9 OHL at 2 km from bus #13, by referring to the network of the previous section.
Figure 21, Figure 22 and Figure 23 show the phase current magnitudes along the line, the earth wire current magnitude, and the earth return current magnitude, respectively. Figure 21 shows the differences in the magnitudes of the short-circuit currents due to the asymmetry of the OHL, in contrast to the sequence circuit theory. The earth wire and earth return current should be zero according to the sequence circuit theory, but the current behaviors along the line derived with SFPD show that they are not. Even if these currents are small (chiefly if compared with the short-circuit currents), SFPD can correctly compute them.

5. Application of SFPD to the HV/EHV Italian Network

SFPD can represent a powerful tool for any transmission system operator that aims at deepening detailed analyses of its large-scale grid.
For example, the increasing generation by renewable sources decreases the fault levels, i.e., the three-phase short-circuit powers. SFPD could be used to foresee the decreasing trend in fault levels by connecting more and more grid-tied inverters delivering renewable power. In other words, this open algorithm can be used in the control room in order to provide evidence of the actual direction in which the national transmission grid is heading in terms of robustness and rotating power in service.
Another important application of SFPD towards large-scale grids, presented in this paper, deals with the neutral point treatment.
It is well known that the star points of the autotransformers of the transmission network are solidly earthed. In contrast, the distribution transformers (HV/MV step-down transformers) in the primary substation are an exception: the primary HV winding is unearthed. This is due to the fact that it is necessary to avoid high values of the line-to-earth short-circuit current which can give rise to high earth potential rises; in fact, the earthing grid resistances have values greater than those of transmission substations due to the fact that the former cannot benefit from the great extension of the latter. The synchronous generator star points are always connected to earth via a sufficiently high impedance.
There are two fundamental parameters in the neutral point treatment.
The first is a or the ratio between the line-to-earth (single-phase) short-circuit current and the line-to-line-to-line (three-phase) short-circuit current at a given busbar, i.e.:
a ¯ = I ¯ k 1 I ¯ k 3
If |a| > 1, then the single-phase short-circuit current is greater than the three-phase one. In general, the higher the values of a, the higher the earth potential rise of the faulted substation.
The second is indicated with k, and it is given by the ratio between the maximum overvoltage in p.u. of the two healthy phases B, C during a line-to-earth short circuit on phase A and the phase-to-earth rated voltage. It can be expressed as in the following:
k ¯ = max ( E ¯ B ; E ¯ C ) U n 3
If k is too high, this could provoke another short circuit in another location of the grid. Therefore, it is convenient to keep k sufficiently low.
It is worth recalling the following IEC definition of directly earthed system: “a system in which in case of ground contact of a phase, the voltage to earth of healthy phases, excluding the transient period, does not exceed 80% of the nominal phase-to-phase voltage at any point”. It means that if |k| ≤ 0.8· 3 ≅ 1.4 p.u., the system is a directly earthed one.
Moreover, not all the star points of the transmission transformers should be earthed: according to neutral point treatment theory, it is well known that the greater the number of star points earthed, the lower the zero-sequence impedance seen from any node and, therefore, the greater the single-phase short-circuit current than those three-phase, i.e., the greater the |a| parameter. Conversely, the greater the number of star points earthed, the lower the parameter |k| in order to have low overvoltages facilitating the insulation co-ordination. Hence, there are two conflicting requirements. Therefore, it is possible to identify an optimal number of the transmission transformer star points earthed. The other star points (distribution transformers and synchronous generator star points) cannot be varied as explained above.
In order to show the applicability of SFPD to real-world power networks and to find the above-mentioned optimum, SFPD is extensively applied to the ITG [44]. The Italian grid (see Figure 24) is meshed and has the data reported in Table 9. The available scenario is off-peak during the winter of the year 2022.
The Italian network data available to the authors deal with a given scenario where the 132/150 kV busbars were originally represented by simple P and Q nodes. In order to consider the real configuration of the primary substations and chiefly to analyze the difference between the isolated and earthed neutral of their transformers, it has been necessary to add one or more HV/MV transformers of a suitable size (depending upon the absorbed apparent power). As already mentioned, in Italy, the primary winding of these transformers is always unearthed. In order to demonstrate the importance and technical soundness of this choice, Figure 25 and Figure 26 show the a and k parameters, respectively. In each of the 5498 EHV/HV nodes (see Table 9), a single-phase k1 and three-phase k3 short circuits are computed (collectively, 10,996 short circuits!). Both types of short circuit are computed with the two different connections of the neutral point of the HV winding of the primary substation transformers: earthed (indicated with empty squares) and isolated (indicated with black dots). From Figure 25, it can be deduced that it is convenient not to connect to earth the HV windings of the transformers in the primary substations in order to reduce the single-phase short-circuit currents which impact on the earth potential rise of the substations.
Figure 26 shows that k for almost all the 5498 busbars is always lower than 1.4 p.u.; i.e., this proves that the Italian grid is a directly earthed system.
The two zooms of Figure 27 (between busbars 1500 and 1600, i.e., for 100 busbars) show that the choice to keep the star points (black dots in Figure 27) of the distribution transformers isolated produces lower values for parameter a (see Figure 27a) where the black dots are always equal to (or lower than) the corresponding squares and higher values of parameter k (see Figure 27b) where the black dots are always equal to (or greater than) the corresponding squares.
By changing the focus on transmission transformers in the substations, in order to find the optimum percentage of their isolated star points, it is possible to vary the neutral state of those transformers. The percentage of isolated neutrals is varied stepwise according to the values of Table 10, starting from the actual situation with 0% transformers with an isolated neutral. In order to vary the neutral status of EHV/HV substations uniformly across the Italian territory, the subdivision of these nodes is performed according to Terna’s territorial areas, headed by the following provincial capitals: Turin, Milan, Venice, Florence, Rome, Naples, and Palermo. Within each individual territorial area, in order to ensure a uniform distribution of the isolated neutral transformers, a “random” function is used, taking care to ensure that the mutual distances are not too concentrated at certain values. For each configuration of Table 10, the a and k parameters are computed for each EHV/HV busbar (collectively 5498), and two average values are computed. Their values are shown in Figure 28 as a function of the isolated neutrals of the transmission transformers reported in Table 10.
The optimum is given by the intersection of the two lines: it occurs when the 58.03% of the star points of the transmission transformers are isolated (or the 41.97% of the star points of the transmission transformers are solidly earthed).
In the Italian network, this research achievement (only possible by means of the power of SFPD) is not taken into account since TERNA (the Italian TSO) prefers to connect to earth all the transmission transformer star points. In this way, TERNA achieves lower values of k (i.e., lower overvoltages during single-phase short circuits) but accepts greater values of a (i.e., of Ik1) by trusting in the effectiveness of the earthing grid at the substations, which lowers the earth potential rise at the faulted bus.
In any case, SFPD allows TSOs to choose whether to deepen such issues. This demonstrates the great possibilities of power system analysis by this open algorithm, namely SFPD.

6. Conclusions

For the first time in the technical literature, an open matrix algorithm solving the steady-state regime due to any number of short circuits and open conductors in any bus of the network or along the electric lines is presented.
The most significant technical advance enabled by SFPD is the possibility to consider any type of simultaneous fault in an asymmetric multiconductor system (including active and passive conductors), computing both the pre-fault and fault regime of the network.
The algorithm is extensively validated by means of some comparisons with analytical formulations provided by the IEC standards and by a reference short-circuit computation book. Then, it is widely applied to the real EHV/HV Italian network to show the optimum degree of earthed star points of the transmission autotransformers. This is only an application to show the power of this open algorithm.
This tool could become an ally for any transmission system operator in their control rooms to provide evidence of the actual direction in which the national HV/EHV transmission grid is heading in terms of robustness and rotating power in service.

Author Contributions

Conceptualization, R.B.; methodology, R.B.; software, R.B.; validation, R.B.; formal analysis, R.B.; investigation, R.B.; resources, R.B.; data curation, R.B.; writing—original draft preparation, R.B.; writing—review and editing, R.B. and F.S.; visualization, R.B. and F.S.; supervision, R.B.; project administration, R.B. All authors have read and agreed to the published version of the manuscript.

Funding

This research received no external funding.

Data Availability Statement

Data on the real network is unavailable due to NDA restrictions.

Conflicts of Interest

The authors declare no conflicts of interest.

Abbreviations

The following abbreviations are used in this manuscript:
EHVExtra-high voltage
GILGas insulated line
ICInsulated cable
IECInternational Electrotechnical Commission
IETInstitution of Engineering and Technology
ITGItalian transmission grid
MCAMulticonductor cell analysis
OHLOverhead line
PFPD_MCAPower flow Padova University multiconductor cell analysis
PSTPhase-shifting transformer
SFPDSimultaneous faults Padova University
TSOTransmission system operator

Appendix A. Electric Quantity Behaviors Along the Transmission Lines

Once the Y ¯ cel matrix of all the elementary cells along the lines are computed, as in Figure 2, it is necessary to achieve the admittance matrix Y ¯ T O T A B C M of the whole electrical line shown in Figure A1 (where SS and SR indicate the sending and the receiving-end ports, and S1, S2, …, and Si1 indicate the ports along the electrical line).
Figure A1. Elementary cells’ representation for a generic electrical line.
Figure A1. Elementary cells’ representation for a generic electrical line.
Energies 19 01770 g0a1
Figure A2. Structure of matrix Y ¯ T O T A B C M , and partitioned matrix form of i ¯ A B C M = Y ¯ T O T A B C M u ¯ A B C M .
Figure A2. Structure of matrix Y ¯ T O T A B C M , and partitioned matrix form of i ¯ A B C M = Y ¯ T O T A B C M u ¯ A B C M .
Energies 19 01770 g0a2
The building of the admittance matrix Y ¯ T O T A B C M involves all the matrices in Figure A1, starting from the left side.
The matrix Y ¯ T O T A B C M is calculated by using automatic topological procedures that give rise to partial superposition of matrices as in Figure A2. The resulting matrix Y ¯ T O T A B C M can be of large dimensions (depending upon the ratio line length/Δ), but it can be easily managed because it is structurally sparse. For the system of Figure A2, the general equation i ¯ A B C M = Y ¯ T O T A B C M u ¯ A B C M can be partitioned as in Figure A1. It is worth noting that only i ¯ S A B C M and i ¯ R A B C M are non-zero current vectors and that i ¯ x A B C M 0 ; it follows that:
i ¯ S A B C M = Y ¯ 1 A B C M u ¯ S A B C M + Y ¯ 2 A B C M u ¯ x A B C M + Y ¯ 3 A B C M u ¯ R A B C M i ¯ x A B C M = Y ¯ 4 A B C M u ¯ S A B C M + Y ¯ 5 A B C M u ¯ x A B C M + Y ¯ 6 A B C M u ¯ R A B C M i ¯ R A B C M = Y ¯ 7 A B C M u ¯ S A B C M + Y ¯ 8 A B C M u ¯ x A B C M + Y ¯ 9 A B C M u ¯ R A B C M
From the second equation of the system (A1), the unknown voltage vector u ¯ x A B C M is obtained immediately:
u ¯ x A B C M = Y ¯ 5 A B C M 1 Y ¯ 4 A B C M u ¯ S A B C M + Y ¯ 6 A B C M u ¯ R A B C M
where Y ¯ 5 A B C M is non-singular. By knowing all the subvectors u ¯ 1 ABCM , u ¯ 2 ABCM , …, and u ¯ i 1 ABCM of u ¯ x A B C M , the steady-state regime of each cell is completely available. In this way, all the electrical quantities are known for each cell length.

Appendix B. Data of Section 4.1/Section 4.2 Case Studies

Table A1, Table A2 and Table A3 report the transformer, generator, and OHL line data of the 18-bus network of Section 4.1 and Section 4.2.
Table A1. Transformer data.
Table A1. Transformer data.
ParameterValue
TypeDyn11
Sn10 MVA
UHV20 kV
ULV6 kV
Zp,20kV0.16 + j 3.997 Ω
Zn,20kV0.16 + j 3.997 Ω
Z ¯ 0 , 20 k V i s 6.67·108 + j 6.51 Ω
Z ¯ 0 , 20 k V e a r t h 0.26 + j 6.51 Ω
isIsolated neutral
earthEarthed neutral
Table A2. Generator data.
Table A2. Generator data.
ParameterValue
Sn10 MVA
Un6 kV
Zp,20kVj 6 Ω
Zi,20kVj 6 Ω
Z0,20kV0.23 + j 4.8 Ω
Table A3. OHL data.
Table A3. OHL data.
ParameterValue
Un20 kV
Zp,20kV0.36 + j 0.36 Ω/km
Zi,20kV0.36 + j 0.36 Ω/km
Z0,20kV0.6 + j 1.48 Ω/km

Appendix C. Data of Section 4.3 18-Bus Network

Table A4, Table A5, Table A6 and Table A7 report the generator, transformer, transmission line, and load data of the 18-bus network analyzed in Section 4.3.
Table A4. Data of the synchronous generators of the 18-bus network.
Table A4. Data of the synchronous generators of the 18-bus network.
G1G2G3
P [MW]400500300
Q [Mvar]353535
Un [kV]202020
Table A5. Data of the transformers of the 18-bus network.
Table A5. Data of the transformers of the 18-bus network.
TR1-YynTR2-YynTR3-Yyn
Sn [MVA]750750750
UHV [kV]400400400
ULV [kV]202020
Table A6. Data of the transmission line of the 18-bus network.
Table A6. Data of the transmission line of the 18-bus network.
Typefrom Busto Bus Length [km]Un [kV]
1sc OHL 1 ew4750400
2dc OHL 1 ew71225.9400
3sc IC7810.8400
4sc OHL 1 ew8942400
5sc OHL 2 ew91065400
6sc OHL 2 ew101172400
7sc OHL 1 ew11612400
8sc OHL 2 ew1213200400
9sc OHL 1 ew1314100400
10sc OHL 1 ew1415130400
11sc IC15540400
12sc OHL 1 ew15161.5400
13sc OHL 1 ew161727400
14sc OHL 2 ew171813400
15sc OHL 2 ew181115400
Table A7. Data of the loads of the 18-bus network.
Table A7. Data of the loads of the 18-bus network.
BusP [MW]Q [Mvar]Un [kV]
400400
500400
600400
700400
830035400
910010400
1010010400
1100400
1210010400
1310010400
1410010400
1500400
1610010400
1710010400
1810010400

References

  1. Blackburn, J.L. Symmetrical Components for Power Systems Engineering; Marcel Dekker, Inc.: New York, NY, USA, 1993. [Google Scholar]
  2. Anderson, P.M. Analysis of Faulted Power Systems; IEEE Press Power Systems Engineering Series; John Wiley & Sons: New York, NY, USA, 1995. [Google Scholar]
  3. Das, J.C. Power System Analysis: Short-Circuit Load Flow and Harmonics; Marcel Dekker, Inc.: New York, NY, USA, 2002. [Google Scholar]
  4. Tleis, N. Power Systems Modelling and Fault Analysis, 2nd ed.; Elsevier: Amsterdam, The Netherlands, 2019. [Google Scholar]
  5. Oswald, B.R. Calculation of Arbitrary Fault Configurations in Electrical Power Supply Networks Using the Fault Matrix Method; Leipziger Universitätsverlag: Leipzig, Germany, 2009; ISBN 978-3-86583-346-4. [Google Scholar]
  6. Oswald, B.R. A new method for the fault simulation in power systems. In Proceedings of the European EMTP-ATP Users Group (EEUG) Meeting, Gizzeria Lido, Italy, 8–10 November 1999; Available online: https://www.scribd.com/doc/221546501/12-00may (accessed on 16 February 2026).
  7. Oswald, B.R. Fault simulations in power systems using a unified matrix method. In Proceedings of the 39th International Universities Power Engineering Conference (UPEC), Bristol, UK, 6–8 September 2004. [Google Scholar]
  8. Abdel-Akher, M.; Nor, K.M.; Rashid, A.H.A. Improved three-phase power-flow methods using sequence components. IEEE Trans. Power Syst. 2005, 20, 1389–1397. [Google Scholar] [CrossRef]
  9. Abdel-Akher, M.; Nor, K.M. Fault analysis of multiphase distribution systems using symmetrical components. IEEE Trans. Power Deliv. 2010, 25, 2931–2939. [Google Scholar] [CrossRef]
  10. Teo, C.Y.; He, W.X. A direct approach to short-circuit current calculation without using symmetrical components. Int. J. Electr. Power Energy Syst. 1997, 19, 293–298. [Google Scholar] [CrossRef]
  11. Montagna, M.; Granelli, G.P. A comprehensive approach to fault analysis using phase coordinates. Electr. Power Syst. Res. 2002, 61, 101–108. [Google Scholar] [CrossRef]
  12. Han, Z.X. Generalized method of analysis of simultaneous faults in electric power system. IEEE Trans. Power Appar. Syst. 1982, PAS-101, 3933–3942. [Google Scholar] [CrossRef]
  13. Laughton, M.A. Analysis of unbalanced polyphase networks by the method of phase coordinates. Part 1. System representation in phase frame of reference. Proc. IEE 1968, 115, 1163–1172. [Google Scholar]
  14. Laughton, M.A. Analysis of unbalanced polyphase networks by the method of phase coordinates. Part 2. Fault analysis. Proc. IEE 1969, 116, 857–866. [Google Scholar]
  15. Roy, L.; Rao, N.D. Exact calculation of simultaneous faults involving open conductors and line-to-ground short circuits on inherently unbalanced power systems. IEEE Trans. Power Appar. Syst. 1982, PAS-101, 2738–2746. [Google Scholar] [CrossRef]
  16. Weitzenfeld, G. Power system ground fault current distribution using the double-sided elimination method. IEEE Trans. Power Syst. 1986, 1, 17–25. [Google Scholar] [CrossRef]
  17. Lacroix, J.-S.; Kocar, I.; Belletete, M. Accelerated computation of multiphase short circuit summary for unbalanced distribution systems using the concept of selected inversion. IEEE Trans. Power Syst. 2013, 28, 1515–1522. [Google Scholar] [CrossRef]
  18. Filomena, A.D.; Resener, M.; Salim, R.H.; Bretas, A.S. Distribution system fault analysis considering fault resistance estimation. Int. J. Electr. Power Energy Syst. 2011, 33, 1326–1335. [Google Scholar] [CrossRef]
  19. Bhat, N.B.; Venkata, S.S.; Guyker, W.C.; Booth, W.H. Six-phase (multi-phase) power transmission systems: Fault analysis. IEEE Trans. Power Appar. Syst. 1977, 96, 758–767. [Google Scholar] [CrossRef]
  20. Badawy, E.H.; El-Sherbiny, M.K.; Ibrahim, A.A.; Farghaly, M.S. A method of analyzing unsymmetrical faults on six-phase power systems. IEEE Trans. Power Deliv. 1991, 6, 1139–1145. [Google Scholar] [CrossRef]
  21. Faried, S.O.; Sidhu, T.S. A new method for fault analysis of six-phase transmission systems. Electr. Power Syst. Res. 2000, 53, 157–163. [Google Scholar] [CrossRef]
  22. Subramanyam, P.S.; Chandrasekaran, A.; Elangovan, S. Dual three-phase transformation for comprehensive fault analysis of a six-phase system. Electr. Power Syst. Res. 1997, 40, 85–90. [Google Scholar] [CrossRef]
  23. Youssef, K.H.; Abouelenin, F.M. Analysis of simultaneous unbalanced short circuit and open conductor faults in power systems with untransposed lines and six-phase sections. Alex. Eng. J. 2016, 55, 369–377. [Google Scholar] [CrossRef]
  24. Yu, L.Y.M. Multiconductor analysis. Part 1. A study of the characteristics of the EHV bundled conductor transmission lines. IEEE Trans. Power Appar. Syst. 1972, PAS-91, 1107–1112. [Google Scholar] [CrossRef]
  25. Yu, L.Y.M. Multiconductor analysis. Part 2. An investigation of faults on EHV transmission lines. IEEE Trans. Power Appar. Syst. 1972, PAS-91, 1113–1119. [Google Scholar] [CrossRef]
  26. Yu, L.Y.M. Determination of induced currents and voltages in earth wires during faults. Proc. IEE 1973, 120, 689–692. [Google Scholar] [CrossRef]
  27. Dawalibi, F. Ground fault current distribution between soil and neutral conductors. IEEE Trans. Power Appar. Syst. 1980, PAS-99, 452–461. [Google Scholar] [CrossRef]
  28. Tailor, D.N.; Makwana, V.H. Analysis of faulted power system during simultaneous open conductor and ground fault. IET Gener. Transm. Distrib. 2020, 14, 5319–5326. [Google Scholar] [CrossRef]
  29. Guerreiro, G.M.G.; Gajić, Z.; Zubić, S.; Taylor, N.; Habib, M.Z. Cross-country faults in resonant-grounded networks: Mathematical modelling, simulations and field recordings. Electr. Power Syst. Res. 2021, 196, 1–11. [Google Scholar] [CrossRef]
  30. Cerretti, A.; D’Orazio, L.; Gatta, F.M.; Geri, A.; Lauria, S.; Maccioni, M. Limitation of cross country fault currents in MV distribution networks by current limiting reactors connected between cable screens and primary substation earth electrode. Electr. Power Syst. Res. 2022, 205, 1–10. [Google Scholar] [CrossRef]
  31. Mohamed Razick, F.R.; Musilek, P. Deep Learning for Short-Circuit Fault Diagnostics in Power Distribution Grids: A Comprehensive Review. Computers 2026, 15, 76. [Google Scholar] [CrossRef]
  32. Suresh, A.; Murari, K.; Kamalasadan, S.; Paudyal, S. Development of a Novel Sequence Component-Based Method for the Faults Analysis in Unbalanced Power Distribution Networks. IEEE Trans. Ind. Appl. 2026, 62, 3146–3158. [Google Scholar] [CrossRef]
  33. Benato, R. Multiconductor Analysis of Underground Power Transmission Systems: EHV AC cables. Electr. Power Syst. Res. 2009, 79, 27–38. [Google Scholar] [CrossRef]
  34. Benato, R.; Dambone Sessa, S.; Poli, M.; Sanniti, F. Sequence Impedances of Land Single-Core Insulated Cables: Direct Formulae and Multiconductor Cell Analyses Compared with Measurements. Energies 2020, 13, 1084. [Google Scholar] [CrossRef]
  35. Benato, R.; Dambone Sessa, S.; Forzan, M.; Poli, M.; Sanniti, F.; Torchio, R. HVAC Single Core Insulated Cables with Steel Reinforced Mechanical Protections: Effect on Sequence Impedances. IEEE Trans. Power Deliv. 2021, 36, 1663–1671. [Google Scholar] [CrossRef]
  36. Benato, R.; Dambone Sessa, S.; Guglielmi, F. Determination of Steady-State and Faulty Regimes of Overhead Lines by Means of Multiconductor Cell Analysis (MCA). Energies 2012, 5, 2771–2793. [Google Scholar] [CrossRef]
  37. Sanniti, F.; Dambone Sessa, S.; Gardan, G.; Rusalen, L.; Benato, R.; Minto, L.; Ricci, G.; Schiavinato, M.; Trombini, F. Experimental Validation of Multiconductor Cell Analysis by Overhead Line Field Measurements. IEEE Trans. Ind. Appl. 2025. Early Access. [Google Scholar] [CrossRef]
  38. Benato, R.; Dambone Sessa, S.; Forzan, M. Experimental Validation of 3-Dimension Multiconductor Cell Analysis by a 30 km Long Submarine Three-Core Armoured Cable. IEEE Trans. Power Deliv. 2018, 33, 2910–2919. [Google Scholar] [CrossRef]
  39. Benato, R.; Dambone Sessa, S.; Sanniti, F.; Gardan, G.; Palone, F. Experimental harmonic validation of 3D multiconductor cell analysis: Measurements on the 100 km long Sicily–Malta 220 kV three-core armoured cable. IEEE Trans. Power Deliv. 2022, 37, 573–581. [Google Scholar] [CrossRef]
  40. Benato, R.; Di Mario, C.; Koch, H. High Capability Applications of Long Gas Insulated Lines in Structures. IEEE Trans. Power Deliv. 2007, 22, 619–626. [Google Scholar] [CrossRef]
  41. Sorrentino, E.; Ayala, C. Measurement of fault resistances in transmission lines by using recorded signals at both line ends. Electr. Power Syst. Res. 2016, 140, 116–120. [Google Scholar] [CrossRef]
  42. Rusalen, L.; Benato, R. PFPD_MCA: A Multiconductor Power Flow. IEEE Access 2024, 12, 36415–36431. [Google Scholar] [CrossRef]
  43. IEC. IEC 60909-3; Short-Circuit Currents in Three-Phase AC Systems—Part 3: Currents During Two Separate Simultaneous Line-to-Earth Short Circuits and Partial Short-Circuit Currents Flowing Through Earth. 3rd ed. IEC: Geneva, Switzerland, 2009.
  44. Moro, A. Sviluppo di un Algoritmo Matriciale (SFPD) per lo Studio Dei Guasti Multipli Nella Rete Elettrica Italiana. Master’s Thesis, University of Padova, Padova, Italy, 2024. [Google Scholar]
Figure 1. (a) Subdivision of a single-circuit OHL [36,37] of length d by means of the cascade of z elementary cells. (b) Subdivision of a three-core armored submarine cable [38,39] by means of the cascade of z elementary cells. (c) Detail of the electrical model of one cell (cell i) by a multi-conductor nominal π-circuit of length Δ.
Figure 1. (a) Subdivision of a single-circuit OHL [36,37] of length d by means of the cascade of z elementary cells. (b) Subdivision of a three-core armored submarine cable [38,39] by means of the cascade of z elementary cells. (c) Detail of the electrical model of one cell (cell i) by a multi-conductor nominal π-circuit of length Δ.
Energies 19 01770 g001
Figure 2. Cascade connections of the admittance matrices of the cells, including the faulted cell Ycelf, taking into account the fault type.
Figure 2. Cascade connections of the admittance matrices of the cells, including the faulted cell Ycelf, taking into account the fault type.
Energies 19 01770 g002
Figure 3. Faulted cell considering both open conductors (by means of YOC) and short circuits at sending-end (by means of YSC_Send) or receiving-end (by means of YSC_Rec).
Figure 3. Faulted cell considering both open conductors (by means of YOC) and short circuits at sending-end (by means of YSC_Send) or receiving-end (by means of YSC_Rec).
Energies 19 01770 g003
Figure 4. Composition of the overall admittance matrix Y ¯ F a u l t A B C M (including network, faults, synchronous generators, and loads) and current/voltage matrix relation.
Figure 4. Composition of the overall admittance matrix Y ¯ F a u l t A B C M (including network, faults, synchronous generators, and loads) and current/voltage matrix relation.
Energies 19 01770 g004
Figure 5. Sub-transient passive model of a synchronous generator in sequence (0PN) and phase (ABC) frame of reference.
Figure 5. Sub-transient passive model of a synchronous generator in sequence (0PN) and phase (ABC) frame of reference.
Energies 19 01770 g005
Figure 6. Load model based on equivalent admittances with the pre-fault voltage magnitudes of each phase derived by the solution of the PFPD_MCA. The superscript * indicates the complex conjugate of the complex number.
Figure 6. Load model based on equivalent admittances with the pre-fault voltage magnitudes of each phase derived by the solution of the PFPD_MCA. The superscript * indicates the complex conjugate of the complex number.
Energies 19 01770 g006
Figure 7. Positive-sequence sub-transient active model of a synchronous generator g.
Figure 7. Positive-sequence sub-transient active model of a synchronous generator g.
Energies 19 01770 g007
Figure 8. Expanded representation of Equation (16).
Figure 8. Expanded representation of Equation (16).
Energies 19 01770 g008
Figure 9. A typical cross-country fault (two separate simultaneous line-to-earth short circuits on the same line) in the case of a single-fed radial line (isolated neutral).
Figure 9. A typical cross-country fault (two separate simultaneous line-to-earth short circuits on the same line) in the case of a single-fed radial line (isolated neutral).
Energies 19 01770 g009
Figure 10. Network to compare SFPD with IEC standard in case of two separate simultaneous line-to-earth short circuits on the same line (isolated neutral).
Figure 10. Network to compare SFPD with IEC standard in case of two separate simultaneous line-to-earth short circuits on the same line (isolated neutral).
Energies 19 01770 g010
Figure 11. A typical cross-country fault (two separate simultaneous line-to-earth short circuits on the same line) in case of a double-fed single line (isolated neutral).
Figure 11. A typical cross-country fault (two separate simultaneous line-to-earth short circuits on the same line) in case of a double-fed single line (isolated neutral).
Energies 19 01770 g011
Figure 12. Network to compare SFPD with IEC standard in the case of two separate simultaneous line-to-earth short circuits on the same line in the case of a double-fed single line (isolated neutral).
Figure 12. Network to compare SFPD with IEC standard in the case of two separate simultaneous line-to-earth short circuits on the same line in the case of a double-fed single line (isolated neutral).
Energies 19 01770 g012
Figure 13. A typical cross-country fault (two separate simultaneous line-to-earth short circuits on the same line) in the case of two single-fed radial lines (isolated neutral).
Figure 13. A typical cross-country fault (two separate simultaneous line-to-earth short circuits on the same line) in the case of two single-fed radial lines (isolated neutral).
Energies 19 01770 g013
Figure 14. Case study allowing comparison between the case of IEC in Figure 13 and SFPD.
Figure 14. Case study allowing comparison between the case of IEC in Figure 13 and SFPD.
Energies 19 01770 g014
Figure 15. Simultaneous line-to-line short circuit and line-to-earth short circuit at bus # 4.
Figure 15. Simultaneous line-to-line short circuit and line-to-earth short circuit at bus # 4.
Energies 19 01770 g015
Figure 16. Single-line diagram of the 18-bus network.
Figure 16. Single-line diagram of the 18-bus network.
Energies 19 01770 g016
Figure 17. Breakage of phase conductor C with subsequent open conductor fault and simultaneous two line-to-earth short circuits.
Figure 17. Breakage of phase conductor C with subsequent open conductor fault and simultaneous two line-to-earth short circuits.
Energies 19 01770 g017
Figure 18. Phase conductor current magnitude behavior along the fault line.
Figure 18. Phase conductor current magnitude behavior along the fault line.
Energies 19 01770 g018
Figure 19. Earth wire current magnitude behavior along the fault line.
Figure 19. Earth wire current magnitude behavior along the fault line.
Energies 19 01770 g019
Figure 20. Earth return current magnitude behavior along the fault line.
Figure 20. Earth return current magnitude behavior along the fault line.
Energies 19 01770 g020
Figure 21. Behaviors of the phase conductor current magnitudes along #9 OHL for a three-phase short circuit at 2 km from bus #13 of Figure 16.
Figure 21. Behaviors of the phase conductor current magnitudes along #9 OHL for a three-phase short circuit at 2 km from bus #13 of Figure 16.
Energies 19 01770 g021
Figure 22. Behaviors of the earth wire conductor current magnitude along #9 OHL for a three-phase short circuit at 2 km from bus 13 of Figure 16.
Figure 22. Behaviors of the earth wire conductor current magnitude along #9 OHL for a three-phase short circuit at 2 km from bus 13 of Figure 16.
Energies 19 01770 g022
Figure 23. Behaviors of the earth return current magnitude along #9 OHL for a three-phase short circuit at 2 km from bus 13 of Figure 16.
Figure 23. Behaviors of the earth return current magnitude along #9 OHL for a three-phase short circuit at 2 km from bus 13 of Figure 16.
Energies 19 01770 g023
Figure 24. Italian EHV/HV grid. Red strokes indicate 380 kV lines; Green strokes indicate 220 kV lines and light-blue strokes indicate 132/150 kV lines.
Figure 24. Italian EHV/HV grid. Red strokes indicate 380 kV lines; Green strokes indicate 220 kV lines and light-blue strokes indicate 132/150 kV lines.
Energies 19 01770 g024
Figure 25. Parameter a (ratio between single-phase short-circuit current and three-phase one) in the Italian EHV/HV grid with primary substation transformer having isolated neutral or earthed neutral.
Figure 25. Parameter a (ratio between single-phase short-circuit current and three-phase one) in the Italian EHV/HV grid with primary substation transformer having isolated neutral or earthed neutral.
Energies 19 01770 g025
Figure 26. Parameter k (ratio between the maximum overvoltage in p.u. of the two healthy phases B and C during a line-to-earth short circuit on phase A and the phase-to-earth rated voltage) in the Italian EHV/HV grid with primary substation transformer having isolated neutral or earthed neutral.
Figure 26. Parameter k (ratio between the maximum overvoltage in p.u. of the two healthy phases B and C during a line-to-earth short circuit on phase A and the phase-to-earth rated voltage) in the Italian EHV/HV grid with primary substation transformer having isolated neutral or earthed neutral.
Energies 19 01770 g026
Figure 27. (a) Zoom of Figure 25 between busbar 1500 and 1600. (b) Zoom of Figure 26 between busbar 1500 and 1600.
Figure 27. (a) Zoom of Figure 25 between busbar 1500 and 1600. (b) Zoom of Figure 26 between busbar 1500 and 1600.
Energies 19 01770 g027
Figure 28. Average parameters |a| and |k| as a function of the percentage of isolated neutrals of the transmission transformers.
Figure 28. Average parameters |a| and |k| as a function of the percentage of isolated neutrals of the transmission transformers.
Energies 19 01770 g028
Table 1. Estimation of fault resistance using fault record data, i.e., 70 actual faults [41].
Table 1. Estimation of fault resistance using fault record data, i.e., 70 actual faults [41].
Voltage Level Arc Resistance
Ur = 765 kV
44 valid cases
Rf-MAX = 68.4 Ω
Rf-MIN = 0.28 Ω
Ur = 400 kV
13 valid cases
Rf-MAX = 13.9 Ω
Rf-MIN = 4.1 Ω
Ur = 220 kV
13 valid cases
Rf-MAX = 9.3 Ω
Rf-MIN = 1.5 Ω
Table 2. Comparison between IEC Standard 60909-3 and SFPD for the case of Figure 10.
Table 2. Comparison between IEC Standard 60909-3 and SFPD for the case of Figure 10.
IB [A]IC [A]Percentage Differences Between SFPD and IEC
I″kee,max1267.81267.8−8.91%
I″kee,min1152.51152.50.62%
SFPD1159.71159.7/
Table 3. Comparison between IEC Standard 60909-3 and SFPD for the case of Figure 12.
Table 3. Comparison between IEC Standard 60909-3 and SFPD for the case of Figure 12.
IB [A]IC [A]Percentage Differences Between SFPD and IEC
I″kee,max1476.71476.7−9.26
I″kee,min1342.51342.50.28
SFPD1346.31346/
Table 4. Comparison between IEC Standard 60909-3 and SFPD for the case of Figure 14.
Table 4. Comparison between IEC Standard 60909-3 and SFPD for the case of Figure 14.
IB [A]IC [A]Percentage Differences Between SFPD and IEC
I″kee,max1286.51286.5−10.05%
I″kee,min1169.61169.6−0.05%
SFPD11691169/
Table 5. Comparison between formulae of [4] and SFPD (solidly earthed neutral).
Table 5. Comparison between formulae of [4] and SFPD (solidly earthed neutral).
Short-Circuit CurrentsFormulae of [4]SFPDPercentage Difference Between SFPD and [4]
IA [A]1522.91516.40.43%
IB [A]1511.61528.11.09%
IC [A]1511.61528.11.09%
EB = EC [V]7248.67191.80.79%
Table 6. Comparison between formulae of [4] and SFPD (isolated neutral).
Table 6. Comparison between formulae of [4] and SFPD (isolated neutral).
Short-Circuit CurrentsFormulae of [4]SFPDPercentage Difference Between SFPD and [4]
IA [A]01.4/
IB [A]1511.615240.82%
IC [A]1511.61523.40.78%
EB = EC [V]17,32117,2590.36%
Table 7. Fault currents coming from left (from bus 14) and from right (from bus 15).
Table 7. Fault currents coming from left (from bus 14) and from right (from bus 15).
from Leftfrom Right
IA [A]372.5∠−149.4° 372.8∠−149.4°
IB [A]266.3∠92.2°266.5∠92.2°
IC [A]525.9∠9.4°2662.7∠−135.7°
IEW [A]1158.8∠−150.4°1590.3∠43.7°
Table 8. Voltage magnitudes at the fault location.
Table 8. Voltage magnitudes at the fault location.
Absolute Value
[kV]
Per-Unit Value
[p.u.]
UA307.71.33
UB290.21.26
UC0.60.0026
Table 9. Italian network under analysis (off-peak scenario).
Table 9. Italian network under analysis (off-peak scenario).
DescriptionValue
Overall number of busbars15,430 (5498 are the EHV/HV nodes)
Overall number of electric lines11,114
380 kV overall line length9444 km
220 kV overall line length8560 km
150 kV overall line length15,372 km
132 kV overall line length26,920 km
Overall number of two-winding transformers4402
Overall number of three-winding transformers305
Total load complex power16.558 + j 0.15844 GW + jGvar
Overall number of PV nodes160
Total generation complex power 17.005 + j3.4653 GW + jGvar
Total power losses447.28 MW, equal to 2.63% of the total generation active power
Table 10. Percentage of isolated neutrals in the EHV/HV Italian network.
Table 10. Percentage of isolated neutrals in the EHV/HV Italian network.
Configuration #Percentage of Isolated Neutrals [%]
10
211.27
321.29
430.68
540.29
649.06
758.03
867.01
975.36
1084.55
11100
Disclaimer/Publisher’s Note: The statements, opinions and data contained in all publications are solely those of the individual author(s) and contributor(s) and not of MDPI and/or the editor(s). MDPI and/or the editor(s) disclaim responsibility for any injury to people or property resulting from any ideas, methods, instructions or products referred to in the content.

Share and Cite

MDPI and ACS Style

Benato, R.; Sanniti, F. A Novel Simultaneous Fault Computation Algorithm for Any Asymmetric and Multiconductor Power System: SFPD. Energies 2026, 19, 1770. https://doi.org/10.3390/en19071770

AMA Style

Benato R, Sanniti F. A Novel Simultaneous Fault Computation Algorithm for Any Asymmetric and Multiconductor Power System: SFPD. Energies. 2026; 19(7):1770. https://doi.org/10.3390/en19071770

Chicago/Turabian Style

Benato, Roberto, and Francesco Sanniti. 2026. "A Novel Simultaneous Fault Computation Algorithm for Any Asymmetric and Multiconductor Power System: SFPD" Energies 19, no. 7: 1770. https://doi.org/10.3390/en19071770

APA Style

Benato, R., & Sanniti, F. (2026). A Novel Simultaneous Fault Computation Algorithm for Any Asymmetric and Multiconductor Power System: SFPD. Energies, 19(7), 1770. https://doi.org/10.3390/en19071770

Note that from the first issue of 2016, this journal uses article numbers instead of page numbers. See further details here.

Article Metrics

Back to TopTop