Next Article in Journal
Enabling Rechargeability in Metal–Chlorine Batteries: The Critical Roles of Cathodes and Electrolytes
Previous Article in Journal
Inverse Identification of Equivalent Thermophysical Properties for Building Energy Analysis Under Dynamic Boundary Conditions
 
 
Font Type:
Arial Georgia Verdana
Font Size:
Aa Aa Aa
Line Spacing:
Column Width:
Background:
Article

Power Grid Scenario Generation Method Based on a Prior Knowledge Embedded Conditional Generative Adversarial Network

1
Power Dispatch Control Center, Guangdong Power Grid Co., Ltd., Guangzhou 510335, China
2
School of Electric Power Engineering, South China University of Technology, Guangzhou 510641, China
*
Author to whom correspondence should be addressed.
Energies 2026, 19(5), 1135; https://doi.org/10.3390/en19051135
Submission received: 19 January 2026 / Revised: 8 February 2026 / Accepted: 20 February 2026 / Published: 25 February 2026

Abstract

This paper addresses the challenges of scarce high-risk scenario samples in power grid operation and the difficulty of traditional methods to balance overall distribution rationality with specific feature requirements. A power grid scenario generation method based on a prior knowledge embedded conditional generative adversarial network is proposed. The method encodes operational risk features such as node overvoltage and line power flow overload as conditional variables. A feature-aware loss function is constructed to embed physical constraints into the training objective of generative adversarial networks. This approach achieves organic integration of data-driven learning and knowledge-driven guidance. Case studies demonstrate that the proposed method significantly improves the generation ratio of risk scenarios at designated locations and types while maintaining the reasonableness of overall data distribution. This provides data support with both physical interpretability and computational efficiency for power grid security analysis, risk assessment, and intelligent dispatching.

1. Introduction

In light of energy transition and new power system construction, large-scale renewable energy integration, electricity substitution, and power market reform have profoundly changed the source-load structure of power grids. The operating states exhibit significant randomness and time-varying characteristics. Operating scenarios serve as key inputs for decision-making methods such as stochastic optimization, robust optimization, and reinforcement learning. Their reasonability and accuracy directly affect the solution quality of security-constrained unit commitment, economic dispatch, and resilience assessment problems. Regarding wind and photovoltaic output uncertainty, existing research has systematically reviewed scenario generation methods from the perspectives of time scale, spatial granularity, and statistical assumptions. Current methods are generally categorized into parametric probability models, non-parametric sampling methods, and data-driven models based on deep generative networks [1]. Previous work indicates that with the continuous increase in wind and solar penetration rates, scenario generation must not only approximate the overall probability distribution but also characterize rare events such as extreme weather and power mutations [2]. For photovoltaic scenarios, researchers have summarized existing methods from the perspectives of meteorological classification, spatiotemporal resolution, and generative model structure. They have compared the advantages and disadvantages of traditional statistical modeling and deep generative models [3].
In engineering practice, power grid operating scenario acquisition has long relied on knowledge-driven methods such as probabilistic power flow (PPF) and large-scale simulation. Probabilistic power flow calculation based on Monte Carlo simulation (MCS) and Latin hypercube sampling (LHS) can evaluate the statistical characteristics of node voltage and branch power flow under the assumption that input random variables follow known distributions [4]. To improve computational efficiency and convergence, scholars have made improvements in Latin hypercube sampling strategy and the sample reweighting mechanism. This enables probabilistic load flow to obtain relatively robust statistical estimates with fewer samples [5]. Some work combines Copula functions with Latin hypercube sampling to characterize correlations among multi-source random variables for joint probabilistic power flow analysis of multi-region load and renewable energy output [6]. For wind power scenario generation, early research mostly relied on multidimensional wind speed probability models. Joint distributions of wind speeds were constructed and mapped to wind power output scenarios through wind turbine power curves [7]. For joint uncertainty of multiple wind farms and renewable energy sources, research has proposed multi-source scenario generation frameworks considering spatial-temporal correlation. Representative wind–solar–hydro output scenario sets are constructed through clustering and sampling. Additionally, wind power scenario generation methods based on Copula functions and short-term forecast errors can construct conditional scenario sets based on point forecasts, better reflecting the impact of forecast errors on dispatching decisions [8].
However, the above scenario generation methods based on probabilistic modeling and sampling often require large numbers of samples to cover the power grid operational space under high-dimensional random variables and complex operational constraints. The simulation is time-consuming and it is difficult to support online or rolling optimization requirements. More critically, these methods typically aim to reproduce historical statistical characteristics, and their characterization of tail events highly depends on long time series and precise distribution fitting. It is difficult to stably generate high-consequence, low-probability risk scenarios under limited sample conditions. In recent years, for non-normal events such as extreme weather and system cascading failures, existing research has focused on constructing system vulnerability analysis frameworks to identify the critical weak points of power systems under extreme disturbances [9,10]. On this basis, to effectively capture high-risk features in long-tail distributions, related works have constructed extreme output generation models for renewable energy [11], or attempted to explicitly couple multidimensional risk indicators with system operational boundaries, searching for critical operating points approaching power flow constraints and stability limits through optimization [12]. However, these methods based on analytical models and optimization search significantly increase computational complexity when handling high-dimensional variables, making it difficult to meet the fast response requirements of online real-time analysis. Meanwhile, these methods lack the ability to flexibly control the features of generated samples, making it difficult to achieve targeted constraint generation for fine-grained features such as “specified line overload” or “specified node limit violation”. Therefore, data-driven scenario generation methods with advantages in efficient inference and distribution fitting have gradually become research hotspots.
It is worth noting that the reliable identification of operational risk features such as node overvoltage and line power flow overload in practical power systems fundamentally relies on advanced measurement infrastructure and state estimation algorithms. With the ongoing transition from traditional passive networks to active distribution networks driven by distributed energy resources, renewable energy sources, and market liberalization, Distribution System State Estimation (DSSE) has become an indispensable tool for providing operators with accurate network state information [13,14,15,16]. The optimal deployment of Phasor Measurement Units (PMUs) and micro-PMUs, considering factors such as channel capacity limitations, measurement redundancy, and various uncertainties including topology changes and load growth, ensures grid observability and provides high-quality state estimation results. These measurement and estimation capabilities constitute the practical foundation for acquiring the risk feature data utilized in our scenario generation framework.
With the development of deep learning (DL) and generative models, data-driven scenario generation methods have been introduced into power system uncertainty modeling. Generative adversarial networks (GAN) can directly learn wind and photovoltaic output distributions from historical data, generating high-dimensional time series scenarios without explicitly assuming probability density [17,18]. To improve model controllability, conditional generative adversarial networks (CGAN) based on style transfer use meteorological information as conditional input to capture seasonal and intraday pattern differences [19,20,21,22]. In architectural innovation, transformer architecture, improved variational auto-encoder (VAE), and attention-based conditional generative adversarial networks have achieved significant progress in short-term temporal expression, interpretable feature learning, and multi-year scale scenario generation, respectively [23,24,25]. However, these data-driven methods highly depend on the quality and completeness of historical data. The reliability of generated scenarios is difficult to guarantee for rare extreme scenarios not adequately covered in training data.
Overall, existing knowledge-driven methods based on sampling simulation are suitable for characterizing overall probability distributions, but their coverage efficiency for rare risk scenarios in high-dimensional scenario spaces remains low. Based on the above analysis, this paper proposes a designated scenario generation method for power grids using prior knowledge embedded conditional generative adversarial networks. By encoding risk features such as node overvoltage and line power flow overload as prior knowledge and injecting them as conditional information into the generative network, the model is guided to focus on enhancing perception of high-risk operational regions while learning historical data distributions. Compared with traditional probability sampling and pure data-driven methods, this method uses physical constraints to improve sample feasibility. Through conditional labels and feature embedding mechanisms, it achieves interpretable control of scenario features. It can quickly construct operational scenario sets covering different risk levels and designated limit violation locations for dispatchers. This paper constructs a conditional generation framework satisfying AC power flow equations and verifies the comprehensive performance of generated scenarios in overall distribution, local risk, and physical feasibility through multi-indicator evaluation. This provides high-quality data support for power grid risk assessment and intelligent dispatching. The main contributions and innovations of this paper are as follows:
(1)
To address the scarcity of historical samples of high-risk scenarios and the low efficiency of traditional simulation, a prior knowledge embedded conditional adversarial generative network is constructed. It integrates designated operational features into the generation process, effectively improving sample density in high-risk scenario regions while ensuring the reasonableness of overall distribution.
(2)
Focusing on typical safety risks such as node overvoltage and line power flow overload, a risk feature conditional encoding and loss function weighting design method is proposed. Risk physical quantities are embedded in the generator input and discriminator optimization objective, achieving on-demand fine-grained generation of power grid scenarios at different locations and severities.
(3)
An evaluation system covering scenario quality, distribution similarity, and computational efficiency is constructed. Comparative verification shows that the proposed method significantly improves the generation capability of designated high-risk scenarios and the risk awareness level of dispatching decisions while ensuring overall distribution reasonableness. This provides efficient data support with physical interpretability for security analysis and intelligent dispatching of new power systems.
The organization of this paper is as follows: Section 1 establishes the mathematical model for power grid scenario generation. Section 2 proposes the prior knowledge embedded conditional generative adversarial network framework and designs the feature-guided loss function and training mechanism. Section 3 conducts a case analysis based on the IEEE 30-bus system, validating the effectiveness of the proposed method from the aspects of scenario quality, distribution similarity, and risk scenario generation capability. Section 4 summarizes the paper and outlines future research directions.

2. Problem Modeling and Mathematical Expression for Power Grid Scenario Generation

According to power system power flow analysis theory, power grid nodes are generally divided into three types: load nodes (PQ type), generator nodes (PV type), and reference nodes (slack node). For a power system containing N nodes, a complete description of its operating state requires determining at least 2N independent variables. The operating scenario data of the system can be obtained by solving power flow equations. Its representation form is shown in Equation (1):
X d a t a = { ( P i , Q i ) , i N P Q ( P k , V k ) , k N P V ( V s , δ s ) , s N V δ
where X d a t a represents the power system operating data; P and Q represent active power and reactive power injected at the node, respectively; V and δ represent node terminal voltage magnitude and phase angle, respectively; and N P Q , N P V , and N V δ represent sets of PQ nodes, PV nodes, and Vδ nodes in the power system, respectively.
Considering that the slack node is unique in the power system and its power can be obtained by solving the power flow equations, this paper selects active demand P L o a d , reactive demand Q L o a d , and node voltage magnitude V L o a d of all load nodes in the system, as well as active output P g e n , reactive output Q g e n , and terminal voltage V g e n of generating units as key variables for constructing operating scenarios. Renewable energy unit output is characterized using equivalent node injection. Accordingly, the data-driven scenario generation problem can be formally expressed as:
obj 1 :   m i n ϕ   KL ( p r e a l p ϕ ) obj 2 :   max R ( p ϕ ) s . t .     { X g e n   ~   p ϕ X r e a l ~   p r e a l R ( p ϕ ) X g e n
where p r e a l represents the true probability distribution of historical operating scenarios; p ϕ represents the probability distribution of scenarios output by the generative model; ϕ represents learnable parameters of the generative model; KL(·) represents KL divergence measuring the difference between two probability distributions; R (⋅) represents the scenario set with specific risk features extracted from generated scenarios; X r e a l represents real operating scenario samples; X g e n represents scenario samples generated by the model.
In the above dual-objective optimization problem, obj 1 reflects the fitting objective of generated scenarios to real data distribution. It requires the generative model to accurately capture statistical characteristics and inherent laws of historical operating data, ensuring consistency between generated scenarios and real scenarios in overall probability distribution. obj 2 reflects the generation requirement for scenarios with specific risk features. It emphasizes that the model should have the capability to generate scenario samples with obvious operational risk features that dispatchers are concerned about.
The above formulation constitutes a bi-level optimization problem with inherently conflicting objectives. From the perspective of mathematical programming, this structure can be interpreted as a primary–secondary problem framework, where the primary objective ensures distributional fidelity, while the secondary objective enhances risk feature coverage. While such optimization structures can theoretically be addressed through deterministic algorithms such as branch-and-bound methods or mixed-integer programming with guaranteed optimality certificates, these approaches face fundamental limitations in high-dimensional scenario generation [13,14,15,16]. Traditional optimization requires explicit analytical formulations of objective functions and constraints, whereas the scenario generation task involves learning implicit probability distributions that cannot be directly expressed in closed form. Furthermore, the computational complexity of deterministic methods scales exponentially with problem dimensionality, rendering them impractical for power system applications involving numerous state variables. Therefore, this paper adopts the generative adversarial network framework, which transforms the bi-level optimization into an adversarial game solvable through iterative gradient-based training, with convergence behavior serving as empirical evidence of solution quality.
However, there exists an inherent contradiction between these two optimization objectives: pursuing obj 1 means generated scenarios need to strictly follow the probability distribution of historical data, while historical data typically has extremely low proportions of low-probability high-risk scenarios. Strengthening obj 2 requires increasing the generation proportion of specific feature scenarios, which inevitably deviates from the original data distribution. How to achieve feature guidance while maintaining distribution consistency constitutes the core difficulty of the scenario generation problem.
To solve the above problem, this paper proposes a power grid scenario generation method based on prior knowledge embedded conditional generative adversarial network. The core idea of this method is to organically combine data-driven learning with knowledge-driven guidance. By constructing a feature-aware loss function system, key features of concern in grid dispatching operations (such as cross-section overload and voltage violation) are embedded in the training objective of generative adversarial networks in the form of computable physical constraints. This data and knowledge collaborative driving paradigm avoids the expression limitations of pure knowledge-driven methods in characterizing complex distributions. It also overcomes the insufficient learning of pure data-driven methods for low-probability critical scenarios. This achieves significant improvement in generation efficiency and quality of specified feature operating scenarios while maintaining the rationality of historical data distribution. It provides more comprehensive and effective scenario data support for intelligent power system dispatching decisions.

3. Scenario Generation Framework Based on Prior Knowledge Embedded Conditional Generative Adversarial Networks

3.1. Feature-Guided Conditional Adversarial Generative Network Scenario Generation Framework

The scenario generation framework based on a prior knowledge embedded conditional generative adversarial network is shown in Figure 1. The framework adopts a dual-channel collaborative training mechanism. The path marked by black arrows represents the basic training process of traditional data-driven models, which achieves fitting of historical data distribution through adversarial learning between generator and discriminator. The path marked by red arrows reflects the core innovation of this paper, namely the embedding and action path of the feature knowledge guidance mechanism.
In traditional data-driven methods, the training process highly depends on data quality and distribution characteristics of real samples. The model drives the generator to produce synthetic sample sets that approximate real data distribution in a probabilistic sense by minimizing the statistical distance between generated distribution and real distribution. However, this training paradigm has inherent limitations. Its optimization objective only focuses on overall distribution similarity. In ideal conditions, it at most achieves complete overlap between generated distribution and real distribution. However, it cannot respond to the on-demand generation need for scenarios with specific operational features in practical applications. When certain key feature scenarios (such as voltage violation and cross-section overload) in the real sample set have extremely low proportions, the model under distribution matching guidance will allocate main learning resources to high-frequency routine scenarios. This leads to severely insufficient feature expression of low-frequency high-risk scenarios.
The feature knowledge guidance channel constructed in this study effectively breaks through the above bottleneck. By explicitly introducing feature constraint terms in the loss function of generative adversarial networks, the model training process no longer purely pursues distribution fitting. Instead, it actively enhances learning intensity for specified operational features under the constraint of maintaining distribution rationality. This mechanism enables the model to conduct targeted learning in feature spaces with extremely low sample density. Even if scenarios meeting feature requirements in real samples have extremely small proportions, the knowledge guidance channel can force the model to pay attention to and learn the inherent generation laws of such low-probability high-risk scenarios through the regularization effect of physical constraints. This significantly improves the generation proportion of scenario samples meeting specific feature requirements. This deep integration of data-driven and knowledge-guided approaches achieves a paradigm shift from passively imitating historical distributions to actively regulating generation characteristics. It provides more targeted and practical scenario data support for power system operational risk analysis and intelligent dispatching decisions.

3.2. Feature-Guided Algorithm Modeling and Training Mechanism

This study selects node overvoltage and line power flow overload as typical risk features. By explicitly embedding corresponding physical constraint terms in generative adversarial networks, it guides the model to specifically enhance generation capability for operating risk scenarios at specified locations and types while maintaining overall distribution rationality. In 2014, Goodfellow et al. proposed the original WGAN-GP framework that models the generation process as a two-player zero-sum game between generator G and discriminator D [26]. Its optimization objective can be expressed as the following minimax problem:
m i n G m a x D V ( D , G ) = E x ~ p d a t a ( x ) [ log D ( x ) ] + E z ~ p z ( z ) [ log ( 1 D ( G ( z ) ) ) ]
where p d a t a ( x ) represents the probability distribution of real data; p z ( z ) represents the preset noise distribution (usually standard normal distribution); G ( z ) represents pseudo samples generated by the generator based on random noise z ; and D ( x ) outputs the probability that the discriminator judges sample x as a real sample.
Under this framework, the discriminator learns to distinguish real samples from generated samples by maximizing Equation (3), while the generator minimizes this objective function to make the generated sample distribution approximate the real data distribution. From theoretical analysis, when the discriminator reaches the optimal state, the optimization objective of the generator is equivalent to minimizing the Jensen–Shannon divergence between generated distribution and real distribution [27]. Although the original WGAN-GP can theoretically fit any complex distribution, it often faces stability problems such as gradient vanishing and mode collapse in actual training. Moreover, it cannot perform controllable generation for specific sample attributes [28].
To achieve conditional control of the generated sample features explored in this study, conditional variable c is introduced in the generator and discriminator. Unconditional generation is extended to a conditional generation framework [29]. Its loss function form is modified as:
L f e a t u r e = λ o v e r L o v e r + λ u n d e r L u n d e r + λ o v e r l o a d L o v e r l o a d
where c represents the conditional variable. In this study, it represents features such as specified node violation or specified line power flow overload.
To further embed power grid physical characteristic constraints to achieve feature guidance, the loss functions for operational limit violations are formulated based on standard power system practices. For voltage violations, we explicitly distinguish between overvoltage and undervoltage conditions. The overvoltage loss term is defined as Equation (5):
L o v e r = i N max ( 0 , V i ( G ( z | c ) ) V m a x
where N represents the system node set; V i ( G ( z | c ) ) represents the voltage magnitude of the i-th node in the generated sample; and V m a x represents the maximum allowable voltage limit. The undervoltage loss term is defined as Equation (6):
L u n d e r = i N max ( 0 , V i m i n )
where V m i n represents the minimum allowable voltage limit. The overload loss for transmission lines is formulated based on thermal ratings as Equation (7):
L o v e r l o a d = l L max ( 0 , | S l ( G ( z | c ) ) | S r a t e d , l )
where L represents the system line set; S l ( G ( z | c ) ) represents the apparent power flow on the l-th line in the generated sample; and S r a t e d , l represents the thermal rating (rated capacity) of the l-th line.
Therefore, embedding prior knowledge into conditional adversarial generative networks requires the model not only to minimize adversarial loss but also to fully consider embedded risk knowledge (critical node voltage violation and critical line power flow overload) when generating scenario data. The final loss function of the model can be expressed as Equation (8):
m i n G , L m a x D W ( D , G , L ) = E x p d a t a ( x ) [ log D ( x ) ] + E z p z ( z ) [ log ( 1 D ( G ( z ) ) ) ] + λ L f e a t u r e
The conditional variable c in our framework follows the classical CGAN paradigm and adopts one-hot encoding representation. The conditional vector specifies both the risk type (node voltage violation or line power flow overload) and the target location (specific node or line index). For a system with N candidate risk locations, the conditional vector c ∈ {0, 1}^N is constructed such that c k = 1 indicates the k-th risk type-location combination is targeted, while all other elements remain zero. In the generator architecture, the conditional vector c is concatenated with the latent noise vector z R^d to form an augmented input [z; c], which is then processed through the fully connected layers to produce the generated scenario G ( z | c ) . This concatenation enables the generator to learn distinct mappings for different risk categories while sharing common feature representations.
The discriminator employs a conditional loss selection mechanism based on the input conditional variable. During each training iteration, the conditional variable determines which feature-guided loss term is activated. When c indicates a line overload scenario for line l , the discriminator evaluates generated samples using L o v e r l o a d , which penalizes scenarios where the apparent power flow | S l | fails to exceed the thermal rating S r a t e d , l . When c indicates a voltage violation scenario for node i , the discriminator applies L o v e r or L u n d e r depending on whether overvoltage or undervoltage is targeted. The generated sample is classified as a successful risk scenario if the specified operational limit is violated (i.e., V i > V m a x for overvoltage, V i < V m i n for undervoltage, or | S l | > S r a t e d , l for line overload); otherwise, it is classified as a non-risk scenario. This conditional loss selection ensures training signals align with the intended risk characteristics, enabling fine-grained control over the scenario generation process.
Figure 2 shows the prior knowledge feature-guided model training framework proposed in this paper. Compared with traditional data-driven models, this framework introduces a feature prediction layer. The feature prediction layer extracts and predicts features of synthetic samples output by the generator. It compares prediction results with preset prior constraint conditions such as nominal voltage or nominal power to calculate feature loss. Feature loss and adversarial loss jointly constitute a composite loss function that collaboratively backpropagates to the generator to update model parameters. Through this multi-objective optimization mechanism, the model ensures that generated data conforms to real distribution characteristics while effectively improving the satisfaction degree of generated scenario data for specific physical feature constraints.

4. Case Study

4.1. Case Setup and Data Preparation

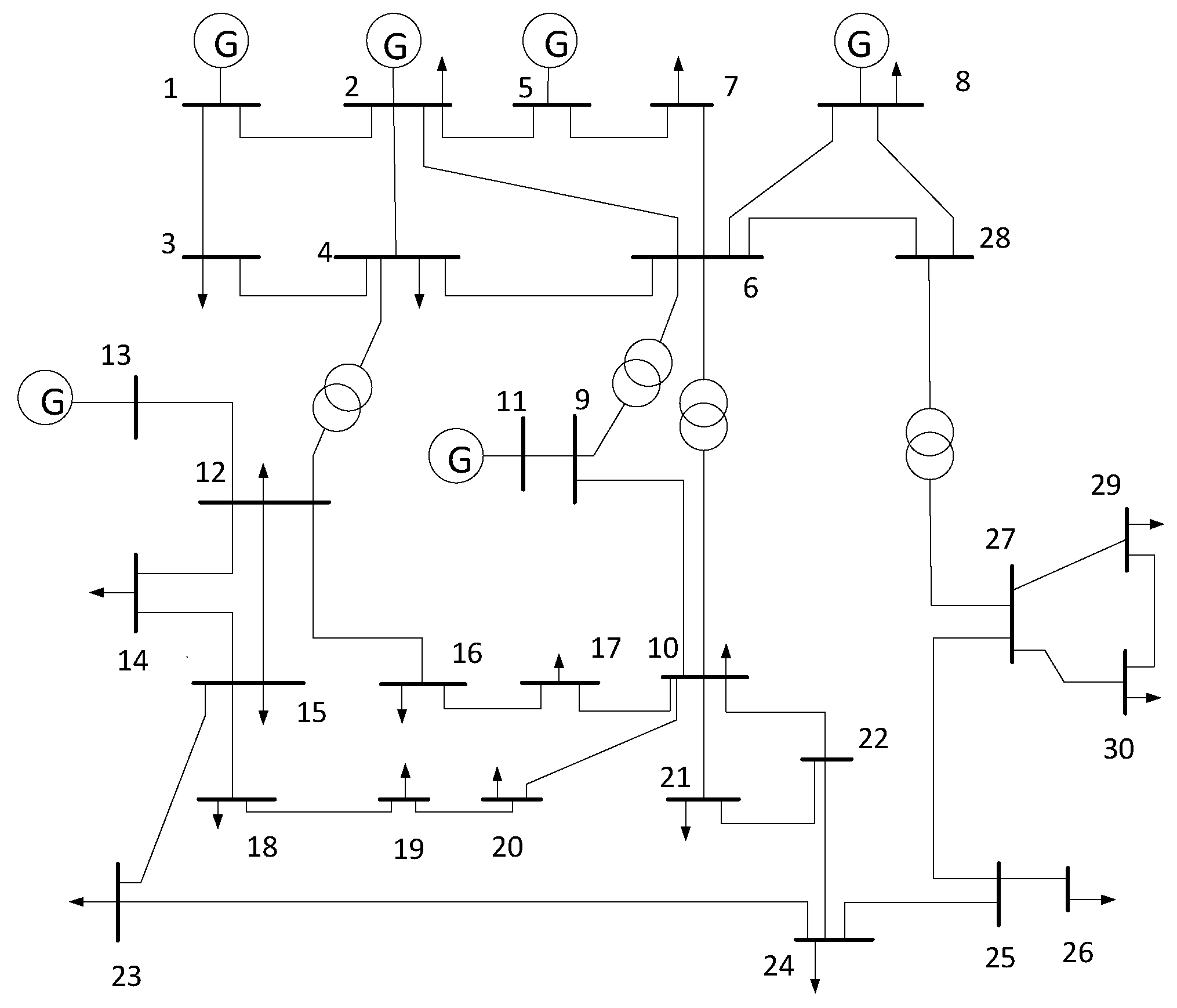
This study adopts the IEEE 30-node standard test system to verify the effectiveness of the proposed method. The system originates from a simplified model of the actual power grid of American Electric Power (AEP). The system topology structure diagram of IEEE 30 case is shown in Figure 3. The standard case includes 30 bus nodes, six generators (located at nodes 1, 2, 5, 8, 11, 13), and 41 branches. The system base capacity is 100 MVA with total load of 189.2 MW + j107.2 MVAr. The system base data comes from the PANDAPOWER database.
This study generates training and test datasets using the Monte Carlo simulation method. A total of 2000 operating scenario samples are generated based on standard case data simulation. Each sample contains active output and terminal voltage of all generator nodes except the slack node, as well as active demand and reactive demand of load nodes. All training data constitute high-dimensional scenario data.
To verify the superiority of the proposed method, the following methods are selected for comparative analysis:
(1)
Monte Carlo Simulation (MCS): Directly performs random sampling based on the probability distribution of input variables as the benchmark method for scenario generation;
(2)
Traditional WGAN-GP method: Adopts Wasserstein generative adversarial network structure with gradient penalty, using fully connected layers as the main body of generator and discriminator. This serves as a modern generative baseline representing the state-of-the-art in adversarial training stability;
(3)
Proposed method: Power grid specified scenario generation method based on a prior knowledge embedded conditional generative adversarial network. This method embeds scenario features of concern to dispatchers into the model in the form of loss regularization to guide the model to generate scenario data meeting feature requirements.
All deep learning models in this study are implemented using the PyTorch framework (version 2.0) in Python 3.9 environment, with PyCharm (version 2024.1) serving as the integrated development environment for code development and execution. The generator and discriminator networks are constructed using fully connected layers with ReLU activation functions, and the Adam optimizer is employed with learning rates of 0.0002 for both networks. Power flow calculations and IEEE standard test system data are prepared using the PANDAPOWER library. All methods are tested on the same computing platform (AMD Ryzen 9 7945HX with Radeon Graphics, 32 GB memory) and parameter settings to ensure fairness of comparison and reproducibility of experimental results. This paper evaluates the performance of each method from three dimensions: scenario quality, distribution similarity, and computational efficiency, using the following indicators:
(1)
KL Divergence: Kullback–Leibler divergence is used to quantitatively evaluate the difference between generated sample distribution and real sample distribution [30]. It is defined as:
D K L ( P Q ) = x P ( x ) log P ( x ) Q ( x )
(2)
t-SNE Visualization Analysis: t-distributed stochastic neighbor embedding (t-SNE) method is used to reduce high-dimensional scenario data to two-dimensional space for visualization, intuitively showing distribution consistency between generated samples and real samples. t-SNE achieves dimensionality reduction by minimizing KL divergence between joint probability distribution P in high-dimensional space and probability distribution Q in low-dimensional space [31]. Its cost function is:
C = i j p i j log p i j q i j
where p i j is the joint probability of data points x i and x j in high-dimensional space; and q i j is the joint probability of low-dimensional mapping points y i and y j modeled using Student t distribution.
(3)
Risk Scenario Proportion: Statistics of the proportion of samples meeting specific risk conditions (such as critical line power flow overload and critical node voltage violation) in generated scenarios to evaluate the method’s ability to capture extreme scenarios.
(4)
Convergence Rate and Computation Time: Record convergence characteristics and total computation time of each method’s training process to evaluate algorithm efficiency.

4.2. Validity Verification of Prior Knowledge Embedded CGAN Case

This study adopts fully connected deep neural networks to construct the generator and discriminator. Table 1 provides detailed architectural parameters of the networks. The generator adopts a progressive upsampling structure, gradually mapping 128-dimensional latent variables to 50-dimensional power grid operating scenario data through a four-layer fully connected network. The number of neurons in each hidden layer is set to 512, 1024, and 512, respectively, to ensure network expressiveness while avoiding overfitting. The discriminator adopts a symmetric downsampling architecture, extracting scenario features and outputting authenticity discrimination results sequentially through 512, 256, 128, and 64-dimensional hidden layers. This progressive encoding-decoding structure design enables the model to learn statistical laws and physical constraints of power grid operating scenarios at different abstraction levels. It provides sufficient feature space for subsequent embedding of prior knowledge. Other key hyperparameters for model training are detailed in Appendix A Table A1, including training epochs, batch size, and learning rates of generator and discriminator. These parameters are systematically debugged to ensure stable convergence of the mode.
To comprehensively evaluate the performance of the proposed method, Table 2 and Figure 4 compare the distribution fitting capabilities of different methods from quantitative and visualization perspectives respectively. Traditional WGAN-GP method achieves a smaller KL divergence of 0.0269, while the KL divergence of the proposed method reaches 19.7207. This difference precisely reflects the mechanism of prior knowledge embedding. By explicitly introducing risk feature constraints, the model actively deviates from the original distribution to enhance coverage density in low-probability high-risk regions. The t-SNE dimensionality reduction clustering results in Figure 4 further confirm this point. The detailed t-SNE parameter settings used for dimensionality reduction visualization are provided in Appendix A Table A2 to ensure reproducibility of the results. The proposed method maintains reasonable coverage of routine operating regions while forming obvious sample clusters in risk feature space. This indicates that the model successfully learns the inherent generation laws of risk scenarios.
For two typical risk scenarios of critical line power flow overload and critical node voltage violation, Figure 5 and Figure 6 demonstrate the targeted generation capability of the proposed method. This study selects line 30 as the monitoring object with rated power of 16 MW, setting 80% power value of 12.8 MW as the overload threshold. For voltage violation, node 30 is selected as the research object with a risk criterion set below 0.95 p.u. The voltage threshold of 0.95 p.u. is established based on internationally recognized power system operational standards. IEEE Standard 1547-2018 specifies that distribution systems should maintain voltage within ±5% of nominal values under normal operating conditions. Similarly, IEC 60038 recommends that voltage variations should not exceed ±5% of the nominal voltage during steady-state operation. The Chinese national standard GB/T 12325-2008 also stipulates that the allowable voltage deviation for 35 kV and above systems should be within ±5% of the nominal voltage. The line thermal ratings used for overload assessment are obtained from the IEEE 30-bus test system specifications, representing the maximum continuous current-carrying capability determined by conductor thermal limits. Results show that samples generated by Monte Carlo simulation and traditional WGAN-GP methods mainly concentrate in the safe operating range. The proposed method significantly increases the proportion of over-threshold samples by embedding physical constraints. A large number of generated samples concentrate in the risk range and even approach limit capacity. This provides sufficient risk sample support for power grid security analysis.
Table 3 quantitatively summarizes the risk scenario generation performance of different methods on IEEE 30-bus and IEEE 118-bus systems. In the IEEE 30-bus system, for critical line power flow overload scenarios, Monte Carlo simulation and traditional WGAN-GP methods have generation proportions of 7.55% and 7.65% respectively. Both are basically equivalent and remain at low levels. The proposed method significantly increases this proportion to 35.3%, which is 4.68 times and 4.61 times that of the two comparison methods respectively. For critical node voltage violation scenarios, Monte Carlo simulation and traditional WGAN-GP methods have generation proportions of 10.4% and 3.2% respectively. The proposed method increases the violation scenario proportion to 39.6%, representing improvements of 2.81 times and 11.38 times compared with the two comparison methods respectively. This fully verifies the effectiveness of the prior knowledge guidance mechanism.
To isolate the contribution of the physical-knowledge embedding mechanism, we conducted an ablation study comparing two configurations: (1) the full proposed method with prior knowledge loss and (2) conditional WGAN-GP without physical constraints (ablated version). The ablation results demonstrate that the prior knowledge embedding is essential for enhanced risk scenario generation, with removal of the feature-guided loss terms causing performance degradation of 76.8% for line overload scenarios and 89.6% for voltage violation scenarios.
To verify the generalization performance of the proposed method, validation experiments were conducted on the larger-scale IEEE 118-bus system. For critical line power flow overload scenarios, the proposed method achieves a generation proportion of 39.5%, which is 3.29 times and 3.90 times that of Monte Carlo simulation (12.0%) and traditional WGAN-GP method (10.12%) respectively. For critical node voltage violation scenarios, the proposed method achieves a generation proportion of 37.2%, which is 8.99 times and 8.73 times that of Monte Carlo simulation (4.14%) and traditional WGAN-GP method (4.26%) respectively. It is noteworthy that the proposed method maintains high-proportion risk scenario generation capability above 35% under both system scales. This fully verifies the robustness and effectiveness of the prior knowledge guidance mechanism at different system scales.
Figure 7 presents the training convergence curves of the proposed prior knowledge embedded conditional GAN on the IEEE 30-bus system. The generator loss and discriminator loss exhibit stable oscillatory convergence behavior characteristic of adversarial training dynamics, progressively approaching an equilibrium state where neither network can further improve its objective. Concurrently, the Wasserstein distance (W-loss) demonstrates a consistent downward trend throughout training, reflecting the continuously diminishing distributional discrepancy between generated and real scenarios. After approximately 200 epochs, all three loss metrics stabilize within narrow bands, confirming that the model achieves robust convergence despite the additional regularization imposed by the prior knowledge embedding mechanism. This convergence pattern serves as empirical certification that the adversarial game has reached a Nash equilibrium, analogous to optimality certificates in traditional mathematical programming. The stable equilibrium indicates that the generator has successfully learned to produce scenarios that the discriminator cannot distinguish from real data while simultaneously satisfying the embedded physical constraints.
To validate the physical feasibility of generated scenarios, AC power flow analysis is performed on all samples using the PANDAPOWER library. PANDAPOWER employs the Newton–Raphson method as the AC power flow solver with default convergence tolerance of 10−8 p.u. for voltage magnitude and angle mismatches and a maximum iteration limit of 30. The power flow validation is conducted during the testing phase after model training is completed, where 2000 scenario samples are generated from each method and individually validated through AC power flow calculation.
The convergence rate metric quantifies the proportion of generated samples that successfully converge in the AC power flow calculation, serving as a measure of physical feasibility. Table 4 compares three methods from perspectives of computational efficiency and comprehensive performance for generating 2000 samples. In terms of risk scenario quantity, Monte Carlo simulation and traditional WGAN-GP methods generate 151 and 153 risk scenarios respectively. The proposed method generates 706 risk scenarios, which is 4.68 times and 4.61 times that of the two comparison methods. In terms of convergence rate indicator, Monte Carlo simulation reaches 99.7%, while traditional WGAN-GP method and proposed method both reach 100%. This indicates that generative adversarial network architecture has inherent advantages in ensuring sample physical feasibility. In terms of computational efficiency, Monte Carlo simulation requires 356 s to complete the generation of 2000 samples. Traditional WGAN-GP method shortens computation time to 76 s. The proposed method further optimizes to 37 s, only 10.4% of Monte Carlo simulation, reflecting the efficient inference capability of deep generative models after training completion. For larger systems such as IEEE 118-bus, the increased dimensionality may result in occasional nonconvergent cases due to accumulated small deviations in the high-dimensional state space, which is an inherent characteristic of neural network-based generative models that learn statistical patterns rather than explicit power flow equations. Nonconvergent samples are excluded from the valid scenario count, ensuring that all reported risk scenarios are physically feasible and suitable for power system security analysis applications.
To comprehensively evaluate distribution fidelity beyond KL divergence, we computed multiple complementary metrics including Wasserstein distance, Maximum Mean Discrepancy (MMD), marginal distribution errors, and correlation similarity. Table 5 summarizes the comprehensive distribution fidelity metrics for both methods compared against Monte Carlo reference samples. Figure 8 presents a visual comparison of these four metrics, while Figure 9 illustrates the fundamental trade-off between distributional distance and risk scenario generation ratio.
It is important to emphasize that the observed increase in distributional distance metrics for the proposed method is an expected and intentional consequence of the bi-objective optimization framework. Since the reference distribution contains predominantly normal operating scenarios with low-risk feature proportions, any method that successfully increases risk scenario generation must necessarily shift the generated distribution away from the reference. Notably, the proposed method achieves a lower MMD value (0.012) compared to the traditional WGAN-GP method (0.019), indicating that it better preserves kernel-space distributional characteristics despite the intentional marginal shift toward risk scenarios. The trade-off analysis in Figure 9 explicitly demonstrates this fundamental relationship: achieving the 3–11× improvement in risk scenario generation reported in Table 3 requires accepting moderate increases in distributional distance. The proposed method achieves this trade-off by maintaining favorable MMD characteristics while significantly enhancing risk feature coverage, thereby fulfilling its design objective of providing targeted risk scenario support for power grid security analysis.

5. Conclusions

This paper addresses the problems of scarce high-risk scenario samples in power grid operating scenario generation, low efficiency of traditional simulation methods, and insufficient learning of low-probability high-risk scenarios by pure data-driven models. A power grid specified scenario generation method based on prior knowledge embedded conditional adversarial generative network is proposed. The main conclusions are as follows:
(1)
This paper proposes a power grid scenario generation method using prior knowledge embedded conditional adversarial generative networks. By encoding risk features as conditional variables and constructing feature-aware loss functions, collaborative integration of data-driven and physical constraints is achieved. Validation based on IEEE 30-bus and IEEE 118-bus systems shows that the generation ratio of line power flow overload and node voltage limit violation scenarios of this method is improved by 3–11 times compared with traditional methods. Computation time is reduced to 10% of traditional simulation while maintaining over 99% physical feasibility. t-SNE visualization shows obvious risk feature space clustering effect.
(2)
This method provides efficient data support for power grid risk assessment and intelligent dispatching, but still needs to be deepened in the following aspects: the current focus is on steady-state scenarios, and future work needs to extend to transient stability and cascading failures and other dynamic processes; risk feature encoding can introduce broader constraints such as frequency deviation and harmonic distortion; model generalization capability needs to be verified under different topologies and operational modes. Future research will focus on multi-spatiotemporal scale scenario generation, adaptive embedding of physical constraints, and deep integration with online dispatching decisions.

Author Contributions

Conceptualization, T.Y.; methodology, L.J.; software, Z.M.; validation, X.C.; formal analysis, Z.S.; investigation, X.C.; resources, Z.M.; data curation, Q.G.; writing—original draft preparation, G.L.; writing—review and editing, T.Y.; visualization, G.L.; supervision, Z.S.; project administration, L.J.; funding acquisition, Q.G. All authors have read and agreed to the published version of the manuscript.

Funding

This work was supported by the Science and Technology Program of China Southern Power Grid Co., Ltd., under Grant No. 036000KC23090003 (GDKJXM20231024). This project is a key scientific and technological project of China Southern Power Grid, funded by the Power Dispatching and Control Center of Guangdong Power Grid Co., Ltd., with a total funding amount of 2.36 million Chinese Yuan (CNY).

Data Availability Statement

The dataset used in this study can be made available by the corresponding author upon reasonable request.

Conflicts of Interest

Authors Qian Guo, Lizhou Jiang, Zijie Meng, Zhijun Shen and Xinlei Cai were employed by the Power Dispatch Control Center of Guangdong Power Grid Co., Ltd. The remaining authors declare that the research was conducted in the absence of any commercial or financial relationships that could be construed as a potential conflict of interest.

Appendix A

Table A1. Model Training Parameters.
Table A1. Model Training Parameters.
Training ParameterParameter Value
Training epochs (n_epochs)300
Batch size (batch_size)64
Generator learning rate (lr_g)0.00008
Discriminator learning rate (lr_d)0.00012
Latent space dimension (latent_dim)128
Table A2. t-SNE Parameter Settings for Dimensionality Reduction Visualization.
Table A2. t-SNE Parameter Settings for Dimensionality Reduction Visualization.
ParameterValue
Number of components (n_components)2
Perplexity30
Number of iterations (n_iter)1000
Random state (random_state)42
Data preprocessingStandardScaler normalization
Implementation libraryscikit-learn TSNE

References

  1. Li, J.; Zhou, J.; Chen, B. Review of wind power scenario generation methods for optimal operation of renewable energy systems. Appl. Energy 2020, 280, 115992. [Google Scholar] [CrossRef]
  2. Zheng, K.; Sun, Z.; Song, Y.; Zhang, C.; Zhang, C.; Chang, F.; Yang, D.; Fu, X. Stochastic scenario generation methods for uncertainty in wind and photovoltaic power outputs: A comprehensive review. Energies 2025, 18, 503. [Google Scholar] [CrossRef]
  3. Kousounadis-Knousen, M.A.; Bazionis, I.K.; Georgilaki, A.P.; Catthoor, F.; Georgilakis, P.S. A review of solar power scenario generation methods with focus on weather classifications, temporal horizons, and deep generative models. Energies 2023, 16, 5600. [Google Scholar] [CrossRef]
  4. Hajian, M.; Rosehart, W.D.; Zareipour, H. Probabilistic power flow by Monte Carlo simulation with Latin supercube sampling. IEEE Trans. Power Syst. 2013, 28, 1550–1559. [Google Scholar] [CrossRef]
  5. Li, Q.; Wu, W.; Zhang, B. Probabilistic load flow method based on modified Latin hypercube sampling. Energies 2018, 11, 3171. [Google Scholar] [CrossRef]
  6. Cai, D.; Li, Y.; Xin, H. Probabilistic load flow computation using copula and Latin hypercube sampling. IET Gener. Transm. Distrib. 2014, 8, 1533–1542. [Google Scholar] [CrossRef]
  7. Morales, J.M.; Mínguez, R.; Conejo, A.J. A methodology to generate statistically dependent wind speed scenarios. Appl. Energy 2010, 87, 843–855. [Google Scholar] [CrossRef]
  8. Yoo, J.; Son, Y.; Yoon, M.; Choi, S. A wind power scenario generation method based on copula functions and forecast errors. Sustainability 2023, 15, 16536. [Google Scholar] [CrossRef]
  9. Poudel, S.; Wang, J. Risk-based probabilistic quantification of power distribution system operational resilience. IEEE Syst. J. 2020, 14, 3506–3517. [Google Scholar] [CrossRef]
  10. Sperstad, I.B.; Kjølle, G.H. A comprehensive framework for vulnerability analysis of extraordinary events in power systems. Reliab. Eng. Syst. Saf. 2020, 196, 106788. [Google Scholar] [CrossRef]
  11. Peng, H.; Lou, Y.; Sun, H.; Zuo, Z.; Liu, Y.; Wang, C. Extreme scenario generation for renewable energies. IET Smart Grid 2024, 7, e12119. [Google Scholar] [CrossRef]
  12. Liu, D.; Guo, G.; Wang, Z.; Li, F.; Jia, K.; Zhu, C.; Wang, H.; Sun, Y. Extreme grid operation scenario generation framework considering multi-variance indices and operational boundary constraints. Energies 2025, 18, 3838. [Google Scholar] [CrossRef]
  13. Xygkis, T.C.; Löfberg, J.; Korres, G.N. Investigation of Optimal Phasor Measurement Selection for Distribution System State Estimation Under Various Uncertainties. IEEE Trans. Instrum. Meas. 2025, 74, 9006616. [Google Scholar] [CrossRef]
  14. Theodorakatos, N.P.; Babu, R.; Theodoridis, C.A.; Moschoudis, A.P. Mathematical Models for the Single-Channel and Multi-Channel PMU Allocation Problem and Their Solution Algorithms. Algorithms 2024, 17, 191. [Google Scholar] [CrossRef]
  15. Theodorakatos, N.P.; Babu, R.; Moschoudis, A.P. The branch-and-bound algorithm in optimizing mathematical programming models to achieve power grid observability. Axioms 2023, 12, 1040. [Google Scholar] [CrossRef]
  16. Fotopoulou, M.; Petridis, S.; Karachalios, I.; Rakopoulos, D. A Review on Distribution System State Estimation Algorithms. Appl. Sci. 2022, 12, 11073. [Google Scholar] [CrossRef]
  17. Chen, Y.; Wang, Y.; Kirschen, D.; Zhang, B. Model-free renewable scenario generation using generative adversarial networks. IEEE Trans. Power Syst. 2018, 33, 3265–3275. [Google Scholar] [CrossRef]
  18. Jiang, C.; Mao, Y.; Chai, Y.; Yu, M.; Tao, S. Scenario generation for wind power using improved generative adversarial networks. IEEE Access 2018, 6, 62193–62203. [Google Scholar] [CrossRef]
  19. Zhang, Y.; Ai, Q.; Xiao, F.; Hao, R.; Lu, T. Typical wind power scenario generation for multiple wind farms using conditional improved Wasserstein generative adversarial network. Int. J. Electr. Power Energy Syst. 2020, 114, 105388. [Google Scholar] [CrossRef]
  20. Qiao, J.; Pu, T.; Wang, X. Renewable scenario generation using controllable generative adversarial networks with transparent latent space. CSEE J. Power Energy Syst. 2021, 7, 66–77. [Google Scholar] [CrossRef]
  21. Dong, W.; Chen, X.; Yang, Q. Data-driven scenario generation of renewable energy production based on controllable generative adversarial networks with interpretability. Appl. Energy 2022, 308, 118387. [Google Scholar] [CrossRef]
  22. Yuan, R.; Wang, B.; Sun, Y.; Song, X.; Watada, J. Conditional style-based generative adversarial networks for renewable scenario generation. IEEE Trans. Power Syst. 2023, 38, 1281–1296. [Google Scholar] [CrossRef]
  23. Gu, L.; Xu, J.; Ke, D.; Deng, Y.; Hua, X.; Yu, Y. Short-term output scenario generation of renewable energy using Transformer–Wasserstein generative adversarial nets-gradient penalty. Sustainability 2024, 16, 10936. [Google Scholar] [CrossRef]
  24. Li, Z.; Peng, X.; Cui, W.; Xu, Y.; Liu, J.; Yuan, H.; Lai, C.S.; Lai, L.L. A novel scenario generation method of renewable energy using improved VAEGAN with controllable interpretable features. Appl. Energy 2024, 363, 122905. [Google Scholar] [CrossRef]
  25. Li, H.; Yu, H.; Liu, Z.; Li, F.; Wu, X.; Cao, B.; Zhang, C.; Liu, D. Long-term scenario generation of renewable energy generation using attention-based conditional generative adversarial networks. IET Energy Convers. Econ. 2024, 5, 15–27. [Google Scholar] [CrossRef]
  26. Goodfellow, I.J.; Pouget-Abadie, J.; Mirza, M.; Xu, B.; Warde-Farley, D.; Ozair, S.; Bengio, Y. Generative adversarial nets. In Proceedings of the Advances in Neural Information Processing Systems 27 (NIPS 2014), Montreal, QC, Canada, 8–13 December 2014; pp. 2672–2680. [Google Scholar]
  27. Mirza, M.; Osindero, S. Conditional generative adversarial nets. arXiv 2014, arXiv:1411.1784. [Google Scholar] [CrossRef]
  28. Gulrajani, I.; Ahmed, F.; Arjovsky, M.; Dumoulin, V.; Courville, A.C. Improved training of Wasserstein GANs. In Proceedings of the Advances in Neural Information Processing Systems 30 (NIPS 2017), Long Beach, CA, USA, 4–9 December 2017; pp. 5767–5777. [Google Scholar]
  29. Salimans, T.; Goodfellow, I.; Zaremba, W.; Cheung, V.; Radford, A.; Chen, X. Improved techniques for training GANs. In Proceedings of the Advances in Neural Information Processing Systems 29 (NIPS 2016), Barcelona, Spain, 5–10 December 2016; pp. 2234–2242. [Google Scholar]
  30. Van der Maaten, L.J.; Hinton, G.E. Visualizing data using t-SNE. J. Mach. Learn. Res. 2008, 9, 2579–2605. [Google Scholar]
  31. Kingma, D.P.; Welling, M. Auto-encoding variational Bayes. In Proceedings of the 2nd International Conference on Learning Representations (ICLR), Banff, AB, Canada, 14–16 April 2014. [Google Scholar]
Figure 1. Scenario generation framework based on a prior knowledge embedded conditional generative adversarial network.
Figure 1. Scenario generation framework based on a prior knowledge embedded conditional generative adversarial network.
Energies 19 01135 g001
Figure 2. Prior knowledge feature-guided model training framework.
Figure 2. Prior knowledge feature-guided model training framework.
Energies 19 01135 g002
Figure 3. IEEE 30 case topology structure diagram.
Figure 3. IEEE 30 case topology structure diagram.
Energies 19 01135 g003
Figure 4. t-SNE dimensionality reduction clustering.
Figure 4. t-SNE dimensionality reduction clustering.
Energies 19 01135 g004
Figure 5. Critical line power flow overload risk scenario generation effect comparison.
Figure 5. Critical line power flow overload risk scenario generation effect comparison.
Energies 19 01135 g005
Figure 6. Critical node voltage violation risk scenario generation effect comparison.
Figure 6. Critical node voltage violation risk scenario generation effect comparison.
Energies 19 01135 g006
Figure 7. Training Loss Convergence and Wasserstein Distance Evolution of the Prior Knowledge Embedded CGAN.
Figure 7. Training Loss Convergence and Wasserstein Distance Evolution of the Prior Knowledge Embedded CGAN.
Energies 19 01135 g007
Figure 8. Comprehensive Metrics Comparison.
Figure 8. Comprehensive Metrics Comparison.
Energies 19 01135 g008
Figure 9. Trade-off Analysis.
Figure 9. Trade-off Analysis.
Energies 19 01135 g009
Table 1. Network Architecture Parameter Configuration of Prior Knowledge Embedded CGAN.
Table 1. Network Architecture Parameter Configuration of Prior Knowledge Embedded CGAN.
Model StructureNetwork StructureInput DimensionOutput Dimension
GeneratorLinear128512
Linear5121024
Linear1024512
Linear51250
DiscriminatorLinear50512
Linear512256
Linear256128
Linear12864
Linear641
Table 2. KL Divergence Comparison of Different Models in IEEE 30 Case.
Table 2. KL Divergence Comparison of Different Models in IEEE 30 Case.
Model TypeKL Divergence Value
WGAN-GP0.0269
Proposed Method19.7207
Table 3. Risk Scenario Proportion Generation Performance Comparison of Different Methods.
Table 3. Risk Scenario Proportion Generation Performance Comparison of Different Methods.
Risk Scenario TypeModel TypeRisk Scenario Proportion
IEEE30IEEE118
Critical Line Power Flow OverloadMonte Carlo7.55%12.0%
WGAN-GP7.65%10.12%
Proposed Method35.3%39.5%
Critical Node Voltage ViolationMonte Carlo10.4%4.14%
WGAN-GP3.2%4.26%
Proposed Method39.6%37.2%
Table 4. Computational Efficiency and Performance Comparison of Different Scenario Generation Methods.
Table 4. Computational Efficiency and Performance Comparison of Different Scenario Generation Methods.
Generation MethodRisk Scenario CountConvergence RateComputation Time (s)Performance Improvement
Monte Carlo15199.7%356×1.00
WGAN-GP153100%76×1.01
Proposed Method706100%37×4.68
Table 5. Comprehensive Distribution Fidelity Metrics Comparison.
Table 5. Comprehensive Distribution Fidelity Metrics Comparison.
MetricWGAN-GPProposed Method
Wasserstein Distance (avg)3.6128.943
Maximum Mean Discrepancy0.0190.012
Marginal Error (avg)3.4277.941
Correlation Similarity0.8490.414
Disclaimer/Publisher’s Note: The statements, opinions and data contained in all publications are solely those of the individual author(s) and contributor(s) and not of MDPI and/or the editor(s). MDPI and/or the editor(s) disclaim responsibility for any injury to people or property resulting from any ideas, methods, instructions or products referred to in the content.

Share and Cite

MDPI and ACS Style

Guo, Q.; Jiang, L.; Meng, Z.; Shen, Z.; Cai, X.; Lai, G.; Yu, T. Power Grid Scenario Generation Method Based on a Prior Knowledge Embedded Conditional Generative Adversarial Network. Energies 2026, 19, 1135. https://doi.org/10.3390/en19051135

AMA Style

Guo Q, Jiang L, Meng Z, Shen Z, Cai X, Lai G, Yu T. Power Grid Scenario Generation Method Based on a Prior Knowledge Embedded Conditional Generative Adversarial Network. Energies. 2026; 19(5):1135. https://doi.org/10.3390/en19051135

Chicago/Turabian Style

Guo, Qian, Lizhou Jiang, Zijie Meng, Zhijun Shen, Xinlei Cai, Guihai Lai, and Tao Yu. 2026. "Power Grid Scenario Generation Method Based on a Prior Knowledge Embedded Conditional Generative Adversarial Network" Energies 19, no. 5: 1135. https://doi.org/10.3390/en19051135

APA Style

Guo, Q., Jiang, L., Meng, Z., Shen, Z., Cai, X., Lai, G., & Yu, T. (2026). Power Grid Scenario Generation Method Based on a Prior Knowledge Embedded Conditional Generative Adversarial Network. Energies, 19(5), 1135. https://doi.org/10.3390/en19051135

Note that from the first issue of 2016, this journal uses article numbers instead of page numbers. See further details here.

Article Metrics

Back to TopTop