State-of-Charge-Dependent Impedance Modeling of a Commercial LiFePO4 Cell: EIS Measurements and Parameter Identification
Abstract
1. Introduction
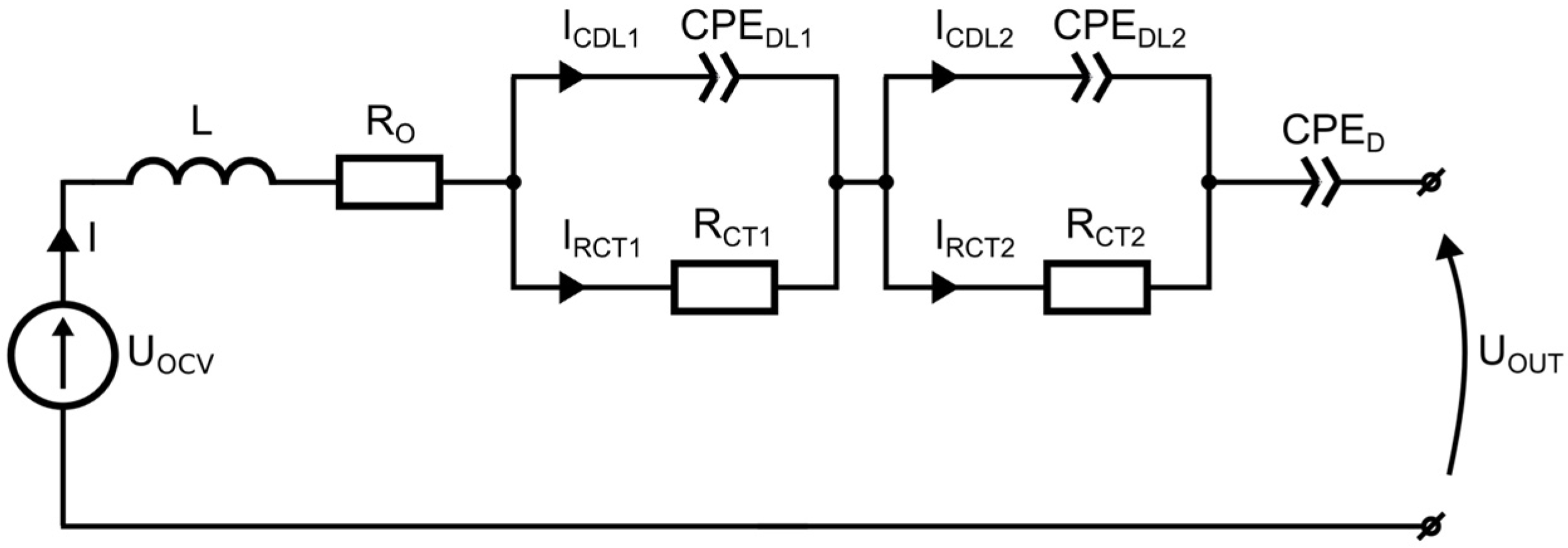
1.1. ECM-Type Dynamic Model
1.2. Simulation and Analysis of the Dual R-CPE Model in LTspice
2. Materials and Methods
3. Results
4. Discussion
5. Conclusions
Funding
Data Availability Statement
Acknowledgments
Conflicts of Interest
Abbreviations
| BESS | Battery Energy Storage Systems |
| CPE | Constant Phase Element |
| EIS | Electroimpedance Spectroscopy |
| ECM | Equivalent Circuit Models |
| LFP | Lithium Ferrophosphate |
| OCV | Open-Circuit Voltage |
| SEI | Solid Electrolyte Interface |
| SOC | State of Charge |
| SOH | State of Health |
| WRSS | Weighted Residual Sum of Squares |
References
- Zhao, C.; Andersen, P.B.; Træholt, C.; Hashemi, S. Grid-connected battery energy storage system: A review on application and integration. Renew. Sustain. Energy Rev. 2023, 182, 113400. [Google Scholar] [CrossRef]
- Zhang, Z.; Li, Y.; Wang, H.; Lu, L.; Han, X.; Li, D.; Ouyang, M. A comparative study of the LiFePO4 battery voltage models under grid energy storage operation. J. Energy Storage 2024, 75, 109696. [Google Scholar] [CrossRef]
- Xu, J.; Li, H.; Hua, S.; Wang, H. Experimental investigation of grid storage modes effect on aging of LiFePO4 battery modules. Front. Energy Res. 2025, 13, 1528691. [Google Scholar] [CrossRef]
- Bae, J.-Y. Electrical modeling and impedance spectra of lithium-ion batteries and supercapacitors. Batteries 2023, 9, 160. [Google Scholar] [CrossRef]
- Perdana, M.Y.; Johan, B.A.; Abdallah, M.; Hossain, M.E.; Aziz, M.A.; Baroud, T.N.; Drmosh, Q.A. Understanding the behavior of supercapacitor materials via electrochemical impedance spectroscopy: A review. Chem. Rec. 2024, 24, e202400007. [Google Scholar] [CrossRef]
- Jin, G.; Zhao, W.; Zhang, J.; Liang, W.; Chen, M.; Xu, R. High-temperature stability of LiFePO4/carbon lithium-ion batteries: Challenges and strategies. Sustain. Chem. 2025, 6, 7. [Google Scholar] [CrossRef]
- Chen, H.; Yang, K.; Liu, Y.; Zhang, M.; Liu, H.; Liu, J.; Qu, Z.; Lai, Y. Experimental investigation of thermal runaway behavior and hazards of a 1440 Ah LiFePO4 battery pack. Energies 2023, 16, 3398. [Google Scholar] [CrossRef]
- Jia, Z.; Wang, S.; Qin, P.; Li, C.; Song, L.; Cheng, Z.; Jin, K.; Sun, J.; Wang, Q. Comparative investigation of the thermal runaway and gas venting behaviors of large-format LiFePO4 batteries caused by overcharging and overheating. J. Energy Storage 2023, 61, 106791. [Google Scholar] [CrossRef]
- Hao, P.; Wei, Q.; Yang, Z.; Yan, X.; Chen, G. Enhancing electrochemical simulations by identifying the open circuit potential curve of the positive electrode for a 105 Ah LiFePO4/graphite battery. J. Energy Storage 2025, 134, 118212. [Google Scholar] [CrossRef]
- Chen, Y.; Mitsubori, K. Experimental investigation on the temperature dependence of open-circuit voltage hysteresis in LiFePO4 lithium-ion batteries. Meet. Abstr. 2024, MA2024-01, 376. [Google Scholar] [CrossRef]
- Sulaiman, M.H.; Mustaffa, Z. State of Charge Estimation for Electric Vehicles Using Random Forest. Green Energy Intell. Transp. 2024, 3, 100177. [Google Scholar] [CrossRef]
- Bartsch, C.H.; Jin, L.; Bereck, F.P.; Mertens, A.; Eichel, R.-A.; Scheurer, C.; Granwehr, J. Uncertainty weighted distribution of relaxation time analysis of battery impedance spectra using Gaussian process regression for noise estimation. Meet. Abstr. 2023, MA2023-01, 428. [Google Scholar]
- Du, X.; Meng, J.; Amirat, Y.; Gao, F.; Benbouzid, M. Voltage hysteresis cancellation for fast impedance measurements of lithium-ion batteries in short relaxation process. IEEE Trans. Transp. Electrif. 2024, 11, 972–980. [Google Scholar]
- Han, X.; Ouyang, M.; Lu, L.; Li, J. Simplification of physics-based electrochemical model for lithium-ion battery on electric vehicle. Part I: Diffusion simplification and single particle model. J. Power Sources 2015, 278, 802–813. [Google Scholar] [CrossRef]
- AbdelAty, A.M.; Fouda, M.E.; Elwakil, A.S.; Radwan, A.G. Fractional-order equivalent-circuit model identification of commercial lithium-ion batteries. J. Electrochem. Soc. 2024, 171, 050553. [Google Scholar] [CrossRef]
- Bai, L.; Bae, J.-Y. Electrical modeling and characterization of electrochemical impedance spectroscopy-based energy storage systems. Batteries 2024, 10, 263. [Google Scholar] [CrossRef]
- Aghdam, T.S.; Alavi, S.M.M.; Saif, M. Structural identifiability of impedance spectroscopy fractional-order equivalent circuit models with two constant phase elements. Automatica 2022, 144, 110463. [Google Scholar] [CrossRef]
- Lyu, C.; Xu, S.; Li, J.; Pecht, M. Digital Twin Modeling Method for Lithium-Ion Batteries Based on Data-Mechanism Fusion Driving. Green Energy Intell. Transp. 2024, 3, 100162. [Google Scholar] [CrossRef]
- Ekström, H.; Lindbergh, G. A model for predicting capacity fade due to SEI formation in a commercial graphite/LiFePO4 cell. J. Electrochem. Soc. 2015, 162, A1003–A1007. [Google Scholar] [CrossRef]
- Vennam, G.; Sahoo, A.; Ahmed, S. A novel coupled electro-thermal-aging model for simultaneous SOC, SOH, and parameter estimation of lithium-ion batteries. In Proceedings of the 2022 American Control Conference (ACC), Atlanta, GA, USA, 8–10 June 2022; IEEE: New York, NY, USA; pp. 5259–5264.
- Tremblay, O.; Dessaint, L.-A.; Dekkiche, A.-I. A generic battery model for the dynamic simulation of hybrid electric vehicles. In Proceedings of the 2007 IEEE Vehicle Power and Propulsion Conference, Arlington, TX, USA, 9–12 September 2007; IEEE: New York, NY, USA; pp. 284–289. [CrossRef]
- Jin, L.; Bereck, F.P.; Granwehr, J.; Eichel, R.-A.; Reuter, K.; Scheurer, C. Battery modeling: Fusing equivalent circuit models with data-driven surrogate modeling. Meet. Abstr. 2023, MA2023-02, 320. [Google Scholar] [CrossRef]
- Thakkar, R. Electrical equivalent circuit models of lithium-ion battery. In Management and Applications of Energy Storage Devices; Okedu, K., Ed.; IntechOpen: London, UK, 2022; pp. 1–24. [Google Scholar]
- Scipioni, R.; Jørgensen, P.S.; Graves, C.; Hjelm, J.; Jensen, S.H. A physically-based equivalent circuit model for the impedance of a LiFePO4/graphite 26650 cylindrical cell. J. Electrochem. Soc. 2017, 164, A2017–A2030. [Google Scholar] [CrossRef]
- Trivella, A.; Corno, M.; Radrizzani, S.; Savaresi, S.M. Non-invasive experimental identification of a single particle model for LiFePO4 cells. IFAC-PapersOnLine 2023, 56, 11491–11496. [Google Scholar] [CrossRef]
- Yan, Z.; Wang, X.; Wei, X.; Dai, H.; Liu, L. State-of-health estimation of LiFePO4 batteries via high-frequency EIS and feature-optimized random forests. Batteries 2025, 11, 321. [Google Scholar] [CrossRef]
- Ria, A.; Manfredini, G.; Gagliardi, F.; Vitelli, M.; Bruschi, P.; Piotto, M. Online high-resolution EIS of lithium-ion batteries by means of compact and low power ASIC. Batteries 2023, 9, 239. [Google Scholar] [CrossRef]
- Gagneur, L.; Driemeyer-Franco, A.L.; Forgez, C.; Friedrich, G. Modeling of the diffusion phenomenon in a lithium-ion cell using frequency or time domain identification. Microelectron. Reliab. 2013, 53, 784–796. [Google Scholar] [CrossRef]
- Csomós, B.; Fodor, D.; Vajda, I. Estimation of battery separator area, cell thickness and diffusion coefficient based on non-ideal liquid-phase diffusion modeling. Energies 2020, 13, 6238. [Google Scholar] [CrossRef]
- Zhu, X.; Soult, M.C.; Wouters, B.; Mamme, M.H. Study of solid-state diffusion impedance in Li-ion batteries using parallel-diffusion Warburg model. J. Electrochem. Soc. 2024, 171, 060539. [Google Scholar] [CrossRef]
- Nováková, K.; Papež, V.; Sadil, J.; Knap, V. Review of electrochemical impedance spectroscopy methods for lithium-ion battery diagnostics and their limitations. Monatshefte Chem. 2024, 155, 227–232. [Google Scholar] [CrossRef]
- Mc Carthy, K.; Gullapalli, H.; Ryan, K.M.; Kennedy, T. Use of impedance spectroscopy for the estimation of Li-ion battery state of charge, state of health and internal temperature. J. Electrochem. Soc. 2021, 168, 080517. [Google Scholar] [CrossRef]
- Wang, X.; Wei, X.; Zhu, J.; Dai, H.; Zheng, Y.; Xu, X.; Chen, Q. Modeling, acquisition, and application of lithium-ion battery impedance for onboard battery management: A review. eTransportation 2021, 7, 100093. [Google Scholar] [CrossRef]
- Barbero, G.; Lelidis, I. Analysis of Warburg’s impedance and its equivalent electric circuits. Phys. Chem. Chem. Phys. 2017, 19, 24934–24944. [Google Scholar] [CrossRef] [PubMed]
- Orazem, M.E.; Ulgut, B. On the proper use of a Warburg impedance. J. Electrochem. Soc. 2024, 171, 040526. [Google Scholar] [CrossRef]
- Lasia, A. Impedance of Porous Electrodes. Curr. Opin. Electrochem. 2025, 54, 101764. [Google Scholar] [CrossRef]
- Ugata, Y.; Motoki, C.; Dokko, K.; Yabuuchi, N. Fundamental Methods of Electrochemical Characterization of Li Insertion Materials for Battery Researchers. J. Solid State Electrochem. 2024, 28, 1387–1401. [Google Scholar] [CrossRef]
- Lasia, A. The Origin of the Constant Phase Element. J. Phys. Chem. Lett. 2022, 13, 580–589. [Google Scholar] [CrossRef]
- Baccouche, I.; Jemmali, S.; Manai, B.; Omar, N.; Amara, N. Improved OCV model of a Li-ion NMC battery for online SOC estimation using the extended Kalman filter. Energies 2017, 10, 764. [Google Scholar] [CrossRef]
- Kai, W.; Feng, X.; Pang, J.; Ren, J.; Duan, C.; Li, L. State of charge estimation of lithium-ion battery based on adaptive square root unscented Kalman filter. Int. J. Electrochem. Sci. 2020, 15, 9499–9516. [Google Scholar] [CrossRef]
- Bae, K.; Choi, S.; Kim, J.; Won, C.; Jung, Y. LiFePO4 dynamic battery modeling for battery simulator. In Proceedings of the 2014 IEEE International Conference on Industrial Technology (ICIT), Busan, Republic of Korea, 26–28 February 2014; IEEE: New York, NY, USA; pp. 354–358. [CrossRef]
- Geng, Z.; Thiringer, T.; Lacey, M.J. Intermittent current interruption method for commercial lithium-ion batteries aging characterization. IEEE Trans. Transp. Electrif. 2022, 8, 2985–2995. [Google Scholar] [CrossRef]
- Ovejas, V.J.; Cuadras, A. Effects of cycling on lithium-ion battery hysteresis and overvoltage. Sci. Rep. 2019, 9, 14875. [Google Scholar] [CrossRef] [PubMed]
- Wu, Z.; Zhu, G.; Wang, Q.; Yang, S.; Wang, J.V.; Kang, J. Study on adaptive cycle life extension method of Li-ion battery based on differential thermal voltammetry parameter decoupling. Energies 2021, 14, 6239. [Google Scholar] [CrossRef]
- Tran, M.-K.; DaCosta, A.; Mevawalla, A.; Panchal, S.; Fowler, M. Comparative study of equivalent circuit models performance in four common lithium-ion batteries: LFP, NMC, LMO, NCA. Batteries 2021, 7, 51. [Google Scholar] [CrossRef]
- Alavi, S.M.M.; Mahdi, A.; Payne, S.J.; Howey, D.A. Identifiability of generalized Randles circuit models. IEEE Trans. Control Syst. Technol. 2017, 25, 2112–2120. [Google Scholar] [CrossRef]
- Wu, Y.; Balasingam, B. A comparison of battery equivalent circuit model parameter extraction approaches based on electrochemical impedance spectroscopy. Batteries 2024, 10, 400. [Google Scholar] [CrossRef]
- Tahir, M.U.; Ibrahim, T.; Kerekes, T. Battery passport and online diagnostics for lithium-ion batteries: A technical review of materials–diagnostics interactions and online EIS. Batteries 2025, 11, 442. [Google Scholar] [CrossRef]








| Parameter | Value |
|---|---|
| Type | LiFePO4 cylindrical |
| Nominal capacity | 10 Ah |
| Internal resistance nom. | ≤6 mΩ |
| Nominal voltage | 3.2 V |
| Bottom cut-off voltage | 2.0 V |
| Up cut-off voltage | 3.65 V |
| Dimensions | Φ38 × 146 |
| %SOC | L [nH] | RO [mΩ] | CPEDL1 [F] | α1 | RCT1 [mΩ] | CPEDL2 [F] | α2 | RCT2 [mΩ] | CPED [F] | αD | WRSS 1 |
|---|---|---|---|---|---|---|---|---|---|---|---|
| 0 | 104.4 | 2.29 | 4.44 | 0.79 | 2.55 | 85.1 | 0.65 | 6.48 | 207.1 | 0.74 | 8.50 × 10−4 |
| 9 | 104.9 | 2.27 | 3.70 | 0.84 | 1.88 | 159.3 | 0.85 | 1.20 | 243.3 | 0.49 | 9.61 × 10−4 |
| 18 | 102.9 | 2.25 | 3.78 | 0.83 | 2.03 | 141.7 | 0.81 | 1.43 | 276.5 | 0.52 | 6.54 × 10−4 |
| 27 | 100.6 | 2.23 | 3.84 | 0.83 | 1.92 | 130.2 | 0.79 | 1.48 | 319.5 | 0.54 | 6.64 × 10−4 |
| 36 | 102.0 | 2.23 | 3.87 | 0.82 | 1.97 | 118.8 | 0.78 | 1.52 | 346.2 | 0.57 | 6.01 × 10−4 |
| 45 | 100.5 | 2.23 | 3.88 | 0.82 | 1.88 | 123.5 | 0.75 | 1.44 | 403.2 | 0.59 | 1.34 × 10−3 |
| 55 | 102.7 | 2.22 | 4.01 | 0.82 | 1.89 | 113.1 | 0.79 | 1.20 | 394.1 | 0.56 | 6.70 × 10−4 |
| 64 | 101.7 | 2.22 | 3.98 | 0.82 | 1.87 | 106.7 | 0.77 | 1.28 | 421.6 | 0.60 | 6.11 × 10−4 |
| 73 | 103.1 | 2.23 | 3.92 | 0.82 | 1.99 | 98.3 | 0.79 | 1.28 | 432.4 | 0.62 | 7.03 × 10−4 |
| 82 | 100.6 | 2.20 | 3.82 | 0.83 | 1.67 | 102.0 | 0.69 | 1.45 | 549.7 | 0.70 | 7.43 × 10−4 |
| 91 | 95.1 | 2.15 | 4.17 | 0.81 | 1.85 | 105.0 | 0.75 | 1.15 | 570.3 | 0.67 | 4.77 × 10−4 |
| 100 | 97.8 | 2.16 | 3.97 | 0.81 | 1.93 | 108.1 | 0.80 | 1.49 | 320.8 | 0.68 | 6.93 × 10−4 |
Disclaimer/Publisher’s Note: The statements, opinions and data contained in all publications are solely those of the individual author(s) and contributor(s) and not of MDPI and/or the editor(s). MDPI and/or the editor(s) disclaim responsibility for any injury to people or property resulting from any ideas, methods, instructions or products referred to in the content. |
© 2026 by the author. Licensee MDPI, Basel, Switzerland. This article is an open access article distributed under the terms and conditions of the Creative Commons Attribution (CC BY) license.
Share and Cite
Ostrogórski, P. State-of-Charge-Dependent Impedance Modeling of a Commercial LiFePO4 Cell: EIS Measurements and Parameter Identification. Energies 2026, 19, 952. https://doi.org/10.3390/en19040952
Ostrogórski P. State-of-Charge-Dependent Impedance Modeling of a Commercial LiFePO4 Cell: EIS Measurements and Parameter Identification. Energies. 2026; 19(4):952. https://doi.org/10.3390/en19040952
Chicago/Turabian StyleOstrogórski, Piotr. 2026. "State-of-Charge-Dependent Impedance Modeling of a Commercial LiFePO4 Cell: EIS Measurements and Parameter Identification" Energies 19, no. 4: 952. https://doi.org/10.3390/en19040952
APA StyleOstrogórski, P. (2026). State-of-Charge-Dependent Impedance Modeling of a Commercial LiFePO4 Cell: EIS Measurements and Parameter Identification. Energies, 19(4), 952. https://doi.org/10.3390/en19040952

