Next Article in Journal
Computational and Data-Driven Modeling of Combustion in Reciprocating Engines or Gas Turbines, Volume II
Next Article in Special Issue
Exploring Dynamics of Korea’s Short-Term Energy Transition: A Multi-Level Perspective Approach
Previous Article in Journal
The Impact of Digital Transformation on Electricity Consumption: The Role of Green Technology Innovation and Urbanization
Previous Article in Special Issue
Assessment of Resource Misallocation and Economic Efficiency Losses in Chinese Cities: A Heterogeneity Perspective on Renewable and Non-Renewable Energy Sources
 
 
Font Type:
Arial Georgia Verdana
Font Size:
Aa Aa Aa
Line Spacing:
Column Width:
Background:
Article

Development and Application of a Novel Prediction Self-Adaptive Control Technology in Ground Source Heat Pump System

1
School of Architecture and Design, Harbin Institute of Technology, Harbin 150006, China
2
Institute of Building Environment and Energy, China Academy of Building Research, Beijing 100013, China
3
The School of Environment and Energy Engineering, Beijing University of Civil Engineering and Architecture, Beijing 102616, China
4
China Telecom Artificial Intelligence Technology (Beijing) Co., Ltd., Beijing 100010, China
*
Authors to whom correspondence should be addressed.
Energies 2026, 19(4), 886; https://doi.org/10.3390/en19040886
Submission received: 3 January 2026 / Revised: 2 February 2026 / Accepted: 3 February 2026 / Published: 9 February 2026
(This article belongs to the Special Issue Sustainable Energy Systems: Progress, Challenges and Prospects)

Abstract

For ground source heat pump (GSHP) systems, conventional control strategies often suffer from significant hysteresis, leading to energy waste and occupant discomfort. This study proposes and validates a novel Prediction Self-Adaptive Control (PSAC) technology that hybridizes deep learning foresight with robust engineering feedback loops. The architecture integrates a CNN-LSTM model to forecast building thermal loads with high fidelity, and this prediction drives a macro-scale unit commitment module that optimizes chiller sequencing. Simultaneously, a micro-scale self-adaptive feedback mechanism dynamically resets the chilled water supply temperature and modulates pump frequency to eliminate the residual error between the predicted state and the actual building demand, ensuring precise load matching. Field implementation in a 62,500 m2 residential complex in Shanghai demonstrated that the CNN-LSTM model achieved a load forecasting accuracy within a ±10% error margin, the PSAC strategy significantly outperformed baseline constant-temperature controls, maintaining indoor temperatures between 23 and 26 °C and relative humidity between 30 and 55% and the system achieved a weekly average System Coefficient of Performance (SCOP) of 3.91 compared to the baseline of 3.30, resulting in an 15.6% reduction in total energy consumption. By decoupling predictive planning from adaptive execution, the system offers a scalable, robust, and highly efficient solution for the decarbonization of HVAC systems in complex climate zones.

1. Introduction

1.1. The Imperative for Intelligent Building Energy Management

The built environment stands at the nexus of the global energy and climate crises. According to the International Energy Agency (IEA), the buildings and construction sector is responsible for approximately 32% of global final energy consumption and nearly 40% of total direct and indirect CO2 emissions [1]. As urbanization accelerates, particularly in dense metropolitan regions like Shanghai, the energy footprint of building operations continues to expand. Lifecycle assessments consistently reveal that the operational phase dominates the building energy profile, accounting for 80% to 90% of total energy use over a building’s lifespan [2]. Within this operational envelope, HVAC systems are the primary energy consumers, typically devouring 40% to 50% of the total building energy budget [3]. Consequently, the development of intelligent, efficient, and robust control strategies for HVAC systems is not merely a technical optimization problem but a fundamental requirement for achieving global sustainability targets and grid stability.
Geothermal resources are a clean energy source, and ground source heat pump systems have become a common form of HVAC systems, fully leveraging energy conservation and economic benefits. However, the application of “Large-Scale” GSHP systems—defined in this context as centralized, district-level energy stations with capacities exceeding 100 kW and serving multiple building blocks or distinct functional zones—introduces unique operational risks. System control methods and strategies play a crucial role in improving system efficiency, reducing energy consumption, and maintaining system balance [4,5].

1.2. Limitations of Conventional Control Paradigms

Despite the advanced hardware of modern GSHP systems, the “brain” controlling them—the Building Automation System (BAS)—often relies on antiquated logic. The prevailing control strategies in the industry can be categorized into three fundamental tiers, each with inherent limitations:
  • Group-Based Sequencing Control: This strategy manages the number of active chillers based on instantaneous load thresholds. This reactive approach leads to cycling losses and cannot anticipate rapid load ramps. While optimization algorithms like genetic algorithms (GAs) and Particle Swarm Optimization (PSO) have been explored to optimize these sequences [6,7], practical implementations often revert to simple “up-threshold/down-threshold” logic. This reactive approach inevitably leads to cycling losses and an inability to anticipate rapid load ramps.
  • Variable Water Flow (VWF) Regulation: By utilizing Variable Frequency Drives (VFDs) on circulation pumps, VWF systems attempt to match flow rates to demand. However, conventional VWF control typically targets a fixed differential pressure set-point across the supply and return headers [8,9,10]. This static target does not account for the dynamic hydraulic resistance of the network or the varying partial load efficiency of the pumps, often resulting in the “small temperature difference, large flow” syndrome, which destroys system efficiency and wastes significant pumping energy [11,12].
  • Fixed Set-Point Temperature Control: Traditional systems maintain a constant chilled water supply temperature (e.g., 7 °C), regardless of the actual load requirement. This thermodynamic rigidity forces the chiller to work against a higher pressure lift than necessary during part-load or low-humidity conditions [13]. As thermodynamics dictates, the Coefficient of Performance (COP) is inversely proportional to the temperature lift; thus, maintaining an artificially low evaporation temperature significantly penalizes efficiency.
The common denominator across these conventional methods is their reliance on Single-Parameter Feedback Control. In a feedback loop, a corrective action is only initiated after an error signal (e.g., a temperature deviation) is detected. In large-scale hydraulic systems with massive thermal inertia, the time delay between a control action and the system response can be significant. This latency manifests as hysteresis, where the system constantly oscillates around the set-point, overshooting and undershooting, thereby wasting energy and compromising occupant comfort.

1.3. The Rise of MPC and Artificial Intelligence Control

To overcome the limitations of reactive feedback, the research community has pivoted toward predictive control. Model Predictive Control (MPC) has established itself as the theoretical gold standard [14]. MPC utilizes a mathematical model of the building physics and HVAC plant to predict future states over a finite horizon (e.g., 24 h) and optimizes a cost function to determine the optimal control trajectory. Afram et al. [15] provided a comprehensive review of these modeling methods, contrasting the robustness of physics-based models with the adaptability of data-driven approaches. Studies by Chen et al. [16], Avci et al. [17] and others [18] have demonstrated MPC’s ability to minimize energy consumption while satisfying thermal comfort constraints.
However, the widespread adoption of MPC is hindered by the “modeling bottleneck.” Developing high-fidelity physics-based models is labor-intensive, site-specific, and computationally expensive [15,19]. Furthermore, model mismatch—where the mathematical representation diverges from physical reality due to equipment aging or unmeasured disturbances—can lead to poor control performance.
In response, recent years have seen a surge in Artificial Intelligence Control approaches. Deep learning architectures, particularly the hybridization of Convolutional Neural Networks (CNNs) for spatial feature extraction and Long Short-Term Memory (LSTM) networks for temporal sequence learning, have shown superior capability in forecasting building loads and optimizing control [20,21,22,23,24,25,26,27]. More recently, Deep Reinforcement Learning (DRL) has been proposed to allow agents to “learn” optimal control policies through interaction with the environment [28].
While these AI-driven methods promise autonomy and optimality, they introduce a new risk: lack of robustness. The recent literature highlights that data-driven models are susceptible to reliability issues when operating conditions drift. For instance, Pelella et al. [29] and Mirnaghi & Haghighat [30] emphasize the challenges of identifying soft faults and ensuring model stability in complex HVAC systems. A “black-box” neural network can occasionally produce erratic outputs—often referred to as out-of-distribution errors—when faced with input data that falls outside its training distribution. In a critical infrastructure system like district heating/cooling, such instability is unacceptable as it can lead to equipment damage, safety violations, or severe occupant discomfort.

1.4. The Proposed Solution: Prediction Self-Adaptive Control (PSAC)

This paper presents a novel control architecture that harmonizes the foresight of MPC/Artificial intelligence modeling with the stability of feedback control. We define this as Prediction Self-Adaptive Control (PSAC). Unlike pure MPC, which replaces feedback loops with optimization, PSAC uses prediction to set the strategic operating point (e.g., unit commitment, optimal load allocation) while retaining robust, adaptive feedback loops to handle the tactical regulation (e.g., frequency modulation and valve positioning).
This hybrid approach effectively decouples the control problem into two time-scales:
  • Macro-Scale (Predictive): Anticipating load shifts hours in advance to smooth equipment sequencing and prevent thermal shock.
  • Micro-Scale (Adaptive): Reacting to real-time disturbances and prediction errors to ensure safety and precision.
The Prediction Self-Adaptive Control (PSAC) proposed herein can be viewed as a practical middle ground. It adopts the “look-ahead” capability of MPC/Artificial Intelligence Control but enforces the safety constraints and stability of classical control theory. It aligns with the emerging trend of “Physics-Guided Artificial Intelligence,” where data-driven insights are bounded by physical engineering principles.
By applying this strategy to a real-world GSHP system, we provide empirical evidence of its superiority. This study contributes to the field by validating a scalable, robust framework that captures the energy-saving potential of artificial intelligence without sacrificing the reliability of classical engineering controls.

2. Methodology: Theoretical Framework of Prediction Self-Adaptive Control

The PSAC framework is engineered to address the specific dynamics of large-scale GSHP systems: high thermal inertia, variable hydraulic resistance, and non-linear efficiency curves. The architecture is composed of two primary interacting loops: the Predictive Control (Outer Loop) and the Self-Adaptive Feedback Control (Inner Loop).

2.1. System Architecture and Control Logic

The overall control logic is visualized in the system block diagram (as shown in Figure 1). The process follows a sequential execution flow:
  • Environmental Sensing: The system performs continuous monitoring of outdoor temperature ( T o u t ), outdoor relative humidity ( R H o u t ), solar irradiance, and indoor status feedback.
  • Predictive Control: At the top of each hour, the predictive model utilizes historical and forecasted weather data to predict the aggregate building thermal load ( Q p r e d ) for the next control horizon. Based on Q p r e d , the optimal number of heat pump units ( N ) and their target Partial Load Ratio ( P L R ) are determined. This step is an optimization problem aimed at maximizing the aggregate Coefficient of Performance (COP) of the chiller group.
  • Self-Adaptive Feedback Control: Once the units are operational, the feedback loop continuously modulates the supply water temperature set-point ( T s e t ) and pump speed ( f ) to eliminate the residual error between the predicted state and the actual building demand, ensuring precise load matching.
This hierarchical structure ensures that the system is proactive enough to prevent comfort drift but reactive enough to handle stochastic disturbances.

2.2. Predictive Control

2.2.1. Deep Learning-Based Load Prediction (CNN-LSTM)

Accurate load forecasting is the cornerstone of the PSAC strategy. We utilize a hybrid deep learning model where Convolutional Neural Networks (CNNs) are used for feature extraction and Long Short-Term Memory (LSTM) networks are used for sequence prediction. This combination allows the model to capture both local dependencies (e.g., the immediate correlation between solar radiation and load) and long-term temporal dependencies (e.g., weekly occupancy cycles). The CNN-LSTM architecture is shown in Figure 2.
Model Architecture
The input matrix X t consists of sliding windows of historical variables (outdoor temperature T o u t , humidity R H o u t , historical load Q h i s t , and time index τ ).
  • CNN Layer (Feature Extraction)
The CNN layer filters noise and extracts short-term local patterns from the multivariate time series. For an input sequence x , the output of the k-th filter is given by Equation (A1) (provided in Appendix A).
2.
LSTM Layer (Temporal Modeling)
The feature vectors extracted by the CNN are fed into the LSTM layer. The LSTM unit handles the vanishing gradient problem common in standard RNNs using three gates: the forget gate ( f t ), input gate ( i t ), and output gate ( o t ). The detailed mathematical formulation of the LSTM cell updates (Equation (A2)) is provided in Appendix A to maintain the flow of the main text.
3.
Fully Connected Layer
The final output from the LSTM layers is passed through a dense (fully connected) layer with a linear activation function to predict the continuous value of the cooling/heating load.
The detailed architecture parameters of the CNN-LSTM load prediction model are shown in Table 1.
Training Hyperparameters and Optimization
The model was trained using the Adam optimizer, selected for its adaptive learning rate capabilities, which are well-suited for non-stationary building load data. To strictly prevent overfitting—a common issue in data-driven models—a Dropout rate of 0.2 was applied between layers. Hyperparameters for the CNN-LSTM load prediction model are shown in Table 2.

2.2.2. Optimization Objective Function

Based on the predicted load Q p r e d , the system solves a constrained optimization problem to determine the optimal number of active chillers ( N ) and their Partial Load Ratio ( P L R ). The objective is to minimize the total system power consumption ( P t o t a l ), which encompasses the power draw of the chillers, source-side pumps, and load-side pumps.
min P t o t a l = i = 1 N P c h i l l e r , i ( P L R i ) + j = 1 M P p u m p , j ( f j )
where P c h i l l e r represents the electrical power input to the chiller (kW) as a function of the Partial Load Ratio ( P L R ) and operating temperatures. P p u m p represents the power of the variable speed pumps as a function of frequency f .
Subject to the following physical and operational constraints:
  • Capacity Adequacy: The supply capacity ( Q s u p p l y ) must meet the predicted demand.
    Q s u p p l y Q p r e d
  • Equipment Limits: Chillers must operate within safe P L R limits to avoid surging or overheating.
    P L R m i n P L R i P L R m a x
  • Comfort Constraints: Indoor conditions must remain within the specified comfort envelope (defined by standards and design documents).
    T i n d o o r [ T i n d o o r , m i n , T i n d o o r , m a x ] ,   R H i n d o o r [ R H i n d o o r , m i n , R H i n d o o r , m a x ]
The core decision variable for the predictive module is N . The strategy aims to maintain the Total Relative Load ( T R L , Equation (5)), calculated as the ratio of predicted load to the total nominal capacity of active chiller units ( Q n o m i n a l , i ).
T R L = Q p r e d Q n o m i n a l , i
Switching Logic with Hysteresis: To prevent “hunting” (rapid cycling of units), a hysteresis band is applied to the switching logic, ensuring that chiller unit switching only occurs when the load firmly crosses a threshold (usually 0.9).
  • Scale Up: If T R L N > 0.9 for >15 min, increment N ( N N + 1 ).
  • Scale Down: If T R L N < 0.6 for >15 min, decrement N ( N N 1 ).
This logic also leverages the efficiency curve of the chiller unit in order to keep the Partial Load Ratio ( P L R ) of each active unit within the high-efficiency window, typically between 50% and 80%.

2.3. Self-Adaptive Feedback Mechanisms

While the predictive layer handles the “coarse” adjustment (turning units on/off), the feedback layer handles “fine” tuning to reject disturbances.
Reset Strategy for Supply Temperature: Generally speaking, the higher the outlet water temperature of a chiller unit, the higher its energy efficiency. Therefore, in actual operation, the outlet water temperature of the chiller unit should be increased as much as possible. On the other hand, since chilled water passes through terminal equipment, such as air conditioning units, to undertake part of the demand for dehumidification, in actual operation, it is also necessary to consider that the outlet water temperature of the chiller unit should not be too high under dehumidification conditions. Therefore, the goal is to maximize the chilled water supply temperature ( T e o ) while maintaining dehumidification capability. The proposed self-adaptive strategy dynamically resets T e o based on the outdoor Wet-Bulb Temperature ( T w b ):
T e o = T w b Δ T a p p r o a c h
where Δ T a p p r o a c h is the characteristic temperature approach of the terminal units (empirically determined as 10 °C for this system).
Based on experience, hilled water supply temperature ( T e o ) is generally between 6 and 12 °C.
Variable Differential Pressure Control: To minimize pumping energy, the system utilizes variable flow control targeting the hydraulic index loop (the most hydraulically remote terminal). Unlike standard VWF systems that target a fixed pressure, our strategy controls the pump frequency ( f ) to maintain a constant pressure differential ( Δ P ) specifically across the critical hydraulic index loop.
The control law utilizes a discrete PID algorithm:
f ( t ) = f ( t 1 ) + K p e ( t ) + K i e ( t ) + K d [ e ( t ) e ( t 1 ) ]
Constraints: 30   Hz f 50   Hz . This regulation ensures that even as valves close in response to the predictive unit commitment, the system pressure remains stable, preventing hydraulic shock and ensuring consistent flow to active terminals.

3. Case Study Implementation

3.1. Site Description and Climate Context

The PSAC strategy was deployed in a high-density residential complex in Shanghai, China, covering 20 buildings, with a gross floor area of 62,500 m2.
The zone is a hot summer and cold winter zone (HSCW zone). The climate features are as follows:
  • Summer Design Conditions:  T d b = 34.4 °C, T w b = 27.9 °C.
According to the design requirements for summer, the target indoor temperature is 25 °C (permissible range 25 ± 2 °C), and the target indoor relative humidity is less than 55%.

3.2. System Configuration

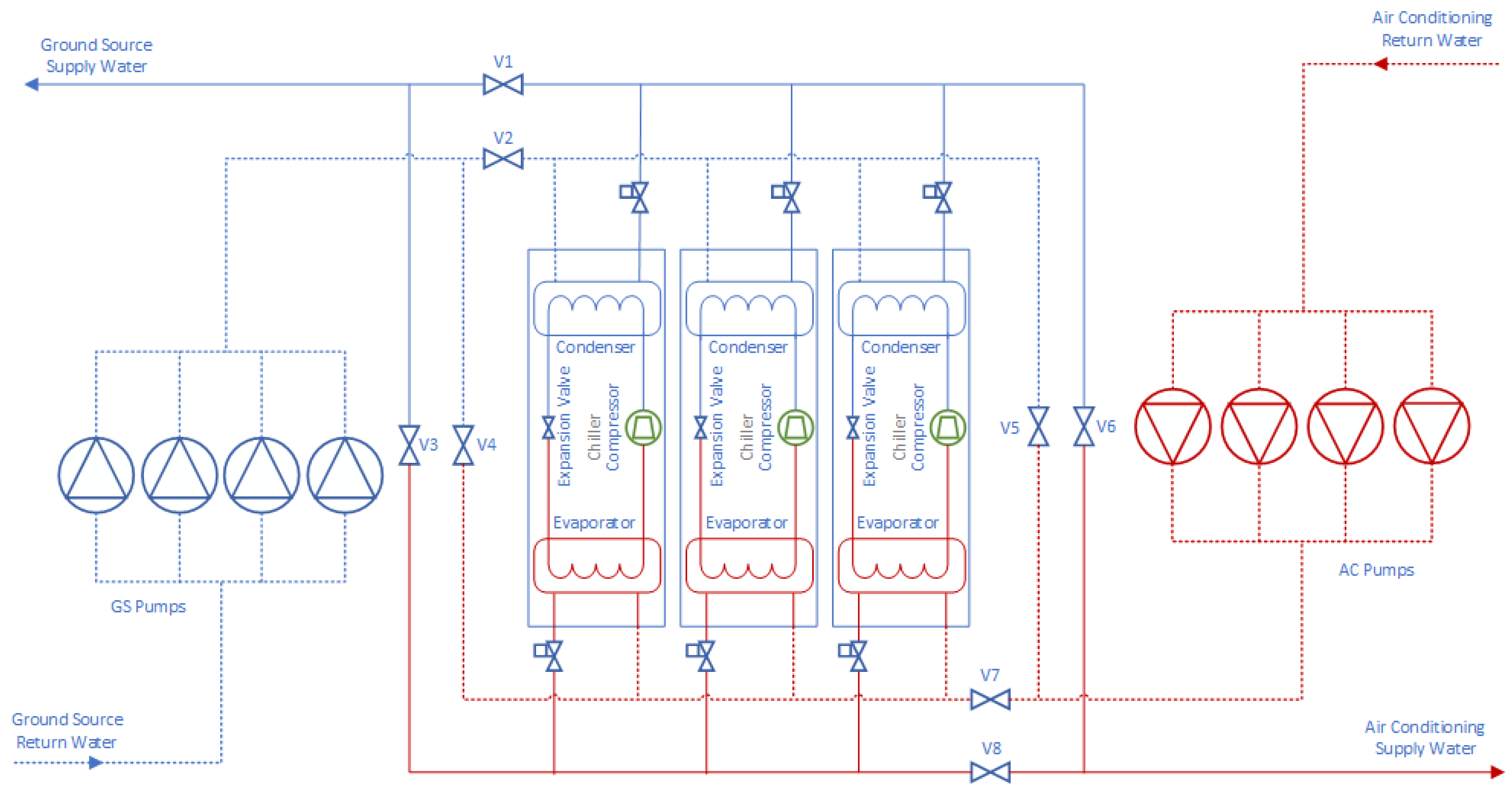
The central energy plant comprises (as shown in Figure 3):
  • Heat Generation: 3 × Water-to-Water Ground Source Heat Pumps (Total Capacity: 2100 kW).
  • Load Distribution: 4 × Variable Speed Circulation Pumps (3 active + 1 standby).
  • Source Side: 4 × Variable Speed Ground Loop Pumps.
  • Geothermal Field: A vertical borehole heat exchanger array designed to balance annual thermal extraction/injection.
The BEMS (Building Energy Management System) architecture includes industrial-grade sensors for temperature (PT100, accuracy ± 0.1 °C), pressure (transducers, accuracy ± 0.5%), and flow (electromagnetic flowmeters, accuracy ± 0.5%). Data sampling occurs at 5 min intervals, feeding into the central controller where the PSAC algorithm is hosted.

4. Results and Discussions

4.1. Performance of the Neural Load Predictor

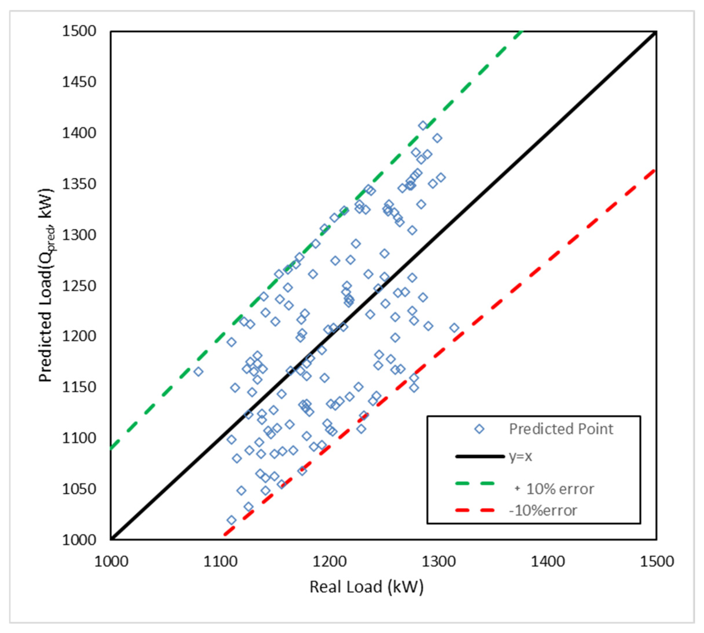
The effectiveness of the PSAC strategy hinges on the reliability of the “Prediction” phase. Figure 4 (referencing source data) illustrates the comparative analysis between the forecasted load profile and the actual measured load over a typical 24 h summer cycle.
  • Accuracy Metrics: The model achieved a high degree of fidelity, with the relative error for hourly intervals consistently falling within the ± 10% band.
  • Dynamic Tracking: The model successfully anticipated the morning load ramp-up (07:00–10:00) and the evening peak (18:00–21:00).
  • Implication: This ± 10% accuracy is pivotal. While not “perfect,” it is sufficient to place the chillers in the correct P L R efficiency band. The remaining error is easily absorbed by the self-adaptive feedback loop, confirming the hypothesis that extreme precision (e.g., that of a heavy CNN-LSTM) is not always necessary for robust engineering control if the feedback mechanism is sound.

4.2. Robustness of Environmental Control

A primary concern with advanced control strategies is stability. The PSAC system demonstrated exceptional robustness against external disturbances.
  • Thermal Stability: As shown in Figure 5, despite the system load fluctuating violently between 876 kW and 1565 kW (a variance of nearly 80%) due to weather and occupancy changes, the indoor average temperature was tightly regulated between 23 °C and 26 °C.
  • Load Control: Figure 6 confirms that indoor relative humidity was maintained between 30% and 55%. This validates the efficacy of the “Reset Strategy for Supply Temperature” strategy in the feedback loop. Even during high outdoor humidity events ( T w b > 26 °C), the system correctly lowered the supply water temperature to 7 °C, prioritizing latent cooling (dehumidification) over sensible efficiency, thereby preventing the common complaint of indoor clamminess in the HSCW zone.
  • Disturbance Rejection: The system’s response to a simulated chiller fault (visible as a spike in Figure 7) showed a rapid recovery. The feedback loop increased the pump frequency and adjusted the remaining active chillers to compensate, stabilizing the supply water temperature within minutes. This self-healing capability is a distinct advantage over static RBC systems.

4.3. Operational Efficiency and Equipment Lifecycle

The strategy had a profound impact on the operating regime of the mechanical equipment.
  • Chiller  P L R : The predictive unit commitment ensured that the active heat pumps operated predominantly in the 50–80% P L R range (Figure 8). This range corresponds to the flattest, most efficient part of the chiller performance curve, avoiding the efficiency penalty associated with low-load (<30%) operation.
  • Pump Modulation: The variable frequency control allowed the pumps to modulate between 30 Hz and 50 Hz rather than running at a fixed frequency. Given the affinity laws P f 3 , even a modest reduction in speed yields cubic savings in power. Figure 9 indicates a 33% reduction in pumping energy compared to constant-speed operation.

4.4. Comparative Energy Analysis

The ultimate validation metric is the System Coefficient of Performance (SCOP), defined as the ratio of total cooling energy provided to total electrical energy consumed, defined as:
S C O P = 0 1 w e e k Q l o a d ( t ) d t 0 1 w e e k P t o t a l ( t ) d t
We conducted a side-by-side comparison of the PSAC strategy against a baseline week using standard constant-temperature control (Fixed T e o = 7 °C, Constant Speed Pumps). The meteorological conditions for both periods were statistically similar to ensure a fair comparison.
  • Baseline Performance: The conventional control yielded a weekly average SCOP of 3.30.
  • PSAC Performance: The proposed strategy achieved a weekly average SCOP of 3.91.
This equates to an energy saving calculated by Equation (9):
η s a v i n g s = E b a s e l i n e E P S A C E b a s e l i n e × 100 % = 1 S C O P b a s e l i n e 1 S C O P P S A C 1 S C O P b a s e l i n e = 15.6 %
This 15.6% energy saving significantly outperforms the typical 5–10% gains reported for standard optimization retrofits. It underscores the synergistic effect of combining predictive staging (which saves chiller energy) with adaptive hydraulic control (which saves pump energy).

5. Conclusions

This paper successfully demonstrates the development and application of a Prediction Self-Adaptive Control (PSAC) technology for ground source heat pump systems. By fusing an CNN-LSTM based predictive model with a robust self-adaptive feedback mechanism, the strategy addresses the critical shortcomings of traditional HVAC control—namely hysteresis, lack of foresight, and hydraulic instability.
The predictive model provides load forecasts with ±10% accuracy, enabling effective preemptive control. The strategy maintains indoor environmental quality (23–26 °C, 30–55% RH) with high resilience to load volatility. Empirical results confirm an 15.6% reduction in energy consumption and a SCOP improvement from 3.30 to 3.91, driven by optimized equipment loading and variable flow regulation.
The framework is computationally efficient and implementable on standard operation control and maintenance systems, offering a viable pathway for upgrading existing building stocks.
Of course, the paper’s methodology also has some limitations and shortcomings: the study was conducted in a residential setting with relatively consistent occupancy patterns. In commercial or mixed-use buildings with highly stochastic loads, the simple periodicity features of the LSTM might be insufficient. In such cases, real-time occupancy detection would need to be integrated into the input vector. The CNN-LSTM model was trained on data specific to Shanghai’s HSCW climate. Deploying this model in a different climate zone (e.g., the Severe Cold zone of Harbin) would require re-training or the application of Transfer Learning techniques to adapt the weights to the new thermal dynamics.
On the other hand, the principles of the PSAC framework hold significant potential for broader application in complex geothermal energy extraction. Future iterations of this control strategy could be adapted for deep geothermal reservoirs and open-loop aquifer systems. In such environments, the control algorithm must account for significantly more complex subsurface fluid dynamics, such as the flow resistance mechanisms in geological fractures [31]. Additionally, optimizing heat transfer in these deep systems may involve the use of advanced heat transfer fluids, requiring the control model to adapt to the non-Newtonian behavior and viscosity changes induced by nanomaterials [32]. Finally, for extreme applications such as deep-sea energy stations or high-pressure geothermal wells, the predictive safety modules should be expanded to monitor thermodynamic phase-change risks, including the prediction of gas hydrate formation in wellbores and gathering systems [33]. Bridging these domains—from building automation to reservoir engineering—represents the next frontier in intelligent geothermal utilization.
Anyway, as the industry moves towards AI-driven energy conservation and carbon reduction, frameworks like PSAC, which balance the innovation of machine learning with the reliability of classical control theory, will play a key role in shaping the sustainable cities of the future.

Author Contributions

Methodology, J.L. (Jing Liu) and Y.C. (Yong Cao); software, X.M. and Y.C. (Yue Cen); validation, J.L. (Jing Liu), Y.C. (Yong Cao) and Z.C.; formal analysis, Z.C., M.C. and J.L. (Jiajie Li); investigation, Z.C., X.M. and Y.C. (Yue Cen); data curation, Z.C. and J.L. (Jiajie Li); writing—original draft preparation, Z.C. and M.C.; writing—review and editing, J.L. (Jing Liu), Y.C. (Yong Cao) and Z.C.; visualization, X.M. and Y.C. (Yue Cen); supervision, J.L. (Jing Liu) and Y.C. (Yong Cao); project administration, J.L. and Y.C. (Yong Cao); funding acquisition, J.L. (Jing Liu) and Y.C. (Yong Cao). All authors have read and agreed to the published version of the manuscript.

Funding

This research was funded by The 14th Five Year National Key Research and Development Plan “Research on the key technology of dynamic simulation and energy-saving optimal control of medium-temperature chilled water centralized air-conditioning system”, grant number “2023YFC3806404”; The 14th Five Year National Key Research and Development Plan “Research on Real time Monitoring and Analysis Technology for Total Factor Carbon Emissions in the Construction and Management of New Low Carbon Cities”, grant number “2023YFC3807704”.

Data Availability Statement

The data presented in this study are available on request from the corresponding author. The data are not publicly available due to privacy restrictions regarding the residential complex.

Conflicts of Interest

Author Jiajie Li was employed by the company China Telecom Artificial Intelligence Technology (Beijing) Co., Ltd. The remaining authors declare that the research was conducted in the absence of any commercial or financial relationships that could be construed as a potential conflict of interest.

Appendix A

The CNN layer filters noise and extracts short-term local patterns from the multivariate time series. For an input sequence x , the output of the k-th filter is given by Equation (A1).
h i , k = RELU ( j = 0 m 1 w k , j x i + j + b k )
where x is the input sequence, w is the convolution kernel weight, b is the bias, and RELU is the rectified linear unit.
The LSTM unit handles the vanishing gradient problem common in standard RNNs using three gates: the forget gate ( f t ), input gate ( i t ), and output gate ( o t ). The detailed mathematical formulation of the LSTM cell updates is given by Equation (A2).
f t = σ ( W f [ h t 1 , x t ] + b f ) i t = σ ( W i [ h t 1 , x t ] + b i ) C ˜ t = tanh ( W C [ h t 1 , x t ] + b C ) C t = f t C t 1 + i t C ˜ t o t = σ ( W o [ h t 1 , x t ] + b o ) h t = o t tanh ( C t )
where f t is the forget gate, i t is the input gate, o t is the output gate, C t is the cell state, h t is the hidden state, σ is the sigmoid function, denotes element-wise multiplication, tanh is the hyperbolic tangent function, the parameters W ( W f , W i , W C , W o ) denote the learnable weight matrices associated with the input and hidden states for each gate.

References

  1. Xiao, F.; Fan, C.; Wang, S. Building system performance diagnosis and optimization based on data mining techniques. Huagong Xuebao/CIESC J. 2014, 65, 181–187. [Google Scholar]
  2. Xue, T.; Jokisalo, J.; Kosonen, R. Cost-Effective Control of Hybrid Ground Source Heat Pump (GSHP) System Coupled with District Heating. Buildings 2024, 14, 1724. [Google Scholar] [CrossRef]
  3. GB 50189-2015; Design Standard for Energy Efficiency of Public Buildings. Mohurd: Beijing, China, 2015.
  4. Wang, K.; Shuai, Z.; Yao, Y. Intelligent Optimization of Ground-Source Heat Pump Systems Based on Gray-Box Modeling. Energies 2026, 19, 608. [Google Scholar] [CrossRef]
  5. Ma, W.; Kim, M.K.; Hao, J. Numerical simulation modeling of a GSHP and WSHP system for an office building in the Hot Summer and Cold Winter Region of China: A Case Study in Suzhou. Sustainability 2019, 11, 3282. [Google Scholar] [CrossRef]
  6. Ardakani, A.J.; Ardakani, F.F.; Hosseinian, S.H. A novel approach for optimal chiller loading using particle swarm optimization. Energy Build. 2008, 40, 2177–2187. [Google Scholar] [CrossRef]
  7. Saeedi, M.; Moradi, M.; Hosseini, M.; Emamifar, A.; Ghadimi, N. Robust optimization based optimal chiller loading under cooling demand uncertainty. Appl. Therm. Eng. 2019, 148, 1081–1091. [Google Scholar] [CrossRef]
  8. Tianyi, Z.; Liangdong, M.; Jili, Z. An optimal differential pressure reset strategy based on the most unfavorable thermodynamic loop on-line identification for a variable water flow air conditioning system. Energy Build. 2016, 110, 257–268. [Google Scholar] [CrossRef]
  9. Chang, S.; Meng, Q.; Liang, Y. Experimental study of hydraulic stability for variable water volume air conditioning System. Procedia Eng. 2017, 205, 1072–1078. [Google Scholar] [CrossRef]
  10. Ahmad, M.W.; Mourshed, M.; Yuce, B.; Rezgui, Y. Computational intelligence techniques for HVAC systems: A review. Build. Simul. 2016, 9, 359–398. [Google Scholar] [CrossRef]
  11. Noye, S.; Martinez, R.M.; Carnieletto, L.; De Carli, M.; Aguirre, A.C. A review of advanced ground source heat pump control: Artificial intelligence for autonomous and adaptive control. Renew. Sustain. Energy Rev. 2022, 153, 111685. [Google Scholar] [CrossRef]
  12. Lu, L.; Cai, W. A New Approach to Set Point Control in Chilled Water Loops; Purdue University: West Lafayette, IN, USA, 2002. [Google Scholar]
  13. Bordignon, S.; Marigo, M.; De Carli, M.; Zarrella, A. Evaluation of control strategies for a dual-source heat pump. Sci. Technol. Built Environ. 2025, 31, 1169–1180. [Google Scholar] [CrossRef]
  14. Michailidis, P.; Michailidis, I.; Minelli, F.; Coban, H.H.; Kosmatopoulos, E. Model Predictive Control for Smart Buildings: Applications and Innovations in Energy Management. Buildings 2025, 15, 3298. [Google Scholar] [CrossRef]
  15. Afram, A.; Janabi-Sharifi, F. Review of modeling methods for HVAC systems. Appl. Therm. Eng. 2014, 67, 507–519. [Google Scholar] [CrossRef]
  16. Chen, X.; Wang, Q.; Srebric, J. Model predictive control for indoor thermal comfort and energy optimization using occupant feedback. Energy Build. 2015, 102, 357–369. [Google Scholar] [CrossRef]
  17. Avci, M.; Erkoc, M.; Rahmani, A.; Asfour, S. Model predictive HVAC load control in buildings using real-time electricity pricing. Energy Build. 2013, 60, 199–209. [Google Scholar] [CrossRef]
  18. Yang, Y.; Bjørnskov, J.; Jradi, M. Optimizing HVAC systems with model predictive control: Integrating ontology-based semantic models for energy efficiency and comfort. Front. Energy Res. 2025, 13, 1542107. [Google Scholar] [CrossRef]
  19. Shahcheraghian, A.; Madani, H.; Ilinca, A. From white to black-box models: A review of simulation tools for building energy management and their application in consulting practices. Energies 2024, 17, 376. [Google Scholar] [CrossRef]
  20. Chaganti, R.; Rustam, F.; Daghriri, T.; Díez, I.D.L.T.; Mazón, J.L.V.; Rodríguez, C.L.; Ashraf, I. Building heating and cooling load prediction using ensemble machine learning model. Sensors 2022, 22, 7692. [Google Scholar] [CrossRef]
  21. Ercoli, P.; Mugnini, A.; Di Nicola, G.; Arteconi, A. Comparative Analysis of Ground-Source and Air-Source Heat Pumps Under Demand Response Strategy. E3S Web Conf. 2025, 654, 02006. [Google Scholar] [CrossRef]
  22. Ding, L.X.; Chen, J.F.; Guo, H. Advancement prospects of GSHP air conditioning system in HSCW zone of China. In Proceedings of the 7th International Energy Agency Conference on Heat Pumping Technologies: Heat Pumps-Better by Nature, Beijing, China, 19–22 May 2002; Volume 2, pp. 1054–1064. [Google Scholar]
  23. Zhang, S.; Zhang, L.; Wei, H.; Jing, J.; Zhou, X.; Zhang, X. Field testing and performance analyses of ground source heat pump systems for residential applications in Hot Summer and Cold Winter area in China. Energy Build. 2016, 133, 615–627. [Google Scholar] [CrossRef]
  24. Zhang, H.; Hao, S.; Wen, M.; Bai, X.; Liu, L.; Zhang, P. Optimization of Ground Source Heat Pump System Based on TRNSYS in Hot Summer and Cold Winter Region. Buildings 2024, 14, 2764. [Google Scholar] [CrossRef]
  25. Čongradac, V.; Kulić, F. Recognition of the importance of using artificial neural networks and genetic algorithms to optimize chiller operation. Energy Build. 2012, 47, 651–658. [Google Scholar] [CrossRef]
  26. Gang, W.; Wang, J. Predictive ANN models of ground heat exchanger for the control of hybrid ground source heat pump systems. Appl. Energy 2013, 112, 1146–1153. [Google Scholar] [CrossRef]
  27. Kang, Z.; Sun, Y.; Sun, C.; Wang, J.; Li, S. Energy consumption prediction for HVAC systems in public buildings based on SSA-CNN-LSTM neural network. J. Phys. Conf. Ser. 2025, 3074, 012019. [Google Scholar] [CrossRef]
  28. Sun, H.; Hu, Y.; Luo, J.; Guo, Q.; Zhao, J. Enhancing HVAC Control Systems Using a Steady Soft Actor–Critic Deep Reinforcement Learning Approach. Buildings 2025, 15, 644. [Google Scholar] [CrossRef]
  29. Pelella, F.; Passarelli, A.F.; Llopis-Mengual, B.; Viscito, L.; Navarro-Peris, E.; Mauro, A.W. State-of-the-Art Methodologies for Self-Fault Detection, Diagnosis and Evaluation (FDDE) in Residential Heat Pumps. Energies 2025, 18, 3286. [Google Scholar] [CrossRef]
  30. Mirnaghi, M.S.; Haghighat, F. Fault detection and diagnosis of large-scale HVAC systems in buildings using data-driven methods: A comprehensive review. Energy Build. 2020, 229, 110492. [Google Scholar] [CrossRef]
  31. Li, W.; Liao, J. Microscopic Analysis of Flow Resistance of Oil Displacement Fluid in Reservoir Fractures. Reserv. Sci. 2026, 2, 16–33. [Google Scholar] [CrossRef]
  32. Xu, N.; Wang, Y. Effect of Nanomaterials on Improving the Apparent Viscosity of Heavy Oil and the Environmental Evaluation of Reservoir Environment. Reserv. Sci. 2026, 2, 1–15. [Google Scholar] [CrossRef]
  33. Li, M.; Liu, J.; Xia, Y. Risk prediction of gas hydrate formation in the wellbore and subsea gathering system of deep-water turbidite reservoirs: Case analysis from the south China Sea. Reserv. Sci. 2025, 1, 52–72. [Google Scholar] [CrossRef]
Figure 1. Self-adaptive control strategy framework.
Figure 1. Self-adaptive control strategy framework.
Energies 19 00886 g001
Figure 2. CNN-LSTM architecture.
Figure 2. CNN-LSTM architecture.
Energies 19 00886 g002
Figure 3. Ground source heat pump system.
Figure 3. Ground source heat pump system.
Energies 19 00886 g003
Figure 4. Comparison of forecast and actual load of typical daily load in summer season.
Figure 4. Comparison of forecast and actual load of typical daily load in summer season.
Energies 19 00886 g004
Figure 5. Comparison of system load and indoor temperature effect.
Figure 5. Comparison of system load and indoor temperature effect.
Energies 19 00886 g005
Figure 6. Comparison of system load and indoor humidity effect.
Figure 6. Comparison of system load and indoor humidity effect.
Energies 19 00886 g006
Figure 7. System operation effect of (a) system supply and return water temperature and (b) system supply and return water pressure.
Figure 7. System operation effect of (a) system supply and return water temperature and (b) system supply and return water pressure.
Energies 19 00886 g007
Figure 8. P L R changes in the chiller units.
Figure 8. P L R changes in the chiller units.
Energies 19 00886 g008
Figure 9. Comparison of energy consumption under constant frequency operation and self-adaptive strategy control of water pump.
Figure 9. Comparison of energy consumption under constant frequency operation and self-adaptive strategy control of water pump.
Energies 19 00886 g009
Table 1. Detailed architecture parameters of the CNN-LSTM load prediction model.
Table 1. Detailed architecture parameters of the CNN-LSTM load prediction model.
Layer TypeParametersActivation
InputWindow Size = 24;
Feature numbers = 7
Conv1D (layer1)Filters = 64;
Kernel = 3;
Stride = 1
ReLU
MaxPooling1DPool Size = 2
Conv1D (layer2)Filters = 32;
Kernel = 3
ReLU
LSTM (layer1)Units = 100;
Return Sequences = True
Tanh
LSTM (layer2)Units = 50;
Return Sequences = False
Tanh
DropoutRate = 0.2
DenseUnits = 1Linear
Table 2. Hyperparameters for the CNN-LSTM load prediction model.
Table 2. Hyperparameters for the CNN-LSTM load prediction model.
HyperparameterValueRationale/Source
Learning Rate0.001Standard starting point for Adam
Batch Size64Balances gradient stability and memory usage
Epochs100With Early Stopping (patience = 10)
Loss FunctionMSEMean Squared Error penalizes large outliers
OptimizerAdamAdaptive Moment Estimation
Dropout Rate0.2Prevents co-adaptation of neurons
Disclaimer/Publisher’s Note: The statements, opinions and data contained in all publications are solely those of the individual author(s) and contributor(s) and not of MDPI and/or the editor(s). MDPI and/or the editor(s) disclaim responsibility for any injury to people or property resulting from any ideas, methods, instructions or products referred to in the content.

Share and Cite

MDPI and ACS Style

Cui, Z.; Cao, M.; Liu, J.; Cao, Y.; Mao, X.; Cen, Y.; Li, J. Development and Application of a Novel Prediction Self-Adaptive Control Technology in Ground Source Heat Pump System. Energies 2026, 19, 886. https://doi.org/10.3390/en19040886

AMA Style

Cui Z, Cao M, Liu J, Cao Y, Mao X, Cen Y, Li J. Development and Application of a Novel Prediction Self-Adaptive Control Technology in Ground Source Heat Pump System. Energies. 2026; 19(4):886. https://doi.org/10.3390/en19040886

Chicago/Turabian Style

Cui, Zhiguo, Mingyu Cao, Jing Liu, Yong Cao, Xiaofeng Mao, Yue Cen, and Jiajie Li. 2026. "Development and Application of a Novel Prediction Self-Adaptive Control Technology in Ground Source Heat Pump System" Energies 19, no. 4: 886. https://doi.org/10.3390/en19040886

APA Style

Cui, Z., Cao, M., Liu, J., Cao, Y., Mao, X., Cen, Y., & Li, J. (2026). Development and Application of a Novel Prediction Self-Adaptive Control Technology in Ground Source Heat Pump System. Energies, 19(4), 886. https://doi.org/10.3390/en19040886

Note that from the first issue of 2016, this journal uses article numbers instead of page numbers. See further details here.

Article Metrics

Back to TopTop