Next Article in Journal
Experimental and Numerical Study of Forced Convection of Water/EG-Al2O3 Nanofluids
Previous Article in Journal
The Evolution of Windmill Design: From Lasithi Plateau Pumping Windmills to Electricity Production
 
 
Font Type:
Arial Georgia Verdana
Font Size:
Aa Aa Aa
Line Spacing:
Column Width:
Background:
Article

Hybrid CryStAl and Random Decision Forest Algorithm Control for Ripple Reduction and Efficiency Optimization in Vienna Rectifier-Based EV Charging Systems

by
Mohammed Abdullah Ravindran
1,
Kalaiarasi Nallathambi
1,*,
Mohammed Alruwaili
2,
Ahmed Emara
3,* and
Narayanamoorthi Rajamanickam
1
1
Department of Electrical and Electronics Engineering, SRM Institute of Science and Technology, Kattankulathur, Chennai 603203, India
2
Department of Electrical Engineering, College of Engineering, Northern Border University, Arar 91431, Saudi Arabia
3
Electrical Engineering Department, University of Business and Technology, Jeddah 23435, Saudi Arabia
*
Authors to whom correspondence should be addressed.
Energies 2026, 19(3), 830; https://doi.org/10.3390/en19030830
Submission received: 12 December 2025 / Revised: 19 January 2026 / Accepted: 27 January 2026 / Published: 4 February 2026
(This article belongs to the Topic Advanced Electric Vehicle Technology, 3rd Edition)

Abstract

The rapid growth of electric vehicle (EV) deployment has created a strong demand for charging systems capable of handling higher power levels while preserving grid stability and maintaining satisfactory energy quality. In this work, a fast-charging architecture for 400 V battery systems is developed using a Vienna rectifier on the AC front end and a DC–DC buck converter on the DC stage. To enhance the performance of this topology, two complementary control techniques are combined: the Crystal Structure Algorithm (CryStAl), used for offline optimization of switching behavior, and a Random Decision Forest (RDF) model, employed for real-time adaptation to operating conditions. A clear, step-oriented derivation of the converter state–space equations is included to support controller design and ensure reproducibility. This control framework improves the key performance indices, including Total Harmonic Distortion (THD), ripple suppression, efficiency, and power factor correction. Specifically, the Vienna rectifier works on input current shaping and enhances the power quality, while the buck converter maintains a constant DC output appropriate for reliable battery charging. The simulation studies show that the combined CryStAl–RDF approach outperforms the conventional PI- and Particle Swarm Optimization (PSO)-based controllers. The proposed method achieves THD less than 2%, conversion efficiency higher than 97.5%, and a power factor close to unity. The voltage and current ripples are also significantly reduced, which justifies the extended life of the batteries and reliable charging performance. Overall, the results portray the potential of the combined metaheuristic optimization with machine learning-based decision techniques to enhance the behavior of power electronic converters for EV fast-charging applications. The proposed control method offers a practical and scalable route for next-generation EV charging infrastructure.

1. Introduction

Ongoing apprehensions regarding climate change have prompted the primary energy source for our transportation system and significant government and business players to transition away from oil. Electric transmission systems have the potential to diminish oil consumption, as battery-powered vehicles could be connected to the grid, allowing for the recharging of their integrated battery systems through pure renewable energy sources (RESs). EVs are revolutionizing the transportation industry by offering a sustainable alternative to conventional gasoline-powered vehicles. Unlike internal combustion engine vehicles, EVs are powered by electric motors and rechargeable batteries, which reduces their dependence on fossil fuels and the emission of greenhouse gases. With developments in battery technology, modern EVs provide improved range, faster charging, and enhanced performance; they are now a practical choice for daily use. To promote the increasing adoption of electric mobility, governments and automakers worldwide are investing heavily in EV infrastructure, including smart grids and fast-charging stations (FCSs). EVs are anticipated to be essential to attaining a cleaner and more energy-efficient future as technology advances. The battery storage must fulfill the energy requirements for the vehicle to transition to an electric model. In recent years, advancements in lithium–ion battery technology have rendered electric vehicles more economically viable and user-friendly.
In the realm of transportation electrification, EVs are growing as a significant technological advancement and a pivotal component of the power sector, primarily due to their zero-emission characteristics [1]. The growing interest in enhancing EVs powered by alternative and RESs has resulted in a significant surge of research to advance the technologies associated with these vehicles [2,3]. EV charging systems are broadly classified into on-board and off-board chargers. On-board chargers (OBCs) are integrated within the vehicle and convert AC power from external sources into DC for battery charging, typically used for residential and workplace charging up to 22 kW [4,5,6]. Unlike on-board chargers, which are limited by the vehicle’s space and cooling constraints, off-board charging units perform the AC–DC power conversion outside the vehicle and deliver regulated DC directly to the battery. This arrangement supports much higher charging power typically in the 50-to-350 kW range, making it suitable for rapid-charging applications. Because the conversion hardware is external, off-board systems also benefit from better thermal handling, improved scalability, and reduced vehicle weight, and thus have become the preferred choice for modern fast-charging installations [7].
FCSs play a crucial role in encouraging large-scale EV adoption by offering significant reductions in the replenishment time for the battery compared to conventional charging. The high-power DC chargers installed in such stations can restore driving range in a very short time, thereby extending the practicality of even long-distance trips. Advanced developments in charging technology are increasingly aimed at supporting both 400 and 800 V battery architectures in order to accommodate a wider variety of EV models. An integral part of this infrastructure is the G2V power transfer that provides the pathway for electrical energy drawn from the grid to the battery with high efficiency while maintaining grid stability and acceptable power quality levels [8,9].
AC and DC busbar systems serve as the foundation of EV charging, with AC busbars allocating grid power to individual chargers via distinct rectifiers, whereas DC busbars establish a unified, high-voltage DC link, enabling a singular, large converter to supply multiple chargers, thereby enhancing efficiency and power distribution. Consequently, the DC bus architecture is the contemporary preferred option for high-power fast charging, owing to reduced conversion stages, diminished losses, and improved integration with RESs.
Fast-charging systems for electric vehicles present many challenging requirements, including high-power converter stages that must support a wide range of battery voltages, particularly the popular 400 V and 800 V platforms. Modern chargers meet these needs with sophisticated power electronic architectures, along with advanced control methods that can deliver high efficiency, minimize conversion losses, and operate within grid power-quality standards. Future charging systems must be adaptable, scalable, and able to support new EV battery configurations as they become available and battery chemistries continue to evolve [10,11].
Complementing developments in fast-charging converters and their control strategies for EV applications, the research effort has increasingly turned, in recent times, to the emerging charging modality represented by wireless power transfer (WPT). Wireless EV charging systems typically employ either inductive or capacitive coupling to transfer energy between two coils without physical connectors, thus providing a desirable level of convenience and safety, for example, an overview of compensation converter topologies for capacitive power transfer in wireless EV charging applications, elaborating on the evolution of converter topologies and the ways in which they successfully address the unique challenges of high-frequency and loosely coupled power transfer networks [12]. On the other hand, an overview of wireless charging systems for electric vehicles summarizes principal inductive and resonant architectures, control strategies, and system optimization approaches [13]. These works provide insight into the wide variety of charging options under study for future EV infrastructure, from traditional hardwired fast chargers up to and including contactless wireless systems. While the current work focuses on wired Vienna rectifier-based EV fast charging with optimized control, awareness of trends and related converter developments in WPT improves context and helps establish general research directions for comprehensive solutions to all aspects of EV charging.
The three-level topology of the Vienna Rectifier has emerged as a promising choice within this context due to its strong power factor correction and high efficiency capabilities [14].This particularly supports fast-charging installations, owing to its lower switching losses, better thermal performance, and lower harmonic distortion [15]. Altogether, the overall system, with an additional DC–DC Buck Converter, provides appropriate voltage and current regulation, therefore enabling the smooth integration of EV batteries over a wide range of voltages, encompassing both 400 V and 800 V systems used in today’s vehicles [16,17].
Modern FCSs have the challenging task of implementing G2V systems that transfer power from the electrical grid to an electric vehicle’s battery both rapidly and efficiently [18]. In order to satisfy these key requirements, the power converters in charging installations have several very demanding criteria: they must be able to handle very high power levels with low energy losses; maintain high power quality; and be compatible with the different voltages of various batteries, including the two most common ones, 400 V and 800 V platforms. The design and control of these converters directly impact the speed at which batteries charge, grid stability, and long-term health [19].
In this paper, we introduce an improved G2V power conversion system with an appropriate design for fast-charging applications. A Vienna rectifier on the AC side will be combined with a buck DC–DC converter for efficient and stable charging. A hybrid control strategy will be implemented herein, which relies on combining the CryStAl with an RDF model. The proposed approach fine-tunes the operating parameters of the converter for better efficiency, higher reliability, and improved power quality.
Recent advances in power electronics have shown an increasing tendency toward integrating AI-based approaches to reinforce converter control performance, especially in those applications requiring high efficiency, fast dynamics, and robust operation. RL-based controllers have been explored to provide adaptive control of DC–DC and AC–DC converters due to their model-free learning and broad adaptation capabilities in nonlinear systems. However, RL methods usually need a large amount of training data, long convergence time, and a heavy computational load, which can restrict their real-time, high-frequency switching applications.
Adaptive fuzzy logic controllers, together with optimization algorithms such as PSO or GA, have also been widely reported. These approaches offer interpretability and robustness to parameter variations, but their performance depends heavily on the design of rule bases and tuning of membership functions, which may become intricate for multi-objective EV fast-charging systems [20].
In particular, ANN and deep learning-based controllers have shown outstanding nonlinear approximation capabilities, but their current deployment in embedded power electronic controllers is strongly limited by significant computational overhead and memory requirements, along with the lack of guaranteed inference times [21].
In contrast, hybrid optimization–learning frameworks seek to integrate offline global optimization with lightweight online inference. Among them, the proposed CryStAl–RDF framework focuses on ripple-oriented optimization and feasibility in real time, together with computational boundedness, making it especially fit for Vienna rectifier-based EV fast-charging systems.
Compared to reinforcement learning and adaptive fuzzy control strategies, the proposed CryStAl–RDF approach does not rely on continuous online exploration or rule adaptation, due to which stability risks are significantly reduced and the computational burden is lower. It utilizes offline-optimized control patterns and deterministic online prediction to achieve stable and repeatable performance in rapid-switching conditions. Therefore, CryStAl–RDF presents a practical alternative within the family of AI-enhanced power electronics controllers.

1.1. Comparison with Advanced Control Strategies in the Literature

Along with traditional PI and PSO controllers, this work is placed conceptually in relation to more advanced approaches such as MPC in order to contextualize its contribution within the state of the art. Model Predictive Control (MPC) approaches utilize a discrete-time model of the converter in order to predict the future behavior and to optimize control actions over a receding horizon [22]. With explicit handling of constraints (voltage and current limits) and the possibility of multi-objective optimization, it is particularly suitable for fast-charging systems where protection and dynamic performance are critical [23]. However, MPC requires an accurate system model and significant computational effort for online optimization. Table 1 presents a Conceptual Comparison of CryStAl–RDF with Advanced Control Strategies.
Unlike MPC, which requires an accurate system model and high computational resources, the proposed CryStAl–RDF approach achieves adaptive optimization with low model dependence and thus makes it suitable for real-time fast-charging applications.
In MATLAB(2021A)/Simulink, implemented the complete converter system and tested its performance for a wide range of loads and grid conditions. However, in comparison with classical control approaches, the proposed concept also offers some evident advantages: energy losses are reduced, dynamic response is improved, and the process runs smoother—all of which are important features for fast-charging applications. Previous works using optimization techniques like PSO, ANN, or fuzzy logic have demonstrated improvements related to either efficiency or transient response but often face challenges with adaptive switching and incomplete suppression of unwanted electrical ripple. Our hybrid CryStAl–RDF framework mitigates these issues by offering a more agile and intelligent control solution with the capability for offline optimization of switching patterns and online adjustment of converter behavior within a computational budget appropriate for practical hardware. In summary, the test results confirm that the Vienna rectifier-based G2V architecture enabled by the proposed dual-stage control strategy can achieve robust high-performance charging. This work is therefore supportive of the technology advancement of converters for electric drive vehicles and the further expansion of a reliable, sustainable charging infrastructure.
The main contributions of this paper are as follows:
  • The work proposes a hybrid control approach that incorporates the CryStAl into an RDF model, thus enabling efficient switching optimization and real-time predictive control for electric vehicle fast-charging applications.
  • The optimization-enhanced Vienna Rectifier and Buck Converter configuration are developed for the 400 V EV battery system to minimize voltage and current ripple, and improve power-factor performance.
  • Extensive performance comparison is performed with PI and PSO controllers under the same simulation conditions. The superiority of the proposed approach can be distinguished by a lower THD, higher conversion efficiency, faster dynamic response, and better SOC regulation.
  • Sensitivity analyses and stability margins are evaluated to confirm the robustness and stability of the proposed control methodology, hence proving its feasibility for practical application.
Although hybrid control frameworks that combine offline optimization with online learning in power electronics have been explored, their applications to Vienna rectifier-based electric vehicle fast-charging systems are relatively few, regarding mainly ripple-oriented optimization, stability margins, and real-time implementations with low complexity. The novelty in this work does not apply to the general idea of hybrid control but to the specific role allocation, control mapping, and implementation strategy of the CryStAl–RDF framework for EV fast-charging applications.

1.2. Scientific Contributions of This Work

To improve clarity and explicitly position the scope of this study, the scientific contributions are categorized into methodological contributions, converter-level performance improvements, and practical relevance for EV fast-charging stations, as summarized below.
(i) Methodological Contributions
A hybrid CryStAl–RDF control framework is presented in this study that merges offline metaheuristic optimization with online machine learning-based inference from a control and optimization viewpoint. The Crystal Structure Algorithm is applied here to generate an optimal pattern of switching and duty cycle within a bounded multi-objective search space, with ripple minimization, THD reduction, and efficiency enhancement. To achieve real-time applicability, an RDF is trained on the CryStAl dataset for fast low-complexity prediction of the control actions at runtime. Unlike the deep learning-based controllers, the proposed hybrid architecture ensures bounded inference time, lowered risk of overfitting, and aptness for high-frequency power electronic control.
(ii) Converter-Level Performance Improvements
The CryStAl–RDF controller significantly enhances the electrical performance at the converter level of an electric vehicle fast-charging system based on a Vienna Rectifier–Buck Converter. The simulation and experimental results show that the input current THD is reduced to 1.29%, overall efficiency is improved to 97.53%, and a near-unity power factor under rated operating conditions. Moreover, the battery-side voltage and current ripples are more than 50% lower than the conventional PI- and PSO-based control strategies, leading to improved transient response, faster settling time, higher SOC tracking accuracy, and wider stability margins for grid and load variations.
(iii) Practical Relevance for EV Fast-Charging Stations
The proposed control strategy is implementable with the embedded digital platforms that are most commonly used in commercial electric vehicle chargers. The real-time controller based on an RDF approach requires minimal computational resources. Its experimental verification was performed using a DSP-based prototype under scaled laboratory conditions. Although high-power operation (on the order of tens of kilowatts) is assessed through simulation, the experimental results demonstrate the feasibility, robustness, and scalability of the approach for practical EV fast-charging applications. The framework provides an effective route to further improvement of power quality, converter efficiency, and mitigation of battery stress for next-generation fast-charging stations.

2. Research Gap

Although considerable efforts have been made toward the development of fast-charging systems for EVs, several issues still need to be tackled, according to the state-of-the-art works. Concretely speaking, a control methodology that can offer high power quality and dynamic real-time adaptability with good hardware implementation feasibility has not yet been fully reached. Traditional PI controllers, being simple and easy to implement, suffer from poor dynamic performance, and, very often, ripple cannot be effectively suppressed under fluctuating grid voltage or battery loading conditions. Metaheuristic approaches such as PSO have been explored to optimize controller gains, but these methods are computationally intensive and lack real-time adaptability. Furthermore, most prior works focus solely on either converter-level efficiency or grid-side harmonics, without a holistic framework that considers ripple-induced battery degradation, state-of-charge (SOC) tracking, and system stability together.
Recent hybrid control approaches integrating offline optimization with online intelligent control, such as PSO–PI, GA–fuzzy, ANN-assisted PFC, and reinforcement learning-based converters, have demonstrated improvements of certain performance indices. Yet, these hybrid methods still suffer from significant limitations. Most of them rely on iterative online optimization or heavy neural inference, yielding high computational burden and uncertain real-time determinism. Many are based on deep neural networks or reinforcement learning, requiring big training datasets, extensive tuning, and continuous stability supervision, further complicating embedded implementation. Moreover, current hybrid strategies seldom explicitly embed ripple-aware optimization linked to battery health, and stability margins are seldom quantified. Thus, the state-of-the-art hybrid solutions are fragmented, aiming at individual objectives rather than offering a unified, hardware-feasible control framework.
Machine learning techniques have shown promise in power electronics but are either too complex (deep neural networks) for real-time implementation or lack integration with offline optimization frameworks. Therefore, a clear research gap exists for an integrated and practically deployable hybrid control architecture that:
  • Employs structured offline optimization explicitly targeting ripple minimization and switching-loss reduction.
  • Provides fast, real-time adaptability using low-latency machine learning (online).
  • Directly links ripple reduction to battery health indicators such as SOC stability and capacity fade.
  • Ensures high gain and phase margins for dynamic stability.
  • Is feasible for embedded implementation (DSP/FPGA).
To address these limitations, this work presents a CryStAl–RDF hybrid control framework that is fundamentally different from any existing hybrid approach. CryStAl is used only as an offline, bounded, lattice-based optimizer to produce ripple-aware, loss-minimized switching patterns, hence avoiding online metaheuristic iterations. Optimized patterns produced by CryStAl are then used to train an RDF that, in turn, conducts fast, deterministic, lightweight, real-time prediction of switching commands. Compared with deep learning-based or iterative hybrid controllers, the proposed framework guarantees high power quality, increased stability margins, and improved battery health while ensuring computational efficiency and suitability for embedded implementations. The unified design represents a novel contribution beyond the state-of-the-art hybrid control approaches for the EV fast-charging system.

3. Converter Topologies for EV Charging

The different topologies of converters used in the EV charging system, as shown in Figure 1, play a vital part in power conversion with high efficiency, reliability, and flexibility. These circuits convert AC from the grid to proper DC levels for battery charging while fulfilling requirements regarding voltage, current, and overall power handling. Figure 1 presents some of the major converter configurations commonly used in modern EV chargers [5,6].
AC–DC converters are essential parts of Level-1, Level-2, and DC fast-charging stations for converting the AC supply into DC power to be used by EV batteries. For fast-charging applications, this stage should provide high efficiency, robust reliability, and the capability of withstanding heavy power while ensuring good quality. The AC–DC interface is thus one of the most critical parts of the charging system, since it decides energy conversion efficiency, the level of disturbance to the grid, and how the output would be suitable for further conditioning in the follow-on DC-to-DC converter.
This section reviews the main AC–DC converter topologies adopted in EV fast-charging stations, presenting their operating principle, strengths and limitations, and typical use cases [24,25,26]. Table 2 summarizes the key features of the adopted converter topologies. The AC–DC converter represents the main interface between the grid and the DC charging stage, performing tasks such as AC power rectification, PFC control for near-unity power factor, regulation of the DC output voltage for downstream converters, and THD minimization to ensure grid compliance.
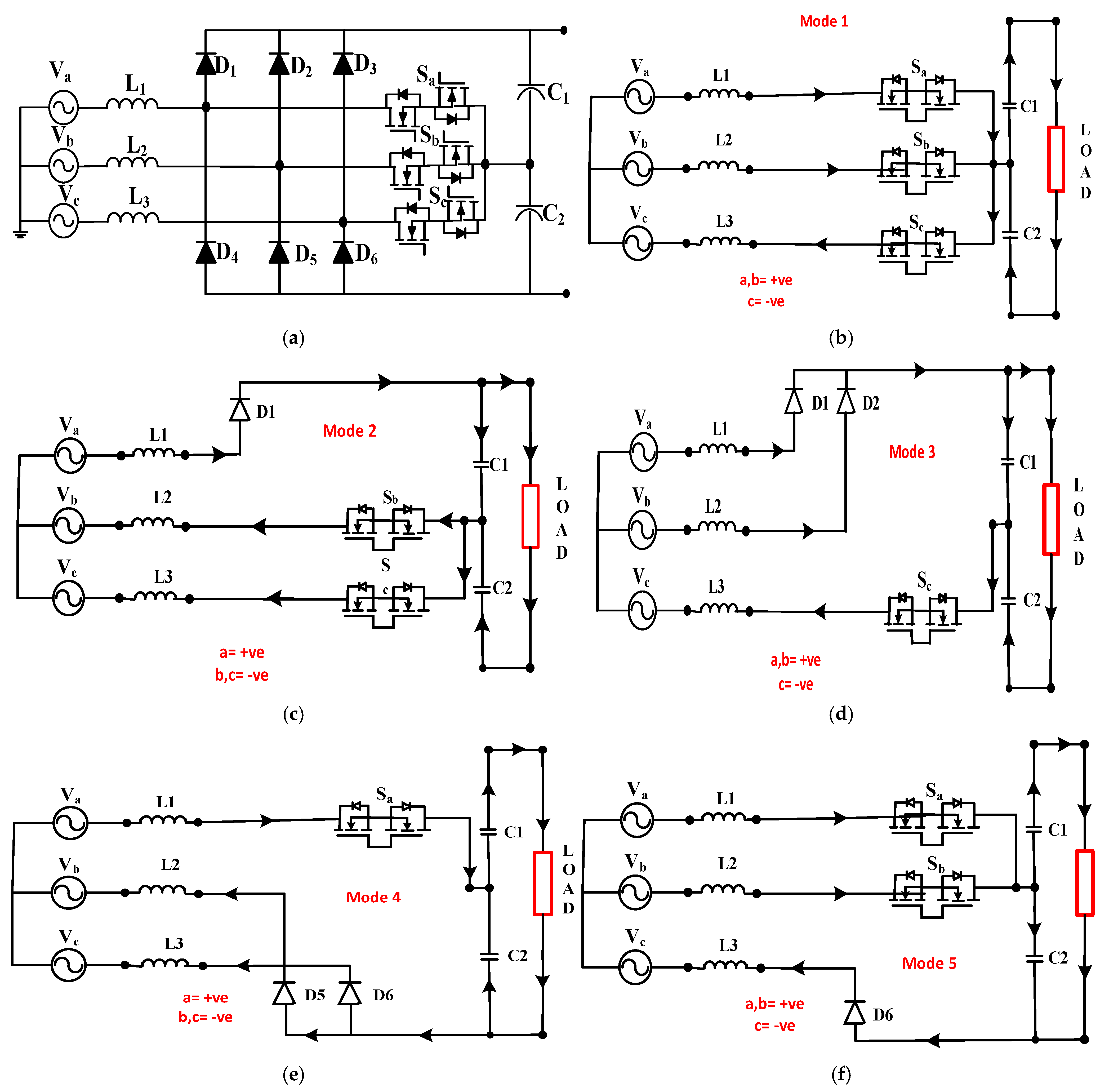
In EV FCSs, the AC–DC converter plays a vital role in converting AC from the grid into DC suitable for EV battery charging, with various converter topologies offering specific advantages and limitations. The Three-Phase Buck-Type Rectifier (TPBR) [27] steps down AC voltage and provides high power density and overcurrent protection, making it suitable for medium-power applications, though it is limited to step-down operation and may affect power quality when used for simultaneous multi-EV charging rectifiers [28]. Its variant, the Swiss rectifier, includes two extra switches to reduce conduction and switching losses, enabling improved PFC, reduced THD, and better performance in mid-power EV fast chargers, although scalability and control complexity remain challenges [29,30,31]. Figure 2 presents the overall architecture of the CryStAl–RDF-based fast-charging system. The Vienna rectifier has a three-level rectifier structure, as seen in Figure 3a. These topologies achieve PFC using a minimal number of active switches, commonly used in high-efficiency EV fast chargers and industrial applications [32]. The Vienna Rectifier offers low harmonic distortion, excellent PFC, and simplified thermal management with fewer switches, though it only supports unidirectional power flow and requires complex control [33,34]. The Boost-Type Rectifier boosts AC to higher DC voltage, enables bidirectional power transfer, and is suitable for high-power applications but suffers from high component stress, larger filter requirements, and increased switching losses—issues that can be mitigated by adding ultra-fast DC rail diodes. Finally, the Neutral-Point Clamped (NPC) Converter is a multilevel topology ideal for ultra-fast or megawatt-scale EV chargers, providing low THD, reduced voltage stress, and high efficiency, though its complex control and high component count can raise costs and present voltage balancing challenges [35].
Table 2. A comparison of the performance of various AC–DC converter topologies for EV FCS [4,31,32].
Table 2. A comparison of the performance of various AC–DC converter topologies for EV FCS [4,31,32].
FeatureVienna RectifierBoost RectifierNPC RectifierSwiss Rectifier
TypeBoostBoostBoostBuck
Output VoltageHighHighHighLow
Efficiency~96–98%~95–97%~95–98%~96–98%
THD<5%~5–8%<3%<5%
Power DensityHighMediumHighMedium
Control ComplexityMediumLowHighLow
Best Use CaseUltra-fast chargersMedium-power chargersHigh-power chargersMedium-voltage EVs

4. Proposed Fast-Charging Station of EV

Accordingly, for EV fast-charging systems, high efficiency, low THD, and a robust PF are all crucial factors to minimize energy losses with stable interaction to the electrical grid. The Vienna rectifier is considered one of the favored AC-DC conversion options owing to its three-level structure, allowing excellent harmonic performance with high efficiency and power density in a compact format. Further, when integrated with intelligent control approaches, such as the CryStAl–RDF strategy put forward in this research work, the system yields further improvements in ripple suppression and conversion efficiency, thus being well suited for EV battery charging applications operating at 400 V.
The architecture shown in Figure 2 combines a Vienna rectifier at the front end with a DC–DC buck converter to satisfy the fast-charging requirements of modern EVs. The control framework of CryStAl–RDF, which fuses the optimization principles with machine learning-based decision capability, has been used to refine the switching behavior of the rectifier. This coordinated control helps reduce the input current ripple and maintains a stable output voltage to eventually improve efficiency and reliability within the charging system.
Figure 2. The architecture of the proposed FCSs for EV.
Figure 2. The architecture of the proposed FCSs for EV.
Energies 19 00830 g002

4.1. Battery Modeling

The State of Charge (SOC) is the remaining energy stored in the battery in relation to its maximum capacity, and, to put that in perspective, it should indicate how much charge is available instantaneously. It usually is stated as a percentage and is one of the main status indicators of health or operation. In EV systems, reliable SOC modeling will prevent the occurrence of overcharge or deep discharge conditions, either of which may lead to the loss of battery life or degradation of system performance. The mathematical definition of SOC is,
S O C ( t ) = Q r e m a i n i n g t Q n o m i n a l × 100
where SOC(t) denotes the State of Charge at time t (in %), and Q r e m a i n i n g ( t ) represents the remaining charge in the battery at time t (in Ah or Wh). Q n o m i n a l represents the battery’s nominal capacity (in Ah or Wh), typically specified by the manufacturer. Depth of Charge (DOC) denotes the proportion of energy currently stored in the battery relative to its total capacity similar to SOC. It reflects the same concept but is typically used to emphasize the remaining charge in contrast to the Depth of Discharge (DOD) [36,37,38]. The mathematical definition of DOC is
D O C ( t ) = Q d i s c h a r g e d t Q n o m i n a l × 100
DOC(t) is complementary to the DOD.
DOC(t) = 100 − DOD(t)
where Q d i s c h a r g e d t is the total charge discharged from the battery up to time t (Ah or C).
c i , θ = k c c 0 1 θ θ f ε 1 + k c 1 × i i n δ
Equation (4) represents a semi-empirical model of battery capacity, capturing the nonlinear influences of discharge current and temperature on the available capacity. The formulation is widely used in lithium–ion battery modeling for capacity fade under conditions of high current and temperature variations. In this model, C 0 (Ah) is the nominal capacity of the battery at reference temperature θ f , while i n (A) represents the rated battery current. The parameter k c is the capacity correction coefficient that adjusts the effective capacity due to discharge current variations. δ is the exponent that determines the nonlinearity in capacity loss due to current; ε encompasses the temperature sensitivity exponent. θ (°C) is the temperature of electrolyte, and θ f (°C) is the reference temperature where the nominal capacity is specified. The empirical nature of this model makes it very popular for analysis of EV battery performance under dynamic operating conditions, including fast-charging and traction applications, where the change in current and temperature significantly impacts the performance of batteries.
The electric charge is augmented from the battery during the traction state of EV operation, as articulated in Equation (5).
S O C = S O C 0 q e c 0 , θ , q e ( t ) = 0 t i b a t ( t ) d t
where the battery current is defined as i b a t .
D O C = S O C 0 q e c i f i l , θ , i f i l = i b a t 1 + s τ b
where q e denotes the Extracted (discharged) electric charge from the battery up to time t, and the battery module discharge average current is defined as i f i l .

4.2. Mathematical Model of a Three-Phase Vienna Rectifier

The Vienna rectifier is a three-level unidirectional rectifier topology commonly used in applications requiring high power quality and efficient energy conversion. The Vienna rectifier architecture comprises six diodes and six active semiconductor switches, either MOSFETs or IGBTs [32]. The three-phase, three-level voltage regulator configuration, exhibiting voltage stress of Vdc/2 on each diode and semiconductor switch, is illustrated in Figure 3a. Two capacitors are employed on the DC side, while three inductors are connected in parallel on the AC input side. The grid’s neutral point aligns with the DC connection’s neutral point. The operating modes of three-level Vienna rectifier are visually illustrating one branch path existing in each phase. The remaining two branches of the system operate in the same manner as the first but are shifted by 120° to accommodate the three-phase structure. These are the basic building blocks of the architecture studied in this work, along with its operating characteristics [39].
The Vienna rectifier is a very popular three-level AC–DC converter. It presents a very high efficiency and excellent power-quality performance. Its three-level voltage shaping capability significantly improves harmonic behavior and conversion efficiency; it is thus very suitable for applications like electric vehicle charging infrastructure, renewable energy integration, and industrial power systems. An accurate mathematical description of the rectifier is the necessary precondition that allows proper simulation, elaboration of controllers, and optimization of the performance [40,41].
In what follows, we present the principal governing equations that describe the internal dynamics of the Vienna Rectifier, both in terms of its voltage and current behavior. These formulations underpin the feedback and predictive control mechanisms employed in the proposed CryStAl–RDF optimization framework.
The three-phase AC input voltages are stated as
v a t = V m s i n ( ω t )
v b t = V m s i n ( ω t 2 π / 3 )
v c t = V m s i n ( ω t + 2 π / 3 )
where Vm is the peak phase voltage, a n d   ω   = 2 π f is the angular frequency.
The Vienna rectifier assumes balanced input currents. Therefore, Kirchhoff’s Current Law at the AC side yields:
i a ( t ) + i b ( t ) + i c ( t ) = 0
where i a t ,   i b t ,   i c ( t ) are the phase currents.

4.2.1. Input Current Dynamics

The phase currents are governed by the voltage difference across the AC inductance L, determined by
L d i a d t = v a V an
L d i b d t = v b V bn
L d i c d t = v c V cn
where Van, Vbn, Vcn are the terminal voltages at the input relative to the DC-link midpoint. Equations (11)–(13) define the phase current dynamics, which are critical for estimating the input current ripple and controlling harmonics. These form the basis of the feedback signals used in both the PI controller and RDF-based current prediction.

4.2.2. Switching Function Representation

The state of the rectifier switches can be expressed using a sinusoidal modulation scheme:
S x =   sgn ( i x ) · m x ( t )
where Sx is the switching state, sgn( i x ) indicates current polarity, and m x (t) is the index for phase x ( x a   b   c ).

4.2.3. Vienna Rectifier Modulation

To transform a three-phase into a two-phase stationary system, Clark transformation is used, and it is called a stationary frame [42]. The math derivation of the Clark transformation is articulated as follows,
v α v β = 2 3 V m 1 1 2 1 2 0 3 2 3 2 V ( t ) a V ( t ) b V ( t ) c
Equation (15) may be reformulated as follows,
v α v β = V m cos ( w t ) sin ( w t )
Here, the phase angle ϕ is articulated as follows,
ϕ = tan 1 v β v α
Figure 3. Illustration of working of Vienna rectifier: (a) Vienna rectifier; (b) Mode I; (c) Mode II; (d) Mode III; (e) Mode IV; (f) Mode V.
Figure 3. Illustration of working of Vienna rectifier: (a) Vienna rectifier; (b) Mode I; (c) Mode II; (d) Mode III; (e) Mode IV; (f) Mode V.
Energies 19 00830 g003
Figure 3 depicts the Working of the Vienna rectifier. The study by [43] largely concentrates on clarifying the operational stages of the converter just for a and a1 sequences. Conversely, our research enhances comprehension by thoroughly elucidating the converter’s action for the duration of the “Phase-A” current, as seen in Figure 3.
In mode I, the diode D1 is deactivated when the reference voltages Va and Vb are in the positive half-cycle, and all controlled switches (IGBTs/MOSFETs) are activated. At this time, the current flows from VaL1Sa to VbL2Sb and returns to the grid from ScL3Vc, as seen in Figure 3b. In mode II, the diode D1 activates when the reference voltage Va is in the positive half-cycle, and the switches Sb and Sc are engaged. At this point, the current flows via VaL1D1C1 and returns to the grid via SbL2Vb and ScL3Vc, indicating that capacitor C1 is charging, as seen in Figure 3c. In mode III, the D1 and D2 diodes are activated when the reference voltages Va and Vb are in the positive half-cycle, and the controlled switch Sc is engaged. At this point, the current flows via VaL1D1C1 and VaL2D2C1, returning to the grid from ScL3Vc, indicating that capacitor C1 is charging, as seen in Figure 3d. In mode IV, the D5 and D6 diodes are activated when the reference voltage Va is in the positive half-cycle and the switch Sa is engaged. At this point, the current flows via VaL1SaC2 and returns to the grid from D5L3Vc and D6L3Vc, indicating that capacitor C2 is charging, as seen in Figure 3e. Likewise, in mode V, the D6 is activated when the reference voltages Va and Vb are in the positive half-cycle, and the switches Sa and Sb are engaged. The current flows from VaL1SaC2 to VaL2SbC2 and returns to the grid from D6L3Vc, indicating that capacitor C2 is charging, as seen in Figure 3f. In the analysis of “Phase A”, the operations obtained are equally applicable to “Phase B” and “Phase C”. Figure 3 illustrates many circuit diagrams of the converter during a single “Phase A” interval. Nonetheless, the two sequences (a) and (a’) [43] are distinct from other sequences in that two diodes conduct concurrently during the OFF phase, rather than a single diode conducting during the OFF phase of (a) and (a’). Following the expansion of the investigation to phases B and C, more intermediate sequences emerge due to the existing phase shift among the three phases.

4.3. Unidirectional DC–DC Buck Converter

Figure 4 displays the Circuit diagram of the DC–DC buck converter. The output voltage transfer function (Vo/Vin) of a buck converter is derived based on the relationship among the input voltage (Vin), duty cycle (D), and output voltage (Vo) [44,45]. In an ideal buck converter operating in CCM, the duty cycle and input voltage exactly determine the output voltage.
D = v 0 v i n
where the duty cycle (D) is the ratio of the switching device’s ON time (Ton) to the total switching period (Ts):
D = Ton/Ts
When considering dynamic effects such as the inductor and capacitor, the small-signal transfer function that relates D to the output voltage ( v 0 ) is as follows:
v 0 ( s ) d ( s ) = v i n 1 + S L R +   S 2 L C
where C is the output capacitance, R is the load resistance, L is the inductance, and S is the Laplace variable. This transfer function has a double pole, and its resonance frequency ω 0 is determined by
ω 0 = 1 L C

Step-by-Step State–Space Modeling of Buck Converter

To derive the state–space model of the Buck Converter, begin with its equivalent circuit. The inductor current i L and output capacitor voltage v c   are chosen as state variables. The input voltage Vin is the system input, and the output voltage v c is the system output.
Step 1: Define State Variables
x 1 = i L : Inductor current;
x 2 = v c : Output voltage;
Input: u = Vin⋅d(t), where d(t)d(t)d(t) is the duty cycle;
Output: y = x 2 .
Step 2: Write Differential Equations
From the Buck Converter circuit
L d i L d t = V in   d ( t ) v c
C d v c d t = i L v c R
Step 3: Express in Matrix Form
d d t   i L v c   = 0 1 L 1 C 1 R C i L v c + 1 L 0 V in d   ( t )
y = 0 1 i L v c + 0   u
Step 4: Final State–Space Form
x ˙ = A x + B u , y = C x + D u
where:
x   =   i L v c T
A = 0 1 L 1 C 1 R C
B = 1 L 0
C = 0 1
D = 0
The mathematical expressions outlined in Section 4 form the core analytical foundation for interpreting the system dynamics and developing the control algorithms. The voltage and current relationships of the Vienna Rectifier (Equations (7)–(13)) are used to evaluate harmonic behavior and to regulate the DC-link voltage that supplies the Buck Converter. The switching relationships and modulation principles (Equations (14)–(17)) are central to generating the optimized pulse patterns required by the CryStAl algorithm.
Similarly, Equations (18)–(21) provide the Buck Converter equations that define the transfer characteristics responsible for output voltage regulation, ripple control, and overall system stability. In their entirety, these formulations allow for the realization of the three implemented control strategies: PI, PSO, and the proposed CryStAl–RDF method. The methodologies express the electrical behavior of the converter stages with great accuracy, further facilitating the parameter tuning and optimization process.

4.4. Proposed CryStAl–RDF Control Technique

This section presents a new strategy for pulse generation inspired by the geometric and repetitive features found in the formations of crystals. The periodic and symmetric structure from the lattices of crystals provides a conceptual basis for formulating an optimization task in pulse generation, similar to finding the most stable atomic position within a lattice. By using this analogy, the method here reaches a balanced optimization between linked critical performance objectives: minimizing THD, reducing switching losses, and improving PFC.
The CryStAl–RDF control framework integrates the CryStAl with an RDF model for the determination of more efficient switching signals in power converters. Since crystal lattices can be described mathematically through vector relationships and symmetry transformations, mapping of the switching instants of the converter to lattice points within an optimization space can be performed. In this framework, the CryStAl algorithm provides the initial optimized pulse patterns for the Vienna Rectifier, which forms the basis for subsequent refinement and real-time prediction.
Starting from the initial pulse pattern generated by the CryStAl algorithm, refinement is performed by the RDF model, working as an ensemble-based predictor made up of several decision trees. The RDF module reviews operating conditions and selects the most suitable control pulse, thus achieving more accurate and adaptive decisions for switching. Such a combined strategy of refinement results in the fine-tuning of key controller parameters in the CryStAl–RDF method, including proportional and integral gains, where enhanced pulse shaping, ripple reduction in voltage and current, and more stability in battery charging can be observed. By combining these complementary approaches, the hybrid control framework considered here significantly enhances converter performance and ripple suppression in fast-charging applications. Unlike the more conventional control techniques that are based primarily on fixed rules or offline optimization, the CryStAl–RDF approach integrates the exploratory capabilities of a metaheuristic optimizer, CryStAl, with the fast, pattern-driven decision capabilities of a machine learning model, RDF. The result is an adaptive-intelligent control scheme better suited to dynamically changing grid and load conditions.
This hybrid design allows the converter to:
  • Automatically learn optimal switching actions from simulation data.
  • Generalize to unseen load/grid scenarios.
  • Reduce THD and ripple without traditional feedback tuning.
Although similar offline–online hybrid control philosophies have been documented in the literature, most of the current studies depend on PSO/GA integrated with ANN or fuzzy inference systems. In contrast to these, the proposed CryStAl–RDF framework foregrounds ripple-centric optimization, enhancement of stability margins, and real-time feasibility. The effectiveness of this particular combination is demonstrated through a systematic comparison with PI- and PSO-based controllers under identical conditions, underlining improvements in power quality, reduced ripple, and augmented robustness.

4.4.1. Rationale for CryStAl–RDF Hybrid Control Framework

The choice of the CryStAl and RDF algorithms is justified in that they represent complementary properties in the control of power electronic converters. CryStAl is particularly effective in the exploration of a continuous, bounded optimization space in search of globally optimum duty-cycle patterns under multi-objective constraints like ripple minimization, THD reduction, and efficiency maximization. Unlike PSO and GA, CryStAl exhibits smoother convergence and lower sensitivity to initial conditions, making it a suitable choice for offline pulse optimization.
However, the deployment of metaheuristic algorithms in real time, directly and without any mechanism for optimization, is computationally intensive and inadequate for high-frequency switching applications. To mitigate this limitation, RDF is employed as a lightweight online predictor that learns the mapping from system states to the optimal duty cycles that CryStAl generates offline.
RDF is preferred over deep neural networks due to its lower computational burden, bounded inference time, and greater resilience to overfitting when trained on moderately sized datasets. In particular, this makes the CryStAl–RDF combination particularly appropriate for embedded electric vehicle charging controllers operating at switching frequencies between 50 and 100 kHz.
The CryStAl–RDF framework exploits the naturally occurring time-scale separation in power electronic systems from a control-theoretic perspective. Optimization of switching patterns and duty-cycle trajectories is carried out offline by the CryStAl algorithm, which runs on a slower optimization time scale and without any real-time computational constraints. On the other hand, the online control problem involves fast and deterministic computation within the PWM cycle. RDF addresses this by providing constant-time inference, thus conducting real-time duty-cycle prediction without iterative optimization.
The CryStAl algorithm is specially suitable for duty-cycle optimization problems, as the PWM control inherently involves a bounded, periodic, and multi-objective problem. The duty cycles are confined to the interval [0, 1], display periodic symmetry with the switching frequency, and must concurrently minimize ripple and THD along with switching losses. CryStAl’s lattice-based position update mechanism naturally enforces bounded solutions, controlled step sizes, and structured exploration of the feasible search space, hence avoiding abrupt duty-cycle variations that are known to induce current ripple and harmonic distortion.
Compared with other hybrid intelligent control approaches, such as reinforcement learning or neural network-based controllers, the CryStAl–RDF architecture will offer better stability and feasibility of implementation. Reinforcement learning methods require extensive online exploration and reward shaping, which can introduce instability in safety-critical power converters. Deep neural networks, while expressive, impose high demands on computation and memory and are prone to overfitting when trained under limited operating conditions. In contrast, RDF offers deterministic inference time, inherent regularization by ensemble averaging, and robust generalization from moderately sized training datasets.
Thus, the CryStAl–RDF combination is not an arbitrary hybridization but a structured control architecture in which offline metaheuristic optimization guarantees global optimality and online machine learning inference ensures fast, stable, and hardware-feasible control. The synergy yields tangible advantages in ripple suppression, efficiency enhancement, and real-time adaptability that are difficult to achieve using standalone optimization or learning-based approaches.
The real-time viability of the proposed CryStAl–RDF controller was evaluated by analyzing the computational cost involved in RDF inference. Unlike controllers based on iterative optimization or deep neural networks, the RDF model performs inference by a fixed number of decision tree comparisons, resulting in deterministic and bounded computational complexity.
In the implemented solution, the RDF consists of 20 shallow decision trees with a maximum depth of 5. This implies that each inference cycle involves less than 100 comparison operations, which can be performed efficiently using fixed-point or floating-point digital signal processor (DSP) architectures. For the experimental prototype developed using the TMS320F28379D DSP platform, the estimated RDF inference time is approximately 1–2 μs per control cycle, which is well within the time budget for switching frequencies between 50 and 100 kHz.
This small computational cost ensures that the RDF controller does not interfere with the critical real-time tasks such as PWM generation, current sensing, and protection routines. Therefore, the CryStAl–RDF system can be applied in real-world embedded electric vehicle fast-charging controllers for fast response and correct operation without the need for high-performance GPUs or hardware acceleration.

4.4.2. Generation of Control Pulse Using CryStAl Algorithm

The periodic crystal structure is characterized by an infinite lattice configuration, from which certain lattice points are designated for the purpose of identifying the position of a lattice point using a vector, as described below,
r = n i a i
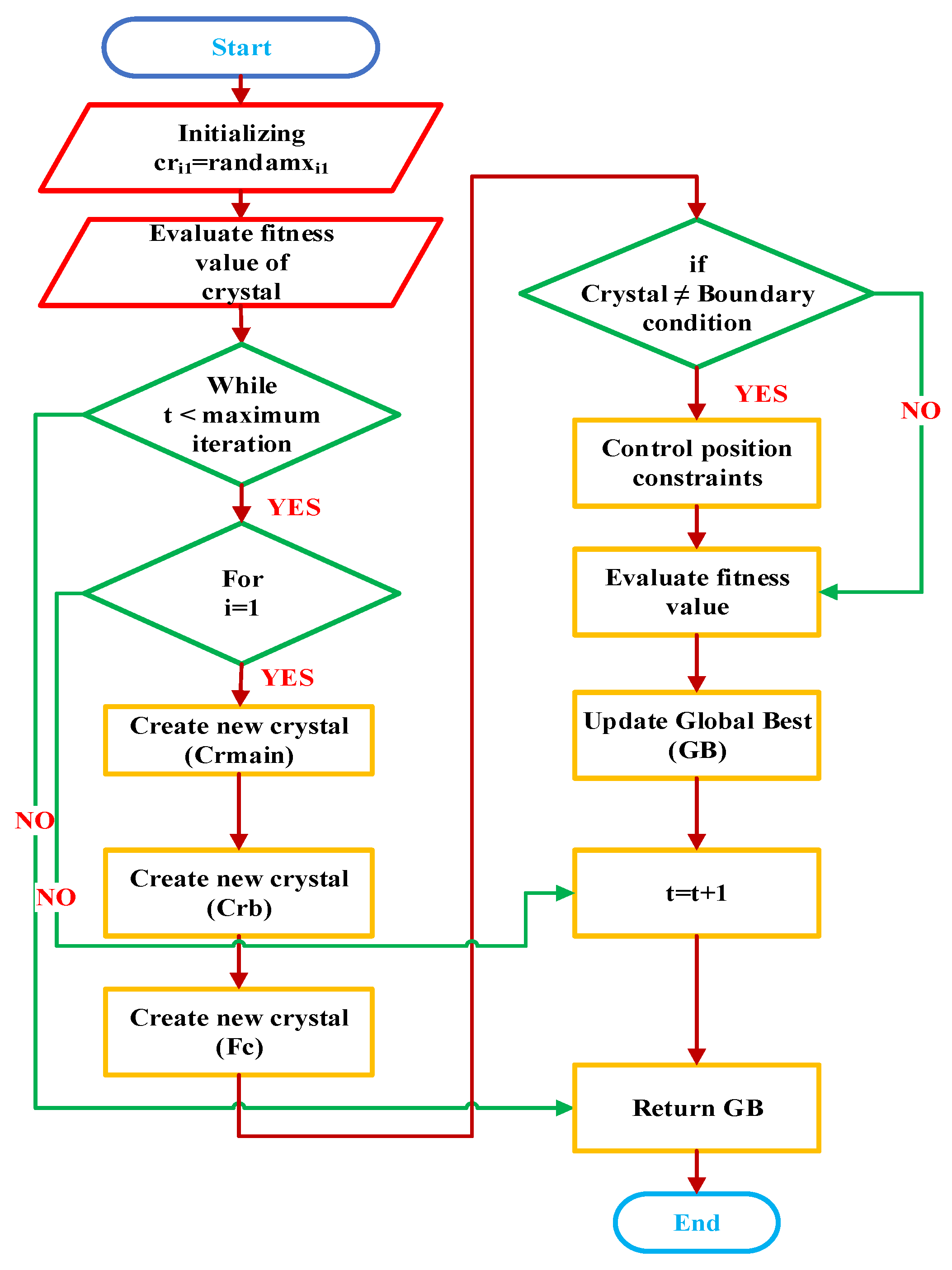
Here, n i a i denotes the shortest vector according to the concept of crystallographic direction and indicates the count of crystal corners [46,47]. The procedure for generating control pulses utilizing the CryStAl algorithm is succinctly outlined below. Figure 5 displays the Flowchart of the CryStAl algorithm, and the pseudocode of the CryStAl is illustrated in Table 3.
  • Step 1: Initialization
The input parameters, including voltage, current, and duty cycle, are set here.
  • Step 2: Random Generation
The input parameters are randomly created in matrix format for iterative purposes, as outlined below. Here, D represents duty cycle.
Y = D 11 D 1 n D 21 D 2 n D m 1 D m n
  • Step 3: Evaluation of Fitness Function
The fitness is assessed according to the objective function that delineates the minimizing of mistakes about the present ripple. Consequently, it is articulated as,
F = Min (Error)
  • Step 4: Position Updation
The foundation of the lattice concept is established to enhance the positioning of candidate solutions inside the search area, including four distinct updating processes.
  • Simple cubicle:
C r n e w = C r o l d + C r m a i n + r C r m a i n
2.
Cubicle with best crystals:
C r n e w = C r o l d + r 1 C r m a i n + r 2 C r b
3.
Cubicle with mean crystals:
C r n e w = C r o l d + r 1 C r m a i n + r 2 F c
4.
Simple cubicle:
C r n e w = C r o l d + r 1 C r m a i n + r 2 C r b + r 3 F c
The above equation depicts the new position as Crnew and the previous position as C r o l d , and the main position as C r m a i n .   F C denotes the crystallization factor, and r, r1, r2, and r3 denote the random number.
  • Step 5: Termination Criteria
The algorithm checks the termination criterion with regard to the previously set maximum number of iterations. In that case, the duty-cycle optimization process is considered finished.
  • Step 6: Stop
Specifically, the algorithm checks whether the termination condition has been met. If yes, the procedure is ended; otherwise, it goes back to Step 3 for the continuous optimization process. The final optimized switching parameters are obtained as the output of the algorithm. The output of the algorithm is as follows:
D 11 D 1 n D 21 D 2 n D m 1 D m n = ( V , I ) 11 ( V , I ) 1 n ( V , I ) 21 ( V , I ) 2 n ( V , I ) m 1 ( V , I ) m n

4.4.3. Physical Interpretation and Mapping of CryStAl Lattice Vector to PWM Duty Cycle

In the proposed control framework, the CryStAl algorithm represents a metaheuristic optimizer used to determine the PWM duty cycle for both the Vienna rectifier and the DC–DC buck converter. In spite of the fact that CryStAl takes its inspiration from geometric formations of crystalline lattices, its application in this work is strictly numerical and oriented toward control applications.
Each candidate solution (crystal) is represented by a lattice position vector:
Cr = [d1, d2, …, dn]
where d i   corresponds to a normalized duty-cycle candidate bounded within the feasible switching limits 0 < d i < 1 . Thus, the lattice vector does not represent a physical cube in space, but rather a multi-dimensional search space of admissible PWM duty ratios. The term “cubicle” refers to the bounded hypercube that defines the acceptable duty-cycle span. This bound is imposed by various converter constraints, including continuous conduction mode (CCM), inductor current ripple limits, and semiconductor safe operating area (SOA). The mapping equation of CryStAl Lattice Vectors to the PWM Duty Cycle is as follows:
d P W M = d m i n +   c r i   c r m i n c r m a x   c r m i n ( d m a x   d m i n )
where d P W M is the actual PWM duty cycle applied to the converter, C r i denotes the updated lattice position from CryStAl, and d m a x   and   d m i n denote duty-cycle bounds (e.g., 0.1–0.9).
The new lattice vectors, obtained through CryStAl position updates, determine the PWM duty cycle directly and hence the inductor current slope and the dynamics of the output voltage. The CryStAl algorithm indirectly optimizes the switching instants without explicit time-domain switching calculations by minimizing the current ripple and voltage error through the fitness function. This mapping facilitates smooth adaptation of the duty cycle while avoiding abrupt transitions that would increase harmonic distortion or switching stress.
While conceptually grounded in atomic lattice organizations, the CryStAl has been reformulated in this work to represent directly the control quantities of interest for power electronic converters. More precisely, crystal positions map to duty-cycle values of the Vienna Rectifier switches rather than to abstract spatial coordinates. In the proposed formulation, Crm represents the main crystal position and corresponds to the nominal duty-cycle reference that sustains the DC-link voltage at its setpoint. The best crystal position, Crb, is defined as the duty-cycle candidate that provides the lowest value of the multi-objective cost function comprising THD, DC-link voltage ripple, and switching losses. The expression Fc is a crystal force coefficient that determines the step size of duty-cycle updates, hence enabling smooth convergence and preventing abrupt switching variations.
Each iteration of CryStAl produces a new candidate duty-cycle value within predefined limits (0 ≤ D ≤ 1) using the crystal position update equation. These optimized duty-cycle values are mapped to PWM switching instants through a carrier-based modulation scheme. Therefore, the crystal-based position updates are not just some abstract vectors but are directly used to define the on–off duration for the semiconductor switches in the Vienna Rectifier.
Since CryStAl optimization runs offline, optimal duty-cycle patterns are at once pre-computed and stored, to be later used for training the RDF model. Therefore, during runtime, RDF can predict the switching commands quickly without iteration computations.

4.4.4. Theoretical Rationale for Selecting the CryStAl in Power Converter Control

In contrast to population-based metaheuristics relying on random velocity updates (e.g., PSO) or stochastic walks (e.g., ALO), the CryStAl algorithm updates candidate solutions via structured lattice vectors. This characteristic is particularly appropriate for PWM duty-cycle optimization, wherein the solution space is bounded, periodic, and shows strong correlations due to switching symmetry. The native lattice-based updates preserve duty-cycle feasibility while avoiding abrupt transitions that would increase ripple or switching stress.
The instantaneous ripple in power converters scales with abrupt duty-cycle variations (ΔD/Δt). By constraining successive position updates through geometric lattice relationships, CryStAl generates smoother duty-cycle trajectories relative to velocity-based metaheuristics. This smoothing effect directly reduces peak-to-peak current ripple, as evidenced by the ripple dynamics described in Equation (13).
Switching losses scale with switching frequency and the overlap of voltage and current. CryStAl suppresses unnecessary duty oscillations, reducing the number of elective switching transitions per cycle. Hence, switching losses are reduced without sacrificing dynamic response. CryStAl is employed strictly as an offline optimizer, avoiding real-time computational burden. A comparative performance of CryStAl against other metaheuristics is presented in Table 4.

4.5. Prediction of Control Pulses Using RDF Technique

The RDF method is one of the most widely used machine learning approaches, especially in classification, regression, and feature selection problems, due to its effectiveness and robustness [48,49,50]. Being an ensemble technique, it assembles multiple decision trees by taking different subsets of the training data and input features. Each tree independently learns underlying patterns, and during the prediction phase, the outputs of these trees are combined, usually using a majority vote, to yield a more accurate and robust decision. This kind of assembling helps in reducing overfitting and enhances the reliability in prediction.
Given its ability to operate in complex and nonlinear datasets, RDF is rather well suited to applications requiring fast and accurate decisions such as intelligent control, optimization, and diagnostic systems. In real-world implementations, two key hyperparameters predominantly define the performance of RDF: the number of tree-splitting decisions per node and the total number of trees in the forest [51,52,53,54].
In the proposed control framework, RDF is employed to generate refined control pulses by predicting three-phase reference currents with high accuracy. The model receives two key inputs—reference current and the measured quadrature-axis current—and produces the corresponding three-phase reference currents at its output. The detailed steps involved in the RDF-based prediction process are discussed in the following section.
In an RDF, each decision tree is trained using a bootstrap sample—a randomly selected subset of the dataset created by sampling with replacement. As a result, roughly one-third of the original data does not appear in the training subset for any given tree. These unused data points are referred to as out-of-bag (OOB) samples. After the forest is built, the OOB samples are used to estimate prediction accuracy: each OOB sample is evaluated only by the trees that were not trained on it, and their predicted outputs are aggregated. The OOB error is then calculated as the fraction of samples incorrectly predicted across the entire forest. This intrinsic validation method represents one of the most effective and objective ways to assess model generalization capability.
In power electronics and control applications, RDF is often used to infer the optimality of switching actions by finding patterns in historical operating data. After training, the model can be fed live measurements and return the predicted control signals, which may then be post-processed for conversion into gate pulses for the converter. This makes the technique particularly suited to systems requiring fast, accurate, and adaptive control responses, such as EV fast-charging stations. In the proposed work, the RDF model was trained using 10,000 samples of grid conditions, along with the optimal switching pulses produced by the CryStAl optimization stage. The trained forest achieved a prediction accuracy of 98.7% (OOB error of 1.3%), demonstrating strong reliability and suitability for real-time dynamic control.
The claimed accuracy of 98.7% refers to the OOB classification accuracy of the RDF model and reflects the percentage of optimally switched states that were correctly predicted by the RDF with respect to the reference labels derived from CryStAl. An OOB error of 1.3% suggests a strong generalization without overfitting. Importantly, this accuracy includes steady-state and transient operating samples, confirming the suitability of the RDF for real-time converter control.

4.5.1. Machine Learning-Based RDF Controller Design

The RDF model was implemented as a lightweight machine learning predictor for real-time control signal generation. The RDF was trained offline using supervised learning, where the inputs were derived from historical operating conditions of the converter system, including Input voltage and current Output DC voltage Load current SOC (State of Charge). The output labels correspond to optimized switching decisions and duty cycles obtained from the CryStAl optimization phase. A dataset of 5000 samples was generated from simulation data across multiple load and grid scenarios. The RDF was implemented with:
  • 100 trees;
  • Maximum depth: 5;
  • Gini index as the splitting criterion.
The trained RDF model is integrated into the control loop and executed at the controller’s switching frequency (50 kHz) to predict optimal gating signals. As RDF inference is non-iterative and tree-based, it offers low computational complexity and fast execution time, making it well suited for deployment on real-time control platforms such as DSPs and FPGAs.

4.5.2. RDF Data Generation, Generalization Capability, and Overfitting Mitigation

The training dataset used for the RDF model is generated offline using the optimal switching patterns obtained from the CryStAl optimization process. The dataset is constructed under widely different system conditions of input voltage, load current, and SOC of the battery to ensure comprehensive coverage of practical operating scenarios. The operating conditions considered in generating data include the following:
  • Input voltage variation: ±10% around nominal grid voltage.
  • Load current range: 30% to 100% of rated charging current.
  • Battery SOC range: 20–90%.
  • DC-link voltage fluctuation: ±5%.
  • Reference current variations corresponding to dynamic charging demands.
A total of 10,000 samples were generated, each sample consisting of the reference current, measured quadrature-axis current, and corresponding optimal duty-cycle values derived from the CryStAl algorithm. The dataset was intentionally balanced across low-, medium-, and high-load operating regions to avoid bias toward any specific operating point. The data were divided into 70% for training, 15% for validation, and 15% for testing. Model performance was evaluated by the OOB validation internally within the RDF structure, thereby providing an unbiased accuracy estimate.
  • Sample Distribution and Training Strategy:
To avoid class imbalance and overfitting, the dataset was uniformly distributed across the defined operating ranges. About one-third of the samples correspond to light-load conditions, one-third to nominal operating conditions, and one-third to high-load scenarios. This balanced sampling strategy ensures the RDF model learns generalized control patterns instead of memorizing specific operating points. The RDF model was trained using bootstrap aggregation with OOB validation. An OOB error of 1.3% was obtained, which implies very high accuracy in prediction and a very strong generalization capability for unseen operating conditions.
  • Generalization and Real-Time Applicability:
Since it is trained on the diversified operation conditions generated by the CryStAl optimizer, RDF captures the nonlinear relationship of system states and optimal switching actions effectively. During real-time operation, RDF realizes fast inference without iterative computation for adaptive control of grid disturbances, load variations, or SOC fluctuations. In this data-driven framework, the controller generalizes beyond the precise operating points encountered during training, ensuring robust performance in practical electric vehicle fast-charging scenarios.
Both dataset design and algorithmic properties ensure the generalization capability of the RDF model. The training dataset is obtained from CryStAl-optimized operating points that span a wide variation in input voltage ±10%, broad load conditions, SOC levels, and transient events. This ensures by design the exposure of the model to varied system dynamics and not just a single nominal scenario. This design prevents overfitting of the model to particular simulation cases.
The RDF inherently prevents overfitting due to ensemble learning, random feature selection, and bounded tree depth. The aforementioned collectively reduce model variance and prevent memorization of isolated operating points. Validation of the models has been performed with operating conditions that are unseen, including transient load and voltage variations, confirming that the accuracy of the prediction remains consistent beyond the scope of the training set. These characteristics make RDF aptly applicable for real-time control in electric vehicle fast-charging applications where the operating conditions are continuously changing.

4.5.3. RDF Input Features and Output Definition

The RDF model aims to identify optimal switching control actions, using real-time electrical state variables for the Vienna rectifier. The input feature vector consists of:
  • reference d-axis current i d * ,
  • measured d-axis current i d ,
  • measured q-axis current i q ,
  • DC-link voltage V d c , and
  • grid voltage magnitude V g .
These features capture both steady-state and transient system behavior and are commonly used in current-controlled PFC rectifier architectures. The RDF output corresponds to the optimal switching state/duty-cycle vector D a   D b   D c , which is subsequently mapped to PWM gate signals for the Vienna rectifier.

4.5.4. Rationale for Using Random RDF in Power Electronic Control

RDF, although commonly used for classification tasks, is well suited for real-time control in power electronics due to its simplicity, interpretability, and speed. In the proposed CryStAl–RDF framework, RDF is used to predict the optimal switching actions based on multiple input features such as input voltage, output voltage, current, and SOC.
The control problem is formulated as a multi-class classification task, where each class corresponds to a discrete switching pattern or duty-cycle configuration that was pre-optimized offline using the CryStAl algorithm. This formulation avoids iterative optimization during real-time operation and converts the control task into a pattern recognition problem, where RDF selects the best action based on learned trends.
Key advantages of RDF in this context include:
  • Low inference latency (tree traversal is computationally inexpensive),
  • Deterministic execution time, important for high-frequency switching (50 kHz),
  • Robustness to noise and nonlinear data,
  • Ease of implementation on embedded systems (DSP/FPGA),
  • Additionally, it eliminates the instability issues and overfitting tendencies often encountered in deep neural network-based controllers.
Consequently, the RDF model offers an effective and reliable decision-support tool, suitably aligned with the strict requirements of power electronic systems. Capable of yielding precise control actions in real time, it enables the converter to respond swiftly and intelligently to changes in both load and grid conditions.

4.5.5. RDF Procedure

Step 1: In the RDF-based control scheme, the inverter parameters are estimated as a function of the reference current and the measured quadrature-axis current.
Step 2: RDF integrates decision trees inside the classification methodology. Initially, the decision tree is constructed by considering the total quantity of trees inside the forest, which generates combinations, b = {a1(t), a2(t)…an(t)}, with each combination designated as bootstrap samples.
Step 3: RDF is taught according to its input and output objectives. This approach transmits just a limited quantity of input variables, generating output from each tree. The maximum number of votes is achieved based on the outcome of the most recent optimal.
Step 4: The ranking of RDF in the predictive methodology is determined by analyzing the input factors. The significance of variables is assessed by prediction error using the OOB data term. Multiple datasets are acquired from each sample to enhance the RDF model. To create a binary criterion for every node, the division count is chosen at random. The root mean square error is better estimated for each bifurcation of the root inside the tree.
Step 5: The importance of factors is assessed to enhance predictive accuracy. Each data error is quantified as an OOB error, and these mistakes are averaged across the forest during the fitting phase. Upon completion of the training procedure, every data point is evaluated across every tree to ascertain the variation in OOB error before and after permutation. Equation (42) describes the out-of-bag, permutation-based variable importance measure used in RDF learning, which determines the value of each input variable for classification performance by measuring the increase in the generalization error of a decision tree when the variable is randomly permuted, in accordance with the conventional Random Forest definition of importance. The placement of variables is quantified in the equation below,
V i ( t r e e ) = 1 t X A β c ( t r e e ) i ( L B = p c t r e e ) X A ϕ c ( t r e e ) i ( L B = p c , N Z t r e e ) p e c ( t r e e )
where   p e c ( t r e e ) is the OOB sample set associated with a given tree, the number of trees is represented by t, the OOB importance of the i-th input variable for a single decision tree is represented by V i ( t r e e ) , the true label of the OOB sample is represented by LB, p c t r e e is the predicted class label of the tree before permutation, the predicted class label after permutation of the i-th variable is represented by p c t r e e N Z , the predicted classes for each trace sample are the amounts of trace samples taken from each tree exit, and each tree within the forest is indicated by the letters A and B. Mathematically, Equation (42) is equivalent to the classical Random Forest permutation importance proposed by Breiman, where a variable’s importance is calculated as the difference between the out-of-bag prediction accuracy before and after the random permutation of that variable. The larger the value of Vi, the stronger its corresponding input variable influences the prediction accuracy. In this controller, this metric is used to select the most influential electrical features for real-time switching prediction. RDF is prepared upon completion of the preceding procedure and the application of the appropriate reference values. The necessary control pulses are then produced from the RDF output. The RDF method is employed to forecast the optimal control signals in Figure 6. Table 5 summarizes the comparative performance analysis across all key parameters. Common simulation parameters are used across all control strategies.
Step 6: RDF integrates decision trees inside the classification methodology. Initially, the decision tree is constructed by considering the total quantity of trees inside the forest, which generates combinations, b = a 1 ( t ) , a 2 ( t ) , a n ( t ) , with each combination designated as bootstrap samples [55,56,57].
The RDF achieved 98.7% prediction accuracy (OOB error: 1.3%), outperforming PSO (92.1%), SSA (89.5%), and ALO (88.2%) in switching-pulse optimization. This stems from RDF’s ensemble learning, which mitigates overfitting by aggregating predictions across 100 decision trees. In contrast, PSO’s heuristic search and SSA/ALO’s metaheuristic approaches lack RDF’s adaptability to dynamic grid disturbances. The RDF controller’s design is compatible with embedded real-time execution due to its non-iterative decision tree-based prediction, allowing for efficient deployment on DSP or FPGA platforms. The CryStAl algorithm performs its optimization offline, eliminating the need for heavy computations during real-time converter operation.

5. Comparison Methodology

To maintain fairness and consistency in the evaluation, the PI controller, PSO algorithm, and the proposed CryStAl–RDF technique were all tested using the same simulation settings and operating conditions. The Vienna Rectifier and Buck Converter topologies used for all three cases were kept constant, with the same component values, input voltage (380 Vrms), output voltage (400 V), load conditions, switching frequency (50 kHz), and battery model.
The PI controller gains were manually tuned through trial and error to achieve stable operation with minimal ripple. The PSO algorithm was configured with a population size of 30, 100 maximum iterations, and cognitive and social coefficients of 1.5 each. The CryStAl–RDF method used the same performance metrics (THD, ripple, efficiency) in its fitness function for optimization, with Random Forest trees set to 100 and node splits set based on minimum mean square error.
Each method was simulated for the same duration under identical transient and steady-state load conditions. Ripple voltage, ripple current, THD, and SOC were measured during steady-state operation (after 0.5 s), and efficiency was calculated as the ratio of output battery power to input grid power. This standardized evaluation framework ensures the reliability and reproducibility of the results.

Performance Metric Definitions

The following metrics were used to evaluate and compare the performance of all control techniques (PI, PSO, CryStAl–RDF) under standardized simulation conditions:
Efficiency is defined as the ratio of output power delivered to the battery to the total input power drawn from the grid.
Efficiency = P b a t t e r y P g r i d × 100
where
P b a t t e r y = V b a t t e r y ×   I b a t t e r y ( a v e r a g e d   o v e r   s t e a d y   s t a t e )
P g r i d = 3   ×   V l i n e ×   I l i n e × PF ( input   AC   power   including   all   rectifier-stage   losses )
Losses in passive components, switches, and switching-related ripple were inherently captured in simulation.
The input current THD is computed using Fast Fourier Transform (FFT) analysis, the value of the THD is less than 5% as per IEEE Std 519-2014 [58]. It measures the ratio of the root mean square of all harmonic components to the fundamental component.
Updated THD Formula:
THD   =   n = 2 I n 2 I 1 × 100
where I 1 is the fundamental component, and I n   are harmonic components.
Ripple is measured as the peak-to-peak variation in output voltage and current over steady-state conditions (after initial transients settle).
Ripple   Voltage   Δ V ripple = V m a x V m i n
Ripple   Current   Δ I ripple = I m a x I m i n
Calculated using the integral-based SOC model:
SOC ( t )   =   S O C 0   1 C b a t t e r y 0 t I b a t t d t
where S O C 0 represents the initial state of charge (set to 50%), and C b a t t e r y denotes the rated battery capacity in Ah. I b a t t   is the battery current in A.
To assess the dynamic performance of the different control strategies, the time-domain behavior of the output voltage and current was examined during startup and transient operating conditions. Using these simulated waveforms, important measures such as peak overshoot and settling time were obtained and used for controller comparison. Overshoot (%) is defined as:
Overshoot   =   V p e a k V s t e a d y V s t e a d y × 100
Settling time is defined as the time taken by the output to stay within ±2% of its final steady-state value. It is concluded from Table 6 that the CryStAl–RDF controller has the minimum overshoot and the fastest settling time compared with all methods tested, indicating better transient behavior and better stability in the system.

6. Results

This paper evaluates the performance of the CryStAl–RDF-based converter system for electric vehicle fast-charging stations through detailed MATLAB/Simulink simulations and provides a comparison with conventional PI control. The test results show a clear contrast between these two methods. All comparative results are obtained under the same operating conditions: input voltage, load power level, battery parameters, switching frequency, and sampling time. Only the control strategy changes in order to achieve a comparison as objective as possible. All performance improvements discussed in this section are directly supported by the corresponding figures and tables, with quantitative values extracted from the plotted waveforms and summarized indices. Figure 7a–l show the results obtained using the PI controller. The grid voltage waveform in Figure 7a reaches the peak amplitude of 320 V, while the corresponding grid current shown in Figure 7b peaks at 80 A. The output voltage of the Vienna Rectifier is 600 V, as illustrated in Figure 7c, and its output current of 61.23 A is shown in Figure 7d. Figure 7e,f depict the Buck Converter output, which yields 400 V and 90 A, respectively. The battery voltage remains regulated at 400 V, as shown in Figure 7g, which also presents the associated voltage ripple. Similarly, Figure 7h presents the battery charging current of 90 A and the current ripple. The grid-side power, which is shown in Figure 7i, is around 37,300 W, while the battery receives approximately 36,000 W, as shown in Figure 7j. Power factor performance is observed in Figure 7k, where the system achieves 0.96. Battery SOC progression under PI control is shown in Figure 7l. THD of the input current is analyzed in Figure 7m, and it yields a value of 4.96%.
Figure 8 presents the results of the CryStAl–RDF technique, which shows significant improvements over the PI control method. The same time scale and operating conditions for all figures of comparison ensure that the improvement observed with the CryStAl–RDF controller is from the proposed control strategy and not due to differences in testing conditions or visualization. The Vienna Rectifier output voltage remains at 600 V (Figure 8a), while the output current increases slightly to 61.55 A (Figure 8b). The Buck converter output voltage remains at 400 V (Figure 8c), and the output current increases to 90.95 A (Figure 8d). The battery voltage, shown in Figure 8e, remains stable at 400 V. Figure 8e shows that the peak-to-peak battery voltage ripple is reduced from approximately 2 V under PI control to 1 V using the CryStAl–RDF method. A comparison of Figure 8e and Figure 7g reveals that the CryStAl–RDF method reduces voltage ripples from 2 V with PI control to 1 V. Similarly, Figure 8f presents the battery current, which is 90.8 A, and it shows that the CryStAl–RDF method reduces current ripples from 2 V with PI control to 0.5 V, a 60% reduction in battery current ripples compared to Figure 7h. The battery power obtained using the proposed CryStAl–RDF controller is shown in Figure 8g, reaching approximately 36,380 W. The corresponding SOC progression is illustrated in Figure 8h. The power factor of CryStAl–RDF improves from 0.97 with PI control to 0.99, as illustrated in Figure 8i. Figure 8j explicitly shows an input current THD of 1.29% under CryStAl–RDF control, as annotated in the spectrum plot, confirming improved power quality. The proposed CryStAl–RDF controller reduces the input current THD from 4.96% (PI control) to 1.29%, while maintaining a near-sinusoidal current waveform aligned with the grid voltage. More importantly, the proposed CryStAl–RDF approach offers an overall conversion efficiency of 97.53%, showing outstanding capability in promoting the efficiency of the electric vehicle fast-charging system (EVFCS). All these demonstrations prove that the method proposed herein can effectively suppress harmonics and current ripple, improving both power quality and operational reliability of the overall charging infrastructure.
In comparison with the PI controller, the proposed CryStAl–RDF technique achieves higher battery power with better SOC advancement while maintaining lower voltage and current ripple. These benefits represent the superior harmonic performance attained by the CryStAl–RDF controller, which achieves a THD value that is significantly lower than that for the PI method. The system efficiency reaches 97.53%, which is higher than the efficiency achieved when using PI control. All the above-mentioned results point out that the CryStAl–RDF strategy will provide higher efficiency, better quality of power, and lower harmonic disturbance, proving to be a potential candidate for modern electric vehicle fast-charging stations.
Further validation of the proposed algorithm performance is presented in benchmark results against PI- and PSO-based approaches. From Figure 7g and Figure 8e, respectively, it is evident that the CryStAl–RDF controller reduces the battery voltage ripple from 2 V to 1 V—a 50% reduction. Similarly, Figure 7h and Figure 8f show that the battery current ripple decreases from 1.5 A to 0.5 A, corresponding to a 60% improvement. Such reductions clearly match the current dynamics expressed by Equation (13), proving that peak-to-peak ripple suppression is effectively achieved by the optimized switching patterns computed by CryStAl–RDF.
The output voltage is tightly regulated at 400 V with little deviation, showcasing the controller’s improved voltage stability. Moreover, current THD is reduced to 1.29%, the lowest among the compared control methods. These performance improvements are achieved by the intelligent switching decisions and adaptability introduced by the hybrid CryStAl–RDF control framework, which demonstrates that it can enhance power quality, efficiency, and overall system reliability significantly.

7. Particle Swarm Optimization (PSO) Control Technique for Vienna Rectifier and Buck Converter in EV Charging Systems

For high-speed EV charging, extremely efficient power conversion with minimal losses at both the AC–DC and DC–DC stages is required. The three-phase, three-switch PWM rectifier—the so-called Vienna Rectifier—is specifically suitable for such applications because of its high power factor and low harmonic distortion during the AC–DC stage. A Buck Converter then follows this to step down the DC-link voltage to an appropriate level for charging a 400 V EV battery safely and reliably.
The purpose of this section is to discuss how PSO applies to the performance improvement of both the Vienna Rectifier and the Buck Converter. PSO is a population-based optimization inspired by the collective behavior of swarms, and this technique is widely used for nonlinear and multi-objective control problems. Through iterative tuning of the principal controller parameters, PSO improves voltage regulation, reduces conversion losses, and enhances overall efficiency. This makes it particularly suitable for fast-charging stations in EVs.
The integration of PSO-based optimization within the converter control framework will provide a far superior dynamic response, improved power quality, and superior responsiveness. Figure 9 presents the PSO-based fast-charging system architecture for EVs.

Algorithm for PSO-Based Control of Vienna Rectifier in EV Charging

Step 1: Initialize PSO Parameters
1.
Define the particle swarm size N, maximum iterations max-iter, cognitive coefficient c1, inertia weight w, and social coefficient c2.
2.
Randomly initialize the position Xi and velocity Vi of each particle within predetermined limits.
3.
Assign random initial values to the modulation parameters (e.g., switching angles, duty cycles).
4.
Evaluate the fitness function for each particle, corresponding to the performance metrics of the Swiss rectifier (e.g., THD, power factor (PF), and efficiency).
Step 2: Create the Fitness Function
  • The fitness function is designed to minimize THD, maximize efficiency, and ensure proper power factor correction (PFC).
Fitness   ( x i ) = ω 1 · THD   ( x i ) + ω 2 · ( 1 Efficiency   ( x i ) ) + ω 3 · PFC   error   ( x i ) .
where ω 1 , ω 2 , ω 3 are weight coefficients based on design priorities.
Step 3: Update Particle Positions and Velocities
1.
Update the velocity.
ν i ( t + 1 ) = ω · ν i ( t ) + c 1 · r 1 · ( p i x i ( t ) ) + c 2 · r 2 · ( g x i ( t ) )
where ν i (t) represents the current velocity of particle i; x i ( t ) represents the current position of particle i; pi represents the personal best position of particle i; and r1, r2 random numbers uniformly distributed in [0, 1], g represent the global best position.
2.
Update Positions.
x i t + 1 = x i ( t ) + ν i ( t + 1 )
Ensure that x i ( t + 1 ) remains within the allowable bounds.
Step 4: Evaluate Fitness for Updated Positions
1.
Calculate the fitness for the updated positions of all particles.
2.
Update each particle’s personal best Pi if the new position yields a better fitness value.
3.
Update the global best g if the best fitness value among all particles improves.
Step 5: Vienna Rectifier Operation
  • Use the optimized parameters from the PSO algorithm to control the switching of the Vienna Rectifier.
  • Ensure the system operates at the desired voltage levels (400 V) for the connected EV batteries.
  • Monitor system performance in real time to validate PSO-derived parameters.
Step 6: Convergence and Output
  • Repeat Steps 3–5 until the maximum number of iterations (max iter) is reached or the fitness value meets the desired threshold.
  • Output the optimal modulation parameters for the Vienna rectifier.
Step 7: Validation
  • Simulate the optimized rectifier in a software environment to validate results.
Here is a detailed flowchart for the PSO Technique-Based Control of the Vienna Rectifier in an EV FCS, as shown in Figure 10. The flowchart represents the steps involved in applying the PSO algorithm to optimize the control of the Vienna Rectifier, ensuring efficient and dynamic operation.
The results of the PSO-based EV charging system are presented in Figure 11, demonstrating its impact on system performance. Figure 11a shows that the Vienna Rectifier (VR) delivers a steady output voltage of 600 V, while Figure 11b reports an output current of 61.35 A. The dynamics of the Buck Converter are shown in Figure 11c,d, where the converter always maintains an output of 400 V and provides a current of 90.33 A. The battery voltage profile in Figure 11e verifies that the terminal voltage is maintained at 400 V, and the corresponding voltage ripple is also presented. As shown in Figure 11e, PSO reduces the output voltage ripple from 2 V (PI) to 1.5 V.
Similarly, Figure 11f shows the charging current of the battery is 90.33 A and its ripple characteristic. A comparison with Figure 7h reveals that the PSO reduces the output current ripple from 1.5 A (PI) to 1 A. As discussed earlier, lower ripple in the current delivery translates to smooth current availability and better charging reliability. Figure 11g presents the resulting power delivered to the battery, which equals 36,132 W, and Figure 11h plots the corresponding SOC.
Figure 11i further confirms an improvement in power factor from 0.97 (PI) to 0.98 under the PSO scheme. THD, illustrated in Figure 11j, comes down to 2.09%, which also shows an improvement in the quality of the power. Overall, the PSO-controlled system attains an efficiency of 96.86%, reflecting a clear performance improvement over conventional control methods.
The performance of the CryStAl–RDF-based EV charging system was evaluated by benchmarking it against a conventional PI controller and a PSO algorithm. The performance evaluation focused on important aspects such as voltage regulation, current stability, THD, and overall conversion efficiency. The results show that the proposed hybrid method consistently delivers better performance. The proposed CryStAl–RDF controller reduces the output voltage ripple from 2 V (PI) and 1.5 V (PSO) to 1 V, corresponding to a reduction of approximately 50% compared with PI control, as illustrated in Figure 8e in comparison with Figure 11e and Figure 7g. That guarantees more reliable and stable charging processes. The proposed CryStAl–RDF controller reduces the output Current ripple from 1.5 A (PI) and 1 A (PSO) to 0.5 A, corresponding to a reduction of approximately 50% compared with PI control, as illustrated in Figure 8f in comparison with Figure 11f and Figure 7h. The CryStAl–RDF controller reduces the input current THD from 4.96% with PI control and 2.09% (PSO) to 1.29%, as illustrated in Figure 8j in comparison with Figure 11j and Figure 7m. Additionally, the highest system efficiency of 97.53% is reached by the proposed approach, outperforming both the PSO controller-based approach at 96.86% and the conventional PI (94%) approach, as illustrated in Figure 12b. These results confirm that the CryStAl–RDF framework provides a more effective and robust control solution for EV fast-charging applications.
In addition, it enhances the battery power output to 36,380 W, easily outperforming that achieved from PSO (36,132 W) and even the output of the PI controller (36,000 W), as illustrated in Figure 8g in comparison with Figure 11g and Figure 7j. All the improvements mentioned ensure that the energy utilization and power quality of the CryStAl–RDF method yield the best results under all tested conditions. The RDF differs from deep learning models, which require significant computational resources, as it remains lightweight and predictable in terms of memory usage and execution time. This is because its trees are pruned during training to ensure fast runtime performance. In the implemented design, the RDF model requires less than 2 μs to make each prediction, which makes it very suitable for timing constraints concerning power converter controllers working at switching frequencies between 50 and 100 kHz. A detailed comparative assessment of PI, PSO, and the proposed CryStAl–RDF controller is summarized in Table 6. Figure 12a displays a comparison of THD for the proposed CryStAl–RDF technique with existing methods, while Figure 12b illustrates the efficiency comparison between the CryStAl–RDF technique, the PI control method, and the PSO control technique. The performance metrics were verified across three independent simulation runs to confirm repeatability. The variance was found to be within ±1%, affirming the stability of the observed improvements.
A comprehensive comparative performance analysis of the proposed CryStAl–RDF controller with existing control and optimization techniques is presented in Table 7. The comparison includes Ant Lion Optimization (ALO), Salp Swarm Optimization (SSA), and the conventional Voltage-Oriented Control (VOC) method. The results demonstrate that the CryStAl–RDF controller achieves superior performance in terms of THD reduction, efficiency enhancement, and control accuracy.
These improvements in terms of THD and a power factor close to unity for the proposed CryStAl–RDF controller is due only to its optimized switching decisions made within the Vienna rectifier stage. Generation of duty-cycle patterns for symmetrical and evenly distributed switching intervals over each grid cycle ensures that the input current follows more closely the shape and phase of the grid voltage.
Therefore, the CryStAl algorithm penalizes every deviation of current from a sinusoidal shape in order to find the optimal switching states offline for a minimum current ripple and harmonic components; thus, the synthesized waveform at the input exhibits less distortion at high frequencies with a low peak-to-peak ripple. In real-time operation, the predictor based on RDF selects the optimal switching states corresponding to instantaneous grid and load conditions with high accuracy, preventing phase displacement and waveform distortion.
This coordinated control action results in better alignment of the input current and grid voltage, reduction in reactive power exchange with the grid, and improvement in the power factor. Therefore, the improved THD and unity power factor are signals of a more sinusoidal input current with minimal phase shift, which in turn reduces grid-side losses, electromagnetic interference, and stress on upstream distribution infrastructure.

8. Performance Attribution Analysis

The achieved performance gains, namely, a THD of 1.29%, an efficiency of 97.53%, and a power factor approaching unity, stem from a combination of improvements applied at both the control layer and the overall system design, specifically:
  • Most of the reduction in harmonic distortion is due to the CryStAl algorithm that calculates the switching states that maintain the input currents close to the ideal sinusoidal shape. In conjunction with the intrinsic three-level structure of the Vienna Rectifier and with switching pulses well forecasted by the RDF model, unwanted harmonic components are considerably reduced.
  • High efficiency of the system derives from duty cycles optimized offline with the CryStAl algorithm: it reduces both switching and conduction losses in the stages of the Vienna Rectifier and Buck Converter. Because the RDF model can instantly predict these optimal states without iterative computations, the controller maintains high efficiency with very low computational effort.
  • Accurate input current shaping provides a near-unity power factor, whereby the control strategy maintains the input currents in phase with the input voltages. This has been possible because of the predictive control loop applied through RDF and supplemented by the PI-based modulation within the Vienna Rectifier. Together, the offline optimization of control targets and real-time adaptation keep the system at very good performance, both during variations in load conditions and supply fluctuations.

8.1. Stability Analysis: Gain and Phase Margin Comparison

To investigate the robustness and dynamic response of the CryStAl–RDF controller compared to conventional methods, a frequency-domain analysis was performed using the Bode plots of the open-loop transfer function of each controller configuration, as depicted in Figure 13. In this work, the most informative indicators of stability are recognized as Gain Margin (GM) and Phase Margin (PM), which define how much more gain or phase deviation could be added to the system before it reaches the instability boundary.
This is evident from Table 8, where the CryStAl–RDF controller achieves the largest stability margins of 12.5 dB in gain margin and 58.3° in phase margin, both larger than in the conventional PI controller and the PSO-based controller, thereby indicating that the proposed approach has better robustness against variations in the parameters and external disturbances. This enhanced robustness makes the system more reliable for practical fast-charging applications.

8.1.1. Discussion of Performance

  • The traditional PI controller, while simple and widely used, has the smallest gain and phase margins. It implies a higher sensitivity of the controller to variations in the parameters and higher vulnerability to instabilities if exposed to sudden changes in load or disturbances on the grid.
  • The optimized controller with PSO attains better margins because the gains are delicately tuned through iterative optimization. This, in turn, provides superior phase characteristics for the system to sustain higher delays or perturbations without loss of stability.
  • The proposed CryStAl–RDF method merges the offline-optimized switching patterns generated by CryStAl with fast, real-time decision making enabled by the RDF model. This hybrid provides a way for fast adaptability without repetitive tuning. The higher phase margin implies stronger damping and lower overshooting during transients. The high gain margin ensures the controller’s ability to remain stable under supply fluctuations or even modeling uncertainties. From Table 6, the CryStAl–RDF controller shows the smallest overshoot and fastest settling time compared with other methods. These results clearly show superior transient performance and enhanced overall stability.

8.1.2. Interpretation of Gain and Phase Margins Under Grid and Load Variations

Two widely used frequency-domain indices, Gain Margin and Phase Margin, reflect the robustness of a closed-loop control system to modeling uncertainties, parameter variations, and external disturbances. In electric vehicle fast-charging systems, these metrics are especially necessary due to fluctuating conditions in the grid, the varying internal resistance of batteries, and dynamic load variation across different stages in charging.
A larger gain margin means that the system can tolerate significant variations in either controller gain or plant parameters, such as input voltage sag/swell, inductance drift, etc., before it becomes unstable. Likewise, a larger phase margin is indicative of increased damping and reduced sensitivity to time delays, sensor noise, and computation latency that are inherent in digital power-converter controllers.
Table 8 shows that the gain margin and phase margin for the proposed CryStAl–RDF controller are 12.5 dB and 58.3°, respectively, which is significantly better compared to the results obtained using classical PI- and PSO-based controllers. The margins are greater than the accepted thresholds for robustness in power electronic converters: GM > 6 dB and PM > 45°, which means that the proposed controller has strong robustness against grid voltage fluctuations, load transients, and parameter uncertainties.
The increased phase margin practically means less overshoot and more rapid damping of the response to load disturbances, such as sudden connection/disconnection of a battery or sudden variations in charging current demand. A greater gain margin ensures stable operation even against supply disturbances or aging effects of components, enhancing the charger’s reliability in real-world deployment scenarios.
Hence, the resulting enhanced stability margins from the controller of CryStAl–RDF are direct indications of its robustness and suitability for applications in fast EV charging under non-ideal and dynamically varying scenarios.
Beyond nominal stability margins, robustness to parametric uncertainties and non-ideal power-stage variations was assessed for further realism in the operating conditions. Real electric vehicle fast chargers are subject to component tolerances, thermal drift, aging effects, and battery impedance variations, all of which may affect the small-signal dynamics of the converter significantly.
For robustness analysis, the main power-stage parameters were perturbed from their nominal values: input inductors ±20%, DC-link capacitance ±15%, equivalent series resistance ±30%, grid impedance, and battery internal resistance. The frequency-domain analysis shows that, under worst-case parameter deviation, the CryStAl–RDF-controlled system maintains a gain margin greater than 9 dB and a phase margin greater than 50°, ensuring good robustness against modeling inaccuracies and component non-idealities.
This increased robustness arises from the structured duty-cycle optimization provided by the CryStAl algorithm, which avoids excessive gain amplification, together with the smooth real-time duty-cycle adaptation provided by the RDF predictor. Collectively, these features constrain excessive loop-gain variation and phase lag under uncertain operating conditions, thereby maintaining closed-loop stability.
The results presented herein show that the proposed controller ensures stability for nominal conditions and provides resilient operation against realistic parameter uncertainties expected in practical EV fast-charging installations.

8.2. Performance Analysis in Time-Domain

From Table 9, one can observe that the CryStAl–RDF controller has the smallest overshoot and the fastest settling time compared with other approaches. As indicated in Table 8 and supported by the transient waveforms in Figure 7 and Figure 8, the settling time is reduced from 0.26 s (PI) to 0.15 s (CryStAl–RDF), confirming improved transient behavior.

8.3. Sensitivity Analysis for Parameter Variations

Sensitivity analysis of the proposed CryStAl–RDF controller was performed by introducing ±10% variations in the main system parameters of input voltage, output filter inductance, and the internal resistance of the battery. Each perturbation was evaluated in THD, output ripple, conversion efficiency, and SOC estimation performance. The results presented in Table 10, demonstrate the excellent robustness of the CryStAl–RDF controller in all perturbation cases. Variations in the efficiency and power-quality indexes are minimal, showing that such a controller will surely adapt to parameter deviations while preserving stable and high-quality operation.

8.4. Ripple Suppression and Its Impact on Battery Health

The ability of the proposed CryStAl–RDF control strategy to suppress voltage and current ripple enhances overall power quality and has a direct impact on reducing battery stress, thereby contributing to improved long-term battery health and lifespan.

8.4.1. Ripple Reduction Analysis

Equation for Output Voltage Ripple of Buck Converter
Δ V P P = Δ I L · 1 D 8 · f s ω · C
where Δ I L = Inductor current ripple, f s ω = Switching frequency (50 kHz), and C = Capacitance.
The CryStAl optimization minimizes these terms in the cost function:
min   ( ω 1 · Δ V r i p p l e + ω 2 · Δ I r i p p l e + )
This leads to smoother voltage/current delivery to the battery during charging.

8.4.2. Mathematical Link to Battery Health

Excessive voltage and current ripple accelerate battery aging by increasing internal heat and mechanical strain on electrodes. According to standard battery degradation models such as by using the empirical model for Li–ion degradation:
The Arrhenius kinetic model for capacity fade is
Q l o s s = A · e ( E a R T )   ·   t n   · I r m s z
where I r m s = RMS ripple current (reduced by CryStAl–RDF); Ea = Activation energy; T = Temperature; t = Time; A, n, z = Battery-specific constants; Z ≈ 0.6: Ripple current exponent; and n ≈ 0.5: Time exponent.
CryStAl–RDF reduces I r m s by 25%
Q l o s s , c r y S t A l Q l o s s   P I = 4 3 6 0.84 ( 16 %   l e s s   d e g r a d a t i o n )
Cycle life N scales inversely with Q l o s s
N C r y S t A l = N P I   ×   4 3 6 1.19   N P I
If PI yields 800 cycles, CryStAl–RDF achieves ~950 cycles.

8.4.3. Impact of Voltage and Current Ripple on Battery Degradation

Voltage and current ripples during fast-charge conditions have a direct impact on the degradation mechanism of the battery, especially for lithium–ion cells. It is important to note that the representative battery behavior in this work is obtained by a simplified electrical stress-based model, rather than directly simulating battery degradation using an electrochemical or electro-thermal aging model. Degradation-related insights are inferred from ripple-induced electrical stress indicators reported in the literature. Increased high-frequency current ripple promotes more internal heat generation due to resistive losses, which accelerates the growth of the SEI layer and promotes mechanical stress within electrode materials. Likewise, voltage ripples cause repeated micro-overcharging and -discharging cycles, leading to capacity fade and reduced cycle life.
Aging studies reported in the literature point to the fact that ripple-induced current oscillations drastically raise the effective RMS current, thus accelerating electrochemical degradation and thermal aging processes. Such reductions are commonly associated with lower electrical stress levels in the literature, which are considered beneficial for mitigating the mechanisms of degradation. This theoretical linkage would suggest that an improvement in the level of ripple suppression could have favorable operating conditions in terms of battery health [62].
The CryStAl–RDF controller proposed here improves the quality of power, enhances efficiency, and reduces electrical and thermal stresses on power semiconductor devices. The reduced current and voltage ripple result in much lower RMS and peak currents in the switching devices. The conduction losses will be reduced, hence producing less electrical stress. Furthermore, the optimized duty-cycle patterns obtained from the CryStAl algorithm coupled with smooth real-time adaptations from the RDF mitigate sudden switching transitions, thereby containing high di/dt and dv/dt stress.
With respect to thermal considerations, the reduced RMS current and smoother switching translate to a lower average power dissipation and reduced thermal cycling of semiconductor junctions. This becomes particularly important in high-power EV fast-charging applications, where this type of repetitive thermal stress constitutes a dominant factor in device degradation and reliability. Although a full thermal characterization is outside the scope of this work, the observed ripple, overshoot, and switching oscillation reductions strongly suggest that both electrical and thermal stress are reduced, which provides for enhanced reliability and longevity of the power stage.
In this work, the effect of the proposed CryStAl–RDF controller on the electrical stress of the battery is quantitatively evidenced by reductions in voltage and current ripple at fast charging. Such reductions directly signal a smoothing of charging conditions, with reduced instantaneous peaks of current and electrical stresses at the battery terminals. Nevertheless, long-term aging and cycle-life degradation of the battery were not experimentally measured within this work.
Ripple reduction and associated extended battery lifetime are interpreted in the context of the well-understood battery aging literature that reports accelerated degradation mechanisms such as increased ohmic heating, SEI layer growth, and mechanical stresses on electrode material due to excessive current and voltage ripple. Based on these models, the observed reductions offered by the proposed controller are expected to extend battery life. Direct validation via long-term cycling experiments remains, however, an important avenue of future work.

8.4.4. Limitations of Battery Aging Estimation

The battery lifetime analysis here is based on the simplified Arrhenius-type degradation model that connects the ripple-induced stress to accelerated aging mechanisms. While such models are adopted in the literature as rather standard approaches for assessing relative aging trends, they do not capture the more complex electrochemical phenomena of solid-electrolyte interphase growth, lithium plating, and temperature-dependent diffusion effects.
Moreover, the projected cycle-life enhancement is based on electrical stress reduction metrics rather than long-term experimental cycling data. In this respect, the lifetime enhancement reported here should be understood as a relative figure of merit that highlights the advantages of ripple mitigation rather than an absolute prediction of battery lifetime.
Comprehensive validation through extended cycling experiments to be performed under conditions of controlled ripple is identified as future work, quantitatively confirming the long-term aging benefits of the proposed control strategy.
Long-term aging experiments were beyond the scope of this study; hence, the impact on battery lifetime is inferred from the ripple reduction metrics and the aging models reported in the literature.
It must be noted, however, that the findings regarding the enhancement of battery life presented in this paper are based on electrical stress indicators, specifically, the reduction of voltage ripple, current ripple, and harmonic distortion, rather than on electrochemical aging experiments. Therefore, the expected extension of battery life is a conclusion based on well-established relationships in the battery aging literature, which correlate the reduction of current ripple and thermal stress with the slowing down of degradation mechanisms. While these indicators represent a significant and widely accepted proxy for battery health evaluation in the field of power electronics, this paper did not include long-term cycling experiments in real-world operating conditions. Future work will focus on the experimental validation of the long-term effects of the proposed CryStAl–RDF control strategy on battery degradation and life.

8.4.5. Basis of Arrhenius-Based Battery Aging Model

In the battery aging analysis presented here, an Arrhenius-based degradation model was adopted to estimate the impacts of current ripple and thermal stress on battery lifetime. The Arrhenius formulation has been commonly adopted in lithium–ion battery aging studies for describing temperature and stress-dependent degradation mechanisms [63,64].
In this work, the activation energy and pre-exponential factor used in the Arrhenius equation are not experimentally calibrated; instead, they are adopted from established experimental investigations documented in the battery aging literature. These parameters correspond to typical lithium–ion battery chemistries used in electric vehicle applications and are chosen to provide a representative trend-level assessment of degradation behavior.
It has previously been determined that higher ripple current and increased temperature expedite side reactions, such as SEI growth and lithium plating, which can be modeled effectively through the use of Arrhenius-based aging formulations. Thus, the parameter values chosen are suitable for comparative studies of the different charging strategies and not for absolute lifetime predictions. Therefore, direct quantitative predictions of battery lifetime cannot be derived with the present analysis, but a comparative assessment of charger-induced electrical stress under different control strategies is provided.
Table 11 presents a quantitative comparison between conventional PI control and the proposed CryStAl–RDF control strategy with respect to ripple current suppression and its downstream effects on battery health. The CryStAl–RDF controller achieves a 25% reduction in RMS ripple current, which directly correlates with a 16% decrease in the battery’s capacity fade rate, according to empirical Li–ion degradation models. Based on an Arrhenius-type degradation framework, as commonly used in battery aging studies, the corresponding reduced voltage and current ripple may lead to an increase in battery cycle life. This estimate is indicative and intended to illustrate the relative impact of ripple mitigation rather than to forecast the absolute extension of lifetime. This represents the indicative trend of relative cycle-life improvement due to ripple reduction. These results show that the electrical performance of the CryStAl–RDF approach provides a number of benefits with respect not only to electrical performance but also to increasing the reliability and long-term charging efficiency of batteries in EV applications. Figure 14 presents a comparison of ripple current and battery capacity fade for CryStAl–RDF and PI control.
The CryStAl–RDF method reduces current ripple from 1.5 A (PI) to 0.5 A (Figure 8f). Applying the Arrhenius kinetic model, this 25% reduction in I r m s decreases capacity fade by 16% and extends cycle life by ~19% (from 800 to 950 cycles). It should be noted that the Arrhenius-based model is used to demonstrate the relative impact of ripple reduction on battery degradation, rather than to predict absolute end-of-life metrics. Table 12 presents a quantitative comparison of PI, PSO, and CryStAl–RDF controllers.

8.4.6. Methodology for Performance Metric Calculation

To ensure reproducibility, performance metrics were evaluated under steady-state operating conditions using the same time window for all control methods. The ripple values were calculated based on a steady-state time window ranging from 0.19 to 0.24 s, which is one cycle of the fundamental grid frequency at 50 Hz, after the transient process had completely settled.
The peak-to-peak and RMS values of the voltage and current ripple were measured for the chosen steady-state period. The total harmonic distortion of the input current was calculated using fast Fourier transform analysis over a period of 10 fundamental cycles in the steady state, as recommended by IEEE.
The efficiency of the converter was expressed as the ratio of the average DC output power to the average AC input power, and the power values were calculated using time-averaging of the product of the instantaneous voltage and current over the same steady-state window. All calculations were carried out using MATLAB/Simulink tools under the same operating conditions for the PI, PSO, and CryStAl–RDF controllers.

9. Experimental Setup

Experimental results validate the control strategy and relative performance trends of the proposed CryStAl–RDF framework under scaled laboratory conditions. The experimental prototype has been intentionally designed as a reduced-scale laboratory platform to validate the control logic, dynamic behavior, and relative performance improvements related to the proposed CryStAl–RDF framework. Given practical limitations with respect to safety, thermal management, and laboratory facility constraints, a full-scale 37 kW experimental validation falls beyond the scope of the current study. Instead, power scaling is utilized to preserve the control dynamics and per-unit behavior while facilitating safe and repeatable experimental testing. The experimental prototype was developed to validate the proposed Hybrid CryStAl–RDF control algorithm applied to a Vienna Rectifier–Buck Converter system for EV charging applications. The setup is powered by a three-phase, 380 V AC supply, which is stepped down using an autotransformer to a controllable input range of 100–120 V RMS for safe low-voltage laboratory operation.
The Vienna Rectifier stage converts the AC input into a regulated DC output of approximately 150 V, which serves as the input to the downstream DC–DC Buck Converter. The Buck Converter then steps down the voltage to 48 V DC, providing a 10 A output current to charge a 48 V/480 W battery pack. The control system is implemented on a Texas Instruments TMS320F28379D DSP controller manufactured by Texas Instruments Inc. (Dallas, TX, USA), selected for its dual-core C28x processors, 200 MHz operation, and multiple 16-bit ADC channels supporting high-speed voltage and current sensing. The proposed CryStAl–RDF algorithm is programmed in MATLAB/Simulink and deployed to the DSP through Code Composer Studio (CCS). The algorithm dynamically tunes control parameters in real time to minimize input current ripple and optimize conversion efficiency. The experimental validation is performed with a 480 W (48 V, 10 A) prototype converter used to charge a 48 V lithium–ion battery pack. All results reported in the following Table 9 refer to such rated power operating conditions, so as to make them comparable for typical EV charging loads. The prototype can be easily scaled up for higher power, provided that proper adjustments of components are performed. The DC–DC stage employs a single-phase buck converter, which is sufficient for the experimental power level (48 V, 10 A, 480 W) investigated in this study.
Voltage and current feedback are acquired using:
  • LV25-P voltage sensors (LEM International SA, Geneva, Switzerland) for DC-link and output voltage monitoring, and
  • LA55-P current sensors (LEM International SA, Geneva, Switzerland) for measuring input phase current and load current.
Real-time PWM signals are generated using the DSP’s PWM modules, which drive the IGBT-based power switches of the Vienna Rectifier and the MOSFETs of the Buck Converter through isolated HCPL-3120 gate drivers.
To evaluate the proposed control method, the system’s steady-state and dynamic performances were tested under identical conditions using both PI control and the proposed CryStAl–RDF optimization control. The test setup operated at a switching frequency of 50 kHz, with an input of 100–120 V AC (line-to-line), a DC-link voltage of 150 V, and a battery charging output of 48 V/10 A.
It is crucial to note that the simulation environment and the experimental prototype correspond to different levels of system abstraction. While simulations are performed under idealized conditions with precise models of the components, minimal sensor noise, and zero computational delay, the experimental environment naturally embodies non-idealized conditions. These non-idealized conditions include the noise of voltage and current sensors, analog-to-digital conversion (ADC) quantization, digital control delays due to sampling and computation, dead times of power semiconductor switches, and parasitic elements of interconnects and passive components. These factors are difficult to model comprehensively in time-domain simulations but are naturally embodied in the hardware prototype. Notwithstanding the differences, the experimental data follow the simulated behavior, which confirms that the proposed CryStAl–RDF controller is robust to real-world disturbances and maintains stable operation and performance. This experimental verification confirms the practical viability of the control approach while recognizing that large-scale thermal phenomena and aging processes are not within the scope of the present experimental setup.

9.1. Prototype Scaling and Equivalence with the Simulation Model

The experimental system is designed to operate at a reduced power level with equivalent per-unit values of voltage, current ripple ratio, switching frequency, and control bandwidth. Simulation and experimental setups share a number of key dimensionless parameters, such as limits on duty cycle, normalized current ripple, and dynamics of DC-link voltage regulation. This approach to scaling is very common in power electronics research, to validate control strategies independently of an absolute power level, since the control laws and switching dynamics are invariant under proper normalization.
Due to laboratory safety limitations and component availability, this experimental prototype is implemented at reduced voltage and power levels. While the simulation model is formulated for a three-phase 380 V grid-connected electric vehicle fast-charging system, the experimental validation uses a scaled input voltage of 100–125 V supplied via an autotransformer. To ensure consistency between the simulation and experimental models, a power-invariant and per-unit (p.u.)-based scaling approach was followed. The control architecture, modulation technique, and switching frequency remained the same for both cases; electrical parameters have been scaled to ensure that dynamic behavior remains similar between them.
The voltage scaling factor is defined as:
k v = V exp V sim  
where V sim = 380   V rms , and V exp = 100   V rms .
Under the current impedance scaling framework, current and impedance values were adjusted to keep the power flow and converter operating point comparable. The inductance and capacitance values were selected so as to maintain the same ratio of current ripple and dynamics of DC-link voltage under the scaled conditions.
Although the voltage and power levels are different between simulation and experimental implementations, control objectives such as ripple suppression, harmonic mitigation, stability margins, and SOC tracking remain invariant under scaling. Therefore, the experimental prototype provides valid proof of concept for demonstration of the effectiveness and robustness of the proposed CryStAl–RDF control strategy. Voltage-scaling approaches of a similar nature are thus commonly adopted within the power electronics literature to validate high-power EV charging systems under laboratory conditions.

9.2. Results and Discussion

Figure 15a shows the experimental setup of the Vienna Rectifier and Buck Converter controlled by the TMS320F28379D DSP. Figure 15b presents the input voltage, input current, battery voltage, and battery current waveforms under CryStAl–RDF optimization control. Figure 15c displays the Closer picture of the Vienna Rectifier and DC–DC Buck converter. Figure 15d illustrates the input voltage and input current waveforms, with the measured THD of 1.29%. Figure 15e displays the battery voltage waveform, highlighting the ripple performance achieved with the CryStAl–RDF controller. Figure 16a illustrates the input voltage and input current waveforms, with the measured THD of 2.09% for PSO optimization control. Figure 16b displays the battery voltage waveform, highlighting the ripple performance achieved with the PSO controller. Figure 16c illustrates the input voltage and input current waveforms, with a measured THD of 4.96% under PI-based control. Figure 16d shows the battery voltage waveform obtained using the PI controller, illustrating the level of ripple present under conventional control. A comparative evaluation of system behavior under PI, PSO, and the proposed CryStAl–RDF method is summarized in Table 13.
The results confirm the superiority of the hybrid approach. The THD in the input current obtained with CryStAl–RDF is 1.29%, way below the 4.96% measured with the PI controller, which represents a harmonic distortion reduction of 73.9%. Similarly, the output voltage ripple drops from about 3%, under PI control, to approximately 1% with the proposed method, confirming its ability to provide more stable and dynamically compensated charging performance.
Experimental results obtained clearly show the effectiveness of the proposed Hybrid CryStAl–RDF controller over conventional PI- and PSO-based controllers. The CryStAl–RDF controller, through dynamic changes in switching patterns and the tuning of control parameters, provides significant enhancements in power quality and the dynamic response of the system, including an overall increase in operational efficiency, hence verifying its adequacy for advanced control applications. The major improvements in performance involve:
  • The significant reduction of input current distortion, assuring smoother and cleaner interaction with the grid.
  • Effective ripple minimization at both the DC-link and battery terminals, contributing to improved charging quality and extended battery lifespan.
  • Higher system efficiency (97.5%) and a near-unity power factor (0.99), demonstrating the controller’s capability to perform real-time optimization with minimal computational burden.
These results confirm strong agreement between the experimental prototype and simulation studies, validating the feasibility and reliability of the proposed control strategy for a next-generation EV fast-charging system.

Discussion on Operating Regimes

While there are evident advantages of the proposed CryStAl–RDF controller in operation at medium- and high-power levels, these benefits become less pronounced in low-power regimes. At reduced load levels, where switching frequency, current ripple, and harmonic distortion are naturally lower, conventional PI control often suffices to maintain acceptable voltage regulation and power quality. Under such conditions, advanced optimization-based control does not bring worthy improvements in terms of performance.
On the contrary, with rising operating power, nonlinear converter behavior, switching losses, and ripple content increase. In such regimes, the weaknesses of fixed-gain PI controllers, such as slower dynamic response and higher ripple, begin to emerge. The CryStAl–RDF framework therefore works well in such situations, where optimal switching decisions and predictive control are needed to suppress the harmonic content in order to increase efficiency and improve battery-side performance. Thus, this proposed controller is ideally suitable for fast electric vehicle charging and high-power applications due to the three important design constraints: power quality, efficiency, and battery health.

9.3. Component-Level Power Loss Analysis

To provide further insight into the system efficiency, a comprehensive power loss breakdown is reported. The focus is on the main power components of the DC–DC conversion stage operating at the rated condition of 480 W (48 V, 10 A), adopting the CryStAl–RDF optimum duty cycles. Component-level loss analysis was made by using measured RMS currents and device datasheet parameters. The conduction losses were calculated from on-state voltage drops and resistances, while the switching losses were estimated from the switching frequency and voltage stress and transition energy. Losses within the passive components were evaluated by making use of copper resistance, core loss models, and equivalent series resistance values. The verification through this analysis finds that the switching devices constitute the majority in the overall losses, while the proposed CryStAl–RDF control mitigates the switching stress and current ripple in order to reduce the total dissipation.
The power loss breakdown for the CryStAl–RDF-controlled converter at 480 W output is presented in Table 14. The primary loss contributors are the conduction losses in the MOSFETs and diodes, accounting for over 50% of the total losses, as shown in Table 10. The CryStAl–RDF controller’s optimization reduces RMS currents and smooths switching transitions, directly mitigating these dominant loss components compared to the PI and PSO methods. This granular analysis confirms that the efficiency gains are achieved through intelligent reduction of switch and diode stresses. Output power is 480 W and the total loss is 10.3 W, therefore the overall efficiency is 97.5%.

9.4. Computational Requirements and Hardware Feasibility

The practical viability of the proposed CryStAl–RDF controller was assessed by estimating its computational requirements and comparing them with the capabilities of commonly employed digital controllers in electric vehicle fast-charging systems. The CryStAl algorithm runs fully in offline mode and is called only once during the controller design procedure to obtain the optimized switching patterns. Therefore, it does not load the computational budget at runtime.
During online control, the RDF runs inference on a restricted number of input features: the reference current and the measured quadrature-axis current. Thus, the model is made of 20 decision trees that are each at most 6 levels deep, implying a bounded and predictable computational load. Each inference requires less than 150 arithmetic operations and straightforward logical comparisons. Thus, its execution time is about 1.8–2.0 μs on the TMS320F28379D DSP at 200 MHz.
The execution time is well within the allowable control cycle for the power electronic converters operating in the frequency range 50–100 kHz, for which the control deadlines are typically between 10 and 20 μs. Similarly, the memory usage by the RDF model is less than 30 kB, which is almost negligible compared to the on-chip memory available in most state-of-the-art DSP and FPGA platforms.
Compared to the deep learning-based controllers, which rely on matrix multiplications and floating-point operations with corresponding high memory bandwidth requirements, this CryStAl–RDF framework offers a lightweight and deterministic control structure. These features make it very well suited for embedded implementation in industrial electric vehicle fast chargers using DSPs or FPGAs without relying on hardware accelerators or high-performance processors. The computational comparison of control strategies for CryStAl–RDF with PI-, PSO-, and DNN-based controllers is presented in Table 15.

9.5. Scalability Toward High-Power and 800 V EV Charging Architectures

The proposed CryStAl–RDF control framework is conceptually scalable to higher-power electric vehicle fast-charging systems and emerging 800 V battery architectures. Since the CryStAl algorithm optimizes normalized duty-cycle variables within bounded search spaces, its operation is independent of absolute voltage levels. Likewise, the RDF-based online inference relies on normalized electrical states, enabling constant-time prediction regardless of the converter power rating.
However, to scale the system towards 800 V and ultra-fast-charging power levels, changes at the power-stage level will be required: these are high-voltage-rated semiconductor devices such as 1200 V SiC MOSFETs, thermal management enhancements, and higher DC-link voltage ratings. At higher power levels, switching and conduction losses increase, and interleaved or multilevel DC–DC converter topologies become more relevant, owing to lower current stresses and improved efficiency.
Control-wise, the CryStAl optimization would need to be retrained for updated loss models, thermal constraints, and ripple limits for operation at higher voltages; the RDF model would also be retrained from the now extended dataset covering a wider operating regime. Again, no structural updates to the hybrid control formulation are needed, showing that it is scalable and flexible.
A noteworthy direction for future work is comprehensive experimental validation at 800 V and power levels in the multi-tens of kilowatts range.

10. Conclusions

This work presents a hybrid CryStAl–RDF control framework for Vienna rectifier-based EV fast-charging systems, with contributions spanning control methodology, converter-level performance evaluation, and implementation feasibility, as demonstrated through simulation and scaled experimental validation.
From a methodological perspective, this work illustrates, through simulation and implementation, the integration of a crystal structure-inspired metaheuristic (CryStAl) with a lightweight machine learning predictor based on RDF. The CryStAl algorithm is used offline to produce optimized switching patterns with multi-objective constraints, and the RDF model is used to enable real-time predictions of control decisions with controlled computational complexity. The viability and robustness of the hybrid optimization/prediction approach are demonstrated through simulation and DSP-based experimental implementations, addressing the limitations of offline optimization and the computational complexity of online learning approaches.
From the performance analysis point of view, the CryStAl–RDF controller is demonstrated, through simulation and experimental analysis, to offer better performance in terms of the key electrical parameters compared to the traditional PI and PSO controllers. In particular, it can be seen that the total harmonic distortion of the input current is reduced to 1.29%, the overall efficiency is 97.53%, the power factor is close to unity, and the battery-side voltage and current ripples are reduced by more than 50% compared to the original system, as obtained from the steady-state analysis of the waveforms. Frequency-domain and time-domain evaluations further confirm improved gain and phase margins, faster settling times, and enhanced dynamic stability under grid and load variations within the investigated operating conditions.
From the implementation perspective, the scaled experimental validation using a DSP-based prototype proves the real-time viability of the RDF control strategy at high switching frequencies. Although the experimental environment is scaled down for lower power handling, it still proves the strategy’s low computational complexity, determinism, and suitability for embedded digital control platforms, which can be used for fast-charging converters.
Regarding the wider applicability, the measured decreases in the electrical stress indicators (voltage and current ripple) imply, in the context of the widely reported battery aging models in the literature, a possible improvement in battery health and a reduction in degradation rates. However, these implications remain speculative and unverified, since battery aging experiments are beyond the scope of this work. Finally, while the normalized control structure and modular optimization/prediction framework imply possible applicability to higher-power and higher-voltage EV charging systems, comprehensive validation at multi-tens of kilowatts and 800 V system architectures is a topic for future work. Therefore, future research will focus on high-power experimental validation, battery aging studies, and next-generation EV fast-charging system architectures.

Author Contributions

Software, M.A.R. and N.R.; Validation, A.E. and M.A.R.; Investigation, M.A.R. and K.N.; Resources, M.A. and N.R.; Data curation, M.A. and A.E.; Writing—original draft, M.A.R.; Writing—review & editing, M.A.R. and K.N.; Visualization, M.A.R., M.A. and N.R.; Supervision, K.N. and A.E. All authors have read and agreed to the published version of the manuscript.

Funding

This research received no external funding.

Data Availability Statement

The original contributions presented in this study are included in the article. Further inquiries can be directed to the corresponding authors.

Conflicts of Interest

The authors declare no conflicts of interest.

References

  1. Global EV Outlook 2019 to Electric Mobility; OECD: Paris, France, 2019; Available online: https://www.iea.org (accessed on 26 December 2025).
  2. Emadi, A.; Williamson, S.S.; Khaligh, A. Power Electronics Intensive Solutions for Advanced Electric, Hybrid Electric, and Fuel Cell Vehicular Power Systems. IEEE Trans. Power Electron. 2006, 21, 567–577. [Google Scholar] [CrossRef]
  3. Aggeler, D.; Canales, F.; Zelaya-De La Parra, H.; Coccia, A.; Butcher, N.; Apeldoorn, O. Ultra-Fast DC-Charge Infrastructures for EV-Mobility and Future Smart Grids. In Proceedings of the IEEE PES Innovative Smart Grid Technologies Conference Europe, ISGT Europe, Gothenburg, Sweden, 11–13 October 2010. [Google Scholar]
  4. Ravindran, M.A.; Nallathambi, K.; Vishnuram, P.; Rathore, R.S.; Bajaj, M.; Rida, I.; Alkhayyat, A. A Novel Technological Review on Fast Charging Infrastructure for Electrical Vehicles: Challenges, Solutions, and Future Research Directions. Alex. Eng. J. 2023, 82, 260–290. [Google Scholar] [CrossRef]
  5. Khaligh, A.; Dantonio, M. Global Trends in High-Power On-Board Chargers for Electric Vehicles. IEEE Trans. Veh. Technol. 2019, 68, 3306–3324. [Google Scholar] [CrossRef]
  6. Yuan, J.; Dorn-Gomba, L.; Callegaro, A.D.; Reimers, J.; Emadi, A. A Review of Bidirectional On-Board Chargers for Electric Vehicles. IEEE Access 2021, 9, 51501–51518. [Google Scholar] [CrossRef]
  7. Khalid, M.R.; Khan, I.A.; Hameed, S.; Asghar, M.S.J.; Ro, J.S. A Comprehensive Review on Structural Topologies, Power Levels, Energy Storage Systems, and Standards for Electric Vehicle Charging Stations and Their Impacts on Grid. IEEE Access 2021, 9, 128069–128094. [Google Scholar] [CrossRef]
  8. Town, G.; Taghizadeh, S.; Deilami, S. Review of Fast Chargcng for Electrified Transport: Demand, Technology, Systems, and Planning. Energies 2022, 15, 1276. [Google Scholar] [CrossRef]
  9. Zhao, H.; Wang, L.; Chen, Z.; He, X. Challenges of Fast Charging for Electric Vehicles and the Role of Red Phosphorous as Anode Material: Review. Energies 2019, 12, 3897. [Google Scholar] [CrossRef]
  10. Manoj, V.; Pilla, R.; Sura, S.R. A Comprehensive Analysis of Power Converter Topologies and Control Methods for Extremely Fast Charging of Electric Vehicles. J. Phys. Conf. Ser. 2023, 2570, 12017. [Google Scholar] [CrossRef]
  11. Khan, W.; Ahmad, A.; Ahmad, F.; Saad Alam, M. A Comprehensive Review of Fast Charging Infrastructure for Electric Vehicles. Smart Sci. 2018, 6, 256–270. [Google Scholar] [CrossRef]
  12. Amir, M.; Saifi, I.A.; Waseem, M.; Tariq, M. A Critical Review of Compensation Converters for Capacitive Power Transfer in Wireless Electric Vehicle Charging Circuit Topologies. Green Energy Intell. Transp. 2025, 4, 100196. [Google Scholar] [CrossRef]
  13. Meraj, S.; Mekhilef, S.; Binti Mubin, M.R.; Ramiah, H.; Seyedmahmoudian, M.; Stojcevski, A. Bidirectional Wireless Charging System for Electric Vehicles: A Review of Power Converters and Control Techniques in V2G Applications. IEEE Access 2025, 13, 75242–75260. [Google Scholar] [CrossRef]
  14. Ali, A.; Mansoor Khan, M.; Yuning, J.; Ali, Y.; Faiz, M.T.; Chuanwen, J. ZVS/ZCS Vienna Rectifier Topology for High Power Applications. IET Power Electron. 2019, 12, 1285–1294. [Google Scholar] [CrossRef]
  15. Ali, A.; Chuanwen, J.; Yan, Z.; Habib, S.; Khan, M.M. An Efficient Soft-Switched Vienna Rectifier Topology for EV Battery Chargers. Energy Rep. 2021, 7, 5059–5073. [Google Scholar] [CrossRef]
  16. Hassoune, A.; Khafallah, M.; Mesbahi, A.; Nouaiti, A.; Bouragba, T. Experimental Implementation of a Smart Battery Charger for Electric Vehicles Charging Station. Int. J. Power Electron. Drive Syst. 2020, 11, 1689–1699. [Google Scholar] [CrossRef]
  17. Islam, R.; Rafin, S.M.S.H.; Mohammed, O.A. Comprehensive Review of Power Electronic Converters in Electric Vehicle Applications. Forecasting 2023, 5, 22–80. [Google Scholar] [CrossRef]
  18. Hossain, S.; Rokonuzzaman, M.; Rahman, K.S.; Habib, A.K.M.A.; Tan, W.S.; Mahmud, M.; Chowdhury, S.; Channumsin, S. Grid-Vehicle-Grid (G2V2G) Efficient Power Transmission: An Overview of Concept, Operations, Benefits, Concerns, and Future Challenges. Sustainability 2023, 15, 5782. [Google Scholar] [CrossRef]
  19. Franzese, P.; Patel, D.D.; Mohamed, A.A.S.; Iannuzzi, D.; Fahimi, B.; Risso, M.; Miller, J.M. Fast DC Charging Infrastructures for Electric Vehicles: Overview of Technologies, Standards, and Challenges. IEEE Trans. Transp. Electrif. 2023, 9, 3780–3800. [Google Scholar] [CrossRef]
  20. Garcia-Triviño, P.; Fernandez-Ramírez, L.M.; Torreglosa, J.P. Fuzzy Logic Control for an Electric Vehicle Fast-Charging Station. In Proceedings of the International Symposium on Power Electronics, Electrical Drives, Automation and Motion (SPEEDAM), Capri, Italy, 22–24 June 2016. [Google Scholar]
  21. Normandeau, C.-L.; Khenar, M.; Paquin, J.-N.; Al-Haddad, K. ANN-Based Energy Management System for V2X Electric Vehicle Aggregator in Cold Climate Applications. In Proceedings of the IEEE EUROCON 2023—International Conference on Smart Technologies, Torino, Italy, 6–8 July 2023. [Google Scholar]
  22. Kouro, S.; Cortes, P.; Vargas, R.; Ammann, U.; Rodriguez, J. Model Predictive Control—A Simple and Powerful Method to Control Power Converters. IEEE Trans. Ind. Electron. 2009, 56, 1826–1838. [Google Scholar] [CrossRef]
  23. Vazquez, S.; Rodriguez, J.; Rivera, M.; Franquelo, L.G.; Norambuena, M. Model Predictive Control for Power Converters and Drives: Advances and Trends. IEEE Trans. Ind. Electron. 2017, 64, 935–947. [Google Scholar] [CrossRef]
  24. Safayatullah, M.; Elrais, M.T.; Ghosh, S.; Rezaii, R.; Batarseh, I. A Comprehensive Review of Power Converter Topologies and Control Methods for Electric Vehicle Fast Charging Applications. IEEE Access 2022, 10, 40753–40793. [Google Scholar] [CrossRef]
  25. Tu, H.; Feng, H.; Srdic, S.; Lukic, S. Extreme Fast Charging of Electric Vehicles: A Technology Overview. IEEE Trans. Transp. Electrif. 2019, 5, 861–878. [Google Scholar] [CrossRef]
  26. Kalaiarasi, N.; Mohammed Abdullah, R. Power Factor Enhancement Using a Modified Bridgeless Landsman Converter Driven EV Battery Charger. In Proceedings of the International Conference on Advances in Design, Materials, Manufacturing and Surface Engineering for Mobility, Chennai, India, 27–28 October 2023. [Google Scholar]
  27. Li, X.; Wu, F.; Yang, G.; Liu, H.; Meng, F. Precise Calculation Method of Vector Dwell Times for Single-Stage Isolated Three-Phase Buck-Type Rectifier to Reduce Grid Current Distortions. IEEE J. Emerg. Sel. Top. Power Electron. 2020, 8, 4457–4466. [Google Scholar] [CrossRef]
  28. Stupar, A.; Friedli, T.; Minibock, J.; Kolar, J.W. Towards a 99 Efficient Three-Phase Buck-Type PFC Rectifier for 400-V DC Distribution Systems. IEEE Trans. Power Electron. 2012, 27, 1732–1744. [Google Scholar] [CrossRef]
  29. Al-Khayyat, A.S.; Hameed, M.J.; Manati, A.M. Third Harmonic Injection by MMC-Swiss Rectifier for Offshore HVDC Wind Turbine Applications. Period. Eng. Nat. Sci. 2019, 7, 952–973. [Google Scholar] [CrossRef]
  30. Zhang, Q.; Dong, Z.; Zhang, D.; Zeng, H.; Zheng, X.; Lin, W. An Improved Swiss Rectifier and Its Nonlinear Control for Lower THD. CPSS Trans. Power Electron. Appl. 2022, 7, 319–327. [Google Scholar] [CrossRef]
  31. Li, X.; Sun, J.; Guo, L.; Gao, M.; Hu, H.; Xu, M. A Three-Phase Single-Stage Ac/Dc Converter Based on Swiss Rectifier and Three-Level LLC Topology. IEEE Trans. Power Electron. 2023, 38, 1958–1972. [Google Scholar] [CrossRef]
  32. Alili, A.; Camara, M.B.; Dakyo, B. Vienna Rectifier-Based Control of a PMSG Wind Turbine Generator. Processes 2022, 10, 413. [Google Scholar] [CrossRef]
  33. Raman, R.; Kumar, A.; Mohamed, H.G.; Sadhu, P.K.; Kumar, R.; Rangarajan, S.S.; Collins, E.R.; Senjyu, T. An Experimental Investigation and Feasibility Analysis of a Novel Modified Vienna Rectifier for Harmonic Mitigation in an Induction Heating System. Machines 2023, 11, 488. [Google Scholar] [CrossRef]
  34. Zhang, M.; Yuan, Y.; Sun, X.; Zhang, Y.; Li, X. Harmonic Resonance Suppression Strategy of the Front-End Vienna Rectifier in EV Charging Piles. IEEE Trans. Power Electron. 2023, 38, 1036–1053. [Google Scholar] [CrossRef]
  35. Ye, Z.; Xu, Y.; Li, F.; Deng, X.; Zhang, Y. Simplified PWM Strategy for Neutral-Point-Clamped (NPC) Three-Level Converter. J. Power Electron. 2014, 14, 519–530. [Google Scholar] [CrossRef]
  36. Xu, X.; Zheng, Z.; Wang, K.; Yang, B.; Li, Y. A Carrier-Based Common-Mode Voltage Elimination Method for Back-to-Back Three-Level NPC Converters. IEEE Trans. Power Electron. 2022, 37, 3040–3052. [Google Scholar] [CrossRef]
  37. Rajendran, G.; Vaithilingam, C.A.; Naidu, K.; Oruganti, K.S.P. Energy-Efficient Converters for Electric Vehicle Charging Stations. SN Appl. Sci. 2020, 2, 583. [Google Scholar] [CrossRef]
  38. Abraham, D.S.; Verma, R.; Kanagaraj, L.; Raman, S.R.G.T.; Rajamanickam, N.; Chokkalingam, B.; Sekar, K.M.; Mihet-Popa, L. Electric Vehicles Charging Stations’ Architectures, Criteria, Power Converters, and Control Strategies in Microgrids. Electronics 2021, 10, 1895. [Google Scholar] [CrossRef]
  39. Plett, G.L. Extended Kalman Filtering for Battery Management Systems of LiPB-Based HEV Battery Packs—Part 1. Background. J. Power Sources 2004, 134, 252–261. [Google Scholar] [CrossRef]
  40. Mehrjerdi, H.; Hemmati, R. Stochastic Model for Electric Vehicle Charging Station Integrated with Wind Energy. Sustain. Energy Technol. Assess. 2020, 37, 100577. [Google Scholar] [CrossRef]
  41. He, H.; Xiong, R.; Fan, J. Evaluation of Lithium-Ion Battery Equivalent Circuit Models for State of Charge Estimation by an Experimental Approach. Energies 2011, 4, 582–598. [Google Scholar] [CrossRef]
  42. Choi, E.; Chang, S. A Temperature-Dependent State of Charge Estimation Method Including Hysteresis for Lithium-Ion Batteries in Hybrid Electric Vehicles. IEEE Access 2020, 8, 129857–129868. [Google Scholar] [CrossRef]
  43. Hu, X.; Li, S.; Peng, H. A Comparative Study of Equivalent Circuit Models for Li-Ion Batteries. J. Power Sources 2012, 198, 359–367. [Google Scholar] [CrossRef]
  44. Jose, P.S.; Lakshmi, M.M. Vienna Rectifier for Electric Vehicle Charging Station. Int. J. Mech. Eng. 2021, 6, 511–516. [Google Scholar]
  45. Gowthamraj, R.; Aravind, C.V.; Prakash, O.K.S. Modeling of Vienna Rectifier with PFC Controller for Electric Vehicle Charging Stations. AIP Conf. Proc. 2019, 2137, 30003. [Google Scholar]
  46. Zhang, B.; Xie, S.; Wang, X.; Xu, J. Modulation Method and Control Strategy for Full-Bridge-Based Swiss Rectifier to Achieve ZVS Operation and Suppress Low-Order Harmonics of Injected Current. IEEE Trans. Power Electron. 2020, 35, 6512–6522. [Google Scholar] [CrossRef]
  47. Beghou, L.; Popat, M.; MacDonald, S. PWM Control of 3-Phase PFC Vienna Rectifier Derived from an Average Current-Based Control of Single-Phase PFC Boost Converter. In Proceedings of the 2021 IEEE Energy Conversion Congress and Exposition, ECCE 2021—Proceedings, Vancouver, BC, Canada, 10–14 October 2021. [Google Scholar]
  48. Tamba, T.A.; Chandra, J.; Hu, B. Stability Analysis of a Hybrid DC-DC Buck Converter Model Using Dissipation Inequality and Convex Optimization. J. Mechatron. Electr. Power Veh. Technol. 2023, 14, 47–54. [Google Scholar] [CrossRef]
  49. Aragon-Aviles, S.; Kadam, A.H.; Sidhu, T.; Williamson, S.S. Modeling, Analysis, Design, and Simulation of a Bidirectional DC-DC Converter with Integrated Snow Removal Functionality for Solar PV Electric Vehicle Charger Applications. Energies 2022, 15, 2961. [Google Scholar] [CrossRef]
  50. Talatahari, S.; Azizi, M.; Tolouei, M.; Talatahari, B.; Sareh, P. Crystal Structure Algorithm (CryStAl): A Metaheuristic Optimization Method. IEEE Access 2021, 9, 71244–71261. [Google Scholar] [CrossRef]
  51. Farooqui, S.A.; Shees, M.M.; Alsharekh, M.F.; Alyahya, S.; Khan, R.A.; Sarwar, A.; Islam, M.; Khan, S. Crystal Structure Algorithm (Crystal) Based Selective Harmonic Elimination Modulation in a Cascaded h-Bridge Multilevel Inverter. Electronics 2021, 10, 3070. [Google Scholar] [CrossRef]
  52. Alnemari, S.; Alshammari, M. Detecting Phishing Domains Using Machine Learning. Appl. Sci. 2023, 13, 4649. [Google Scholar] [CrossRef]
  53. Hasan, M.; Islam, M.M.; Zarif, M.I.I.; Hashem, M.M.A. Attack and Anomaly Detection in IoT Sensors in IoT Sites Using Machine Learning Approaches. Internet Things 2019, 7, 100059. [Google Scholar] [CrossRef]
  54. Samsudeen, S.; Kumar, G.S. FeduLPM: Federated Unsupervised Learning-Based Predictive Model for Speed Control in Customizable Automotive Variants. IEEE Sens. J. 2023, 23, 14700–14708. [Google Scholar] [CrossRef]
  55. Glocker, B.; Konukoglu, E.; Haynor, D.R. Random Forests for Localization of Spinal Anatomy. In Medical Image Recognition, Segmentation and Parsing: Machine Learning and Multiple Object Approaches; Academic Press: Cambridge, MA, USA, 2015. [Google Scholar]
  56. Kumar, P.; Amala Bai, M.; Nair, G.G. An Efficient Classification Framework for Breast Cancer Using Hyper Parameter Tuned Random Decision Forest Classifier and Bayesian Optimization. Biomed. Signal Process. Control 2021, 68, 102682. [Google Scholar] [CrossRef]
  57. Samsudeen, S.; Senthil Kumar, G. A Data-Driven Predictive Model for Speed Control in Automotive Safety Applications. IEEE Sens. J. 2022, 22, 23258–23266. [Google Scholar] [CrossRef]
  58. IEEE Std 519-2014; IEEE Recommended Practice and Requirements for Harmonic Control in Electric Power Systems. IEEE: New York, NY, USA, 2014.
  59. Manimaran, B.; Ranihemamalini, R. Antlion-Based Sliding Mode Control of Vienna Rectifier for Internet of Electric Vehicle Applications. Meas. Sens. 2023, 25, 100651. [Google Scholar] [CrossRef]
  60. Mohamed, A.; El-Sayed, A.; Selem, S. Grid Integration of a PV System Supporting an Electric Vehicle Charging Station Using Salp Swarm Optimization. Sol. Energy 2020, 205, 170–182. [Google Scholar] [CrossRef]
  61. Rajendran, G.; Vaithilingam, C.A.; Misron, N.; Naidu, K. Voltage-Oriented Controller-Based Vienna Rectifier or Electric Vehicle Charging Stations. IEEE Access 2021, 9, 50798. [Google Scholar] [CrossRef]
  62. Munoz-Torrero, D.; Garcia-Quismondo, E.; Palma, J. On the Degradation of Lithium-Ion Batteries over a Current Ripple Effect. Electrochim. Acta 2025, 530, 146326. [Google Scholar] [CrossRef]
  63. Kucinskis, G.; Bozorgchenani, M.; Feinauer, M.; Kasper, M.; Wohlfahrt-Mehrens, M.; Waldmann, T. Arrhenius Plots for Li-Ion Battery Ageing as a Function of Temperature, C-Rate, and Ageing State—An Experimental Study. J. Power Sources 2022, 549, 232129. [Google Scholar] [CrossRef]
  64. Zeng, L.; Hu, Y.; Lu, C.; Pan, G.; Li, M. Arrhenius Equation-Based Model to Predict Lithium-Ions Batteries’ Performance. J. Mar. Sci. Eng. 2022, 10, 1553. [Google Scholar] [CrossRef]
Figure 1. Topologies of converters for EV charging systems.
Figure 1. Topologies of converters for EV charging systems.
Energies 19 00830 g001
Figure 4. Circuit diagram of DC–DC buck converter.
Figure 4. Circuit diagram of DC–DC buck converter.
Energies 19 00830 g004
Figure 5. Flowchart of the CryStAl algorithm.
Figure 5. Flowchart of the CryStAl algorithm.
Energies 19 00830 g005
Figure 6. Generation of control signals utilizing the RDF technique.
Figure 6. Generation of control signals utilizing the RDF technique.
Energies 19 00830 g006
Figure 7. Simulation results of PI control based EV fast-charging system: (a) Grid Current; (b) Grid Voltage; (c) Vienna Rectifier output Voltage; (d) Vienna Rectifier Output Current; (e) Buck converter output Voltage; (f) Buck converter output Current; (g) Battery Voltage with Ripples; (h) Battery Current with Ripples; (i) Grid Power; (j) Battery Power; (k) Analysis of Power factor; (l) Analysis SOC of Battery; (m) Analysis of THD (%).
Figure 7. Simulation results of PI control based EV fast-charging system: (a) Grid Current; (b) Grid Voltage; (c) Vienna Rectifier output Voltage; (d) Vienna Rectifier Output Current; (e) Buck converter output Voltage; (f) Buck converter output Current; (g) Battery Voltage with Ripples; (h) Battery Current with Ripples; (i) Grid Power; (j) Battery Power; (k) Analysis of Power factor; (l) Analysis SOC of Battery; (m) Analysis of THD (%).
Energies 19 00830 g007aEnergies 19 00830 g007bEnergies 19 00830 g007c
Figure 8. Simulation results of CryStAl–RDF based EV fast-charging system: (a) Vienna Rectifier output Voltage; (b) Vienna Rectifier Output Current; (c) Buck converter output Voltage; (d) Buck converter output Current; (e) Battery Voltage with Ripples; (f) Battery Current with Ripples; (g) Battery Power; (h) Analysis SOC of Battery; (i) Analysis of power factor; (j) Analysis of THD (%).
Figure 8. Simulation results of CryStAl–RDF based EV fast-charging system: (a) Vienna Rectifier output Voltage; (b) Vienna Rectifier Output Current; (c) Buck converter output Voltage; (d) Buck converter output Current; (e) Battery Voltage with Ripples; (f) Battery Current with Ripples; (g) Battery Power; (h) Analysis SOC of Battery; (i) Analysis of power factor; (j) Analysis of THD (%).
Energies 19 00830 g008aEnergies 19 00830 g008b
Figure 9. The architecture of PSO Optimization Technique-based FCS for EV.
Figure 9. The architecture of PSO Optimization Technique-based FCS for EV.
Energies 19 00830 g009
Figure 10. Flow chart for PSO Technique-Based Control of Vienna Rectifier.
Figure 10. Flow chart for PSO Technique-Based Control of Vienna Rectifier.
Energies 19 00830 g010
Figure 11. Simulation results of PSO control based EV fast-charging system: (a) Vienna Rectifier output Voltage; (b) Vienna Rectifier Output Current; (c) Buck converter output Voltage; (d) Buck converter output Current; (e) Battery Voltage with Ripples; (f) Battery Current with Ripples; (g) Battery Power; (h) Analysis SOC of Battery; (i) Analysis of Power factor; (j) Analysis of THD (%).
Figure 11. Simulation results of PSO control based EV fast-charging system: (a) Vienna Rectifier output Voltage; (b) Vienna Rectifier Output Current; (c) Buck converter output Voltage; (d) Buck converter output Current; (e) Battery Voltage with Ripples; (f) Battery Current with Ripples; (g) Battery Power; (h) Analysis SOC of Battery; (i) Analysis of Power factor; (j) Analysis of THD (%).
Energies 19 00830 g011aEnergies 19 00830 g011b
Figure 12. (a) Comparison of THD of proposed with existing techniques; (b) Comparison of efficiency of proposed with existing techniques.
Figure 12. (a) Comparison of THD of proposed with existing techniques; (b) Comparison of efficiency of proposed with existing techniques.
Energies 19 00830 g012
Figure 13. Bode plots of the open-loop transfer function for each controller.
Figure 13. Bode plots of the open-loop transfer function for each controller.
Energies 19 00830 g013
Figure 14. Comparison of ripple current and battery capacity fade.
Figure 14. Comparison of ripple current and battery capacity fade.
Energies 19 00830 g014
Figure 15. (a) The experimental setup of the Vienna Rectifier and Buck Converter with a TMS320F28379D controller; (b) The experimental result of Input voltage, Input current and Battery voltage, Battery current waveforms for CryStAl–RDF optimization Control; (c) Closer picture of Vienna Rectifier and Buck converter; (d) Input voltage and Input current waveforms and THD = 1.29%; (e) Battery voltage with ripples for CryStAl–RDF Control.
Figure 15. (a) The experimental setup of the Vienna Rectifier and Buck Converter with a TMS320F28379D controller; (b) The experimental result of Input voltage, Input current and Battery voltage, Battery current waveforms for CryStAl–RDF optimization Control; (c) Closer picture of Vienna Rectifier and Buck converter; (d) Input voltage and Input current waveforms and THD = 1.29%; (e) Battery voltage with ripples for CryStAl–RDF Control.
Energies 19 00830 g015
Figure 16. Experimental results of EV fast-charging system: (a) Input voltage and Current waveforms for PSO Control method (b) Battery voltage with ripples for PSO Control method (c) Input voltage and Current waveforms for PI Control (d) Battery voltage with ripples for PI Control.
Figure 16. Experimental results of EV fast-charging system: (a) Input voltage and Current waveforms for PSO Control method (b) Battery voltage with ripples for PSO Control method (c) Input voltage and Current waveforms for PI Control (d) Battery voltage with ripples for PI Control.
Energies 19 00830 g016
Table 1. Conceptual comparison CryStAl–RDF with PI, PSO, MPC.
Table 1. Conceptual comparison CryStAl–RDF with PI, PSO, MPC.
Control StrategyModel
Dependency
Computational BurdenRipple Reduction CapabilityReal-Time SuitabilityKey Limitation
PILowVery LowLimitedExcellentPoor dynamic response
PSOMediumMediumModerateGoodConvergence
issues
MPCHighHighHighModerateModel
sensitivity
CryStAl RDFLow–
Medium
MediumHighGoodTraining data requirement
Table 3. Pseudocode of the CryStAl.
Table 3. Pseudocode of the CryStAl.
Procedure CryStAl
Create random values for initial positions x i j of initial crystals C r i
Validate fitness values for each crystal
While (t < maximum iteration count)
For i = 1: count of initial crystals
Create C r m a i n
Create new crystals by using Equation (35)
Create C r b
Create new crystals by using Equation (36)
Create F C
Create new crystals by using Equation (37)
Create new crystals by using Equation (38)
if new crystals violate boundary conditions
Control the position constraints for new crystals and modify them
End if
Validate the fitness values for new crystals
Update global best (GB) if a better solution is found
end for
t = t + 1
end while
return GB
end procedure
Table 4. A comparative performance of CryStAl against other metaheuristics.
Table 4. A comparative performance of CryStAl against other metaheuristics.
AlgorithmLimitation for Converter Control
PSOVelocity overshoot, duty oscillation
GAHigh convergence time
ALORandom walk, ripple sensitivity
CryStAlStructured bounded updates
Table 5. A comparative performance of evaluation of the proposed methodology.
Table 5. A comparative performance of evaluation of the proposed methodology.
ParameterValue
Input Voltage Range380 Vrms
Output Power, Po37,300 Watts
Input Line Frequency, fl50 Hz
DC Output Voltage, Vo600 V
Ripple Voltage, ΔVc20%
Switching Frequency50 kHz
Inductance for Vienna Rectifier, L5 mH
Capacitance for Vienna Rectifier, C30 μF
Inductance for Buck Converter, L1 mH
Capacitance for Buck Converter, C300 μF
Battery Current90.95 A
SOC of Battery50%
Battery Voltage400 V
Battery Power36,380 watts
Efficiency97.53%
Table 6. Comparison table of performance analysis of the proposed technique with existing techniques.
Table 6. Comparison table of performance analysis of the proposed technique with existing techniques.
ParametersPI Control MethodPSO OptimizationCryStAl–RDF Optimization
Input Current THD (%)4.962.091.29
Power Factor0.970.980.99
Efficiency (%)94.0096.8697.53
SOC (% after 30 s)51.64551.65351.663
Battery Voltage Ripple (V)2 V1.5 V1 V
Battery Current Ripple (A)1.5 A1 A0.5 A
Battery Output Power (W)36,00036,13236,380
Table 7. Comparison of CryStAl–RDF with other existing techniques.
Table 7. Comparison of CryStAl–RDF with other existing techniques.
TechniquesInput
Current THD (%)
Efficiency (%)Accuracy
(%)
CryStAl–RDF
Optimization
1.2997.53%98%
ALO [59]6.595%92%
SSA [60]496%93%
Voltage-Oriented
Controller (VOC) [61]
3.2596%91%
Table 8. Bode plot-based stability metrics.
Table 8. Bode plot-based stability metrics.
ControllerGain Margin (GM)Phase Margin (PM)
PI Control7.9 dB41.2°
PSO Optimization10.2 dB52.6°
CryStAl–RDF12.5 dB58.3°
IEEE Std>6>45°
Table 9. Time-domain performance comparison.
Table 9. Time-domain performance comparison.
Control MethodVoltage Overshoot (%)Voltage
Settling
Time (s)
Current Overshoot (%)Current Settling Time (s)
PI Controller3%0.2603%0.260
PSO Optimization2.5%0.2102.5%0.210
CryStAl–RDF1.5%0.1501.5%0.150
Table 10. Sensitivity analysis of key parameter variations using CryStAl–RDF algorithm.
Table 10. Sensitivity analysis of key parameter variations using CryStAl–RDF algorithm.
Parameter
Varied
VariationTHD (%)Efficiency (%)Voltage
Ripple (V)
Current
Ripple (A)
Input Voltage−10% (342 V)1.3996.702.42.2
+10% (418 V)1.3496.953.21.9
Filter
Inductance L
−10%1.4596.303.92.4
+10%1.2697.002.22.8
Battery
Resistance Rb
+20%1.3396.603.23.1
Table 11. Comparative analysis of ripple current impact on battery degradation under PI and CryStAl–RDF control strategies.
Table 11. Comparative analysis of ripple current impact on battery degradation under PI and CryStAl–RDF control strategies.
ParameterPI ControlCryStAl–RDFImprovement
RMS Ripple Current (A)1.50.560% ↓
Capacity Fade Rate1.0×0.84×16% ↓
Table 12. Quantitative comparison of PI, PSO, and CryStAl–RDF controllers.
Table 12. Quantitative comparison of PI, PSO, and CryStAl–RDF controllers.
Performance MetricPI Control MethodPSO OptimizationCryStAl–RDF Optimization
Input Current THD (%)4.962.091.29
Power Factor0.970.980.99
Efficiency (%)94.0096.8697.53
Battery Voltage Ripple (V)2 V1.5 V1 V
Battery Current Ripple (A)1.5 A1 A0.5 A
Table 13. Comparative performance analysis of CryStAl–RDF control with PI and PSO control measured at 48 V/10 A (480 W) output power.
Table 13. Comparative performance analysis of CryStAl–RDF control with PI and PSO control measured at 48 V/10 A (480 W) output power.
ParameterPI ControlPSO
Control
CryStAl–RDF ControlImprovement
(CryStAl–RDF)
Input Current THD (%)4.962.091.29↓ 73.9%
Voltage Ripple (%)321↓ 60%
Efficiency (%)94.896.897.5↑ 2.7%
Power Factor0.970.980.99Improved to UPF
Table 14. Power loss breakdown for the CryStAl–RDF-controlled converter at 480 W output.
Table 14. Power loss breakdown for the CryStAl–RDF-controlled converter at 480 W output.
ComponentLoss TypeLoss (W)% of Total Loss
MOSFETs (Switches)Conduction Loss3.231%
Switching Loss2.120%
DiodesConduction Loss2.827%
Reverse Recovery0.55%
InductorCopper (DCR) Loss1.111%
Core Loss0.33%
CapacitorsESR Loss0.22%
Control and SensingQuiescent and Drive0.11%
Total Losses-10.3 W100%
Table 15. Computational comparison of control strategies.
Table 15. Computational comparison of control strategies.
ControllerOnline ComputationMemoryReal-Time Feasibility
PIVery Low<5 kBExcellent
PSOHigh (iterative)>50 kBLimited
DNN-basedVery High>200 kBPoor
CryStAl–RDFLow (inference only)>200 kBExcellent
Disclaimer/Publisher’s Note: The statements, opinions and data contained in all publications are solely those of the individual author(s) and contributor(s) and not of MDPI and/or the editor(s). MDPI and/or the editor(s) disclaim responsibility for any injury to people or property resulting from any ideas, methods, instructions or products referred to in the content.

Share and Cite

MDPI and ACS Style

Ravindran, M.A.; Nallathambi, K.; Alruwaili, M.; Emara, A.; Rajamanickam, N. Hybrid CryStAl and Random Decision Forest Algorithm Control for Ripple Reduction and Efficiency Optimization in Vienna Rectifier-Based EV Charging Systems. Energies 2026, 19, 830. https://doi.org/10.3390/en19030830

AMA Style

Ravindran MA, Nallathambi K, Alruwaili M, Emara A, Rajamanickam N. Hybrid CryStAl and Random Decision Forest Algorithm Control for Ripple Reduction and Efficiency Optimization in Vienna Rectifier-Based EV Charging Systems. Energies. 2026; 19(3):830. https://doi.org/10.3390/en19030830

Chicago/Turabian Style

Ravindran, Mohammed Abdullah, Kalaiarasi Nallathambi, Mohammed Alruwaili, Ahmed Emara, and Narayanamoorthi Rajamanickam. 2026. "Hybrid CryStAl and Random Decision Forest Algorithm Control for Ripple Reduction and Efficiency Optimization in Vienna Rectifier-Based EV Charging Systems" Energies 19, no. 3: 830. https://doi.org/10.3390/en19030830

APA Style

Ravindran, M. A., Nallathambi, K., Alruwaili, M., Emara, A., & Rajamanickam, N. (2026). Hybrid CryStAl and Random Decision Forest Algorithm Control for Ripple Reduction and Efficiency Optimization in Vienna Rectifier-Based EV Charging Systems. Energies, 19(3), 830. https://doi.org/10.3390/en19030830

Note that from the first issue of 2016, this journal uses article numbers instead of page numbers. See further details here.

Article Metrics

Back to TopTop