Experimental Validation of a Modified Halbach Array for Improved Electrodynamic Suspension Efficiency
Abstract
1. Introduction


2. Materials and Methods
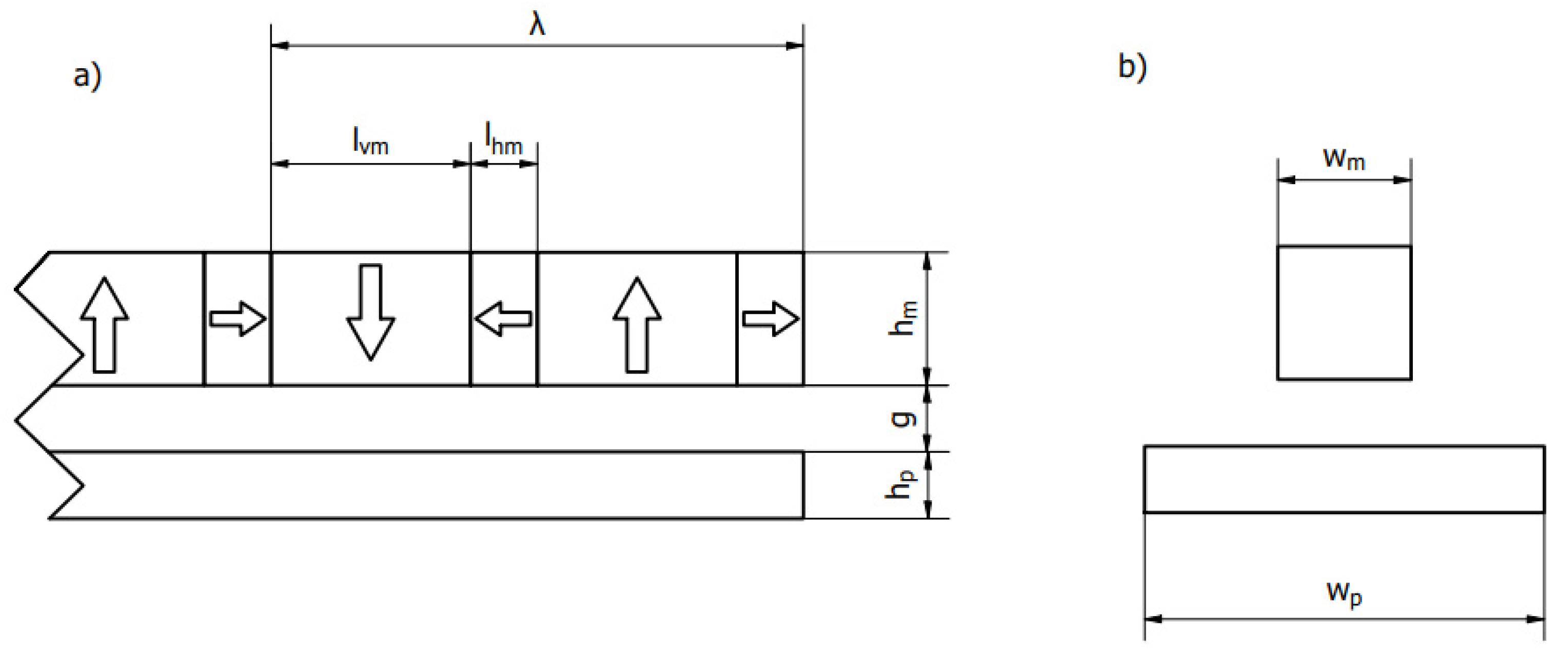
2.1. Halbach Magnet Configurations for Testing
2.2. Experimental Model Setup
2.2.1. Measurement of Magnetic Field
2.2.2. Force Measurement Procedure
2.2.3. Measurement Uncertainties
- Rim thickness variation: The aluminium rim thickness was measured at 30 points around the circumference before testing. It was found to vary between 4.92 mm (min) and 5.06 mm (max), with an average of 5.00 mm. This slight non-uniformity means the effective air gap changes by ±0.07 mm as the wheel rotates. However, this is a minimal variation (<1.5% of the nominal 5 mm thickness) and thus introduces only minor force ripple.
- Air gap variability: The outer radius of the rim was checked using a dial indicator gauge mounted on the frame, measuring deviations as the wheel turned. Three circumferential tracks (inner, middle, and outer widths of the rim) were measured. The average radial deviation was found to be ~0.35–0.45 mm. This effectively adds a ±0.4 mm fluctuation in the air gap during rotation. The data analysis accounts for this by considering an uncertainty band on the measured forces.
- Head positioning repeatability: The stepper motors that control the measuring head’s vertical movement have a finite resolution, and the head assembly has inertia. Multiple trials of moving the head to a set gap were performed at slow (10 mm/s) and fast (50 mm/s) speeds; the variation in final position was under ±0.005 mm, which is negligible relative to other uncertainties.
- Sensor accuracy: The force/torque sensor has specified reading errors of up to 0.14% in the vertical channel (direction of levitation force) and 0.18% in the horizontal channel (direction of drag force) at full scale measurement range. These translate to force uncertainties on the order of a few tenths of a newton for the ranges measured, which is negligible. The sensor was zeroed before each run to eliminate bias drift. The Tesla metre probe accuracy is ±2%, affecting field magnitude measurements but not force (which relies on the sensor).
2.3. Simulation Model Setup
- Magnetostatic analysis (static field): To obtain the magnetic flux density distribution around the Halbach array in the absence of motion, a magnetostatic solver was used. A fine adaptive mesh (with target error of 0.01) was applied in the region around the magnets to capture field details. The resulting mesh had ~11.2 million elements, and each static solution took ~6.5 h to converge on a workstation. This provided the spatial field map, which could be directly compared to the Tesla metre measurements.
- Transient electromagnetic analysis (dynamic forces): The rotation of the conducting rim under the static magnets was simulated using the transient solver with motion. The model imposed a constant angular velocity on the aluminium ring while the magnet pack was stationary (this approach is equivalent to moving the magnets over a stationary track, by symmetry). Motion was implemented via Maxwell’s moving band technique. Mesh refinement was set to use ~0.4 million elements, and a time-step size corresponding to 1 degree of wheel rotation per step was employed (sufficiently small to resolve eddy current diffusion at high speeds). Each transient run (for a given speed and magnet configuration) took ca. 40 min to simulate. The outputs were the levitation force (vertical Flev) and drag force (horizontal Fdrag) on the magnets, obtained by integrating the virtual forces over the volume of the Halbach arrangement. These were computed for multiple discrete speeds from 0 to 100 m/s and for multiple air-gap values to match experimental test points.
3. Results
3.1. Magnetic Field Distribution in the Air Gap
3.2. Levitation and Drag Forces
3.3. Performance Metrics and Power Consumption Analysis
- LDratio—Lift-to-Drag ratio—a dimensionless measure of efficiency (how much lift is achieved per unit of drag) [44].
- LWratio—Lift-to-Weight ratio—indicates the self-lifting capability of the magnet array (LWratio > 1 means it can lift more than its own weight) [44].
- μm—magnetic friction coefficient from load—this parameter describes the braking forces generated during the levitation of a load whose weight is equal to 1 Newton.
- The LDratio of the modified Halbach arrays (#3 and #4) is significantly higher than that of the classical arrays (#1 and #2) at higher speeds. At lower speeds, LDratio tends to converge.
- The LWratio indicates how heavy an array is relative to its lift. All configurations achieve a LWratio greater than 1, meaning they produce lift exceeding their own weight. Pack #4 achieves the highest LWratio. Pack #3 also exceeds the classical ones, although Pack #6 (M = 8) comes close due to its higher magnet mass, which contributes to lift.
- The magnetic friction coefficient μm encapsulates the overall power efficiency. The lowest values of μm are achieved by packs #3 and #4 at the upper speed range. It is also evident that as velocity increases, all configurations become more efficient, and μm decreases.
4. Discussion
- Idealised Geometry: The model assumes perfectly uniform magnet dimensions and a perfectly cylindrical, uniformly thick rim. In reality, minor deviations (e.g., the measured radial runout of ~0.4 mm and thickness variation of ~0.07 mm) cause fluctuations and effectively reduce the time-averaged forces. The simulation yields a smoothed, ideal force, eliminating these imperfections, which can sometimes result in higher peak values.
- Material Homogeneity and Temperature: The simulation keeps material properties constant (magnet magnetisation, aluminium conductivity). Experimentally, after a few seconds at high speed, the rim’s temperature rises rapidly. Aluminium’s resistivity increases with temperature (approximately 0.4% per °C), meaning that at 60 °C the rim’s resistance is ~16% higher than at 20 °C. This could partially account for the measured drag differing from the predicted value at sustained high speeds.
- Measurement Uncertainties: The force sensor’s small error and the method of zeroing might introduce slight biases. Also, the process of engaging the magnet at speed (lowering the head) can cause transient oscillations or minor position overshoot, which the steady simulation cannot replicate. We mitigated this by only recording steady-state data; however, any difference in effective gap or alignment would be reflected in the results.
- Mesh and Time-step Discretisation: In FEA, the solution is spatially and temporally discretised. A coarser mesh or time step can artificially smooth or slightly misestimate peaks (although we used fine settings). Notably, transient simulation cannot capture truly continuous velocity—forces are computed at discrete time points, possibly missing some fine ripple dynamics that might dissipate energy differently.
5. Conclusions
- The finite element simulation model (developed in prior work) was validated against physical measurements. Excellent agreement was found for both magnetic flux density distributions in the air gap and for levitation and drag forces across a broad range of speeds, confirming the model’s accuracy.
- The research confirmed that power losses due to magnetic drag are reduced when using the modified Halbach arrays, validating the core hypothesis that an energy-efficient EDS suspension can be achieved by altering the magnet span geometry. Halbach arrays with non-standard fill factors (γ = 0.125 and 0.875) exhibited higher lift-to-drag ratios and lower drag force for a given lift, compared to the classic Halbach configuration (γ = 0.5). In particular, the array with γ = 0.875 (narrow horizontal magnets) achieved the best performance, reducing the magnetic friction coefficient μm relative to the classical design.
Author Contributions
Funding
Data Availability Statement
Acknowledgments
Conflicts of Interest
Abbreviations
| EDS | Electrodynamic Suspension |
| EMS | Electromagnetic Suspension |
| FEA | Finite Element Analysis |
| FEM | Finite Element Method |
| PM | Permanent Magnet |
References
- Chen, Z.-W.; Zeng, G.-Z.; Ni, Y.-Q.; Liu, T.-H.; Niu, J.-Q.; Yao, H.-D. Reducing the aerodynamic drag of high-speed trains by air blowing from the nose part: Effect of blowing speed. J. Wind. Eng. Ind. Aerodyn. 2023, 238, 105429. [Google Scholar] [CrossRef]
- Ihme, J. Rail Vehicle Technology; Springer: Wiesbaden, Germany, 2022. [Google Scholar] [CrossRef]
- Sang, H.; Zeng, J.; Wang, Q.; Huang, C.; Mu, J.; Qi, Y.; Kang, W.; Liang, Y. Theoretical Study on Wheel Wear Mechanism of High-Speed Train under Different Braking Modes. Wear 2024, 540–541, 205262. [Google Scholar] [CrossRef]
- Sang, H.; Zeng, J.; Qi, Y.; Mu, J.; Gan, F. Study on Wheel Wear Mechanism of High-Speed Train in Accelerating Conditions. Wear 2023, 516–517, 204597. [Google Scholar] [CrossRef]
- Zhu, A.H.; Zhu, A.H.; Ma, C.; Yang, J.; Hou, X.; Li, H.; Sun, P. The Effect of High-Speed Train Meet on Wheel Wear at Different Speeds. Ind. Lubr. Tribol. 2021, 73, 1019–1027. [Google Scholar] [CrossRef]
- Kortas, P. Zuzycie i Reprofilacja Kół Pojazdów Kolejowych; Silesian University of Technology: Gliwice, Poland, 2013. [Google Scholar]
- Rodríguez, P.; Suarez, B.; Chover, J.A.; Terrón, J.; Sanz, A.D. Pantograph Wear Assesment in Overhead Conductor Rail Systems. In Proceedings of the 22nd International Symposium on Dynamics of Vehicles on Roads and Tracks, Manchester, UK, 14–19 August 2011. [Google Scholar]
- Liu, Z.; Wang, H.; Chen, H.; Wang, X.; Song, Y.; Han, Z. Active Pantograph in High-Speed Railway: Review, Challenges, and Applications. Control Eng. Pract. 2023, 141, 105692. [Google Scholar] [CrossRef]
- Mallinson, J.C. One-Sided Fluxes—A Magnetic Curiosity? IEEE Trans. Magn. 1973, 9, 678–682. [Google Scholar] [CrossRef]
- Halbach, K. Design of Permanent Multipole Magnets with Oriented Rare Earth Cobalt Material. Nucl. Instrum. Methods 1980, 169, 1–10. [Google Scholar] [CrossRef]
- Halbach, K. Application of Permanent Magnets in Accelerators and Electron Storage Rings (Invited). J. Appl. Phys. 1985, 57, 3605–3608. [Google Scholar] [CrossRef]
- Han, H.-S.; Kim, D.-S. Magnetic Levitation Maglev Technology and Applications; Roess, P.R., Ed.; Springer: Berlin/Heidelberg, Germany, 2016; Volume 13. [Google Scholar] [CrossRef]
- Gurol, H.; Baldi, R.; Jeter, P.; Kim, I.-K.; Bever, D. General Atomics Low Speed Maglev Technology Development Program (Supplemental #3); U.S. Department of Transportation, Federal Transit Administration, Office of Technology: Washington, DC, USA, 2005. [Google Scholar]
- Chaidez, E.; Bhattacharyya, S.P.; Karpetis, A.N. Levitation Methods for Use in the Hyperloop High-Speed Transportation System. Energies 2019, 12, 4190. [Google Scholar] [CrossRef]
- Post, R.F.; Ryutov, D.D. The Inductrack: A Simpler Approach to Magnetic Levitation. IEEE Trans. Appl. Supercond. 2000, 10, 901–904. [Google Scholar] [CrossRef]
- Post, R.F.; Ryutov, D.D. The Inductrack Approach to Magnetic Levitation; Lawrence Livermore National Laboratory: Livermore, CA, USA, 2000. [Google Scholar]
- Post, R.F. Inductrack Demonstration Model; Lawrence Livermore National Laboratory: Livermore, CA, USA, 1998. [Google Scholar]
- Guo, Z.; Li, J.; Zhou, D. Study of a Null-Flux Coil Electrodynamic Suspension Structure for Evacuated Tube Transportation. Symmetry 2019, 11, 1239. [Google Scholar] [CrossRef]
- Murai, T.; Yoshioka, H.; Iwamatsu, M.; Sawada, K. Optimized Design of 8-Figure Null-Flux Coils in EDS. IEEJ Trans. Ind. Appl. 2004, 123, 9–14. [Google Scholar] [CrossRef]
- Musolino, A.; Raugi, M.; Rizzo, R.; Tripodi, E. Stabilization of a Permanent-Magnet MAGLEV System via Null-Flux Coils. IEEE Trans. Plasma Sci. 2015, 43, 1242–1247. [Google Scholar] [CrossRef]
- Climate, S.G.; Project, E.; Post, R.F.; Livermore, L. Toward More Efficient Transport: The Inductrack Maglev System Advanced Transportation Workshop; Lawrence Livermore National Laboratory: Livermore, CA, USA, 2005. [Google Scholar]
- Bird, J.; Lipo, T.A. Modeling the 3-D Rotational and Translational Motion of a Halbach Rotor above a Split-Sheet Guideway. IEEE Trans. Magn. 2009, 45, 3233–3242. [Google Scholar] [CrossRef]
- Bird, J.Z. An Investigation into the Use of Electrodynamic Wheels for High-Speed Ground Transportation. Doctoral Dissertation, University of Wisconsin—Madison, Madison, WI, USA, 2007. Available online: https://www.researchgate.net/publication/234217871 (accessed on 22 January 2026).
- Hu, Y.; Long, Z.; Zeng, J.; Wang, Z. Analytical Optimization of Electrodynamic Suspension for Ultrahigh-Speed Ground Transportation. IEEE Trans. Magn. 2021, 57, 8000511. [Google Scholar] [CrossRef]
- Jiang, Y.; Deng, Y.; Zhu, P.; Yang, M.; Zhou, F. Optimization on Size of Halbach Array Permanent Magnets for Magnetic Levitation System for Permanent Magnet Maglev Train. IEEE Access 2021, 9, 44989–45000. [Google Scholar] [CrossRef]
- Yin, C.; Kun-Lun, Z. Calculation and Analysis of the Forces Created by Halbach Permanent-Magnet Electrodynamic Suspension. In Applied Mechanics and Materials; Trans Tech Publications Ltd.: Bäch, Switzerland, 2012; Volume 229–231, pp. 440–443. [Google Scholar] [CrossRef]
- Anakwa, W.; Gutschlag, M.S. Control of Halbach Array Magnetic Levitation System Height; Bradley University: Peoria, IL, USA, 2011. [Google Scholar]
- Íñiguez, J.; Raposo, V. Numerical Simulation of a Simple Low-Speed Model for an Electrodynamic Levitation System Based on a Halbach Magnet Array. J. Magn. Magn. Mater. 2010, 322, 1673–1676. [Google Scholar] [CrossRef]
- Hoburg, J.F. Modeling Maglev Passenger Compartment Static Magnetic Fields From Linear Halbach Permanent-Magnet Arrays. IEEE Trans. Magn. 2004, 40, 59–64. [Google Scholar] [CrossRef]
- Wang, J.; Li, C.; Xu, W.; Yang, B. Optimization Design of Linear Halbach Array for EDS Maglev. In Proceedings of the 2008 IEEE Vehicle Power and Propulsion Conference, Harbin, China, 3–5 September 2008; pp. 1–5. [Google Scholar]
- Duan, J.; Xiao, S.; Zhang, K.; Jing, Y. A Novel 3-D Analytical Modeling Method of Trapezoidal Shape Permanent Magnet Halbach Array for Multi-Objective Optimization. J. Electr. Eng. Technol. 2019, 14, 635–643. [Google Scholar] [CrossRef]
- Zhang, L.; Kou, B. Investigation of a Novel 2-D Halbach Magnet Array for Magnetically Levitated Planar Motor. In Proceedings of the 2017 20th International Conference on Electrical Machines and Systems (ICEMS), Sydney, NSW, Australia, 11–14 August 2017; pp. 1–5. [Google Scholar]
- Rovers, J.M.M.; Jansen, J.W.; Lomonova, E.A.; Ronde, M.J.C. Calculation of the Static Forces among the Permanent Magnets in a Halbach Array. IEEE Trans. Magn. 2009, 45, 4372–4375. [Google Scholar] [CrossRef]
- Powell, J.; Danby, G. Electromagnetic Induction Suspension and Horizontal Switching System for a Vehicle on a Planar Guideway. U.S. Patent US5669310A, 23 September 1997. [Google Scholar]
- Park, D.-Y.; Gieras, J.F. Incheon Airport Maglev Line; Korea Institute of Machinery and Materials: Daejeon, Republic of Korea, 2019. [Google Scholar]
- Kublin, T.; Grzesiak, L.; Radziszewski, P.; Nikoniuk, M.; Ordyszewski, Ł. Reducing the Power Consumption of the Electrodynamic Suspension Levitation System by Changing the Span of the Horizontal Magnet in the Halbach Array. Energies 2021, 14, 6549. [Google Scholar] [CrossRef]
- Duan, J.; Xiao, S.; Zhang, K.; Rotaru, M.; Sykulski, J.K. Analysis and Optimization of Asymmetrical Double-Sided Electrodynamic Suspension Devices. IEEE Trans. Magn. 2019, 55, 8300605. [Google Scholar] [CrossRef]
- Luo, C.; Zhang, K.; Duan, J.; Jing, Y. Study of Permanent Magnet Electrodynamic Suspension System with a Novel Halbach Array. J. Electr. Eng. Technol. 2020, 15, 969–977. [Google Scholar] [CrossRef]
- Luo, C.; Zhang, K.; Zhang, W.; Jing, Y. 3D Analytical Model of Permanent Magnet and Electromagnetic Hybrid Halbach Array Electrodynamic Suspension System. J. Electr. Eng. Technol. 2020, 15, 1713–1721. [Google Scholar] [CrossRef]
- Zhang, W.; Li, J.; Zhang, K.; Cui, P. Design of Magnetic Flux Feedback Controller in Hybrid Suspension System. Math. Probl. Eng. 2013, 2013, 712764. [Google Scholar] [CrossRef]
- Bird, J.; Lipo, T. An Electrodynamic Wheel: An Integrated Propulsion and Levitation Machine. In Proceedings of the IEEE International Electric Machines and Drives Conference, 2003. IEMDC’03, Madison, WI, USA, 1–4 June 2003. [Google Scholar]
- Bird, J.; Lipo, T.A. Calculating the Forces Created by an Electrodynamic Wheel Using a 2-D Steady-State Finite-Element Method. IEEE Trans. Magn. 2008, 44, 365–372. [Google Scholar] [CrossRef]
- Paul, S. Three-Dimensional Steady State and Transient Eddy Current Modeling. Ph.D. Thesis, University of North Carolina, Charlotte, NC, USA, 2013. [Google Scholar]
- Post, R.E.; Ryutov, D. The Inductrack Concept: A New Approach to Magnetic Levitation; Lawrence Livermore National Laboratory: Livermore, CA, USA, 1996. [Google Scholar]





















| Magnet Pack No. | M (Magnets Per λ) | L (mm) | γ | λ |
|---|---|---|---|---|
| 1 | 4 | 100 | 0.5 | λ1 |
| 2 | 4 | 200 | 0.5 | λ2 = λ1 |
| 3 | 4 | 200 | 0.125 (1/8) | λ3 = 4λ1 |
| 4 | 4 | 200 | 0.875 (7/8) | λ4 = 4λ1 |
| 5 | 8 | 100 | 0.5 | λ5 = 2λ1 |
| 6 | 8 | 200 | 0.5 | λ6 = 2λ1 |
Disclaimer/Publisher’s Note: The statements, opinions and data contained in all publications are solely those of the individual author(s) and contributor(s) and not of MDPI and/or the editor(s). MDPI and/or the editor(s) disclaim responsibility for any injury to people or property resulting from any ideas, methods, instructions or products referred to in the content. |
© 2026 by the authors. Licensee MDPI, Basel, Switzerland. This article is an open access article distributed under the terms and conditions of the Creative Commons Attribution (CC BY) license.
Share and Cite
Kublin, T.; Grzesiak, L.; Góźdź, M. Experimental Validation of a Modified Halbach Array for Improved Electrodynamic Suspension Efficiency. Energies 2026, 19, 649. https://doi.org/10.3390/en19030649
Kublin T, Grzesiak L, Góźdź M. Experimental Validation of a Modified Halbach Array for Improved Electrodynamic Suspension Efficiency. Energies. 2026; 19(3):649. https://doi.org/10.3390/en19030649
Chicago/Turabian StyleKublin, Tomasz, Lech Grzesiak, and Mateusz Góźdź. 2026. "Experimental Validation of a Modified Halbach Array for Improved Electrodynamic Suspension Efficiency" Energies 19, no. 3: 649. https://doi.org/10.3390/en19030649
APA StyleKublin, T., Grzesiak, L., & Góźdź, M. (2026). Experimental Validation of a Modified Halbach Array for Improved Electrodynamic Suspension Efficiency. Energies, 19(3), 649. https://doi.org/10.3390/en19030649

