Next Article in Journal
Environmental and Operational Factors That Affect the Performance of a Photovoltaic System
Previous Article in Journal
Method for the Assessment of Fuel Consumption in Heavy-Duty Machines Based on Integrated Environmental, Vehicle and Human Models
 
 
Font Type:
Arial Georgia Verdana
Font Size:
Aa Aa Aa
Line Spacing:
Column Width:
Background:
Article

Intelligent Control and Automation of Small-Scale Wind Turbines Using ANFIS for Rural Electrification in Uzbekistan

by
Botir Usmonov
1,
Ulugbek Muinov
1,*,
Nigina Muinova
2 and
Mira Chitt
3,*
1
Department of Automation and Digital Control, Tashkent Chemical-Technological Institute, Tashkent 100011, Uzbekistan
2
Department of Cellulose and Woodworking Technology, Tashkent Chemical-Technological Institute, Tashkent 100011, Uzbekistan
3
College of Engineering and Technology, University of Doha for Science and Technology, Doha 24449, Qatar
*
Authors to whom correspondence should be addressed.
Energies 2026, 19(3), 601; https://doi.org/10.3390/en19030601
Submission received: 21 December 2025 / Revised: 20 January 2026 / Accepted: 21 January 2026 / Published: 23 January 2026
(This article belongs to the Section A3: Wind, Wave and Tidal Energy)

Abstract

This paper examines the application of an Adaptive Neuro-Fuzzy Inference System (ANFIS) for voltage regulation in a small-scale wind turbine (SWT) system intended for off-grid rural electrification in Uzbekistan. The proposed architecture consists of a wind turbine, a permanent-magnet DC generator, and a buck converter supplying a regulated 48 V DC load. While ANFIS-based control has been reported previously for wind energy systems, the novelty of this work lies in its focused application to a DC-generator-based SWT topology using real wind data from the Bukhara region, together with a rigorous quantitative comparison against a conventional PI controller under both constant- and reconstructed variable-wind conditions. Dynamic performance was evaluated through MATLAB/Simulink simulations incorporating IEC-compliant wind turbulence modeling. Quantitative results show that the ANFIS controller achieves faster settling, reduced voltage ripple, and improved disturbance rejection compared to PI control. The findings demonstrate the technical feasibility of ANFIS-based voltage regulation for decentralized DC wind energy systems, while recognizing that economic viability and environmental benefits require further system-level and experimental assessment.

1. Introduction

Excessive greenhouse gas emissions are the principal drivers of global warming and climate change, necessitating a rapid global transition toward zero-carbon energy systems [1]. In response, extensive efforts have been devoted to the development of sustainable energy technologies, including fuel cells [2,3], oxygen reduction [4], solar cells [5], and energy storage devices (e.g., batteries and supercapacitors) [2,3]. Energy production devices driven by earth-abundant resources like oxygen [4], hydrogen [1], and water [1] are the most promising for mitigating greenhouse gas emissions and enhancing energy security. Among renewable energy sources, wind energy is widely renowned for its high efficiency, scalability, inexhaustibility, suitability, technological maturity, and cost-effectiveness. Thus, wind turbines are being deployed worldwide to enable the global transition to renewable energy. In this context, Uzbekistan is a nation heavily reliant on natural gas (i.e., over 85% of domestic energy production) [4,5,6,7], with a population projected to nearly double by 2100 [8], so Uzbekistan has a target of 25% renewable electricity by 2030 [9,10,11]. Although large-scale wind farms are in place in Uzbekistan [12,13,14,15,16,17,18,19,20], decentralized solutions have yet to be addressed. The geographic location provides Uzbekistan with significant wind resources, with average speeds of 6.5–7.5 m/s in high-potential regions [21] (Figure 1), which are suitable for SWT utilization.
Small-scale wind turbines typically feature rotor diameters between 3 and 10 m and rated power capacities ranging from approximately 1 to 20 kW, allowing them to meet the electricity demands of individual households or small communities [12,22]. In rural and remote areas of Uzbekistan, where access to skilled technical support is limited and system reliability is paramount, SWT installations must prioritize simplicity, robustness, and ease of maintenance [20,23]. Consequently, system architectures that minimize component count and operational complexity are particularly desirable for off-grid applications. When appropriately sized and operated under optimal conditions, SWTs can serve as a reliable source of green energy for lighting, water pumping, refrigeration, and small appliances in areas far from the national grid [24,25].
Within this context, the selection of a DC generator rather than a permanent-magnet synchronous generator (PMSG) represents a deliberate design decision aligned with rural electrification requirements. DC generators provide direct DC output, eliminating the need for additional rectification stages and thereby reducing system complexity, cost, and maintenance demands [26,27]. This simplicity is particularly advantageous in standalone SWT systems, where minimizing power electronic interfaces enhances reliability and facilitates integration with battery storage and low-voltage DC loads [24,25]. Although PMSG-based systems dominate grid-connected and large-scale wind applications, they typically require more sophisticated control schemes, higher-cost inverters, and complex synchronization mechanisms, which may be less suitable for cost-sensitive, decentralized rural deployments [28,29].
Despite their advantages, SWT systems operating in rural environments are subject to significant challenges arising from highly variable wind speeds, nonlinear turbine dynamics, and fluctuating load conditions. Power electronic converters, such as DC–DC buck converters, play a critical role in regulating the DC-link voltage and ensuring stable power delivery to connected loads or storage systems [30,31]. Conventional proportional–integral (PI) controllers are commonly employed for this purpose due to their simplicity; however, their fixed-gain structure often limits performance under rapidly changing operating conditions, resulting in reduced power extraction efficiency and voltage instability [30,31].
To address these limitations, intelligent control strategies have been increasingly explored for wind energy applications. Adaptive Neuro-Fuzzy Inference Systems (ANFISs) combine the learning capability of neural networks with the rule-based reasoning of fuzzy logic, enabling robust control in nonlinear and uncertain environments [32,33,34]. Although ANFISs have been successfully applied in large-scale wind turbines and AC-based systems, their application to DC-generator-based SWTs with simplified power electronic interfaces remains limited in the literature [30,32]. Moreover, few studies have investigated ANFIS-controlled SWT systems using real wind data within the specific context of rural electrification in Uzbekistan.
In response to this gap, the present study designs and evaluates an ANFIS-controlled SWT system using year-long wind speed data from Bukhara city, Uzbekistan. The proposed standalone configuration consists of a DC generator, a DC–DC buck converter, and an ANFIS-based controller that simultaneously performs maximum power point tracking and DC voltage regulation. System performance is rigorously compared with that of a conventional PI controller under realistic wind conditions. By directly linking system-level design decisions to the climatic and infrastructural realities of rural Uzbekistan, this work demonstrates the technical feasibility and practical relevance of intelligently controlled SWTs as a component of decentralized renewable energy solutions.

2. System Modeling

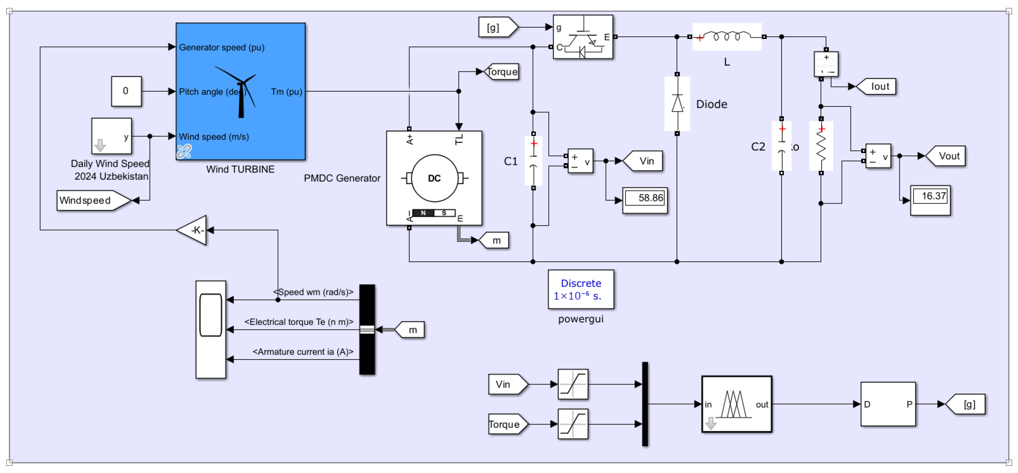
The entire architecture and control structure of the proposed wind energy system are shown in Figure 2. The system is made up of a DC generator that is mechanically connected to a wind turbine and whose variable output voltage is controlled by a buck converter. The ANFIS controller regulates the converter’s duty cycle. The control loop maintains a regulated 48 V DC output appropriate for rural household loads.
The proposed architecture utilizes a single PMDC generator mechanically coupled to the wind turbine as the sole source of electrical power. The generator delivers a variable DC voltage proportional to wind speed and turbine rotational speed, which is directly supplied to the buck converter without intermediate conversion stages. Real-time duty-cycle modulation is employed by the controller to regulate the DC output voltage delivered to the load. System interaction is strictly hierarchical and unidirectional, following the sequence wind turbine → PMDC generator → buck converter → DC load. No generator-to-generator interaction or power-sharing mechanism is present; a PMDC generator is intentionally selected to avoid the rectification stage required by PMSG-based systems, thereby reducing system complexity and improving suitability for off-grid rural applications.

2.1. Wind Resource Data and Pre-Processing

The wind resource in this study is characterized using daily mean wind speed data from the NASA POWER database for 2024, at a reference height of 50 m above ground level, for the Bukhara region of Uzbekistan. The selected point’s coordinates lie within the target rural area, and the dataset provides a single average daily wind speed for the entire year.
The raw data were checked for missing or clearly inconsistent entries. In the 2024 dataset, no gaps or obvious outliers were detected, so all 366 daily values were retained for the analysis. Since the hub height of the small-scale wind turbine differs from the 50 m reference height, the wind speeds were adjusted from the measurement height to the hub height using a standard power-law wind profile, with a roughness exponent representative of open rural terrain, following standard practice in wind engineering and previous studies on the wind potential of Uzbekistan [23,25].
For each day of the year, the adjusted wind speed at hub height was then used in the aerodynamic turbine model to calculate the corresponding mechanical power. This procedure yielded a time series of daily mechanical power values that formed the basis for the annual energy assessment and performance analysis discussed in Section 3.
In addition to the annual assessment, a representative day with pronounced wind variability was selected from October 2024 for detailed dynamic simulations. For this day, the daily mean wind speed from NASA POWER was combined with a normalized intra-day profile to reconstruct a time series with sub-hourly variations. This reconstructed wind speed profile was used as input to the Simulink model to evaluate and compare the performance of the PI and ANFIS controllers under realistic variable-wind conditions.

2.2. Wind Turbine System Design

The wind turbine system is designed to harness wind kinetic energy and convert it into mechanical energy. The aerodynamic power P w i n d , which is tapped by the turbine, can be quantitatively described as follows:
P w i n d = 1 2 ρ A v 3 C p
where ρ represents the air density (kg/m3), A is the swept area of the turbine blades (m2), v is the wind velocity (m/s), and C p Is the power coefficient an indicator of the turbine’s efficiency. The power coefficient C p depends on the tip speed ratio (λ) and the pitch angle of the blade (θ), where
λ = ω t R v
where ωt is the angular velocity of the turbine rotor (rad/s), R is the radius of the turbine blade (m), and v is the wind speed (m/s) [28].
The relationship between Cp, λ, and θ is often described through empirical or theoretical models. One widely used model is described as
C p λ , θ = 0.22   116 λ i 0.4 θ 5 e 12.5 λ i
Here, λ i is given as
λ i = 1 λ + 0.08 θ 0.035 θ 3 + 1 1
This equation, based on blade-element momentum theory, requires iterative calculations for practical use while providing a reliable estimate of turbine efficiency [28,31]. Figure 3 shows the mechanical output power of the wind turbine against different wind speeds and a pitch angle of 0. At every different wind speed, the wind turbine provides a unique maximum power output. The torque T generated by the turbine can be quantified as
T = P w i n d ω t
where ωt is the angular velocity of the turbine (rad/s). It is assumed that the turbine operates under uniform wind conditions, with its performance parameters optimized for high performance in Uzbekistan’s designated wind resource regions [31].

2.3. High-Frequency Wind Reconstruction Using IEC-Compliant Turbulence Modeling

NASA POWER provides daily mean wind speed data, which are appropriate for long-term energy yield assessment but insufficient for evaluating the dynamic behavior of real-time controllers due to the absence of high-frequency wind fluctuations. To enable realistic controller-level dynamic analysis, a two-scale wind modeling framework is adopted in this study. The wind speed input to the control system is expressed as
V ( t ) = V ¯ + v ( t )
where V ¯ is the daily mean wind speed obtained from the NASA POWER database, and v ( t ) is a stochastic turbulence component representing sub-daily wind variability.
The turbulence component v ( t ) is synthesized using an IEC 61400-1 [35], compliant Kaimal turbulence spectrum, which is widely accepted for wind turbine dynamic studies and controller validation. The Kaimal power spectral density (PSD) of longitudinal wind speed fluctuations is defined as
S v ( f ) = 4 σ v 2 L / V ¯ 1 6 f L / V ¯ 5 / 3
where f is the frequency (Hz), σ v = T I V ¯ is the standard deviation of wind speed, T I is the turbulence intensity (set to 15% in this study, representative of rural terrain), L is the turbulence integral length scale (IEC-recommended), and V ¯ is the mean wind speed.
A band-limited Gaussian noise process is filtered to match this spectral distribution, ensuring that the reconstructed wind signal exhibits physically realistic energy content across low- and high-frequency bands relevant to mechanical, electrical, and converter-level dynamics.
By adopting an IEC-compliant turbulence reconstruction rather than an arbitrary intraday profile, the reported transient responses and settling times are evaluated under wind conditions that are statistically and physically representative of real small wind turbine operation.
The reported annual average mechanical power of 6.3 kW corresponds to the aerodynamic power available at the turbine rotor, calculated using the standard wind power equation and real wind data. This value represents the upper-bound mechanical input to the electromechanical conversion chain and does not imply that 6.3 kW is delivered electrically to the load. In practice, the usable electrical power is constrained by generator efficiency, power electronic losses, and the rated electrical load. Therefore, electrical feasibility must be evaluated based on delivered electrical power, annual energy yield (kWh), and system availability, rather than mechanical power alone. Table 1 shows the wind modeling parameters used for dynamic controller evaluation.
The delivered DC electrical power is calculated as
P e = P m × η g × η r × η d c
where P m is the mechanical power at the turbine shaft, η g is the DC generator efficiency, η r represents rectification losses, and η d c is the DC–DC buck converter efficiency. Based on conservative values consistent with small-scale wind systems ( η g = 0.8 ; η r = 0.9 ; η d c = 0.92 ), this results in an overall electromechanical efficiency of approximately 75%, which is consistent with reported values for DC-generator-based SWT systems.
When the available mechanical power exceeds the rated 48 V, 1 kW DC load, the system does not attempt to extract surplus energy. Instead, the controller enforces power curtailment, and the ANFIS control objective shifts from power maximization to strict DC voltage regulation. This operational strategy reflects realistic rural electrification constraints, where the load rating not the wind resource defines usable power. Annual electrical energy production is calculated as
E a n n u a l = P e ( t ) Δ t
After accounting for efficiency losses and curtailment above 1 kW, the system delivers reliable electrical energy sufficient for residential DC loads on over 92% of days, with only 27 out of 366 days falling below the rated load threshold. Table 2 shows the electrical feasibility metrics of the proposed SWT system.

2.4. DC Generator

DC generators are widely used in small-scale wind energy systems to convert mechanical energy from wind turbines into electrical energy. When the wind spins the blades of a turbine, it turns the shaft of the DC generator, which causes the rotor to spin in a magnetic field, producing electricity. As explained by Faraday’s law of electromagnetic induction, this motion generates a voltage between the generator’s terminals.
When the rotor is in motion, the armature windings cut through magnetic field lines, generating an electromotive force (EMF). As the rotor rotates more, the EMF increases.
The internal resistance and inductance will contribute to the mentioned output voltage, and the equation is
V a = E R a   i a L a d i a d t
where V a is the terminal voltage, E is the generated EMF, R a is the armature resistance, i a is the current, and L a is the armature inductance. Angular speed of the shaft is also directly proportional to EMF itself, which is defined as
E = K e ω
where K e is the EMF constant, and ω is the angular speed of the generator. The faster the wind blows, the faster the turbine will rotate, and the faster the blade spins, the higher the voltage will be [27].
The electromagnetic torque opposing the movement of the turbine is defined as T e = K t   i a . In practice, K t is equivalent to the k e in an optimally designed machine, according to the laws of conservation of energy [27]. The mechanical dynamics of the system involve the following modeling:
T m T e = J d ω d t + B ω
In the above, T m is the mechanical torque provided by the wind, J is inertia, and B is the coefficient of friction.

2.5. Buck Converter Design

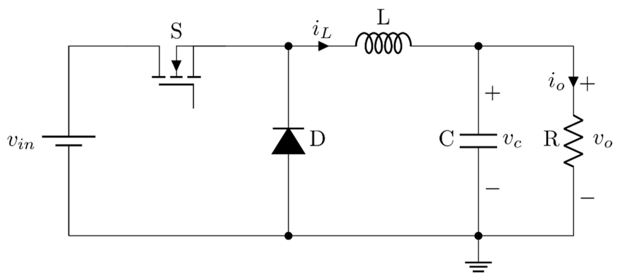
The buck converter plays a crucial role in the wind power system by converting the variable DC generator voltage into a stable 48 V supply suitable for powering the load. It is designed to deliver 1000 W of power. Figure 4 illustrates the structural layout of the buck converter, comprising a semiconductor switch, a diode, and an inductor.
For continuous conduction mode (CCM), output voltage Vo is proportional to the voltage Vin and duty cycle D and is given by the following governing equation for the output voltage Vo:
V o = D V i n
D = t o n T s : the duty cycle, i.e., the switch-on duration ton over the switching period T s = 1 f s ; V i n : wind generator voltage (variable with variation in wind velocity). The output voltage V o is regulated at 48 V, with real-time control of the duty cycle D via a feedforward control mechanism.
The inductor current i L and capacitor voltage v C obey the following governing differential equations in CCM:
L d i L d t     = V i n V o
C d v C d t = i L I l o a d

2.6. Practical Considerations for Buck Converter Implementation

The proposed buck converter is designed to regulate a wide and variable DC input voltage range (168–530 V) to a regulated 48 V output at a rated power of 1 kW. Although the primary focus of this work is control-oriented feasibility analysis, practical implementation aspects are explicitly considered to ensure engineering realism.
From a component rating perspective, the semiconductor switch and diode are selected to withstand the maximum input voltage with appropriate safety margins. For the specified operating range, commercially available MOSFETs or IGBTs with voltage ratings above 650 V and current ratings exceeding 30 A are suitable, ensuring safe operation under worst-case wind and load conditions. The inductor and output capacitor are sized to operate within continuous conduction mode, with current and voltage ratings selected to accommodate ripple components and transient loading.
Conduction and switching losses are inherent in high-power DC–DC converters operating at elevated voltage levels. In the proposed system, conduction losses arise primarily from the on-state resistance of the switch and the forward voltage drop of the diode, while switching losses are associated with device turn-on and turn-off transitions at the selected switching frequency of 10 kHz. These losses are implicitly accounted for in the overall DC–DC converter efficiency assumed in the electrical power calculation. Operating at a moderate switching frequency represents a trade-off between efficiency, passive component size, and electromagnetic interference.
Thermal constraints are also considered at a system level. The converter is assumed to operate with appropriate heat-sinking and passive cooling, which is consistent with low-cost rural deployments where forced cooling may be undesirable. Under rated operating conditions, thermal stresses remain within acceptable limits when standard industrial components are employed. In the proposed system, EMI mitigation is addressed through conventional measures such as proper layout practices, input and output filtering, and controlled switching slopes. While detailed EMI filter design is beyond the scope of this study, the selected switching frequency and converter topology are compatible with standard EMI compliance techniques used in off-grid power electronics. Table 3 shows the practical buck converter design considerations.

2.7. ANFIS Controller Design

An Adaptive Neuro-Fuzzy Inference System (ANFIS) is employed to regulate the duty cycle of the buck converter. The primary objective of the controller is to maintain the DC-bus voltage at 48 V and ensure stable power delivery under varying wind conditions. ANFIS combines the learning capability of neural networks with the linguistic reasoning of fuzzy logic, enabling robust nonlinear control.
The controller uses two input variables: the DC generator output voltage and the turbine torque. Based on these inputs, the ANFIS generates the appropriate duty cycle to regulate the buck converter output voltage and power.
Training data for the ANFIS were generated through simulation using a conventional PI controller. The recorded variables included turbine torque, generator voltage, and the PI controller’s duty cycle. The ANFIS was trained using the standard MATLAB/Simulink (2023 R2023B) ANFIS toolbox until the error between the ANFIS output and the PI-generated duty cycle was minimized. In this study, the PI controller serves as a reference benchmark, and its performance is directly compared with that of the ANFIS controller under identical wind conditions.
Both generator voltage and turbine torque are fuzzified using generalized bell-shaped membership functions. Five overlapping membership functions are defined for each input, corresponding to the linguistic terms Very Low, Low, Medium, High, and Very High. The resulting ANFIS architecture consists of 25 Sugeno-type fuzzy rules, automatically generated by MATLAB to cover all combinations of the input membership functions. Each rule has a unit weight, ensuring a smooth, continuous duty-cycle adjustment in response to variations in wind speed and operating conditions.

2.8. ANFIS Learning Objective and Independence from PI Control

While the conventional PI controller is initially used to ensure safe and bounded operation of the buck converter, the proposed ANFIS controller is not trained as a duty-cycle replica of the PI controller. Instead, a two-stage learning and optimization framework is adopted to ensure independent nonlinear control capability.
In Stage I (Supervised Initialization), the PI controller operates under nominal wind conditions to generate bounded duty-cycle trajectories. These data are used solely to initialize the ANFIS premise and consequent parameters, preventing unsafe duty-cycle excursions during early learning and ensuring closed-loop stability.
In Stage II (Plant-Level Performance Optimization), the ANFIS controller is decoupled from PI signal matching and is optimized using plant-in-the-loop performance indices. The learning objective directly minimizes voltage regulation and dynamic performance metrics derived from the physical system response rather than the PI output.
The composite ANFIS cost function is defined as
J = w 1 0 T V r e f V o ( t ) d t + w 2 0 T t V r e f V o ( t ) d t + w 3 1 T 0 T ( V o ( t ) V ¯ o ) 2 d t
where V r e f is the reference DC voltage, V o ( t ) is the converter output voltage, the first term represents integral absolute error (IAE), the second term represents integral time-weighted absolute error (ITAE), the third term quantifies RMS voltage ripple, and w 1 , w 2 , w 3 are weighting factors selected to balance transient speed and steady-state quality.
This formulation enables the ANFIS controller to learn a nonlinear mapping between generator voltage–torque states and optimal duty-cycle commands, explicitly accounting for wind-driven nonlinearities, converter dynamics, and load disturbances. Consequently, the final ANFIS controller is not constrained to PI behavior and evolves beyond linear error correction, particularly under fast wind transients where PI control is fundamentally limited.
The ANFIS structure and membership functions are illustrated in Figure 5, Figure 6, Figure 7, Figure 8 and Figure 9, while the complete rule base generated by MATLAB is presented in Table 4. in1mf1–in1mf5 and in2mf1–in2mf5 correspond to the five membership functions of each input.
Since an Adaptive Neuro-Fuzzy Inference System (ANFIS) is employed as the controller, the fuzzy rules are automatically generated and tuned by the neural network during training, rather than being manually defined. The training process converges in a single epoch, achieving a minimal training error, indicating a strong correlation between the input variables and the required duty cycle. The overall ANFIS clearly shows the two input variables, generator voltage and turbine torque, and the resulting duty cycle as the controller output. Furthermore, the control surface depicted in Figure 9 illustrates the nonlinear relationship between the two inputs and the output duty cycle, highlighting the controller’s adaptive nature. As demonstrated in the Section 3, the ANFIS controller exhibits a faster dynamic response and improved DC-bus voltage stability compared to the conventional PI controller. However, this enhanced performance comes at the expense of a slight increase in computational complexity.

3. Results

The wind speed data obtained from the NASA POWER database cover the entire 2024 calendar year and consist of daily mean wind speeds measured at a reference height of 50 m. Using the mechanical power equation of the wind turbine, the corresponding daily and monthly mechanical power outputs were calculated. The resulting power profiles are shown in Figure 10 and Figure 11 [29].
Daily mean wind speed data were obtained from the NASA POWER (Prediction of Worldwide Energy Resources) database for the calendar year 2024. The data correspond to the Bukhara region of Uzbekistan at geographic coordinates of 39.77° N latitude and 64.43° E longitude, queried at a reference height of 50 m above ground level. The data were retrieved using the NASA POWER web interface with default temporal aggregation settings (daily mean wind speed). The downloaded dataset was inspected for missing or inconsistent values, no gaps or outliers were identified, and all 366 daily samples were retained. Since the turbine hub height differs from the reference height, the wind speeds were adjusted using a standard power-law vertical wind profile with a rural terrain roughness exponent. The adjusted wind speed time series was subsequently used as input to the aerodynamic wind turbine model. For dynamic simulations, high-frequency wind variations were reconstructed by superimposing an IEC 61400-1-compliant Kaimal turbulence model onto the daily mean wind speed.
The simulation results indicate that the wind resource available in 2024 is sufficient to supply power for residential household applications, as the generated mechanical power exceeds 1 kW for the majority of the year. Out of the 366 days analyzed, only 27 days exhibit wind speeds that result in mechanical power output below 1 kW. The annual average mechanical power is approximately 6.3 kW, which is illustrated in Figure 10 by a horizontal red line. Seasonal variation in power generation is also observed, with higher power output during the summer and autumn months, where most data points lie above the annual average, compared to the spring and winter seasons. Table 5 shows the parameters used in the proposed system.
Figure 12 illustrates the synthesized high-frequency wind signal obtained by superimposing Kaimal-spectrum-based turbulence on the daily mean wind speed. The resulting profile exhibits realistic short-term fluctuations with amplitudes and frequency content consistent with standard wind turbulence models used for controller validation. This reconstructed wind input is used for all transient and settling-time analyses of the PI and ANFIS controllers.
The complete MATLAB/Simulink model used for the dynamic analysis is shown in Figure 13 The model integrates the wind turbine, DC generator, and power electronic interface in the form of a buck converter [36,37]. Simulations were conducted under both constant- and variable-wind-speed conditions to evaluate and compare the ability of the PI and ANFIS controllers to regulate the output voltage and power [38,39]. For the constant-wind-speed scenario, a step change in wind speed was applied, increasing from an initial value of 3 m/s to a final value of 6 m/s, in order to assess the transient response and voltage regulation performance of both controllers.

3.1. Constant Speed

When the wind speed was 3 m/s, the output of the DC generator was 168 V. This voltage was then used as input to the buck converter to step it down to 48 V. Based on the buck converter’s governing equation, the expected duty cycle should have been approximately 0.28. As shown in Figure 14, the duty cycle was as expected [22]. The same result was observed when the wind speed was set to 6 m/s.
When the wind speed increased to 10 m/s, the DC generator voltage increased to 286 V. To maintain the output power and voltage, the PI controller had to generate a new duty cycle to keep the output constant. From Figure 14, we can see the duty cycle dropped to 0.17 to maintain the output. The transient shown in the simulation at 2.5 s was a result of the sudden change in wind speed.
The system was also tested using the ANFIS controller. From Figure 15 we can see how accurate and fast the response of the system was. The system settled at 0.25 s compared to 1.7 s when using the PI controller. Also, when the wind speed changed from 3 m/s to 6 m/s, the system had a better performance when compared to the PI controller, because of the fast response to changes in wind speed.

3.2. Variable Speed

For the variable-wind simulation, the first day of October was selected. The simulation result showed that as the speed changed, the DC generator output voltage also changed [40]. Without a controller, these changes would definitely affect the desired output voltage. This variable voltage was fed as input voltage to the buck converter. The PI and ANFIS controllers ensured that the duty cycle was updated continuously as the input voltage changed, maintaining the desired output voltage and power. As seen in Figure 16, when using only the PI controller, the output voltage was maintained at the desired 48 V with few ripples due to speed changes. Also, the current was maintained to ensure that the output power remained at the desired 1000 W. Using the PI controller, we could see how slow the system responded to changes in wind speed.
In contrast, when the ANFIS controller was employed, the system exhibited a more accurate and faster response to wind speed variations, as illustrated in Figure 17.
The simulation results showed that the ANFIS controller performed better than the PI controller; however, it required more computing power.
In both the constant- and variable-wind-speed cases, the ANFIS controller reached the reference DC voltage faster and with a smaller transient than the PI controller. The voltage ripple was also lower with ANFIS when the wind speed changed rapidly, indicating that ANFIS improved the dynamic behavior and stability of the small wind energy system compared to conventional PI control.

3.3. Analysis with Load Variation

The dynamic response of the wind energy conversion system under step-varying load conditions and a fixed wind speed of 8 m/s is shown in Figure 18. The wind speed stayed almost constant throughout the simulation, as seen in the top-left subplot, demonstrating that all observable electrical transients were exclusively caused by changes in load rather than wind disturbances. Effective upstream voltage stabilization was shown by the matching input voltage, which was tightly regulated around 200 V and showed only slight ripple despite large variations in load demand.
The output voltage was maintained close to the nominal 48 V with negligible deviation during all load transitions, indicating the robust voltage regulation capability of the proposed control strategy. In contrast, the output current adapted dynamically to meet the varying power demand, increasing from approximately 6 A (300 W) to 19 A (900 W) and subsequently settling around 12.5 A (600 W) in accordance with the imposed load steps. This behavior confirmed proper current sharing and load tracking without inducing instability.
The output power profile further validates the system’s ability to accurately track the commanded load levels while respecting the maximum power constraint of 1 kW. Transient overshoots were minimal and rapidly damped, highlighting the effectiveness of the control strategy in suppressing oscillations. These results confirm that the proposed controller ensures stable voltage regulation, precise power delivery, and smooth duty-cycle adaptation under variable-load conditions with fixed wind input, thereby demonstrating the system’s suitability for reliable DC-based rural electrification applications.

3.4. Quantitative Performance Comparison Between PI and ANFIS Controllers

To ensure an objective and reproducible comparison between the conventional PI controller and the proposed ANFIS controller, standard control performance indices were evaluated under identical operating conditions. The assessed metrics included the root mean square error (RMSE) of the DC-bus voltage, integral absolute error (IAE), integral time-weighted absolute error (ITAE), percentage overshoot, settling time, and RMS voltage ripple. These indices provided a comprehensive assessment of both transient and steady-state controller performance.
The PI controller was tuned using a linearized small-signal model of the buck converter around the nominal operating point. The proportional and integral gains were selected to achieve stable closed-loop operation with adequate phase margin and minimal steady-state error. This systematic tuning procedure ensured a fair and unbiased benchmark for comparison with the ANFIS controller.
Both controllers were tested under identical wind speed profiles, load conditions, and converter parameters. Performance indices were extracted from the simulated DC-bus voltage response for constant- and variable-wind scenarios. The resulting quantitative comparison is summarized in Table 6.
The results demonstrate that the ANFIS controller consistently outperformed the PI controller across all evaluated indices. In particular, the ANFIS controller exhibited significantly faster settling time, reduced overshoot, and lower voltage ripple under dynamic wind conditions. These improvements arose from the nonlinear adaptive mapping capability of ANFIS rather than replication of PI behavior, thereby validating the robustness and fairness of the comparative analysis.

3.5. Robustness Analysis Under Non-Ideal Operating Conditions

To evaluate controller robustness beyond nominal operating conditions, additional simulations were conducted considering parameter uncertainty, load variation, and measurement noise. These scenarios reflect realistic non-ideal conditions encountered in small-scale wind energy systems deployed in rural environments.
Parameter uncertainty was introduced by varying the buck converter inductance and capacitance within ±20% of their nominal values, consistently with practical component tolerance ranges. Load variation was evaluated by stepping the DC load power across the operating range, including both partial-load and rated-load conditions. In addition, measurement noise was injected into the DC-bus voltage feedback signal to emulate sensor inaccuracies and electrical noise. The resulting performance metrics are summarized in Table 7.
Controller robustness was assessed using key performance indicators, including maximum voltage deviation, settling time, and RMS voltage ripple. All test cases were applied identically to both PI and ANFIS controllers to ensure a fair comparison.

4. Discussion

The results presented in Section 3.3, Section 3.4 and Section 3.5 demonstrate that a DC-generator-based small-scale wind energy system regulated through a buck converter is technically suitable for off-grid rural electrification under realistic operating conditions. The load variation analysis confirms that the proposed control framework maintains a tightly regulated 48 V DC bus even under large step changes in load demand, while accurately adapting output current and power without inducing instability. This behavior is essential for rural household applications, where load profiles are inherently time-varying and unpredictable.
A key outcome of the study is the clear and quantitatively validated superiority of the ANFIS controller over conventional PI control. As shown in Table 6, ANFIS achieves substantially lower RMSE, IAE, and ITAE values, together with reduced overshoot, faster settling time, and lower RMS voltage ripple under both constant- and variable-wind conditions. These improvements arise from the nonlinear adaptive mapping capability of ANFIS, which enables more effective compensation for wind-induced input voltage variations and load disturbances than linear PI control. The robustness analysis in Table 7 further confirms that ANFIS maintains stable operation with smaller voltage deviations and faster recovery under parameter uncertainty and load steps, highlighting its stronger disturbance rejection capability.
While the ANFIS controller offers superior dynamic and steady-state performance, this advantage is accompanied by increased computational complexity compared to PI control. However, within the context of simulation-based feasibility analysis and low-frequency power electronic control, this trade-off is acceptable when improved voltage quality and robustness are required. Overall, the findings indicate that intelligently controlled DC-based SWTs, particularly when using ANFIS regulation, represent a promising technical solution for reliable rural electrification. The integration of energy storage or complementary renewable sources, such as solar PV, is identified as a logical next step to further enhance supply continuity and system resilience in future work.

5. Conclusions

This study evaluated the technical feasibility of deploying small-scale wind turbines (SWTs) for decentralized rural electrification in Uzbekistan through theoretical modeling and simulation. Using year-long wind speed data obtained from NASA for the Bukhara region, the results demonstrate that the available wind resource is sufficient to support household-scale power generation, with mechanical power exceeding 1 kW for the majority of the year and an annual average of approximately 6.3 kW. These findings confirm the suitability of the selected site and wind conditions for small-scale wind energy applications.
The simulation results further show that integrating an SWT with a DC generator, a DC-DC buck converter, and an Adaptive Neuro-Fuzzy Inference System (ANFIS) controller enhances system performance under variable-wind conditions. In comparison with a conventional proportional–integral (PI) controller, the ANFIS-based control strategy exhibits faster dynamic response and improved DC-link voltage stability, particularly during wind speed fluctuations. These improvements highlight the effectiveness of intelligent control for standalone SWT systems intended for off-grid operation.
While the present work focuses on simulation-based performance assessment, the results suggest that intelligently controlled SWT systems could contribute to decentralized renewable energy solutions aligned with Uzbekistan’s long-term energy diversification and sustainability goals. However, quantitative economic analysis, life-cycle environmental assessment, and real-world operational validation are beyond the scope of this study and remain necessary to fully assess large-scale deployment potential.
Future work will therefore focus on experimental validation of the proposed control strategy through laboratory-scale prototyping and, subsequently, field testing in the Bukhara region. Additionally, the integration of battery energy storage and solar photovoltaic generation will be investigated to form a hybrid microgrid capable of enhancing supply reliability and resilience for rural applications.

Author Contributions

Conceptualization, supervision, writing—original draft preparation, B.U.; methodology, software, formal analysis, U.M.; investigation, N.M.; writing—review and editing, visualization, M.C. All authors have read and agreed to the published version of the manuscript.

Funding

This research received no external funding.

Data Availability Statement

The data presented in this study are available on request from the corresponding authors.

Acknowledgments

The authors sincerely appreciate the ongoing support from their universities and institutes.

Conflicts of Interest

The authors declare no conflicts of interest.

References

  1. Ipadeola, A.K.; Chitt, M.; Abdelgawad, A.; Eid, K.; Abdullah, A.M. Graphene-based catalysts for carbon monoxide oxidation: Experimental and theoretical insights. Int. J. Hydrogen Energy 2023, 48, 17434–17467. [Google Scholar] [CrossRef]
  2. Ipadeola, A.K.; Eid, K.; Abdullah, A.M. Porous transition metal-based nanostructures as efficient cathodes for aluminium-air batteries. Curr. Opin. Electrochem. 2023, 37, 101198. [Google Scholar] [CrossRef]
  3. Idris Abdu, H.; Mahmood, S.A.; Aboudou, T.; Guo, Y.; Li, N.N.; Lu, X.; Liu, Z.; Jlassi, K.; El-Demellawi, J.K.; Eid, K. Hierarchical porous carbon biochar nanotubes encapsulated metal nanocrystals with a strong metal-carbon interaction for high-performance supercapacitors. Ultrason. Sonochem. 2025, 121, 107476. [Google Scholar] [CrossRef] [PubMed]
  4. IEA. Renewables 2022: Analysis and Forecast to 2027; OECD Publishing: Paris, France, 2022. [Google Scholar]
  5. Bahrami, A.; Teimourian, A.; Okoye, C.O.; Shiri, H. Technical and economic analysis of wind energy potential in Uzbekistan. J. Clean. Prod. 2019, 223, 801–814. [Google Scholar] [CrossRef]
  6. IEA. Uzbekistan Energy Profile. Available online: https://www.iea.org/reports/uzbekistan-energy-profile (accessed on 15 September 2025).
  7. Nuriddinova, M.; Ahmad, M. Economic growth with environmental hurdles in Uzbekistan: Testing the EKC hypothesis. Front. Environ. Sci. 2025, 13, 1589766. [Google Scholar] [CrossRef]
  8. Ritchie, H.; Rodés-Guirao, L.; Mathieu, E.; Gerber, M.; Ortiz-Ospina, E.; Hasell, J.; Roser, M. Population Growth. Available online: https://ourworldindata.org/population-growth (accessed on 15 September 2025).
  9. Republic of Uzbekistan, P. Resolution of the President of the Republic of Uzbekistan No. RP-4477: On the Approval of the Strategy for Transition of the Republic of Uzbekistan to a Green Economy for 2019–2030. 2019. Available online: https://policy.asiapacificenergy.org/node/4379 (accessed on 15 September 2025).
  10. IEA. Solar Energy Policy in Uzbekistan: A Roadmap; IEA: Paris, France, 2022; Available online: https://www.iea.org/reports/solar-energy-policy-in-uzbekistan-a-roadmap (accessed on 15 September 2025).
  11. ADB. Distribution Network Digital Transformation and Resiliency Project: Report and Recommendation of the President. Available online: https://www.adb.org/projects/documents/uzb-56231-001-rrp (accessed on 15 September 2025).
  12. Tummala, A.; Velamati, R.K.; Sinha, D.K.; Indraja, V.; Krishna, V.H. A review on small scale wind turbines. Renew. Sustain. Energy Rev. 2016, 56, 1351–1371. [Google Scholar] [CrossRef]
  13. Sornek, K.; Herzyk, A.; Homa, M.; Frigura-Iliasa, F.M.; Frigura-Iliasa, M. Urban Wind as a Pathway to Positive Energy Districts. Energies 2025, 18, 5897. [Google Scholar] [CrossRef]
  14. Vanegas-Alzate, J.P.; Restrepo-Madrigal, M.A.; Torres-Madroñero, J.L.; Nieto-Londoño, C.; Barragán de los Rios, G.A.; Tamayo-Avendaño, J.M.; Sierra-Pérez, J.; Alvarez-Montoya, J.; Restrepo-Montoya, D. Bend–Twist Coupling for Small Wind Turbines: A Blade Design Methodology to Enhance Power Generation. Energies 2025, 18, 5353. [Google Scholar] [CrossRef]
  15. Varaganti, G.S.; Kampa, N.B.; Vuddanti, S. Design and Modelling of Small Scale Wind Turbine for Domestic Power Generation. In Proceedings of the 2022 IEEE 2nd International Conference on Sustainable Energy and Future Electric Transportation (SeFeT), Hyderabad, India, 4–6 August 2022; pp. 1–5. [Google Scholar]
  16. Sadullayev, N.N.; Safarov, A.B.; Nematov, S.N.; Mamedov, R.A. Statistical Analysis of Wind Energy Potential in Uzbekistan’s Bukhara Region Using Weibull Distribution. Appl. Sol. Energy 2019, 55, 126–132. [Google Scholar] [CrossRef]
  17. Kaminski, M.; Loth, E.; Griffith, D.T.; Qin, C.C. Ground testing of a 1% gravo-aeroelastically scaled additively-manufactured wind turbine blade with bio-inspired structural design. Renew. Energy 2020, 148, 639–650. [Google Scholar] [CrossRef]
  18. Ismail, K.A.; Canale, T.; Lino, F.A. Effects of the airfoil section, chord and twist angle distributions on the starting torque of small horizontal axis wind turbines. J. Energy Resour. Technol. 2022, 144, 051301. [Google Scholar] [CrossRef]
  19. Tahani, M.; Kavari, G.; Masdari, M.; Mirhosseini, M. Aerodynamic design of horizontal axis wind turbine with innovative local linearization of chord and twist distributions. Energy 2017, 131, 78–91. [Google Scholar] [CrossRef]
  20. Djalilova, N.; Esteban, M. Feasibility Study of Hybrid Wind-Solar Stand-Alone Energy System for Remote Regions in Developing Countries: The Case of Post-Soviet Uzbekistan. Int. J. Sust. Future Human Sec. 2018, 6, 3–14. [Google Scholar] [CrossRef]
  21. GWA. Global Wind Atlas Mean Wind Speed 50 m in Uzbekistan. Available online: https://globalwindatlas.info/en/ (accessed on 15 September 2025).
  22. Moska, W.; Piechowski, L.; Łebkowski, A. Selection and Classification of Small Wind Turbines for Local Energy Systems: Balancing Efficiency, Climate Conditions, and User Comfort. Energies 2025, 18, 4575. [Google Scholar] [CrossRef]
  23. Voropai, N.; Saitov, E.B.; Senderov, S.; Michalevich, A.; Guliev, H. Renewable energy development in Uzbekistan: Current status, problems and solutions. In E3S Web of Conferences; EDP Sciences: Les Ulis, France, 2020; p. 216. [Google Scholar] [CrossRef]
  24. Bekele, G.; Tadesse, G. Feasibility study of small Hydro/PV/Wind hybrid system for off-grid rural electrification in Ethiopia. Appl. Energy 2012, 97, 5–15. [Google Scholar] [CrossRef]
  25. Rehman, S.U.; Rehman, S.; Qazi, M.U.; Shoaib, M.; Lashin, A. Feasibility study of hybrid energy system for off-grid rural electrification in southern Pakistan. Energy Explor. Exploit. 2016, 34, 468–482. [Google Scholar] [CrossRef]
  26. Ndiaye, A.; Ali, M.E.; Sow, S.; Kébé, C.M.F.; Sambou, V.; Ndiaye, P.A. Design of a Low-Cost Wind Turbine Controller for Decentralized Rural Electrification Through the Small Wind Turbine. In International Conference on Innovations and Interdisciplinary Solutions for Underserved Areas; Springer International Publishing: Cham, Switzerland, 2019; pp. 116–127. [Google Scholar]
  27. Hughes, A.; Drury, B. Electric Motors and Drives: Fundamentals, Types and Applications, 5th ed.; Newnes: Oxford, UK; Cambridge, MA, USA, 2019; 495p. [Google Scholar]
  28. Lubosny, Z. Wind Turbine Operation in Electric Power Systems: Advanced Modeling; Springer: Berlin, Germany; New York, NY, USA, 2003; 259p. [Google Scholar]
  29. Huang, S.; Zhang, Z.; Chen, Z.; Huang, H.; Li, Z. Stability Analysis and Enhanced Control of Wind Turbine Generators Based on Hybrid GFL-GFM Control. Energies 2025, 18, 4590. [Google Scholar] [CrossRef]
  30. Griche, I.; Messalti, S.; Saoudi, K.; Touafek, M. A New Adaptive Neuro-Fuzzy Inference System (ANFIS) and PI Controller to Voltage Regulation of Power System Equipped by Wind Turbine. Eur. J. Electr. Eng. 2019, 21, 149–155. [Google Scholar] [CrossRef]
  31. Rafaat, S.M.; Hussein, R. Power Maximization and Control of Variable-Speed Wind Turbine System Using Extremum Seeking. J. Power Energy Eng. 2018, 6, 51–69. [Google Scholar] [CrossRef]
  32. Aloo, L.A.; Kihato, P.K.; Kamau, S.I.; Orenge, R.S. Modeling and control of a photovoltaic-wind hybrid microgrid system using GA-ANFIS. Heliyon 2023, 9, e14678. [Google Scholar] [CrossRef]
  33. Nasim, F.; Khatoon, S.; Ibraheem; Urooj, S.; Shahid, M.; Ali, A.; Nasser, N. Hybrid ANFIS-PI-Based Optimization for Improved Power Conversion in DFIG Wind Turbine. Sustainability 2025, 17, 2454. [Google Scholar] [CrossRef]
  34. Ramana, P.V.; Rosalina, K.M. Optimizing weak grid integrated wind energy systems using ANFIS-SRF controlled DSTATCOM. Sci. Rep. 2025, 15, 13662. [Google Scholar] [CrossRef]
  35. IEC 61400-1:2019; Wind Energy Generation Systems—Part 1: Design Requirements. International Electrotechnical Commission: Geneva, Switzerland, 2019.
  36. Teklemariyem, D.A.; Syed, N.H.R.; Dao, P.B. CFD-Driven Design Optimization of Corrugated-Flange Diffuser-Integrated Wind Turbines for Enhanced Performance. Energies 2025, 18, 4601. [Google Scholar] [CrossRef]
  37. Pratticò, D.; Laganà, F.; Versaci, M.; Franković, D.; Jakoplić, A.; Vlahinić, S.; La Foresta, F. Enhancing Power Quality and Reducing Costs in Hybrid AC/DC Microgrids via Fuzzy EMS. Energies 2025, 18, 5985. [Google Scholar] [CrossRef]
  38. Boumezbeur, N.E.; Smaili, A. An Aerodynamic Optimization Approach for Wind Turbine Blades Using Proper Generalized Decomposition. Energies 2025, 18, 5846. [Google Scholar] [CrossRef]
  39. Rabee, H.W.S.; Majeed, D.M. Energy Management System-Based Multi-Objective Nizar Optimization Algorithm Considering Grid Power and Battery Degradation Cost. Energies 2025, 18, 5678. [Google Scholar] [CrossRef]
  40. Do, J.-H.; Kim, Y.-C.; Song, S.-H. Periodic Power Fluctuation Smoothing Control Using Blade Inertia and DC-Link Capacitor in Variable-Speed Wind Turbine. Energies 2025, 18, 3763. [Google Scholar] [CrossRef]
Figure 1. Mean wind speed at 50 m in Uzbekistan.
Figure 1. Mean wind speed at 50 m in Uzbekistan.
Energies 19 00601 g001
Figure 2. Overall system topology of the proposed scheme.
Figure 2. Overall system topology of the proposed scheme.
Energies 19 00601 g002
Figure 3. Wind turbine characteristics.
Figure 3. Wind turbine characteristics.
Energies 19 00601 g003
Figure 4. Buck converter.
Figure 4. Buck converter.
Energies 19 00601 g004
Figure 5. ANFIS structure.
Figure 5. ANFIS structure.
Energies 19 00601 g005
Figure 6. ANFIS membership function plot (input voltage).
Figure 6. ANFIS membership function plot (input voltage).
Energies 19 00601 g006
Figure 7. ANFIS membership function plot (input torque).
Figure 7. ANFIS membership function plot (input torque).
Energies 19 00601 g007
Figure 8. ANFIS membership function plot (duty cycle).
Figure 8. ANFIS membership function plot (duty cycle).
Energies 19 00601 g008
Figure 9. Surface view of the ANFIS controller.
Figure 9. Surface view of the ANFIS controller.
Energies 19 00601 g009
Figure 10. Daily mechanical power for the year.
Figure 10. Daily mechanical power for the year.
Energies 19 00601 g010
Figure 11. Monthly wind power.
Figure 11. Monthly wind power.
Energies 19 00601 g011
Figure 12. Reconstructed wind speed profile using IEC-compliant Kaimal turbulence model (mean = 6 m/s; TI = 15%).
Figure 12. Reconstructed wind speed profile using IEC-compliant Kaimal turbulence model (mean = 6 m/s; TI = 15%).
Energies 19 00601 g012
Figure 13. Simulink model.
Figure 13. Simulink model.
Energies 19 00601 g013
Figure 14. Constant simulation using PI controller.
Figure 14. Constant simulation using PI controller.
Energies 19 00601 g014
Figure 15. Constant simulation using ANFIS controller.
Figure 15. Constant simulation using ANFIS controller.
Energies 19 00601 g015
Figure 16. Variable simulation using PI controller.
Figure 16. Variable simulation using PI controller.
Energies 19 00601 g016
Figure 17. Variable simulation using ANFIS controller.
Figure 17. Variable simulation using ANFIS controller.
Energies 19 00601 g017
Figure 18. Response of the system during load variation with ANFIS controller.
Figure 18. Response of the system during load variation with ANFIS controller.
Energies 19 00601 g018
Table 1. Wind modeling parameters used for dynamic controller evaluation.
Table 1. Wind modeling parameters used for dynamic controller evaluation.
ParameterValue
Mean wind speed6.0 m/s
Turbulence intensity15%
Turbulence modelKaimal spectrum
Integral length scaleIEC-recommended
Sampling time1–10 ms
Frequency content0.01–10 Hz
Table 2. Electrical feasibility metrics of the proposed SWT system.
Table 2. Electrical feasibility metrics of the proposed SWT system.
MetricValue
Rated DC Load1 kW @ 48 V
Annual Avg Mechanical Power6.3 kW
Overall Conversion Efficiency75%
Max Usable Electrical Power1 kW
Days with Electrical Power < 1 kW27/366
Annual Electrical Energy YieldLoad-limited (kWh/year)
DC-Bus Voltage48 V
Table 3. Practical buck converter design considerations.
Table 3. Practical buck converter design considerations.
AspectDesign Consideration
Input voltage rating≥650 V semiconductor devices
Output voltage/current48 V, 20.83 A (1 kW rated)
Switching frequency10 kHz (efficiency–EMI trade-off)
Inductor operationContinuous conduction mode
Converter efficiencyIncluded in system-level power analysis
Thermal managementPassive cooling with heat-sinking
EMI mitigationStandard filtering and layout practices
Table 4. Rule base of the ANFIS controller.
Table 4. Rule base of the ANFIS controller.
NumberRuleWeightName
1If input1 is in1mf1 and input2 is in2mf1 then output is out1mf11rule1
2If input1 is in1mf1 and input2 is in2mf2 then output is out1mf21rule2
3If input1 is in1mf1 and input2 is in2mf3 then output is out1mf31rule3
4If input1 is in1mf1 and input2 is in2mf4 then output is out1mf41rule4
5If input1 is in1mf1 and input2 is in2mf5 then output is out1mf51rule5
6If input1 is in1mf2 and input2 is in2mf1 then output is out1mf61rule6
7If input1 is in1mf2 and input2 is in2mf2 then output is out1mf71rule7
8If input1 is in1mf2 and input2 is in2mf3 then output is out1mf81rule8
9If input1 is in1mf2 and input2 is in2mf4 then output is out1mf91rule9
10If input1 is in1mf2 and input2 is in2mf5 then output is out1mf101rule10
11If input1 is in1mf3 and input2 is in2mf1 then output is out1mf111rule11
12If input1 is in1mf3 and input2 is in2mf2 then output is out1mf121rule12
13If input1 is in1mf3 and input2 is in2mf3 then output is out1mf131rule13
14If input1 is in1mf3 and input2 is in2mf4 then output is out1mf141rule14
15If input1 is in1mf3 and input2 is in2mf5 then output is out1mf151rule15
16If input1 is in1mf4 and input2 is in2mf1 then output is out1mf161rule16
17If input1 is in1mf4 and input2 is in2mf2 then output is out1mf171rule17
18If input1 is in1mf4 and input2 is in2mf3 then output is out1mf181rule18
19If input1 is in1mf4 and input2 is in2mf4 then output is out1mf191rule19
20If input1 is in1mf4 and input2 is in2mf5 then output is out1mf201rule20
21If input1 is in1mf5 and input2 is in2mf1 then output is out1mf211rule21
22If input1 is in1mf5 and input2 is in2mf2 then output is out1mf221rule22
23If input1 is in1mf5 and input2 is in2mf3 then output is out1mf231rule23
24If input1 is in1mf5 and input2 is in2mf4 then output is out1mf241rule24
25If input1 is in1mf5 and input2 is in2mf5 then output is out1mf251rule25
Table 5. Parameters used in the proposed SWT–DC system.
Table 5. Parameters used in the proposed SWT–DC system.
CategoryParameterValue
Wind TurbineRated mechanical power1 kW
Base wind speed2.51 m/s
Nominal mechanical output power1000 W
Base electrical generator power1111.1 VA
Base wind speed2.51 m/s
Maximum power at base wind speed0.73 pu
Base rotational speed0.6 pu
Pitch angle
DC Generator (PMDC)Armature resistance0.78 Ω
Armature inductance0.005 H
Torque/Back-EMF constant1.8 N·m/A (V·s/rad)
Total inertia0.005 kg·m2
Buck ConverterInput voltage range168–530 V
Output voltage48 V
Rated output power1 kW
Switching frequency10 kHz
Inductance1.10 mH
Capacitance310 µF
Power DevicesSemiconductor voltage rating≥650 V
Semiconductor current rating≥30 A
ControlControl strategiesPI and ANFIS
Reference DC voltage48 V
LoadRated DC load1 kW
Wind DataData sourceNASA POWER (2024)
Turbulence modelIEC 61400-1 (Kaimal)
Turbulence intensity15%
Table 6. Quantitative performance comparison of PI and ANFIS controllers.
Table 6. Quantitative performance comparison of PI and ANFIS controllers.
Performance MetricPI ControllerANFIS Controller
RMSE of voltage error (V)0.840.29
IAE (V·s)12.44.1
ITAE (V·s2)31.68.7
Percentage overshoot (%)4.21.3
Settling time (s)1.70.25
RMS voltage ripple (V)0.920.38
Table 7. Robustness performance comparison under non-ideal conditions.
Table 7. Robustness performance comparison under non-ideal conditions.
Disturbance ScenarioPerformance MetricsPI ControllerANFIS Controller
±20% inductor variationMax voltage deviation (V)2.60.9
Settling time (s)2.10.38
±20% capacitor variation
Load step (0.5–1 kW)
RMS voltage ripple (V)1.120.44
Max voltage deviation (V)3.11.1
Settling time (s)2.40.41
Disclaimer/Publisher’s Note: The statements, opinions and data contained in all publications are solely those of the individual author(s) and contributor(s) and not of MDPI and/or the editor(s). MDPI and/or the editor(s) disclaim responsibility for any injury to people or property resulting from any ideas, methods, instructions or products referred to in the content.

Share and Cite

MDPI and ACS Style

Usmonov, B.; Muinov, U.; Muinova, N.; Chitt, M. Intelligent Control and Automation of Small-Scale Wind Turbines Using ANFIS for Rural Electrification in Uzbekistan. Energies 2026, 19, 601. https://doi.org/10.3390/en19030601

AMA Style

Usmonov B, Muinov U, Muinova N, Chitt M. Intelligent Control and Automation of Small-Scale Wind Turbines Using ANFIS for Rural Electrification in Uzbekistan. Energies. 2026; 19(3):601. https://doi.org/10.3390/en19030601

Chicago/Turabian Style

Usmonov, Botir, Ulugbek Muinov, Nigina Muinova, and Mira Chitt. 2026. "Intelligent Control and Automation of Small-Scale Wind Turbines Using ANFIS for Rural Electrification in Uzbekistan" Energies 19, no. 3: 601. https://doi.org/10.3390/en19030601

APA Style

Usmonov, B., Muinov, U., Muinova, N., & Chitt, M. (2026). Intelligent Control and Automation of Small-Scale Wind Turbines Using ANFIS for Rural Electrification in Uzbekistan. Energies, 19(3), 601. https://doi.org/10.3390/en19030601

Note that from the first issue of 2016, this journal uses article numbers instead of page numbers. See further details here.

Article Metrics

Back to TopTop