Next Article in Journal
A Genetic Algorithm-Based Home Energy Management Framework for Optimizing User-Dependent Flexible Loads
Previous Article in Journal
High-Performance Heat-Powered Heat Pumps
 
 
Font Type:
Arial Georgia Verdana
Font Size:
Aa Aa Aa
Line Spacing:
Column Width:
Background:
Article

Design of Fault Protection Stra for Unified Power Flow Controller in Distribution Networks

1
College of Electrical Engineering, Southeast University, Nanjing 210000, China
2
State Grid Electric Power Research Institute, Nanjing 210000, China
3
NARI Technology Co., Ltd., Nanjing 210000, China
4
College of Electrical Engineering, Weihai Innovation Research Institute, Qingdao University, Qingdao 266000, China
*
Authors to whom correspondence should be addressed.
Energies 2026, 19(1), 79; https://doi.org/10.3390/en19010079 (registering DOI)
Submission received: 25 October 2025 / Revised: 5 December 2025 / Accepted: 9 December 2025 / Published: 23 December 2025

Abstract

The capacity of traditional distribution networks is limited. After large-scale distributed power sources are connected, it is difficult to consume them at the same voltage level, which can lead to transformer reverse overloading and voltage limit violations. Although the unified power flow controller (UPFC) excels in flexible power flow regulation and power quality optimization, existing research on it is mostly focused on the transmission grid, focusing on device topology, power flow control, etc. Fault protection is also targeted at high-voltage and ultra-high-voltage domains and only covers a single overvoltage or overcurrent fault. Research on the protection of the unified power flow controller in a distribution network (D-UPFC) remains scarce. A key challenge is the absence of fault protection schemes that are compatible with the unified power flow controller in a distribution network, which cannot meet the requirements of the distribution network for monitoring and protecting multiple fault types, rapid response, and equipment economy. This paper first designs a protection device centered on the distribution thyristor bypass switch (D-TBS), completes the thyristor selection and transient energy extraction, optimizes the overvoltage protection loop parameter, then builds a three-level coordinated protection architecture, and, finally, verifies through functional and system tests. The results show that the thyristor control unit trigger is reliable and the total overvoltage response delay is 1.08 μs. In the case of a three-phase short-circuit fault in a 600 kVA/10 kV system, the distribution thyristor bypass switch can rapidly reduce the secondary voltage of the series transformer, suppress transient overcurrent, achieve isolation protection of the main equipment, provide a reliable guarantee for the engineering application of the distribution network unified power flow controller, and expand its distribution network application scenarios.

1. Introduction

Traditional distribution networks are constrained by planned capacity and topology. In scenarios with a high proportion of large-scale distributed generation (DG) access, due to the fluctuation of DG output and insufficient absorption capacity at the distribution network voltage level, excess power needs to be transmitted to the higher-level grid. It is prone to problems such as reverse overloading of distribution transformers and overvoltage at nodes [1,2,3]. Building an intelligent, flexible, and reliable distribution network and creating an intelligent regulated power supply network framework have become urgent problems to be solved at present [4,5,6,7,8].
In modern power system, the unified power flow controller (UPFC) [9,10,11,12,13], as one of the core devices of a flexible AC transmission system, has been applied on a large scale in the transmission field with its fast dynamic response characteristics and all-around power flow regulation capabilities, and has achieved remarkable results. It has demonstrated strong capabilities in flexible power flow control and has a significant optimization effect on power quality. The UPFC also has great application potential in distribution network scenarios. When applied to distribution network scenarios, it can effectively reduce the risk of inrush current during distribution loop closure operations, avoid power supply interruption caused by “power-off switching” during maintenance operations, optimize line load distribution to improve operational economy, and provide key technical support for flexible interconnection of distribution networks [14,15,16]. In weak networks with high PV penetration, the coordination of UPFC with PV inverters and energy storage systems has become a key direction to mitigate voltage fluctuations and fault risks, but existing research rarely integrates such coordination requirements into UPFC fault protection design [17].
However, the existing UPFC-related research mostly focuses on the field of transmission grids, with the core directions concentrating on device topology innovation, power flow control strategy optimization, and mathematical modeling analysis [18,19,20]. Reference [21] established a coordinated optimization planning model for transmission networks, including energy storage devices and UPFCs, and verified through case studies that the proposed indicators could quantitatively reflect the dynamic changes of network transmission. Regarding fault protection, it also focuses on UPFC body fault ride-through. Reference [22] proposes a UPFC series unit restart strategy based on fault identification to improve fault ride-through capability. Reference [23] designs protection for a single fault type in specific topologies such as modular multilevel converters (MMCs), such as open-circuit and control pulse loss. Reference [24] analyzed the topology and working principle of MMC-UPFC and investigated the operational characteristics in the case of single-phase ground fault and two-phase short-circuit fault.
It can be seen that the current research direction is mainly focused on how the device achieves rapid fault ride-through after the fault occurs. Meanwhile, the proposed methods, in terms of fault protection methods, only target a single overvoltage or overcurrent fault and cannot simultaneously meet the requirements for monitoring and protecting multiple types of faults. Among the existing fault protection methods, the protection scenarios discussed are all in high-voltage and ultra-high-voltage transmission fields, and there is a lack of research in distribution protection scenarios.
To address these research gaps, this paper designs a fault protection device for D-UPFC, which takes the distribution thyristor bypass switch (D-TBS) as the core and is supplemented by a cooperative control system. At the same time, a three-level linkage protection strategy of the main controller, thyristor controller, and thyristor control unit (TCU) is proposed, aiming to quickly bypass the low-voltage converters when the high-voltage primary side system fails, to achieve reliable isolation and protection of the main equipment of the D-UPFC and to lay the foundation for the engineering application of the D-UPFC.

2. Principle of the Fault Protection Device

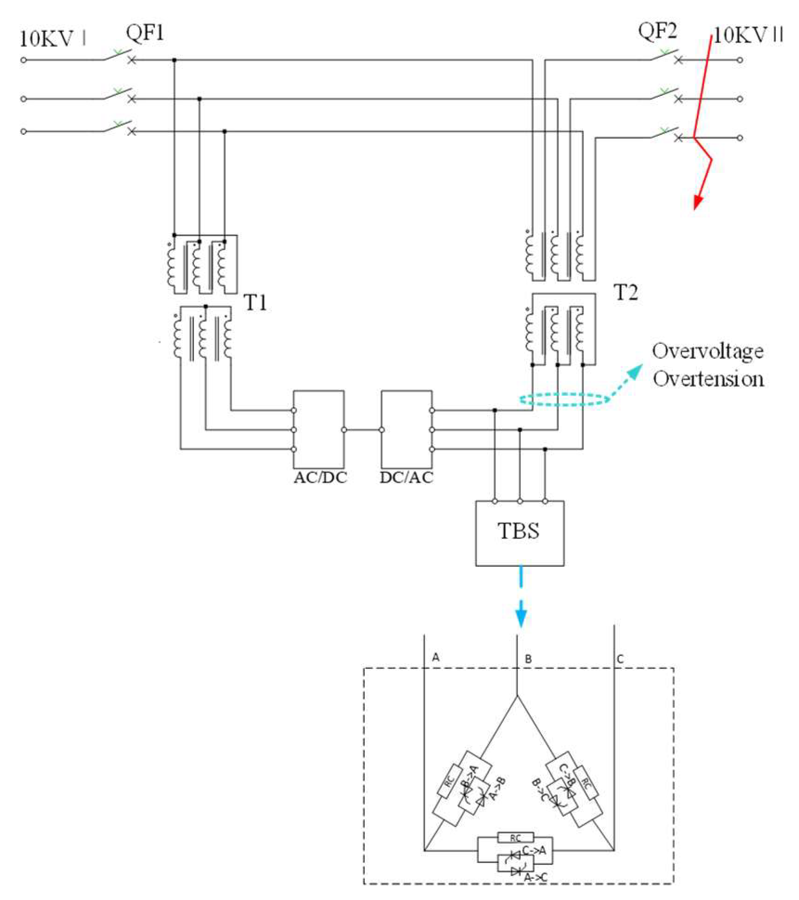
Figure 1 shows the topology of a medium-voltage flexible interconnect system based on a D-UPFC. This set of the flexible system includes the parallel transformer T1, the series transformer T2 and the low-voltage converter, which are connected to the 10 kV line to achieve flexible interconnection between the two transformer areas. The output end of the low-voltage converter is connected to the high-voltage AC system via the series transformer. When a short-circuit fault occurs in the high-voltage system, the system short-circuit current is conducted to the low-voltage side through the coupling effect of the transformer, thereby causing severe overvoltage and overcurrent conditions on the low-voltage side. In view of this, protective measures must be taken for the converter to prevent it from being damaged.
In the traditional UPFC protection system, mechanical bypass switches, metal oxide arresters, and thyristor bypass switches are usually connected in parallel on the secondary side of the series transformer. The thyristor bypass switch works in conjunction with the mechanical bypass switch to transfer the fault current [25,26]. However, in distribution network scenarios, once a short-circuit fault occurs in the system, the D-UPFC often disconnects directly. A fault protection device for D-UPFCs, D-TBS, has been developed, taking into account the economy and the strict requirements for device size. This device innovatively replaces the traditional mechanical bypass switch, metal oxide arrester, and TBS functions. The device volume can be reduced to 20–30% of traditional applications, and costs are lowered by over one-third. It directly coordinates with the circuit breaker on the primary side of the series transformer, enabling efficient and reliable system protection, thereby improving system stability and safety under fault conditions.
The D-TBS protection strategy must fulfill the following requirements: fast system response speed, high and low-voltage side control coordination, consistent fault clearance across all phases, and correct response and simultaneous triggering of the three-phase protection devices on the low-voltage side when multiple types of faults occur on the high-voltage side of the system. A double sampling method is employed to ensure high reliability. Fault current and fault voltage can be sampled simultaneously on the secondary side of the serial transformer.
The basic topology of the D-TBS is composed of three anti-parallel thyristors connected in a triangular pattern, and this structure is installed in parallel between the D-UPFC series transformer and the converter. To achieve rapid and accurate protection, three levels of control protection detection devices are set up: the main control level, the valve control level, and the thyristor level.
The control protection of the master level is integrated with the master control device of the D-UPFC to achieve a state detection summary in non-fault conditions and coordinated action with other protection devices in case of fault.
The valve-regulated stage control and protection device realizes the unified pulse distribution of each thyristor control unit (TCU) within the topology and the secondary side current monitoring of the D-UPFC series transformer. As shown in Figure 2, the system mainly consists of the upper computer data interaction module, overcurrent fault-monitoring and protection module, power supply module, FPGA, and TCU device-monitoring and triggering module. Among them, the upper computer data interaction module has three uplink 50 MHz optical communication channels, which are used to conduct information interaction with the main controller and also transmit the main control information to the FPGA inside the controller to achieve interaction between the two. The overcurrent fault-monitoring and protection module has three analog channel interfaces connected to three hall current sensors to measure the three-phase current in real time and to cause the sampling results to interact with the FPGA inside the controller; The function of the power module is to supply stable voltage and current to all other parts of the system. The TCU device-monitoring and triggering module has six pairs of downlink 5 MHz fiber control channels, each corresponding to three anti-parallel thyristor TCUs. It achieves real-time triggering control and status feedback of the TCUs based on established logic requirements and also interacts with the FPGA.
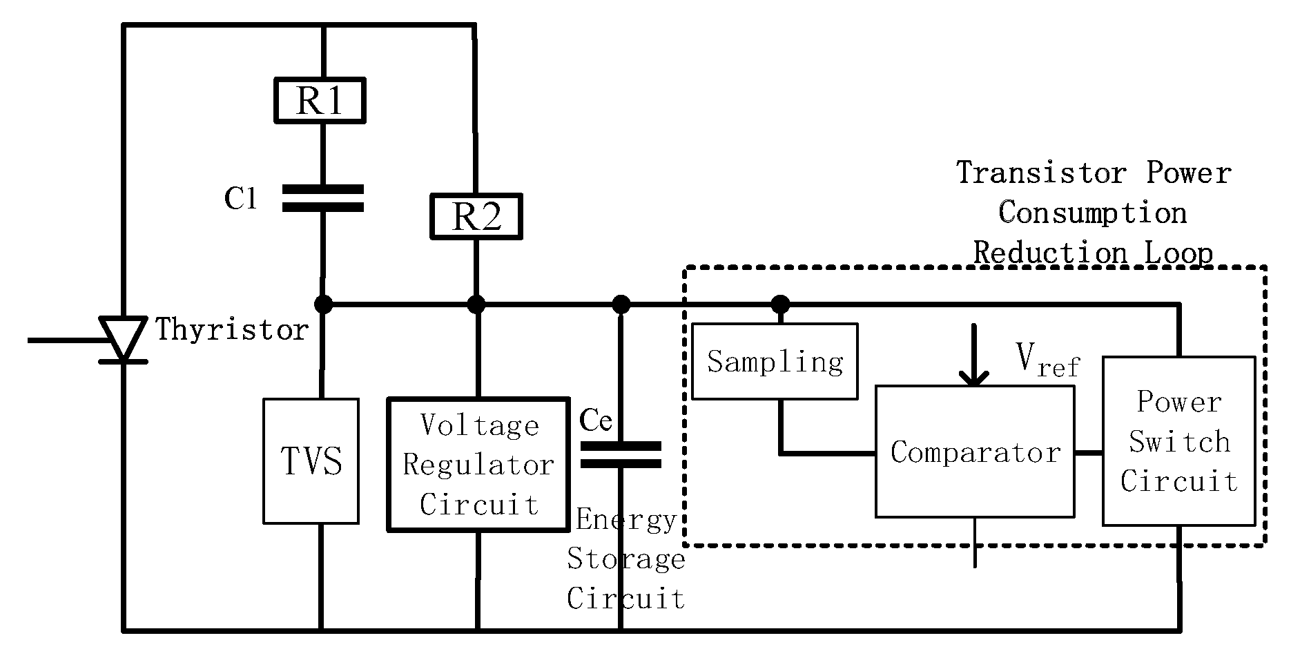
The thyristor-level control device directly performs control and protection monitoring on the thyristors, including the TCU corresponding to each thyristor, as well as the energy retrieval circuit and overvoltage-monitoring circuit that maintain the normal operation of the TCU. The principle of the TCU is shown in Figure 3, which covers the self-energy-harvesting module, voltage stabilization module, self-energy-harvesting voltage-monitoring module, overvoltage fault-monitoring module, electro-optic/photoelectric conversion module, and trigger module. The self-harvesting module achieves wideband wide-voltage harvesting by combining with an external energy-harvesting RC circuit. The voltage regulator is responsible for stabilizing the voltage output by the self-powered module, and after the voltage regulator operation is completed, it supplies power to the other logic modules and trigger modules. The main function of the self-powered voltage-monitoring module is to monitor the power voltage and, through the electro-optical conversion module, transmit the current power status information of the TCU to the D-TBS. The overvoltage fault-monitoring module monitors the secondary voltage of the D-UPFC series transformer through the thyristor voltage equalization circuit and makes an overvoltage judgment, and then transmits the judgment result through the electro-optical conversion module to the D-TBS and the TCU trigger module. The trigger module receives the trigger command through the photoelectric conversion module and then triggers the thyristor.
Meanwhile, after the D-TBS operates, system recovery is not an automatic reset process but rather requires careful manual intervention. The general procedure is as follows: First, system-level protection isolates the fault zone, and maintenance personnel must confirm that the primary-side fault has been completely cleared. Next, a status check is performed via the monitoring system for all modules of the D-UPFC, the D-TBS itself, and the relevant circuit breakers to ensure the equipment is intact. Then, after the bypass is established, it is ensured that the thyristors are completely de-energized at both ends, at which point the thyristors automatically turn off and reset. Finally, after confirming that all equipment has returned to normal, the D-UPFC system is restarted according to the established procedure.

3. Design of Fault Protection Device Parameters

3.1. Thyristor Parameter Selection

When a fault occurs, the D-TBS must conduct rapidly within 20 to 40 ms to clear the fault. At this point, the thyristor will be subjected to short-circuit current (phase current):
I k = U AV Z d + Z l + Z T 5   kA 10   kA ,
Here, Ik is the short-circuit current, UAV is the system reference voltage, Zd is the power supply equivalent impedance, Zl is the line impedance, and ZT is the transformer leakage reactance.
Thyristor parameter calculation [27]:
Off-state and reverse repeat voltage peaks:
V osm = ( 2 ~ 3 ) × 2 × V line 1.7   kV ,
Off-state and reverse non-repetitive peak voltages:
V pM = V osm 0.9 1.88   kV ,
Maximum state average current during short circuit:
I AV = 1 2 π 0 π I k sin ( w t ) d ( w t ) = 2.39   kA ,
Considering the short-circuit current margin, the thyristors selected for the D-TBS power module are the KP30HY1800 thyristors from Xi’an Pairui Company from Xi’an of China, the specific parameters are detailed in Table 1 below.

3.2. Transient Energy-Harvesting Loop Parameter Design

The energy-harvesting circuit adopted by the fault protection device, which is built with a resistance-capacitance network, is responsible for providing transient and steady-state working energy for the TCU. The basic principle of the energy-harvesting circuit is as follows: By selecting parameters R1 and C1, the phase of the current flowing into the TCU leads the phase of the voltage across the thyristor by nearly 90 degrees. When the thyristor-level current rises forward, that is, during the rising phase of the voltage across the thyristor in the negative half cycle, transient charging is provided to the thyristor control unit through the oscillation of the damped voltage, ensuring that the TCU has a reliable working power supply before the valve is triggered. Therefore, the impedance parameter of the power extraction loop needs to satisfy the following:
Ensure that the phase of the transient energy-harvesting current leads the input voltage by nearly 90 degrees:
1 R 1 C 1 2 π f ,
f is the input voltage frequency and the power frequency is 50 Hz, to ensure charging speed:
C E S R 1 2 + 1 ( 2 π f C 1 ) 2 T E S ,
CES is the TCU energy storage capacitor; take 5 μF; TES is the charging time, generally 100 μs; and take the energy consumed on the resistor in the energy circuit:
P R 1 = V i n 2 R 1 R 1 2 + 1 ( 2 π f C 1 ) 2 ,
The parameter selection should take into account so that the energy consumption during the charging and discharging process is as small as possible.
Therefore, when setting the resistance-capacitance parameters, multiple factors need to be comprehensively considered to ensure that the thyristors can work normally and stably while minimizing energy loss so as to determine the most appropriate resistance-capacitance parameters to optimize the performance of the entire system by choosing four 200 R/8 W resistors in parallel. At low frequencies and low voltages, it is necessary to ensure that the internal energy-harvesting module of the TCU takes energy stably, and the damping capacitor is selected as a single 1.5 μF capacitor. The actual circuit schematic is shown in Figure 4.

3.3. Design of Overvoltage Protection Parameters

The overvoltage protection circuit has the ability to measure and sample the voltage of individual thyristors while also balancing the uneven voltage distribution caused by thyristor leakage current and reverse recovery charge. The circuit principle of the overvoltage fault-monitoring module is shown in Figure 5. The voltage across the thyristor is measured by R2 to form the input voltages for the IP (thyristor return pulse), PF (thyristor protective trigger), and RP (recovery protection) logics, providing steady-state working power to the thyristor control unit (TCU). The voltages are input through an exact sampling circuit and compared. Once an overvoltage fault occurs, the sampling signal will exceed the pre-set protection threshold value, and then the thyristor unlock signal will be generated through the amplification circuit, along with the overvoltage IP signal for upload, to convey the current status information to the D-TBS and the main controller. In this process, the precise sampling circuit captures the voltage variation precisely. The comparison phase determines whether the sampled signal has crossed the protection threshold. When it is determined to be an overvoltage fault, the amplification circuit quickly comes into play, amplifying the signal to drive the generation and transmission of subsequent signals, ensuring that the system can respond promptly in abnormal situations and maintain stable operation. The protection voltage threshold is calculated as follows:
V REF = k × V r
where Vr is the rated voltage of the thyristor and k is the protection factor, which is usually taken as 10 in engineering to protect the internal sampling circuit of the TCU. The sampling current should be less than 0.1 A, and the overvoltage protection sampling resistance should be greater than 3.8 kΩ. Considering that the DC resistance of the sampling resistor should be significantly less than the off-state DC resistance of the parallel thyristor when achieving the static voltage equalization function, after comprehensive analysis and calculation, the static resistance value was finally determined to be 5 kΩ. In the actual circuit operation, when the parallel thyristors are in the off state, the smaller sampling DC resistance can effectively guide the current and make the voltage distribution across each thyristor more uniform, thereby ensuring the stable operation of the entire circuit system. At the same time, the 5 kΩ static resistance value is also within the optional range of the standard resistance value system, which meets both the generality and economy of production and the performance requirements of the circuit for the sampling resistance.

4. Fault Protection Device Protection Strategy

Depending on the application scenarios of the D-UPFC, the D-TBS, as an emergency protection device, is in a hot standby state under normal circumstances and is unlocked and turned on only in the event of a system failure. Due to the protection requirements of the D-UPFC, the interval from the occurrence of faults such as overvoltage and overcurrent in the system to the conduction of the thyristor should be controlled within a few milliseconds, and the thyristor’s own response time is also around the millisecond level. Therefore, the delay of the sampling and control protection action time of the D-TBS control device should not exceed 1 ms (comprehensive consideration of semiconductor safety, grid fault ride-through standards, and control system performance).
A three-level fault protection architecture was designed in this study, and the system composition is shown in Figure 6. The architecture consists of three layers: the main controller layer, the D-TBS controller layer, and the TCU layer. Signal transmission and trigger control are achieved between these layers through an optical fiber communication network. At the main controller layer, the system collects the primary side current signal of the D-UPFC series transformer in real time, with a protection response time of no more than 1 ms. The D-TBS controller layer is responsible for monitoring the secondary current parameters of the D-UPFC series transformer, and the protection action delay is controlled to within 100 μs. The TCU layer works in conjunction with the D-TBS controller layer to monitor the voltage on the secondary side of the D-UPFC series transformer in real time, with a protection execution time of less than 2 μs. The protection system uses fiber optic communication technology, which not only significantly enhances anti-electromagnetic interference performance but also enables reliable transmission over long distances, providing convenience for the layout and control of field equipment.

4.1. TCU Level Protection

In the hierarchical architecture of the protection system, the TCU monitoring unit serves as the primary protection mechanism, with optimal response characteristics. It works as follows: When the current in the RC energy-harvesting loop is in the positive half-cycle, the self-harvesting module of the TCU initiates energy harvesting. During the forward alternating period of the voltage signal, the voltage monitoring unit of the TCU detects the forward voltage signal and immediately sends a pulse signal to the D-TBS through the electro-optical conversion unit. At the same time, the overvoltage-monitoring unit collects the voltage parameters of the thyristor voltage-equalizing resistor loop in real time and compares them with the preset overvoltage protection threshold. When it detects that the sampled voltage exceeds the threshold voltage, the overvoltage monitoring unit simultaneously performs two operations: On the one hand, it transmits a pulse signal to the D-TBS through the electro-optical conversion unit, and on the other hand, it sends a trigger command to the trigger unit, thereby driving the thyristor into the conduction state.

4.2. D-TBS Class Protection

In the hierarchical architecture of the protection system, the D-TBS control unit undertakes secondary protection functions, and its response time is also maintained at the microsecond level. As the core control unit of the protection system, this unit mainly undertakes the following functions: First, it is responsible for collecting, processing, and uploading the full-state operation information of the switchgear. Secondly, it monitors the IP signals sent by the TCU in real time and adjusts the conduction status of the thyristors accordingly to ensure that the main equipment can achieve rapid isolation and protection in the event of a fault.
When an overcurrent fault occurs in the system, the D-TBS control unit, after confirming that each TCU module has completed energy acquisition, sends thyristor trigger instructions in sequence and simultaneously integrates and transmits the fault data to the main control unit. The specific implementation process of its protection mechanism is as follows: The system first performs analog-to-digital conversion sampling on the three-phase current signal, and the FPGA processor acquires the current data at the preset sampling frequency. The D-TBS control unit performs sliding window processing on the collected discrete signal based on the current protection threshold set by the main control unit. Calculating the root mean square (RMS) current within a specific time window can ensure rapid response while effectively avoiding spike interference, thereby achieving accurate identification of overcurrent faults and TCU trigger control. The proposed overcurrent detection algorithm effectively suppresses random interference while significantly accelerating the system’s response to faults. The specific process is illustrated on the left side of Figure 7.
When the D-TBS control unit detects overvoltage in a specific TCU module, the system will perform a fault-marking operation and simultaneously activate the trigger mechanism of the remaining TCU modules, thereby achieving rapid bypass protection for the main equipment. The implementation process of the protection logic is as follows: The FPGA processor first parses and judges the IP signal feedback from the TCU. When the first valid IP signal is captured, the system confirms that the TCU module has completed external energy harvesting and entered the normal working state, and then initiates the overvoltage monitoring program. If a second valid IP signal is detected during the monitoring cycle, an overvoltage fault is determined and the system marks the fault and sends an FP trigger instruction to the other TCU modules. Due to the adoption of an optical triggering method for controlling the TCU module by the D-TBS control unit, mis-operations of the TCU caused by external interference are essentially eliminated. Furthermore, during operation, the D-TBS control unit periodically reports its status to the main controller. This enables the system to promptly detect internal faults within the D-TBS control unit and execute predefined countermeasures. In addition, when the D-TBS control unit fails to receive a valid IP feedback signal from a certain TCU module for five consecutive power frequency cycles, it will be determined that the TCU module has failed. The system will perform the fault marking and notify the main control unit to initiate the equipment disconnection operation. The specific process is illustrated on the right side of Figure 7.

4.3. Primary Control-Level Protection

As the third-level control unit of the protection system, the main controller has a relatively long response time due to factors such as control cycle and fiber optic transmission delay but still completes the protection action within 1 ms. The control unit not only monitors the voltage and current parameters on the secondary side of the series transformer in real time but also collects the current signal on the primary side as a protection criterion. When a fault occurs, the main controller sends status instructions to the D-TBS control unit via the optical fiber communication network, thereby triggering control of the TCU module. The specific implementation process of its protection mechanism is as follows: The system first performs real-time sampling of the 10 kV bus current, and the sampling signal is converted to a voltage signal through a parallel resistor network and then input into the AD sampling channel of the main controller. The DSP processor reads the voltage signal according to the preset interrupt period and calculates the RMS value of the current. The main controller compares the calculated current value with the preset threshold. When an overcurrent state is detected, the system performs a fault-marking operation and sends corresponding control instructions via the communication network.

4.4. Technical Advantages of Three-Level Protection

The determination of system protection thresholds is primarily governed by the parameters of key converter components (such as IGBTs and capacitors). Furthermore, the setting of protection boundary conditions must also consider factors like the system operation mode and redundancy configuration. Therefore, the threshold settings for overcurrent and overvoltage are not completely uniform in different application scenarios. The implementation of the three-level protection strategy helps the device meet diverse field requirements. Meanwhile, the three-level protection design enables simultaneous monitoring and protection of both high-side and low-side current and voltage. The fault response time can be as fast as 10 µs, meeting the requirements for systematic protection.
Since it is difficult to monitor the online operating status of the TCU in real time, it is difficult for the system to respond quickly when hardware problems occur. If an overvoltage fault happens to occur in that phase, it cannot be identified immediately, and at least half a cycle will have to pass before protection by another TCU unit. Adding a D-TBS protection level can respond to system failures in a shorter amount of time and enable synchronous trigger control of multiple TCU modules to suppress overvoltage and overcurrent damage to the converter.

5. Tests and Results

5.1. Functional Testing

The protection function of the fault protection device is tested through trigger tests, overcurrent fault tests, and overvoltage fault tests.
The trigger test is to test the basic functions of the TCU unit and the communication between the D-TBS control board and the TCU. The test schematic diagram, test diagram, and test results are shown in Figure 8 below. The TBS controller is connected to the TCU via optical fiber, and the TCU can be effectively triggered after a command is issued under the controller.
An overcurrent fault test is a test of the overcurrent protection function of a protection device. The testing principle and results are shown in Figure 9. The TBS controller sends a trigger signal to the TCU when the simulated test current exceeds the set value by connecting an external power supply to the TBS controller, as shown in the following figure.
The overvoltage fault test is to test the overvoltage protection function of the protection device and the speed of response to overvoltage faults, as shown in Figure 10.
The principle is to connect a small resistance-value resistor in parallel to a normal external large resistor to obtain a large current through short-term conduction so that the TCU simulates an overvoltage fault at low voltage. The D-TBS controller determines whether there is an overvoltage fault in the TCU unit by monitoring the number of indication pulses (IPs) per cycle of the TCU. The TCU IP signal indication waveform and test results are shown in Figure 11.
In the Figure 12, line 1 represents the overvoltage fault signal (low effective) received by the D-TBS, and line 2 is the unlock signal output by the D-TBS controller in response to the fault, with a delay of 920 ns measured by the oscilloscope (of which 800 ns is the filter delay). Line 3 is the output of the TCU thyristor unlock signal, with a total delay of 1.08 μs. The device’s extremely fast response speed ensures effective protection can be achieved during the initial stage of a voltage surge, significantly reducing the risk of damage to power components. The design functionality meets the intended requirements.

5.2. System Test

The fault protection strategy was tested by setting up the D-UPFC flexible loop closure device and control system. The system test parameters are shown in the Table 2:
As shown in Figure 13, taking a three-phase short-circuit fault in an AC system as an example, the short-circuit capacity of the AC distribution network is set to 20 MVA to verify the system fault protection device and its protection strategy. The simulated waveforms are:
When testing, consider the most serious external faults of the D-UPFC system, namely three-phase short-circuit faults occurring on the outlet side of the series transformer.
The action logic settings of D-UPFC after an AC system failure are as follows:
A three-phase short-circuit fault occurs at 1.0 s;
Five ms after the fault occurs, the D-UPFC inverter side initiates converter lockout pulse;
Fifty ms after the failure, switch the D-TBS loop (in actual protection devices, the response speed of the D-TBS itself can be at the ms level, and this simulation mainly verifies the protective effect of the D-TBS loop in the event of a failure).
After the fault occurs, the D-UPFC will experience transient overcurrent and lock, and the series transformer may experience overexcitation, resulting in an increase in voltage across the transformer (as shown in the above figure, the peak voltage on the secondary side of the series transformer can reach about 2.5 kV). After the D-TBS is put into operation, since the impedance of the D-TBS circuit is very small, the secondary side of the series transformer is approximately short-circuited after the TBS is closed, resulting in a large current in the D-TBS circuit (as shown above, the peak current in the D-TBS circuit can reach about 47 kA), thereby reducing the voltage on the secondary side of the series transformer and completing the fault protection mechanism of the secondary circuit.

6. Conclusions

This study designs a novel D-UPFC fault protection system and its control method, and elaborates on the architecture and functional characteristics of the protection device in detail. The three-level coordinated protection mechanism proposed in the study was explored through a combination of theoretical analysis and experimental verification, and its working principle and implementation method were explored in depth. System function verification included multiple aspects, such as energy extraction characteristic tests, overvoltage protection tests, and low-voltage trigger performance tests. The test results confirmed the effectiveness of the protection device, providing a reliable guarantee for the engineering application of D-UPFC. The thyristor bypass switch-based fault protection device and its hierarchical coordination strategy in the D-UPFC not only represent a pioneering extension of its original application environment but also demonstrate characteristics such as rapid response and intelligent fault judgment that can be widely applied to the grid connection protection of other medium-voltage flexible AC transmission system (DFACTS) equipment and large-scale energy storage systems. This opens new directions for the large-scale and highly reliable application of power electronic equipment in complex distribution networks. In the future, protection devices could integrate real-time monitoring data (e.g., temperature, equipment-aging status) with artificial intelligence algorithms to achieve dynamic self-adaptive adjustment of thresholds, thereby enhancing system resilience.

Author Contributions

Conceptualization, X.M. and W.C.; Methodology, J.S.; Formal analysis, R.Z.; Investigation, X.Z.; Data curation, R.Z. and K.W.; Writing—original draft, X.M.; Writing—review & editing, X.H.; Supervision, X.M. and K.W.; Project administration, K.W.; Funding acquisition, X.Z. and W.C. All authors have read and agreed to the published version of the manuscript.

Funding

This research was funded by the Taishan Industrial Experts Program.

Data Availability Statement

The data presented in this study are available on request from the corresponding author. The data are not publicly available due to privacy or ethical restrictions.

Conflicts of Interest

Authors Ruijun Zhu, Xuejun Zhang were employed by the company NARI Technology Co., Ltd. The remaining authors declare that the research was conducted in the absence of any commercial or financial relationships that could be construed as a potential conflict of interest.

References

  1. Yu, S.; He, L. Universal Decoupling Grid-Forming Control for Utility-Scale Distributed Energy Resources in Low-Strength Distribution Grids. In Proceedings of the 2025 IEEE PES Grid Edge Technologies Conference & Exposition (Grid Edge), San Diego, CA, USA, 21–23 January 2025; pp. 1–5. [Google Scholar]
  2. Zhang, Y.; Yuan, B.; Huang, S.; Shi, J.; An, Y. Research on economie dispatching strategy for active distribution network considering high penetration of renewable energy source. Electr. Meas. Instrum. 2025, 62, 158–166. [Google Scholar]
  3. Ungerland, J.; Poshiya, N.; Biener, W.; Lens, H. A Voltage Sensitivity Based Equivalent for Active Distribution Networks Containing Grid Forming Converters. IEEE Trans. Smart Grid 2023, 14, 2825–2836. [Google Scholar] [CrossRef]
  4. Zhang, S.; Wang, B.; Shi, C.; Zhao, Z. Collaborative optimal dispatching of integrated electricity-heat energy distribution network system and hydrogen fueling station based on distributionally robust optimization. Electr. Meas. Instrum. 2023, 60, 36–43. [Google Scholar]
  5. Wang, H.; Liu, J.; Zou, L.; Ma, N.; Deng, X. Grounding fault protection method for low-voltage DC distribution network under novel power system. Electr. Meas. Instrum. 2024, 61, 144–152. [Google Scholar]
  6. Fan, W.; He, H.; Xiao, H.; Miao, L.; Chen, D.; Wang, X.; Deng, W. Collaborative optimal configuration of UPFC and energy storage based on grid-connected offshore wind power clusters. Mod. Electr. Power 2025, 42, 956–968. [Google Scholar]
  7. Ke, X.Y.; Yue, Y.; Meng, X.X. Analysis of load bearing capacity of AC/DC hybrid distribution network considering new DC load access. Electr. Eng. 2023, 24, 43–46. [Google Scholar]
  8. Wu, L.; Hu, Y.X.; Du, X.; Lu, J.; Li, Z.; Cao, N.; Zhang, S.R.; Du, H.L. Movable SiO2 reinforced polymethyl methacrylate dual network coating for highly stable zinc anodes. J. Energy Storage 2025, 132, 11. [Google Scholar] [CrossRef]
  9. Gunasekar, T.; Kokila, P.; Rithanya, N.; Rinthiya, T.; Shreenithi, M.; Ranjith, V.P. Enhancement of Power Quality Under Dynamic Load Conditions Using Unified Power Flow Controller. In Proceedings of the 2025 3rd International Conference on Intelligent Data Communication Technologies and Internet of Things (IDCIoT), Bengaluru, India, 5–7 February 2025; pp. 856–862. [Google Scholar]
  10. Siddula, S.; Achyut, T.V.; Vigneshwar, K.; Teja, M.V.U. Improvement of Power Quality Using Fuzzy Based Unified Power Flow Controller. In Proceedings of the 2020 International Conference on Smart Technologies in Computing, Electrical and Electronics (ICSTCEE), Bengaluru, India, 9–10 October 2020; pp. 55–60. [Google Scholar]
  11. Dong, X.; Hua, Z.; Shang, L.; Wang, B.; Chen, L.; Zhang, Q.; Huang, Y. Morphological Characteristics and Technology Prospect of New Distribution System. High Volt. Eng. 2021, 47, 3021–3035. [Google Scholar]
  12. Lei, Y.; Li, T.; Tang, Q.; Wang, Y.; Yuan, C.; Yang, X.; Liu, Y. Comparison of UPFC, SVC and STATCOM in Improving Commutation Failure Immunity of LCC-HVDC Systems. IEEE Access. 2020, 8, 135298–135307. [Google Scholar] [CrossRef]
  13. Joshi, M.; Bidram, A.; Devetsikiotis, M. The Effect of Unified Power Flow Controller and Ultra Capacitor in Hydro Power Plant’s Load Frequency Control. In Proceedings of the 2024 IEEE Power & Energy Society Innovative Smart Grid Technologies Conference (ISGT), Washington, DC, USA, 19–22 February 2024; pp. 1–5. [Google Scholar]
  14. Hu, Y.X.; Du, H.L.; Lu, J.; Zhang, H.; Li, S.; Du, X. Interface synergistic stabilization of zinc anodes via polyacrylic acid doped polyvinyl alcohol ultra-thin coating. J. Energy Storage 2024, 87, 8. [Google Scholar] [CrossRef]
  15. Fan, R.M.; Quan, H.J.; Li, J.T.; Liu, L.T.; Tian, X.; Liu, F. A study on application adaptability of unified power flow controller in Qinghai power grid. Qinghai Electr. Power 2023, 42, 1–5+17. [Google Scholar]
  16. Meng, Q.L.; Zu, G.Q.; Ge, L.J.; Li, S.W.; Xu, L.; Wang, R.; He, K.C.; Jin, S.T. Dispatching Strategy for Low-Carbon Flexible Operation of Park-Level Integrated Energy System. Appl. Sci. 2022, 12, 17. [Google Scholar] [CrossRef]
  17. Wang, L.; Bai, F.; Yan, R.; Saha, T.K. Real-Time Coordinated Voltage Control of PV Inverters and Energy Storage for Weak Networks with High PV Penetration. IEEE Trans. Power Syst. 2018, 33, 3383–3395. [Google Scholar] [CrossRef]
  18. Mou, X.; Wang, S.; Cheng, Q.; Zhao, X. Research and Development of Flexible Loop Closing Controller Based on D-UPFC. In Proceedings of the 2022 IEEE 6th Advanced Information Technology, Electronic and Automation Control Conference (IEEE IAEAC), Beijing, China, 3–5 October 2022; pp. 1373–1377. [Google Scholar]
  19. Ou, Z.; Gan, D.; Lou, Y.; Sun, Q.; Tong, Z.; Peng, S. Power Flow Equilibrium Enhancement on the Urban Power System by Unified Power Flow Controller. In Proceedings of the 2022 5th International Conference on Energy, Electrical and Power Engineering (CEEPE), Chongqing, China, 22–24 April 2022; pp. 692–697. [Google Scholar]
  20. Ma, C.R.; Hou, D.W.; Jiang, J.L.; Fan, Y.C.; Li, X.; Li, T.Y.; Ma, Z.F.; Ben, H.X.; Xiong, H. Elucidating the Synergic Effect in Nanoscale MoS2/TiO2 Heterointerface for Na-Ion Storage. Adv. Sci. 2022, 9, 10. [Google Scholar] [CrossRef] [PubMed]
  21. Huang, L.L.; Bian, Y.J.; Fu, Z.J.; Xue, Y.; Fu, Y.; Liu, Y. Multi flexible resource coordination planning considering the matching of transmission requirements and transmission capabilities in the Process of flexible resource transmission. In Proceedings of the 6th International Conference on Computer Science, Engineering, and Education, Nanjing, China, 21–23 February 2025. [Google Scholar]
  22. Lin, J.; Jiang, M.; Huang, R.; Kong, X. Restarting strategy of UPFC series connect unit for fault ride-through based on fault identification. In Proceedings of the 2018 China International Conference on Electricity Distribution (CICED), Tianjin, China, 17–19 September 2018; pp. 362–367. [Google Scholar]
  23. Deng, K.; Zhang, C.Y.; Shen, F.B.; Qu, F.; Zhou, Q.; Chen, X. Fault Characteristics and Protection Actions of Modular Multilevel Converter in 500kV Sunan UPFC. In Proceedings of the 2018 International Conference on Power System Technology (POWERCON), Guangzhou, China, 6–8 November 2018; pp. 2596–2601. [Google Scholar]
  24. Pu, Z.; Zha, S.; Zong, L.; Wang, Y.; Liu, S.; Su, J.; Liu, M. Fault Characteristics Analysis and Protection Design for MMC-UPFC with High Reliability. In Proceedings of the 19th IEEE International Conference on Industrial Technologies (ICIT), Lyon, France, 19–22 February 2018; pp. 1226–1231. [Google Scholar]
  25. Wang, G.F.; Jiang, B.; Liu, Y.C.; Wang, L.C.; Zhang, Y.B.; Yan, J.; Wang, K. Source-Load Coordinated Optimization Framework for Distributed Energy Systems Using Quasi-Potential Game Method. Prot. Control Mod. Power Syst. 2025, 10, 103–122. [Google Scholar] [CrossRef]
  26. Gao, Y.; Tahir, M.; Siano, P.; Hussain, S.; Sun, W.Q.; He, Y.; Meng, Q.L. A bi-level hybrid game framework for Stochastic Robust optimization in multi-integrated energy microgrids. Sustain. Energy Grids Netw. 2025, 44, 15. [Google Scholar] [CrossRef]
  27. Na, Z. Analysis of important parameters of thyristor and calculation of power loss in engineering application. Autom. Appl. 2018, 12, 50–52. [Google Scholar]
Figure 1. D-UPFC principle structure diagram.
Figure 1. D-UPFC principle structure diagram.
Energies 19 00079 g001
Figure 2. The principle diagram of the D-TBS controller.
Figure 2. The principle diagram of the D-TBS controller.
Energies 19 00079 g002
Figure 3. The schematic diagram of the TCU principle.
Figure 3. The schematic diagram of the TCU principle.
Energies 19 00079 g003
Figure 4. The principle of the energy-harvesting circuit.
Figure 4. The principle of the energy-harvesting circuit.
Energies 19 00079 g004
Figure 5. The principle of the TCU voltage-sampling monitoring protection circuit.
Figure 5. The principle of the TCU voltage-sampling monitoring protection circuit.
Energies 19 00079 g005
Figure 6. Protection system structure diagram.
Figure 6. Protection system structure diagram.
Energies 19 00079 g006
Figure 7. The D-TBS control flow chart.
Figure 7. The D-TBS control flow chart.
Energies 19 00079 g007
Figure 8. TCU trigger test and results.
Figure 8. TCU trigger test and results.
Energies 19 00079 g008
Figure 9. D-TBS overcurrent test and test results.
Figure 9. D-TBS overcurrent test and test results.
Energies 19 00079 g009
Figure 10. D-TBS overvoltage test platform schematic diagram.
Figure 10. D-TBS overvoltage test platform schematic diagram.
Energies 19 00079 g010aEnergies 19 00079 g010b
Figure 11. TCU overvoltage IP signal schematic waveform diagram.
Figure 11. TCU overvoltage IP signal schematic waveform diagram.
Energies 19 00079 g011
Figure 12. D-TBS overvoltage test results.
Figure 12. D-TBS overvoltage test results.
Energies 19 00079 g012
Figure 13. Transient characteristics of D-UPFC under three-phase short-circuit fault.
Figure 13. Transient characteristics of D-UPFC under three-phase short-circuit fault.
Energies 19 00079 g013
Table 1. Thyristor parameters.
Table 1. Thyristor parameters.
ParameterNumerical Value
Off-state and reverse repeat voltage peak VpM1.8 kV
Off-state and reverse non-repetitive peak voltage Vosm2 kV
Maximum state average current IAV2.97 kA
On-state surge current50.5 kA
Table 2. System test parameters.
Table 2. System test parameters.
ParametersNumerical Value
Rated power600 kVA
Primary-side voltage10 kV
Secondary-side voltage380 V
Secondary-side current911 A
Converter topologyT-type three-level structure
Converter-switching frequency3.2 kHz
Reactor60 μH
Support capacitor650μF × 13
Heat dissipation methodAir-cooled cooling
Thyristor parameters7560 A/1800 V
Disclaimer/Publisher’s Note: The statements, opinions and data contained in all publications are solely those of the individual author(s) and contributor(s) and not of MDPI and/or the editor(s). MDPI and/or the editor(s) disclaim responsibility for any injury to people or property resulting from any ideas, methods, instructions or products referred to in the content.

Share and Cite

MDPI and ACS Style

Mou, X.; Zhu, R.; Zhang, X.; Chen, W.; Song, J.; Huo, X.; Wang, K. Design of Fault Protection Stra for Unified Power Flow Controller in Distribution Networks. Energies 2026, 19, 79. https://doi.org/10.3390/en19010079

AMA Style

Mou X, Zhu R, Zhang X, Chen W, Song J, Huo X, Wang K. Design of Fault Protection Stra for Unified Power Flow Controller in Distribution Networks. Energies. 2026; 19(1):79. https://doi.org/10.3390/en19010079

Chicago/Turabian Style

Mou, Xiaochun, Ruijun Zhu, Xuejun Zhang, Wu Chen, Jilong Song, Xinran Huo, and Kai Wang. 2026. "Design of Fault Protection Stra for Unified Power Flow Controller in Distribution Networks" Energies 19, no. 1: 79. https://doi.org/10.3390/en19010079

APA Style

Mou, X., Zhu, R., Zhang, X., Chen, W., Song, J., Huo, X., & Wang, K. (2026). Design of Fault Protection Stra for Unified Power Flow Controller in Distribution Networks. Energies, 19(1), 79. https://doi.org/10.3390/en19010079

Note that from the first issue of 2016, this journal uses article numbers instead of page numbers. See further details here.

Article Metrics

Back to TopTop