Next Article in Journal
Hydrogen Properties and Their Safety Implications for Experimental Testing of Wing Structure-Integrated Hydrogen Tanks
Next Article in Special Issue
Accuracy Performance of Open-Core Inductive Voltage Transformers at Higher Frequencies
Previous Article in Journal
A Multi-Time Scale Optimal Scheduling Strategy for the Electro-Hydrogen Coupling System Based on the Modified TCN-PPO
Previous Article in Special Issue
A VSG Power Decoupling Control with Integrated Voltage Compensation Schemes
 
 
Font Type:
Arial Georgia Verdana
Font Size:
Aa Aa Aa
Line Spacing:
Column Width:
Background:
Article

Robust Control of a Zeta Converter: A Feedback Linearization Approach with Digital PWM Implementation

by
David Angulo-García
1,
Fabiola Angulo
2,* and
Juan-Guillermo Muñoz
3
1
Departamento de Matemáticas y Estadística, Facultad de Ciencias Exactas y Naturales, Universidad Nacional de Colombia—Sede Manizales, Campus La Nubia, Manizales 170003, Colombia
2
Departamento de Ingeniería Eléctrica, Electrónica y Computación, Facultad de Ingeniería y Arquitectura, Universidad Nacional de Colombia—Sede Manizales, Campus La Nubia, Manizales 170003, Colombia
3
Departamento de Mecatrónica y Electromecánica, Facultad de Ingeniería, Instituto Tecnológico Metropolitano, Calle 54A # 30-01, Barrio Boston, Medellín 050013, Colombia
*
Author to whom correspondence should be addressed.
Energies 2025, 18(8), 1927; https://doi.org/10.3390/en18081927
Submission received: 2 March 2025 / Revised: 30 March 2025 / Accepted: 7 April 2025 / Published: 10 April 2025
(This article belongs to the Special Issue Energy, Electrical and Power Engineering: 3rd Edition)

Abstract

This paper presents a robust control strategy for a synchronous Zeta converter using feedback linearization combined with a PI controller. The control design is based on a state-averaged model, but it is implemented and evaluated in a digitally switched system using PSIM simulations. To ensure consistency between the averaged and switched models, the duty cycle is computed at the beginning of each period, and a centered PWM scheme is applied. This study identifies critical factors that affect stability, including the sampling period and the PWM edge selection, both of which can destabilize the switched system even when the averaged model remains stable. This study analyzes the difference in stability ranges between the averaged and switched models under variations in load and reference voltage, revealing significant discrepancies between them. Results show that the proposed control achieves robust performance, low stabilization time, and good tracking behavior across a wide range of conditions.

1. Introduction

Power electronic converters are electronic circuits that transform energy characteristics, such as voltage and current, to support applications in renewable energy, electric vehicles, industrial systems, and more [1]. Specifically, the Zeta converter is a versatile topology that combines the step-down feature of a Buck converter with the step-up capability of a Boost converter. This allows it to regulate output voltage levels while maintaining low ripple, thanks to the inductor’s placement at the output [2].
The Zeta converter has been tested in various renewable energy applications, such as permanent magnet wind turbines (wind lens) [3], photovoltaic systems for maximum power extraction using an MPPT algorithm [4], and electric vehicles for battery charging systems [5,6]. Its key characteristics—output voltage polarity matching the input voltage, ease of voltage regulation, and a smooth output current with low voltage ripple, allowing the use of smaller capacitors [7]—make it more efficient compared to other topologies like the Buck–Boost.
The Zeta converter is typically controlled using different techniques, including PID controllers [8,9], current-mode controllers [10,11], and sliding-mode controllers [12]. PID controllers rely on small-signal models, making them vulnerable to high-frequency instability issues. Current-mode controllers use a dual-loop structure, where both loops must be tuned in a way that ensures the overall system’s stability [13]. Sliding-mode control is widely used for its robustness and simplicity but has drawbacks such as chattering and switching frequency constraints. Other control techniques include switching control algorithms [14], which require the converter to operate strictly in continuous conduction mode. Given that the Zeta converter is a fourth-order, nonlinear system, designing a robust control strategy that ensures stability across a wide operating range, maintains a fixed switching frequency, and achieves low ripple operation is of great interest for various applications.
A promising approach to addressing the complexity of the Zeta converter is feedback linearization (FBL) control, which compensates for nonlinearities, simplifies controller design, and stabilizes the system over a broad operating range [15]. This technique has been successfully implemented in a Boost converter with a constant power load (CPL) [16], achieving noise immunity and a global pole independent of load conditions. In [17], FBL was applied to a multilevel converter, reducing voltage ripple and incorporating a neural network for controller parameter tuning. Other studies propose FBL control for Boost converters, such as integrating inner and outer control loops for power factor correction [18] or using it for current tracking as part of a genetic algorithm for fault-tolerant control [19]. However, this technique has not yet been implemented in the Zeta converter. Finally, to test the system’s robustness against large parameter variations, and considering that the averaged model included only two topologies, a synchronous Zeta converter (ZETAs) was used, allowing current to flow in both directions. In the ZETAs converter, the diode is replaced by a secondary switch synchronized with the main controlled switch [20,21,22,23]. This topology increases the converter’s efficiency by eliminating the diode’s voltage drop, a particularly desirable feature in step-down applications. However, if the system is ensured to operate in CCM, the more widely accepted Zeta converter structure can be used, which includes only one MOSFET, allowing power to be supplied from the voltage source.
In this paper, we propose the use of feedback linearization (FBL) in a synchronous Zeta converter. The feedback linearization control strategy offers clear advantages over traditional methods. The first step is to derive the averaged model of the converter, incorporating its nonlinear characteristics. The controller is then designed to cancel these nonlinearities, ensuring stable dynamics and regulated output voltage. Once the linearization expression is obtained, an external PI loop is included to improve damping and reduce steady-state error. The control scheme operates in a cycle-by-cycle computation structure, where the duty cycle is updated at the beginning of each period based on measured state variables. This allows operation at a fixed switching frequency without introducing undesired harmonics, making the approach suitable for digital or hybrid implementations. To prevent abrupt changes in state variables during the duty cycle update, centered pulse-width modulation (CPWM) is used [24]. Consequently, system stability is analyzed from a switched system perspective [25,26], enabling the identification of high-frequency instabilities that are not visible in the averaged model.
Beyond the theoretical development, this work addresses several practical aspects of implementation. The study demonstrates the robustness of the FBL approach under digital control, evaluates the system’s performance under variations in load resistance and reference voltage, and analyzes stability boundaries using a parametric sweep. The impact of the sampling period is explicitly examined, as both very small and very large values can destabilize the system. The choice of PWM scheme is also shown to be critical, with trailing- or leading-edge modulation potentially causing instability. A comparative analysis is carried out between the averaged and switched models, revealing significant differences in stability ranges. Additionally, the effect of input voltage variations on the robustness of the switched system is studied, along with how the proposed control strategy mitigates this issue.
While FBL has been widely applied in other types of converters [27,28,29,30], but, to the best of the authors’ knowledge, it has not yet been applied to the Zeta converter. This is likely due to the fact that its implementation is not straightforward, requiring a detailed analysis of the switching scheme and sampling period—issues that are specifically addressed in this work.
The paper is organized as follows. Section 2 presents the mathematical model that describes the dynamics of the Zeta converter, along with the equations of the averaged model. Section 3 introduces and applies the feedback linearization technique to the Zeta converter, analyzing the stability of its internal dynamics. Section 4 details the three components that govern the controller: the control law responsible for linearization, the one that induces the system dynamics, and the one that regulates steady-state and transient errors. Furthermore, Section 5 presents the stability analysis of the switched system. This is particularly relevant because the model and control scheme used for implementation differ significantly from the model on which the controller was originally designed. Section 6 showcases the main results of the paper, evaluating the system’s response to different disturbances—such as load variations and voltage reference changes—demonstrating its robust performance across a wide range of operating conditions. Finally, Section 7 provides concluding remarks and highlights open problems for future research.

2. Mathematical Model of the Zeta Converter

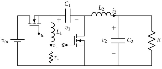
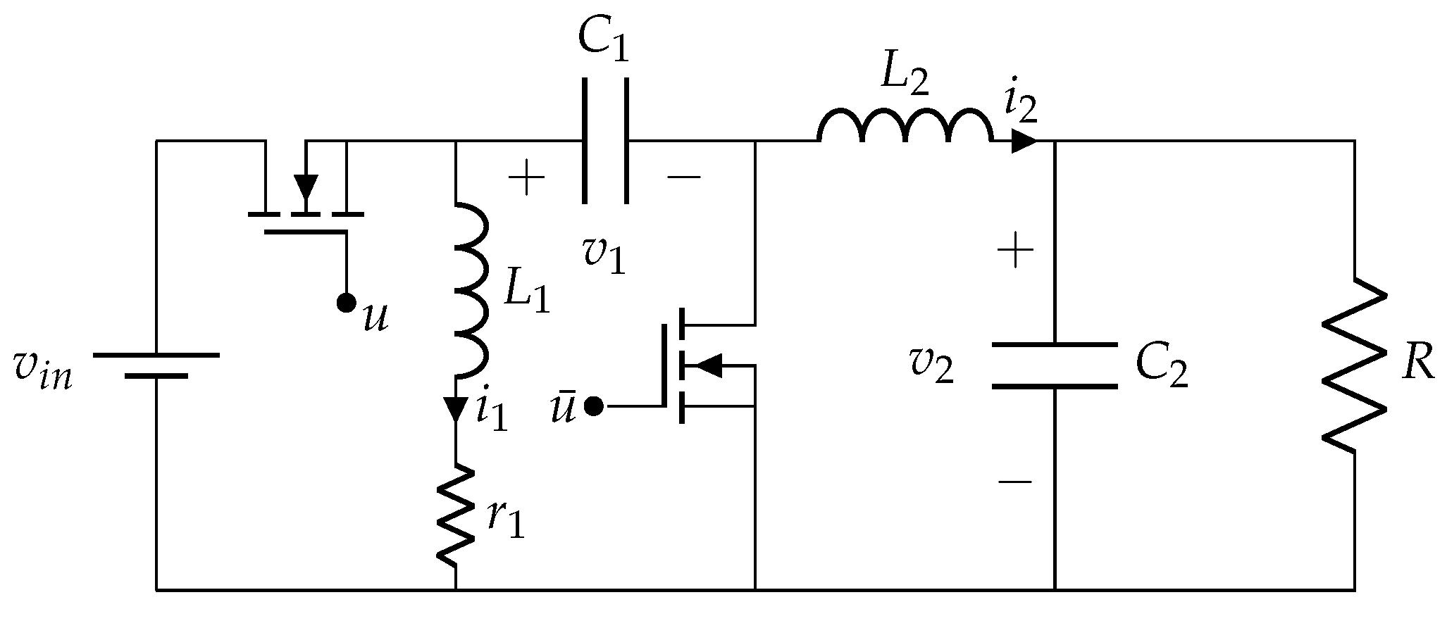
The synchronous Zeta converter is depicted in Figure 1 and is described by the state vector x = [ x 1 , x 2 , x 3 , x 4 ] T , where x 1 i 1 represents the current flowing through inductor 1, x 2 i 2 is the current flowing through the inductor 2, and x 3 v 1 and x 4 v 2 are the voltages across capacitors 1 and 2, respectively. The parameters of the system are the capacitances C 1 and C 2 of the capacitors, the inductances L 1 and L 2 of the inductors, the load resistance R, and the internal resistance of the first inductor, r 1 . The input voltage to the converter is given by v i n and the output voltage v o u t = v 2 . Switches u and u ¯ are synchronized in such a way that, whenever u = 0 (OFF position), then u ¯ = 1 (ON position) and vice-versa.
The dynamics are then
x ˙ = f 0 ( x ) for u = 0 , f 1 ( x ) for u = 1 ,
y = x 4
In Equation (1), the vector valued functions f 0 ( x ) , f 1 ( x ) R 4 defining the dynamics are
f 0 ( x ) = x 3 / L 1 r 1 x 1 / L 1 x 4 / L 2 x 1 / C 1 x 2 / C 2 x 4 / ( R C 2 ) , f 1 ( x ) = v i n / L 1 r 1 x 1 / L 1 v i n / L 2 x 3 / L 2 x 4 / L 2 x 2 / C 1 x 2 / C 2 x 4 / ( R C 2 ) .
State averaging is a widely used tool for analyzing switched systems, as it provides a single equation where the operation point can be easily analyzed using linear or nonlinear continuous-time systems tools. State-space averaging applied over Equations (1)–(3) leads to the averaged representation of the system:
x ˙ = f ( x ) + g ( x ) d y = h ( x )
where
f ( x ) = ( x 3 r 1 x 1 ) / L 1 x 4 / L 2 x 1 / C 1 ( R x 2 x 4 ) / ( R C 2 ) , g ( x ) = ( v i n x 3 ) / L 1 ( v i n x 3 ) / L 2 ( x 1 + x 2 ) / C 1 0 , h ( x ) = x 4
with d [ 0 ,   1 ] being the duty cycle. Unless otherwise stated, the values of the parameters used for the Zeta converter throughout the paper are those reported in Table 1.

3. Feedback Linearization

We have derived the state-average representation with the aim of applying complex controllers to the original system by leveraging the simple structure in Equations (4) and (5). As an example, we propose the design of an input–output linearization procedure followed by the application of a controlling feedback loop to obtain the desired dynamics.

3.1. Mathematical Preliminaries

To achieve input–output linearization, given the output y = h ( x ) , we derive the output as many times as needed until the input appears explicitly. The i-th derivative of the output is denoted as y ( i ) and can be expressed using Lie derivative notation as
y ( i ) = L f i h ( x ) + L g L f i 1 h ( x ) d
where the following properties are used:
L f h ( x ) h ( x ) x f ( x )
L f i h ( x ) ( L f i 1 h ( x ) ) x f ( x )
L g L f h ( x ) ( L f h ( x ) ) x g ( x )
For some integer r, the expression L g L f r 1 h ( x ) d 0 —i.e., the number of times that the output must be derived for the input to appear explicitly—hence, we say that the system has relative degree r. With this, the control law
d = 1 L g L f ( r 1 ) h ( x ) L f r h ( x ) + ν
gives the input–output relation
y ( r ) = ν .
The expression for ν can then be chosen such that the output has the desired dynamics.
It is straightforward to verify that, for our system, we need to differentiate twice the output; hence, the relative degree is r = 2 , with the explicit expressions for the two derivatives of y being
y ˙ = R x 2 x 4 R C 2
y ¨ = x 2 R C 2 2 + x 4 1 ( R C 2 ) 2 1 C 2 L 2 + v i n x 3 L 2 C 2 d .
The relative degree is well-defined for x R 4 { x 3 = v i n } . From this, it follows that the control law
d = L 2 C 2 v i n x 3 x 2 R C 2 2 x 4 1 ( R C 2 ) 2 1 C 2 L 2 + ν
produces the input–output relation
y ¨ = ν

3.2. Stability of the Internal Dynamics

In linearizing the system via the output, we have established a new set of coordinates μ = [ μ 1 ( x ) , μ 2 ( x ) ] T = [ y , y ˙ ] T to describe the relationship between the input and output of the system. Nonetheless, since the original system is of order n = 4 , this means that n r = 2 coordinates ξ = [ ξ 1 ( x ) , ξ 2 ( x ) ] T remain unobserved, constituting the so-called Internal Dynamics, whose dynamics must be stable. These coordinates can be arbitrarily chosen as long as the complete state transformation
z ( x ) = μ ( x ) ξ ( x )
is a local diffeomorphism, which implies that det J z 0 .
This can be achieved by guaranteeing
ξ i · g = 0 for i = 1 , 2
Putting together the expressions for μ ( x ) in Equations (12) and (13) and one such solution to Equation (17), we obtain the state transformation
z ( x ) = μ 1 ( x ) μ 2 ( x ) ξ 1 ( x ) ξ 2 ( x ) = x 4 R x 2 x 4 R C 2 L 1 x 1 L 2 x 2 L 1 x 1 2 2 + L 2 x 2 2 2 + C 1 2 ( v i n x 3 ) 2 C 1 v i n 2 2 ,
with the Jacobian matrix given by
J z = 0 0 0 1 0 1 / C 2 0 1 / ( R C 2 ) L 1 L 2 0 0 L 1 x 1 L 2 x 2 C 1 ( v i n x 3 ) 0 .
One can verify that the determinant det J z = L 1 C 1 ( v i n x 3 ) / C 2 0 x R 4 { x 3 = v i n } ; hence, the change in variables in Equation (16) is a true state transformation.
Since, in the obtained transformation, μ 1 and μ 2 are variables directly related to x 2 and x 4 , it is straightforward to see that the internal dynamics of the original system are defined by the variables x 1 and x 3 . Then, the stability of the internal dynamics can be assessed by setting in the original coordinates the output and its derivatives to the values that they would take in the desired regulated state, which are x 2 = v r e f / R and x 4 = v r e f . Using these values, setting Equation (13) to zero, and solving for d, we obtain d = v r e f / ( v i n x 3 ) .
Replacing these values in Equation (4) leads to the nonlinear system of equations
x ˙ 1 x ˙ 3 = v r e f + x 3 r 1 x 1 L 1 x 1 v r e f v i n x 3 1 C 1 + v r e f 2 C 1 R v i n x 3
which has two equilibria given by
( x 1 * , x 3 * ) ( 1 , 2 ) = v r e f r 1 + v i n 2 v r e f ± v i n 2 4 r 1 v r e f / R 2 2 r 1 , v i n 2 v r e f ± v i n 2 4 r 1 v r e f / R 2 2
For the values of the parameters reported in Table 1, the two equilibria are
( x 1 * , x 3 * ) ( 1 ) = ( 367.13 , 5.09 ) and ( x 1 * , x 3 * ) ( 2 ) = ( 3.24 , 14.91 ) .
Notice that the first equilibrium (taking the positive sign of preceeding the square root) not only describes unrealistic values of the current in the first inductor, but also a nonphysical value of x 3 , which should roughly tend towards x 3 v r e f . The second equilibrium in turn (taking the negative sign of the square root) corresponds to feasible values when the desired v r e f value is achieved. With these, for the input–output linearization to be locally stable, we require that such equilibrium is also stable. The Jacobian matrix of the system in Equation (20) is
J I = r 1 L 1 1 L 1 v r e f v i n x 3 1 C 1 v r e f v r e f + R x 1 C 1 R v i n x 3 2 .
The dynamics are stable as long as the trace of the Jacobian evaluated at the equilibrium is negative, i.e., T r ( J I ) < 0 , which can be easily found to correspond to the inequality
2 v r e f R v i n + 2 r 1 v r e f R 2 v i n 2 4 R r 1 v r e f 2 C 1 r 1 R v i n + 2 R v r e f + R v i n 2 4 r 1 v r e f 2 2 r 1 L 1 < 0 .
Setting the equation above to zero and solving for R allows us to find the critical load resistance below which stability is lost:
R c = v r e f 2 C 1 r 1 2 + L 1 2 C 1 r 1 v i n + v r e f L 1 v i n C 1 r 1 2 v r e f
An interesting insight from this equation is that it reveals the importance of a finite value of the internal resistance r 1 . A vanishing internal resistance would lead to larger and larger R c , rendering the system unstable. In Figure 2A, we show the maximal real part of the eigenvalues of Matrix (22) by increasing v r e f at three different values of R and fixing v i n = 10 V. Here, one can see that, by increasing R, the stability is lost at higher and higher values of v r e f , suggesting that higher resistances stabilizes the system. To verify this, we computed the critical value of R c as a function of both v i n and v r e f , making use of the relation (24) in the heatmap of Figure 2B. The red horizontal dashed line at v i n = 10 V indicates the same value of input voltage used for panel A, and the level lines correspond to the same resistances used for the same plot. Notice that the intersection between the red dashed line and the level lines correspond with the v r e f value where the largest eigenvalue changes sign. In this figure, it is possible to confirm that the critical value R c increases with either increasing v r e f or decreasing v i n , meaning that indeed that higher gains in the step-up condition require higher resistances to operate robustly.

4. Controller Design

We begin this section by writing the control signal in Equation (14) in a more suggestive way:
d = L 2 C 2 v i n x 3 ν L + ν
The first component ν L is the term that linearizes the output dynamics, which we have found to be
ν L = x 2 R C 2 2 + x 4 1 ( R C 2 ) 2 1 C 2 L 2
Now, the second term ν will be given by two components. The first one induces the desired dynamics in the voltage ( ν D D ), and the second one consists of a PI controller ( ν P I ), ensuring that the output voltage tends to the steady-state with small-amplitude ripple, defined according to the design parameters. Thus, the signal ν from Expression (25) is given by
ν = ν D D + ν P I
The desired dynamics in the voltage are set to follow a second-order equation with two distinct real poles. Thus, the signal ν D D is given by
ν D D = k 1 R x 2 x 4 R C 2 k 2 x 4
The constants k 1 = 2.4 × 10 3 s−1 and k 2 = 1.28 × 10 6 s−2 are chosen so that the poles of the linearized system are located at s = 800 s 1 and s = 1600   s 1 . Faster poles would induce oscillations in the output, while placing the poles closer to the origin would slow down the system’s response. Finally, defining the state variable x 5 = ( v r e f x 4 ) d t with dynamics x ˙ 5 = v r e f x 4 , the PI controller takes the form
ν P I = k p ( v r e f x 4 ) + k i x 5 .
The PI places a pole at the origin and a zero. In this case, the zero is placed at s = 1000   s 1 , which implies that the integrator’s time constant is τ i = 1 × 10 3 s.
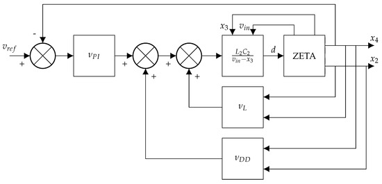
Since the linearized part corresponds to a stable second-order system, and the PI controller adds a pole at the origin and a zero in the left-half plane, a basic root locus analysis suggests that the closed-loop system will remain stable. The constants k p = 3.3 × 10 5 s−2 and k i = 3.3 × 10 8 s−3 were selected to provide an appropriate response according to the design criteria. Smaller values of k p result in a slower response, while larger values may lead to oscillations. Figure 3 shows a block diagram of the closed-loop system.

5. Dynamic Analysis of the Switched Controlled System

So far we have leveraged the continuous nature of the state-space averaging to design a controller based on input–output linearization. The next question is at what extent a discrete, switched version of the controller behaves in the same way as the continuous counterpart, not only in the similarity of the trajectories, but also on the stability conditions. To address this question, we resort to the stability analysis of the switched system.
An important remark should be made at this point: the discrete implementation measures the state of the system at the beginning of the cycle at time t and calculates the duty cycle d given by Equations (14) and (27). The value of d is only updated at the next sampling period t + T . For this reason, the value sampled at the beginning should be representative of the averaged states over the whole period; hence, we choose a centered PWM implementation for the MOSFET.
Now, for mathematical convenience, we rewrite the vector fields f 0 and f 1 of the Zeta converter in matrix form as
f 0 = A 0 x + B 0
f 1 = A 1 x + B 1
with
A 0 = r 1 L 1 0 1 L 1 0 0 0 0 0 1 L 2 0 1 C 1 0 0 0 0 0 1 C 2 0 1 C 2 R 0 0 0 0 1 0 , B 0 = 0 0 0 0 v ref
A 1 = r 1 L 1 0 0 0 0 0 0 1 L 2 1 L 2 0 0 1 C 1 0 0 0 0 1 C 2 0 1 C 2 R 0 0 0 0 1 0 , B 1 = v in L 1 v in L 2 0 0 v ref .
The map that takes an arbitrary state at the n-th ( x n ) cycle to the n + 1 ( x n + 1 ) can be constructed as
x n + 1 = f ( x n , d ( x n ) ) = Φ 1 Φ 0 Φ 1 x n + Φ 1 Φ 0 Ψ 1 + Ψ 1 B 1 + Φ 1 Ψ 0 B 0
where we have made
Φ 0 = e A 0 ( T d T ) , Ψ 0 = 0 T d T e A 0 ( T d T τ ) d τ ,
Φ 1 = e A 1 ( d T / 2 ) , Ψ 1 = 0 d T / 2 e A 1 ( d T / 2 τ ) d τ ,
The fixed point x * in Equation (34) needs to be implicitly solved by setting
x * f ( x * , d ( x * ) ) = 0 .
Furthermore, the linear stability of the fixed point is given by the linearization of the map
J s = f x + f d d x x * .
Here, the partial derivatives of f are
f x = Φ 1 Φ 0 Φ 1
f d = ( Φ 1 Φ 0 Φ 1 + Φ 1 Φ 0 Φ 1 + Φ 1 Φ 0 Φ 1 ) x + ( Φ 1 Φ 0 Ψ 1 + Φ 1 Ψ 0 + Φ 1 Ψ 0 ) B 0 + ( Φ 1 Φ 0 Ψ 1 + Φ 1 Φ 0 Ψ 0 + Ψ 1 ) B 1
and the expressions for the matrix derivatives are
Φ 0 = T A 0 Φ 0 , Ψ 0 = T ( I + A 0 Ψ 0 ) Φ 1 = T 2 A 1 Φ 1 , Ψ 1 = T 2 ( I + A 1 Ψ 1 ) .
Finally, the gradient vector is
d x = 0 , L 2 C 2 R k 1 1 C 2 R v in x 3 , C 2 L 2 k 2 x 4 + k 3 x 5 k 0 v ref x 4 x 4 C 2 L 2 + x 4 R x 2 C 2 2 R 2 k 1 x 4 R x 2 C 2 R v in x 3 2 , L 2 C 2 R 2 + C 2 2 L 2 R 2 k 0 + C 2 2 L 2 R 2 k 2 C 2 L 2 R k 1 C 2 R 2 v in x 3 , C 2 L 2 k 3 v in x 3
The eigenvalues μ of the matrix J s in Equation (38) are the so-called Floquet multipliers and determine the stability of the fixed-point solution of the map by guaranteeing max ( | μ | ) < 1 .
The stability analysis of the switched system is shown in Figure 4A. For this figure, we have made use of the same parameters used in Figure 2A for comparison effects. First, it is worth noticing that, since we are now working on a discrete map, the stability is lost via the magnitude of the largest Floquet multiplier crossing the unit circle. Interestingly, the values of v r e f where stability is lost are consistently shifted towards larger values compared with the averaged model. This suggests that, by means of the digital implementation, the stability margin is noticeably increased. The inset of the figure shows also that the bifurcation occurring at instability is a Neimark–Sacker type, where two complex conjugate multipliers cross the unit circle. To see whether the stability margin keeps increasing at larger sampling periods T, we computed the critical R c as a function of v r e f at different values of T, as it can be seen in Figure 4B. Indeed, we see that the general trend is that increasing T reduces the value of R c , effectively increasing the stability margin. However, this trend eventually reverses, as can be seen for the curve corresponding to T = 100 μ s. At around v r e f 35 V, R c rapidly increases, implying a loss in the stabilty margin compared with smaller sampling periods. Also, as expected, as T decreases, the switched system approaches to the R c predicted by the averaged model (see the T = 1 μ s curve).
Next, we proceeded to compare the time evolution of the averaged and the switched system under a stable scenario. The results are shown in Figure 5. Panels A to D show the state variables using R = 7 Ω , v r e f = 15 V, v i n = 10 V, and, for the switched system, T = 50 μ s. The figures show that, while the currents in the switched system oscillate quite largely due to the fast current response to the ON / OFF signal of the MOSFET, both systems evolve similarly on average, a behavior better visualized in the voltages across capacitors. Here, we can also see a slight difference in the transient response, which seems to be faster in the averaged model than the switched one. Figure 5E depicts the evolution of the duty cycle d, revealing a steady-state solution at around d 0.6 , which coincides with the expected duty cycle calculation d = v r e f / ( v r e f + v i n ) . Finally, Figure 5F plots the error percentage with respect to the reference value. In the inset of the figure, it can be observed that, while the linearized system’s error goes to zero as expected from the continuous dynamics and the effect of the PI controller, the error in the digital system remains quite low, with steady-state oscillations smaller than 0.5%.
To better understand the importance of using a centered PWM, we show in Figure 6 the comparison between the linearized model and the digital one in a small window spanning two consecutive cycles, using i 1 as a representative state variable. In this figure, one can see that sampling the state variables using a centered PWM guarantees that the value of the current sampled in the switched system at the beginning of the cycle (vertical dashed lines) coincides with the value of the current in the linearized system that we have used to construct the control signal. Using a trailing or edging PWM would lead to sampled values far from the averaged one across the cycle, leading to instabilities.

6. Results

In this section, we validate the performance of the controlled system under different scenarios using PSIM. The parameters of the Power Converter have been selected in such a way that the input voltage can vary in the interval v i n [9 V, 14 V], and the output voltage is v r e f = 24 V. The commutation frequency is set to 20 kHz ( T = 50 μ s), which produces 0.4% error in the output. The load resistance is set at R = 7 Ω , which is equivalent to 80 W of power. The ripple under these conditions is 0.1 v p p .
As previously discussed in Section 5, we use a centered PWM, as the sampled variables in this scheme are more representative of their averaged values as required by the state averaging. We have verified that using trailing- or leading-edge modulation renders digital systems unstable. Figure 7 shows the system’s behavior at the operating point. As expected, the system regulates with an error below 0.4% and reaches stability within 0.012 s.
Although FBL control is known to exhibit limited robustness against parameter variations, the inclusion of a PI controller in the design improves the system’s robustness to load and input voltage disturbances. Figure 8 shows the system’s response when the reference voltage and load resistance change as follows. Until t = 0.075 s, the system evolves from rest to the operating point under the designed parameters. At t = 0.075 s, the values change to R = 5 Ω and v r e f = 3 V. At t = 0.15 s, the values are updated to R = 50 Ω and v r e f = 35 V, and, finally, at t = 0.225 s, the parameters are changed again to R = 100 Ω and v r e f = 15 V. The duty cycle graph shows that the system gradually converges to the desired value.
On the other hand, while the system remains stable for different values of v i n (see Section 5), it has low robustness against variations in this parameter. However, since a digital control strategy is used and the system computes the duty cycle based on measured data at each instant k T , the input voltage v i n can be fed into the controller, improving its robustness to changes in this parameter.

7. Conclusions and Future Work

In this work, we extensively analyzed the dynamics of the synchronous Zeta converter and its robustness under a control strategy based on input–output feedback linearization. By leveraging state-space averaging, we derived a nonlinear control law that effectively regulates the output voltage while ensuring the stability of the internal dynamics. However, as with any averaging approach, this method assumes that the switching frequency is sufficiently high relative to the system dynamics, which may limit its accuracy in capturing fast-scale instabilities such as period doubling and subharmonic oscillations that arise in practical implementations. For this reason the proposed controller was implemented in a digital system using a centered pulse-width modulation (PWM) scheme to ensure accurate duty cycle updates. Through detailed dynamical analysis, numerical simulations, and software-based validation using PSIM, we evaluated the performance of the controlled system and its sensitivity to various design parameters. Notably, in the digital implementation, we observed important differences in the stability properties of the averaged and switched models, showing the impact of discrete-time control and switching effects on system behavior.
One of the key findings of this study is that the digital implementation of the controller does not function properly when using trailing- or leading-edge PWM schemes, highlighting the importance of selecting an appropriate switching strategy. Additionally, our analysis demonstrated that the digitally controlled system exhibits greater robustness compared to the averaged model. Specifically, we found that increasing the sampling period improves stability margins, but only up to a certain threshold, beyond which the trend reverses, indicating the existence of an optimal sampling interval. Furthermore, we showed that, as the sampling period T decreases, the digital system increasingly resembles the state-averaged model, confirming the consistency of the proposed control approach.
Another crucial aspect of stability in the linearized system was the influence of the internal resistance of the inductor L 1 . Our results indicate that this resistance plays a fundamental role in ensuring stable operation, and its impact should be carefully considered in practical implementations. Despite these constraints, the controlled Zeta converter exhibited well-behaved dynamics and demonstrated robustness to variations in both load resistance and reference voltage. However, the system was found to be less resilient to changes in the input voltage v i n . This limitation suggests that incorporating v i n as an additional input to the digital controller could enhance adaptability, allowing real-time compensation for input fluctuations and further improving system performance.
Future research could explore adaptive control strategies that explicitly incorporate variations in input voltage to enhance robustness. Additionally, extending the analysis to multi-phase Zeta converters or integrating machine learning-based control techniques could provide new insights into optimizing performance under highly dynamic conditions. Another important direction is the study of how to appropriately select the sampling period T. As shown in this work, the relationship between T and stability is not monotonic, especially for large values of T, where the system no longer follows a predictable degradation pattern. This makes it difficult to establish a general rule for T selection, suggesting that future work should address this challenge using more advanced discrete-time analysis tools or optimization methods. Experimental validation on hardware platforms would also be a valuable step toward the practical implementation and further refinement of the proposed control approach.

Author Contributions

Conceptualization, D.A.-G. and F.A.; Data curation, D.A.-G.; Formal analysis, D.A.-G. and F.A.; Funding acquisition, F.A.; Investigation, D.A.-G., F.A. and J.-G.M.; Methodology, D.A.-G., F.A. and J.-G.M.; Resources, D.A.-G.; Software, D.A.-G.; Supervision, F.A.; Validation, D.A.-G., F.A. and J.-G.M.; Visualization, D.A.-G. and J.-G.M.; Writing—original draft, D.A.-G., F.A. and J.-G.M.; Writing—review and editing, J.-G.M. and D.A.-G. All authors have read and agreed to the published version of the manuscript.

Funding

This work was supported by Universidad Nacional de Colombia, Rymel Ingeniería Eléctrica S.A.S. and Patrimonio Autónomo Fondo Nacional de Financiamiento para la Ciencia, la Tecnología y la Innovación Francisco José de Caldas—Ministerio de Ciencia, Tecnología e Innovación, under the project “Validación tecnológica para la fabricación de reconectadores automáticos para redes inteligentes, del tipo seco con polos encapsulados utilizando compuestos poliméricos termoestables”, contract No. 099-2022.

Data Availability Statement

The original contributions presented in the study are included in the article, further inquiries can be directed to the corresponding author.

Conflicts of Interest

The authors declare no conflicts of interest. The funding sponsors had no role in the design of the study; in the collection, analyses, or interpretation of data; in the writing of the manuscript; or in the decision to publish the results.

References

  1. Mumtaz, F.; Zaihar Yahaya, N.; Tanzim Meraj, S.; Singh, B.; Kannan, R.; Ibrahim, O. Review on non-isolated DC-DC converters and their control techniques for renewable energy applications. Ain Shams Eng. J. 2021, 12, 3747–3763. [Google Scholar] [CrossRef]
  2. Raja Chandrasekhar, P.; G, A. Design, analysis, and implementation of a phase-shift controlled cascaded H-bridge and anti-interleaved zeta converter-based E-bike battery charging circuitry. Int. J. Circuit Theory Appl. 2025, 53, 948–992. [Google Scholar] [CrossRef]
  3. Selvaraj, A.; Mayilsamy, G. Optimized Energy Management System for Wind Lens-Enhanced PMSG Utilizing Zeta Converter and Advanced MPPT Control Strategies. Wind 2024, 4, 275–287. [Google Scholar] [CrossRef]
  4. Zhang, H.; Wang, X.; Zhang, J.; Ge, Y.; Wang, L. MPPT control of photovoltaic array based on improved marine predator algorithm under complex solar irradiance conditions. Sci. Rep. 2024, 14, 19745. [Google Scholar] [CrossRef]
  5. Chen, K.; Xu, B.; Liu, L. A charging equalizer based on Zeta converter for hybrid energy storage system. IET Power Electron. 2024, 17, 463–472. [Google Scholar] [CrossRef]
  6. Lee, D.; Kieu, H.P.; Kim, J.; Choi, S.; Kim, S.; Martinez, W. A GaN-Based Improved Zeta Converter with Integrated Planar Transformer for 800-V Electric Vehicles. IEEE Trans. Ind. Electron. 2024, 71, 15815–15825. [Google Scholar] [CrossRef]
  7. Bayat, F.; Karimi, M.; Taheri, A. Robust output regulation of Zeta converter with load/input variations: LMI approach. Control Eng. Pract. 2019, 84, 102–111. [Google Scholar] [CrossRef]
  8. Sajeevan, R.; Thomas, K.P. PID Controlled Zeta Converter for PV based DC Supply. In Proceedings of the 2019 IEEE International Conference on Innovations in Communication, Computing and Instrumentation (ICCI), Chennai, India, 23 March 2019; pp. 86–91. [Google Scholar] [CrossRef]
  9. Lins, A.W.; Krishnakumar, R. Tuning of PID controller for a PV-fed BLDC motor using PSO and TLBO algorithm. Appl. Nanosci. 2023, 13, 2911–2934. [Google Scholar] [CrossRef]
  10. Shiau, J.K.; Chiu, H.Y.; Sun, J.W. Using a Current Controlled Light-Dependent Resistor to Bridge the Control of DC/DC Power Converter. Electronics 2018, 7, 447. [Google Scholar] [CrossRef]
  11. Pattathurani, L.P.; Dash, S.S.; Dwibedi, R.K.; Raj, M.D.; Kannadasan, R.; Savio, M.F.; Alsharif, M.H.; Kim, J.H. Harmonics Minimisation in Non-Linear Grid System Using an Intelligent Hysteresis Current Controller Operated from a Solar Powered ZETA Converter. Sustainability 2022, 14, 7028. [Google Scholar] [CrossRef]
  12. Al-Baidhani, H.; Corti, F.; Reatti, A.; Kazimierczuk, M.K. Robust Sliding-Mode Control Design of DC-DC Zeta Converter Operating in Buck and Boost Modes. Mathematics 2023, 11, 3791. [Google Scholar] [CrossRef]
  13. Goudarzian, A.; Khosravi, A.; Abjadi, N.R. Input–output current regulation of Zeta converter using an optimized dual-loop current controller. Electr. Eng. 2020, 102, 279–291. [Google Scholar] [CrossRef]
  14. Sarkawi, H.; Ohta, Y.; Rapisarda, P. On the switching control of the DC–DC zeta converter operating in continuous conduction mode. IET Control Theory Appl. 2021, 15, 1185–1198. [Google Scholar] [CrossRef]
  15. Slotine, J.; Li, W. Applied Nonlinear Control; Prentice-Hall International Editions; Prentice-Hall: Hoboken, NJ, USA, 1991. [Google Scholar]
  16. Arora, S.; Balsara, P.; Bhatia, D. Input–Output Linearization of a Boost Converter With Mixed Load (Constant Voltage Load and Constant Power Load). IEEE Trans. Power Electron. 2019, 34, 815–825. [Google Scholar] [CrossRef]
  17. Mehrasa, M.; Babaie, M.; Sharifzadeh, M.; Al-Haddad, K. An Input–Output Feedback Linearization Control Method Synthesized by Artificial Neural Network for Grid-Tied Packed E-Cell Inverter. IEEE Trans. Ind. Appl. 2021, 57, 3131–3142. [Google Scholar] [CrossRef]
  18. Li, G.; Huang, H.; Song, S.; Liu, B. A nonlinear control scheme based on input–output linearized method achieving PFC and robust constant voltage output for boost converters. Energy Rep. 2021, 7, 5386–5393. [Google Scholar] [CrossRef]
  19. Torres, G.O.; Rumbo-Morales, J.Y.; Sánchez, R.O.; Martínez-García, M.; Blanco, M.A.R. Fault Tolerant Control via Input-Output Linearization Method for LED-Driver Using a Boost Converter. IEEE Access 2023, 11, 10390–10397. [Google Scholar] [CrossRef]
  20. Woranetsuttikul, K.; Pinsuntia, K.; Jumpasri, N.; Nilsakorn, T.; Khan-ngern, W. Comparison on performance between synchronous single-ended primary-inductor converter (SEPIC) and synchronous ZETA converter. In Proceedings of the 2014 International Electrical Engineering Congress (iEECON), Chonburi, Thailand, 16 October 2014; pp. 1–4. [Google Scholar]
  21. Manohar, J.; Rajesh, K.S. A comparative study on DC motor drive fed by synchronous SEPIC converter and synchronous zeta converter. In Proceedings of the 2016 International Conference on Computation of Power, Energy Information and Communication (ICCPEIC), Melmaruvathur, India, 20–21 April 2016; pp. 505–510. [Google Scholar]
  22. Manohar, J.; Rajesh, K.S. Speed control of BLDC motor using PV powered synchronous Zeta converter. In Proceedings of the 2016 International Conference on Computation of Power, Energy Information and Communication (ICCPEIC), Melmaruvathur, India, 20–21 April 2016; pp. 542–548. [Google Scholar]
  23. Shashikumari, J.; Ramya, N. Design of Synchronous SEPIC and Synchronous Zeta Converter for Stand-Alone Photovoltaic System. IJRSI 2016, 3, 149–155. [Google Scholar]
  24. Muñoz, J.G.; Angulo-García, D.; Angulo, F. Boost-flyback converter: Experimental assessment of recent control techniques. Int. J. Circuit Theory Appl. 2024, 52, 2249–2265. [Google Scholar] [CrossRef]
  25. El Aroudi, A.; Giaouris, D.; Iu, H.H.C.; Hiskens, I.A. A review on stability analysis methods for switching mode power converters. IEEE J. Emerg. Sel. Top. Circuits Syst. 2015, 5, 302–315. [Google Scholar] [CrossRef]
  26. Di Bernardo, M.; Garefalo, F.; Glielmo, L.; Vasca, F. Analysis of chaotic buck, boost and buck-boost converters through switching maps. In Proceedings of the PESC97. Record 28th Annual IEEE Power Electronics Specialists Conference. Formerly Power Conditioning Specialists Conference 1970–71. Power Processing and Electronic Specialists Conference 1972, St. Louis, MO, USA, 27 June 1997; Volume 1, pp. 754–760. [Google Scholar]
  27. Solsona, J.A.; Gomez Jorge, S.; Busada, C.A.; Mengatto, F.A. Exact Linearization Control of a Two-Stage DC–AC Converter with a Power Pulsating Buffer. IEEE Trans. Power Electron. 2024, 39, 15870–15879. [Google Scholar] [CrossRef]
  28. Guo, Q.; Carrizosa, M.J.; Iovine, A.; Arzandé, A. Dynamic Feedback Linearization and Singular Perturbation for a Stabilizing Controller for DC/DC Boost Converters: Theory and Experimental Validation. IEEE Trans. Ind. Electron. 2024, 71, 9559–9568. [Google Scholar] [CrossRef]
  29. Chen, D.; Hu, X. A Multiobjective Feedback Linearization Control of a Cuk Converter. IEEE J. Emerg. Sel. Top. Power Electron. 2023, 11, 2990–2999. [Google Scholar] [CrossRef]
  30. Soto, N.; Riffo, S.; Restrepo, C.; González-Castaño, C.; Garcés-Ruiz, A. Feedback Linearization Control of Classical Second Order DC/DC Converters. In Proceedings of the IECON 2024—50th Annual Conference of the IEEE Industrial Electronics Society, Chicago, IL, USA, 3–6 November 2024; pp. 1–6. [Google Scholar] [CrossRef]
Figure 1. ZETAs converter.
Figure 1. ZETAs converter.
Energies 18 01927 g001
Figure 2. (A) Maximum eigenvalue of Jacobian Matrix (22) as a function of v r e f for different values of the load indicated in the label and a fixed value of v i n = 10 V. (B) Heatmap representing the critical value of the load R c below which the internal dynamics are stable. The horizontal line corresponds to v i n = 10 V and the level lines to the same R values chosen in panel A.
Figure 2. (A) Maximum eigenvalue of Jacobian Matrix (22) as a function of v r e f for different values of the load indicated in the label and a fixed value of v i n = 10 V. (B) Heatmap representing the critical value of the load R c below which the internal dynamics are stable. The horizontal line corresponds to v i n = 10 V and the level lines to the same R values chosen in panel A.
Energies 18 01927 g002
Figure 3. Block diagram of the proposed controlled system.
Figure 3. Block diagram of the proposed controlled system.
Energies 18 01927 g003
Figure 4. (A) Largest Floquet multiplier calculated as the eigenvalues of (38) as a function of v r e f for the same three values of R as in Figure 2. Dashed horizontal line represents the limit of stability. Inset: Evolution of the two largest Floquet multipliers as v r e f increases, showing that two complex conjugate multipliers cross the unit circle. (B) Critical R where stability is lost as a function of v r e f in the averaged model—calculated using Equation (24) (black solid line)—and the switched system—calculated as the unit circle crossing of the largest Floquet multiplier—at varying values of the MOSFET period. For the switched system, the equilibrium is implicitly solved using a trust-region-dogleg algorithm applied to Equation (37).
Figure 4. (A) Largest Floquet multiplier calculated as the eigenvalues of (38) as a function of v r e f for the same three values of R as in Figure 2. Dashed horizontal line represents the limit of stability. Inset: Evolution of the two largest Floquet multipliers as v r e f increases, showing that two complex conjugate multipliers cross the unit circle. (B) Critical R where stability is lost as a function of v r e f in the averaged model—calculated using Equation (24) (black solid line)—and the switched system—calculated as the unit circle crossing of the largest Floquet multiplier—at varying values of the MOSFET period. For the switched system, the equilibrium is implicitly solved using a trust-region-dogleg algorithm applied to Equation (37).
Energies 18 01927 g004
Figure 5. Time evolution of (AD): the state variables ( i 1 , i 2 , v 1 , v 2 ) in the controlled system using the state-averaged model (red) and the switched model (blue). (E) Duty cycle and (F) Error percentage. Inset in (F) steady state zoom-in of the error percentage showing small-amplitude oscillations in the switched system. Here, a load resistance R = 7 Ω was used to ensure stability of both systems with v r e f = 15 , v i n = 10 , and T = 50 μ s. Both models were simulated using a Runge–Kutta with variable-step algorithm with initial conditions at the origin.
Figure 5. Time evolution of (AD): the state variables ( i 1 , i 2 , v 1 , v 2 ) in the controlled system using the state-averaged model (red) and the switched model (blue). (E) Duty cycle and (F) Error percentage. Inset in (F) steady state zoom-in of the error percentage showing small-amplitude oscillations in the switched system. Here, a load resistance R = 7 Ω was used to ensure stability of both systems with v r e f = 15 , v i n = 10 , and T = 50 μ s. Both models were simulated using a Runge–Kutta with variable-step algorithm with initial conditions at the origin.
Energies 18 01927 g005
Figure 6. Steady-state behavior of the current i 1 in the switched system (blue) and the state-space averaged one (red) during two consecutive cycles. The PWM values are shown in black. The vertical line shows the sampling point centered at the PWM. Same parameters as in Figure 5.
Figure 6. Steady-state behavior of the current i 1 in the switched system (blue) and the state-space averaged one (red) during two consecutive cycles. The PWM values are shown in black. The vertical line shows the sampling point centered at the PWM. Same parameters as in Figure 5.
Energies 18 01927 g006
Figure 7. System behavior starting from the origin of the state space until v r e f = 24 V. (AD) the state variables ( i 1 , i 2 , v 1 , v 2 ) . (E) Duty cycle and (F) Error percentage. Parameters are load resistance R = 7 Ω , v r e f = 24 , v i n = 10 , and T = 50 μ s.
Figure 7. System behavior starting from the origin of the state space until v r e f = 24 V. (AD) the state variables ( i 1 , i 2 , v 1 , v 2 ) . (E) Duty cycle and (F) Error percentage. Parameters are load resistance R = 7 Ω , v r e f = 24 , v i n = 10 , and T = 50 μ s.
Energies 18 01927 g007
Figure 8. System behavior with perturbations. Time evolution of (AD): the state variables ( i 1 , i 2 , v 1 , v 2 ) in the controlled system. (E) Duty cycle and (F) Error percentage. Inset in (F): steady-state zoom-in of the error percentage, showing small-amplitude oscillations in the switched system. Here, t = [ 0 0.075 ] s; the system evolves from rest to the operating point under the designed parameters. At t = 0.075 s, the values change to R = 5 Ω and v r e f = 3 V. At t = 0.15 s, the values are updated to R = 50 Ω and v r e f = 35 V, and, finally, at t = 0.225 s, the parameters are changed again to R = 100 Ω and v r e f = 15 .
Figure 8. System behavior with perturbations. Time evolution of (AD): the state variables ( i 1 , i 2 , v 1 , v 2 ) in the controlled system. (E) Duty cycle and (F) Error percentage. Inset in (F): steady-state zoom-in of the error percentage, showing small-amplitude oscillations in the switched system. Here, t = [ 0 0.075 ] s; the system evolves from rest to the operating point under the designed parameters. At t = 0.075 s, the values change to R = 5 Ω and v r e f = 3 V. At t = 0.15 s, the values are updated to R = 50 Ω and v r e f = 35 V, and, finally, at t = 0.225 s, the parameters are changed again to R = 100 Ω and v r e f = 15 .
Energies 18 01927 g008
Table 1. Parameter values used throughout the paper.
Table 1. Parameter values used throughout the paper.
Zeta Converter Parameters
v i n = 10 V v r e f = 15 V
C 1 = 330 μF C 2 = 220 μF
L 1 = 68 μH r 1 = 27 m Ω
L 2 = 68 μH R = 7   Ω
Controller Parameters
k p = 3.3 × 10 5 s−2 k i = 3.3 × 10 8 s−3
k 1 = 2.4 × 10 3 s−1 k 2 = 1.28 × 10 6 s−2
Disclaimer/Publisher’s Note: The statements, opinions and data contained in all publications are solely those of the individual author(s) and contributor(s) and not of MDPI and/or the editor(s). MDPI and/or the editor(s) disclaim responsibility for any injury to people or property resulting from any ideas, methods, instructions or products referred to in the content.

Share and Cite

MDPI and ACS Style

Angulo-García, D.; Angulo, F.; Muñoz, J.-G. Robust Control of a Zeta Converter: A Feedback Linearization Approach with Digital PWM Implementation. Energies 2025, 18, 1927. https://doi.org/10.3390/en18081927

AMA Style

Angulo-García D, Angulo F, Muñoz J-G. Robust Control of a Zeta Converter: A Feedback Linearization Approach with Digital PWM Implementation. Energies. 2025; 18(8):1927. https://doi.org/10.3390/en18081927

Chicago/Turabian Style

Angulo-García, David, Fabiola Angulo, and Juan-Guillermo Muñoz. 2025. "Robust Control of a Zeta Converter: A Feedback Linearization Approach with Digital PWM Implementation" Energies 18, no. 8: 1927. https://doi.org/10.3390/en18081927

APA Style

Angulo-García, D., Angulo, F., & Muñoz, J.-G. (2025). Robust Control of a Zeta Converter: A Feedback Linearization Approach with Digital PWM Implementation. Energies, 18(8), 1927. https://doi.org/10.3390/en18081927

Note that from the first issue of 2016, this journal uses article numbers instead of page numbers. See further details here.

Article Metrics

Back to TopTop