Next Article in Journal
High-Fidelity Aeroelastic Analysis of a Wind Turbine Using a Nonlinear Frequency-Domain Solution Method
Previous Article in Journal
The Role of Lightweight AI Models in Supporting a Sustainable Transition to Renewable Energy: A Systematic Review
 
 
Font Type:
Arial Georgia Verdana
Font Size:
Aa Aa Aa
Line Spacing:
Column Width:
Background:
Article

Energy-Oriented Economic Evaluation of Phase Shifters Utilizing Risk-Adjusted Lifecycle Cost Analysis

1
Economic and Technological Research Institute, State Grid Jiangsu Electric Power Co., Ltd., Nanjing 210008, China
2
School of Electrical and Power Engineering, Hohai University, Nanjing 210098, China
*
Author to whom correspondence should be addressed.
Energies 2025, 18(5), 1193; https://doi.org/10.3390/en18051193
Submission received: 8 February 2025 / Revised: 22 February 2025 / Accepted: 25 February 2025 / Published: 28 February 2025
(This article belongs to the Section C: Energy Economics and Policy)

Abstract

In response to the growing need for efficient and sustainable energy systems, phase shifters are pivotal in enhancing the flexibility and reliability of power grids while facilitating the integration of renewable energy sources. This paper conducts a comprehensive economic evaluation of various phase shifter technologies, including symmetrical dual-core mechanical phase shifters, electronic phase shifters, and controllable phase shifters, using a lifecycle cost (LCC) analysis framework tailored for the energy sector. The assessment employs probability distributions and Monte Carlo simulation methods to analyze their economic performance, considering key energy-related cost factors such as initial investment, operational efficiency, maintenance, and decommissioning. An uncertainty analysis is introduced to refine the accuracy of LCC calculations, while sensitivity analysis highlights the influence of cost fluctuations—especially in initial investment and operating costs—on overall performance. The results reveal that while large-capacity phase shifters involve higher upfront costs, their superior operational efficiency and lower long-term unit costs can provide substantial economic advantages for sustainable energy applications. These findings offer valuable insights for optimizing energy equipment selection and guiding investment decisions in the transition toward greener and more resilient energy systems.

1. Introduction

With the global energy transition and the rapid evolution of power systems [1,2,3], enhancing the economic performance and technical capabilities of electrical equipment has become a critical focus in the energy sector and policy-making. One of the main challenges in developing smart and flexible energy systems is reducing energy system costs and improving overall economic efficiency, while also ensuring the safety and stability of power grids. Traditionally, decision-makers chose electrical equipment for energy systems based on initial investment and basic performance requirements. However, with the advancement of energy technologies, modern electrical equipment and their optimized operational strategies are increasingly influencing the economic and environmental performance of energy systems. Recent advancements in phase-shifting transformers include a novel design with dual-voltage regulation for efficient power flow control and comparative efficiency analysis highlighting symmetric types for lower losses and asymmetric types for flexible system adaptability [4,5]. Against this backdrop, developing precise and comprehensive economic evaluation methods to optimize grid operation and support the sustainable development of the energy industry has become essential [6].
Previous research on phase shifters has mainly focused on their technical performance and where they can be applied. However, the quantitative analysis of their full lifecycle cost (LCC), especially within the energy systems context, is still in the initial stage [7]. As high-cost electrical devices, the economic performance of phase shifters over their extensive operational lifespan is significantly influenced by uncertainties in energy systems, necessitating deeper theoretical and practical research support. Traditional economic evaluation methods, such as lifecycle cost analysis (LCC), have been widely applied in equipment selection and investment decision-making for the energy sector. LCC encompasses not only the initial investment but also operating and maintenance costs, energy consumption, and decommissioning costs, all of which collectively determine the long-term economic feasibility of energy equipment [8]. However, equipment in energy systems often encounters numerous uncertainties, such as fluctuations in energy market prices, equipment failure rates, and the pace of technological advancement. The impact of these factors on lifecycle costs has yet to be fully quantified. Consequently, integrating uncertainty analysis into LCC assessments has emerged as a vital approach for improving the accuracy of decision-making and promoting cost-effective and reliable energy solutions.
With ongoing electricity market reforms, the energy sector faces new challenges, including market price fluctuations, shifts in demand, and rapid technological changes. These factors complicate economic evaluations, making it essential to develop methods that incorporate dynamic elements into decision-making to optimize equipment selection and ensure cost-efficient, sustainable energy system operations.
Phase shifters, as high-cost electrical equipment widely used in energy systems, are significantly impacted by various uncertainties during long-term operation, necessitating further in-depth research. In the literature [9,10,11,12], data fitting methods are primarily employed to describe the relationship between transformer status changes and lifecycle cost, rather than leveraging optimization algorithms. While such methods reveal basic connections, they provide limited support for ensuring the long-term stable operation and efficient performance of large transformers. A comprehensive analysis of transformer life cycle costs (LCCs) highlights voltage level and wiring method as the most influential factors, with higher voltage levels significantly increasing costs, while the TOPSIS method and control variable analysis provide critical insights for optimizing transformer selection and investment strategies in power systems [13,14]. These data fitting methods also fall short of meeting the stringent cost control and performance optimization requirements of modern energy systems.
In the literature [15], the LCC method is applied to quantify risk costs and identify optimal solutions, including the establishment of a substation risk assessment model. The study in [16] examines factors influencing the lifecycle cost of substation equipment and explores the relationship between cost drivers and operational safety. The authors of [17] developed a transformer lifecycle cost model by integrating LCC theory with expenditures, using the whale optimization algorithm to analyze cost dynamics and optimize the LCC for power transformers, improving power grid asset management efficiency. The study in [18] employs life cycle cost analysis to assess the economic feasibility of tractor powertrain electrification, demonstrating its effectiveness in identifying cost-saving opportunities and guiding optimal electrification strategies for different tractor types and operational conditions. On the other hand, in the study in [19], LCC theory is utilized to develop a cost model for PFCs, determining the number of basic and redundant PFC units by minimizing average annual costs.
Furthermore, the authors of [20] compare lifecycle economic costs and carbon emissions of fuel vehicles and electric vehicles, providing insights into future trends in emission reductions for electric vehicles. The study in [21] explores the use of lifecycle methods in carbon markets and asset evaluations, while that in [22] focuses on cost-effectiveness. The authors of [23] employ LCC analysis to quantify the cost-effectiveness of extending battery lifespan by constraining the state of battery charge within a predefined range, demonstrating that maintaining battery charge at a low and narrow range can significantly extend battery life and reduce the lifecycle cost of an electric bus fleet.
While existing research offers various evaluation methods and models, significant limitations remain, particularly in effectively addressing uncertainties and optimizing the economic performance of energy equipment. Current models often lack a comprehensive treatment of uncertainty and fail to fully account for the economic implications of these factors. To address these gaps, this paper develops a lifecycle cost evaluation model specifically for phase shifters, focusing on their economic performance within energy systems.
In recent years, uncertainty analysis tools such as Monte Carlo simulation [24,25] have been increasingly applied in the economic analysis of energy systems, providing more precise solutions for evaluating the lifecycle cost of equipment. These methods effectively address the randomness and uncertainties that traditional evaluation models struggle to capture, thereby improving the reliability and scientific rigor of decision-making. Moreover, this study integrates Monte Carlo simulation with sensitivity analysis into the LCC framework, presenting a novel approach that improves the accuracy of LCC calculations and provides a more comprehensive economic evaluation tool for decision-makers.
This paper systematically analyzes the cost components of phase shifters across different lifecycle stages, including initial investment, operational maintenance, and decommissioning costs. By integrating Monte Carlo simulation, this research quantifies the impact of uncertain factors—such as energy market fluctuations and equipment failure rates—on lifecycle costs. This approach not only provides a more accurate and comprehensive economic evaluation but also offers actionable insights for optimizing cost-effectiveness and sustainability in energy system operations. The results demonstrate that the proposed model significantly enhances the ability to predict and manage lifecycle costs under uncertainty, thereby supporting more informed decision-making in the design and operation of energy systems.

2. Risk-Adjusted Lifecycle Cost Calculation

2.1. LCC Analysis Framework

Lifecycle cost analysis is a comprehensive method for evaluating all relevant costs over the entire lifecycle of equipment, including initial procurement, installation, operation, maintenance, and decommissioning expenses. When assessing phase shifters, LCC analysis not only considers the initial investment but also takes into account the long-term economic impact of operation and maintenance, providing a more comprehensive economic basis for equipment selection. However, due to the uncertainty and variability of many cost components, a simple LCC calculation may not accurately reflect the true economic burden. Therefore, incorporating probability distribution modeling for each cost item and conducting uncertainty analysis in the LCC evaluation is an important means to improve the accuracy of the assessment.
Initial Cost: Capital costs, including equipment procurement, transportation, installation, and commissioning, are a key component of LCC analysis and typically account for a significant proportion of the total cost. The capital cost of a phase shifter is influenced by factors such as technical requirements, equipment type, scale, and supplier differences. In economic evaluation, accurately predicting capital costs plays a crucial role in LCC results.
Operating Cost: Operating costs refer to the expenses required for the operation of the equipment, including electricity consumption, labor costs, and consumables. These costs are influenced by factors such as the phase shifter’s efficiency, load levels, and fluctuations in electricity market prices. For example, the efficiency of the equipment directly determines electricity consumption, while market price fluctuations significantly impact energy costs. To account for these uncertainties, operating costs are typically modeled using probability distributions.
Maintenance Cost: Maintenance costs include routine repairs, upkeep, component replacements, and labor costs. Different types of phase shifters (e.g., electronic vs. mechanical) have different maintenance needs. Electronic phase shifters, which use more power electronic components, typically require more frequent maintenance, while mechanical devices may incur higher maintenance costs due to long-term wear. In LCC analysis, the volatility of maintenance costs also needs to be modeled using probability distributions.
Decommissioning and Disposal Cost: When a phase shifter reaches the end of its operational life, decommissioning and disposal costs include expenses for dismantling, transportation, recycling, and environmental protection. The level of decommissioning costs depends not only on the technical characteristics of the equipment but also on factors such as its recycling value and environmental regulations. In LCC analysis, this portion of costs should also be included in the probability distribution to simulate variations under different scenarios.
Through the comprehensive calculation of the above costs, as illustrated in Figure 1, LCC analysis offers decision-makers a clear understanding of the economic burden associated with equipment throughout its entire lifecycle. To further enhance the accuracy of LCC analysis in energy systems, the next section will introduce how integrating probability distributions and Monte Carlo simulation can improve the effectiveness of LCC calculations. This approach enables a more detailed assessment of the economic performance of equipment and the associated risks, providing valuable insights for sustainable and cost-efficient energy management.

2.2. Risk Assessment and Uncertainty Analysis

In lifecycle cost analysis, many cost components exhibit significant uncertainty, such as fluctuations in electricity market prices, variations in maintenance costs, and instability in the discount rate. Therefore, accounting for these uncertainties and quantifying the associated risks provides decision-makers with a more comprehensive economic evaluation tool. Monte Carlo simulation, a commonly used risk assessment method, can simulate and analyze these uncertainties, generating LCC distributions under different scenarios. This helps decision-makers understand potential risks and make more informed investment decisions.
The cost variables in LCC analysis (e.g., operating costs, maintenance costs, electricity prices) exhibit certain levels of volatility. To model these fluctuations, we can introduce probability distribution models for each cost component. Common probability distributions include normal distribution, lognormal distribution, and triangular distribution, among others.
Probability Distribution of Operating Costs: Operating costs (Cop) are influenced by fluctuations in electricity market prices and can be modeled using a normal distribution. The probability density function (PDF) is given by the following:
f C op = 1 σ op 2 π exp C op μ op 2 σ op 2
where μ op is the mean of the operating costs (i.e., the expected annual electricity consumption cost); σ op is the standard deviation of the operating costs, representing the degree of fluctuation in electricity prices; exp represents the exponential function, and π is the mathematical constant pi.
Probability Distribution of Maintenance Costs: Maintenance costs (Cmaint) can be modeled using a triangular distribution, as they typically have a minimum value, a maximum value, and a most likely value. The probability density function (PDF) of the triangular distribution is given by the following:
f C m a int = 2 C maint C min C mode C min C max C min , C min C maint C mode 2 C max C m a int C max C mode C max C min , C mode C maint C max
where C min is the minimum value of the maintenance cost, C mode is the most likely maintenance cost, and C max is the maximum value of the maintenance cost; when the maintenance cost changes, its probability distribution will vary according to the changes in the piecewise function.
Probability Distribution of Discount Rate: The discount rate r is typically influenced by fluctuations in market interest rates. The probability density function (PDF) of the discount rate r is given by the following:
f ( r ) = 1 σ r 2 π exp r μ r 2 σ r 2
where μ r is the mean of the discount rate (i.e., the expected market return); σ r is the standard deviation of the discount rate, reflecting the volatility of market interest rates.
The fluctuations of other costs are relatively small and can be ignored in terms of their impact on LCC. By incorporating appropriate probability distributions, LCC analysis can more accurately simulate the fluctuations of various costs throughout the equipment’s lifecycle.
Although probability distributions provide a certain description for each cost component, relying solely on these distributions cannot directly assess the overall lifecycle cost risk of a project, especially when multiple uncertainty factors are involved. Monte Carlo simulation offers a solution to this problem.
Monte Carlo simulation is a computational method based on random sampling which can generate a distribution of costs by repeatedly simulating different scenarios. This process relies on the probability distributions of each cost component, generating multiple possible cost scenarios through random sampling, and then evaluating the LCC by combining these scenarios. Therefore, Monte Carlo simulation not only depends on the definition of the probability distributions but also uses a large number of random samples to compute the LCC results under different scenarios, thereby quantifying the total cost and risk over the equipment’s lifecycle.
The implementation steps of Monte Carlo simulation are as follows, as shown in Figure 2:
(1)
Define Probability Distributions: These define appropriate probability distribution functions for each cost component in the lifecycle cost (e.g., operating costs, maintenance costs, electricity prices, etc.). Commonly used distributions include normal distribution, triangular distribution, or other distributions that suit the specific cost component.
(2)
Random Sampling: This method randomly draw sample values from the probability distribution of each cost component. For example, we can randomly draw a sample value Cop from the normal distribution of operating costs, a sample value Cmaint from the triangular distribution of maintenance costs, and so on for other cost components.
(3)
Calculate LCC: Based on the sampled values, we can calculate the lifecycle cost C t of the equipment for each year:
C t = C op + C maint + C decom
where C t is the total cost in year t.
(4)
Discount Total Cost: We can discount the annual costs C t PV from their present value, obtaining the discounted cost for year.
C t PV = C t 1 + r t t
where rt is the discount rate for year t.
(5)
Repeat Simulation: By repeatedly executing the above steps thousands to tens of thousands of times, with each iteration randomly drawing different cost samples, a set of possible LCC values is generated. The distribution of these LCC values reflects the potential risks and uncertainties of the project costs.
(6)
Result Analysis: From the simulation results, the expected value, standard deviation, maximum value, minimum value, and confidence intervals of the LCC can be obtained. These statistical metrics help decision-makers assess the economic viability and risks of the project.
When considering risks and uncertainties, the LCC calculation results typically need to be risk-adjusted to better reflect the impact of future uncertainties on project investment decisions. Risk adjustment is a method that involves adjusting the discount rate or other uncertain factors to account for the level of risk and its impact on the LCC.
The formula for the risk-adjusted LCC can be expressed as follows:
L C C adj = t = 1 N C t 1 + r adj , t t
where L C C adj is the risk-adjusted lifecycle cost; C t is the total cost in year t; r adj , t is the risk-adjusted discount rate for year t, typically adjusted based on the market discount rate and the project’s risk adjustment factor.
Through risk adjustment, the discount rate not only takes into account the time value of money but also incorporates the project’s risk factors, thereby allowing the LCC calculation to more accurately reflect the economic burden under different risk scenarios. This adjustment helps decision-makers make more robust investment decisions when faced with uncertainty.
Annualized Cost Rate (ACR) is the average annual cost of the equipment, distributed over its useful life. For an LCC that accounts for uncertainty and risk, the calculation of the annualized cost should be based on the results of the Monte Carlo simulation, as follows:
A C R = E L C C N
where N is the expected service life of the equipment, and E(LCC) is the expected value of the lifecycle cost, obtained through the Monte Carlo simulation.
By incorporating probability distributions and Monte Carlo simulation, LCC analysis can more accurately capture the uncertainties associated with various cost components, enabling a more robust assessment of the risks tied to equipment investments in energy systems. This approach offers enhanced data support for practical applications, including equipment selection and investment decision-making. The risk-adjusted LCC calculation method further refines the quantitative evaluation of project risks, making LCC analysis more comprehensive and providing decision-makers with a deeper, more actionable economic evaluation for sustainable energy management.

3. LCC Calculation and Analysis of Different Phasor Types

This section compares the lifecycle costs of three different types of phasors through a specific case study: the symmetrical dual-core mechanical phasor, the electronic phasor, and the controllable phasor. Based on the LCC calculation method outlined in Section 2, we will comprehensively evaluate the economics of each type of phasor by incorporating probability distributions and Monte Carlo simulation, and compare their cost differences over the long-term operational period.

3.1. Symmetrical Dual-Core Mechanical Phasor

A mechanical phasor is a device that changes the phase of alternating current (AC) by physically moving internal components, such as rotating or translating the core. It is designed based on transformer principles, adjusting the magnetic flux to achieve a change in the output voltage phase relative to the input voltage, as shown in Figure 3. This type of device is widely used in power systems due to its simple structure, low cost, and high reliability in certain applications, particularly in reactive power compensation and voltage regulation.
The mechanical phase shifter structure is shown in Figure 4. Mechanical phasors of varying capacity levels differ in initial investment costs, operational costs, and maintenance. Smaller devices may have lower upfront costs but less efficient long-term operation and higher maintenance, while larger devices are essential for industrial and grid-scale applications for stability and reliability. It is important to consider future expansion to avoid redundant investments. Larger-capacity devices, however, come with higher complexity and maintenance challenges. A thorough cost–benefit analysis can help optimize current investments and guide future growth, ensuring the solution is adaptable and meets current needs. Table 1 shows the cost of mechanical phasor at different capacities and voltage levels.
In order to more accurately assess the economic performance of the symmetric dual-core mechanical phasor over its entire lifecycle, this study employs the Monte Carlo simulation method, combined with probability distribution models to handle the uncertainty in cost components. Based on the defined probability distributions of cost parameters shown in Table 1 (such as modeling operating costs with a normal distribution, maintenance costs with a triangular distribution, etc.), multiple random samplings were performed to generate a set of possible LCC values. The expected value, standard deviation, and confidence interval of the LCC were then calculated based on these generated values.
As shown in the Monte Carlo simulation in Figure 5, the economic performance of the symmetric dual-core mechanical phasor at different capacity levels was quantitatively assessed. For small-capacity equipment (110 kVA, 110 kV), the expected lifecycle cost is approximately CNY 21.5 million, with a standard deviation of about CNY 1 million. In contrast, for large-capacity equipment (960 kVA, 220 kV), the expected LCC rises to approximately CNY 123 million, with a corresponding standard deviation of around CNY 14 million. These results indicate that, although the initial investment significantly increases, large-capacity equipment may offer better economic benefits in the long term due to its higher operational efficiency and lower unit costs. Furthermore, by incorporating probability distributions and the Monte Carlo simulation method, this study not only provides the expected lifecycle cost for each type of phasor but also effectively quantifies the associated uncertainties and risks, offering decision-makers more comprehensive and accurate support to optimize equipment selection and investment decision-making.

3.2. Symmetrical Dual-Core Electronic Phasor

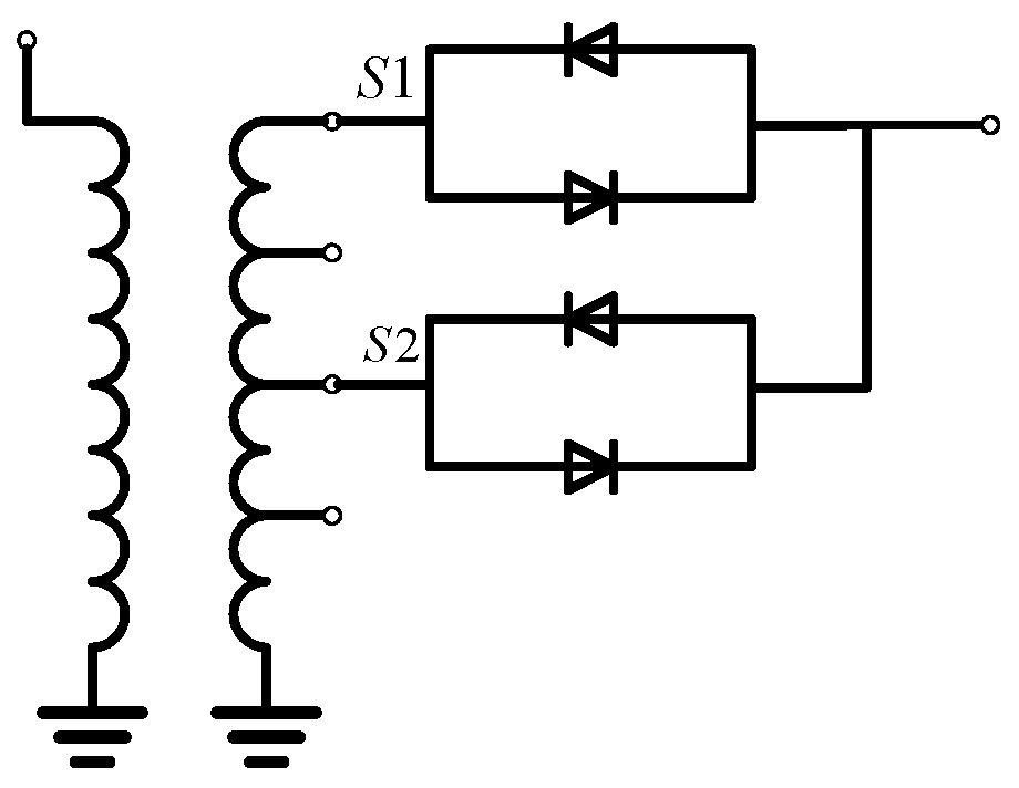
Electronic phase shifters achieve phase changes primarily through the adjustment of electronic components (e.g., capacitors, inductors, diodes, etc.) and circuits without physically moving any components, as shown in Figure 6. Because electronic phase shifters rely on precise electronic components and circuits, they are often able to achieve higher phase adjustment accuracy and stability than mechanical phase shifters. Electronic phase shifters may also be advantageous in certain application-specific scenarios. For example, electronic phase shifters may be more appropriate in scenarios where fast, accurate phase adjustment or programmability is required.
Electronic phase shifters of different capacity classes also differ in initial investment, operation and maintenance costs. Smaller-capacity electronic phase shifters may have lower initial costs, but may not be as economical as larger-capacity equipment in terms of long-term operating efficiency and maintenance requirements. Large-capacity equipment, while having a higher initial investment, may be more economical in the long term due to its higher operating efficiency and lower maintenance frequency. The performance requirements of electronic phase shifters vary with each application scenario. In small or low-power applications, a small-capacity unit may be sufficient, while in large industrial facilities, grid-level applications, or scenarios requiring high-precision phase control, higher-capacity electronic phase shifters are required to ensure stability and reliability.
Considering the expansion potential of electronic phase shifters is key to avoiding redundant investments as technology advances or business grows. Choosing scalable equipment ensures it can adapt to increased demand or higher performance requirements. A thorough cost–benefit analysis helps optimize current investments and guides future expansion, ensuring the solution meets both current needs and long-term goals. Table 2 shows the different costs of electronic phasor.
As shown in Figure 7, for small-capacity Symmetric Dual Core Electronic Phase Shifters (110 kVA, 110 kV), the expected life-cycle cost is approximately CNY 35 million, with a standard deviation of CNY 3 million. In contrast, large-capacity phase shifters (960 kVA, 220 kV) have a higher expected LCC of CNY 207 million and a greater cost volatility, reflected by their standard deviation of CNY 14 million. While large-capacity phase shifters require a higher initial investment, they often offer better long-term economic benefits due to their higher efficiency and lower unit costs. In addition, by introducing probability distributions and Monte Carlo simulation methods, the economic assessment of electronic phase shifters not only provides the expected lifecycle costs of each type of phase shifter, but also effectively quantifies the uncertainties and risks associated with them.
Decision-makers can therefore use the results of these comprehensive and accurate economic evaluations to optimize the equipment selection and investment decision-making process. This ensures that the chosen phase shifter meets current needs while delivering long-term benefits and supporting sustainable power system development.

3.3. Thyristor Controlled Phase Shifting Transformer (TCPST)

The TCPST changes the phase of the input signal through adjustable elements such as inductance, capacitance and the semiconductor, and keeps the frequency and amplitude unchanged. The structure is shown in Figure 8. Generally, the phase can be changed by analog control such as adjusting the voltage or current, or different phase adjustment units can be selected by a digital signal or switch, and the required phase can be obtained by combining different phase shifts. In transmission lines, TCPST can effectively control line power flow by injecting transverse or longitudinal voltages in series to change the voltage amplitude and phase at the installation point. Compared with the unified power flow controller, TCPST has a simple structure, higher security and practicability, and a longer operation life.
The cost of designing, manufacturing, and installing TCPSTs varies significantly with capacity. Larger-capacity phase shifters require more complex hardware, leading to higher initial costs. Operational power consumption, load management, and control methods also differ with capacity—larger devices may waste energy at low loads, while smaller devices may be inefficient at high loads. As capacity increases, so does complexity and failure risk, requiring more maintenance and frequent inspections. A comprehensive cost–benefit analysis can assess the equipment’s total lifecycle cost, aiding in evaluating long-term economic viability. The costs for phase shifters of different capacities are shown in Table 3.
In order to accurately evaluate the economy of TCPSTs in the whole life cycle, this part also uses Monte Carlo simulation combined with a probability distribution model to deal with the uncertainty in the cost item. We can carry out multiple random sampling according to the probability distribution of the defined cost parameters to generate a set of possible LCC values, and calculate the expected value, standard deviation and confidence interval of the LCC based on these values. The results are shown in Figure 9.
According to the results of Monte Carlo simulation, the economy of TCPSTs at different capacity levels can be evaluated. For a small-capacity TCPST (110 KVA, 110 kV), the expected life cycle cost is about CNY 29.1 million, and the standard deviation is about CNY 3 million; for a large-capacity TCPST (960 KVA, 220 kV), the expected value of LCC rises to about CNY 224 million, and the corresponding standard deviation increases to about CNY 14 million. The results show that the life cycle cost of small-capacity TCPSTs is relatively low and stable, and the uncertainty of cost is small, while the life cycle cost of large-capacity TCPSTs is significantly increased. At the same time, due to the technical complexity and uncertainty of the operation environment, the cost volatility is also greater.
In conclusion, large-capacity phasors—whether mechanical, electronic, or TCPSTs—have higher upfront costs but offer better long-term economic benefits due to their greater efficiency, lower maintenance, and scalability. However, their increased complexity and cost volatility require careful consideration of operational conditions and future developments. The Monte Carlo simulation effectively quantifies the uncertainties and risks, aiding decision-makers in making informed investment choices that balance current needs with long-term sustainability.

4. Detection and Location Strategy of ISF Sensitivity Analysis of Phase Shifter Costs

Before conducting the sensitivity analysis, it is important to review the economic performance of the symmetrical dual-core mechanical phase shifter. Based on the life cycle cost analysis results presented earlier, although large-capacity mechanical phase shifters have significantly higher initial investment costs than smaller units, they exhibit higher operational efficiency and lower unit costs in the long run, potentially providing better economic benefits over their entire life cycle. This suggests that, when considering future uncertainties, selecting large-capacity mechanical phase shifters as the subject of study offers greater adaptability and better economic return potential. Therefore, this section will focus on mechanical phase shifters and explore the impact of variations in individual cost factors on the overall LCC, providing decision-makers with more scientifically sound guidance.
Sensitivity analysis is a method used to assess how changes in specific variables affect system performance or costs. In the context of LCC analysis, by performing sensitivity analysis on key cost factors such as initial investment, operating costs, and maintenance costs, we can identify the differences in how sensitive these factors are to the overall LCC. For mechanical phase shifters, this analysis is especially important because it helps us understand which cost components have the greatest influence on the final economic evaluation, allowing for the development of strategies to optimize the cost structure. Furthermore, considering the uncertainties introduced by market conditions and technological advancements in real-world applications, sensitivity analysis can help mitigate potential risks and support more robust investment decisions.
To quantify the specific impact of changes in each cost factor on LCC, the concept of the elasticity coefficient is introduced. The elasticity coefficient is defined as the ratio of the change in the LCC resulting from a change in a specific cost factor to the original LCC. Specifically, if ΔC represents the difference in LCC after the cost change from the initial LCC, and C0 represents the cost before any change, the elasticity coefficient E can be calculated using the following formula:
E = Δ L C C L C C 0
where ΔLCC represents the difference in the lifecycle cost after the cost change compared to the initial lifecycle cost. By calculating the elasticity coefficient for different cost factor changes, it is possible to intuitively identify which cost factor has the greatest impact on the total LCC, thus providing a direction for subsequent cost control and risk management. For example, if the elasticity coefficient of a particular cost factor is high, it indicates that even a small change in this cost can have a significant impact on the overall LCC. This suggests that special attention should be paid to this cost factor during actual operations, and measures should be taken to reduce the risk associated with this cost.
When conducting sensitivity analysis, it is crucial to first explore the impact of changes in initial costs on the lifecycle cost. Initial costs include expenses such as equipment procurement, transportation, installation, and commissioning, and typically account for a large proportion of the total cost. Since these costs are often one-time and substantial, they have a direct and significant impact on the economic feasibility of the project. Moreover, in power systems, especially in applications involving large-capacity mechanical phase-shifting transformers, the level of initial investment directly affects whether the project can be successfully launched and the speed at which the subsequent operating costs are recovered. Therefore, by analyzing the impact of changes in initial costs on the LCC, decision-makers can gain crucial information to help them evaluate the economic feasibility of different investment options and make more informed investment decisions.
Figure 10 shows the distribution of lifecycle costs at different initial cost levels, indicating that even a small increase in the initial cost can lead to a significant rise in the LCC. This suggests that the LCC is highly sensitive to the initial cost. Figure 11 further clarifies the relationship between initial cost variations and LCC, as well as the trend of the elasticity coefficient. When the initial cost changes within a range of 0.9 to 1.1 times the original cost, the elasticity coefficient first decreases, and then increases, finally decreasing again, while the LCC shows a similar fluctuating pattern. This trend reflects the varying impact of initial costs on the LCC at different cost levels. In particular, when the initial cost is close to either the lower or higher end of the range, the sensitivity of the LCC is higher, meaning that even small fluctuations in cost can have a larger impact on the overall life cycle cost.
Through this analysis, the study not only reveals the specific impact of initial cost fluctuations on the LCC but also provides a theoretical basis for effectively controlling initial costs, which helps optimize equipment selection and investment decisions, reduce risks, and improve economic efficiency.
Figure 12 shows the impact of changes in operating costs on the elasticity coefficient. As operating costs increase, the elasticity coefficient initially decreases, and then increases, although the upward trend slows down and eventually stabilizes. The trend in the LCC follows a similar pattern to that of the elasticity coefficient, indicating that as operating costs rise, LCC undergoes an initial decrease followed by an increase, eventually stabilizing.
Changes in operating costs are typically driven by multiple factors, including fluctuations in energy prices, variations in equipment efficiency, changes in maintenance frequency and costs, and the skill levels of operators. In the early stages, when operating costs are relatively low, the LCC is less sensitive to operating costs, resulting in a smaller elasticity coefficient and less fluctuation in the LCC. However, as operating costs increase—especially when energy prices rise or equipment efficiency declines—the LCC becomes more sensitive to these factors, leading to an increase in both the elasticity coefficient and LCC. As operating costs continue to rise, the increase in the LCC slows down and eventually stabilizes. This is because, in high operating cost ranges, the proportion of other cost factors (such as maintenance and decommissioning costs) increases, which reduces the relative impact of operating costs on the LCC.
Figure 13 suggests that operating costs have a smaller impact on the LCC in the early stages, but as they rise—especially with fluctuations in energy costs—they can lead to significant variations in the LCC. Therefore, in equipment selection and long-term operational strategies, managing operating costs, particularly energy costs and equipment efficiency, is crucial for controlling the LCC.
Figure 14 shows the impact of maintenance cost variations on the elasticity coefficient, while Figure 15 illustrates the effect of maintenance cost changes on the phase shifter’s lifecycle cost. Both figures present a trend of increasing maintenance costs, where the elasticity coefficient and LCC initially decrease, and then increase, decrease again, and finally increase once more. These fluctuations indicate that maintenance costs have high sensitivity to both the elasticity coefficient and LCCs, with significant variations in the degree and trend of impact across different cost ranges.
Maintenance costs are influenced by a variety of factors, especially for mechanical phase shifters, where maintenance requirements are more complex. These factors include equipment aging, usage frequency, failure rates, maintenance technology, and labor costs. As the equipment’s operating time increases, the likelihood of failures may rise, leading to higher maintenance costs. Additionally, technological advancements may improve equipment reliability and reduce maintenance frequency, thus lowering maintenance costs. On the other hand, if the equipment design is complex or requires the periodic replacement of expensive components, maintenance costs could increase significantly.
In Figure 15, the elasticity coefficient decreases when maintenance costs are low, indicating that in this phase, maintenance costs have a relatively small impact on the LCC. As maintenance costs increase, the sensitivity of the elasticity coefficient and the LCC also rises, reflecting the growing significance of maintenance costs on LCC. Later, as maintenance costs continue to increase, both the elasticity coefficient and LCC begin to stabilize, suggesting that at higher maintenance cost levels, the influence of maintenance costs on the LCC weakens. This is because, at higher maintenance cost ranges, other cost factors (such as initial and operating costs) become more dominant, reducing the relative impact of maintenance cost changes on LCC.
During the phase shifter selection process, combining lifecycle cost analysis with elasticity coefficients optimizes decision-making. When the elasticity coefficient of initial costs is at or above 0.10, options with lower initial costs should be prioritized to reduce financial pressure. For operational and maintenance costs where the elasticity coefficient is at or above 0.10, equipment with higher energy efficiency and lower costs should be chosen. This approach helps identify cost-effective phase shifters that meet technical requirements and minimize LCCs.
Furthermore, this method supports long-term energy system benefits. In power transmission networks, selecting phase shifters with lower initial and operational costs reduces capital and operating expenses while ensuring system flexibility and stability. Prioritizing energy-efficient phase shifters also lowers the overall LCC and carbon emissions, promoting environmental goals. Thus, this analysis drives the energy sector towards greater efficiency and sustainability, contributing to a greener and more resilient energy system.

5. Conclusions

By conducting lifecycle cost (LCC) analysis of different types of phase-shifting devices, particularly the symmetric dual-core mechanical phase shifter, electronic phase shifter, and controllable phase shifter, our study utilized probabilistic distributions and Monte Carlo simulation methods to comprehensively consider key factors such as initial investment costs, operating costs, maintenance costs, and decommissioning disposal costs. Numerical results indicate that large-capacity devices have significantly higher initial investment costs compared to small-capacity devices. For example, a large-capacity device might have an expected LCC of approximately CNY 123 million CNY with a standard deviation of about CNY 14 million, whereas a small-capacity device has an expected LCC of around CNY 21.5 million with a standard deviation of about CNY 1 million. Despite the higher initial costs, large-capacity devices offer higher long-term operational efficiency and lower unit costs, potentially providing better economic benefits over the entire lifecycle.
Sensitivity analysis further reveals the extent to which various cost factors affect the LCC. Among these, changes in initial costs and operating costs have a significant impact on the LCC. An increase in initial costs leads to a notable rise in the LCC, while fluctuations in operating costs directly affect the long-term economic burden of the project. Although maintenance costs are relatively lower, their high elasticity coefficient means that even small changes can cause considerable fluctuations in the LCC. Therefore, during equipment selection and investment decision-making, special attention should be given to these cost factors, and measures should be taken to optimize cost structures and reduce risks.
By introducing probabilistic distributions and Monte Carlo simulations, this study not only provides the expected lifecycle cost for each type of phase shifter but also effectively quantifies the uncertainties and risks associated with them. This offers decision-makers a more comprehensive and precise tool for economic assessment, aiding in making more robust investment decisions when faced with market volatility and technological uncertainties. Future research could further investigate the impact of additional uncertainty factors and extend this approach to a broader range of equipment and application scenarios to support a more scientifically grounded investment decision-making process in energy systems.
However, this study does have certain limitations. Although we considered various uncertainty factors and quantified these through the use of probabilistic distributions and Monte Carlo simulation methods, more complex factors such as policy changes and market demand fluctuations could also significantly impact the lifecycle cost in practical applications. Additionally, this study primarily focuses on specific types of phase-shifting devices within power systems, which may limit the applicability of its findings.
Given these limitations, future research could further investigate the impact of other uncertainty factors on LCC and extend the current methodology to a broader range of equipment and application scenarios. For instance, developing a multi-dimensional assessment framework that includes environmental and social impacts would not only enhance the sustainability of energy systems but also provide more comprehensive support for decision-makers. Such an expansion would not only increase the model’s applicability and flexibility but also better reflect the complexities of real-world conditions.
For decision-makers in the energy sector, the economic assessment tool provided by this study holds significant practical implications. It enables them to more accurately understand and predict the cost performance of different phase-shifting devices over their entire lifecycle, thereby facilitating more cost-effective choices. This precise cost–benefit analysis not only promotes the flexibility and reliability of energy systems but also supports the transition toward greener and more resilient energy systems. By optimizing cost structures and reducing risks, energy sector decision-makers can make more robust investment decisions when facing market and technological challenges, ultimately contributing to the achievement of sustainable development goals.

Author Contributions

Conceptualization, H.C.; Methodology, H.C. and Z.P.; Validation, H.C.; Formal analysis, W.Q.; Investigation, W.Q.; Data curation, J.Z.; Writing—original draft, H.C.; Writing—review & editing, W.Q., Z.P., J.Z., W.S., Y.Z. and X.H.; Visualization, J.Z.; Supervision, Y.Z.; Funding acquisition, H.C. All authors have read and agreed to the published version of the manuscript.

Funding

This work was supported by the Science and Technology Project of State Grid Jiangsu Electric Power Co., Ltd., China (Project No. J2024001, Research on the Planning of New type Phase Shifters in High Proportion Renewable Energy Receiver Systems).

Data Availability Statement

The original contributions presented in the study are included in the article, further inquiries can be directed to the corresponding author.

Conflicts of Interest

Authors Hui Cai, Wanchun Qi, Zhuyi Peng, Wentao Sun, and Xingning Han were employed by the company State Grid Jiangsu Electric Power Co., Ltd. The remaining authors declare that the research was conducted in the absence of any commercial or financial relationships that could be construed as a potential conflict of interest. The authors declare that this study received funding from the company State Grid Jiangsu Electric Power Co., Ltd. The funder was not involved in the study design, collection, analysis, interpretation of data, the writing of this article or the decision to submit it for publication.

References

  1. Karapidakis, E.; Nikologiannis, M.; Markaki, M.; Kouzoukas, G.; Yfanti, S. Enhancing Renewable Energy Integration and Implementing EV Charging Stations for Sustainable Electricity in Crete’s Supermarket Chain. Energies 2025, 18, 754. [Google Scholar] [CrossRef]
  2. Fang, Y.; Zhao, S.; Du, E.; Li, S.; Li, Z. Coordinated Operation of Concentrating Solar Power Plant and Wind Farm for Frequency Regulation. J. Mod. Power Syst. Clean Energy 2021, 9, 751–759. [Google Scholar] [CrossRef]
  3. Ahsan, F.; Dana, N.H.; Sarker, S.K.; Li, L.; Muyeen, S.M.; Ali, F.; Tasneem, Z.; Hasan, M.; Abhi, S.H.; Islam, R.; et al. Data-driven next-generation smart grid towards sustainable energy evolution: Techniques and technology review. Prot. Control Mod. Power Syst. 2023, 8, 1–42. [Google Scholar] [CrossRef]
  4. Albrechtowicz, P.; Rozegnał, B.; Szczepanik, J.; Sułowicz, M.; Cisek, P. Application of Phase-Shifting Transformer with Longitudinal and Transverse Voltage Regulation. Energies 2023, 16, 4603. [Google Scholar] [CrossRef]
  5. Albrechtowicz, P. Phase-Shifting Transformer Efficiency Analysis Based on Low-Voltage Laboratory Units. Energies 2021, 14, 5049. [Google Scholar] [CrossRef]
  6. Huang, W.; Zhang, N.; Yang, J.; Wang, Y.; Kang, C. Optimal Configuration Planning of Multi-Energy Systems Considering Distributed Renewable Energy. IEEE Trans. Smart Grid 2019, 10, 1452–1464. [Google Scholar] [CrossRef]
  7. Wang, W.; Wen, W.; Shi, S. Evaluating method of power transformers full life cycle economic-physical comprehensive life. Power Syst. Prot. Control. 2019, 47, 91–98. [Google Scholar]
  8. Yildiz, N.; Hemida, H.; Baniotopoulos, C. Operation, Maintenance, and Decommissioning Cost in Life-Cycle Cost Analysis of Floating Wind Turbines. Energies 2024, 17, 1332. [Google Scholar] [CrossRef]
  9. Wang, C.; Ju, Y.; Fu, Y. Comparative life cycle cost analysis of low pressure fuel gas supply systems for LNG fueled ships. Energy 2021, 218, 119541. [Google Scholar] [CrossRef]
  10. Safaei, F.; Niasati, M. Calculation of UHV transformer insulation risk by extended Monte Carlo method. Electr. Power Syst. Res. 2023, 218, 109219. [Google Scholar] [CrossRef]
  11. Park, S.H.; Jang, K.W.; Kweon, D.J.; Shon, J.G. Analysis of Economic Replacement Cycle of Power Transformer Based on LCC Considering Maintenance Effect. J. Electr. Eng. Technol. 2018, 13, 1630–1636. [Google Scholar]
  12. Han, X.; Li, Y.; Nie, L.; Huang, X.; Deng, Y.; Yan, J.; Kourkoumpas, D.; Karellas, S. Comparative life cycle greenhouse gas emissions assessment of battery energy storage technologies for grid applications. J. Clean Prod. 2023, 392, 136251. [Google Scholar] [CrossRef]
  13. Zhan, L.; Chang, H.; Zhu, X.; Zhao, X.; Wei, G.; Cai, Z.; Xie, H.; Zhao, X.; Chen, H. Analysis of Factors Influencing Life Cycle Costs of Transformers Based on TOPSIS Method. Energies 2024, 17, 5912. [Google Scholar] [CrossRef]
  14. Zheng, Z.; Zhou, Y.; Wang, Q.; Wang, J.; Huang, Y. Research on transformer life cycle cost based on cuckoo optimization algorithm. Power Syst Prot. Control 2019, 47, 49–55. [Google Scholar]
  15. Xin, J.; Kang, C.; Chen, T. Life cycle cost analysis of power transmission and transformation equipment based on dynamic data. Power Syst Prot. Control 2019, 47, 181–187. [Google Scholar]
  16. Gui, F.; Chen, H.; Zhao, X.; Pan, P.; Xin, C.; Jiang, X. Enhancing Economic Efficiency: Analyzing Transformer Life-Cycle Costs in Power Grids. Energies 2024, 17, 606. [Google Scholar] [CrossRef]
  17. Beligoj, M.; Scolaro, E.; Alberti, L.; Renzi, M.; Mattetti, M. Feasibility Evaluation of Hybrid Electric Agricultural Tractors Based on Life Cycle Cost Analysis. IEEE Access 2022, 10, 28853–28867. [Google Scholar] [CrossRef]
  18. Chen, M.; Wang, M.; Zhang, D.; Chen, Y.; Lu, W. Improved Coordinated Control Strategy for Reliability Enhancement of Parallel PFCs With LCC Restriction. IEEE Trans. Transp. Electrif. 2022, 8, 2093–2105. [Google Scholar] [CrossRef]
  19. Chen, X.; Ou, Y. Carbon emission accounting for power transmission and transformation equipment: An extended life cycle approach. Energy Rep. 2023, 10, 1369–1378. [Google Scholar] [CrossRef]
  20. Hu, B.; Chen, Q.; Rao, W.; Qiao, J. Economic Life Prediction of Transformer Based on Repairing Profit and Decommissioning Profit. J. Phys. Conf. Ser. 2019, 1314, 012113. [Google Scholar] [CrossRef]
  21. Olmos, J.; Gandiaga, I.; Lopez, D.; Larrea, X.; Nieva, T.; Aizpuru, I. Li-Ion Battery-Based Hybrid Diesel-Electric Railway Vehicle: In-Depth Life Cycle Cost Analysis. IEEE Trans. Veh. Technol. 2022, 71, 5715–5726. [Google Scholar] [CrossRef]
  22. Zhang, L.; Zeng, Z.; Qu, X. On the Role of Battery Capacity Fading Mechanism in the Lifecycle Cost of Electric Bus Fleet. IEEE Trans. Intell. Transp. Syst. 2021, 22, 2371–2380. [Google Scholar] [CrossRef]
  23. Wang, Y.; Lu, C.; Bi, J.; Sai, Q.; Qu, X. Lifecycle Cost Optimization for Electric Bus Systems with Different Charging Methods: Collaborative Optimization of Infrastructure Procurement and Fleet Scheduling. IEEE Trans. Intell. Transp. Syst. 2023, 24, 2842–2861. [Google Scholar] [CrossRef]
  24. Sangwongwanich, A.; Blaabjerg, F. Monte Carlo Simulation With Incremental Damage for Reliability Assessment of Power Electronics. IEEE Trans. Power Electron. 2021, 36, 7366–7371. [Google Scholar] [CrossRef]
  25. Ren, Z.; Ma, J.; Qi, Y.; Zhang, D.; Koh, C.S. Managing Uncertainties of Permanent Magnet Synchronous Machine by Adaptive Kriging Assisted Weight Index Monte Carlo Simulation Method. IEEE Trans. Energy Convers. 2020, 35, 2162–2169. [Google Scholar] [CrossRef]
Figure 1. Lifecycle cost components.
Figure 1. Lifecycle cost components.
Energies 18 01193 g001
Figure 2. Monte Carlo simulation process.
Figure 2. Monte Carlo simulation process.
Energies 18 01193 g002
Figure 3. Phase shifter phase change principle.
Figure 3. Phase shifter phase change principle.
Energies 18 01193 g003
Figure 4. Mechanical phase shifter structure.
Figure 4. Mechanical phase shifter structure.
Energies 18 01193 g004
Figure 5. The cost and LCC of mechanical phase-shifting transformers.
Figure 5. The cost and LCC of mechanical phase-shifting transformers.
Energies 18 01193 g005aEnergies 18 01193 g005b
Figure 6. Electronic phase shifter structure.
Figure 6. Electronic phase shifter structure.
Energies 18 01193 g006
Figure 7. The cost and LCC of electronic phase-shifting transformers.
Figure 7. The cost and LCC of electronic phase-shifting transformers.
Energies 18 01193 g007aEnergies 18 01193 g007b
Figure 8. The structure of a TCPST.
Figure 8. The structure of a TCPST.
Energies 18 01193 g008
Figure 9. The cost and LCC of TCPSTs.
Figure 9. The cost and LCC of TCPSTs.
Energies 18 01193 g009aEnergies 18 01193 g009b
Figure 10. Elasticity coefficient of initial cost variations.
Figure 10. Elasticity coefficient of initial cost variations.
Energies 18 01193 g010
Figure 11. The LCC of initial cost variations.
Figure 11. The LCC of initial cost variations.
Energies 18 01193 g011
Figure 12. Elasticity coefficient of operating cost variations.
Figure 12. Elasticity coefficient of operating cost variations.
Energies 18 01193 g012
Figure 13. The LCC of operating cost variations.
Figure 13. The LCC of operating cost variations.
Energies 18 01193 g013
Figure 14. Elasticity coefficient of maintenance cost variations.
Figure 14. Elasticity coefficient of maintenance cost variations.
Energies 18 01193 g014
Figure 15. The LCC of maintenance cost variations.
Figure 15. The LCC of maintenance cost variations.
Energies 18 01193 g015
Table 1. Cost of mechanical phasor.
Table 1. Cost of mechanical phasor.
ParametersSymmetrical Dual-Core Mechanical Phasor
Capacity (MVA)110960
Voltage Level (KV)110220
Initial Cost (CNY 10K)8004500
Operating Cost 50150
Maintenance Cost 24135
Decommissioning Cost120675
Operating Lifetime (Year)3030
Table 2. Cost of electronic phasor.
Table 2. Cost of electronic phasor.
ParametersSymmetrical Dual-Core Mechanical Phasor
Capacity (MVA)110960
Voltage Level (KV)110220
Initial Cost (CNY 10K)8007500
Operating Cost 50200
Maintenance Cost 24375
Decommissioning Cost1201125
Operating Lifetime (Year)3030
Table 3. Cost of a TCPST.
Table 3. Cost of a TCPST.
ParametersTCPST
Capacity (MVA)110960
Voltage Level (KV)110220
Initial Cost (CNY 10K)10004500
Operating Cost70180
Maintenance Cost40260
Decommissioning Cost150975
Operating Lifetime (Year)3030
Disclaimer/Publisher’s Note: The statements, opinions and data contained in all publications are solely those of the individual author(s) and contributor(s) and not of MDPI and/or the editor(s). MDPI and/or the editor(s) disclaim responsibility for any injury to people or property resulting from any ideas, methods, instructions or products referred to in the content.

Share and Cite

MDPI and ACS Style

Cai, H.; Qi, W.; Peng, Z.; Zou, J.; Sun, W.; Zhu, Y.; Han, X. Energy-Oriented Economic Evaluation of Phase Shifters Utilizing Risk-Adjusted Lifecycle Cost Analysis. Energies 2025, 18, 1193. https://doi.org/10.3390/en18051193

AMA Style

Cai H, Qi W, Peng Z, Zou J, Sun W, Zhu Y, Han X. Energy-Oriented Economic Evaluation of Phase Shifters Utilizing Risk-Adjusted Lifecycle Cost Analysis. Energies. 2025; 18(5):1193. https://doi.org/10.3390/en18051193

Chicago/Turabian Style

Cai, Hui, Wanchun Qi, Zhuyi Peng, Jie Zou, Wentao Sun, Ying Zhu, and Xingning Han. 2025. "Energy-Oriented Economic Evaluation of Phase Shifters Utilizing Risk-Adjusted Lifecycle Cost Analysis" Energies 18, no. 5: 1193. https://doi.org/10.3390/en18051193

APA Style

Cai, H., Qi, W., Peng, Z., Zou, J., Sun, W., Zhu, Y., & Han, X. (2025). Energy-Oriented Economic Evaluation of Phase Shifters Utilizing Risk-Adjusted Lifecycle Cost Analysis. Energies, 18(5), 1193. https://doi.org/10.3390/en18051193

Note that from the first issue of 2016, this journal uses article numbers instead of page numbers. See further details here.

Article Metrics

Back to TopTop