Next Article in Journal
Reliability Evaluation of Improved Sampling Method for Mechanical Test of Cable Insulation
Previous Article in Journal
Assessing the Effectiveness of Mycelium-Based Thermal Insulation in Reducing Domestic Cooling Footprint: A Simulation-Based Study
 
 
Font Type:
Arial Georgia Verdana
Font Size:
Aa Aa Aa
Line Spacing:
Column Width:
Background:
Article

Improvement of Mass Transfer Characteristics for the Gas-Liquid System in a Vortex Counterflow Apparatus

by
Vsevolod Sklabinskyi
1,
Ivan Pavlenko
1,
Maksym Skydanenko
1,
Sylwia Włodarczak
2,
Andżelika Krupińska
2,
Marek Ochowiak
2,* and
Izabela Kruszelnicka
3,*
1
Faculty of Technical Systems and Energy Efficient Technologies, Sumy State University, 116, Kharkivska St., 40007 Sumy, Ukraine
2
Department of Chemical Engineering and Equipment, Poznan University of Technology, 4, Berdychowo St., 60-965 Poznan, Poland
3
Department of Environmental Engineering and Energy Department of Water Supply and Bioeconomy Berdychowo 4, 60-965 Poznan, Poland
*
Authors to whom correspondence should be addressed.
Energies 2025, 18(4), 984; https://doi.org/10.3390/en18040984
Submission received: 12 December 2024 / Revised: 12 February 2025 / Accepted: 13 February 2025 / Published: 18 February 2025
(This article belongs to the Section K: State-of-the-Art Energy Related Technologies)

Abstract

This article aims to increase the intensity of mass transfer between gas and liquid in counterflow gas–liquid flow, one of the key problems in designing mass transfer equipment. For this purpose, analytical and experimental studies were carried out to evaluate the main features of operating processes in a vortex counterflow apparatus. In particular, the presented research substantiates the possibility of achieving several theoretical stages of concentration change in a single atomizing stage of the vortex counterflow mass transfer apparatus. The corresponding experimental stand was developed to carry out experimental studies. Afterward, the efficiency of the vortex counterflow mass transfer apparatus was evaluated. The model was based on material balance and flow rate equations, allowing for the determination of mass transfer and intensity ratio. After comparing the analytical expressions with the experimental results, the regression dependence for evaluating the main parameter of the proposed mathematical model was obtained. An increase in steam consumption led to increased steam velocities, affecting the droplets. This fact proved an increase in the intensity of mass transfer processes. The studies substantiated the achievement of several theoretical stages of concentration change and increased the efficiency of a vortex counterflow mass transfer apparatus. From a practical viewpoint, the experimental studies confirmed that when the height and radius ratio is less than 0.6–0.7, it is possible to create a plane vortex countercurrent motion of gas and liquid flows with a significant increase in peripheral gas velocities along the radius of the vortex chamber.

1. Introduction

A velocity gradient on different sides of a droplet in a gas flow opens the way for intensifying internal flows in the droplets and interaction between them and the gas in a vortex flow. However, the problem of interacting with a vortex gas flow with a significant velocity gradient with droplets has not been solved entirely [1]. This is mainly due to the lack of designs of mass transfer equipment in which the droplets move in the flowing gas at significant velocity gradients [2]. Solving this problem requires both theoretical and experimental research.
Known research works by Megaridis et al. [3], Harris et al. [4], and Mohammadi et al. [5] concerning circulation currents in a droplet consider either a predominantly uniform gas flow or are related to numerical approaches.
Therefore, it is relevant to analyze the hydrodynamics of a liquid droplet and its effect on mass transfer processes between moving liquid droplets and a vortex gas flow from the center to the periphery of the mass exchange chamber. Such research aims to determine the force affecting a droplet, its rotation speed, the intensification of internal circulation currents, and its influence on the efficiency of mass transfer processes. The movement of gas and liquid droplets can be organized using the vortex movement of gas, and the vortex motion of gas is applied in various fields of chemical engineering and technology, particularly in designing vortex contact devices, cyclone apparatuses, dust and mist collectors, equipment for drying or firing fine particles, as well as elements of jet engines, high-temperature gas turbines, vortex ejectors, and others. Therefore, this article aims to substantiate the possibility of achieving several theoretical stages of concentration change in a single atomizing stage.
Many scientific publications are devoted to applying vortex flows and studying the gas flow structure in vortex chambers of various designs. In particular, Noui-Mehidi et al. [6] presented a numerical analysis of the influence of cylinders with a truncated cone on the heat transfer in Taylor–Couette-type devices. However, the interaction of complex flows with droplets in such flows was not considered. Zhang et al. [7] analyzed the design of a three-flow vortex tube and described methods for optimizing its operation. In this case, the movement of liquid droplets in the same direction as the gas flow was considered. Li et al. [8] studied the dynamics of multiphase vortex flows for hydropower energy conversion. They showed the impact of vibration energy waves on various frequency components. Reference [9] also studied multiphase vortex flow and vibration behavior at the critical transition state.
Sommerfeld and Taborda [10] analyzed hydrodynamics and determined the rational use of disk vortex devices. Their article also presented a dependence on dust concentration. Nevertheless, the effect of a gas flow on liquid droplets within such a gas flow was not considered. Liu et al. [11] presented the results of the study of mass transfer in a gas–liquid layer in vortex contact devices with tangential swirlers during the motion of a liquid film entraining in rotational motion by a vortex gas flow. The experimental results confirmed the high efficiency of mass transfer processes in such a vortex gas–liquid flow. However, the authors did not consider the effect of a high-speed vortex gas flow on liquid droplets.
Kondus et al. [12] developed a model for the operating processes in vortex-flow pumps with a self-cleaning mechanism. Pulsations of the vortex flow were also intensified. However, the effect of dispersed particles was not considered. Pitak et al. [13] substantiated and designed a dust collector based on the reaction chamber providing intense dust collision. Unfortunately, the authors did not consider the effect of a gas flow on liquid droplets and heat and mass transfer processes in dispersed flows. Koshlak and Pavlenko [14] studied the processes and designs of vortex apparatuses for the final stages of drying and firing fine particles. In this case, convective heat transfer occurs at the particle boundary. Unfortunately, the authors did not consider the conditions for intensifying heat and mass transfer processes between a vortex gas flow and liquid droplets.
Rajesh et al. [15] designed a vortex chamber of a jet engine with tangential fuel injection into a high-speed gas flow that creates a large centrifugal force. This force helps the oxidizer to form a vortex and reach the upper end of the chamber. As a result, the direction of this vortex was changed, and an inner core was formed. The authors mainly considered the design of the chamber with cold and heated walls. Nevertheless, they did not consider the impact of a gas flow on the mass and heat transfer processes between droplets and gas. Ochowiak et al. [16] intensified the operating processes in a spray tower at the interfacial surface. The results allowed for the optimization of the design to improve droplet formation and increase energy efficiency. Yan et al. [17] presented experimental studies of the vortex flow and particle motion in a cyclonic classifier. Due to the relatively high height of the chamber, a spiral movement of gas is carried out with different tangential (circumferential) and axial velocity profiles. It is impossible to achieve high gas velocities in such a vortex chamber and ensure conditions for finely dispersed liquid spraying into small-diameter droplets. This leads to the impossibility of creating a developed interfacial surface and conducting intense heat and mass transfer between gas and droplets.
Additionally, Levchenko et al. [18] presented experimental studies of the vortex ejector operation. As a result, the mode characteristics of a vacuum unit with a vortex ejector stage and a different geometry of its flow path were identified. Unfortunately, the mass transfer characteristics were not wholly presented. Zhumadullayev et al. [19] presented experimental data and analytical equations for a cyclone apparatus with separate centrifugal and vortex mechanisms. In the case study, centrifugal dust collection is used without liquid spraying at the lower stage. At the upper contact stage, dust is collected and absorbed according to the laws of vortex interaction between gas and liquid phases. The primary hydrodynamic characteristics of the cyclone were investigated. However, the authors did not investigate mass transfer processes between gas and liquid droplets.
Yao et al. [20] reviewed approaches to modeling gas–liquid mass transfer for two-phase flows in microchannels. As a result, not only was diffusion considered, but the film’s motion also caused convection. Finally, Sklabinskyi and Pavlenko [21] studied the possibility of intensifying mass transfer due to the internal flow. However, the research aimed to evaluate the hydrodynamic characteristics of droplets in a gas flow. Consequently, an increase in the mass transfer characteristics should be substantiated.
Given the research mentioned above, this article aims to substantiate an increase in the mass transfer characteristics due to the internal flow in droplets in vortex counterflow mass transfer apparatuses. The following objectives are set to achieve this goal: First, the design scheme of flow movement in a vortex apparatus with phase counterflow in the contact zone will be proposed. Second, a mathematical mass transfer model will be developed considering the internal flow in a droplet. Next, experimental research will be conducted, and theoretical and experimental results will be established. Finally, the possibility of achieving several theoretical stages of concentration change in one apparatus with a vortex countercurrent movement of the contacting phases will be proven.

2. Materials and Methods

2.1. Flow Movement in a Vortex Countercurrent Apparatus

Existing flow patterns in the vortex chambers of devices with cross-phase movement make it possible to determine the cause of the cross-flow appearance. The central part of the contact device is a vortex chamber (Figure 1a,b) in which there is a helical joint movement of liquid droplets and gas.
Gas is supplied at the periphery through tangential slots and moves along a spiral trajectory toward the center (Figure 1a). Directly at the axis of the apparatus, the gas flow is restructured: Axial flow appears, and the gas is discharged in the axial direction.
The direction of flow velocities in absolute motion (Figure 1c) is as follows: The gas flow involves liquid droplets in rotational motion. As the circumferential velocities increase, centrifugal forces act on the liquid droplets, dragging them from the center to the periphery. After considering the movement of droplets relative to the gas flow and taking into account that the difference in their circumferential velocities is relatively small, one can be convinced of the existence of countercurrent movement of the continuous phase (gas) and the dispersed phase (liquid droplets) along the radius of the mass transfer chamber in the interfacial area (Figure 1d).
The organization of flows is as follows: Gas and droplets are rotating around the axis of the apparatus. Gas enters the vortex chamber tangentially at the periphery. The rotational motion is created. Next, the gas moves to the center, simultaneously rotating, where it is discharged through a hole in one of the end caps of the vortex chamber. The circumferential gas velocity in the central region increases significantly. In such a rotating high-speed flow, the droplets are acted upon by centrifugal forces directed from the center to the periphery. They exceed aerodynamic drag forces directed from the periphery to the center.
Liquid droplets move along flat spiral trajectories. They settle on a cylindrical wall. Afterward, they are removed from this wall in the form of a film through slots (Figure 1a, position 7) along the entire height of the cylindrical wall into the liquid removal chamber (Figure 1a, position 8). The chambers supplying gas to the tangential slots and removing the liquid film from the apparatus are not mutually connected. This is how phase separation occurs.
Remarkably, Figure 1c,d show directions of the gas and droplet velocities in the plane perpendicular to the axis of the vortex chamber.
Therefore, the flat countercurrent motion of gas and droplets along the radius of the mass transfer chamber occurs. As a result, droplets move from the center to the periphery, where liquid jets are sprayed onto small droplets. Gas moves from the periphery to the center. Under such a movement, the droplets are acted upon by a gas flow with a velocity gradient on opposite sides of the droplet along the radius of the vortex mass transfer chamber. In other words, the countercurrent movement of gas and droplets is organized in a single atomizing state of the mass transfer apparatus.
As the droplet moves along the radius of the mass transfer chamber, it is affected by circumferential gas velocities. A significant gradient of these velocities leads to the fact that the droplet is influenced by gas with different circumferential velocities on its sides along the radius of the mass exchange chamber.
Due to the friction of the gas on the droplet surface, the layer of liquid in the droplet is involved in the direction of the gas movement to the top point. Then, due to the continuity of the liquid flow, a reverse movement occurs from the top point inside the droplet. Internal circulation currents increase. As a result, interfacial surface renewal accelerates significantly, increasing the mass transfer rate.
Based on the analysis, the following three primary aspects can be identified for organizing flows to create a countercurrent vortex motion of phases: First, the gas flow should be a flat spiral in the predominant part of the mass transfer chamber. Second, the resulting liquid droplets should be small enough to be immediately involved in rotational motion with a peripheral velocity close to the gas velocity. Third, the gas flow velocity field should be uniform across the chamber’s height in the contact zone in order to organize the relative movement of droplets along flat spiral trajectories countercurrent to the gas.

2.2. A Mathematical Model of the Mass Transfer Process

Notably, Reference [21] showed how the transverse gradient of the gas flow velocities increases in the internal circulation of the liquid droplets, where the movement of the upper layers of the liquid in the droplets occurs. This allows us to develop the theoretical fundamentals of the relationship between the droplet’s circulation currents and the mass transfer processes’ intensification.
The drop has a spherical surface. However, the surface layers of the liquid (on both sides of the droplet) move in the same direction as the gas flow. The gas flows around the drop in the circumferential direction relative to the axis of the vortex mass transfer chamber. At the point of convergence of the flows, there is a change in the movement of the liquid to the center inside the droplet. On the front side of the droplet, where the gas flow occurs, there is a radial liquid flow directed from the center to the periphery. This flow gradually changes direction, outgrowing the flow along the circle of the droplet on both sides (Figure 1c).
For each small-time interval, the droplet passes a certain distance with the gas in the circumferential direction, moving simultaneously along the radius of the mass transfer chamber. This fact generally determines its spiral trajectory. Considering the above model of flow motion, for an element of the droplet surface, the material balance equation in a differential form [22] can be written:
L 0 d x = β x x e x d s ,
where L0 = ρdQ—the mass flow of inert liquid carrier, kg/s, passing through an elementary surface ds, m2; Q—flow rate, m3/s; βx—mass transfer coefficient in the liquid phase, kg/(m2·s); x, xe—actual and equilibrium concentrations of the component in the liquid phase, respectively.
Then, the mass transfer ratio [23] in the liquid phase is as follows, m2·s/kg:
N = s d s L 0 .
In a spherical coordinate system, on the surface of a droplet, d s = R 2 s i n θ d θ d φ . In this case, the flow rate is as follows [21], m3/s:
Q = 1 2 π ψ ρ g R 3 v 0 2 + 5 2 R v 0 v 1 + 7 4 R 2 v 1 2 8 3 π μ g ω 1 + R δ R 3 8 15 π ρ d R 5 ε ω ρ d R 2 cos 2 θ .
where ψ—the dimensionless drag coefficient; R—droplet radius, m; δ—thickness of the boundary layer on the droplet surface, m; ρd—density of a droplet, kg/m3; ρg—density of a gas, kg/m3; μg—dynamic viscosity of a gas, Pa·s; ω—angular velocity of gas flow, rad/s; ε—angular acceleration of gas flow, rad/s2; v0—gas flow velocity near the droplet surface, m/s; v’—transversal velocity gradient, s−1; φ, θ—coordinate angles, rad.
Consequently, if we consider that the mass transfer surface is the droplet surface, after integration over it and identical transformations, the following expression can be obtained:
N = 1 8 R ω 1 3 μ g ω 1 + R δ + 1 15 ρ d R 2 ε 1 16 ψ ρ g v 0 2 + 5 2 R v 0 v 1 + 7 4 R 2 v 1 2 .
If there is no transverse velocity gradient in the gas flow (v’ = 0), the number of transfer units is determined by the following dependence:
N = 1 8 R ω 1 3 μ g ω 1 + R δ + 1 15 ρ d R 2 ε 1 16 ψ ρ g v 0 2 .
When comparing the obtained formulas, it becomes N > N* due to the inequality of denominators.
However, quantitative analysis of this equation is complicated by the uncertainty of the components ω, ε, and δ, determined by the unsteady nature of the hydrodynamic interaction of flows.

2.3. An Experimental Setup

During the research, two vortex devices were designed and manufactured for various designs of vortex mass transfer chambers of countercurrent devices. They allowed the efficiency of mass transfer processes under rectification conditions to be studied. During development, the features of the phase movement were considered, and the shortcomings of existing designs were identified.
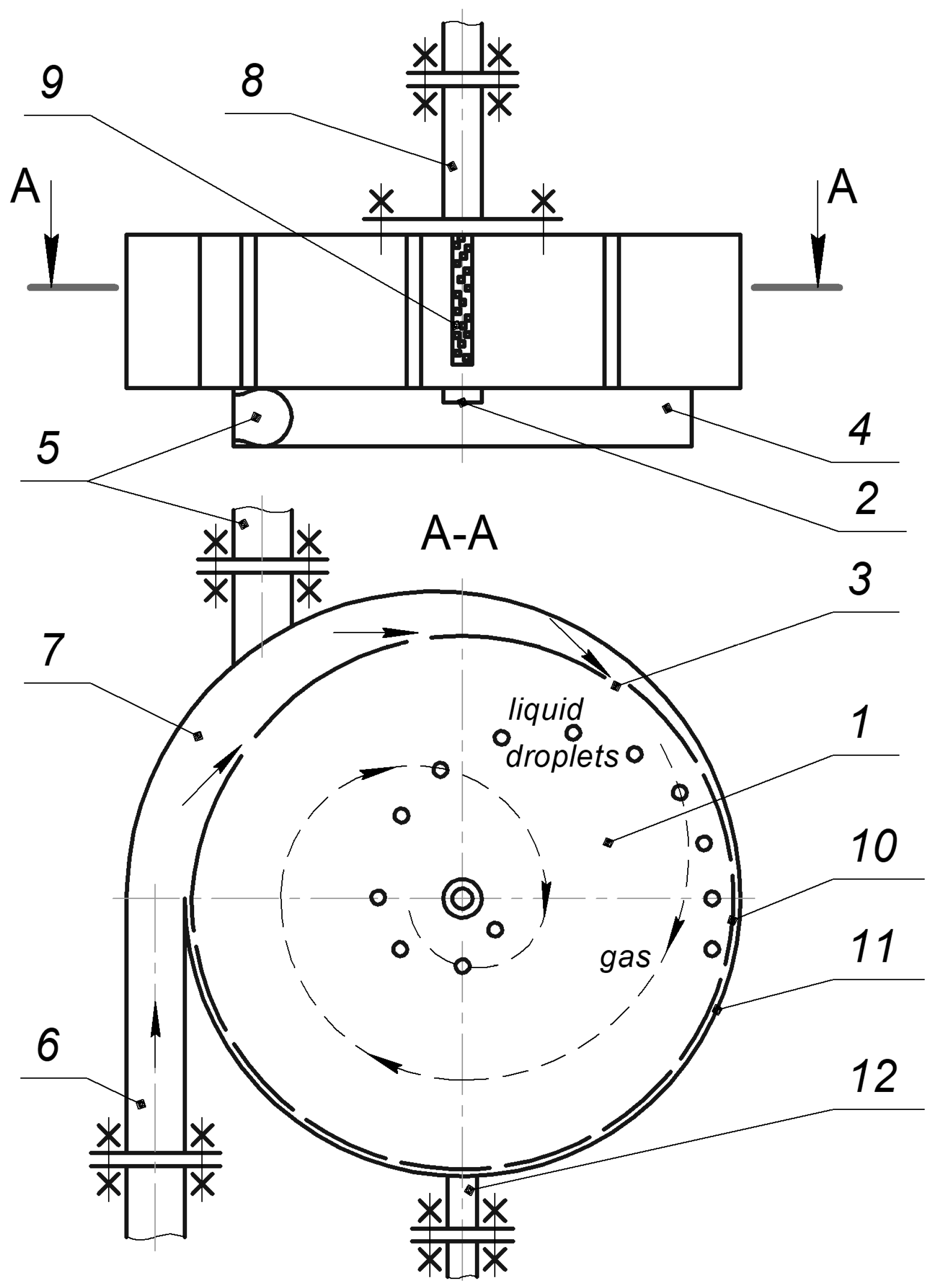
Since the main objective of the research was to study mass transfer characteristics, the design of the tested apparatus was somewhat simplified. Specifically, the device lacked a radial diffuser. The gas outlet opening of 80 mm was also slightly different to ensure low hydraulic losses. A design scheme of the studied counterflow mass transfer apparatus is presented in Figure 2.
The axis of the apparatus in the operating position is located horizontally. Mass transfer chamber 1 is a cylindrical container with a diameter of 800 mm and a height of 150 mm. Gas (steam) is supplied at the periphery of the upper part of the chamber through three tangential slots. A container is attached to the end cover, which contains an opening for removing steam from the mass transfer chamber. Through this container, steam is removed from the apparatus through tangential pipe 5 located on the periphery of this container. Through tangential gas supply pipe 6, steam is supplied to the apparatus in chamber 7, located in the upper part of the apparatus in front of the tangential slots.
The liquid is fed into the apparatus through atomizer 9 with a diameter of 10 mm, plugged on one side, and fixed to the end cap opposite to the one containing opening 4 for removing steam from the mass transfer chamber. There are 200 holes with a diameter of 1.2 mm on the entire surface of the atomizer. This allows the liquid to be supplied into a steam flow, which is moving in a vortex chamber in the radial direction. Filters were also installed before the atomizer.
On the periphery of the mass transfer chamber, in the lower part of the cylindrical housing, there is a series of tangential slots for removing liquid from the vortex chamber. These slots are connected with container 11 along the length. The liquid is removed from the apparatus through pipe 12.
The apparatus operates as follows: The steam enters the chamber through tangential slots and moves towards the center, creating a vortex flow with increased peripheral velocity towards the central region, where the liquid is fed in the radial direction. The liquid jets are sprayed into droplets, which are involved in rotational movement around the axis of the apparatus. Afterward, these droplets move toward the cylindrical wall of the chamber. The obtained liquid film is removed through drainage channels in the bottom part of the housing.
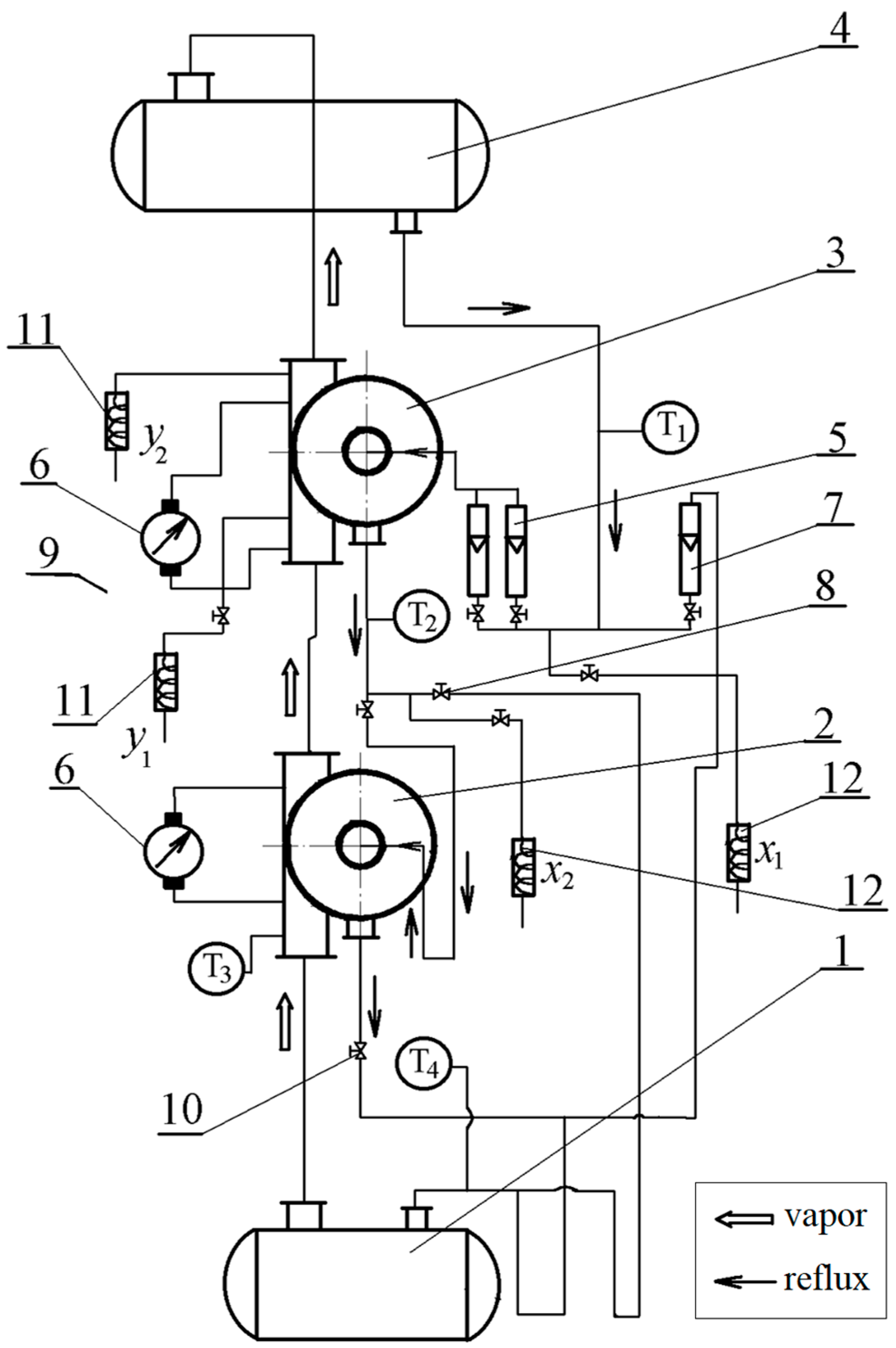
One of the research objectives is to refute or confirm the above justifications about the possibility of achieving several theoretical stages of concentration change in a single stage, where the vortex countercurrent movement of the contacting phases is organized. For this purpose, an experimental setup was created in which the working medium was a mixture of methanol and water. The operation of the experimental setup is explained by the design scheme presented in Figure 3.
Steam from the bottom is supplied to the investigated apparatus and passes through the mass exchange chamber, interacting with the liquid phase and removing it to the condenser. Reflux from the condenser is supplied to the atomizer and introduced into the mass transfer chamber, where liquid jets are sprayed into droplets, which are involved in rotational motion and, under the action of centrifugal forces, move countercurrently relative to the steam along the radius of the vortex chamber. Then, the droplets settle on a cylindrical wall, and through a series of slots and a collection chamber, the liquid is removed from the apparatus and placed into the bottom.
In the experimental setup, valves 8–10 turn off the lower apparatus to prevent entering reflux. A line with rotameter 7, through which part of the reflux can be discharged into a bottom, bypassing the upper apparatus, ensures a finite reflux ratio. During the experiments, this line was also used to flush the system.
Considering that one of the goals in designing a vortex apparatus with countercurrent phases was to replace column equipment (with several plates) with only one apparatus, the efficiency of a single vortex apparatus was studied.
One of the objectives was to confirm the statement regarding the possibility of achieving several theoretical stages of concentration change in a single apparatus, where a vortex countercurrent movement of contacting phases is organized. For this purpose, valves 8–10 were provided in the experimental setup (Figure 2) to turn off the lower apparatus and prevent reflux from entering it. The reflux from the upper apparatus, bypassing the lower apparatus, flowed directly into the still. For this purpose, rotameter 7 was used.
During rectification, experimental studies of the vortex atomizing efficiency for countercurrent mass exchange devices were studied on a hot stand. This is a thermal and inertial process. After setting the temperatures unchanged, sampling began at the points of the stand indicated in the design scheme. The sampling process for further concentration analysis began 1–2 h after establishing a constant temperature at all measurement points to achieve a stable operating mode. In addition, samples were taken at each point in five tubes. Concentrations were recorded if the results of the samples in the test tubes matched within the discrepancy of 5%. As a result, the average concentration in Table 1 corresponded to 3–5 control measurements in different sampling tubes at each sampling point. Sampling was conducted in at least 30-min intervals, which is necessary for determining concentrations in laboratory conditions, from 3 to 5 times until the substance concentrations in the samples coincided with the concentrations of the previous samples. However, even then, a control measurement was made. Overall, determining concentrations in different test tubes using the same operating mode was carried out more than 36 times.
The diameters of the vortex chamber in the mass exchange apparatuses ranged from 380 mm to 1000 mm. This is significantly larger than vortex nozzles, where wall friction and boundary effects can affect the flow behavior. Thus, the impact of such effects can be neglected because of the large radial dimensions of the vortex mass exchange chambers.
The efficiency of mass transfer processes in a vortex countercurrent apparatus is generally determined by the change in the vapor phase concentration before and after the apparatus and the liquid phase at its inlet and outlet. When operating with an infinite reflux ratio, the stabilization of the processes is based on the equality of the phase concentrations (x1, y2, and x2, y1).
First, an interaction between liquid and vapor was organized by spraying liquid onto a drop. After that, a result corresponding to a change in concentrations in several theoretical stages was obtained. This study considers two-phase aggregate states—liquid as a vortex flow of droplets (first phase) and vapor as a continuous flow (second phase). The second phase affects the movement of droplets in the vortex mass transfer chamber and intensifies internal flows in the droplets.
The vapor phase is sampled from the central area of the steam nozzles at the apparatus inlet and outlet. Then, samples are taken into test tubes through glass refrigerators 11, where the vapor is condensed. The sampling is carried out from the walls of the pipes in the water seal in front of the rotameters, through which the reflux is supplied to the sprayer and at the exit from the upper apparatus. Then, the reflux is cooled in glass refrigerators 12, where the sample was already taken into test tubes.
The analysis of methanol content in the samples was carried out using a refractometer. The measurements were controlled using specific gravity analyses. Temperature measurements were taken with thermometers at three points. The temperature of the reflux at the entrance to the vortex apparatus and the exit from it, as well as the temperature of the steam at the exit from the still, were measured.
The volumetric flow rate of steam through the apparatus was evaluated by rotameters, considering the complete return of reflux to the system. The pressure difference between the inlet and outlet gas pipes evaluated the resistance of the apparatus. The total energy losses in the apparatus were measured by considering the pipes’ diameters (and, therefore, steam velocities) as equal.

3. Results

3.1. Theoretical Results

After comparing the above analytical expressions (4) and (5), it can be concluded that the presence of a transverse gas velocity gradient leads to the intensification of internal circulation currents. They, in turn, increase the intensity of mass transfer and the number of transfer units. In other words, the mass transfer intensity ratio N*/N is introduced:
N N = 1 3 μ g ω 1 + R δ + 1 15 ρ d R 2 ε 1 16 ψ ρ g a 0 2 1 3 μ g ω 1 + R δ + 1 15 ρ d R 2 ε 1 16 ψ ρ g v 0 2 + 5 2 R v 0 v 1 + 7 4 R 2 v 1 2 > 1 .
Since the denominator of this fraction is less than the numerator, it can be stated that the mass transfer intensity ratio N*/N > 1.
However, to confirm theoretical conclusions about mass transfer intensification between gas and droplets, identifying mass transfer characteristics and their relationship with the hydrodynamics of flows in a vortex chamber requires additional studies described below.
Notably, at the initial approximation stage, the following dependence is proposed for the analytical description of the number of theoretical stages of concentration change:
n Q = n 0 + k Q ,
where Q—gas flow rate, m3/s; n 0 = lim Q 0 n Q —initial number of the theoretical stages (initially, n0 = 1); k = lim Q 0 d n Q d Q , s/m3—initial gradient of the dependence “Qn”.
According to the physical meaning of the mass transfer process [24], n0 = 1. However, the unknown parameter k can be evaluated using the least square method [25] by minimizing the following least square error:
R k = i = 1 m n 0 + k Q i n i 2 m i n ,
where Qi, nii-th experimental point ( i = 1 , m ¯ ); m—total number of experimental points.
The necessary and sufficient condition for ensuring condition (8) is as follows:
d R k d k = 2 i = 1 m n 0 + k Q i n i Q i = 0 .
This allows us to evaluate the unknown parameter of the analytical dependence (7):
k = i = 1 m n i n 0 Q i i = 1 m Q i 2 .

3.2. Experimental Results

The first measurements were carried out 60–90 min after starting the column. Then, sampling was carried out with an interval of 40–60 min until the concentration was equalized. Selectively, for measurement control y1 and x2, samples were taken from the bottom. When the process was stabilized, these measurements coincided. The number of theoretical stages was calculated graphically and according to tabular values using the equilibrium line of the methanol-water mixture.
Specific gravity analyzes selectively controlled refractometer measurements. Also, the reflux temperature at the inlet and the outlet of the vortex apparatus and the steam temperature at the bottom outlet were measured. The volumetric flow rate of steam was calculated through a vortex spraying countercurrent mass transfer apparatus considering the complete return of reflux to the system.
Experimental results data on the efficiency of the vortex mass transfer apparatus are summarized in Table 1.
The results indicate that an increase in steam consumption leads to an increase in steam velocity, which affects the droplets. This fact increases the intensity of mass transfer processes.
According to the data presented in the 2nd and 11th columns in Table 1, the value of the analytical parameter k (10) can be evaluated as follows:
k = 2 1 · 0.044 + 4 1 · 0.089 + 5 1 · 0.144 + 6 1 · 0.211 + 8 1 · 0.236 0.044 2 + 0.089 2 + 0.144 2 + 0.211 2 + 0.236 2 = 27.5   s m 3 .
Data on the experimental determination of the efficiency for a vortex mass transfer apparatus (Table 1) and the corresponding approximating dependence (7) are presented in Figure 4.
Naturally, the approximation deviations are explained by the discrete peculiarity of the number of theoretical stages of concentration change. In comparing the experimental data and theoretical curves for the number of theoretical concentration stages, the root mean square error (RMSE) does not exceed 8%.
Finally, the results indicate that an increase in the vapor flow rate increases the theoretical stages of concentration change.
The results confirm the efficiency of vortex countercurrent mass exchange devices and indicate the feasibility of their use. Table 2 shows comparative data on specific costs for different contact elements.
Information on the material costs for designing a mass transfer device with a 1 t/h productivity equivalent to a vortex countercurrent, in which a change in concentrations corresponding to seven theoretical stages would be achieved.
Thus, the use of vortex spray countercurrent mass transfer apparatuses leads to a significant reduction in metal consumption. Additionally, such apparatuses have comparatively low height, which allows low-power pumps to transfer reflux in rectification processes.
Table 2 shows a reduction in specific costs for the manufacture of a vortex atomizing countercurrent mass exchange apparatus due to the simplification of its design due to the increasing efficiency of using a unit volume of the apparatus with the countercurrent movement of vortex flows along the radius of the mass exchange chamber. This is due to the intensification of internal flows in the droplets by intensive renewal of the interfacial surface. Moreover, Table 2 shows the specific hydraulic resistance, which corresponds to the resistance of mass transfer equipment with one theoretical stage of the concentration change. Thus, despite the general increase in the hydraulic resistance of the vortex apparatus, due to the increase in the steam velocity, the specific resistance of one theoretical stage (in the vortex apparatus, a change in concentrations of more than one theoretical stage is achieved in one spraying stage) of the concentration change remains at the level of the same indicators for other mass exchange devices. This demonstrates the efficiency of its use by reducing its material consumption.
Another important characteristic of mass transfer equipment is the specific output, which is the volume of the obtained product from a unit volume of the apparatus per unit time (Table 3).
The highest value of specific productivity indicates the advisability of using vortex counterflow apparatuses in the mass transfer processes where it is necessary to separate a large amount of product.

4. Discussion

Stable operation in countercurrent mode involves using a vortex apparatus under consideration, for example, in rectification processes. The experimental data confirm the possibility of using vortex countercurrent apparatuses in such processes.
In general, the heat balance of the column is equal between the heat supplied with the initial product to evaporate the mixture in the still and the heat removed from the condenser (or distiller) with the remainder. With the auxiliary equipment remaining unchanged, the costs associated with the evaporation of the mixture in the still are of practical interest. Mainly, this heat is spent on evaporation of the mixture and overcoming the hydraulic losses of the column or apparatus. The hydraulic resistance of the vortex countercurrent mass transfer apparatus (Table 3) is close to the resistance of columns with various types of contact elements. Therefore, the resistance of the equipment should not increase when replacing the plates with a vortex device.
Usually, the reflux ratio is selected based on the condition of the column height ratio, factors associated with the finished product yield, and the costs of evaporating the mixture. With a decrease in the reflux ratio and the costs of evaporating the mixture in the still, there is a need to increase the number of plates, the column height, and the associated material costs.
However, the use of highly efficient vortex counterflow apparatuses allows for reducing the reflux ratio and the costs of evaporating the reflux circulating in a column. Reducing energy costs for reflux evaporation shows the advantages of using vortex spray countercurrent mass transfer apparatuses and reducing their operation costs.
Moreover, since the specific hydraulic resistance of the vortex apparatus is lower than that of replaceable plates, the total resistance of the column and the associated energy costs will decrease. Notably, due to high gas velocities, the static pressure in the spray area is significantly reduced. This creates conditions for improving the separation process, which is close to the process of vacuum rectification.
Thus, the above-mentioned factors indicate the prospects of developing vortex apparatuses with countercurrent phases in the contact area for various industrial applications.
Also, the proposed methodology and obtained scientific results allow us to overcome the challenges described in the previous research works [10,15,16] and the scientific gaps presented above within the critical literature review in the introduction.
First, despite the results presented in [6], considering the effect of complex flows on the droplet surface allows for determining their impact on droplets and evaluating the increase in heat transfer in such systems. Second, the scientific gap in Reference [7] has been eliminated. Mainly, a change in the design of the vortex chamber and the introduction of liquid droplets in the center of the vortex flow increases centrifugal forces acting on the droplets. If these forces are sufficient to move droplets from the center to the periphery of the vortex chamber, then a gas flow acts on the droplet surface with different velocities. This effect leads to the intensification of internal circulation currents in the droplets. Therefore, the rate of heat and mass transfer processes increases. Third, despite the results presented in Reference [10], consideration of the effect of the transverse gradient of gas velocity on liquid droplets makes it possible to expand the possibilities of using vortex disk devices in the processes of heat and mass transfer with droplet flows that move in the perpendicular direction to the main gas flow under the action of centrifugal forces.
The scientific gaps in References [11,12,13,14] have also been eliminated. Specifically, using tangential swirlers to create a high-speed flat gas flow creates a centrifugal force field. These forces entrain droplets from the center of the vortex mass exchange chamber to its periphery. In this case, droplets move countercurrent to the gas flow along the radius of the vortex chamber. Also, a gas flow acts on the droplet surface with different velocities along the radius of the vortex chamber. Therefore, such a difference in gas velocities on both sides of the droplet leads to an increase in the intensity of internal currents in the droplets and, accordingly, to the intensification of mass transfer processes. Moreover, due to the counterflow gas (steam) flow along the radius of the vortex chamber, such a mass transfer stage can be used in rectification processes.
Additionally, using a high-speed gas flow to spray liquid jets onto droplets leads to obtaining droplets of relatively small diameters. In such droplets, the intensity of internal circulation currents is low due to high surface tension forces. When creating conditions for the movement of droplets in the direction perpendicular to the direction of gas movement, centrifugal forces are used. These forces also allow for intensifying internal flows in these small droplets, creating additional conditions for intensifying heat and mass transfer processes. Moreover, using a combined reaction chamber with an additional introduction of a microdroplet flow into a high-speed gas flow makes it possible to expand the use of the chambers when it is also necessary to carry out heat exchange and mass transfer processes. In this case, the movement of droplets under the action of centrifugal forces in the gas velocity field leads to the intensification of such processes. Finally, if it is necessary to carry out heat and mass transfer processes, the proposed design of the vortex camera can be used to create a flat vortex around the axis of the chamber. Notably, when creating sufficiently large centrifugal forces, it is possible to organize the countercurrent movement of liquid droplets. This approach also leads to the intensification of heat and mass transfer processes.
Also, despite the results presented in References [18,19], the following advantages of the proposed approach can be stated: First, fuel droplets in a jet engine have a relatively small diameter to create a developed fuel–gas contact surface [15]. The intensity of internal currents in small droplets is low due to the large surface tension forces. This fact prevents rapid renewal of the interfacial surface. Intensification of the renewal of the fuel droplet surface in the combustion chamber due to the difference in gas flow rates from opposite sides of the droplets makes it possible to intensify the fuel combustion process.
Second, in vortex cameras proposed in [16], it is possible to organize the vortex motion of the gas at speeds sufficient to entrain the droplet liquid into rotational motion. The rotating gas moves from the periphery to the center, and the droplets under centrifugal forces move from the center to the periphery, simultaneously rotating around the axis of the vortex chamber and the gas flow. In this case, conditions are created to intensify internal flows in the droplets, and heat and mass transfer processes between the gas and the droplets are also intensified. Third, the chamber’s height must be less than its radius to create a flat vortex flow of gas and liquid droplets with the possibility of their countercurrent movement along the vortex chamber’s radius. Moreover, the ratio of the radius of the arrangement of the tangential slots for the gas inlet and the hole’s radius for a gas outlet from the vortex chamber is essential but was not considered in [17]. The greater this ratio, the greater the circumferential gas velocities that can be achieved in the central region of the vortex chamber and spray liquid jets into small-diameter droplets (less than 0.1 mm). This effect creates a developed interfacial surface. The resulting gradient of peripheral gas velocities contributes to intensifying internal flows in droplets and accelerates heat and mass transfer processes.
Additionally, the flat spiral motion of gas is possible at a low height of the vortex chamber [18]. This fact creates conditions for the countercurrent flow of gas and liquid droplets along the radius of the vortex chamber and improves hydrodynamic conditions for intensive mass transfer between gas and microdroplets. Such flow organization can be successfully used in rectification processes due to the countercurrent movement of phases. Moreover, in the irrigated stage of the cyclone apparatus [19], it is possible to organize an intense heat and mass transfer process between droplets and gas. For this purpose, the height of the irrigated part of the cyclone should be reduced to create a high-speed gas flow in the central area. Liquid jets can be introduced into this area and sprayed into small droplets due to the energy of a high-speed gas flow. Due to the small size of the droplets, a developed interface is created, and the conditions for intensifying mass transfer processes are improved.
Finally, despite the results of Reference [20], we have proposed a method for evaluating the intensification of internal flows in small droplets (where surface tension forces prevent the renewal of the droplet surface). This approach allows us to evaluate the level of such intensification. The presented results of experimental studies confirm that the organization of the countercurrent flow intensifies the mass transfer processes and makes it possible to achieve more than one theoretical stage of the concentration change in a single spraying stage. This effect leads to more efficient use of the unit volume of the mass transfer chamber. As a result, the dimensions of mass transfer equipment can be decreased.
Overall, experimental verification confirmed that in the studied vortex countercurrent spraying apparatus, gas was introduced through tangential slots on the periphery of the vortex mass transfer chamber and discharged in the center of this chamber. Simultaneously, the liquid was introduced into the center of the vortex chamber through a sprayer with 200 holes and a diameter of 1.2 mm. The liquid was removed from the cylindrical walls of the vortex chamber at its periphery. Liquid droplets are moving against the gas flow from the center to the periphery, overcoming the significant resistance of the gas, which involves the droplets in joint movement only under the action of centrifugal forces. These centrifugal forces are more significant than the resistance forces from the gas flow. Thus, experimental confirmation was obtained for the possibility of organizing countercurrent vortex motion of phases along the radius of the vortex mass transfer chamber in an actual apparatus.
Another result of the experiments was the successful implementation of the rectification process in the apparatus, which, as is known, is possible only with countercurrent phase movement.
Thus, the comprehensive experimental and theoretical studies provide the fundamentals for developing up-to-date, highly efficient designs of mass transfer equipment using vortex flow with the countercurrent movement of the gas-–iquid flow along the radius of the vortex mass transfer chamber.
Future plans will be aimed at CFD modeling to evaluate quantitative parameters of the internal flow in a droplet. Further studies will also be aimed at the sequential operation of two devices and their work with nozzles of various designs. This will allow us to reach the subsequent stage in developing and improving the proposed vortex devices with the counterflow of phases in the contact area.

5. Conclusions

As a result of experimental studies on the efficiency of a vortex atomizing mass transfer apparatus with a counterflow of phases in the contact area, the possibility of achieving several theoretical stages of concentration change in a single atomizing stage has been proven. Experimental dependence between the gas flow rate and the number of theoretical stages of concentration change for the designed chamber of the vortex mass transfer apparatus has been evaluated. The corresponding approximating curve has been built based on the regression analysis.
Process intensity is achieved due to the impact of gas with different circumferential velocities (along the radius of the vortex chamber) on liquid droplets, intensifying internal circulation currents in droplets.
The main result of analytical studies of the effect of the transverse gradient of gas flow velocities on droplets is the theoretical substantiation of an increase in the number of theoretical stages of concentration change compared with the effect of equipped gas flow. An analytical dependence for determining the mass transfer intensity ratio has been developed. Moreover, the analytical dependence for the main parameter of the mathematical model describing the number of theoretical stages of concentration change has been obtained.
Overall, experimental studies were carried out on a vortex spray countercurrent mass transfer apparatus in rectification processes for the first time. The device proved its high efficiency. The mass transfer chamber is a cylindrical container whose diameter and height are 0.8 m and 0.15 m, respectively. Experimental studies have also confirmed that when the height and radius ratio is less than 0.6–0.7, it is possible to create a plane vortex countercurrent motion of gas (steam) and liquid flows with a significant increase in peripheral gas velocities along the radius of the vortex chamber.
Experiments have also shown the high efficiency of such a countercurrent vortex motion of phases in rectification processes and confirmed the previously stated assumption about the possibility of achieving several theoretical stages of concentration changes (up to 8 stages) in a single spray stage.

Author Contributions

Conceptualization, V.S.; methodology, V.S., I.P. and M.S.; software, M.O. and A.K.; validation, M.O., A.K. and S.W.; formal analysis, I.P. and M.S.; investigation, V.S., I.P., M.S., M.O., A.K., S.W. and I.K.; resources, V.S., M.O. and I.K.; data curation, M.O. and I.K.; writing—original draft preparation, V.S., I.P. and M.S.; writing—review and editing, M.O. and I.K.; visualization, I.P., M.S., A.K., S.W. and I.K.; supervision, V.S.; project administration, I.P.; funding acquisition, M.O. All authors have read and agreed to the published version of the manuscript.

Funding

This research was funded by Ministry of Science and High Education of Poland.

Data Availability Statement

The data are available upon request from the corresponding author.

Acknowledgments

The research was realized within the project “Fulfillment of tasks of the perspective plan of development of a scientific direction “Technical Sciences”, Sumy State University, Ukraine, state reg. No. 0121U112684.

Conflicts of Interest

The authors declare no conflicts of interest.

References

  1. Wu, H.; Zhang, F.; Zhang, Z.; Hou, L. Atomization and droplet dynamics of a gas-liquid two-phase jet under different mass loading ratios. Int. J. Multiph. Flow 2022, 151, 104043. [Google Scholar] [CrossRef]
  2. Kourou, A.; Chen, S.; Ouyang, Y. Gas–liquid and liquid–liquid vortex technology for process intensification. Curr. Opin. Chem. Eng. 2024, 46, 101056. [Google Scholar] [CrossRef]
  3. Megaridis, C.M.; Hodges, J.T.; Xin, J.; Day, J.M.; Presser, C. Internal droplet circulation induced by surface-driven rotation. Int. J. Heat Fluid Flow 1994, 15, 364–377. [Google Scholar] [CrossRef]
  4. Harris, S.R.; Lempert, W.R.; Hersh, L.; Burcham, C.L.; Saville, D.A.; Miles, R.B.; Gee, K.; Haughland, R.P. Quantitative measurements of internal circulation in droplets using flow tagging velocimetry. Am. Inst. Aeronaut. Astronaut. J. 1996, 34, 449–454. [Google Scholar] [CrossRef]
  5. Mohammadi, E.; King, A.; Narayanaswamy, R. A study on the flow field and internal circulation of a single moving droplet. In Proceedings of the 20th Australasian Fluid Mechanics Conference, Perth, Australia, 5–8 December 2016; pp. 1–4. [Google Scholar]
  6. Noui-Mehidi, M.N.; Ohmura, N.; Nishiyama, K.; Wu, J. Improving heat transfer with Taylor vortices in a compact modified Couette-Taylor apparatus. J. Chem. Eng. Jpn. 2007, 40, 951–956. [Google Scholar] [CrossRef]
  7. Zhang, B.; Guo, Y.; Li, N.; He, P.; Guo, X. Experimental study of gas–liquid behavior in three-flow vortex tube with sintered metal porous material as the drain part. Energy 2023, 263, 125713. [Google Scholar] [CrossRef]
  8. Li, L.; Lu, B.; Xu, W.; Wang, C.; Wu, J.; Tan, D. Dynamic behaviors of multiphase vortex-induced vibration for hydropower energy conversion. Energy 2024, 308, 132897. [Google Scholar] [CrossRef]
  9. Li, L.; Tan, Y.; Xu, W.; Ni, Y.; Yang, J.; Tan, D. Fluid-induced transport dynamics and vibration patterns of multiphase vortex in the critical transition states. Int. J. Mech. Sci. 2023, 252, 108376. [Google Scholar] [CrossRef]
  10. Sommerfeld, M.; Taborda, M.A. Understanding solid particle transport in a gas cyclone separator. Int. J. Multiph. Flow 2024, 181, 104992. [Google Scholar] [CrossRef]
  11. Liu, L.; Wang, K.; Bai, B. Comparative investigation of liquid film thickness and interfacial wave properties of swirling gas-liquid flows. Chem. Eng. Sci. 2020, 213, 115407. [Google Scholar] [CrossRef]
  12. Kondus, V.; Ciszak, O.; Zhukov, A.; Mushtai, M.; Polkovnychenko, V.; Krugliak, A. Development of a self-cleaning mechanism for torque-flow pumps. J. Eng. Sci. 2024, 11, F17–F26. [Google Scholar] [CrossRef]
  13. Pitak, I.; Shaporev, V.; Briankin, S.; Komarysta, B.; Nechyporenko, D. Development of a highly efficient combined apparatus (A combination of vortex chambers with a bin) for dry dedusting of gases. East.-Eur. J. Enterp. Technol. 2019, 3, 49–55. [Google Scholar] [CrossRef]
  14. Koshlak, H.; Pavlenko, A. Mathematical model of particle free settling in a vortex apparatus. Rocz. Ochr. Sr. 2020, 22, 727–734. [Google Scholar]
  15. Rajesh, T.N.; Jothi, T.J.S.; Jayachandran, T. Performance analysis of a vortex chamber under non-reacting and reacting conditions. Sadhana Acad. Proc. Eng. Sci. 2020, 45, 43. [Google Scholar] [CrossRef]
  16. Ochowiak, M.; Włodarczak, S.; Pavlenko, I.; Janecki, D.; Krupińska, A.; Markowska, M. Study on interfacial surface in modified spray tower. Processes 2019, 7, 532. [Google Scholar] [CrossRef]
  17. Yan, Z.; Zhang, K.; Sun, Z.; Wang, Z.; Yang, G. Experimental observation of the vortex flow and particle motion in a cyclonic classifier. Powder Technol. 2024, 444, 120083. [Google Scholar] [CrossRef]
  18. Levchenko, D.; Meleychuk, S.; Arseniev, V. Regime characteristics of vacuum unit with a vortex ejector stage with different geometry of its flow path. Procedia Eng. 2012, 39, 28–34. [Google Scholar] [CrossRef][Green Version]
  19. Zhumadullayev, D.K.; Torskiy, A.O.; Volnenko, A.A.; Abzhapbarov, A.A.; Korganbayev, B.N. Calculation of hydrodynamic characteristics of a cyclonic-vortex apparatus. Int. J. Emerg. Trends Eng. Res. 2020, 8, 6091–6097. [Google Scholar] [CrossRef]
  20. Yao, C.; Zhao, Y.; Ma, H.; Liu, Y.; Zhao, Q.; Chen, G. Two-phase flow and mass transfer in microchannels: A review from local mechanism to global models. Chem. Eng. Sci. 2021, 229, 116017. [Google Scholar] [CrossRef]
  21. Sklabinskyi, V.; Pavlenko, I. Intensification of mass transfer processes through the impact of the velocity gradient on hydrodynamics and stability of liquid droplets in a gas flow. Chem. Eng. Sci. 2021, 235, 116470. [Google Scholar] [CrossRef]
  22. Golinko, I.; Galytska, I. Mathematical modeling of dynamic heat-mass exchange processes for a spray-type humidifier. In Advances in Computer Science for Engineering and Education III, Proceedings of the ICCSEEA 2020, Kyiv, Ukraine, 21–22 January 2020; Hu, Z., Petoukhov, S., Dychka, I., He, M., Eds.; Advances in Intelligent Systems and Computing; Springer: Cham, Switzerland, 2021; Volume 1247, pp. 63–74. [Google Scholar] [CrossRef]
  23. Cui, H.; Ye, B.; Wang, L.; Li, N.; Xing, D. Reconciling thermal performance and power-saving performance of counterflow spray heating towers. Energy Rep. 2021, 7, 1529–1538. [Google Scholar] [CrossRef]
  24. Fu, B.; Zhang, R.; Xiao, R.; Cui, L.; Liu, J.; Zhu, X.; Hao, D. Simulation of interfacial mass transfer process accompanied by rayleigh convection in NaCl solution. Int. J. Greenh. Gas Control 2021, 106, 103281. [Google Scholar] [CrossRef]
  25. Van Kampen, R.J.R.; Das, A.; Weiland, S.; Van Berkel, M. A closed-form solution to estimate spatially varying parameters in heat and mass transport. IEEE Control Syst. Lett. 2021, 5, 1681–1686. [Google Scholar] [CrossRef]
Figure 1. Flows in a vortex apparatus with a counterflow of phases in the contact area: (a) design scheme of the vortex camera; (b) general view of the vortex apparatus without the top cover; (c) velocity components; (d) the effect of the gas flow on a droplet; v, w—velocities of gas and droplet, respectively; ω—angular velocity, rad/s; r, φ—radial and angular directions of the local coordinate system, respectively.
Figure 1. Flows in a vortex apparatus with a counterflow of phases in the contact area: (a) design scheme of the vortex camera; (b) general view of the vortex apparatus without the top cover; (c) velocity components; (d) the effect of the gas flow on a droplet; v, w—velocities of gas and droplet, respectively; ω—angular velocity, rad/s; r, φ—radial and angular directions of the local coordinate system, respectively.
Energies 18 00984 g001
Figure 2. A design scheme of the studied counterflow mass transfer apparatus: 1—mass transfer chamber; 2—gas outlet; 3—tangential slots; 4—container for gas removal; 5—gas outlet pipe; 6—gas supply pipe; 7—gas supply chamber; 8—nozzle for liquid supply to the atomizer; 9—atomizer; 10—fluid drainage slots; 11—container for collecting liquid; 12—nozzle for draining liquid.
Figure 2. A design scheme of the studied counterflow mass transfer apparatus: 1—mass transfer chamber; 2—gas outlet; 3—tangential slots; 4—container for gas removal; 5—gas outlet pipe; 6—gas supply pipe; 7—gas supply chamber; 8—nozzle for liquid supply to the atomizer; 9—atomizer; 10—fluid drainage slots; 11—container for collecting liquid; 12—nozzle for draining liquid.
Energies 18 00984 g002
Figure 3. The design scheme of the experimental stand: 1—bottom; 2—lower vortex apparatus; 3—upper vortex apparatus; 4—condenser; 5—rotameters; 6—differential pressure gauges; 7—rotameter to control reflux flow into the bottom; 8—valve for dumping reflux into the bottom; 9—valve for supplying reflux to the lower vortex apparatus; 10—valve for removing reflux from the lower vortex apparatus; 11—vapor sampling refrigerators; 12—refrigerators for sampling the liquid phase.
Figure 3. The design scheme of the experimental stand: 1—bottom; 2—lower vortex apparatus; 3—upper vortex apparatus; 4—condenser; 5—rotameters; 6—differential pressure gauges; 7—rotameter to control reflux flow into the bottom; 8—valve for dumping reflux into the bottom; 9—valve for supplying reflux to the lower vortex apparatus; 10—valve for removing reflux from the lower vortex apparatus; 11—vapor sampling refrigerators; 12—refrigerators for sampling the liquid phase.
Energies 18 00984 g003
Figure 4. Experimental points and theoretical line for the dependence of the number of theoretical concentration stages on steam consumption.
Figure 4. Experimental points and theoretical line for the dependence of the number of theoretical concentration stages on steam consumption.
Energies 18 00984 g004
Table 1. The efficiency of the vortex counterflow mass transfer apparatus.
Table 1. The efficiency of the vortex counterflow mass transfer apparatus.
Flow
Rate,
m3/s
Concentration
in Liquid, %
Concentration
in Steam, %
Temperature,
°C
Resistance,
kPa
Stages
Num.
Reflux
Ratio
x1x2y1y2T1T2T3
0.04489.680.179.592.05869832.452
94.482.281.593.3617083
96.582.882.896.5617084
0.08996.759.557.094.44872742.944
97.059.057.596.7527279
98.559.059.098.5597283
0.14495.462.859.593.55374773.925
96.559.059.596.1597380
98.758.058.098.7607381
0.21190.078.485.686.55574814.8560.85
90.776.186.088.0557382
91.075.486.591.0597482
0.23689.685.486.396.54972785.498
99.585.685.098.5537281
99.786.685.699.7537280
Note: x, y—concentrations in liquid and gas (steam) phases, respectively; T—temperature, °C; lower indexes “1” and “2” correspond to the inlet and the outlet of the apparatus, respectively (Figure 3).
Table 2. Comparative characteristics of different contact elements.
Table 2. Comparative characteristics of different contact elements.
No.Contact ElementSpecific Cost, USD/kgHydraulic Loss, kPa
1Plate with bubble caps2.21.50
2S-type plate1.51.45
3Direct-flow valve plate1.80.77
4Sieve plate with shock elements1.50.50
5Vortex counterflow apparatus1.10.70
Table 3. Comparative characteristics of different apparatuses.
Table 3. Comparative characteristics of different apparatuses.
No.Apparatus TypeSpecific Productivity, m3/(m3·s)
1Column with bubble caps plate2.4
2Column parallel flat plates7.7–8.0
3Column with valve plates2.6
4Column with sieve plates1.7–3.3
5Vortex counterflow apparatus11.7
Disclaimer/Publisher’s Note: The statements, opinions and data contained in all publications are solely those of the individual author(s) and contributor(s) and not of MDPI and/or the editor(s). MDPI and/or the editor(s) disclaim responsibility for any injury to people or property resulting from any ideas, methods, instructions or products referred to in the content.

Share and Cite

MDPI and ACS Style

Sklabinskyi, V.; Pavlenko, I.; Skydanenko, M.; Włodarczak, S.; Krupińska, A.; Ochowiak, M.; Kruszelnicka, I. Improvement of Mass Transfer Characteristics for the Gas-Liquid System in a Vortex Counterflow Apparatus. Energies 2025, 18, 984. https://doi.org/10.3390/en18040984

AMA Style

Sklabinskyi V, Pavlenko I, Skydanenko M, Włodarczak S, Krupińska A, Ochowiak M, Kruszelnicka I. Improvement of Mass Transfer Characteristics for the Gas-Liquid System in a Vortex Counterflow Apparatus. Energies. 2025; 18(4):984. https://doi.org/10.3390/en18040984

Chicago/Turabian Style

Sklabinskyi, Vsevolod, Ivan Pavlenko, Maksym Skydanenko, Sylwia Włodarczak, Andżelika Krupińska, Marek Ochowiak, and Izabela Kruszelnicka. 2025. "Improvement of Mass Transfer Characteristics for the Gas-Liquid System in a Vortex Counterflow Apparatus" Energies 18, no. 4: 984. https://doi.org/10.3390/en18040984

APA Style

Sklabinskyi, V., Pavlenko, I., Skydanenko, M., Włodarczak, S., Krupińska, A., Ochowiak, M., & Kruszelnicka, I. (2025). Improvement of Mass Transfer Characteristics for the Gas-Liquid System in a Vortex Counterflow Apparatus. Energies, 18(4), 984. https://doi.org/10.3390/en18040984

Note that from the first issue of 2016, this journal uses article numbers instead of page numbers. See further details here.

Article Metrics

Back to TopTop