Analysis of the Layout of Passive Safety Systems When the Spent Fuel Pool Is Built in the Containment
Abstract
1. Introduction
2. Materials and Methods
2.1. Research Approach
2.2. Functional Decomposition
3. Results
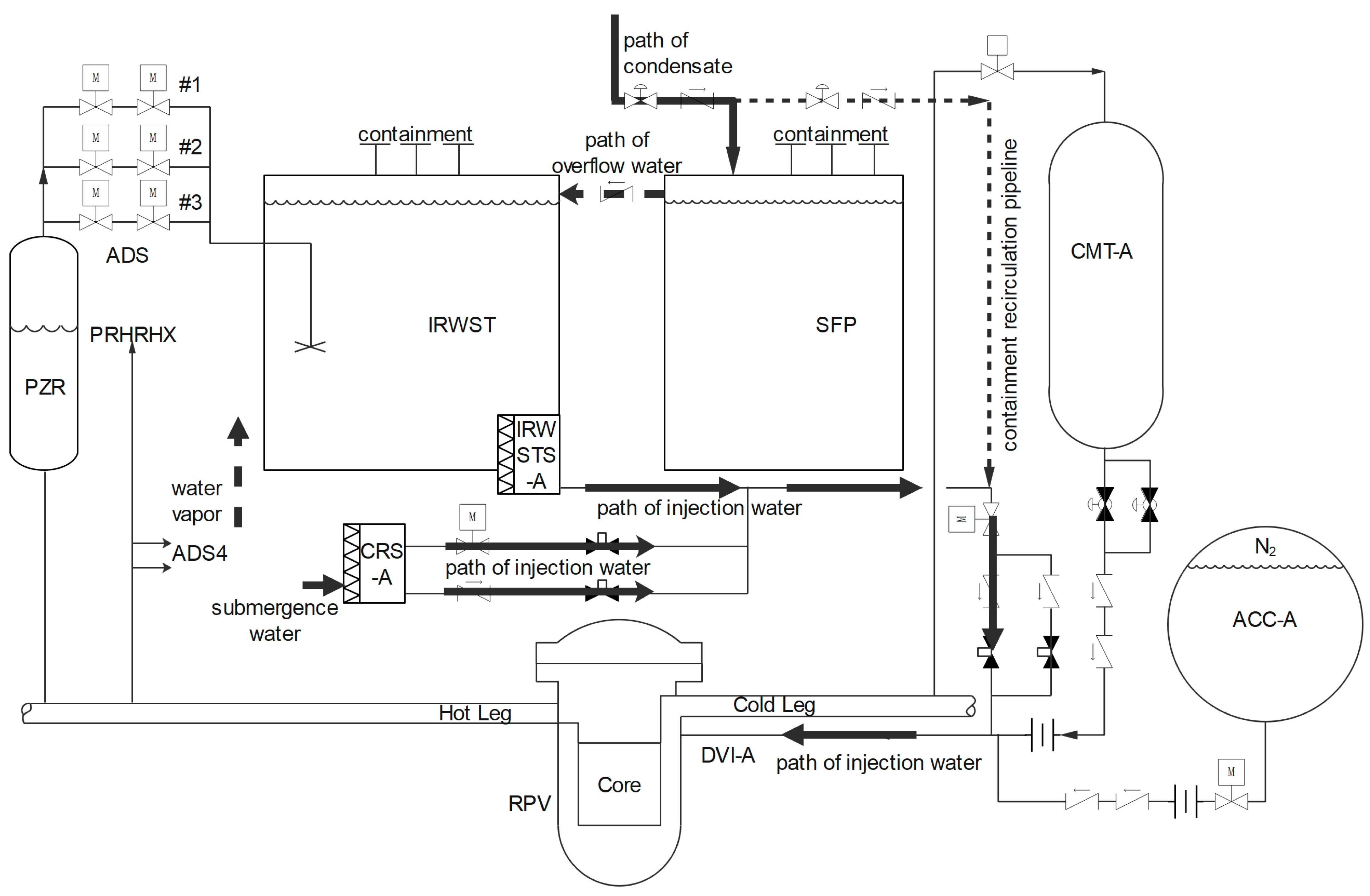
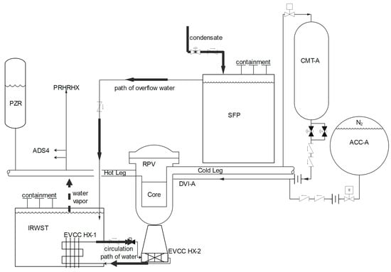
3.1. Design of the PSS
3.2. Layout Requirements of Items Inside Containment
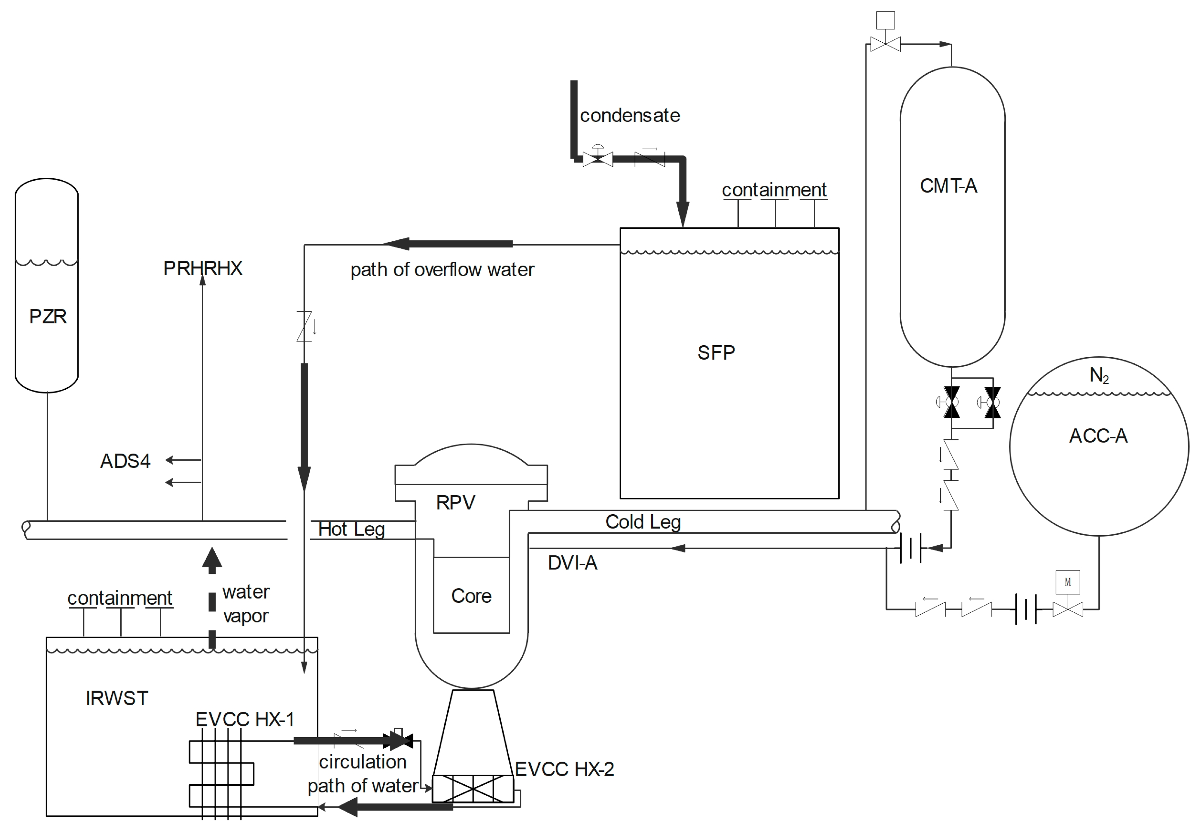
3.3. Main Structural Layout Schemes for PSS, SFP, ISP, and RCS
3.4. Layout of the IRWST
4. Discussion
4.1. Layout of the Items and Structure Inside Containment
4.2. Some Thoughts on PCS
5. Conclusions
- (a)
- The SFPBC might not change the equipment configuration of PSS. In the long-term water vapor natural circulation process, the spent fuel and fuel assembled in the core need to be reliably submerged. Therefore, it is advisable to design a reasonable water makeup sequence based on the layout of the SFP and core after the condensate back-flow water has been collected. Supporting pipelines and valves are also necessary.
- (b)
- The area ratio (A1/A2) of IRWST (A1) and the submergence area (A2) can be used as a criterion. When the ratio is greater than or equal to 0.7, it is possible to realize the layout of PFCS, such as with IVR, AP1000, and M310. If the ratio is less than or equal to 0.5, it is almost impossible to realize the layout of PFCS, such as with EPR and VVER.
- (c)
- After the SFP has been built in, small reactors can export the heat inside containment, like ISR. Large reactors cannot only rely on the PCS to ensure their containment cooling, such as in M310 and AP1000.
Author Contributions
Funding
Data Availability Statement
Conflicts of Interest
References
- United States Nuclear Regulatory Commission. 10CFR Parts 50 and 52 Consideration of Aircraft Impacts for Nuclear Power Reactors, Final Rule; NRC: Washington, DC, USA, 2009.
- United States Nuclear Regulatory Commission. RG 1.217 Guidance for the Assessment of Beyond-Design-Basis Aircraft Impacts; NRC: Washington, DC, USA, 2011.
- Nuclear Energy Institute. Methodology for Performing Aircraft Impact Assessments for New Plant Designs; NEI: Washington, DC, USA, 2011. [Google Scholar]
- Nuclear Regulatory Commission. Aircraft Hazards. In Standard Review Plan for the Review of safety Analysis for Nuclear Power Plants, LWR ed.; Design of Structure, Components, Equipment, and Systems (NUREG, Chapter 3); NRC: Washington, DC, USA, 2010. [Google Scholar]
- International Atomic Energy Agency Safety Report Series. Safety Assessment of NPP Structures Against Human Induced External Events, Rev1 Draft; IAEA: Vienna, Austria, 2012. [Google Scholar]
- National Nuclear Safety Administration. HAF102, Safety Regulations for Nuclear Power Plant Design; National Nuclear Safety Administration: Beijing, China, 2016.
- National Nuclear Safety Administration. HAD101-04, External Human Events in the Selection of Nuclear Power Plant Sites; National Nuclear Safety Administration: Beijing, China, 1989.
- National Nuclear Safety Administration. HAD102-05, External Human Events Related to Nuclear Power Plant Design; National Nuclear Safety Administration: Beijing, China, 1989.
- The National Diet of Japan. The Official Report of the Fukushima Nuclear Accident Independent Investigation Commission; The National Diet of Japan: Tokyo, Japan, 2012.
- Chai, G.; Yang, Z.; Xiao, J.; Wang, Y.; Ding, C.; Chong, Y. Nuclear Safety Improvement Actions and Safety Requirements in Post—Fukushima Era. At. Energy Sci. Technol. 2022, 3, 399–409. [Google Scholar]
- National Nuclear Safety Administration. The General Technical Requirements for Improvement Actions of Nuclear Power Plant After the Fukushima Nuclear Accident (Trial); National Nuclear Safety Administration: Tokyo, Japan, 2012.
- Wang, D. Analysis of the Impact of the latest Regulatory Requirements after the Fukushima Nuclear Accident on the AP1000 Nuclear Power Plant. Theor. Res. Urban Constr. 2018, 10–11. [Google Scholar]
- Shen, J. Improvement Analysis of enhancing makeup capability to the spent fuel pool after fukushima accident. In Progress Report on China Nuclear Science & Technology (Vol.4); IAEA: Vienna, Austria, 2015; Volume 9, pp. 15–19. [Google Scholar]
- Zhou, Z.; Zhou, Y.; Zhang, W.; Li, D.; He, X.; Weng, W.; Wang, L. Analysis and Study on the Development of Engineered Safety System in NPP after Fukushima Nuclear Accident. Nucl. Sci. Eng. 2021, 8, 798–802. [Google Scholar]
- Jiao, F.; Zhao, D.; Che, S.; Zheng, L.; Sun, G. Experience Feedback of Fukushima Nuclear Accident to Improve the Reliability of Spent Fuel Pool Instrument. Nucl. Saf. 2015, 12, 17–23. [Google Scholar]
- Zhao, D.; Li, J.; Li, M.; Liu, Y.; Cui, H. USA NPPs Mitigation Solutions for Accident of SFP after 9·11 Event and Fukushima Nuclear Accident. Nucl. Saf. 2018, 2, 44–51. [Google Scholar]
- Oettingen, M.; Kim, J. Detection of Numerical Power Shift Anomalies in Burnup Modeling of a PWR Reactor. Energies 2023, 15, 3373. [Google Scholar] [CrossRef]
- Oettingen, M.; Kim, J. Monte Carlo Modeling of Isotopic Changes of Actinides in Nuclear Fuel of APR1400 Pressurized Water Reactor. Energies 2024, 17, 4864. [Google Scholar] [CrossRef]
- Lin, B.; Yu, J. Research on a waste heat extraction system for spent fuel pool. Chem. Eng. Equip. 2017, 152–156. [Google Scholar]
- Zhao, G. Simulation Study of In-Vessel Retention of Melting Material for PWR. Doctoral Dissertation, Harbin Engineering University, Harbin, China, 2014. [Google Scholar]
- Zhao, G.; Cao, X.; Shi, X. Study on Capability of Two-phase Natural Circulation Flow Under ERVC Condition Based on RELAP5. At. Energy Sci. Technol. 2013, 47, 1133–1140. [Google Scholar]
- Jin, D. Numerical Study on External Reactor Vessel Natural Circulation Cooling for a Large-Size Advanced PWR. Doctoral Dissertation, Shanghai Jiao Tong University, Shanghai, China, 2013. [Google Scholar]
- Wu, L. Study on Injection Cooling During Severe Accidents for the Pressurized Water Reactor Nuclear Power Plant. Doctoral Dissertation, Shanghai Jiao Tong University, Shanghai, China, 2008. [Google Scholar]
- Li, L.; Zang, X. The Research on Molten Corium Coolabity Measures for the PWR Severe Accident. Nucl. Saf. 2007, 39–44. [Google Scholar]
- Shi, W. Design on In-Vessel Retention of Core Debris using AP1000 Unit. Ind. Technol. Innov. 2017, 72–74. [Google Scholar]
- Sun, G.; Liu, Y. Comparing and Analysis of 3 types of Spent Fuel Pool Cooling System for Nuclear Power Plants. Shandong Ind. Technol. 2016, 163–164. [Google Scholar]
- Lin, C.; Yu, Z. Passive Safety Advanced Nuclear Power Plants AP1000; Atomic Energy Science and Technology: Beijing, China, 2008. [Google Scholar]
- Zheng, M.; Yan, J. Large Advanced Passive Pressurized Water Reactor—CAP1400; Shanghai Jiao Tong University Press: Shanghai, China, 2018. [Google Scholar]
- Zhang, M.; Ge, Y.; Zhang, S.; Liu, W. Research for Spent Fuel Pool Self-Safe Cooling Technology after Serious Accident. Nucl. Power Eng. 2022, 10, 181–187. [Google Scholar]
- Yan, C. Control logic analysis of AP1000 reactor replenishment control system. Sci. Technol. Vis. 2018, 117–118. [Google Scholar]
- Su, X. Post-accident Cooling Capacity Analysis of the AP1000 Passive Spent Fuel Pool Cooling System. Nucl. Power Technol. 2012, 6, 124–128. [Google Scholar]
- Liang, X.; Xia, T.; Chu, Y.; Liu, Z. Safety Analysis of Spent Fuel Storage of AP1000 Nuclear Power Plant. Nucl. Saf. 2015, 14, 90–94. [Google Scholar]
- Wu, X. Knowledge Operators Should Know of Nuclear Power Plant VVER-1000; Atomic Energy Science and Technology: Beijing, China, 2013. [Google Scholar]
- Gu, Z.; Wang, Z.; Jia, X.; Liu, W.; Xue, J.; Wu, Q.; Wang, W.; Bei, C.; Li, X. Research on Spent Fuel Pool Integration in Passive Small Nuclear Plants. Res. Des. Nucl. Eng. 2017, 13–17. [Google Scholar]
- American Nuclear Society Standards Committee Working Group ANS 57.2. Design Requirements for Light Water Reactor Spent Fuel Storage Facilities at Nuclear Power Plant; ANSI: Northbrook, IL, USA, 1983. [Google Scholar]
- Commission of Science, Technology and Industry for National Defence. Design Criteria for Pressurized Water Reactor Spent Fuel Storage Facilities at Nuclear Power Plant, Commission of Science; Technology and Industry for National Defence: Beijing, China, 2006.
- Xu, P.; Zhang, Z.; Zhang, J. The Study on AP1000 Spent Fuel Storage Facility. Nucl. Sci. Eng. 2018, 38, 718–723. [Google Scholar]
- Ma, J.; Liu, J. Study on Away-from-Reactor Storage of Spent Fuel from Tianwan Nuclear Power Plant. Sci. Technol. Ind. 2014, 14, 147–153. [Google Scholar]
- Su, L. Devices & Systems of 900 MW PWR; Atomic Energy Science and Technology: Beijing, China, 2005. [Google Scholar]
- Cui, H.; Wang, M.; Wang, Y.; Zhou, J.; Huang, D.; Yang, M. Design Optimization for the HPR1000 Reactor and the Primary Circuit System. China Nucl. Power 2021, 2, 157–167. [Google Scholar]








| Projects | Items | Layout Requirements | |
|---|---|---|---|
| Number | |||
| 1 | DVI Pipeline | It should be arranged near the bottom of the heat pipe section. | |
| 2 | CMT | It should be arranged higher than the DVI pipeline. | |
| 3 | ACC | It should be arranged outside the secondary shielding wall for easy maintenance and inspection. | |
| 4 | IRWST | Its bottom should be arranged above the RCS loop, so that boron water can be injected into RCS via gravity after hypothetical accidents. And it needs to provide a large amount of water to submerge the reactor cavity, which requires a large amount of layout space. | |
| 5 | pH-AB | It should be arranged in a post-accident recirculation position, so that the chemicals can be mixed well with water. | |
| 6 | PRHRHX | It should be arranged inside the IRWST. Its top should be located at a certain distance below the water surface in the IRWST. | |
| 7 | CRS | It should be arranged below the SL inside containment. | |
| 8 | IRWSTS | It should be arranged at the bottom of the IRWST to ensure that the system can operate passively under natural forces, such as gravity and density difference. | |
| 9 | LPDOCV | It should mainly be laid out on the gravity injection pipeline flow paths of the IRWST and the SFP and containment recirculation pipelines. | |
| Types | ISR | AP1000 | VVER | EPR | M310 | |
|---|---|---|---|---|---|---|
| Projects | ||||||
| RPVD/mm | — | 3987.8 | — | 4885 | ~3989 | |
| CID/m | ~35 | 39.624 | 44 | 46.8 | ~37 | |
| SFPBC | Yes | No | Yes | No | No | |
| MC | Stainless Steel | Stainless Steel | Reinforced Concrete | Reinforced Concrete | Reinforced Concrete | |
| CSSD | PSS | PSS | ASS | ASS | ASS | |
| TVR | IVR | IVR | EVR | EVR | — | |
| RCS Loops | 1 | 2 | 4 | 4 | 3 | |
| MISP/m | — | 9 × 5 | — | 10 × 6 | 9 × 5 | |
| OF/box | 57 | 157 | 163 | 241 | 157 | |
| QE/box | 19 | 64 | 48 | 68 | 60 ① | |
| MSFP/m | — | 13.4 × 7.3 | — | 7.7 × 7.2 | 9.7 × 5.5 | |
| SCSFP ②/box | — | 719 | 705 | 921 | 302 | |
| Regulatory Compliance | 1OF + 10QE | 1OF + 8QE | 1OF + 11QE | 1OF + 10QE | 1OF + 2QE | |
| Types | ISR | AP1000 | VVER | EPR | M310 | |
|---|---|---|---|---|---|---|
| Projects | ||||||
| A1/m3 | ~143 | ~241 | ~92 | ~233/~170 ① | ~156 | |
| A2/m3 | ~132 | ~178 | ~546 | ~492 | ~225 | |
| A1/A2 | ~1.083 | ~1.354 | ~0.168 | ~0.474/~0.346 | ~0.693 | |
| ∆H1/m | 12.7 | ~9.9 | ~10 | ~11 | ~10.7 | |
| ∆H2/m | 10.5 | ~7.8 | ~78.9 | ~24.4/~33.5 | ~16.2 | |
| ∆H3/m | ~11.1 | ~10.5 | ~13 | ~11.2 | ~11.2 | |
| V1/m3 | ~60 | ~200 | ~240 | ~240 | ~190 | |
| V2 + V3/m3 | ~60 | ~238 | ~240 | ~260 | ~220 | |
| V0 and V/104 m3 | ~2 | ~5.83 | ~7.5 | ~8 | ~4.94 | |
| α | ~0.343 | 1 | ~1.286 | ~1.372 | ~0.847 | |
| V4 + V5/m3 | ~171 | ~500 | ~643 | ~686 | ~423 | |
Disclaimer/Publisher’s Note: The statements, opinions and data contained in all publications are solely those of the individual author(s) and contributor(s) and not of MDPI and/or the editor(s). MDPI and/or the editor(s) disclaim responsibility for any injury to people or property resulting from any ideas, methods, instructions or products referred to in the content. |
© 2025 by the authors. Licensee MDPI, Basel, Switzerland. This article is an open access article distributed under the terms and conditions of the Creative Commons Attribution (CC BY) license (https://creativecommons.org/licenses/by/4.0/).
Share and Cite
Gu, Z.; Jia, X.; Su, J. Analysis of the Layout of Passive Safety Systems When the Spent Fuel Pool Is Built in the Containment. Energies 2025, 18, 906. https://doi.org/10.3390/en18040906
Gu Z, Jia X, Su J. Analysis of the Layout of Passive Safety Systems When the Spent Fuel Pool Is Built in the Containment. Energies. 2025; 18(4):906. https://doi.org/10.3390/en18040906
Chicago/Turabian StyleGu, Zhenjie, Xiaopan Jia, and Jincheng Su. 2025. "Analysis of the Layout of Passive Safety Systems When the Spent Fuel Pool Is Built in the Containment" Energies 18, no. 4: 906. https://doi.org/10.3390/en18040906
APA StyleGu, Z., Jia, X., & Su, J. (2025). Analysis of the Layout of Passive Safety Systems When the Spent Fuel Pool Is Built in the Containment. Energies, 18(4), 906. https://doi.org/10.3390/en18040906
