Abstract
Transmission flexibility is a key component of current power systems and demands a reconfiguration of alternatives to expand transmission infrastructure. This paper addresses the use of a Battery Energy Storage System (BESS) as an asset of the transmission system that provides increased transmission capacity. Furthermore, the BESS also supports operational procedures of the transmission system in the course of the re-establishment of normal operation during transients, which helps maintain the power quality requirements. A case study is presented to assess the additional capabilities that an operational 30 MW/60 MWh BESS primarily used to provide congestion relief in the state of São Paulo, Brazil, could provide to the power system. Based on a 5-year horizon transmission and generation expansion plans by local governing bodies, a set of four alternative applications for this BESS was proposed and studied, as follows: (1) increased operational flexibility under contingencies and maintenance, (2) islanded operation for increased reliability, (3) grid support during system restoration, and (4) increased hosting capacity for variable renewables. The results show that the BESS improves performance and power quality indexes while aiding the operation during contingencies.
1. Introduction
Transmission flexibility (the ability of the power system to maintain stable operation by using its resources to match generation and demand) is being regarded as a key component to allow the increased deployment of variable renewable energy (VRE) system, crucial to the decarbonization of the power sector, into the power grid. In scenarios of increased penetration of VRE systems, the capacity to match demand and generation becomes more challenging since new variables and risks are added to the mix. Traditionally, system expansion planning has dealt with system flexibility by using a limited set of solutions, such as the construction of transmission lines. However, this new operational scenario of increased uncertainty has fomented the inclusion of alternatives for system expansion planning.
Recently, studies on storage integration to the power grid have gained importance to provide a reliable representation under various situations of interest and assist stakeholders in the decision-making processes for both operation and investment. Battery Energy Storage Systems (BESS) may significantly enhance the flexibility and resilience of modern energy grids, surpassing the mere function of storing energy for later consumption and offering a complementary set of benefits that can address many of the limitations associated with traditional transmission infrastructure in a scenario of increased penetration of VRE. Moreover, the cost and energy density of BESS has been steadily decreasing due to technological advancements and economies of scale. As costs continue to decline, BESS is expected to become a more prominent and cost-effective solution in energy management. Projections from NREL estimate a 16–49% cost reduction by 2030 compared to 2022 [1].
In this context, it is necessary to consider the particularities that these elements possess so that they can be regarded as an alternative for a given need within a specific power system. The analytical methods and best practices traditionally used to assess the adequacy of elements connected to power systems may not necessarily apply to devices that lack inertia, which more easily may trigger chain reactions, jeopardizing grid stability and affecting other connected elements. Currently, Brazil has a robust power generation system with a high number of synchronous generators, primarily due to the large hydroelectric power plants, which contribute to the high inertia. However, with the large-scale integration of renewable energy sources, especially wind and more recently solar photovoltaic, the planning for the transmission expansion already anticipates a significant reduction in the inertia of the National Interconnected System. The System Operator expects a 33% loss of inertia until 2030 [2], which highlights the importance of assessing the behavior of Inverter-based Resources (IBRs) in different modes of operation and the necessity of improved flexibility of the power system.
This paper presents the evaluation of the integration of energy storage as a transmission asset (SATA) by a transmission system operator in Brazil and the stacking of services that the storage could provide in addition to its main objective of congestion relief. The next sections are organized as follows: Section 2 provides a discussion of SATA; Section 3 presents the system installed in the city of Registro, SP, Brazil; and Section 4 and Section 5 present the simulated cases and the results, respectively. Finally, Section 6 presents the conclusions and main takeaways.
2. Literature Overview of Storage for Transmission Support
A BESS has several advantages compared to traditional network expansion measures, such as the following:
- Deployment time is on the order of months rather than years, which introduces a certain degree of robustness due to the increased response speed to changes.
- Easy installation, being relatively independent of terrain characteristics, and even representing an alternative when other storage technologies, such as pumped hydro, are not convenient due to the lack of appropriate site conditions.
- Fewer uncertainties, making the associated costs less sensitive to project specifics for the same power and energy storage capacity.
- Greater modularity, allowing for more flexibility in meeting needs and adjusting power and storage capacity if necessary.
- The effects can propagate along the network avoiding congestion in several transmission lines due to the ability to displace energy in time, such as the case studied in [3], and also the case to be presented in this work in the city of Registro, Brazil.
Despite the mentioned benefits, transmission adequacy has been traditionally achieved through investments in transmission lines and usually does not consider SATA [4]. As stated by [5], currently, the main services considered for BESS are power support, frequency regulation, and voltage support. However, as pointed out by [4], conditions such as environmental concerns and an increased need for flexibility may shift the market from traditional wire solutions, and congestion relief is already being regarded as a new form of ancillary service. A review of grid-enhancing technologies to address the necessities of transmission expansion with non-wire solutions can be found in [6].
When analyzing the main drivers for energy storage in transmission systems, it is clear that its application is closely related to the deployment of VRE (e.g., reducing curtailment due to line congestion or lack of demand), particularly wind generation. Many papers cite the issues of transmitting electricity from wind parks, and in [7] it is stated that wind plants stand to gain significantly more with transmission expansion than solar plants, which is to be expected due to the characteristics of the primary resources involved. Wind is more site-specific than solar and usually sites with good potential are distant from the transmission grid. Solar, on the other hand, has a more homogenous primary resource, which allows a greater potential to “follow” the grid.
As more VRE is introduced, available flexibility will have significant impacts on the needs of the power system. This is because it is not simply about replacing the same volume of conventional generation with wind and solar plants; many conventional generators may only reduce their output but remain online in the case of widespread adoption of variable renewable generation. If large amounts of wind/solar energy are expected, then conventional baseload units (with high investment costs and low operating costs) may become economically unviable due to limited operating hours and may need to be replaced by plants with lower investment costs but higher operating costs and more flexible generation. In this scenario, BESS may replace peak plants, which are used to provide reliability and ancillary services to the system [8]. Even when considering greenhouse gas emissions, the substitution is not straightforward and aspects such as the generation matrix of a particular site and the specifics of the regulatory environment should be considered. For instance, Virasjoki et al. [9] investigated the economic and environmental benefits of adding storage, along with the integration of renewable energy, and warn that it may increase greenhouse gas emissions from conventional power plants, mainly due to incentives that may arise from the interaction of the market environment and the generation mix. This also draws attention to the fact that the relationship between storage and lower emissions may not be as simple as it may seem.
A great number of studies deal with the topic of BESS integration from an optimization point of view; the theme is often regarded as a sizing and siting problem, usually on IEEE reliability test systems (IEEE-RTS), such as the studies presented in [10,11,12,13]. Although the evaluation of reliability test systems is important to provide insights into different situations, integration studies possess many particularities that are better assessed in a case-by-case manner. In this regard, few papers presented real grids or study cases with real-world data, which highlights the importance of assessing the performance of pilot projects to provide operational insights; some examples of studies that present such characteristics are [14,15,16,17]. In [18], a study of the Southeast Europe interconnected transmission system is considered in a congestion management market framework seeking to alleviate transmission congestion by a bid selection algorithm that considers predefined line flow reductions and operating constraints of the transmission network. Zhao et al. [19] analyze the introduction of BESS in the Pennsylvania–New Jersey–Maryland (PJM—USA) market using both stationary and transportable BESS.
In such studies, the storage is usually not considered specifically for congestion relief but rather to suit a set of services. Service stacking is a recurring theme to increase the profitability of the storage asset. Reasons for the consideration of a storage agent rather than a SATA may have to do with the ease of implementation in a competitive market, and also the fact that BESS may find other revenue streams, which could increase its profitability unlike a traditional transmission infrastructure, like a transmission line. This influences the sizing of the BESS, which involves determining the energy storage capacity, the power delivery capability curve, and the system response time, which are strongly influenced by the specific needs the BESS aims to address. The authors of [20,21,22] deal with congestion relief but also consider the stacking of services to increase storage profitability. In this scenario, congestion relief seems to be regarded more as a new ancillary service, as mentioned before, which can be sold along with other services and would better fit the needs of a storage agent, as presented in the analysis of Khani et al. [23], which used the ESS for both arbitrage and congestion relief. In [24], the optimal sizing of BESS operating as a transmission alternative is investigated, not considering the storage as an asset belonging to the transmission, only providing services to it. Tarashandeh & Karimi [25] suggest an incentive-based approach to remunerate ESS owners in an expansion planning problem in which ESS is considered a tool to prevent congestion relief. In Khastieva et al. [26], the transmission investments by private parties are remunerated by a congestion rent and incentive fee in agreement with the regulator. Therefore, storage is seen to be an element that can help the transmission, usually by avoiding congestion or providing energy quality services, but not a tool of the transmission itself. An exception is presented by Nanou & Psarros [27], who analyze the case of virtual power lines consisting of two BESS as a transmission-only asset at both ends of a transmission corridor.
This does not mean, however, that storage may not find niche applications as an asset of the transmission. Third parties are profit-maximizing agents and the lack of revenue may prevent investments that would be necessary to relieve transmission congestion, as mentioned before, and a BESS is easier to implement than transmission lines and may provide better economic performance as the length of the lines increases [28]. The market-based approach alone (paying storage on demand instead of long-term contracts able to remunerate through availability) may fail to grasp the benefits that storage could bring to transmission operators. Taylor [29] provides a discussion on how to remunerate storage as a transmission asset and other studies propose hybrid forms of remuneration; for example, Arteaga [30] performs an analysis of a storage agent that would be remunerated both for services provided as well as for long-term contracts with network operators to prevent transmission congestion.
Energy storage operating as a transmission asset may provide services to the transmission other than congestion relief in normal operation, which is less mentioned in the literature. It may help curative measures to avoid load shedding or generation curtailment post contingency and also the reestablishment of the grid after faults. Lindner et al. [31] investigate the introduction of virtual power lines and grid boosters in the German transmission grid and provide insights into the curative measures that storage may provide to the grid. Liere-Netheler et al. [32] investigate the provision of such services in an IEEE-RTS and in a real distribution grid applied to post-contingency congestion management to avoid renewable energy curtailment. Prajapati et al. [33] quantify the contribution of the storage system to the reliability and congestion relief of the grid and introduce a series of metrics to establish the quantification.
Another point to be highlighted is the lack of a regulatory approach to the deployment of storage, which may differ greatly from country to country. In Brazil, for instance, the Ministry of Mines and Energy manifested concerns about the participation of BESS in the capacity auction of 2024 due to the lack of normative support [34]. To tackle this issue, BESS may be regarded as a separate product, which will not compete with traditional solutions. This approach addresses the need to evaluate different applications of Battery Energy Storage Systems (BESS) in commercial operation in the country with the operation of real systems, as an alternative technology, assessing its ability to provide services to the power grid competitively and sustainably. Moreover, monitoring the operation of implemented BESS projects could provide essential insights for establishing the regulatory mechanisms for further alternatives to grid expansion.
3. Case Study Description: The 30 MW/60 MWh BESS in Registro, Brazil
In the 1990s, following a trend of market liberalization, the regulatory environment of electricity supply changed to a model in which the generation, transmission, and distribution of energy were disaggregated. In this environment, the commercialization of energy should be carried out separately from the access to the transmission system, as stated by law 9648/1998 [35]. Moreover, the entities that produce or consume energy have free access to the transmission infrastructure, according to law 9074/1995 [36], and the transmission operator has no control over where the energy generators are located or from which generator the utilities purchase their energy. The transmission operator has to make the investments required to guarantee the supply of energy within the specified quality characteristics for which it will be remunerated through fixed amounts specified in the contract. Since the transmission cannot commercialize energy and also since energy has a time-variant value, especially in an environment of increased penetration of variable renewable energy, this creates a hurdle of how to operate energy storage as a transmission asset that could otherwise provide benefits to the deployment of desired technologies with reduced emissions.
In 2023, the Electric Energy National Agency (ANEEL—Agência Nacional de Energia Elétrica) published a Regulatory Impact Analysis report, which states that there are regulatory failures that prevent the adoption of new storage solutions in the context of energy transition [37]. The document reports uncertainties related to difficulties regarding the access of the transmission system, institutional coordination among several governmental stakeholders, business model, and lack of standard computational modeling considering electricity storage systems. The permission granted to the transmission operator for the installation of SATA is part of the efforts of the regulator to understand the particularities of the business models and the technical and regulatory impacts that may arise.
In this context, a 30 MW/60 MWh BESS was installed in a substation of the transmission operator in the city of Registro, Brazil. The main purpose of the BESS was to act as infrastructure reinforcement, particularly during the holiday season of December. This system would substitute the standard solution for the lack of power transmission capacity, namely to reinforce or to build a new transmission line, which in this case could not be carried out due to an environmental preservation area in the path of the new transmission line. Building the line around the environmental preservation area would increase its length, and hence its cost, greatly. Figure 1 presents the BESS installed in the substation, with details of its subsystems and racks. The installation of the BESS in Registro-SP was allowed on an exceptional basis by ANEEL in the Authorization Resolution RA 10.892/2021 [38].
Figure 1.
BESS installed in the substation of Registro, Brazil. (a) Top view of the system, (b) one of the subsystems, (c) rack of batteries, and (d) opened rack with 8 batteries connected in series.
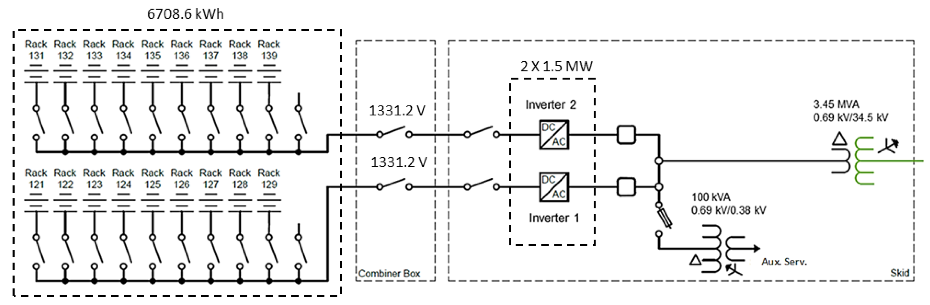
Each subsystem highlighted in Figure 1 consists of one transformer for grid connection, and two power conditioning systems (PCS) connected in parallel, each supplied by nine racks of batteries, as presented in Figure 2. The batteries use Lithium Ferro-Phosphate (LFP) technology and may stand a discharge rate of 0.5C.
Figure 2.
Details of the subsystems of the BESS installed in Registro, Brazil.
Since the BESS does not operate for most of the year, its capabilities can be redirected to the provision of other services or to help the transmission operator during moments of contingency that may happen during the year. In the next section, the use of the BESS for the provision of several services is assessed.
4. Assessing Multiple Uses for the Registro BESS
The BESS described in the previous section is needed to operate only for a few days in a year, while in the remainder of the days, it remains mostly in standby operation. Therefore, it is possible to identify a set of grid service applications where this BESS can be used so that this asset has increased revenue for investors and value for transmission operations. In this context, based on the current 5-year horizon transmission and generation expansion plans by local governing bodies, a set of four alternative applications for this BESS is proposed and studied in this work, as follows: (1) increased operational flexibility under contingencies and maintenance, (2) islanded operation for increased reliability, (3) grid support during system restoration, and (4) increased hosting capacity for variable renewables.
The scenarios for the case studies were based on the Plan for Grid Expansion and Reinforcements of the year 2024 (PAR/PEL 2024), developed by the Brazilian Independent System Operator (ONS) [39]. Due to the seasonality regarding the operation of sources and loads, in this plan, for each year in the planning horizon (2025–2029), the scenarios are divided into summer and winter seasons, where, for each season, a set of three cases are modeled for steady-state power flow: peak night-time load (PNL), peak daytime load (PDL), and minimum night-time load (MNL). Table 1 summarizes the proposed case studies, which are detailed in the following subsections. The dataset and simulation files can be found in this link: <https://data.mendeley.com/preview/jtc4b2cz7n (accessed on 15 January 2025)>.
Table 1.
Summary of the proposed case studies.
The objective of the case studies is to investigate applications where the BESS currently installed at the Registro substation could be used, without incurring additional requirements in terms of energetic capacity and power ratings. Despite that, it is important to highlight that in some of the proposed applications, it may be necessary to upgrade the BESS facility in terms of protection settings and control algorithms, among other auxiliary software/hardware upgrades.
4.1. Operational Flexibility Under Contingencies and Maintenance
Case 1 aims at identifying the BESS utilization limits, as a function of its power availability, during single- and double-circuit contingencies in the 138 kV regional transmission network of Sao Paulo State’s southern coast, depicted in green in Figure 3. For each circuit in green in Figure 3, a contingency was simulated by opening the circuit breaker, represented by a white box, at the end of the line. There are five main 138 kV substations in this region: Embu-guaçu (EMB), Mongaguá (MON), Peruíbe (PER), Registro (REG), and Capão Bonito (C.BONIT). There are also nine other substations on this network, namely EMAE, EBE, ITH, ITH-II, JUQ, MIC, SER, CIP, and CAN. The loss of line for the connection to those substations was also simulated. The metrics used for this evaluation are the pair (PBESS, QBESS), which corresponds to the required availability of BESS active and reactive power to support the 138 kV lines loading and voltage limits during contingencies. Case 1 studies were carried out considering the recommendations of the independent system operator, for both single- and double-circuit contingencies, which state that the maximum admissible loading of lines during contingencies is 115%, and the voltage limits for the 138 kV network is 0.9 to 1.05 p.u. [40]. The objective of this study is to evaluate the system performance during contingencies after fault clearance, i.e., steady-state analysis. It is important to note that dynamic performance was not considered since this system is relatively electrically strong, even with the simulated contingencies. Figure 4 illustrates how a BESS can provide additional operational flexibility during contingencies.
Figure 3.
Diagram of the 138 kV network under assessment.
Figure 4.
Example of BESS operation for operational flexibility during contingencies. (a) Normal operation; (b) Line 2,3 opened, and Line 1,3 overloaded; (c) Line 2,3 opened, and Line 1,3 under admissible overload with BESS contribution.
4.2. Islanded Operation
Case 2 aims at evaluating the possibility of using the BESS in islanded mode, to supply local loads in case of upstream contingencies or contingencies at the REG substation 138 kV/13.8 kV transforming stage. In such a case, the BESS would operate in grid-forming mode, and its capacity to supply the loads must be evaluated both in terms of power and energy availability. Figure 5 depicts the circuits in the REG substation, where the BESS can be connected to the 13.8 kV busbar that supplies to six 13.8 kV urban distribution feeders (REG24 to REG29) and one 34.5 kV rural feeder (REG31). The transformer T4 and the switch SC in Figure 5 would need to be installed to make the islanded operation possible, as they were not planned in the original project. For islanded operation, switches SA and SB must be opened to isolate the BESS and the local 13.8 kV bus from the remainder of the system.
Figure 5.
Islanded BESS in REG substation and distribution feeders.
The following assumptions were considered in this study: (1) BESS roundtrip charge and discharge efficiency is 85%, (2) BESS operates within the state of charge (SoC) range from 20% to 90%, (3) BESS SoC at the time of islanding was 80%, (4) BESS energy capacity is rated at a 2 h discharge duration, and (5) BESS has black start capability and can operate in V/f mode. The daily load profile of the feeders was obtained from the distribution utility database for a typical summer weekday in 2022.
4.3. System Restoration
The objective of Case 3 is to evaluate the BESS capacity in reducing the line loading during system restoration after a region-wide blackout in a process called fluent restoration. The restoration of loads after a region-wide blackout is performed following the fluent restoration process defined by the ISO together with the transmission utility. This process defines the sequence and procedure for the reconnection of substations so that the restoration of loads does not cause further stress on the system, to avoid over/under voltages and overloading of lines. This restoration is sequential, and it can take some time for full load restoration after the blackout, especially if such restoration occurs during peak load conditions.
Figure 6 depicts the fluent restoration process in area J, which corresponds to the area where the BESS is installed. First, loads are restored in the EMB substation, where 369 MW are available to the loads. Second, the MON substation is energized, liberating 71 MW to the loads in this substation. Third, the PER substation is restored, where 39 MW is made available to the loads. Finally, the REG substation is restored, liberating 87 MW to the loads in this substation. The remainder of the loads are liberated only when the C.BONIT substation is interconnected. However, as C.BONIT belongs to another area (area G), this is not part of the fluent restoration process and takes longer to occur since there are additional requirements established by the ISO that must be met before interconnecting the different areas. Table 2 indicates that the current fluent restoration process established by the ISO is not sufficient to cover all loads in area J in some scenarios, thus impairing transmission availability metrics. Therefore, the BESS can be used to assist in this load restoration process while area G is disconnected.
Figure 6.
Area J fluent restoration process.
Table 2.
Percentage of expected loads to be served by the end of the fluent restoration process concerning the expected demand at the PDL and PNL scenarios. The numbers after the seasons are their corresponding years.
According to Table 2, it is clear that there is a limitation in the percentage of the expected loads to be served in MON, PER, and REG substations during the restoration process, which could reach a percentage of non-supplied demand of over 30% in MON, in the case of PNL in the summer of 2026/2027.
Dynamic performance is also an important factor to be considered during system restoration since the network is weaker in terms of inertial response and short-circuit levels when compared to the fully restored system. Therefore, the BESS can also contribute to improving the dynamic response of the system during the restoration process, and dynamic simulations were used to evaluate system performance during restoration considering the BESS contribution. The dynamic simulations considered the BESS model developed by its manufacturer, with few modifications to include primary frequency response, as shown in Figure 7. fREF and PREF are the reference frequency and active power, f is the frequency measured at the point of connection of the BESS, k is the P-f droop coefficient, and rrLIM,+ and rrLIM,− are the maximum charge and discharge rates of the BESS in MW/s.
Figure 7.
Additional control loop to include primary frequency response in the BESS model.
4.4. Integration of Renewables
This case consists of evaluating to which extent the BESS in the REG substation can increase the hosting capacity of large-scale integration of variable renewable energy sources, specifically, considering the integration of utility-scale PV generation in the 138 kV network connected to the REG and PER substations. The increase in hosting capacity is evaluated in terms of the maximum additional PV capacity, in MW, that can be added without incurring the reverse power flow in the 138 kV lines of the region concerning the reference scenarios (without the additional PV integration).
The PV generation profile considering the average capacity factor of utility-scale PV plants installed in the region, for each hour, was obtained from the ISO database [41] and is indicated inTable 3. The roundtrip efficiency for BESS charge and discharge was considered 85%, and the operational SoC ranges between 20% and 90%.
Table 3.
Hourly capacity factor of the PV power plants considered in this case [41].
5. Case Study Results
The results of the simulations for the cases described in the previous section will be presented in Section 5.1, Section 5.2, Section 5.3 and Section 5.4
5.1. Case 1: Operational Flexibility Under Contingencies and Maintenance
Figure 8, Figure 9 and Figure 10 illustrate the number of single and double contingencies met by the BESS in cases of PNL, PDL, and MNL, respectively. The blue bar indicates the number of contingencies in which the BESS was able to fully meet the contingency, i.e., no voltage or loading violation after the BESS actuation was verified. The orange bar shows the situations in which the contingencies were partially met (at least one voltage or loading violation), and the gray bar indicates situations in which the BESS dispatch did not represent any improvement in system performance after the contingency. The noticeable reduction in the number of contingencies after Summer 25/26 cases is due to other grid improvements planned in the PAR/PEL 2024. Despite that, there are still many cases where the BESS can provide either total or partial performance improvement during contingencies until the end of the evaluated horizon.
Figure 8.
Number of contingencies met by the BESS during PNL: (a) single and (b) double. The numbers after the seasons are their corresponding years.
Figure 9.
Number of contingencies met by the BESS during PDL: (a) single and (b) double. The numbers after the seasons are their corresponding years.
Figure 10.
Number of contingencies met by the BESS during MNL: (a) single and (b) double. The numbers after the seasons are their corresponding years.
Figure 11 and Figure 12 show the active and reactive power support requirements of the BESS, respectively, based on the simple contingencies that are fully and partially met, as presented in the previous cases. It can be seen that there are contingencies that the BESS can meet with different ranges of dispatched power, including less than 10 MW in some cases in the summer of 2026/2027. It is also possible to see cases in which reactive power support is necessary, which can be capacitive or inductive, depending on the systemic need.
Figure 11.
Indicative of BESS active power support requirements in single contingencies. The numbers after the seasons are their corresponding years.
Figure 12.
Indicative of BESS reactive power support requirements in single contingencies. The numbers after the seasons are their corresponding years.
Figure 13 and Figure 14 show the active and reactive power support requirements of the BESS, respectively, based on the double contingencies that are fully and partially met presented in the previous cases. It can be seen that there are contingencies that the BESS can meet with different ranges of dispatched power, including less than 10 MW in some cases. It is also possible to see cases in which reactive power support is necessary, which can be capacitive or inductive, depending on the systemic need.
Figure 13.
Indicative of BESS active power support requirements in double contingencies.
Figure 14.
Indicative of BESS reactive power support requirements in double contingencies.
5.2. Case 2: Islanded Operation
Figure 15 illustrates the demand profiles of feeders in the REG substation that must be supplied by the BESS during islanded operation. In the present study, only the occurrence on weekdays was considered, as this is the most critical case.
Figure 15.
Aggregated load curve of the distribution feeders in REG substation.
The BESS’s autonomy depends on the time and duration of islanding: when analyzing the load curve, it is clear that if the interruption occurs during peak hours, the system’s autonomy will be lower than when compared to an interruption occurring during the early morning hours. Figure 16 illustrates this energy balance, indicating the BESS’s SoC at the end of interruptions with different durations and different times of the day when the islanding starts. It can be seen that the BESS can supply the loads for at least 1.5 h and can reach an autonomy of up to 3.5 h, considering the minimum state of charge limit of 20%. In this analysis, an initial SoC of 80% was considered.
Figure 16.
BESS SoC as a function of the time of the day when the islanding starts and its duration-base case without PV.
Figure 17 and Figure 18 illustrate alternative scenarios considering the integration of centralized or distributed PV generation in the distribution feeders, with equivalent capacities of 5 MW and 15 MW, respectively. PV generation was modeled using the Python pvlib package, considering a clear sky model defined for the REG substation region during summer. It is noted that the influence of PV generation can guarantee the autonomy of more than 4 h in the case of insertion of 15 MW; however, there is virtually no change in the minimum autonomy of 1.5 h, if the interruption occurs between 18 h and 21 h.
Figure 17.
BESS SoC as a function of time of islanding and its duration PV rated at 5 MW.
Figure 18.
BESS SoC as a function of time of islanding and its duration PV rated at 15 MW.
Figure 19 and Figure 20 illustrate the dynamic performance during load recovery in islanded operation. The dynamic simulations were performed using the PowerWorld software version 22, and the WECC models for BESS pre-existing in PowerWorld were used. From the results, it is possible to note that no electromechanical stability problems were verified during the load recovery of the feeders.
Figure 19.
Power demand during load restoration during islanded operation.
Figure 20.
Voltage at the 13.8 kV busbar at the REG substation.
5.3. Case 3: System Restoration
Figure 21, Figure 22 and Figure 23 indicate the percentage reduction in non-supplied demand after the fluent restoration of area J compared to the base case (Table 2), considering the dispatch of the BESS at 30 MW, 20 MW, and 10 MW, respectively. In the case of the BESS injecting 30 MW (Figure 21), a significant reduction in the percentage of unmet demand can be seen compared to the base case, which will be over 80% in all substations for the case of PDL in the summer of 2026/2027.
Figure 21.
Relative reduction in non-supplied load BESS dispatched at 30 MW.
Figure 22.
Relative reduction in non-supplied load BESS dispatched at 20 MW.
Figure 23.
Relative reduction in non-supplied load BESS dispatched at 10 MW.
It is important to note that there is relative flexibility in the total load that is made available for each substation during each step of the fluent restoration process. For example, in the case of PNL in the summer of 2024/2025, the reduction in unmet demand in REG is less than 10%, while in MON it reaches 60%. In this case, it was decided to prioritize load recovery in substations with the lowest percentage of loads served in the base case (shown in Table 3), but it is possible to adopt other criteria to make the loads available among substations.
It is clear that by reducing the power dispatched by the BESS, the capacity to improve the supply of non-supplied demand during fluent restoration is also reduced. For example, as shown in Figure 23, for a BESS dispatching at 10 MW, there are percentage reductions in non-supplied demand of up to 43%. On the other hand, the BESS would have the autonomy to guarantee this supply for a longer period than with a nominal dispatch of 30 MW.
Figure 24 illustrates the dynamic performance of the system during load restoration at REG, before and after the BESS integration, for different BESS power ramp rates. The solid lines indicate the frequency at the 138 kV bus and the dashed lines indicate the active power injected by the BESS. In black, we have the base case, with no frequency response from the BESS, in red, we have the BESS with a response limited to a 2.6 MW/s ramp, and, in blue, the BESS response is limited to a 7.3 MW/s ramp. Event (1) indicated in Figure 24 represents the connection of a capacitor bank to the 138 kV bus (as part of the restoration procedure), event (2) indicates the moment of load reconnection (92.3 MW), and event (3) is the beginning of the BESS power response as a function of the frequency deviation.
Figure 24.
Dynamic performance for different rates of BESS primary response.
The results indicate an improvement in the dynamic response of the system after the inclusion of the BESS; however, for high ramp values, an oscillatory behavior was observed that may compromise the stability of the system. For the response considering a ramp limitation of 2.6 MW/s, an increase in the nadir frequency of 3.1 mHz was observed. Despite this improvement, it is important to note that in current Brazilian grid codes, there is no need for load shedding up to a sustained under-frequency of 59.8 Hz [42]. Therefore, in this case, BESS frequency response is not critical.
5.4. Case 4: Integration of Renewables
Figure 25 and Figure 26 illustrate the BESS requirements to accommodate the surplus generation at the REG and PER substations, respectively. Four PV generation insertion scenarios are presented (from 90 MW to 110 MW in REG and from 130 MW to 150 MW in PER), where the bars indicate the BESS charging power per hour and the dashed lines indicate the absorbed energy. The energy limitation at 42 MWh indicates the capacity that the BESS can absorb from the surplus PV generation based on the operational state of charge limits adopted as an assumption (20% < SoC < 90%). The results indicate that the BESS installed in REG is capable of accommodating up to 100 MW of PV Generation in the REG substation or 140 MW in the PER substation without incurring reverse power flow in the 138 kV LT, the main limitation being energy-related, since the maximum power in both cases is in the order of 20 MW.
Figure 25.
BESS requirements for different levels of PV integration at REG substation.
Figure 26.
BESS requirements for different levels of PV integration at PER substation.
The deployment of a BESS as a substitute for the traditional repowering of the grid infrastructure has niches of application that should be assessed on a case-by-case basis, which makes cost and economic feasibility analysis results less transferrable. A BESS has the ability to displace the use of energy in time and may be appropriate to tackle situations that seldom occur in which the traditional transmission capacity could be briefly overloaded, not only at the specific point in which it is installed, but also at the entire upstream infrastructure, due to the increased power management capabilities. Moreover, batteries have modularity and mobility as important features and do not necessarily need to remain in the initial installation site when their use is no longer needed. They can be moved to other points in the transmission system that require the provision of services associated with the technical characteristics of the BESS [43,44,45]. In this way, BESS should be seen as a technology that can provide assistance to various transmission expansion solutions and the potential economic savings from the installation of batteries could, in theory, propagate through the grid.
An advantage of BESS that could incentivize its insertion as a transmission asset is that it can be a buffer for short-term needs that could further help infrastructure expansion planning. Implementation periods associated with transmission lines are long (usually in the order of years), which introduces uncertainty regarding the actual requirements of the generation and/or consumption of energy. Moreover, the expansion of transmission also faces risks from the delays that occur due to the complexity involved (for example, obtaining an environmental license and particularities of the route, among other reasons). According to the Transmission Expansion Differential Monitoring report from ANEEL, between 2016 and 2022, the percentage of projects that faced delays remained above 25% throughout the whole period, reaching a peak of 63.4% in 2017 [46]. Thus, devices that offer quick responses to changes in scenarios and unforeseen developments may help to reduce planning risks. BESS installation times are shorter, on the order of a few months [47], and face less uncertainty as they are more localized works.
The BESS could also increase its profitability by operating regularly (rather than seasonally) and preferably actuating for (being paid for) the provision of several grid services. Since transmission congestion may occur only a few times a year, it is likely that the BESS would be available to provide other services to the grid and increase its profitability (otherwise, it would be unused most of the time). If BESS are able to participate in different markets, their profitability may increase and even activities like battery charging could become a revenue stream in regulation services, for instance. This situation is contingent on the regulatory environment and could not be applied in Brazil, for instance, since the transmission operator cannot operate on energy markets, and the remuneration of their assets is covered by an annual amount fixed in a contract before the investment is made.
However, the current feasibility of deploying a BESS for grid infrastructure reinforcement is largely related to the existence of brief energy peaks that can be tackled by smaller storage capacity. Denholm et al. [48] advise against the use of energy storage as an alternative for traditional grid expansion, since the construction of power lines is currently a more economically viable option in most cases, and Fidalgo et al. [49] conclude that the postponement of traditional grid reinforcement sometimes results in higher investments in a long-term analysis. Since a BESS is a costly technology, the over-reliance on a BESS as transmission reinforcement may be a sign of poor planning for the expansion and reinforcement of the transmission assets. Moreover, BESS also has environmental impacts during manufacturing [50,51], disposal, and, depending on the generation mix, during operation [52], and would be better employed when other non-wire alternatives for reducing the loading of the transmission infrastructure until they have exhausted their potential. Hence, postponing/avoiding the construction of traditional transmission assets with a BESS may be considered in exceptional circumstances. For instance, in the case study presented in this paper, the traditional grid expansion would have to be built around an environmental protection area, greatly increasing the length of the line and its cost.
The recent developments in information technology may increase the potential of alternatives such as the Thermal Dynamic Rating of transmission lines (which consists of estimating the rating of the conductor according to the thermal characteristics of the conductor and the environment, instead of assuming a worst-case scenario constant value), demand-side management, and distributed generation. However, all methods for alleviating the demand of the transmission infrastructure could benefit from hybridization; on one hand, the size of the BESS could be reduced, and, on the other hand, BESS could introduce a control margin to some of the other methods, which are passive.
6. Conclusions
This paper evaluated the use of BESS as a transmission asset and presented a case study of possibilities that the BESS installed in the city of Registro, Brazil, could perform other than the activity for which the BESS was originally installed. The results show that the BESS may bring considerable benefits to the transmission operation and postpone additional investments in transmission assets.
The BESS was able to increase the penetration of PV generation and help the restoration of the system in the case of contingencies. In the simulations of increased PV generation at the REG and PER substations, it was observed that the BESS can contribute to increasing the capacity to accommodate excess generation, with the main restriction associated with this increase being due to the energy constraints of the BESS. Regarding the restoration studies, the BESS is capable of significantly reducing the percentage of unserved load during the fluent restoration process in its area of operation. In the simulated cases, the standard restoration procedures adopted by the local transmission utility were used as a starting point, and, considering the performance of the BESS, it is possible to make the restoration of loads in the region more flexible. It is also important to highlight the improvement in dynamic performance, considering the primary response of the BESS, paying attention to the limitation of the active power increase ramp rate. Moreover, the BESS also improved the capacity of the transmission system to maintain power quality levels during contingencies and keep the supply of a particular area by creating an islanded system. It is important to highlight that these benefits were contingent on a particular situation that enabled the cost-effectiveness of the BESS and its implantation.
The paper presented that SATA could help the transmission operator in situations beyond that for which the BESS was installed. However, the accountability of the financial benefits that could come from SATA is still a challenge. On one hand, the direct comparison between alternatives for a specific purpose may undermine the benefits of the SATA. On the other hand, trying to account for every service that the BESS is capable of doing across the grid could render the analysis overly complex, especially when dealing with long-term projections. The provision of a balanced approach seems a promising research direction for future works.
For future studies, there are additional BESS applications that could be explored, specifically when considering the increasing need for grid resiliency in many systems. One example is the integration of distribution microgrids in regions prone to interruptions, or where premium reliability is required. Furthermore, future studies or pilot projects could investigate the adoption of BESS technologies to operate together with other power sources as virtual power plants, providing additional grid services.
Author Contributions
Conceptualization, P.F.T., A.R.A.M., G.F. and M.P.A.; methodology, A.R.A.M., G.F., M.P.A., J.C.d.S.A.N. and R.L.C.; validation, G.F., R.L.C. and C.C.V.d.F.A.d.S.; writing—original draft, P.F.T. and A.R.A.M.; writing—review and editing, M.P.A.; software, P.F.T.; formal analysis, J.C.d.S.A.N. and R.L.C.; investigation, J.C.d.S.A.N.; project administration, C.C.V.d.F.A.d.S.; resources, C.C.V.d.F.A.d.S. and R.Z.; supervision, R.Z.; funding acquisition, R.Z. All authors have read and agreed to the published version of the manuscript.
Funding
This research was funded by ISA Energia grant number PD-00068-0063/2023.
Data Availability Statement
The dataset used in this research can be found at < https://data.mendeley.com/preview/jtc4b2cz7n>.
Acknowledgments
The authors gratefully acknowledge the financial support from ISA Energia through the funding of the R&D project Requisitos Técnicos para Sistemas de Armazenamento de Energia com Baterias de Li-íon (ANEEL Project No. PD-00068-0063/2023), as well as the provision of the information necessary for the development of this paper. The authors also acknowledge the strategic importance of the support given by ANEEL (Brazil’s National Electric Energy Agency) through its R&DI Program regulation.
Conflicts of Interest
Author Caio Cesar Vieira de Freitas Almeida da Silva is employed by ISA Energia. The remaining authors declare that the research was conducted in the absence of any commercial or financial relationships that could be construed as potential conflicts of interest.
References
- NREL. Cost Projections for Utility-scale Battery Storage: 2023 Update. 2023. Available online: https://www.nrel.gov/docs/fy23osti/85332.pdf (accessed on 15 January 2025).
- Virgens, N.S.A. Inserção da Estimação do Nível de Inércia no Planejamento da Expansão dos Sistemas de Transmissão de Energia Elétrica. 2023. Available online: https://repositorio.ufsc.br/handle/123456789/251411?show=full (accessed on 15 January 2025).
- Luburić, Z.; Pandžić, H.; Plavšić, T.; Teklić, L.; Valentić, V. The role of energy storage in ensuring transmission system adequacy and security. Energy 2018, 156, 229–239. [Google Scholar] [CrossRef]
- Quanta Technology. Storage as Transmission Asset Market Study. 2023. Available online: https://cdn.ymaws.com/ny-best.org/resource/resmgr/reports/SATA_White_Paper_Final_01092.pdf (accessed on 15 January 2025).
- Zhao, C.; Andersen, P.B.; Traeholt, C.; Hashemi, S. Grid-connected battery energy storage system: A review on application and integration. Renew. Sustain. Energy Rev. 2023, 182, 113400. [Google Scholar] [CrossRef]
- Mirzapour, O.; Rui, X.; Sahraei-Ardakani, M. Grid-enhancing technologies: Progress, challenges, and future research directions. Electr. Power Syst. Res. 2024, 230, 110304. [Google Scholar] [CrossRef]
- Kemp, J.; Millstein, D.; Kim, J.; Wiser, R. Interactions between hybrid power plant development and local transmission in congested regions. Adv. Appl. Energy 2023, 10, 100133. [Google Scholar] [CrossRef]
- AhmadiAhangar, R.; Plaum, F.; Haring, T.; Drovtar, I.; Korotko, T.; Rosin, A. Impacts of grid-scale battery systems on power system operation_case of the baltic region. IET Smart-Grid 2024, 7, 101–119. [Google Scholar] [CrossRef]
- Virasjoki, V.; Rocha, P.; Siddiqui, A.; Salo, A. Market Impacts of Energy Storage in a Transmission-Constrained Power System. IEEE Trans. Power Syst. 2016, 31, 4108–4117. [Google Scholar] [CrossRef]
- Numan, M.; Asif, M.; Khan, M.; Malik, S.; Khilji, F. Impact of Dynamic Thermal Rating on optimal siting and sizing of energy storage systems under Renewable Portfolio Standards requirements. Sustain. Energy Grids Netw. 2021, 32, 100881. [Google Scholar] [CrossRef]
- Saber, H.; Moeini-Aghtaie, M.; Ehsan, M. Developing a multi-objective framework for expansion planning studies of distributed energy storage systems (DESSs). Energy 2018, 157, 1079–1089. [Google Scholar] [CrossRef]
- Ansaripour, R.; Barati, H.; Ghasemi, A. Multi-objective chance-constrained transmission congestion management through optimal allocation of energy storage systems and TCSC devices. Electr. Eng. 2022, 104, 4049–4069. [Google Scholar] [CrossRef]
- Chabok, H.; Aghaei, J.; Sheikh, M.; Roustaei, M.; Zare, M.; Niknam, T.; Lehtonen, M.; Shafi-khah, M.; Catalao, J. Transmission-constrained optimal allocation of price-maker wind-storage units in electricity markets. Appl. Energy 2022, 310, 118542. [Google Scholar] [CrossRef]
- Yang, X.; Chai, G.; Liu, X.; Xu, M.; Guo, Q. Storage-Transmission Joint Planning Method to Deal with Insufficient Flexibility and Transmission Congestion. Front. Energy Res. 2021, 8, 612909. [Google Scholar] [CrossRef]
- Vargas, L.; Bustos-Turu, G.; Larrain, F. Wind Power Curtailment and Energy Storage in Transmission Congestion Management Considering Power Plants Ramp Rates. IEEE Trans. Power Syst. 2015, 30, 1–9. [Google Scholar] [CrossRef]
- Agüero, M.; Peralta, J.; Quintana, E.; Velar, V.; Stepanov, A.; Ashourian, H.; Mahseredjian, J.; Cárdenas, R. Virtual Transmission Solution Based on Battery Energy Storage Systems to Boost Transmission Capacity. J. Mod. Power Syst. Clean Energy 2024, 12, 466–474. [Google Scholar] [CrossRef]
- Xu, Y.; Singh, C. Power System Reliability Impact of Energy Storage Integration With Intelligent Operation Strategy. IEEE Trans. Smart Grid 2014, 5, 1129–1137. [Google Scholar] [CrossRef]
- Ponocko, J.; Mateska, A.; Krstevski, P. Cross-border DSM as a complement to storage and RES in congestion management markets. Int. J. Electr. Power Energy Syst. 2023, 148, 108917. [Google Scholar] [CrossRef]
- Zhao, Z.; Wang, C.; Nazari, M. Revenue Analysis of Stationary and Transportable Battery Storage for Power Systems: A Market Participant Perspective. Sustainability 2024, 16, 2370. [Google Scholar] [CrossRef]
- Moreira, R.; Moreno, R.; Strbac, G. Value of corrective network security for distributed energy storage applications. IET Gener. Transm. Distrib. 2016, 10, 1758–1767. [Google Scholar] [CrossRef]
- Elliott, R.; Fernández-Blanco, R.; Kozdras, K.; Kaplan, J.; Lockyear, B.; Zyskowski, J.; Kirschen, D. Sharing Energy Storage Between Transmission and Distribution. IEEE Trans. Power Syst. 2019, 34, 152–162. [Google Scholar] [CrossRef]
- Dvorkin, Y.; Fernández-Blanco, R.; Kirschen, D.; Pandzic, H.; Watson, J.; Silva-Monroy, C. Ensuring Profitability of Energy Storage. IEEE Trans. Power Syst. 2017, 32, 611–623. [Google Scholar] [CrossRef]
- Khani, H.; Zadeh, M.; Hajimiragha, A. Transmission Congestion Relief Using Privately Owned Large-Scale Energy Storage Systems in a Competitive Electricity Market. IEEE Trans. Power Syst. 2015, 31, 1449–1458. [Google Scholar] [CrossRef]
- Arteaga, J.; Zareipour, H.; Amjady, N. Energy Storage as a Service: Optimal sizing for Transmission Congestion Relief. Appl. Energy 2021, 298, 117095. [Google Scholar] [CrossRef]
- Tarashandeh, N.; Karimi, A. Utilization of energy storage systems in congestion management of transmission networks with incentive-based approach for investors. J. Energy Storage 2021, 33, 102034. [Google Scholar] [CrossRef]
- Khastieva, D.; Mohammadi, S.; Hesamzadeh, M.; Bunn, D. Optimal Transmission Investment With Regulated Incentives Based Upon Forward Considerations of Firm and Intermittent Resources With Batteries. IEEE Trans. Power Syst. 2021, 36, 4420–4434. [Google Scholar] [CrossRef]
- Nanou, S.; Psarros, G. Optimal dispatch of BESS-fed virtual power lines under transmission congestion and bulk renewable generation. Electr. Power Syst. Res. 2024, 229, 110196. [Google Scholar] [CrossRef]
- Wang, S.; Geng, G.; Jiang, Q. Robust Co-Planning of Energy Storage and Transmission Line With Mixed Integer Recourse. IEEE Trans. Power Syst. 2019, 34, 4728–4738. [Google Scholar] [CrossRef]
- Taylor, J. Financial Storage Rights. IEEE Trans. Power Syst. 2015, 30, 997–1005. [Google Scholar] [CrossRef]
- Arteaga, J.; Zareipour, H.; Amjady, N. Energy Storage as a Service: Optimal Pricing for Transmission Congestion Relief. IEEE Open Access J. Power Energy 2020, 7, 514–523. [Google Scholar] [CrossRef]
- Lindner, M.; Peper, J.; Offermann, N.; Biele, C.; Teodosic, M.; Pohl, O.; Menne, J.; Häger, U. Operation strategies of battery energy storage systems for preventive and curative congestion management in transmission grids. IET Gener. Transm. Distrib. 2022, 17, 589–603. [Google Scholar] [CrossRef]
- Liere-Netheler, I.; Schuldt, F.; von Maydell, K.; Agert, C. Technical and economic analysis of curative actions in distribution networks utilizing battery energy storage systems. IET Gener. Transm. Distrib. 2022, 16, 724–736. [Google Scholar] [CrossRef]
- Prajapati, V.; Mahajan, V.; Padhy, N. Congestion management of integrated transmission and distribution network with RES and ESS under stressed condition. Int. Trans. Electr. Energy Syst. 2021, 31, e12757. [Google Scholar] [CrossRef]
- MME. NOTA TÉCNICA Nº 37/2024/DPOG/SNTEP. 2024. Available online: https://antigo.mme.gov.br/c/document_library/get_file?uuid=701b303d-0511-ae95-d02f-9b2e7a0ab8db&groupId=436859 (accessed on 23 January 2025).
- Presidência da Reública. LEI Nº 9.648, DE 27 DE MAIO DE 1998. Art 9. Available online: https://www.planalto.gov.br/ccivil_03/leis/L9648cons.htm (accessed on 15 January 2025).
- Presidência da República. LEI Nº 9.074, DE 7 DE JULHO DE 1995. Art 15. Available online: https://www.planalto.gov.br/ccivil_03/leis/l9074cons.htm (accessed on 15 January 2025).
- ANEEL. Regulamentação para o Armazenamento de Energia Elétrica, incluindo Usinas Hidrelétricas Reversíveis. 2023. Available online: https://www2.aneel.gov.br/cedoc/air2023001sgm.pdf (accessed on 15 January 2025).
- ANEEL. RESOLUÇÃO AUTORIZATIVA Nº 10.892, DE 16 DE NOVEMBRO DE 2021. 2021. Available online: https://www2.aneel.gov.br/cedoc/rea202110892ti.pdf (accessed on 15 January 2025).
- ONS. “Plano da Operação Elétrica de Médio Prazo do SIN – Ciclo 2025-2029: Termo de Referência. RT-NOS DPL 0030/2024”, Rio de Janeiro, Brazil, 2024. Available online: https://www.ons.org.br/AcervoDigitalDocumentosEPublicacoes/Revista%20PARPEL%20_2024_VF_27.12.24.pdf (accessed on 23 January 2025).
- ONS. Submódulo 2.10-Requisitos Técnicos Mínimos para Conexão às Instalações de Transmissão. 2022. Available online: https://www2.aneel.gov.br/cedoc/adsp20233717_2.pdf (accessed on 15 January 2025).
- ONS. “Resultados da Operação – Dados de Geração Eólica e Solar Comparativo do Fator de Capacidade Médio Horário por Usina”. 2024. Available online: https://www.ons.org.br/Paginas/resultados-da-operacao/historico-da-operacao/geracao-fator-capacidade-medios-mensais.aspx (accessed on 23 January 2025).
- ONS. Gerenciamento da Carga por Atuação do ERAC. IO-GC.BR.02, r. 22, i. 3.5. 2024. Available online: https://www.ons.org.br/%2FMPO%2FDocumento%20Normativo%2F3.%20Instru%C3%A7%C3%B5es%20de%20Opera%C3%A7%C3%A3o%20-%20SM%205.12%2F3.5.%20Gerenciamento%20da%20Carga%2FIO-GC.BR.02_Rev.22.pdf (accessed on 23 January 2025).
- Abdeltawab, H.H.; Mohamed, Y.A.I. The Potential of Mobile Energy Storage in Microgrids. IEEE: NewYork, NY, USA, 2020; pp. 1864–1870. [Google Scholar] [CrossRef]
- Abdeltawab, H.; Mohamed, Y.A.R.I. Mobile Energy Storage Sizing and Allocation for Multi-Services in Power Distribution Systems. IEEE Access 2019, 7, 176613–176623. [Google Scholar] [CrossRef]
- Kwon, S.Y.; Park, J.Y.; Kim, Y.J. Optimal Operation of Mobile Energy Storage Devices to Minimize Energy Loss in a Distribution System. In Proceedings of the 2018 IEEE Int Conf Environ Electr Eng 2018 IEEE Ind Commer Power Syst Eur EEEIC/I CPS Eur 2018, Palermo, Italy, 12–15 June 2018. [Google Scholar] [CrossRef]
- ANEEL. Acompanhamento Diferenciado da Expansão da Transmissão. Technical Report. 2022. Available online: https://git.aneel.gov.br/publico/centralconteudo/-/blob/main/relatorioseindicadores/transmissao/relacompdifexpt/202203_RAD_Trimetral.pdf (accessed on 23 January 2025).
- IRENA. Electricity Storage Valuation Framework: Assessing System Value and Ensuring Project Viability. Abu Dhabi. 2020. Available online: https://www.irena.org/-/media/Files/IRENA/Agency/Publication/2020/Mar/IRENA_storage_valuation_2020.pdf (accessed on 15 January 2025).
- Denholm, P.; Mai, T. Timescales of energy storage needed for reducing renewable energy curtailment. Renew Energy 2019, 130, 388–399. [Google Scholar] [CrossRef]
- Fidalgo, J.N.; Couto, M.; Fournié, L. The worth of network upgrade deferral in distribution systems—Truism or myth? Electr. Power. Syst. Res. 2016, 137, 96–103. [Google Scholar] [CrossRef]
- Mostert, C.; Ostrander, B.; Bringezu, S.; Kneiske, T.M. Comparing electrical energy storage technologies regarding their material and carbon footprint. Energies 2018, 11, 3386. [Google Scholar] [CrossRef]
- Dehghani-Sanij, A.R.; Tharumalingam, E.; Dusseault, M.B.; Fraser, R. Study of energy storage systems and environmental challenges of batteries. Renew. Sustain. Energy Rev. 2019, 104, 192–208. [Google Scholar] [CrossRef]
- Arciniegas, L.M.; Hittinger, E. Tradeoffs between revenue and emissions in energy storage operation. Energy 2018, 143, 1–11. [Google Scholar] [CrossRef]
Disclaimer/Publisher’s Note: The statements, opinions and data contained in all publications are solely those of the individual author(s) and contributor(s) and not of MDPI and/or the editor(s). MDPI and/or the editor(s) disclaim responsibility for any injury to people or property resulting from any ideas, methods, instructions or products referred to in the content. |
© 2025 by the authors. Licensee MDPI, Basel, Switzerland. This article is an open access article distributed under the terms and conditions of the Creative Commons Attribution (CC BY) license (https://creativecommons.org/licenses/by/4.0/).

























