Effective Methods for Determination of Electrical System Power Components at Transient and Steady States
Abstract
1. Introduction
2. Basic Transient Analytic Calculation Used in the Paper
3. Methods Used to Mean Value Power Component in Each Calculation Step
- (IRP, Akagi [8]) known from the use in PAF design,
- (this paper—new one) known from the use in the design of control systems.
3.1. The Method
3.2. The Method
3.3. The Method
4. Application of These Methods with Different Types of Power Supply with Passive/Active (IM/SM) Load
4.1. Case of Direct 3-Phase AC Supply and Linear Load

| Parameters of the system | System simulation parameters |
| Matlab/Simulink 2024a | |
4.2. Real-Time (RT) Simulation of RL Load Using a HIL Simulator Plecs RT Box
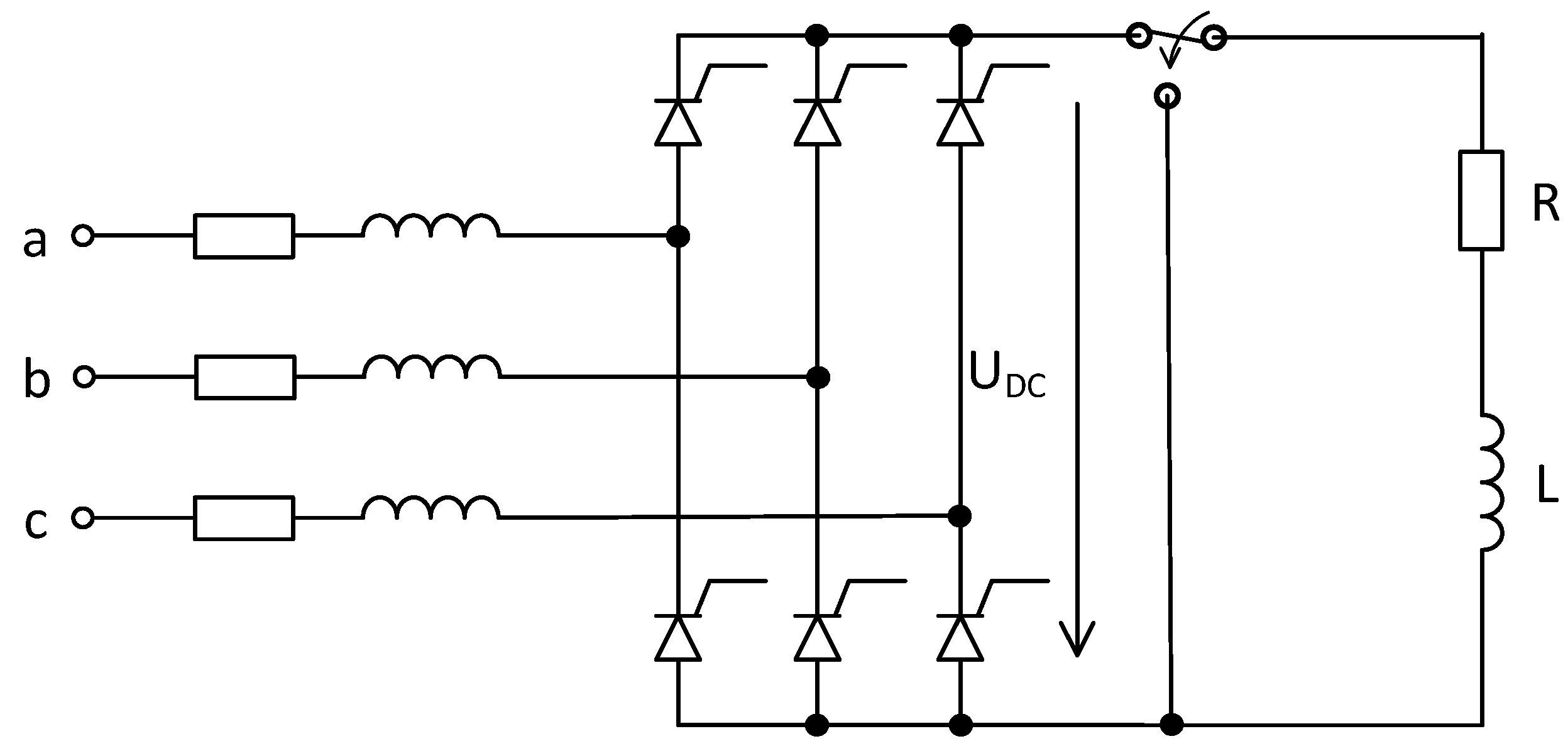
4.3. Case of the Controlled Rectifier and Linear R–L Load
| Parameters of the system | System simulation parameters |
| Matlab/Simulink 2024a | |
| 1/s | |
| DC voltage | |
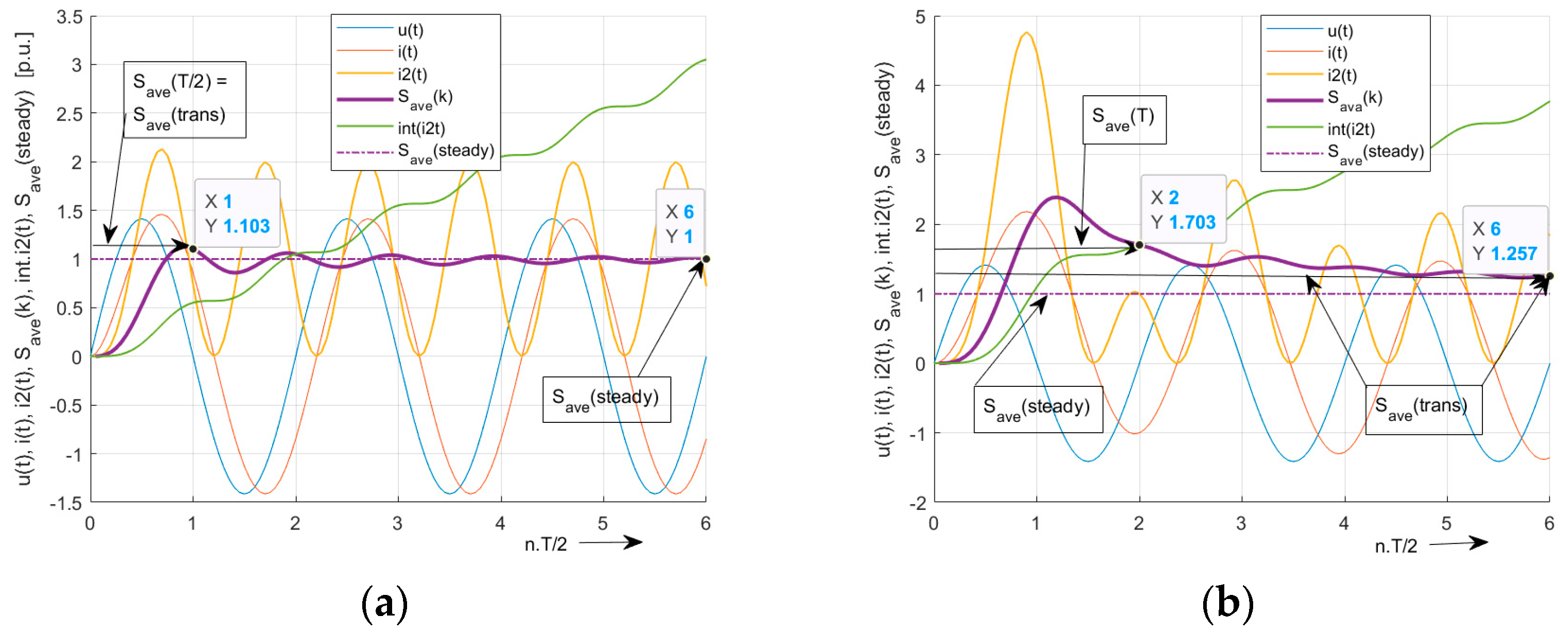
4.3.1. Steady State Analysis in [p.u.] Units
Harmonic Analysis of and Functions
| Apparent power | Active power | ||
| Blind reactive power | Distortion reactive power |
| Apparent power | |
| Active power | |
| Blind reactive power | |
| Distortion reactive power |
4.3.2. Transient State Simulation [Real Parameters]
| Parameters of the system | System simulation parameters |
| Matlab/Simulink 2024a | |
| , 1/s | 2 µs |
| alpha = 30 deg. | |
| Equivalent time constant |
Power Circumstances on an AC Side [Real Parameters]
Power Circumstances on a DC Side [Real Parameters]
4.4. Real-Time (RT) Simulation of the Rectifier Using a HIL Simulator Plecs RT Box
4.5. Case of Compensation of Oscillatory Torque by Synchronous PMSM Motor
4.5.1. Basic Computation Approach of the Power Components on the Output Terminal of the VSI Inverter
Machine Power Calculation
4.5.2. Simulation of Compensation of Oscillatory Torque by Synchronous PMSM Motor in Matlab/Simulink
5. Discussion, Conclusions, and Future Directions
Author Contributions
Funding
Data Availability Statement
Acknowledgments
Conflicts of Interest
Nomenclature
| PEES | power electrical and electronic system |
| PMSM | permanent magnet synchronous motor |
| THD | total harmonic distortion |
| PF | power factor |
| IRP | instantaneous reactive power |
| CT, CT* | Clarke transformation constant |
| , , | methods of calculation of power mean values |
| movAVE, movRMS | Matlab moving function |
| % Quantity symbols | |
| UDC, IDC,ave, RDC, LDC | parameters of DC side of rectifier |
| Z, R, L, T, ΔT, φ, cosφ, τ | classical components of AC electric circuit |
| xa,b,c (t) | components in a, b, c-coordinates |
| xα(t), xβ(t) | components in α, β, 0-coordinate system |
| xtrans | transient state quantities |
| estimated torque | |
| rotor position | |
| stator motor current | |
| number of pole pairs | |
| Prms, Qrms, Drms | RMS values of power components |
| Urms, Irms | voltage and current RMS values |
| Save(k), Pave(k), Qave(k), Dave(k) | discretized power components at k time instants |
| P1ave | active power of fundamental harmonic |
| P0ave | active power of a zero-sequence component |
| N | number of sliding window points |
| % PMSM quantity symbols | |
| Ttot | total torque |
| Tmech | mechanical torque |
| average torque | |
| oscillating torque | |
| electromagnetic torque | |
| load torque | |
| actual torque | |
| accelerating torque | |
| motor moment of inertia | |
| friction (torque) | |
| % Abbreviations | |
| current in q-axis | |
| flux of PM | |
| angular speed | |
| Note: Other symbols are explained directly in the text. | |
References
- Shenkman, A.L. Transient analysis using the Fourier transform. In Transient Analysis of Electric Power Circuits Handbook; Springer: Dordrecht, The Netherlands, 2005; Chap. 4; pp. 213–263, ISBN-10 0-387-28799-X (e-book). [Google Scholar]
- Bai, H.; Mi, C. Transients of Modern Power Electronics; John Wiley & Sons, Ltd.: Chichester, UK, 2011; ISBN 978-0-470-68664-5. [Google Scholar]
- Esfandiari, R.S.; Lu, B. Numerical Methods for Engineers and Scientists Using MATLAB, 2nd ed.; CRC Press Taylor & Francis Inc.: Boca Raton, FL, USA, 2017; pp. 95–146. ISBN 9781498777421. [Google Scholar]
- Beerends, R.J.; Morsche, H.G.; Berg, J.C.; Vrie, E.M. Fourier and Laplace Transforms; Cambridge University Press: Cambridge, UK, 2003; Part 4; pp. 267–330. [Google Scholar]
- Kreyszig, E.; Kreyszig, H.; Norminton, E.J. Advanced Engineering Mathematics; John Wiley & Sons, Inc.: New York, NY, USA, 2011; Chapter 6; pp. 203–255. ISBN 978-0-470-45836-5. [Google Scholar]
- Kumar, M. Power Quality in Power Distribution Systems. NPTEL Course; Indian Institute of Technology Madras: Chennai, India, 2012; pp. 27–68. [Google Scholar]
- Kouzou, A.; Ismeil, M.A.; Abu Rub, H.; Sk Moin, A.; Mahmoudi, M.O.; Boucherit, M.S.; Kennel, R. Discussions on the Instantaneous Reactive Power Theory Terms in the General Case Based on the Symmetric Components. In Proceedings of the International Conference on Renewable Energies and Power Quality (ICREPQ’12), Santiago de Compostela, Spain, 28–30 March 2012. [Google Scholar] [CrossRef]
- Akagi, H.; Kanazawa, Y.; Nabae, A. Generalized Theory of the Instantaneous Reactive Power in Three-Phase Circuits. In Proceedings of the IPEC Conference, Tokyo, Japan, 27–31 March 1983; pp. 1375–1386. [Google Scholar]
- Czarnecki, L.S. Currents’ Physical Components (CPC) Concept: A Fundamental of Power Theory. In Proceedings of the International School on Non-sinusoidal Currents and Compensation, Lagow, Poland, 10–13 June 2008; pp. 1–11. [Google Scholar]
- Guo, J.; Xiao, X.N.; Tao, S. Discussion on Instantaneous Reactive Power Theory and Current Physical Component (CPC) Theory. In Proceedings of the 15th International Conference on Harmonics and Quality of Power, Hong Kong, China, 17–20 June 2012; pp. 427–432. [Google Scholar] [CrossRef]
- Dobrucký, B.; Kaščák, S.; Šedo, J.; Praženica, M.; Resutík, P. Single-Step Response and Determination of Power Components Mean Values of PES Using p-q Method during Transients. Appl. Sci. 2022, 12, 11659. [Google Scholar] [CrossRef]
- Dobrucký, B.; Kaščák, S.; Šedo, J. Power Components Mean Values Determination Using New Ip-Iq Method for Transients. Energies 2024, 17, 2720. [Google Scholar] [CrossRef]
- Mohan, N.; Undeland, T.M.; Robbins, W.P. Power Electronics: Converters, Applications, and Design, 3rd ed.; John Wiley & Sons, Inc.: New York, NY, USA, 2003. [Google Scholar]
- Czarnecki, L.S. Physical Phenomena that Affect the Effectiveness of the Energy Transfer in Electrical Systems. In Proceedings of the 20th International Scientific Conference on Electric Power Engineering (EPE), Kouty nad Desnou, Czech Republic, 15–17 May 2019. [Google Scholar]
- Hartman, M.T. Why the new physical interpretations of the reactive power on terms of the CPC power theory is not true? In Proceedings of the International Conference CPE ‘07on Compatibility in Power Electronics, Gdansk, Poland, 29 May–1 June 2007. [Google Scholar]
- Herrera, R.S.; Salmerón, P. Present point of view about the instantaneous reactive power theory. IET Power Electron. 2009, 2, 484–495. [Google Scholar] [CrossRef]
- Peretyatko, L.; Spinul, L.; Shcherba, M. Theoretical Fundamentals of Electrical Engineering, Part I; IS Polytechnic Institute: Kiev, Ukraine, 2021; Chap. 5–6; pp. 36–54. [Google Scholar]
- Soares, V.; Verdelho, P.; Marques, G.D. An instantaneous active and reactive current component method for active filters. IEEE Trans. Power Electron 2000, 15, 660–669. [Google Scholar] [CrossRef]
- Plexim. A HIL Simulator on Every Engineer’s Desk. Available online: https://www.plexim.com/products/rt_box/rt_box_1 (accessed on 12 June 2024).
- Smith, S.W. The Z Transform. Chapter 33. In The Scientist and Engineer’s Guide to Digital Signal Processing; California Technical Publishing: San Diego, CA, USA, 1999; pp. 567–580. ISBN 0-9660176-3-3. [Google Scholar]
- Zhang, W.; Liu, H.; Zhang, X.; Wu, Y.; Gao, P.; Wang, Z.; Zhang, W. Torque ripple compensation control for hybrid UGVs in mode transition based on current harmonic control of a PMSM. Proc. Inst. Mech. Eng. 2021, 235, 920–932. [Google Scholar] [CrossRef]
- Dobrucky, B.; Kascak, S.; Frivaldsky, M.; Prazenica, M. Determination and compensation of non-active torques for parallel HEV using PMSM/IM motor(s). Energies 2021, 14, 2781. [Google Scholar] [CrossRef]
- Su, Y.; Hu, M.; Huang, J.; Qin, D.; Fu, C.; Zhang, Y. Dynamic Torque Coordinated Control Considering Engine Starting Conditions for a Power-Split Plug-In Hybrid Electric Vehicle. Appl. Sci. 2021, 11, 2085. [Google Scholar] [CrossRef]


























Disclaimer/Publisher’s Note: The statements, opinions and data contained in all publications are solely those of the individual author(s) and contributor(s) and not of MDPI and/or the editor(s). MDPI and/or the editor(s) disclaim responsibility for any injury to people or property resulting from any ideas, methods, instructions or products referred to in the content. |
© 2025 by the authors. Licensee MDPI, Basel, Switzerland. This article is an open access article distributed under the terms and conditions of the Creative Commons Attribution (CC BY) license (https://creativecommons.org/licenses/by/4.0/).
Share and Cite
Dobrucký, B.; Kaščák, S.; Šedo, J. Effective Methods for Determination of Electrical System Power Components at Transient and Steady States. Energies 2025, 18, 779. https://doi.org/10.3390/en18040779
Dobrucký B, Kaščák S, Šedo J. Effective Methods for Determination of Electrical System Power Components at Transient and Steady States. Energies. 2025; 18(4):779. https://doi.org/10.3390/en18040779
Chicago/Turabian StyleDobrucký, Branislav, Slavomír Kaščák, and Jozef Šedo. 2025. "Effective Methods for Determination of Electrical System Power Components at Transient and Steady States" Energies 18, no. 4: 779. https://doi.org/10.3390/en18040779
APA StyleDobrucký, B., Kaščák, S., & Šedo, J. (2025). Effective Methods for Determination of Electrical System Power Components at Transient and Steady States. Energies, 18(4), 779. https://doi.org/10.3390/en18040779

