Next Article in Journal
Effect of Selective Non-Catalytic Reduction Reaction on the Combustion and Emission Performance of In-Cylinder Direct Injection Diesel/Ammonia Dual Fuel Engines
Previous Article in Journal
Energy Efficiency in Portuguese Traditional Cheese Industries: A Comprehensive Case Study
 
 
Font Type:
Arial Georgia Verdana
Font Size:
Aa Aa Aa
Line Spacing:
Column Width:
Background:
Article

Supraharmonic Distortion at the Grid Connection Point of a Network Comprising a Photovoltaic System

by
Anthoula Menti
*,
Pavlos Pachos
and
Constantinos S. Psomopoulos
*
Department of Electrical and Electronics Engineering, University of West Attica, 250 Thivon Str., 12241 Aigaleo, Greece
*
Authors to whom correspondence should be addressed.
Energies 2025, 18(3), 564; https://doi.org/10.3390/en18030564
Submission received: 25 December 2024 / Revised: 22 January 2025 / Accepted: 23 January 2025 / Published: 25 January 2025
(This article belongs to the Section A2: Solar Energy and Photovoltaic Systems)

Abstract

Grid-connected photovoltaic (PV) systems inject nonsinusoidal currents into the grid at the point of their connection. The technology of the inverter utilized for the conversion of DC power into AC is directly associated with distortion characteristics. Even though pulse-width-modulated (PWM) converters generate considerably lower harmonic distortion than their predecessors, they are responsible for the emergence of a new power quality issue in distribution grids known as supraharmonics, which can cause problems such as overheating and malfunctions of equipment. PV systems are known sources of supraharmonics, but their impact has not yet been thoroughly researched. Due to the multitude of parameters affecting their performance, a more rigorous treatment is required compared to more common nonlinear devices. In this paper, emissions from a three-phase grid-connected PV system are examined by means of a dedicated simulation tool taking into account the specifics of inverter switching action without overly increasing computational cost. The impact of environmental parameters as well as factors affecting the switch control of the converter is investigated. The dependence of the supraharmonic emission of the PV system on the converter characteristics rather than environmental conditions is demonstrated. Furthermore, simulation studies on a network comprising the PV system and an additional supraharmonic-emitting system in simultaneous operation are conducted. Their combined effect on the distortion at the connection point of the network to the grid is assessed by means of a power flow-based approach, capable of quantifying interactions within this network. From the viewpoint of the grid, an increase of supraharmonic-related disturbance at low irradiance conditions is revealed.

1. Introduction

Fossil fuel depletion and climate change awareness have created a strong demand for energy self-sufficiency based on renewable energy installations. The traditional centralized model of electric energy production by means of large synchronous generators is gradually becoming obsolete and distributed generation solutions are gaining ground. Smaller units, such as grid-connected photovoltaic (PV) systems installed on rooftops, are becoming increasingly common.
A vital component of renewable energy systems connected to the utility grid is the power conditioning unit, which is responsible for the conversion of DC power into AC conforming to specific standards. Power electronic converters are at the heart of this process [1]. A grid-connected power electronic converter, just like any other device with nonlinear characteristics, injects harmonic currents into the grid at the point of its connection. These currents cause a nonsinusoidal voltage drop along the grid impedance, subsequently distorting the supply voltage for all devices connected to the same distribution line.
Power electronic converters are, of course, not unique to renewable energy systems. The demand for energy-efficient equipment has led to the inclusion of power electronic converters of various topologies in multiple modern mass-market devices, resulting in a notable increase of harmonic levels in electric grids. The association of voltage supply harmonics with various equipment malfunctions affecting both the utility and its customers led to the formulation of appropriate standards and regulations. Limitations were initially put in place for harmonics up to the 40th or 50th order (2 or 2.5 kHz for a 50 Hz network), depending on the standard that is referenced. This limit was considered adequate, since converters based on thyristors and diodes that were prevalent at the time generated significant levels of harmonics well below that order. Moreover, noteworthy cases of higher order harmonic pollution were rare and usually associated with resonances. Equipment manufacturers were subsequently motivated to adapt their equipment so as to comply with standard requirements. Indeed, the introduction of self-commutated switches and high-frequency switching schemes in power electronic converters has significantly reduced low-order harmonics. However, at frequencies over 2 kHz additional distortion has been introduced associated with the switching frequency. In other words, compliance with existing standards has been achieved by shifting emission from lower to higher frequencies. In fact, due to the widespread implementation of high-frequency switching techniques, end-users and utilities are nowadays dealing with a notable increase in harmonic components in the frequency range 2–150 kHz. These components are commonly referred to as supraharmonics [2,3,4,5].
Apart from renewable energy installations, supraharmonic emissions have been associated with electric vehicle (EV) chargers, heat pumps, power supplies of common household electronic appliances, light emitting diode (LED) lamps, etc. Supraharmonics are therefore associated with devices at various power levels that are either already commonplace or expected to proliferate in the near future. Furthermore, resonances can also contribute to the amplification of current components in the supraharmonic range [6]. Capacitors such as those intended for reactive power compensation can interact with the grid inductance, generating unexpectedly high distortion.
Even though high-frequency switching is a long-established technology, interest in the field of supraharmonics is relatively recent and the research that has been conducted so far is not as extensive compared to other power quality issues [7]. Supraharmonic components tend to have lower amplitudes than low-order harmonics. Highly sensitive measurement sensors with wide bandwidth and recorders with high resolution and dynamic range are required in order for these emissions to be accurately evaluated. Thorough investigations of possible measurement and analysis methods for the supraharmonic frequency range can be found in [8,9]. More importantly, without any evidence of serious issues that could be specifically attributed to supraharmonics, there used to be no incentive for research in this field. However, this is no longer the case. New research has revealed that the presence of supraharmonic sources along a distribution line is responsible for unpredictable behavior and malfunctions of equipment connected to the same line. Various instances of disturbances have been documented [6,10,11,12], including mechanical oscillations, audible noise in equipment, and overheating of transformers and machines. At the supraharmonic frequency range, devices comprising shunt capacitors usually have lower impedance than the grid, thus providing a better path for supraharmonic currents. Losses in capacitors consequently increase, resulting in accelerated aging. The supraharmonic emission of commonly used equipment with low power ratings like LED and CFL lighting devices was examined in [13,14]. The utilization of large parts of the supraharmonic frequency band for power line communications (PLC) is another important issue [15]. Considering that a smart grid is supposed to improve efficiency while ensuring reliability, disruptions of two-way communication and inaccurate smart meter readings can be detrimental to its operation.
Supraharmonic emissions from PV systems including field measurements are examined in [16,17,18,19,20]. Three-phase grid connected PV systems with unity power factor inverters are commonplace, with an increasing presence in residential areas. Small-scale systems installed on rooftops may not be considered as major supraharmonic polluters when viewed individually, but their cumulative effect can be significant. Furthermore, even though supraharmonics rarely propagate far from their source, a disruption of the operation of local loads is possible and should be addressed [21]. Bearing in mind that the distortion originating from renewable energy sources is not consistent, the collection of as much information as possible on such installations is imperative. This information can shed more light into supraharmonic emission characteristics and influencing factors such as solar irradiance [22,23,24]. To this end, field measurements are indispensable, but simulation studies can also play an important role due to their inherent flexibility. This permits variations of a wide range of system parameters that may not be easily modified in actual systems [24,25]. Possible variations concern not only individual component characteristics but also the configuration of the system in its entirety. Simulations can thus provide useful guidance in the search for possible sources of disruption in existing installations and the selection of appropriate mitigating techniques. More importantly, they can facilitate predictions regarding the impact of new equipment during the design stages, before actual installation.
According to [26], one of the major challenges in modeling PV inverters for high-frequency studies is the selection between a time domain and a frequency domain approach. In the former, a PV inverter is modeled in accordance with its specific internal circuit configuration (a white box approach). In the latter, less detail is required, as the model is based on already acquired measurements (a black box approach). A white box approach results in a more accurate prediction of the PV inverter behavior. However, there are practical limitations to its application, such as the lack of available information on the internal circuitry of commercial inverters. Even if detailed modeling is possible, the simulation of the system operation can turn out to be a time-consuming process. More importantly, the proposed model is usually associated with a specific type of PV inverter. This may be useful in the design stages of a particular device, but, from the power system perspective, an approach applicable to a wider range of devices is more practical. Therefore, many publications analyze phenomena in the frequency domain by means of simplified equivalent circuits corresponding to specific frequencies included in the supraharmonic emission [21,27,28]. Systems are modeled as current sources, based on existing measurements, in conjunction with capacitors representing input filters. The total impact of the system is derived from superposition. The proposed models can offer valuable insight into the propagation of supraharmonic currents and the interaction between devices, i.e., secondary emission. However, they are not suitable for studying the impact of characteristic parameters of a PV system. By using a time domain approach, basic working principles can be incorporated in the modelling process, allowing for a better representation of the behavior of the system under study.
In this paper, parameters formulating the supraharmonic behavior of a three-phase PV system are investigated by means of a dedicated simulation tool presented in [29]. The proposed approach permits the study of phenomena caused by the switching action of the inverter with low computational cost. For the power conditioning unit, the widely used topology of a two-stage inverter is considered. The same methodology was utilized in [24] in the study of a system with a simpler configuration, which demonstrated the impact of irradiance, filter and line parameters on the supraharmonic currents injected into the grid. In the present paper, parameters affecting supraharmonic levels at the PV system output, as well as at the inverter output, before the filter, are examined. Due to the crucial role of the inverter switching action in shaping the frequency spectrum at its output, factors associated with switch control are discussed. Parameters that limit the output filter effectiveness in mitigating distortion on the grid side are then considered. Furthermore, a local network comprising the PV system and a three-phase PWM-controlled rectifier is examined. This additional supraharmonic source could be perceived, for example, as the front-end converter connecting an EV charger to the ac grid [30]. Interactions between the two systems during simultaneous operation are examined, also taking into account irradiance variations. Finally, the impact of the entire network on the power quality at its point of connection to the utility grid is evaluated. An approach based on power components is proposed that can offer insight on interactions within this network, which cannot be obtained by means of conventional indices. An association between grid supraharmonic-related power quality and irradiance levels is investigated.

2. Materials and Methods

The modelling approach employed in this study is a time domain approach based on an ideal switch model, i.e., a zero resistance (short circuit) when closed and an infinite resistance (open circuit) when open. The mathematical framework was presented in [29] and is briefly outlined in Appendix A. The system model constructed using this approach is independent of the switch technology. Its behavior is predictable, irrespective of frequency, temperature etc. The topology of the power electronic converter circuit varies along with the conduction state of the switches and each state is represented by a different set of equations. The minimization of the dimension of system equations at each conduction state is one of the advantages of this approach. The process of the topology modification is performed by means of a transformation tensor. All parameters of the state equations are computed from appropriate modifications of their predecessors in the previous conduction state.

3. PV System Simulation Study

3.1. System Model

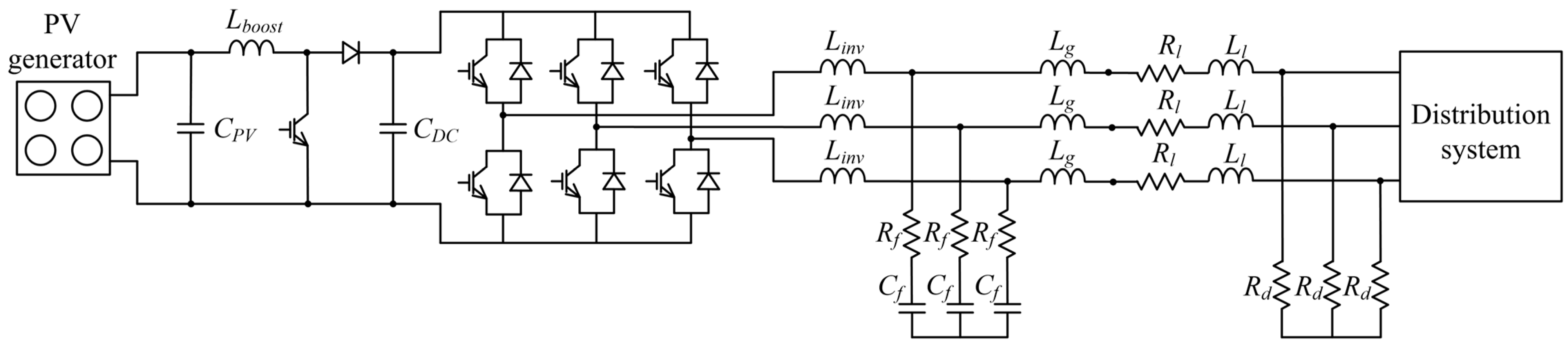
The complete model for a PV system with the configuration shown in Figure 1 is considered. A PV generator with an 8 kWp-rated output power is connected to a low-voltage distribution line supplied from a three-phase step-down distribution transformer. The power conditioning unit includes a digitally controlled, force-commutated, three-phase voltage source inverter (VSI). This inverter is fed through a boost converter that regulates the PV generator DC voltage level and ensures MPP operation at every irradiance value. The inverter is controlled via sinusoidal pulse width modulation (SPWM) with a 16 kHz switching frequency. It should be noted that this frequency is selected in accordance with an actual system from which field measurements have been obtained, discussed in Section 5. Nevertheless, the simulation approach is general and can be applied for any system, regardless of the operating frequency. Symmetrical regular sampling with a 16 kHz sampling frequency is used and a near-unity power factor operation is maintained. Furthermore, the modulating signal for the switch control is considered to be an internally generated sinusoidal signal which is synchronized with the converter supply voltage by using zero-crossing detection. The inverter, along with an LCL filter, converts DC power into three-phase AC power that must comply with grid-connection standards. A transformerless connection to the distribution line is assumed. The distribution line up to the point of connection of the PV system is modeled as a resistance Rl and an inductance Ll per phase. The distribution system is modeled as an equivalent three-phase sinusoidal voltage source with a resistance RS and an inductance LS (per phase) for the distribution transformer and a resistive three-phase load depicted as a resistance Rd (per phase). The supply voltages are assumed to constitute a balanced three-phase system.
In Figure 1, Linv and Lg are LCL filter inductances, Cf is the LCL filter capacitance and Rf its series resistance (per phase). Furthermore, CPV is the capacitance of the PV output capacitor, Lboost is the boost converter inductance and CDC is the boost converter capacitance. The values of the circuit elements in the configuration shown in Figure 1 are included in Appendix B. The PV generator component of the system is modelled as described in Appendix A. Additionally, for the approximation of its parameters from PV characteristic values commonly provided by manufacturers, i.e., short circuit current, open circuit voltage, as well as voltage and current at the maximum power point of the PV characteristic, models derived from [31,32] can be utilized. This includes modifications to these parameters due to irradiance and temperature variations.
During a clear-sky day, solar irradiance increases from very low in the early morning to maximum level at midday. This is repeated in reverse during the afternoon. Significant but random variations are also possible, depending for example on the cloud pattern, but these are not taken into account in this study. Irradiance values on the PV array surface during the course of the day are approximated by a simple model given by
G = 1000 sin 15 τ 90
where G is the solar irradiance in W/m2 and τ is solar time in h [29]. Furthermore, constant hourly values of irradiance are assumed, resulting in an approximation of Equation (1) by means of the step function illustrated in Figure 2. The maximum value of irradiance acquired from this approximation is 991 W/m2 and the minimum is 131 W/m2.

3.2. Simulation Results

The waveforms of all three phases of the current at the output of the PV system are presented in Figure 3. The maximum irradiance value of 991 W/m2 is assumed, henceforth denoted as Gmax. Cell temperature is assumed to be constant, equal to the cell reference temperature. The respective frequency spectra are also shown in Figure 3. It can be observed that they contain significant supraharmonic components at the switching frequency (16 kHz) and its multiples. Furthermore, there are current components of significant magnitude around 7 kHz that can be attributed to a system resonance associated with the selected filter parameters. It should be noted that all supraharmonic spectra presented in this paper are based on rms values and are limited to 120 kHz, since the emission in the frequency range beyond this point is considered negligible. Phase angle information is not included in the results. It could, however, be utilized in a study investigating the possibility of supraharmonic cancellation within a network with multiple supraharmonic sources.
The waveform and frequency spectrum of the current of phase A at the inverter output, before the filter, are shown in Figure 4a. The results for the phase voltage waveform at the PV system output are shown in Figure 4b. The thickness of the line in the time domain graphs in both figures is associated with the supraharmonic content. This distortion is especially pronounced at the inverter output. It is only partially mitigated by the filter, thus the current at the PV system output after the filter retains some supraharmonic content, as shown in Figure 3. These current supraharmonics are injected into the grid, resulting in a distortion of the voltage. Indeed, the supraharmonic spectrum reveals potentially harmful disturbances in the supply voltage of other devices connected to the same line. Their severity is associated with the impedance of the line and the distance between the connection points of the PV system and each device.

4. Parameter Impact Assessment

4.1. Environmental Parameter Impact Assessment

The impact of irradiance levels on the supraharmonic emission of the PV system under consideration is examined. Waveforms of phase A of the current at the PV system output for various irradiance levels calculated by means of Figure 2 are presented in Figure 5 along with their corresponding frequency spectra. Six values of irradiance are examined, from 131 W/m2 up to 991 W/m2, corresponding to the points in Figure 2.
It can be observed from Figure 5 that even though the system power output changes throughout the day, the rms values of the main supraharmonic components associated with the switching frequency remain the same. Therefore, the supraharmonic emissions of the PV system affect the grid in a relatively constant manner, regardless of its energy contribution, as long as the system remains in operation.
The effect of temperature on supraharmonic emissions is investigated next. To this end, simulation results for additional temperature values are presented. Current waveforms and corresponding frequency spectra at 991 W/m2 and 609 W/m2 at ambient temperatures of 30 °C and 40 °C are presented in Figure 6. These values are common for an actual system. Similar simulation results were obtained for other temperature values. By comparing these results to their counterparts in the previous section, it can be deduced that supraharmonic components at the switching frequency and its multiples are not affected by temperature. It should be noted that possible effects of temperature variations on other components of the PV system are not investigated in this paper. Their incorporation in the system model is one of our future research goals.

4.2. Inverter Switching Impact Assessment

According to the previous section, the frequency spectrum of the PV system output remains constant, regardless of environmental parameter variations. This frequency spectrum is directly associated with the PWM method and the chosen switching frequency. Furthermore, possible deviations of the operation of the switches from the ideal according to PWM theory could result in unpredictable behavior. Even though the supraharmonic levels at the PV system output are ultimately determined by the output filter and its mitigation capabilities, factors affecting switch control pulses should be investigated first.

4.2.1. Sampling Method and Frequency

One of the factors shaping switch control pulses is the method used for the sampling of the reference signal. Naturally sampled PWM (Figure 7a) adheres to the theoretical definition of PWM [33,34] and is based on the detection of the intersection between the low-frequency sinusoidal reference signal and the high-frequency triangular carrier. However, its practical implementation is considered to be challenging, so the operation of modern PWM converters is instead based on regular sampling techniques. More specifically, the reference waveform is sampled and then held constant for a specific time interval associated with the triangular waveform period. The controlling pulse of each phase leg of the converter is formed by a comparison of the sampled value against the triangular waveform. The samples of the reference signal are obtained either at the positive or the negative peaks of the carrier in the case of symmetrical regular sampling (Figure 7b), or at the positive as well as the negative peaks in the case of asymmetrical regular sampling (Figure 7c).
In practice, the time instants defining the gating pulses in regular-sampled PWM are simply computed in real time from a specific sampled value of the reference waveform. For the calculation, geometrical relationships involving the carrier period Tc and a sample of the reference waveform us are used. Therefore, the triangular carrier does not have to be generated at all. In this manner, the computational burden on microprocessors is considerably reduced.
Instead of the symmetrical regular sampling method used in all previous cases, natural sampling is selected for the simulation. The resulting waveform and frequency spectrum for the current at the inverter output are shown in Figure 8a. By comparing this to Figure 8b, which is a reiteration of Figure 4a, it can be deduced that the effect of the sampling method choice on the main current supraharmonics is negligible. Asymmetrical regular sampling is also examined. The respective waveform and frequency spectrum are shown in Figure 8c. In terms of supraharmonics, there is no significant variation in this case either. However, it should be noted that the sampling method does affect less significant sideband supraharmonics. In order to demonstrate this, a small area of the frequency spectra of Figure 8 has been enlarged.
In modern power electronic converters, high switching frequencies are preferred for the reduction of harmonics and overall improvement in performance. However, the generation of the gating signals requires high calculation speeds, significantly increasing equipment costs. The application of methods to reduce the amount of computations can improve computation time. To this end, regular-sampled methods can be modified by using a reduced sampling frequency [34]. More specifically, instead of acquiring a different sample at the positive (or both positive and negative) peaks of the carrier waveform, the sampling frequency can be reduced by a factor of N. As a result, only one sample is obtained for every N samples of the conventional method, which is subsequently used to produce N consecutive gating pulses. Equivalently, the sampling period Tsample is increased from Tc to NTc. This approach can simplify equipment specifications and reduce costs, especially when extremely high switching frequencies are used. However, as is demonstrated in Figure 9, it can also increase supraharmonics at intermediate points of the spectrum associated with the sampling frequency.

4.2.2. Dead Time

Up until this point, the switch state was assumed to change at exactly the time instants dictated by the selected PWM scheme. Nevertheless, the change of the conduction state of the switches after a controlling pulse has been applied is not instantaneous. There is a small time lapse until the completion of this change. During this time, both switches of a converter leg may end up simultaneously conducting, thus causing a short circuit. By introducing dead time, i.e., a specific time delay between the gating signals of the two switches, this undesirable state can be avoided. In Figure 10, the waveform of the current at the inverter output for three different values of dead time is displayed. More specifically, a time interval td equal to 0.005 Tc, 0.010 Tc and 0.015 Tc was considered. An inspection of the respective frequency spectra reveals that supraharmonic components increase along with td.

4.3. Output Filter Impact Assessment

The LCL filter [35,36] is a popular solution for power quality improvement at the PV system output due to its reduced cost and size. Its purpose is to reduce the switching frequency components that emerge as a byproduct of PWM. It can be deduced from a comparison between Figure 3 and Figure 4a that the output filter of the PV system significantly suppresses the supraharmonic components of current at the inverter output. The drawback of this configuration is the resonance that occurs at a frequency below the switching frequency. This frequency is associated with the inductances Linv, Lg and capacitance Cf selected for the LCL filter as follows [35,36].
f 0 = 1 2 π L i n v + L g C f L i n v L g
For the filter parameters included in Appendix Β, this frequency is approximately 8 kHz.
For a realistic calculation of the resonant point, the grid impedance must also be taken into account in the filter parameter selection, since the additional inductance can cause a shift in the value derived from Equation (2), as shown in Figure 3. However, grid impedance is not easily predictable in real grids and random load connections and disconnections further complicate matters.
A resistance is assumed to be connected in series with the capacitor of the LCL filter in order to mitigate the current peak around the resonant point [37]. In order to examine the impact of this damping resistance, a 12.9 Ω resistance is assumed to be connected in series with the filter capacitance instead of the original value included in Appendix Β. This value corresponds to one-third of the impedance of the filter capacitor at the frequency given by Equation (2). The waveform and frequency spectrum of the PV system output current are shown in Figure 11a. A significant mitigation of the effects of the resonance is achieved. However, by increasing the damping resistance value, an increase of losses can be expected. In addition, an increase of supraharmonic rms values is observed as the filter effectiveness declines. In fact, the main switching component increases by approximately 10%. As expected, the current supraharmonics at the inverter output (Figure 11b) are not affected.
Next, a capacitance of 8 μF is considered, along with a resistance of 3.2 Ω, in accordance with [36]. The waveform and frequency spectrum of the current of phase A are shown in Figure 12. The supraharmonic components turn out to be significantly lower. However, the resonance has shifted as well, resulting in an increase of harmonics below the 40th order. Weak grids with high impedance values are more likely to be affected by this problem.
To reduce the current harmonics around the switching frequency, a larger inductance value could also be selected for the output filter. However, this results in more expensive circuit components, larger equipment volume and a poorer system dynamic response [35,36]. In low-power applications, such as the residential PV system under consideration, the LCL filter is incorporated into the power conditioning unit and the volume of the device is an important consideration during the design process. Consequently, the inductance value has to be limited.

4.4. Linear Load Impact Assessment

The effect of the linear load on the PV system output is investigated next. Instead of the resistive load initially considered, the case of an RL load is examined, as well as the extreme case of no load. The simulation results for the current at the inverter output are presented in Figure 13. The results for the original load have also been included for comparison purposes. It can be observed that the supraharmonic content of this current is the same, regardless of the load. Nevertheless, the supraharmonic current components at the grid side of the filter are affected by the change in the circuit impedance.

5. Comparison with Field Measurements

In [22], measurements carried out on an actual grid-connected PV system were presented. This system comprised an array of polycrystalline modules with a total rated output of 8 kWp connected to the LV grid via a transformerless three-phase inverter with MPPT and unity power factor functionality. An instance of the current at the PV system output obtained from that set of measurements is shown in Figure 14a, along with the respective frequency spectrum.
The inverter of this PV system is essentially a black box due to the lack of available information regarding its inner circuitry and parameter values. Therefore, the system model used in the simulation studies of the present paper is not considered to be an equivalent circuit. Even though the presence of supraharmonic components associated with the 16 kHz switching frequency of the inverter is evident, there are additional components of significant magnitude present in the spectrum. These components do not appear to be consistent with simulation results. For example, by selecting appropriate parameters for the simulation (Linv = 2.3 mH, Lg = 1.4 mH, Cf = 1μF, Rf = 18 Ω, td = 0.005 Tc, G = 927 W/m2) the waveform shown in Figure 14b can be obtained. Nevertheless, a significant factor that has not been taken into account so far is the presence of other supraharmonic sources in close proximity with the system under consideration.
The PV system under study is the only PV system connected to the distribution line. Furthermore, the installation is located in a purely residential area with no major supraharmonic sources other than common household appliances incorporating power electronic converters. It can thus be assumed that the frequency spectrum of Figure 14a is due to the superposition of supraharmonic components originating from multiple such loads operating at various connection points along the same distribution line. In order to gain some insight into possible interactions between the PV system and other supraharmonic sources, a single supraharmonic-emitting load of considerable power will be assumed to be operating simultaneously with the PV system.

6. Extended System Simulation Study

6.1. System Model

By studying the behavior of a single supraharmonic source, important conclusions can be drawn regarding the parameters that affect it. However, the coexistence of this source with other supraharmonic-emitting devices that may be connected to the same distribution line or even included in the same installation is a more realistic scenario. An examination of the supraharmonic spectrum derived from measurements of existing installations, such as Figure 14a, is likely to reveal a multitude of components, as opposed to the discrete ones derived by the simulations so far.
Non-characteristic components at the terminals of the system under consideration that are associated with other supraharmonic sources are often called secondary emission [38,39]. Apart from the determination of the secondary emission levels at the PV system terminals, a prediction of the propagation of the PV system supraharmonics (primary emission) along the distribution line is also important. The range of impact depends on the impedance of both the line and the devices connected to it.
Possible interactions during the simultaneous operation of supraharmonic sources are examined next. For this purpose, the PV system is assumed to be connected at the end of the same line as before. In this case, however, an additional supraharmonic-emitting system is included in the simulation. This system, henceforth denoted as System 2, is assumed to be of a more generic form, modelled as a constant DC load supplied via a three-phase SPWM-controlled rectifier with a switching frequency of 20 kHz. The voltage at the DC output terminals of the rectifier is kept constant. An LCL filter at the AC side is also included. The parameters of System 2 are included in Appendix B. The subscripts 1 and 2 have been included in component symbols in order to distinguish between components of the PV system and System 2, respectively.
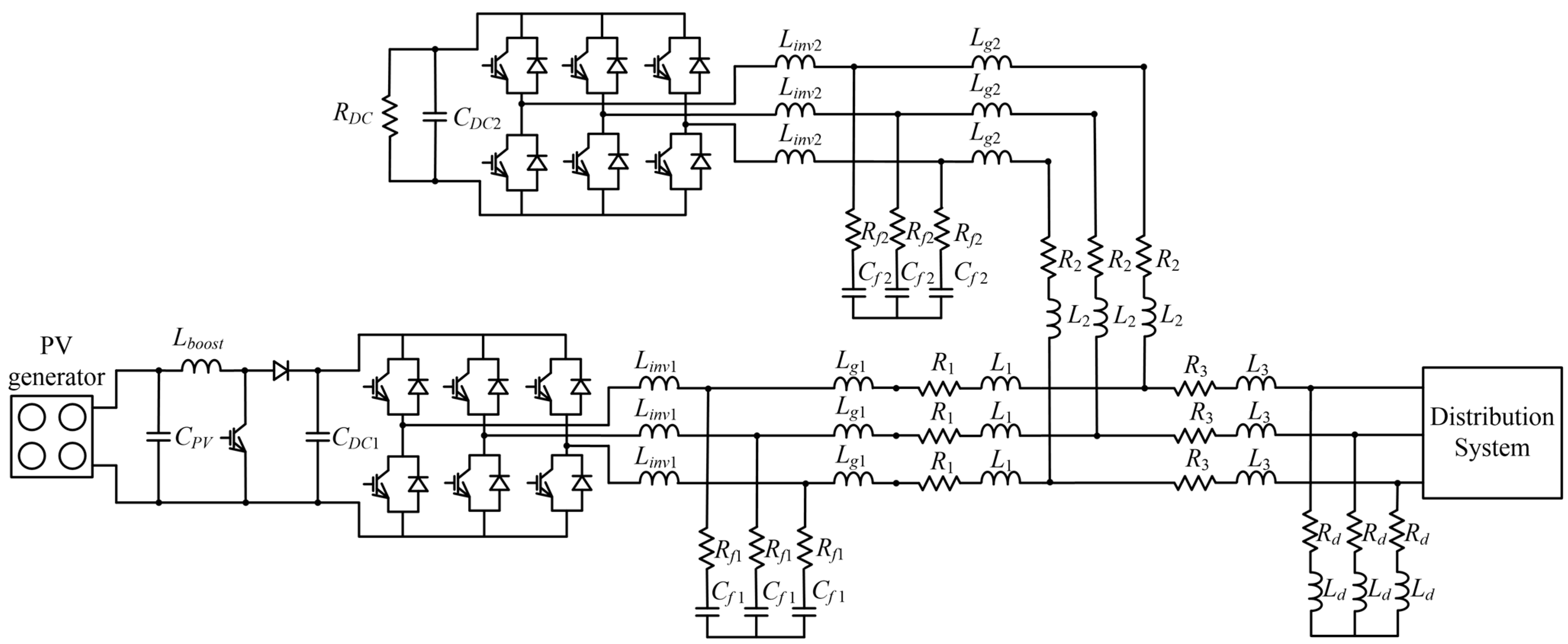
The equivalent circuit of the network is depicted in Figure 15. The PV system is connected at the end of line segment 1, System 2 is connected at the end of line segment 2, and line segment 3 runs from the connection point of segments 1 and 2 to the connection point of the local network to the distribution grid. The inductance and the resistance of segment i are denoted by Li and Ri respectively, with i = 1,2,3. Both the PV system and System 2 are assumed to be operating continuously. A near-unity power factor operation is maintained at the output of each system. In addition, a simple three-phase linear RL load is assumed to be connected to the other end of line segment 3. The grid voltages are assumed to constitute a balanced three-phase system. There are no other devices connected along the line that could inject harmonics into the grid or act as sinks. It should be noted that various devices connected along a distribution line would normally be switching on and off at random intervals, resulting in varying system impedance. However, this parameter is not taken into account.

6.2. Simulation Results

Simulation results show that the currents at the converter terminals, right before the filters, contain components that are exclusively associated with their respective switching frequencies (Figure 16). The switching components of the inverter currents are significantly reduced by their respective filters and only a small portion can be detected in the currents at the point of connection of each system. On the other hand, shunt capacitors form low impedance paths for supraharmonic currents generated by any supraharmonic source in the vicinity due to the decrease of capacitive reactance as the frequency increases. Therefore, the current at the point of connection of the PV system contains additional components that can only be associated with the switching frequency of the rectifier, and vice versa.
In Figure 17a,b the currents of the PV system and System 2 are presented. Both the primary and the secondary emission are evident in the respective frequency spectra. Furthermore, LV grid impedance is considered inductive due to the characteristics of the cable as well as the transformer. This impedance tends to increase along with the frequency, which limits the extent to which the grid can be affected by the supraharmonics injected by a single source. The supraharmonic spectrum of the current of line segment 3 (Figure 17c) contains all frequencies of the spectra of Figure 17a,b. For instance, part of the 16 kHz component generated by the PV system flows toward the filter of System 2. The remaining part flows toward the grid and can be detected in the current of line segment 3. Similar conclusions can be drawn for the 20 kHz component.
The voltage (phase A) at the point of connection of each supraharmonic source is shown in Figure 18. The current harmonic components injected into the grid along with grid impedance result in the distortion of the voltage supplied to other devices connected along the same line. The voltage at the point of connection of the linear load is also depicted in Figure 18. This voltage is indeed distorted, containing components associated with supraharmonics from both sources, but their magnitudes are reduced, due to the distance between the linear load and these sources.
The simulation is repeated for an irradiance value of 609 W/m2 and the results for the currents after the filters are presented in Figure 19. As expected, the rms values of components at the switching frequency and its multiples are constant, regardless of the change in the irradiance level. However, when the irradiance decreases, so does the fundamental component I1rms of the current at the PV system output. If the ratio of the supraharmonic component to the fundamental was examined in the form of a THD index similar to the one used for low-order harmonics, then it could be deduced that there is an increase of the PV-related disturbance as irradiance decreases.

6.3. Evaluation of Supraharmonic Disturbance

A different approach that can provide insight into the disturbance at the point of connection to the network is to examine power-related phenomena rather than the current THD. To this end, a new index called the Generalized Mutual Coupling (GMC) bivector that was introduced in [40] will be utilized. The GMC bivector is a representation of power, constructed within the framework of Geometric Algebra (GA), and it is characterized by a magnitude, direction and sense. It is based on voltage and current measurements (or calculations) at the terminals of a network element. Its conservative nature permits a correlation between the distortion at the terminals of individual elements forming a local network and the point of connection of this network to the grid. A brief overview of some basic principles that are utilized in this paper is included in Appendix C. It should be noted that the following analysis is based on a single-phase equivalent of the circuit under consideration and calculations concern per-phase quantities.
According to [40], a bivector specifically associated with supraharmonics, denoted as BMsh, can be defined. This bivector can be calculated at the terminals of the entire network by means of Equation (A16) in conjunction with Equation (A22), as well as the terminals of an individual element x of the network by means of Equations (A17), (A18) and (A22). The latter is denoted as BMxsh. Bivector BMxsh of element x can be decomposed into BMxsh-p that contributes to the network bivector BMsh and BMxsh-r that is associated with interactions among network elements.
Bivectorial expressions, in their complete form, comprise a large number of terms, resulting from all possible pairings of the harmonics present in the network. Combinations of the fundamental with a significant harmonic in the 16 kHz band and a significant component in the 20 kHz band will be considered first. The bivectors BMxsh for these specific combinations of harmonics are shown in Table 1 and Table 2 for all network elements, as well as the point of connection of the network to the grid. Calculations for three different irradiance values are presented. According to Table 1, bivector components of the PV system decrease along with irradiance, even though the supraharmonics at its output are not affected by irradiance. This is due to the decrease in the fundamental component of its output current. The bivector of System 2 is approximately constant, since this network element is assumed to be operating in a continuous manner. The slight variation is associated with the fundamental voltage drop. Furthermore, there is practically no change in the case of the linear load. On the other hand, from the viewpoint of the grid, the BMsh bivector at the connection point of the network appears to vary considerably, due to an increase in the fundamental component of the current.
For a more detailed look into the energy exchange within the network, BMxsh can be analyzed into BMxsh-p and BMxsh-r. Component BMxsh-r indicates a significant drop in the energy exchange among the PV and the two loads as irradiance decreases. Component BMxsh-p, corresponding to the contribution of the PV to the bivector at the network terminals, decreases along with irradiance as well, whereas for the two loads an increase is observed. Consequently, as a result of the drop in the energy associated with the PV system, the energy supplied by the grid has to increase due to the constant demand from System 2 and the linear load.
When the 20 kHz frequency is examined, similar conclusions can be drawn, but with less severe variations due to the smaller magnitude of the main supraharmonic current components emitted by System 2. Furthermore, System 2 has the most prominent bivector components in this case, since it is responsible for the presence of the supraharmonic frequency under consideration.
In Table 3, one can find the rms value of the fundamental current I1rms of phase A and the total harmonic distortion THDish associated with the supraharmonic spectrum of the current. As expected, in the case of the PV system this index increases as irradiance decreases. The fundamental component and the distortion at the output of System 2 is constant, thus the corresponding THDish is approximately constant as well. At the network terminals, the supraharmonics also remain the same. However, as the fundamental current at the PV system output decreases, there is an equivalent increase of the grid-supplied current in order for the current of the two loads to remain constant. Therefore, at the network terminals, the THDish decreases along with irradiance. In other words, from the viewpoint of the grid, it could be assumed that there is a decrease of the disturbance along with irradiance levels.
An assessment of the supraharmonic distortion at the point of connection of the network to the LV grid is also possible by means of the magnitude BMsh of the bivector BMsh. This index suffers from a loss of information compared to BMsh. Nevertheless, it permits the study of a broad frequency range by means of a single quantity. In this case, the fundamental harmonic along with a frequency range of 2 kHz around each of the first six switching supraharmonics of the system is considered. Just like BMsh, the magnitude BMsh is a result of the combined impact of all network elements. Individual element contributions can be allocated by means of the signed magnitudes BMxsh-p, given by Equations (A20), (A21). These values are presented in Table 3 for every network element alongside the respective THD index. At the point of connection to the network, BMxsh-p is just BMsh.
By studying BMxsh-p results in Table 3, it can be deduced that the PV system and System 2 are both emitting supraharmonics in the frequency range under consideration. However, they have opposing roles in terms of the flow of energy. According to Table 3, the linear load seems to be participating in the distortion as well. This is due to the distorted voltage at its terminals in conjunction with its high power rating. Nevertheless, the results for this load are significantly lower. More importantly, as the contribution of the PV system decreases along with irradiance, the magnitude of the network bivector increases. This indicates an increase of nonactive power terms, i.e., terms uselessly contributing to the apparent power, similar to the reactive power. Therefore, from the viewpoint of the grid, the disturbance is actually increasing.

7. Discussion

In this work, the supraharmonic emissions of a small three-phase grid-connected PV system were examined. It was demonstrated that even though the environmental conditions at the PV system location can vary significantly, its supraharmonic emissions are mainly shaped by the switching action of the PWM-controlled inverter. These emissions remain approximately constant throughout the day, as long as the system remains in operation. With this in mind, factors affecting the switch control pulses of the inverter were investigated. Even though the magnitudes of the main supraharmonics turned out to be independent of the sampling method, an emergence of additional distortion was observed at sampling frequencies lower than the switching frequency. The introduction of dead time in the switch control pulses also affected distortion levels. Next, the impact of output filter parameters on the supraharmonic components emitted by the PV inverter was examined. A sufficiently high value for the filter capacitance can drastically reduce supraharmonics at the output of the system, with the adverse effect of shifting the resonance point to lower frequencies. The damping resistance can limit the effect of the resonance, but it also tends to increase supraharmonics.
Simulation studies as well as field measurements reveal supraharmonic distortion at the PV system output that is not mitigated by the filter. At first glance, supraharmonic levels could be deemed insignificant, especially when regulation limits on low-order harmonics are considered. Furthermore, the distribution line is usually assumed to limit the propagation of supraharmonics along its length. However, sensitive equipment with output filters included in the same installation as the PV system or neighboring households can be affected by this distortion [6]. For example, in [12], cases are documented where supraharmonic voltages as low as 0.6 V (0.3% where the nominal supply voltage is 230 V) can cause audible noise. Interference with smart grid functions is also of paramount concern. A rigorous investigation of factors shaping the supraharmonic spectrum at a PV system output can reveal equipment optimization options.
It should be noted, however, that in order to obtain an accurate estimation of emissions for a given PV inverter configuration, detailed information on the inner circuitry and control of the inverter must be available. This is not always possible in the case of commercial PV inverters. More importantly, the optimal selection of filter parameters is a constrained optimization problem [35,36,37,41,42,43,44]. The constraints in the case of low-order harmonics include standard-imposed limits on the voltage and current distortion. In the case of supraharmonics, such limits have not yet been established and are currently under discussion. Furthermore, even if an optimal filter design can be selected for a specific PV inverter configuration, additional supraharmonic sources in the vicinity can negatively affect distortion levels. The integration of multiple PV systems in close proximity to each other, as well as the increasing popularity of supraharmonic-emitting loads such as EV chargers, can result in considerable supraharmonic distortion in the future. This distortion can be unpredictable and difficult to mitigate. Therefore, the development of tools that can shed more light on possible interactions is essential. To this end, a network including the PV system and an additional supraharmonic source was considered. The issue of secondary emission as a result of the interaction between supraharmonic sources was highlighted.
A summary of the parameters that have been studied and their impact on the current supraharmonics is presented in Table 4. It should be noted that parameters associated with the inverter output affect the output of the entire system as well. The severity of their impact further depends on the output filter parameters.
For the extended system representing a network with a PV system and an additional supraharmonic source, the distortion at the point of connection of the network to the grid was examined. The disturbance with respect to supraharmonics was studied in terms of THD as well as an exchange of energy associated with supraharmonics. From the results, it can be deduced that, under low irradiance conditions, a network involving PV systems and supraharmonic-emitting loads can cause an increase in power components in the supply grid. This disturbance is not predictable by means of current components or THD indices. An index based on power components can offer more insight into the severity of the supraharmonic distortion, as well as the interactions among various network elements and the distribution grid. More importantly, it can assist in the development of an appropriate framework for the optimization of the operation of the entire network. An optimization problem can be formulated based on the proposed quantities with the objective of minimizing the disturbance from the viewpoint of the grid. This is one of our future research goals.

8. Conclusions

In this paper, factors that affect the supraharmonic spectrum of the current at a PV system output are examined. Supraharmonic emissions of a PV system configuration depend on parameters selected at the design level and are thus fairly predictable. Simulation studies can help equipment manufacturers improve their designs, thus limiting the supraharmonic current components injected into the grid. In the more realistic scenario of a network with multiple supraharmonic sources, simulation studies can offer valuable information regarding possible interactions among network elements as well as the rest of the grid. They can thus help grid operators make informed decisions when dealing with incidents of supraharmonic disturbances. Along with new supraharmonic distortion assessment tools, they can help in the formulation of guidelines for future grid-connected PV system installations and the development of efficient mitigating techniques for already installed systems.

Author Contributions

Conceptualization, A.M., P.P. and C.S.P.; methodology, A.M.; software, A.M.; formal analysis, A.M.; data curation, A.M.; writing—original draft preparation, A.M.; writing—review and editing, A.M., P.P. and C.S.P.; supervision, C.S.P.; project administration, C.S.P. All authors have read and agreed to the published version of the manuscript.

Funding

This research received no external funding.

Data Availability Statement

The original contributions presented in this study are included in the article. Further inquiries can be directed to the corresponding authors.

Conflicts of Interest

The authors declare no conflict of interest.

Appendix A

Appendix A.1

System state equations are determined, according to [29], as follows. The equivalent circuit of the system is assumed to consist of linear elements and ideal switches. Ideal switches correspond to zero resistance (short circuit) when closed and an infinite resistance (open circuit) when open. If B is the fundamental loop matrix of the circuit, then all circuit elements can be grouped into submatrices so that B can be written in the general form
  s       r       s       r       C B = s r B s s 0 B s s B s r B s C 0 B r r 0 B r r B r C
where primed and unprimed subscripts denote tree branches and links, respectively. Subscripts s , r , C indicate switch branches, e, R, L branches and C branches, respectively.
State equations for the entire system can be written in the general form
L p i l + R i l + B e e + B C u C = 0
C b p u C = B C T i l
where p d / d t , il are link currents, e are voltage sources, and uC are capacitor voltages. R, L are the loop resistance and inductance matrices and Cb is the diagonal primitive capacitance matrix. Be and BC are the submatrices of B associated with source and capacitor branches, respectively. Furthermore,
i l = i s i r e = e r e r
R = R s s R s r R r s R r r L = L s s L s r L r s L r r B e = 0 B s r B r r B r r B C = B s C B r C
R s s = B s r R b r B s r T R s r = B s r R b r B r r T R r s = R s r T R r r = R b r + B r r R b r B r r T
where Rbr and Rbr’ are primitive resistance matrices. Similar formulae can be written for inductances.
The topology of the circuit varies according to the conduction state of the ideal switches. Each state is represented by a different set of equations and each set is automatically formulated by modifying the equations of the previous conduction pattern. If a switch tree branch opens in the new switching state of the inverter, then that switch must turn into a link and a former link must turn into a tree branch in order for the tree to remain connected at all times. The complete circuit Equations (A1) and (A2) are modified by means of
R ^ = R ^ s s R ^ s r R ^ r s R ^ r r L ^ = L ^ s s L ^ s r L ^ r s L ^ r r B ^ e = 0 C s B s r I B r r B ^ C = C s B s C B r C
R ^ s s = C s R s s C s T R ^ s r = C s R s r R ^ r s = R s r T R ^ r s = R s r T
L ^ s s = C s L s s C s T L ^ s r = C s L s r L ^ r s = L s r T L ^ r r = L r r
where Cs is determined as follows. If the conduction state changes so that a switch tree branch corresponding to the mth column of B opens, then this switch tree branch can interchange its role with a closed switch link corresponding to the kth row of B and
k th C s = 1 0 0 B ( k , m ) B ( 1 , m ) 0 0 1 0 B ( k , m ) B ( 2 , m ) 0 0 0 1 0 B ( k , m ) B ( k 1 , m ) B ( k , m ) B ( k , m ) B ( k + 1 , m ) 0 0 0 B ( k , m ) B ( n s , m ) 1
Finally, the set of equations of the conducting circuit can be derived by selecting appropriate rows and columns of the modified equations.

Appendix A.2

For the PV generator, during the interval t n t t n + Δ t ( Δ t : time step) of the simulation, the following linear relation between its voltage uG and current iG can be written [29]:
u G = E d n R d n i G
where
R d n = R s + 1 Λ I p h + I o i G n
is the incremental resistance of the PV generator and Rs is the intrinsic cell series resistance, Iph is the photogenerated current, and Io is the cell reverse saturation current. The constant Λ = q/(AKTc), where q is the charge of an electron, A is a curve fitting constant, K is Boltzmann’s constant, and Tc is the absolute temperature of the cell. Furthermore, a PV panel/array is treated mathematically by equations of identical form to those of a single cell by assuming that the cells are identical and by incorporating appropriate multipliers in the cell parameters corresponding to the number of series cells and parallel strings in the array. The value of Edn can be calculated as
E d n = u G n + R d n i G n
which can be considered as an equivalent voltage source. Parameters Rdn and Edn are updated after each integration time step.

Appendix B

Parameter values for the system under study are selected as follows.
PV generator: Rated power 8 kWp, 34 modules connected in two strings of 17 modules each.
A single PV module: Rated power 235 Wp, open-circuit voltage UOC,STC = 37.1 V, short-circuit current ISC,STC = 8.5 A, maximum power point voltage UMP,STC = 29.5 V, maximum power point current IMP,STC = 8 A, NOCT = 46 °C ± 2 °C, voltage temperature coefficient b = −0.32%/K, current temperature coefficient a = 0.05%/K. Estimated parameters of incremental resistance at STC: Rs = 0.361 Ω, Iph = 8.5 A, Io = 1.747·10−9, Λ = 0.601 V−1.
Inverter output filter: Linv = 2 mH, Lg = 1.2 mH, Cf = 0.5 μF, Rf = 5 Ω. Capacitor at PV output: Cpv = 15 μF. Boost converter inductor: Lboost = 3.6 mH. Boost converter capacitor: Cdc = 8 μF. Switching frequency 16 kHz.
Distribution system 1: Supply source: f = 50 Hz, ES = 400 V (line to line voltage), distribution transformer: RS = 0.067 Ω, LS = 0.35 mH, line: Rl = 0.26 Ω, Ll = 0.46 mH.
Linear load 1: 8 kW 3ph.
System 2: AC side filter: Linv2 = 1.6 mH, Lg2 = 0.96 mH, Cf2 = 1 μF, Rf2 = 3 Ω. DC side capacitor: CDC2 = 0.6 mF. Switching frequency: 20 kHz. DC load: 9.2 kW. DC voltage: 830 V.
Distribution system 2: Supply source: f = 50 Hz, ES = 400 V (line to line voltage), distribution transformer: RS = 0.067 Ω, LS = 0.35 mH, line segment 1: R1 = 0.14 Ω, L1 = 0.26 mH, line segment 2: R2 = 0.14 Ω, L2 = 0.26 mH, line segment 3: R3 = 0.12 Ω, L3 = 0.2 mH.
Linear load 2: 6.5 kW, 3 kVar 3ph.
Note: All resistance, inductance and capacitance values on the AC side correspond to per phase values.

Appendix C

Indices for distortion assessment based on power components, according to [40], are determined as follows. The voltage and the current at the terminals of a network element are assumed to contain the fundamental and a harmonic of order k. Each current harmonic is decomposed into components in phase and in quadrature with the corresponding voltage harmonic. The voltage and the current are represented by vectors u and i in a four-dimensional vector space spanned by the basis vectors e1, e2, e3, e4. More specifically,
u = U 1 e 1 + U k e 3
i = I 1 cos φ 1 e 1 + I 1 sin φ 1 e 2 + I k cos φ k e 3 + I k sin φ k e 4
where Ui and Ii are the rms values of the i-th harmonic component of the voltage and the current, respectively, and φi is their phase difference, with i = 1, k. Then, the GMC bivector is defined as follows.
B M = P M 1 k P M k 1 e 13 + Q M 1 k e 14 + Q M k 1 e 32
where PMij = UiIjcosφj, QMij = UiIjsinφj, i = 1, k and j = 1, k. The components of this bivector result from the rms values of voltage and current and their phase difference, at every harmonic, at the terminals under consideration. Furthermore, terms e13, e14, e32 are unit bivectors, representing unique directions in the geometric algebra space generated by the four-dimensional vector space that was used for the representation of the voltage and the current. The components of Equation (A16) comprising these unit bivectors cannot be algebraically added, just like the active and reactive power components of the complex power in circuits with sinusoidal waveforms.
When multiple harmonics are present in the circuit instead of the single pair considered in Equations (A14)–(A16), then all possible harmonic pairs have to be taken into account. Each additional harmonic in the current and/or the voltage adds two more dimensions to the vector space, and the associated geometric algebra space is augmented accordingly. The complete bivector BM can then be calculated as the sum of N bivectors in the form of Equation (A16) resulting from the N pairs of harmonics present in the circuit.
When a larger network is being examined, the bivectors at the terminals of each individual network element can be calculated according to Equation (A16) and, in addition, these bivectors can also be correlated with the bivector at a specific point of interest, such as the point of connection of the network to the distribution grid. The contribution of each individual element can thus be assessed. More specifically, in order to correlate bivector BMx of a network element x with bivector BM at the network terminals, BMx is expressed as follows:
B M x = [ ( P M x , 1 k P M x , k 1 ) e 13 + Q M x , 1 k e 14 + Q M x , k 1 e 32 ] R x
where Rx is associated with the phase angle difference between the voltage at the reference terminals and the voltage at the terminals of element x. It can be calculated as follows:
R x = cos θ x , 1 cos θ x , k + cos θ x , 1 sin θ x , k e 34 + sin θ x , 1 cos θ x , k e 12 + sin θ x , 1 sin θ x , k e 12 e 34
where θx,i denotes the phase difference between the i-th component of the voltage at the reference terminals and the voltage at the terminals of element x. If there are multiple harmonics present, then more of these multivectors have to be derived, one for each possible harmonics pair.
The multivector is a conservative quantity; therefore, if there are n elements in the network, irrespective of the way they are connected, then for the bivector BM at the network terminals it can be written that
B M = n B M n
Each of the individual element bivectors in Equation (A19) has its own magnitude, direction and sense. They counteract each other in every other direction but the direction of BM. Bivector BMx of element x can thus be decomposed into a component contributing to BM and a component not contributing to BM. The former is denoted as BMx-p and the latter as BMx-r. The sum of BMx-p components equals BM, whereas the sum of BMx-r equals zero. Component BMx-r is associated with exchanges among network elements. Furthermore, component BMx-p can be expressed as
B M x p = b M x B M
where bMx is a signed scalar coefficient given by
b M x = B M x B M 0 B M 2
In Equation (A21), B M x B M 0 denotes the scalar part of the geometric product B M x B M , BM the magnitude of BM, and B M = B M . Component BMx-p has the same direction as BM and magnitude and sense given by bMxBM. The latter is denoted in this paper as BMx-p.
A special grouping of bivectorial terms was proposed in [40], depending on the profile of harmonic pollution. In particular, bivector BM can be decomposed as follows:
B M = B M h + B M s h
where BMh contains all terms of BM that exclusively involve low-order harmonics and BMsh contains terms that involve at least one supraharmonic. In this case, two distinct coefficients can be derived, i.e., bMhx and bMshx.

References

  1. Blaabjerg, F.; Chen, Z.; Kjaer, S.B. Power Electronics as Efficient Interface in Dispersed Power Generation Systems. IEEE Trans. Power Electron. 2004, 19, 1184–1194. [Google Scholar] [CrossRef]
  2. Bollen, M.; Olofsson, M.; Larsson, A.; Rönnberg, S.; Lundmark, M. Standards for Supraharmonics (2 to 150 kHz). IEEE Electromagn. Compat. Mag. 2014, 3, 114–119. [Google Scholar] [CrossRef]
  3. Alkahtani, A.A.; Alfalahi, S.T.Y.; Athamneh, A.A.; Al-Shetwi, A.Q.; Bin Mansor, M.; Hannan, M.A.; Agelidis, V.G. Power Quality in Microgrids Including Supraharmonics: Issues, Standards, and Mitigations. IEEE Access 2020, 8, 127104–127122. [Google Scholar] [CrossRef]
  4. Rajkumar, S.; Balasubramanian, R.; Kathirvelu, P. A Comprehensive Review on Supraharmonics—The Next Big Power Quality Concern. Smart Grids Sustain. Energy 2024, 9, 15. [Google Scholar] [CrossRef]
  5. Aboutaleb, A.M.; Desmet, J.; Knockaert, J. Impact of Grid-Connected Inverter Parameters on the Supraharmonic Emissions in Distributed Power Generation Systems. Machines 2023, 11, 1014. [Google Scholar] [CrossRef]
  6. Mariscotti, A.; Mingotti, A. The Effects of Supraharmonic Distortion in MV and LV AC Grids. Sensors 2024, 24, 2465. [Google Scholar] [CrossRef] [PubMed]
  7. Michalec, Ł.; Kostyła, P.; Leonowicz, Z. Supraharmonic Pollution Emitted by Nonlinear Loads in Power Networks—Ongoing Worldwide Research and Upcoming Challenges. Energies 2023, 16, 273. [Google Scholar] [CrossRef]
  8. Khokhlov, V.; Meyer, J.; Grevener, A.; Busatto, T.; Rönnberg, S. Comparison of Measurement Methods for the Frequency Range 2–150 kHz (Supraharmonics) Based on the Present Standards Framework. IEEE Access 2020, 8, 77618–77630. [Google Scholar] [CrossRef]
  9. Ritzmann, D.; Lodetti, S.; de la Vega, D.; Khokhlov, V.; Gallarreta, A.; Wright, P.; Meyer, J.; Fernández, I.; Klingbeil, D. Comparison of Measurement Methods for 2–150-kHz Conducted Emissions in Power Networks. IEEE Trans. Instrum. Meas. 2021, 70, 9001110. [Google Scholar] [CrossRef]
  10. Meyer, J.; Haehle, S.; Schegner, P. Impact of Higher Frequency Emission above 2 kHz on Electronic Mass-Market Equipment. In Proceedings of the 22nd International Conference on Electricity Distribution (CIRED), Stockholm, Sweden, 10–13 June 2013. [Google Scholar] [CrossRef]
  11. Darmawardana, D.; Perera, S.; Robinson, D.; David, J.; Meyer, J.; Jayatunga, U. Impact of High Frequency Emissions (2-150 kHz) on Lifetime Degradation of Electrolytic Capacitors in Grid Connected Equipment Supraharmonic Measurements. In Proceedings of the 2019 IEEE Power & Energy Society General Meeting (PESGM), Atlanta, GA, USA, 4–8 August 2019. [Google Scholar] [CrossRef]
  12. Espín-Delgado, Á.; Rönnberg, S.; Letha, S.S.; Bollen, M. Diagnosis of Supraharmonics-Related Problems Based on the Effects on Electrical Equipment. Elect. Power Syst. Res. 2021, 195, 107179. [Google Scholar] [CrossRef]
  13. Agudelo-Martínez, D.; Limas, M.; Pavas, A.; Bacca, J. Supraharmonic Bands Detection for Low Voltage Devices. In Proceedings of the 17th International Conference on Harmonics and Quality of Power (ICHQP), Belo Horizonte, Brazil, 16–19 October 2016. [Google Scholar] [CrossRef]
  14. Agudelo-Martínez, D.; Pavas, A. Current Supraharmonics Identification in Commonly Used Low Voltage Devices. In Proceedings of the IEEE Workshop on Power Electronics and Power Quality Applications (PEPQA), Bogota, Colombia, 2–4 June 2015. [Google Scholar] [CrossRef]
  15. Bucci, G.; Ciancetta, F.; Fioravanti, A.; Fiorucci, E. The Effects of LED Lamps Emissions on PLC: A Preliminary Study in a Realistic Scenario. In Proceedings of the IEEE International Workshop on Metrology for Industry 4.0, Trento, Italy, 7–9 June 2022. [Google Scholar] [CrossRef]
  16. Varatharajan, A.; Schoettke, S.; Meyer, J.; Abart, A. Harmonic Emission of Large PV Installations Case Study of a 1 MW Solar Campus. Renew. Energy Power Qual. J. 2014, 1, 701–706. [Google Scholar] [CrossRef]
  17. Chicco, G.; Russo, R.; Spertino, F. Supraharmonics: Concepts and Experimental Results on Photovoltaic Systems. In Proceedings of the 2015 International School on Nonsinusoidal Currents and Compensation (ISNCC), Lagow, Poland, 15–18 June 2015. [Google Scholar] [CrossRef]
  18. Klatt, M.; Meyer, J.; Schegner, P.; Lakenbrink, C. Characterization of Supraharmonic Emission Caused by Small Photovoltaic Inverters. In Proceedings of the Mediterranean Conference on Power Generation, Transmission, Distribution and Energy Conversion (MedPower 2016), Belgrade, Serbia, 6–9 November 2016. [Google Scholar] [CrossRef]
  19. Darmawardana, D.; Perera, S.; Robinson, D.; Ciufo, P.; Meyer, J.; Klatt, M.; Jayatunga, U. Investigation of High Frequency Emissions (supraharmonics) from Small, Grid-Tied, Photovoltaic Inverters of Different Topologies. In Proceedings of the 18th International Conference on Harmonics and Quality of Power (ICHQP), Ljubljana, Slovenia, 13–16 May 2018. [Google Scholar] [CrossRef]
  20. Carneiro, R.K.; Ota, J.I.Y.; Pomilio, J.A. Field Measurements of Non-Intentional Emissions Above 2 kHz in Photovoltaic Inverter Installations. In Proceedings of the IEEE 29th International Symposium on Industrial Electronics (ISIE), Delft, The Netherlands, 17–19 June 2020. [Google Scholar] [CrossRef]
  21. Waniek, C.; Wohlfahrt, T.; Myrzik, J.M.A.; Meyer, J.; Klatt, M.; Schegner, P. Supraharmonics: Root Causes and Interactions Between Multiple Devices and the Low Voltage Grid. In Proceedings of the IEEE PES Innovative Smart Grid Technologies Conference Europe (ISGT-Europe), Turin, Italy, 26–29 September 2017. [Google Scholar] [CrossRef]
  22. Barkas, D.; Menti, A.; Pachos, P.; Psomopoulos, C.S. Experimental Investigation of the Impact of Environmental Parameters on the Supraharmonic Emissions of PV Inverters. AIMS Energy 2024, 12, 761–773. [Google Scholar] [CrossRef]
  23. Roy, S.; Debnath, A.; Tariq, M.; Behnamfar, M.; Sarwat, A. Characterizing Current THD’s Dependency on Solar Irradiance and Supraharmonics Profiling for a Grid-Tied Photovoltaic Power Plant. Sustainability 2023, 15, 1214. [Google Scholar] [CrossRef]
  24. Menti, A.; Barkas, D.; Kaminaris, S.; Psomopoulos, C.S. Supraharmonic Emission from a Three-Phase PV System Connected to the LV Grid. Energy Rep. 2021, 7, 527–542. [Google Scholar] [CrossRef]
  25. Li, T.; Rong, B.; Wu, Z.; Huang, J.; Huang, K. Research on Supraharmonic Emission Characteristics and Influence Factors of Two-Stage Single-Phase Frequency Converter. Energy Rep. 2023, 9, 1212–1224. [Google Scholar] [CrossRef]
  26. Darmawardana, D.; Perera, S.; Robinson, D.; Meyer, J.; Jayatunga, U. Important Considerations in Development of PV Inverter Models for High Frequency Emission (Supraharmonic) Studies. In Proceedings of the 19th International Conference on Harmonics and Quality of Power (ICHQP), Dubai, United Arab Emirates, 6–7 July 2020. [Google Scholar] [CrossRef]
  27. Rönnberg, S.; Larsson, A.; Bollen, M.; Schamen, J. A Simple Model for Interaction between Equipment at a Frequency of Some Tens of kHz. In Proceedings of the 21st International Conference on Electricity Distribution (CIRED), Frankfurt, Germany, 6–9 June 2011. [Google Scholar]
  28. Slangen, T.; Van Wijk, T.; Ćuk, V.; Cobben, S. The Propagation and Interaction of Supraharmonics from Electric Vehicle Chargers in a Low-Voltage Grid. Energies 2020, 13, 3865. [Google Scholar] [CrossRef]
  29. Menti, A.; Zacharias, T.; Milias-Argitis, J. Harmonic Distortion Assessment for a Single-Phase Grid-Connected Photovoltaic System. Renew. Energy 2011, 36, 360–368. [Google Scholar] [CrossRef]
  30. Mariscotti, A. Harmonic and Supraharmonic Emissions of Plug-in Electric Vehicle Chargers. Smart Cities 2022, 5, 496–521. [Google Scholar] [CrossRef]
  31. Sera, D.; Teodorescu, R.; Rodriguez, P. PV Panel Model Based on Datasheet Values. In Proceedings of the IEEE International Symposium on Industrial Electronics, Vigo, Spain, 4–7 June 2007; pp. 2392–2396. [Google Scholar] [CrossRef]
  32. De Soto, W.; Klein, S.A.; Beckman, W.A. Improvement and Validation of a Model for Photovoltaic Array Performance. Sol. Energy 2006, 80, 78–88. [Google Scholar] [CrossRef]
  33. Holmes, D.G.; Lipo, T.A. Pulse Width Modulation for Power Converters: Principles and Practice; Wiley-IEEE Press: Hoboken, NJ, USA, 2003. [Google Scholar]
  34. Bowes, S.R.; Holliday, D. Optimal Regular-Sampled PWM Inverter Control Techniques. IEEE Trans. Ind. Electron. 2007, 54, 1547–1559. [Google Scholar] [CrossRef]
  35. Liserre, M.; Blaadbjerg, F.; Hansen, S. Design and Control of an LCL-Filter-Based Three-Phase Active Rectifier. IEEE Trans. Ind. Appl. 2005, 41, 1281–1291. [Google Scholar] [CrossRef]
  36. Reznik, A.; Simões, M.G.; Al-Durra, A.; Muyeen, S.M. LCL Filter Design and Performance Analysis for Grid-Interconnected Systems. IEEE Trans. Ind. Appl. 2014, 50, 1225–1232. [Google Scholar] [CrossRef]
  37. Peña-Alzola, R.; Liserre, M.; Blaabjerg, F.; Sebastián, R.; Dannehl, J.; Fuchs, F.W. Analysis of the Passive Damping Losses in LCL-Filter-Based Grid Converters. IEEE Trans. Power Electron. 2013, 28, 2642–2646. [Google Scholar] [CrossRef]
  38. Rönnberg, S.; Bollen, M. Measurements of Primary and Secondary Emission in the Supraharmonic Frequency Range 2–150 kHz. In Proceedings of the International Conference and Exhibition on Electricity Distribution, Guangzhou, China, 15–18 June 2015. [Google Scholar]
  39. Pinto, J.; Grasel, B.; Baptista, J. Analysis of Supraharmonics Emission in Power Grids: A Case Study of Photovoltaic Inverters. Electronics 2024, 13, 4880. [Google Scholar] [CrossRef]
  40. Menti, A.; Barkas, D.; Pachos, P.; Psomopoulos, C.S. Contribution of a Power Multivector to Distorting Load Identification. AIMS Energy 2023, 11, 271–292. [Google Scholar] [CrossRef]
  41. Gurrola-Corral, C.; Segundo, J.; Esparza, M.; Cruz, R. Optimal LCL-Filter Design Method for Grid-Connected Renewable Energy Sources. Int. J. Electr. Power Energy Syst. 2020, 120, 105998. [Google Scholar] [CrossRef]
  42. Alghamdi, T.A.H.; Anayi, F.; Packianather, M. Optimal Design of Passive Power Filters Using the MRFO Algorithm and a Practical Harmonic Analysis Approach Including Uncertainties in Distribution Networks. Energies 2022, 15, 2566. [Google Scholar] [CrossRef]
  43. Abbas, A.S.; El-Sehiemy, R.A.; Abou El-Ela, A.; Ali, E.S.; Mahmoud, K.; Lehtonen, M.; Darwish, M.M.F. Optimal Harmonic Mitigation in Distribution Systems with Inverter Based Distributed Generation. Appl. Sci. 2021, 11, 774. [Google Scholar] [CrossRef]
  44. Cai, Y.; He, Y.; Zhou, H.; Liu, J. Design Method of LCL Filter for Grid-Connected Inverter Based on Particle Swarm Optimization and Screening Method. IEEE Trans. Power Electron. 2021, 36, 10097–10113. [Google Scholar] [CrossRef]
Figure 1. Equivalent circuit for the system under consideration.
Figure 1. Equivalent circuit for the system under consideration.
Energies 18 00564 g001
Figure 2. Approximation of daily variation of solar irradiance.
Figure 2. Approximation of daily variation of solar irradiance.
Energies 18 00564 g002
Figure 3. Current waveforms at the output of the PV system (phases A, B and C) and associated frequency spectra, G = Gmax.
Figure 3. Current waveforms at the output of the PV system (phases A, B and C) and associated frequency spectra, G = Gmax.
Energies 18 00564 g003
Figure 4. (a) Current (phase A) at the output of the PV inverter and its frequency spectrum, G = Gmax; (b) voltage (phase A) at the output of the PV system and its frequency spectrum, G = Gmax.
Figure 4. (a) Current (phase A) at the output of the PV inverter and its frequency spectrum, G = Gmax; (b) voltage (phase A) at the output of the PV system and its frequency spectrum, G = Gmax.
Energies 18 00564 g004
Figure 5. Current waveform (phase A) at PV system output and associated frequency spectrum at (a) 991 W/m2, (b) 924 W/m2, (c) 793 W/m2, (d) 609 W/m2, (e) 383 W/m2, and (f) 131 W/m2.
Figure 5. Current waveform (phase A) at PV system output and associated frequency spectrum at (a) 991 W/m2, (b) 924 W/m2, (c) 793 W/m2, (d) 609 W/m2, (e) 383 W/m2, and (f) 131 W/m2.
Energies 18 00564 g005
Figure 6. Current waveform (phase A) at PV system output and associated frequency spectrum at (a) 991 W/m2 and 30 °C, (b) 991 W/m2 and 40 °C, (c) 609 W/m2 and 30 °C, (d) 609 W/m2 and 40 °C.
Figure 6. Current waveform (phase A) at PV system output and associated frequency spectrum at (a) 991 W/m2 and 30 °C, (b) 991 W/m2 and 40 °C, (c) 609 W/m2 and 30 °C, (d) 609 W/m2 and 40 °C.
Energies 18 00564 g006
Figure 7. PWM signal generation in the case of (a) natural sampling, (b) symmetrical regular sampling, and (c) asymmetrical regular sampling.
Figure 7. PWM signal generation in the case of (a) natural sampling, (b) symmetrical regular sampling, and (c) asymmetrical regular sampling.
Energies 18 00564 g007
Figure 8. Current (phase A) at the output of the PV inverter and its frequency spectrum in the case of (a) natural sampling, (b) symmetrical regular sampling, and (c) asymmetrical regular sampling, G = Gmax.
Figure 8. Current (phase A) at the output of the PV inverter and its frequency spectrum in the case of (a) natural sampling, (b) symmetrical regular sampling, and (c) asymmetrical regular sampling, G = Gmax.
Energies 18 00564 g008
Figure 9. Current (phase A) at the output of the PV inverter and its frequency spectrum in the case of (a) symmetrical regular sampling with Tsample = Tc, (b) symmetrical regular sampling with Tsample = 4Tc, (c) asymmetrical regular sampling with Tsample = 7Tc/2, G = Gmax.
Figure 9. Current (phase A) at the output of the PV inverter and its frequency spectrum in the case of (a) symmetrical regular sampling with Tsample = Tc, (b) symmetrical regular sampling with Tsample = 4Tc, (c) asymmetrical regular sampling with Tsample = 7Tc/2, G = Gmax.
Energies 18 00564 g009
Figure 10. Current (phase A) at the output of the PV inverter and its frequency spectrum for (a) td = 0.005 Tc, (b) td = 0.010 Tc and (c) td = 0.015 Tc, G = Gmax.
Figure 10. Current (phase A) at the output of the PV inverter and its frequency spectrum for (a) td = 0.005 Tc, (b) td = 0.010 Tc and (c) td = 0.015 Tc, G = Gmax.
Energies 18 00564 g010
Figure 11. (a) Current (phase A) at the output of the PV system and its frequency spectrum, G = Gmax, increased output filter resistance; (b) current (phase A) at the output of the PV inverter and its frequency spectrum, G = Gmax, increased output filter resistance.
Figure 11. (a) Current (phase A) at the output of the PV system and its frequency spectrum, G = Gmax, increased output filter resistance; (b) current (phase A) at the output of the PV inverter and its frequency spectrum, G = Gmax, increased output filter resistance.
Energies 18 00564 g011
Figure 12. Current (phase A) at the output of the PV system and its frequency spectrum, G = Gmax, alternative Cf, Rf combination.
Figure 12. Current (phase A) at the output of the PV system and its frequency spectrum, G = Gmax, alternative Cf, Rf combination.
Energies 18 00564 g012
Figure 13. Current (phase A) at the output of the inverter and its frequency spectrum with a load of (a) Rd = 20 Ω per phase, (b) Rd = 20 Ω, Ld = 0.03 H per phase connected in series, (c) no load, G = Gmax.
Figure 13. Current (phase A) at the output of the inverter and its frequency spectrum with a load of (a) Rd = 20 Ω per phase, (b) Rd = 20 Ω, Ld = 0.03 H per phase connected in series, (c) no load, G = Gmax.
Energies 18 00564 g013
Figure 14. (a) Measurement results of the current of phase A at the PV system output at G = 927 W/m2; (b) simulated waveform of the current of phase A at the PV system output at G = 927 W/m2.
Figure 14. (a) Measurement results of the current of phase A at the PV system output at G = 927 W/m2; (b) simulated waveform of the current of phase A at the PV system output at G = 927 W/m2.
Energies 18 00564 g014
Figure 15. Equivalent circuit for the extended system under consideration.
Figure 15. Equivalent circuit for the extended system under consideration.
Energies 18 00564 g015
Figure 16. Current waveform (phase A) and its frequency spectrum (a) at the output of the PV system inverter, (b) at the AC side of the rectifier of System 2, G = Gmax.
Figure 16. Current waveform (phase A) and its frequency spectrum (a) at the output of the PV system inverter, (b) at the AC side of the rectifier of System 2, G = Gmax.
Energies 18 00564 g016
Figure 17. Current waveform (phase A) and its frequency spectrum (a) at the point of connection of the PV system, (b) at the point of connection of System 2, (c) at line segment 3, G = Gmax.
Figure 17. Current waveform (phase A) and its frequency spectrum (a) at the point of connection of the PV system, (b) at the point of connection of System 2, (c) at line segment 3, G = Gmax.
Energies 18 00564 g017
Figure 18. Voltage waveform (phase A) and its frequency spectrum (a) at the point of connection of the PV system, (b) at the point of connection of System 2, and (c) at the point of connection of the linear load, G = Gmax.
Figure 18. Voltage waveform (phase A) and its frequency spectrum (a) at the point of connection of the PV system, (b) at the point of connection of System 2, and (c) at the point of connection of the linear load, G = Gmax.
Energies 18 00564 g018
Figure 19. Current waveform (phase A) and its frequency spectrum (a) at the point of connection of the PV system, (b) at the point of connection of System 2, (c) at line segment 3, G = 609 W/m2.
Figure 19. Current waveform (phase A) and its frequency spectrum (a) at the point of connection of the PV system, (b) at the point of connection of System 2, (c) at line segment 3, G = 609 W/m2.
Energies 18 00564 g019
Table 1. Bivector components of network elements involving the fundamental and the most significant supraharmonic in the 16 kHz band.
Table 1. Bivector components of network elements involving the fundamental and the most significant supraharmonic in the 16 kHz band.
G
(W/m2)
BMxsh
(VA)
BMxsh-r
(VA)
BMxsh-p
(VA)
e13e14e23e13e14e23e13e14e23
PV System991−33.710.60.7−16.621.08.4−17.1−10.4−7.7
793−26.910.30.2−11.218.25.4−15.7−7.9−5.2
609−20.910.3−0.1−8.115.83.6−12.8−5.5−3.7
System 299116.8−3.10.24.2−10.8−5.512.77.75.7
79316.6−3.1−0.22.3−10.3−4.914.37.24.7
60916.4−3.3−0.01.2−9.8−4.415.26.54.4
Linear load9919.9−0.14.62.0−4.91.17.94.83.5
7939.7−0.14.61.2−4.31.88.54.22.8
6099.8−0.14.60.9−4.02.09.03.82.6
Line 199114.1−0.2−0.36.8−4.7−3.67.34.43.3
79311.2−0.1−0.14.5−3.5−2.36.73.42.2
6098.7−0.10.03.1−2.5−1.65.62.41.6
Line 29915.1−0.20.13.9−1.0−0.51.30.80.6
7935.1−0.2−0.13.7−0.9−0.51.40.70.5
6095.1−0.1−0.03.5−0.8−0.51.60.70.5
Line 3991−0.80.0−0.3−0.20.40.0−0.6−0.4−0.3
793−2.20.00.1−0.60.80.6−1.7−0.8−0.6
609−3.40.00.0−0.71.20.8−2.8−1.2−0.8
Point of connection to the grid99111.36.95.10.00.00.011.36.95.1
79313.66.84.50.00.00.013.66.84.5
60915.86.84.50.00.00.015.86.84.5
Table 2. Bivector components of network elements involving the fundamental and the most significant supraharmonic in the 20 kHz band.
Table 2. Bivector components of network elements involving the fundamental and the most significant supraharmonic in the 20 kHz band.
G
(W/m2)
BMxsh
(VA)
BMxsh-r
(VA)
BMxsh-p
(VA)
e15e16e25e15e16e25e15e16e25
PV System991−6.5−0.90.10.42.43.3−6.9−3.4−3.1
793−5.2−0.90.01.31.62.2−6.4−2.6−2.1
609−4.0−1.0−0.01.10.71.5−5.1−1.7−1.5
System 299115.03.10.29.90.6−2.15.12.52.3
79314.93.1−0.29.10.8−2.15.92.31.9
60914.73.1−0.08.71.1−1.86.12.01.8
Linear load9914.0−0.01.90.8−1.60.53.21.51.4
7934.0−0.01.90.5−1.40.73.51.41.1
6093.9−0.11.90.3−1.30.83.61.21.0
Line 1991−1.50.00.0−4.5−1.4−1.33.01.41.3
793−1.30.00.0−4.0−1.1−0.92.71.10.9
609−1.00.0−0.0−3.2−0.7−0.72.20.70.7
Line 2991−6.00.0−0.1−6.5−0.2−0.30.50.20.2
793−6.00.00.1−6.6−0.2−0.10.60.20.2
609−5.90.10.0−6.6−0.2−0.20.60.20.2
Line 3991−0.30.0−0.1−0.10.10.0−0.3−0.1−0.1
793−0.90.00.0−0.20.30.2−0.7−0.3−0.2
609−1.40.00.0−0.30.40.3−1.1−0.4−0.3
Point of connection to the grid9914.62.22.10.00.00.04.62.22.1
7935.52.21.80.00.00.05.52.21.8
6096.32.11.80.00.00.06.32.11.8
Table 3. Indices for the characterization of the distortion associated with network elements.
Table 3. Indices for the characterization of the distortion associated with network elements.
G
(W/m2)
I1rms
(A)
THDish
(%)
BMxsh-p
(VA)
PV System99111.90.53−33.7
7939.60.65−29.2
6097.50.84−22.9
System 299113.30.2125.0
79313.30.2126.6
60913.20.2227.2
Linear load99110.30.0015.5
79310.30.0015.7
60910.30.0816.0
Line 199111.90.5314.3
7939.60.6512.5
6097.50.8410.0
Line 299113.30.212.5
79313.30.212.7
60913.20.222.8
Line 39911.43.08−1.2
7933.71.19−3.1
6095.70.77−4.9
Point of connection to the grid99111.80.3722.3
79313.70.3225.1
60915.70.2828.2
Table 4. Parameters affecting PV system supraharmonics.
Table 4. Parameters affecting PV system supraharmonics.
Parameter VariationsMain Effect on Current Supraharmonics
Environmental conditionsIrradiance variationsNo effect
Temperature variationsNo effect
Switch controlSampling method (natural/symmetrical regular/asymmetrical regular)No effect on main components at inverter output
Sampling frequency < carrier frequencyAdditional frequencies at inverter output
Dead time increaseIncreased values at inverter output
Output filterFilter capacitance increaseDecreased values at PV system output, lower resonance frequency
Filter resistance increaseIncreased values at PV system output
Additional supraharmonic source in the same vicinity Additional frequencies at PV system output
Disclaimer/Publisher’s Note: The statements, opinions and data contained in all publications are solely those of the individual author(s) and contributor(s) and not of MDPI and/or the editor(s). MDPI and/or the editor(s) disclaim responsibility for any injury to people or property resulting from any ideas, methods, instructions or products referred to in the content.

Share and Cite

MDPI and ACS Style

Menti, A.; Pachos, P.; Psomopoulos, C.S. Supraharmonic Distortion at the Grid Connection Point of a Network Comprising a Photovoltaic System. Energies 2025, 18, 564. https://doi.org/10.3390/en18030564

AMA Style

Menti A, Pachos P, Psomopoulos CS. Supraharmonic Distortion at the Grid Connection Point of a Network Comprising a Photovoltaic System. Energies. 2025; 18(3):564. https://doi.org/10.3390/en18030564

Chicago/Turabian Style

Menti, Anthoula, Pavlos Pachos, and Constantinos S. Psomopoulos. 2025. "Supraharmonic Distortion at the Grid Connection Point of a Network Comprising a Photovoltaic System" Energies 18, no. 3: 564. https://doi.org/10.3390/en18030564

APA Style

Menti, A., Pachos, P., & Psomopoulos, C. S. (2025). Supraharmonic Distortion at the Grid Connection Point of a Network Comprising a Photovoltaic System. Energies, 18(3), 564. https://doi.org/10.3390/en18030564

Note that from the first issue of 2016, this journal uses article numbers instead of page numbers. See further details here.

Article Metrics

Back to TopTop