Next Article in Journal
Dielectric and Gas Production Characteristics of Synthetic Esters Under Different Discharge Energies
Next Article in Special Issue
Validation and Application of CFD Methodology for Core Inlet Flow Distribution in APR1000 Reactor
Previous Article in Journal
A Fault Early Warning Method Based on Auto-Associative Kernel Regression and Auxiliary Classifier Generative Adversarial Network (AAKR-ACGAN) of Gas Turbine Compressor Blades
Previous Article in Special Issue
The Effect of Backfill Gas Pressure on the Thermal Response of a Dry Cask for Spent Nuclear Fuel
 
 
Font Type:
Arial Georgia Verdana
Font Size:
Aa Aa Aa
Line Spacing:
Column Width:
Background:
Article

Investigation on MELCOR Code Capabilities for the Simulation of Lithium–Lead Chemical Interactions for Fusion Safety Applications

by
Francesco Galleni
1,*,
Vittorio Cossu
1,
Marigrazia Moscardini
2 and
Nicola Forgione
1
1
Laboratorio Simulazione per la Termoidraulica Nucleare (LSTN), Dipartimento di Ingegneria Civile e Indistriale, (DICI), University of Pisa, L.go Lucio Lazzarino n. 2, 56122 Pisa, Italy
2
Baker Hughes, Piazza Enrico Mattei, 50127 Florence, Italy
*
Author to whom correspondence should be addressed.
Energies 2025, 18(3), 462; https://doi.org/10.3390/en18030462
Submission received: 29 October 2024 / Revised: 8 January 2025 / Accepted: 9 January 2025 / Published: 21 January 2025

Abstract

In the WCLL-BB liquid blanket concept, among the postulated accidental scenarios to be investigated regarding the PbLi system, a loss of liquid metal is one of the most crucial for safety purposes. As a consequence of this loss, chemical reactions might occur between lithium, air, and water. These reactions may lead to significant increases in temperature and pressure and to the formation of hydrogen inside the building; the evaluation of the impact of these events is essential to define future safety guidelines. Using MELCOR for fusion (v.1.8.6.), a first approach for investigating an out-vessel loss of PbLi was presented in this work. The temperature and pressure trends were investigated through the default MELCOR package for lithium air chemical reactions; however, this package works only with pure lithium. Therefore, a new model of the reaction was developed in this work using MELCOR Control Functions, which allows the simulation of the chemical reactions using PbLi as working fluid, in order to investigate a more realistic scenario. The results from different approaches were compared, and the limits of the code were outlined. It was found that the final pressure and temperature in the tokamak building might reach critical values at the end of the transient, if the energy released by the chemical reaction was entirely considered; however, it is important to note that, due to the assumptions and simplifications adopted, the results were very conservative in terms of temperature and pressure reached in the system, and further investigations were suggested in this work.

1. Short Introduction and Objectives of Work

In the Roadmap to Fusion Electricity Horizon 2020, the European DEMOnstration Fusion Reactor (DEMO) aimed at generating between 300 and 500 Megawatts net energy and operating with a closed self-sufficiency tritium fuel cycle around the middle of the century [1]. In DEMO, the component accomplishing the tritium breeding function is the Breeding Blanket (BB). The Water-Cooled Lithium–Lead (WCLL) BB is the EU concept making use of the liquid metal alloy PbLi as the tritium breeder/neutron multiplier and water as the coolant [2]. Two different ancillary systems provide the water coolant and the liquid metal alloy PbLi to the WCLL BB.
The objective of this work was to investigate the WCLL BB out-vessel loss of liquid metal due to a rupture occurring in the PbLi distribution system. In particular, releases and chemical reactions occurring between the lithium contained inside the PbLi and air of the building where the PbLi distribution loop is located were analyzed. To this end, the fully integrated engineering-level computer code “MELCOR for fusion v.1.8.6” was used. This tool is largely used in the fusion field to carry out analyses involving water as the working fluid. However, few works reproducing the thermal–hydraulic behavior of the liquid metals such as lithium and PbLi alloys are reported in the literature [3,4,5,6,7].
In this framework, this work was the first approach that simulated a complete accidental scenario concerning the out-vessel loss of liquid metal occurring in the cold leg of the system, classified as the Design Basis Accident (DBA) [8,9]. The entire loop was modeled by assuming a simplified scheme relevant for analyzing releases inside the building.
Furthermore, besides the accidental thermohydraulic transient, the main part of this work was dedicated to the analysis of the numerical tools implemented in MELCOR to properly assess the impact of the chemical reaction between lead–lithium and air. B. J. Merrill developed several packages [10,11,12] necessary to investigate accidents occurring in fusion power plants and concerning several working fluids such as water, helium, lithium, and the lithium–lead alloy. However, further code extensions that simulate a wide range of accidents involving liquid metals for fusion are still missing. In this work, an alternative approach was implemented and proposed.

1.1. DEMO PbLi System

The PbLi ancillary system is described in Section 2.1 by introducing geometries and design parameters relevant for the presented work. Then, the tokamak building is presented, and the characteristics of the rooms accommodating the PbLi system are reported in Section 2.2.

1.1.1. The PbLi System

A dedicated PbLi ancillary system supplies the PbLi alloy to the Inboards and Outboards of DEMO blankets, where the reactions between six Li and neutrons occur, producing tritium. Then, the PbLi is purified and purged of the produced tritium before returning inside the BBs within closed loops with forced circulation of the PbLi alloy. Six PbLi loops, four for the Outboard segments and two for the Inboard segments, are foreseen for the 2018 WCLL BB design, which includes a total amount of 16 sectors. Each sector comprises three Outboard and two Inboard segments. Figure 1a shows the 3D model of one sector, while Figure 1b reports a simplified model of one of the PbLi loops in which the alloy circulates from one purification/tritium extraction system toward 16 sectors. The geometrical characteristics and layout were obtained from the CAD model [13,14].
The purification/tritium extraction system is composed of the Tritium Extraction and Removal (TER) component, a system that removes the activated corrosion products, a safety tank that discharges only the pressure wave generated by an in-box LOCA, the buffer/He relief tank, the heat exchanger, the pumping system, and the purification system. Further details concerning the PbLi ancillary systems are reported in [15]. The PbLi flows from the purification/tritium extraction systems to the BBs passing through the cold leg; then, the alloy returns to the purification/tritium extraction systems by means of the hot leg. Both lines are provided with two redundant isolation valves, which isolate the system in the case of an accident. The name “cold leg” and “hot leg” are used to identify the pipeline supplying the PbLi to the BBs and the pipeline extracting the alloy from the BBs, respectively. It is not correlated to the temperature of the PbLi which enters and leaves the BBs at the same temperature (330 °C). The cold and hot legs connect the bottom and upper collector rings to the purification/tritium extraction system, respectively. Collectors are connected to the blankets, which are located between the upper and bottom ring.
In this work, the PbLi loop providing the liquid metal alloy to the 16 Inboards blankets was considered according to the simplified version reported in Figure 1b. Geometries characterizing the investigated PbLi system are reported in Table 1. The design parameters relevant for the analyses reported in this work are summarized in Table 2.

1.1.2. PbLi System Accommodation in the Tokamak Building

Figure 2 shows the DEMO tokamak building with rooms accommodating the PbLi system highlighted in red. The images shown in Figure 2 were extrapolated from the DEMO-CAD model 2020. Figure 2a shows the level 3 transversal section of the whole tokamak building in red, where the lithium–lead room is located. Figure 2b depicts the lithium–lead room, where the purification/tritium extraction systems are accommodated. The hot and the cold legs leave the lithium–lead room entering in the Upper Pipe Chase room, which is shown in Figure 2c. Here, the hot legs meet the Upper Ring Connectors, while the cold legs run down through the vertical shaft (Figure 2d) entering in the Lower Pipe Chase room (Figure 2e). Here, the bottom ring collectors are accommodated. In the case of out-vessel loss of liquid metal occurring after a break in the cold leg of the PbLi system, the rooms involved are the Upper and Lower Pipe Chase rooms and the vertical shaft. The total volume of the three rooms is equal to 20,156 m3, with a total elevation change of 33.25 m [14]. The rooms are at about 25 °C with a pressure equal to 0.1 MPa.

1.2. The Postulated Accidental Scenario and Nodalization

The analyzed accidents concern the out-vessel losses of liquid metal from the PbLi circuit due to a break occurring downstream the electromagnetic pump in the cold leg providing the PbLi to the BBs from the purification system. Two different breaks occurring are the object of the analyses: a double-ended break (200% of the pipe cross-section) and a small leak equal to 5% of the pipe cross-section. It is necessary to verify the amount of PbLi released in both scenarios, as well as the release times and the overpressure caused inside the building. Furthermore, when the PbLi leaks into the building, lithium reacts with oxygen and nitrogen, generating exothermic chemical reactions, which can lead to a further increase in both the temperature and pressure. In this frame, the analyses presented in this work represented the first step to investigating the complete chain of events characterizing the PbLi out-vessel loss of flow accidents. It also provided a bounding estimate of relevant parameters characterizing the consequences and demonstrated a likely absence of cliff-edge effects.
In order to carry out the analyses, the PbLi system reported in Figure 1b was considered. Figure 3 shows the nodalization reproducing the PbLi system. The nodalization was performed by means of the fully integrated code “MELCOR for fusion v.1.8.6”, and it is based on the following assumptions:
  • The whole system providing the purification of the PbLi and the tritium extraction are simulated by means of the Control Volume Hydrodynamics (CVH) 1 and 10 and the Flow Path (FL) 1. The CVH 10 regulates the pressure of the system by accommodating a certain amount of PbLi in order to guarantee the desired piezometric height. The rest of the volume is filled with helium, used as cover gas. According to the values reported in Table 2, the pressure inside the CVH 10 is set to 0.2 MPa and the temperature of the PbLi is equal to 330 °C.
  • The cold leg, where the rupture occurs, is simulated by the CVH 30 and by the two flow paths FL 20 and FL 40. The CVH 30 simulates the whole elevation change in the cold leg, while the flow paths 20 and 40 represent the connections to the purification/tritium extraction system and to the bottom ring collector, respectively. The FL 20 is set as an isolation valve, and it closes soon after the rupture by isolating the purification/tritium extraction system from the BBs.
  • The upper and bottom ring collectors are represented by CVH 50 and 90, respectively.
  • The pipes providing the PbLi from the bottom ring collector to the blankets and from the blankets to the upper ring collector are simulated as flow paths FL 60 and 80, respectively.
  • The Inboard and Outboard segments involved are simulated by means of the individual control volume CVH 70. According to this assumption, the volume of the CVH 70 is set equal to the total PbLi volume contained inside the segments. The hydraulic diameter of the volume was set equal to the value obtained by simulating one segment. Nevertheless, by considering the complex structure of the BB and thus of the PbLi path inside the BB, this work has to be considered as a first approximation toward investigating such phenomena.
  • The hot leg is represented by the CVH 110 and the two flow paths FL 100 and FL 120. The CVH 110 simulates the elevation change in the hot leg, while the flow paths 100 and 120 represent the connections to the upper ring collector and the purification/tritium extraction system, respectively.
  • The rupture is reproduced by means of the flow path 140. Inside FL 140, a valve is used in concert with a dedicated control function in order to simulate the rupture as an instantaneous opening. By setting a different cross-section of the FL 140, a small or a large leak can be reproduced. Analogously, the longitudinal position of the FL 140 can be modified in order to evaluate different positions of the rupture in the cold leg. FL 140 joins CVH 30 to the building CVH 130, which is set at the environmental conditions.
Details concerning geometries implemented inside the nodalization are reported in Table 3. All volumes less than CVH1, CVH10, and CVH130 are full of PbLi. CVH1 and CVH130 are empty, while CVH10 contains about 90 m3 of PbLi.

1.3. Lead–Lithium Air Chemical Reaction

In terms of chemical reaction, the only element involved in the lead–lithium eutectic alloy is lithium, which can exothermically react with the oxygen, nitrogen, and water vapor in the air. The possible reactions are expressed as follows [5]:
1   L i + 1 4   O 2 1 2   L i 2 O + 302 k J m o l L i   ( a t   500   ° C )
1   L i + 1 6   N 2 1 3   L i 3 N + 69 k J m o l L i   ( a t   500   ° C )
1   L i + 1   H 2 O 1   L i O H + 1 2   H 2 + 508.6 k J m o l L i   a t   25   ° C
As can be seen, the most concerning reaction is the one with water, since it is the most energetic and also leads to the formation of hydrogen.

1.3.1. Literature Review

Despite the fact that the importance of studying and modeling the reaction between lead–lithium and air in the fusion field has been underlined since the early 1980s [16], the amount of research devoted to this issue in the last four decades is quite limited. However, some reviews of dedicated experimental campaigns can be used to draw a few interesting observations.
Yachimiak and Kazimi [16], Piet et al. [17], and Corradini and Jeppson [18] reviewed various experimental campaigns devoted to the analysis of the chemical reactions between lead–lithium and air and between lead–lithium and water for the determination of the conditions of ignition and the factors conditioning the rate of reaction. In other words, all the authors concluded that lead–lithium in a stagnant pool interfaced with air would fail to ignite for temperatures up to at least 1000 °C. Piet et al., citing the experiments from the JRC-Ispra [19], underlined that even a moving stream of lead–lithium heated up through a burner would not ignite; they concluded the following, regarding the reaction with air [17]:
“The low severity of the 17Li83Pb–air reaction apparently comes from (a) the low amount of lithium in 17Li83Pb (0.68% by mass), (b) ability of the lead to act as a heat sink, and/or (c) the lithium becoming depleted near the 17Li83Pb surface, allowing lead to hinder further lithium diffusion to the surface.”
A summary of the conclusions from Piet et al. [17] can be found in Table 4.
Concerning other configurations of the multiphase interfaces, the reviews are slightly less in agreement. Yachimiak and Kazimi reported that, for a turbulent pool of lead–lithium, the eutectic alloy did start a “moderate” reaction with air, whereas both Piet et al. and Corradini and Jeppson described a case where the reaction would not begin even when the lead–lithium was released in spray form (therefore, significantly increasing the interface area), although a small amount of released aerosols was detected.
It is worth noting that all the experiments found in the literature regarding this particular reaction did not report a clear description of the layout and configuration of the experimental facilities, and the initial and boundary conditions of the fluids involved are somewhat lacking in information. Furthermore, since the experimental works are quite old, it is highly unlikely that retrieving the original data is possible. Overall, this makes the available data unsuitable for code validation.
Therefore, from the data available in the literature, it might be likely that this reaction should have a mild to weak effect on the accidental scenarios considered, but it is not conservative enough to fully neglect the possible ignition of the reaction with its related consequences on the pressure and temperature transients and final values and with the formation of aerosol products and hydrogen.

1.3.2. MELCOR Modeling

“MELCOR for fusion v.1.8.6” does not include a model for the evaluation of the chemical reactions occurring between PbLi and air. Therefore, the code cannot simulate the reaction of lithium with oxygen and nitrogen when PbLi and air coexist inside the same CVH. To cope with this limitation, a complex algorithm modeling the chemical reaction between liquid lithium used as a working fluid and air was included by Merrill in the code [3]. This allows the code to evaluate the variation in terms of temperature and pressure generated by the two exothermic reactions.
However, in order to track the formation of the chemical compounds L i 2 O and L i 3 N , it is necessary to activate the radionuclide/aerosol package (RN) in concert with the decay heat (DCH) and heat structure (HT) packages. Two new aerosol classes have to be generated and mapped together with the decay heat cards, and it is an essential step to be made when new classes are introduced, regardless whether they are radionuclides or aerosols. The heat structures are required to see the amount of the aerosol generated and deposited successively. The included heat structures cover the floor, ceiling, and side of CVH, resembling the building.

2. MELCOR Numerical Analyses: Transient Thermal Hydraulics

Initial conditions and main properties of the materials implied in the analyses are reported in Section 2.1. The results concerning the out-vessel loss of liquid metal in terms of release time and amount of PbLi spilled inside the building are shown in Section 2.2, while chemical reactions occurring between the liquid metal and air are analyzed in Section 3.

2.1. Material Properties and Boundary Conditions

The material properties of the liquid metals PbLi and Li used as working fluids in the analyses are reported in Table 5, as obtained from the MELCOR for the fusion material database.
The initial conditions imposed in the loop to evaluate the release time and the amount of PbLi lost in the building are the following:
  • The loop is initialized at stagnant conditions; thus, the PbLi lays into the CVH by reaching the same level according to the communicating vessel law. As a function of the developed nodalization, about 733 tons of PbLi are contained inside the loop.
  • At 5000 s, the accident occurs, and the control valve located in the FL 140 opens instantaneously, simulating the rupture. Thus, the isolation valve in FL 20 closes in 5 s.
  • The PbLi is at 330 °C, and the pressure in the atmosphere of the CVH 10 is set equal to 0.2 MPa, while atmosphere conditions are applied in the building.
  • The transient ends at 15,000 s.
Three different scenarios were investigated: a double-ended break occurring in the middle height (DEBm) and in the bottom region of the cold leg (DEBb) and a small leak equal to 5% of the pipe cross-section occurring in the middle height of the cold leg (SLm). Details concerning the three scenarios are reported in Table 6.

2.2. Out-Vessel Loss of PbLi Releases

In this section, the cold leg ruptures listed in Table 6 were analyzed in terms of release time, amount of PbLi leaked in the building, and pressure/temperature variation. The first analyzed case was the DEBm accident. Then, the comparison among the three selected scenarios was studied. The scenarios were simulated both for Inboard and Outboard discharges, but, for the sake of conciseness, only the inboard cases were presented here, since the behavior of the transients were very similar.
Figure 4 shows the variation in the PbLi volume inside the building and selected components of the loop during the DEBm accident, starting after 5000 s. In the graph on the left side, the PbLi volume decrease occurring in the BBs and the consequent increase in the building are depicted. About 353 tons of PbLi are leaked in the building in about 610 s. The amount of liquid metal in the BB reduces upon reaching the rupture level. In Figure 4, the graph on the right side shows the PbLi reduction occurring in the cold and hot legs. While the hot leg empties in 190 s, the region of the cold leg above the rupture loses the whole amount of PbLi in about 1.5 s decreasing from 1.25 to 0.62 m3. Then, the PbLi volume slightly increases due to the 0.6 m3 of PbLi lost by the purification/tritium extraction system up to the complete isolation realized by the valve located in FL 20.
Figure 5 depicts the pressure trends and temperature variation generated inside the building and cold leg during the DEBm accident. After the rupture, the pressure of the building equalizes the pressure in the cold leg by increasing of about 0.9 bar. It is due to the temperature increase in the building from 25 up to 300 °C. The pressure in the cold leg decreases below the atmospheric pressure when losing the PbLi column above the rupture. It reduces from 2.1 to 0.14 bars in about 1.5 s, then increases up to 0.5 bar when the PbLi flows from the purification/tritium extraction system. When the release from the cold leg towards the building ends, the air enters from the building into the cold leg, and the pressure increases again up to 1.9 bar.
Figure 6 reports the mass flow rate of the PbLi and air through the rupture. Furthermore, the mass flow rate of the PbLi detected in the connections of FL 20 and 40 is shown in the graph on the left side of Figure 6. The mass flow rates were reported by including the direction of the flow and by magnifying the time windows when the accident occurs. When the rupture occurs, the PbLi flows from the BB toward the cold leg by flowing in the opposite direction and reaching a mass flow equal to 1000 kg/s (yellow solid line). The PbLi flowing from the purification system to the cold leg is stopped in 5 s from the initial time of the accident, according to the closing time of the isolation valve (dashed red line). When the PbLi above the rupture is released in 1.5 s, a mass flow of about 3400 kg/s is detected in the flow path simulating the rupture. After, the rest of the PbLi contained in the loop is released in about 600 s until the PbLi level in the BB reaches the level of the rupture in the cod leg. When the PbLi mass flow decreases below 50 kg/s, air enters from the building inside the cold leg according to the graph reported on the right side of Figure 6, where the mass flow of the O2 and N2 flowing through the rupture was reported. When the air entered, it counteracted the PbLi flow by stopping the release for a few seconds. Then, the air mass flow decreased, allowing PbLi reversing in the build. They alternated three times by generating the related mass flow peaks shown in Figure 6.
A comparison of the PbLi volume variation during the three selected scenarios is shown in Figure 7. The first graph on the left side depicts the PbLi volume variation in the building, while the second graph on the left side shows the reduction in the PbLi volume occurring in the cold leg. The main difference occurring between the DEBm and SLm accident concerns the releases time. While, in the DEBm scenario, 353 tons of PbLi were leaked in the building in about 610 s, during the SLm accident, the same quantity was released in about 4700 s. If the double-ended break occurred in the bottom region, 670 tons of PbLi were lost from the loop in about 880 s. During accidents, the reduction in the PbLi volume had the same behavior during the DEBm and DEBb scenario, while a smooth reduction rate occurred during the SLm accident. It is due to the smaller break involved which allows a slower release toward the building. As for the DEBm scenario, the first step occurring in the SLm accident was determined by the loss of PbLi above the rupture, then the PbLi contained inside the BB was lost slowly. If the rupture occurred below 5.7 m, the BBs emptied.
Figure 8 shows pressure trends in the cold leg and the mass flows through the rupture occurring in the three accidental scenarios. Similar behavior was observed in all cases; however, while, during both the DEB cases, the steady-state pressure was reached within a comparable time window, during the SLm, it took around 5000 s. The maximum value of the PbLi mass flow rate through the rupture during the three accidents strongly differed by reaching 9200, 3400, and 200 kg/s during the DEBm, DEBb, and SLm, respectively.

3. MELCOR Numerical Analyses: Lead–Lithium Air Chemical Reaction

3.1. MELCOR Default Chemical Reaction Model Results

In order to evaluate the chemical reaction occurring between the lithium contained in the PbLi and the air in the building, further analyses were developed by using liquid lithium as a working fluid. The DEBb scenario was considered as the reference case for the evaluation of the chemical reaction. This is the most severe scenario, in which the largest amount of PbLi is leaked inside the building. When the chemical reactions started, the whole amount of liquid lithium in the building was simulated under stagnant conditions. Indeed, compared to the release time of the out-vessel loss of PbLi presented in Section 2.2, the chemical reactions occurring between Li and air were very slow. Lithium was set at 330 °C, and the simulation ended when lithium was entirely consumed. Three different cases were analyzed by accounting for different sizes of the building’s surface where the lithium is released. To do so, the ratio between the diameter (D) and the height (h) of the pool zone of the CVH130 was reduced: in the three investigated cases, the surface of lithium reacting with the air in the building is reduced of ½ and ¼ on the second and third cases, respectively. Indeed, the aim of this parametric study was investigating how the evolution of the chemical reactions is influenced by a different size of the lithium pool surface. In terms of pool geometry, case 3 better represented the condition of a real scenario, where the lost liquid metal was leaked in the confined area closest to the rupture.
During the DEBb, about 670 tons of PbLi leaked in the building in about 880 s. Therefore, according to the assumptions reported in Section 1.2, 4555 kg of liquid lithium were located inside the building. Indeed, by considering the proportion between grams of lithium and lead contained inside the alloy Pb83Li17, the amount of lithium in mass was about 0.68%. Lithium reacted with O2 and N2, which were included in the atmosphere of the building at 21 and 79%, respectively. From the reactions, Li2O and Li3N were generated as aerosol products. The liquid lithium was assumed to spread over the whole surface of the building by generating a pool height of 0.0155 m. It is an unrealistic case, where a non-confined PbLi region is assumed. However, in this scenario, the maximum lithium pool surface reacting with air at the starting time was simulated, resulting in the most severe and conservative case to be analyzed.
In Figure 9, the graph on the left side shows the consumption of liquid lithium and the related formation of Li2O and Li3N products, while the graph on the right side depicts the consumption of both N2 and O2. Lithium consumption started immediately, but the velocity of the reactions was very low. About 3200 s were needed to let 280 kg of lithium react with about 170 and 270 kg of O2 and N2, respectively. After 3200 s, 1500 kg of lithium reacted with the air in less than 800 s. In this time window, the production rate of both Li2O and Li3N increased. However, lithium consumption was mainly due to the formation of the Li3N. Indeed, according to the reactions reported in Section 1.3, each mole of N2 and O2 reacted with 6 and 4 moles of lithium, respectively. Furthermore, the reaction with N2 was faster compared to the reaction involving O2, and at about 4000 s, a steady-state condition was reached, and the Li3N quantity remained constant; thus, the consumption of N2 ends. Therefore, after 4000 s, the reaction between O2 and lithium occurs under simulated conditions, and the production of Li2O goes on until all the liquid lithium is consumed.
According to the experiments reported in [3], Merrill experienced a limit into the production rate of the Li3N, while the production of the Li2O continued until lithium was consumed or a film/crust on the pool surface was generated. Merrill stated the reason for the nitrogen rate limit is unclear but supposed it was influenced by the temperature reached during the reaction. When the temperature overcomes 1030 °C, the reaction rate starts decreasing, suggesting that thermochemical conditions above 1030 °C are no longer favorable. In particular, above 810 °C, lithium nitride melts and the phase equilibrium constant for the lithium–nitrogen reaction becomes 1.0 at a temperature of about 950 °C, suggesting that, above this temperature, Li3N should start to decompose. Based on the experiments reported in [3], Merrill adjusted the lithium–air chemical model. Here, the reaction rate was assumed to proceed as fast as oxygen or nitrogen can diffuse to the lithium pool surface through the gaseous boundary layer above this surface.
Figure 10 shows the variation in the temperature and pressure of the building atmosphere as a consequence of the chemical reactions. According to the evolution of the chemical reactions, the temperature increases from 25 to 1000 °C after 4000 s to then reach 1200 °C at about 8000 s. In the same way, the pressure increases up to 0.4 MPa during the first 4000 s and then up to 0.45 MPa at 8000 s. Both values remained constant up to the end of the simulation. Another interesting aspect to be analyzed was the energy released by the consumption of O2 and N2. In Figure 11, the graph on the left side depicts the variation in the specific internal energy of O2 and N2, while the effective energy evaluated as a function of the mass variation between two consecutive steps is shown in the graph on the right side.
In this frame, the pressure and temperature main variation occurring at 4000 s was mainly driven by the consumption of N2 when it reacted with lithium. Indeed, even if the O2 specific energy was higher, a larger amount of N2 reacted with lithium at 4000 s, generating a larger mass reduction.
Figure 12 shows lithium consumption occurring in the three scenarios. When the ratio D/h decreases, the surface of the liquid metal pool interacting with the air reduces, delaying the sharp Li mass reduction. A weaker reduction is initially observed in all cases; however, while, in the first case, the onset of the sharp reduction occurs at around 3200 s, in the second and third case, it is shifted to 21,000 and 149,000 s, respectively. The reduction trend occurs according to the generation of Li2O and Li3N reported in Figure 13. In all cases, the reaction between lithium and oxygen still occurred until the lithium mass was completely consumed, while the production of Li3N stopped in the first case at 3200 s. In the other two cases, it did not reach the steady-state condition, showing an ongoing evolution stopped by the total consumption of the lithium mass. When the pool surface facing the air reduces, the amount of N2 reacting with the liquid metal at a given time reduces strongly without reaching the saturation condition. Figure 14 depicts the pressure and temperature trends obtained in the three investigated scenarios. The pressure overcame 0.2 MPa in all cases; however, no effects of safety actions to mitigate the accidents in terms of loop isolation or PbLi area delimitation are included in the simulations. Furthermore, by assuming the releases will concentrate in the zone around the rupture occurring in the cold leg, the third scenario turns to be the most realistic case. In this scenario, a pressure of 0.2 MPa and a temperature of 900 °C were overcome only after 41 h without any safety operation. In all cases, the N2 consumption generated by the reaction with lithium drove the accident determining the rate of the pressure and temperature increase. Indeed, according to Figure 15, the N2 effective energy reached higher values in all cases.

Effect of Building Nodalization

This section presents an analysis of two different configurations for the nodalization of the building. This work was carried out in order to evaluate the impact of the nodalization of the building in the prediction of the reaction rate and, consequently, the evolution of the temperatures inside the building. The work presented in the previous sections on the chemical reaction assumed the building to be representable as a single volume. Even though this assumption can be considered acceptable as the first approximation, it raises the issue of the availability of the reactants for the reaction; that is, using one single volume, the whole number of reactants is considered immediately available for the reaction, without the establishment of a concentration gradient (not possible in a single volume) nor natural circulation inside the building. Of course, these two phenomena cannot affect the final value of the calculation, but they might have a strong impact on the transient, on the velocity of the reaction, and, therefore, on the velocity of the pressurization of the building.
The first modified nodalization is shown in Figure 16. In this case, the building volume was divided into a vertical stack of 5 sub-volumes, with the lithium pool being present only on the volume on the bottom. The amount of lithium was the same as the one considered in the single volume phase.
Figure 17 shows the pressure evolution inside the building; it is interesting to see that, in this case, the pressure increase is much lower than the single volume case, and this might indicate a significant difference in the chemical reaction rate. However, as shown in Figure 18, the temperatures in the volumes show an anomalous distribution that cannot be considered real: the temperature gradient is extremely discontinuous, and this means that the heat transfer in between the volumes due to convection is probably strongly underestimated. This is probably due to difficulties in simulating natural circulation with this particular nodalization layout. Furthermore, the time evolution of the reaction does not seem to be affected, since the temperature of the volume containing the lithium pool (blue line in Figure 18) shows the same trend as the single volume, with an increase of almost 1000 °C in 1000 s.
The second nodalization under study tried to facilitate the establishment of natural circulation in the atmosphere region, dividing the building nodalization into several sub-volumes; the nodalization is shown in Figure 19. It is composed of seven volumes, connected through several flow paths. The lowest volume contains both atmosphere and the lithium pool, whilst the remining six, which lie above, contains only air.
It was found that, in this case, the onset of the chemical reaction causes the formation of a strong natural circulation, with extremely high flow rates of air through the volumes. These high mass flow rates of air from the pool tend to equalize the temperature in all the volumes, leading to results similar to the single volume case, with an almost homogenous temperature in all the volumes and the same time evolution for pressure and temperature.

3.2. PbLi–Air Chemical Reaction: Analytical Model

The final temperatures obtained with the transient simulations presented in Section 3.1 were verified through a simple analytical model. This analysis was important to confirm the order of magnitude of the temperature increase, since the numerical calculations provided an estimation which can be deemed critical to a certain extent. Furthermore, the objective of this analysis is to also understand the possible impact of the thermal capacity of the lead, which is left in the building once all the lithium is consumed; the MELCOR reaction model cannot consider this aspect. The reactions considered were those between Li and O2 and between Li and N2, namely (1) and (2), as described in Section 1.3.
Several assumptions were made, in order to simplify the calculation:
  • The final thermal equilibrium is between the atmosphere and pool;
  • All lithium contained in the PbLi eutectic is considered reacting and, therefore, considered for the final energy balance;
  • Two cases were analyzed in order to provide thresholds for maximum temperatures:
    First case: all lithium reacts with only oxygen;
    Second case: all lithium reacts with only nitrogen;
  • The heat of the reaction was assumed to be independent of the temperature.
The calculation entails a simple energy balance as follows:
Q = M a c v , a T f T a , i + M P b c v , P b T f T P b , i
where Q is total amount of energy released by the reaction, M is the total mass, c v is the specific heat at constant volume, and T is the temperature; concerning the subscripts, a stands for air, P b for lead, and f and i for final and initial states, respectively.
It is important to notice that Equation (3) considers only air and lead as final fluids, neglecting the presence of Li2O and Li3N, since the contribution in terms of energy balance is deemed not relevant; the dominant term is the lead thermal capacity. Indeed, the model used for calculating the final temperature considers the presence of lead rather than the presence of lithium alone, this is necessary since lead represents an enormous thermal inertia, being 99.4% of the total mass of the lead–lithium alloy. The assumptions are that the entire amount of lithium contained in the alloy will react with the air and that the lead and the air will reach thermodynamic equilibrium and, therefore, have the same final temperature.
Considering the two reactions separately, defining P M L i as the molecular weight of lithium, the total value of Q in (3) can be calculated, for the two reactions, as follows:
Q O 2 = M L i P M L i h O 2 2
Q N = M L i P M L i h N 3
where h O 2 and h N are the heats of reaction of the involved reactions. The main parameters are summarized in Table 7.
Figure 20 shows the variation in the final temperature of the lead and air in the building considering different percentages of the mass of lithium reacting. The highest value is due to the lithium–oxygen reaction, and it reaches almost 1800 °C when lithium is fully consumed. Figure 20 also shows that the final temperature, considering the reaction with only nitrogen, can be significantly lower, with the highest value being slightly less than 600 °C. As a matter of fact, in reality, the two reactions happen together; therefore, another calculation is shown in Figure 20, with the final temperatures calculated according to the reaction ratio provided by MELCOR. Following the MELCOR results, at the end of calculation, around 1000 kg of N2 and 3000 kg of O2 reacted with lithium (see Figure 9), meaning that the reaction ratio in moles is about 38% of N2 and 62% of O2 consumed. This value was used to obtain the weighted average temperature shown in Figure 20. Considering this trend, the final temperature is significantly reduced, surpassing 1000 °C after 70% of lithium is consumed as opposed to 45%, which is the case with only O2 reaction, and the temperature with 100% lithium (worst case scenario) drops to almost 500 °C.
The values for the temperatures obtained with the analytical model confirm the order of magnitude of the variation in the temperature found with MELCOR in the case where lithium is entirely consumed. Nevertheless, some uncertainty remains because the two temperatures are relatively close, and this does not seem correct since the analytical model considers the thermal capacity of lead, whilst the numerical model does not; in other words, according to the analytical calculation, MELCOR temperatures should be significantly higher.

3.3. Chemical Model Through MELCOR Control Functions

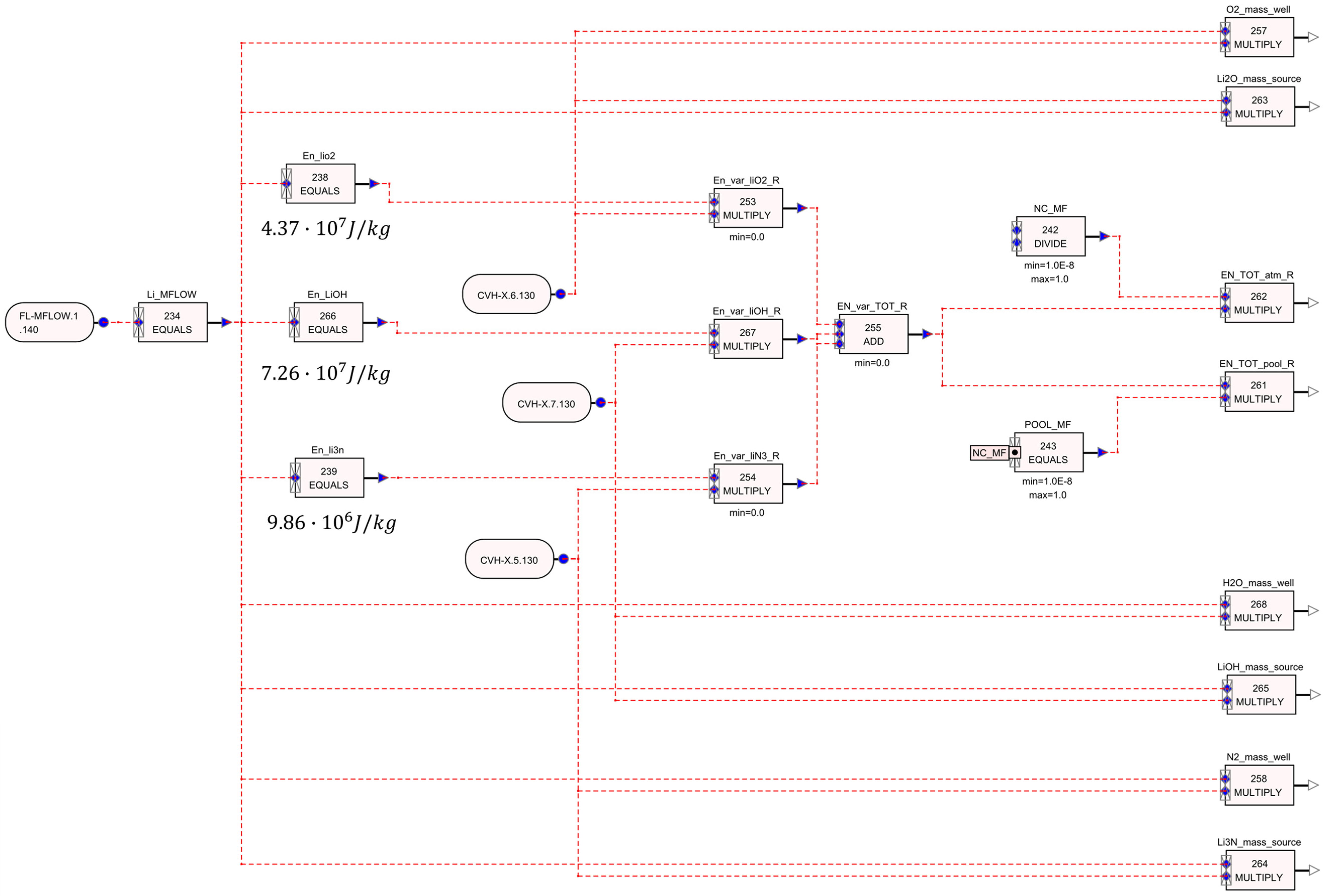
Considering the work presented above, it is not possible to draw a definitive conclusion on the final temperatures after the postulated accidents. Indeed, as mentioned above, one of the main shortcomings of the computational model with the MELCOR code is the absence of the liquid lead mass during the simulation of the chemical reaction. The simple analytical model presented in Section 3.2 showed that the thermal capacity of the lead might actually have a significant role in the determination of the transient and final temperature inside the building; this can also affect the calculated pressure and have an effect on the discharge of the lead lithium. Therefore, it was deemed important to develop a model that could simulate the lead–lithium transient discharge after rupture, as well as present at least energy release from the chemical reaction.
To address this issue, the University of Pisa implemented a model exploiting the Control Functions feature provided in MELCOR. With this model, it is possible to use lead–lithium as the working fluid and, at the same time, have an estimation of the impact of the chemical reaction on the accidental transient and final stationary conditions in the building. The CFs are used to first calculate the amount of lithium that enters the building at each time step (that is, 0.6% of the lead–lithium mass) and then the energy released, assuming the whole mass of lithium is reacting with the air; after that, the reaction energy is added as an energy source to the atmosphere and the liquid mass contained in the building. The mole fraction of oxygen, nitrogen, and vapor water is used as weight to calculate the mass fraction of lithium which will react with each element.
Figure 21 shows the flowchart scheme of the Control Functions and Control Variables, whilst Table A1 (in Appendix A) lists all the elements involved and presented in the flowchart.
It is worth noting that this approach also allowed us to add a simplified model for another chemical reaction which was not part of the original model for the lithium–air reaction, that is, the reaction with vapor water, which is expressed as follows:
1 L i + 1 H 2 O 1 L i O H + 1 2 H 2   + 508.6 k J m o l L i

Results

Figure 22 and Figure 23 present the results obtained with MELCOR Control Functions compared with the results obtained with the default MELCOR model (red lines and blue lines, respectively), in terms of pressure and temperatures in the building. It is clear that the two transients differ strongly, both considering the evolution of the thermodynamic states and the final values.
The sudden increase seen with the MELCOR CFs (red lines) is due to fact that this approach considers the lithium inside the PbLi alloy reacting instantaneously with the humid air, and, therefore, the reaction starts as soon as the rupture occurs; on the other hand, with the default model, the kinetics of the reaction is taken into account, as explained above, even though it only considers pure lithium. It is also interesting to note the pronounced difference between the temperature of the liquid and that of the atmosphere in the pure lithium case, due to the necessity of starting with a pool of liquid lithium that cannot be at a temperature lower than around 500 K (the melting temperature is 450 K).
Regarding the final values, it can be noticed that, for MELCOR CFs model, the final pressure and temperature are considerably lower than those in the default model. In the first model, the pressure rests at a value just below 3 bars and the temperature at around 1000 K, whilst in the second model, the final pressure is around 4.5 bars, and the temperatures reach almost 1500 K. This is due to the thermal capacity of lead–lithium.
Figure 24 shows the consumption of water vapor and the consequent generation of hydrogen inside the volume of the building. Since the water vapor concentration is relatively low, the reaction is not dominant and the amount of hydrogen produced remains rather small, no more than 20 g.

4. Uncertainties in the Results

Several assumptions were taken in this work.
Regarding the default MELCOR model for the reaction between lead–lithium and air, the only way to directly simulate the chemical reaction was to realize two separate nodalizations and simulations, which cannot communicate between each other, since MELCOR only allows one working fluid for simulation, and the chemical reaction is activated only when pure lithium is used as working fluid. Therefore, the main uncertainty remains the effect of the chemical reaction on the transient discharge of the lead–lithium and, consequently, on the transient pressure and temperature. Furthermore, in the simulation with pure lithium, the final values are also strongly affected by the absence of lead–lithium in the simulation since the thermal capacity of the liquid metal alloy can have a crucial role in the final energy balance and, therefore, in lowering the temperature at stationary conditions.
As for the model implemented by the University of Pisa, the primary assumption is the instantaneous reaction of the whole amount of lithium which enters the building each time step, transported in the eutectic alloy. This means that the kinetic of the reaction is completely neglected and the temperature of the environment does not affect the ignition and the rate of reaction. This is a strong assumption that, however, remains considerably conservative, since the ignition temperature for the chemical reaction was not clearly determined; and there are various indications that—for the lead–lithium eutectic alloy—it might be significantly high, and the reaction might not even start, as pointed out in several papers in the literature. The other aspect that might have an impact on the rate of reaction is the interface area between the two reactants; this would require particular care in modeling, since simulating the rupture might involve the release of lead–lithium in a spray or jet form, at least at the beginning of the transient. Still, the assumption of an instantaneous reaction of the whole mass of lithium also remains conservative with regard to this aspect.
An additional uncertainty in the CF model is related to the properties of the reaction products, namely Li2O, Li3N, and LiOH, which, at the moment, are not implemented in the gas materials but are simulated as generic non-condensable gases to satisfy the mass conservation balance. It is also worth pointing out that these products are not actually gases, at least at low temperatures, but aerosols. As the mass fractions of these products are relatively low, this should not be a crucial concern, but the impact of this uncertainty is, nevertheless, an issue that should be investigated in further work.
Finally, as a general comment beyond all the modeling issues, it is important to underline that in the accidental transients simulated in this work, no mitigating countermeasures were foreseen, therefore ending with an extremely severe transient and final values.

5. Conclusions and Remarks

In this work, thermo-hydraulic analyses concerning the out-vessel loss of the PbLi contained in the loop circulating the related liquid alloy between the WCLL-BBs are reported. The analysis aimed to investigate the releases occurring after a rupture of the cold leg of the PbLi distribution system and the consequent chemical reactions generated between lithium contained inside the PbLi and humid air.
A dedicated numerical activity allowed us to carry out thermo-hydraulic analyses by means of the fully integrated code MELCOR for fusion v.1.8.6. The whole loop circulating the PbLi between the WCLL-BBs and the PbLi purification system was simulated by means of a simplified geometrical model. Three different accident scenarios, simulating a double-ended break and a small leak occurring in the middle height of the cold leg and a double-ended break occurring in the bottom region of the cold leg were carried out. The release time and the amount of PbLi leaked in the assembly were analyzed. The double-ended break occurring in the bottom region of the cold leg turned to be the worst scenario by involving a larger amount of PbLi lost in a relatively short time. Indeed, about 90% of the entire amount of PbLi is leaked into the building in less than half an hour by generating a pressure increase of about 1 bar. When the liquid alloy enters the building, lithium reacts with O2, N2, and H2O, starting three exothermal reactions.
An alternative approach was developed to further examine the consequences of the chemical PbLi–air reaction, and it was implemented and preliminarily tested. In particular, a new chemical model exploiting MELCOR Control Functions allowed us to simulate the reaction between lithium and air using PbLi as a working fluid in order to investigate a more realistic scenario in terms of the impact of lead–lithium on the final energy balance of the building. In terms of computational effort, it is worth noting that, since it is related to variables of only two components (one flow path and one control volume), the Control-Function-based model has a negligible effect on the computational time.
Overall, this work should be considered as a preliminary approach toward highlighting the missing numerical models necessary to reproduce the transients investigated in the presented analyses, and the lack of recent and well documented experimental data to validate them. Therefore, safety procedures acting to mitigate the analyzed accidental scenario can be based on the presented numerical results but should consider all the assumptions and uncertainties pointed out in this work. Indeed, due to the assumptions and simplifications adopted, the results were very conservative in terms of temperatures and pressures reached in the system.

Author Contributions

Conceptualization, F.G., M.M. and V.C.; methodology, F.G. and M.M.; validation, F.G. and V.C.; formal analysis, F.G., M.M. and V.C.; investigation, F.G., M.M. and V.C.; resources, N.F.; writing—original draft preparation, F.G., M.M. and V.C.; writing—review and editing, F.G. and N.F.; visualization, F.G.; supervision, N.F. All authors have read and agreed to the published version of the manuscript.

Funding

This work has been carried out within the framework of the EUROfusion Consortium, funded by the European Union via the Euratom Research and Training Programme (Grant Agreement No 101052200—EUROfusion). The views and opinions expressed are, however, those of the author(s) only and do not necessarily reflect those of the European Union or the European Commission. Neither the European Union nor the European Commission can be held responsible for them.

Data Availability Statement

Data are contained within the article.

Conflicts of Interest

The authors declare no conflict of interest.

Abbreviations

AbbreviationDefinition
BBBreeder Blanket
BZBreeder Zone
CADComputer-Aided Design
CVHControl Volume Hydrodynamics
DBAsDesign Basis Accidents
DCH packageDecay Heat Package
DEBbDouble-Ended Break—bottom
DEBmDouble-Ended Break—middle
DEMODEMOnstration Power Plant
FLFlow Path
FPSFast Plasma Shutdown
FWFirst Wall
HT packageHeat Structure package
HTOTritiated Water
LOCALoss of Coolant Accident
PbLiLead–Lithium
RN packageRadionuclide/aerosol package
SLmSmall Leak—middle
TERTritium Extraction and Removal
VVVacuum Vessel
VVPSSVacuum Vessel Pressure Suppression System
WCLLWater-Cooled Lithium–Lead
WPSAEWork Package Safety and Environment

Appendix A

Table A1. Control functions and variables for simplified chemical model.
Table A1. Control functions and variables for simplified chemical model.
NameTypeNumberValueDescription
FL-MFLOW.1.140Control variable Mass flow rate of lead–lithium through Flow Path 140 [kg/s]
Li_MFLOWControl function234 0.6% of FL-MFLOW.1.140: Mass flow rate of pure lithium through Flow Path 140 [kg/s]
En_LiO2Control function2384.37 × 107Heat of reaction at 500 °C for Li2O reaction [J/kgLi]
En_LiOHControl function2667.26 × 107Heat of reaction at 500 °C for LiOH reaction [J/kgLi]
En_Li3nControl function2399.86 × 106Heat of reaction at 500 °C for Li3N reaction [J/kgLi]
CVH-X.6.130Control variable Molar fraction of O2 in building atmosphere
CVH-X.7.130Control variable Molar fraction of water in building atmosphere
CVH-X.5.130Control variable Molar fraction of N2 in building atmosphere
En_var_LiO2_RControl function253 Heat source from Li2O reaction [W]
En_var_LiOH_RControl function267 Heat source from LiOH reaction [W]
En_var_Li3N_RControl function254 Heat source from Li3N reaction [W]
En_var_Tot_RControl function255 Total heat source (CF_253 + CF_267 + CF_254) [W]
NC_MFControl function242 Mass fraction of atmosphere in volume 130
POOL_MFControl function243 Mass fraction of liquid pool in volume 130
En_tot_atm_RControl function262 Heat source of atmosphere in volume 130 [W]
En_tot_pool_RControl function261 Heat source of pool in volume 130 [W]
O2_mass_wellControl function257 Oxygen negative mass source [kg/s]
N2_mass_wellControl function258 Nitrogen negative mass source [kg/s]
H2O_mass_wellControl function268 Water vapour negative mass source [kg/s]
Li2O_mass_source Control function263 Li2O mass source [kg/s]
LiOH_mass_source Control function265 LiOH mass source [kg/s]
Li3N_mass_source Control function264 Li3N mass source [kg/s]

References

  1. Federici, G.; Holden, J.; Baylard, C.; Beaumont, A. The EU DEMO staged design approach in the Pre-Concept Design Phase. Fusion Eng. Des. 2021, 173, 112959. [Google Scholar] [CrossRef]
  2. Boccaccini, L.; Arbeiter, F.; Arena, P.; Aubert, J.; Bühler, L.; Cristescu, I.; Del Nevo, A.; Eboli, M.; Forest, L.; Harrington, C. Status of maturation of critical technologies and systems design: Breeding blanket. Fusion Eng. Des. 2022, 179, 113116. [Google Scholar] [CrossRef]
  3. Merrill, B.J. A lithium-air reaction model for the melcor code for analyzing lithium fires in fusion reactors. Fusion Eng. Des. 2001, 54, 485–493. [Google Scholar] [CrossRef]
  4. Merrill, B.; Reyes, S.; Sawan, M.; Wong, C. Safety analysis of the US dual coolant liquid lead–lithium ITER test blanket module. Nucl. Fusion 2007, 47, S447–S452. [Google Scholar] [CrossRef]
  5. D’Ovidio, G.; Martín-Fuertes, F. Accident analysis with MELCOR-fusion code for DONES lithium loop and accelerator. Fusion Eng. Des. 2019, 146, 473–477. [Google Scholar] [CrossRef]
  6. D’Onorio, M.; Giannetti, F.; Caruso, G.; Porfiri, M.T. In-box LOCA accident analysis for the European DEMO water-cooled reactor. Fusion Eng. Des. 2019, 146, 732–735. [Google Scholar] [CrossRef]
  7. Ciampichetti, A.; Ricapito, I.; Aiello, A.; Benamati, G. Water large leaks into liquid Pb–17Li: First experimental results on LIFUS 5 facility. Fusion Eng. Des. 2003, 69, 563–567. [Google Scholar] [CrossRef]
  8. Caruso, G.; Ciattaglia, S.; Colling, B.; Pace, L.D.; Dongiovanni, D.N.; D’Onorio, M.; Garcia, M.; Jin, X.Z.; Johnston, J.; Leichtle, D.; et al. DEMO—The main achievements of the Pre–Concept phase of the safety and environmental work package and the development of the GSSR. Fusion Eng. Des. 2022, 176, 113025. [Google Scholar] [CrossRef]
  9. Pinna, T. GSSR Vol. 6—Accident Sequence Identification & FMEA of VV PHTS. EUROfusion, Final Report on Del. SAE-S.04.01-T01-D003 EFDA_D_2MX7T6. 2022. [Google Scholar]
  10. Merrill, B.J.; Humrickhouse, P.W.; Moore, R.L. A recent version of MELCOR for fusion safety applications. Fusion Eng. Des. 2010, 85, 1479–1483. [Google Scholar] [CrossRef]
  11. Merrill, B.J.; Humrickhouse, P.W.; Shimada, M. Recent development and application of a new safety analysis code for fusion reactors. Fusion Eng. Des. 2016, 109–111, 970–974. [Google Scholar] [CrossRef]
  12. Humrickhouse, P.W.; Merrill, B.J. An equation of state for liquid Pb83Li17. Fusion Eng. Des. 2018, 127, 10–16. [Google Scholar] [CrossRef]
  13. Gliss, C. CAD Model: KDI_6_TOKAMAK_COMPLEX_INTEGRATION_MODEL_02_17 (WCLL). EUROfusion, Initial Integration CAD model for KDI#6 (WCLL) 2PH9N6. April 2022. [Google Scholar]
  14. Gliss, C. Volume of Tokamak Building Excel table. EUROfusion, [E]-Technical Specification EFDA_D_2PC2SF. October 2022. [Google Scholar]
  15. Mozzillo, R.; Utili, M.; Venturini, A.; Tincani, A.; Gliss, C. Integration of LiPb loops for WCLL BB of European DEMO. Fusion Eng. Des. 2021, 167, 112379. [Google Scholar] [CrossRef]
  16. Yachimiak, E.; Kazimi, M. Safety Analysis of Liquid Lithium-Lead Breeders in Fusion Reactor Geometries; MIT Plasma Science and Fusion Center: Cambridge, MA, USA, 1984. [Google Scholar]
  17. Piet, S.J.; Jeppson, D.W.; Muhlestein, L.D.; Kazimi, M.S.; Corradini, M.L. Liquid metal chemical reaction safety in fusion facilities. Fusion Eng. Des. 1987, 5, 273–298. [Google Scholar] [CrossRef]
  18. Corradini, M.L.; Jeppson, D.W. Lithium alloy chemical reactivity with reactor materials: Current state of knowledge. Fusion Eng. Des. 1991, 14, 273–288. [Google Scholar] [CrossRef]
  19. Kuhlbörsch, G.; Reiter, F. Physical properties and chemical reaction behaviour of Li17Pb83 related to its use as a fusion reactor blanket material. Nucl. Eng. Design. Fusion 1984, 1, 195–203. [Google Scholar] [CrossRef]
Figure 1. (a) Three-dimensional model of one sector comprising 3 Outboard and 2 Inboard segments. (b) One PbLi loop circulating the alloy from one purification/tritium extraction system to 16 Inboard BB.
Figure 1. (a) Three-dimensional model of one sector comprising 3 Outboard and 2 Inboard segments. (b) One PbLi loop circulating the alloy from one purification/tritium extraction system to 16 Inboard BB.
Energies 18 00462 g001
Figure 2. DEMO tokamak rooms accommodating the PbLi system reported in red: (a) level 3 transversal section; (b) purification/tritium extraction systems room; (c) Upper Pipe Chase room; (d) vertical shaft; (e) Lower Pipe Chase room.
Figure 2. DEMO tokamak rooms accommodating the PbLi system reported in red: (a) level 3 transversal section; (b) purification/tritium extraction systems room; (c) Upper Pipe Chase room; (d) vertical shaft; (e) Lower Pipe Chase room.
Energies 18 00462 g002
Figure 3. Lumped nodalization of the PbLi system providing the alloy to the Inboard blankets (not in scale).
Figure 3. Lumped nodalization of the PbLi system providing the alloy to the Inboard blankets (not in scale).
Energies 18 00462 g003
Figure 4. Inboard—PbLi volume variation inside loop components generated by the DEBm scenario.
Figure 4. Inboard—PbLi volume variation inside loop components generated by the DEBm scenario.
Energies 18 00462 g004
Figure 5. Inboard—Pressure trend and temperature variations generated by the DEBm accident.
Figure 5. Inboard—Pressure trend and temperature variations generated by the DEBm accident.
Energies 18 00462 g005
Figure 6. Inboard—Mass flow rate of PbLi and air through the rupture and connections of the loop.
Figure 6. Inboard—Mass flow rate of PbLi and air through the rupture and connections of the loop.
Energies 18 00462 g006
Figure 7. Inboard—PbLi volume variation in the building and cold leg under the selected scenarios.
Figure 7. Inboard—PbLi volume variation in the building and cold leg under the selected scenarios.
Energies 18 00462 g007
Figure 8. Inboard—Pressure trend occurring in the cold leg and PbLi mass flow through the rupture. Comparison among the DEBm, DEBb, and SLm scenarios.
Figure 8. Inboard—Pressure trend occurring in the cold leg and PbLi mass flow through the rupture. Comparison among the DEBm, DEBb, and SLm scenarios.
Energies 18 00462 g008
Figure 9. Mass consumption of Li, O2, N2, and generation of the products Li2O and Li3N.
Figure 9. Mass consumption of Li, O2, N2, and generation of the products Li2O and Li3N.
Energies 18 00462 g009
Figure 10. Temperature and pressure variation occurring inside the building.
Figure 10. Temperature and pressure variation occurring inside the building.
Energies 18 00462 g010
Figure 11. Variation in the energy released by the consumption of O2 and N2.
Figure 11. Variation in the energy released by the consumption of O2 and N2.
Energies 18 00462 g011
Figure 12. Comparison of the Li mass consumption among the three investigated cases.
Figure 12. Comparison of the Li mass consumption among the three investigated cases.
Energies 18 00462 g012
Figure 13. Comparison of the Li2O and Li3N generation among the three investigated cases.
Figure 13. Comparison of the Li2O and Li3N generation among the three investigated cases.
Energies 18 00462 g013
Figure 14. Comparison among pressures and temperatures reached in the three cases.
Figure 14. Comparison among pressures and temperatures reached in the three cases.
Energies 18 00462 g014
Figure 15. Comparison among the effective energies generated in the three investigated cases.
Figure 15. Comparison among the effective energies generated in the three investigated cases.
Energies 18 00462 g015
Figure 16. Building nodalization 1.
Figure 16. Building nodalization 1.
Energies 18 00462 g016
Figure 17. Pressure evolution for the 5 volume cases.
Figure 17. Pressure evolution for the 5 volume cases.
Energies 18 00462 g017
Figure 18. Temperature evolution for the 5 volume cases. The different colors refer to Control Volumes at different heights.
Figure 18. Temperature evolution for the 5 volume cases. The different colors refer to Control Volumes at different heights.
Energies 18 00462 g018
Figure 19. Building nodalization 2.
Figure 19. Building nodalization 2.
Energies 18 00462 g019
Figure 20. Final temperature of lead and air with different reactions.
Figure 20. Final temperature of lead and air with different reactions.
Energies 18 00462 g020
Figure 21. MELCOR Control Functions flowchart for lead–lithium air reaction.
Figure 21. MELCOR Control Functions flowchart for lead–lithium air reaction.
Energies 18 00462 g021
Figure 22. Pressure transient in the building with different chemical models.
Figure 22. Pressure transient in the building with different chemical models.
Energies 18 00462 g022
Figure 23. Temperature transient in the building with different chemical models.
Figure 23. Temperature transient in the building with different chemical models.
Energies 18 00462 g023
Figure 24. Water vapor consumption (left) and hydrogen generation (right).
Figure 24. Water vapor consumption (left) and hydrogen generation (right).
Energies 18 00462 g024
Table 1. Main geometries characterizing the investigated system.
Table 1. Main geometries characterizing the investigated system.
ComponentVolume [m3]Cross Section Area [m2]Elevation Change [m]
Cold leg2.170.04925.4
Hot leg0.830.0491.1
Upper/Bottom ring3.80.0490.0
Inboard sector--13.1
Table 2. Design parameters of the PbLi system.
Table 2. Design parameters of the PbLi system.
ParameterValueUnit
PbLi volume in the BBs per loop72[m3]
PbLi temperature, BB inlet/outlet≈330[°C]
PbLi velocity in the loop0.17[m/s]
PbLi Normal Operation Pressure, BB inlet/outlet3.5/0.8[MPa]
Ancillary system pressure0.1–0.5[MPa]
Table 3. Relevant features of the PbLi system nodalization.
Table 3. Relevant features of the PbLi system nodalization.
MELCOR ModelVolume [m3]Height/Length [m]Hydraulic Diameter [m]Notes
CVH 101000.01.1-
CVH 301.2525.4-
CVH 503.80.25-
CVH 707213.1-Inboard Nodalization
CVH 7017413.1-Outboard Nodalization
CVH 903.80.25-
CVH 1100.0611.25-
CVH 13020,15633.25-
FL 20-6.00.273
FL 40-2.560.273
FL 60 and FL 80-5.4250.136
FL 100-2.180.273
FL 120-7.30.273
FL 140--0.356
Table 4. Summary table of lead–lithium air ignition test from [17].
Table 4. Summary table of lead–lithium air ignition test from [17].
TestInitial 17Li83Pb Temp. (°C)Test TypeComments
LPA-1450PoolNo temperature increase, thin oxide coating formed on surface, no detectable aerosol
LPA-2700PoolNo temperature increase, thin oxide coating formed on surface, maximum aerosol concentration 0.39 mg-Li/m3 and 0.27 mg-Pb/m3
LPA-3714PoolNo temperature increase, thin oxide coating formed on surface even with pool surface agitation, maximum aerosol concentration 0.05 mg-Li/m3 and 1.0 mg-Pb/m3
ASA-1720SpraySpray rate of 40 g/s, essentially no energy release from reaction, peak aerosol 0.04 mg-Li/m3 and 0.78 mg-Pb/m3
Table 5. Thermal properties of the implied working fluids.
Table 5. Thermal properties of the implied working fluids.
Working FluidMelting Point [°C]Boiling Point [°C]Density
[kg/m3]
Thermal Conductivity [W/mK]Specific Heat
[J/kgK]
PbLi2347189500 (330 °C) 4.0 (330 °C)189.0 (330 °C)
Li180.51342500 (330 °C)46.0 (330 °C)4.3 (330 °C)
Table 6. The investigated out-vessel PbLi loss of flow scenarios.
Table 6. The investigated out-vessel PbLi loss of flow scenarios.
ScenariosRupture Surface [m2]Elevation of the Rupture [m]
DEBm0.098 (200% of the cross section)12.7
DEBb0.098 (200% of the cross section)6.35
SLm0.00245 (5% of the cross section)12.7
Table 7. Values for chemical reaction calculations.
Table 7. Values for chemical reaction calculations.
DescriptionUnitsValue
Vtot Total Volume[m3]20,156
Ta,i Initial Air Temperature[K]298.15
TPb,i Initial Lead Temperature[K]603.15
MLi Lithium Masss[kg]4555
MPb Lead Mass[kg]7.59 × 105
Vatm Total Volume of Air[m3]20,156
cv,a Air-specific Heat at Constant Volume[J/kgK]841.5
cp,Pb Lead-specific Heat[J/kgK]147.3
R Universal Gas Constant[J/molK]8.31
ma Molecular Weight[g/mol]28.97
hO2[J/gmole]605,440.2
patm Pressure Atmosphere[Pa]1.00 × 105
hN2[J/molK]174,179.2
Ma Air Mass[kg]2.25 × 104
Air Relative Humidity%60
MH2O(vapor)[kg]508
Disclaimer/Publisher’s Note: The statements, opinions and data contained in all publications are solely those of the individual author(s) and contributor(s) and not of MDPI and/or the editor(s). MDPI and/or the editor(s) disclaim responsibility for any injury to people or property resulting from any ideas, methods, instructions or products referred to in the content.

Share and Cite

MDPI and ACS Style

Galleni, F.; Cossu, V.; Moscardini, M.; Forgione, N. Investigation on MELCOR Code Capabilities for the Simulation of Lithium–Lead Chemical Interactions for Fusion Safety Applications. Energies 2025, 18, 462. https://doi.org/10.3390/en18030462

AMA Style

Galleni F, Cossu V, Moscardini M, Forgione N. Investigation on MELCOR Code Capabilities for the Simulation of Lithium–Lead Chemical Interactions for Fusion Safety Applications. Energies. 2025; 18(3):462. https://doi.org/10.3390/en18030462

Chicago/Turabian Style

Galleni, Francesco, Vittorio Cossu, Marigrazia Moscardini, and Nicola Forgione. 2025. "Investigation on MELCOR Code Capabilities for the Simulation of Lithium–Lead Chemical Interactions for Fusion Safety Applications" Energies 18, no. 3: 462. https://doi.org/10.3390/en18030462

APA Style

Galleni, F., Cossu, V., Moscardini, M., & Forgione, N. (2025). Investigation on MELCOR Code Capabilities for the Simulation of Lithium–Lead Chemical Interactions for Fusion Safety Applications. Energies, 18(3), 462. https://doi.org/10.3390/en18030462

Note that from the first issue of 2016, this journal uses article numbers instead of page numbers. See further details here.

Article Metrics

Back to TopTop