Dual-Source Heat Pump Application for Boiler Replacement—Investigation by Simulation and Field Monitoring
Abstract
1. Introduction
- The still-low market shares of building renovation and slow development of the retrofit market. In Switzerland, the renovation rate is around 1%.
- Currently, a peak load supply based on fossil fuels is still accepted by building owners, companies and authorities, which can relax the limitation of the heat source by downsizing the HP capacity and application of back-up heaters.
- The complexity as well as cost of multi-source arrangements are considered higher and installations are seen more risky for the investor, designer and installer, also due to the lack of experience of these systems.
- Hardly any references to or best-practice systems with multi-source approaches are found in application.
1.1. Literature Review
1.2. Research Gap and Research Objectives
- Limitations of individual heat sources can be mitigated or entirely overcome by the integration of two or more heat sources, since the individual heat source can be downsized, which can overcome noise, space and depth limitations, respectively.
- The integration can yield synergies among the sources, which can increase the energy performance by utilizing the favorable heat source and also decrease the overall system cost by cost savings of the individual sources.HPs with multiple sources can thereby be operated monovalently as the sole heat generator without a fossil fuel back-up heater.
- A coverage of the peak load using additional heat source(s).
- A primary heat source that is regenerated by additional heat source(s).
2. Materials and Methods
2.1. Simulation Study
2.2. Pilot and Demonstration of Boiler Replacement by a Dual-Source HP System
2.2.1. Background of the Pilot Plant
- Redesign during the ongoing construction project.
- The HPs had already been ordered, a change in the order would have resulted in high costs and delays.
- The use of the roof is notably restricted due to planned roof renovation in a few years.
- The space available for the BHX and the drilling depth restriction.
2.2.2. Redesign of a Dual-Source HP System
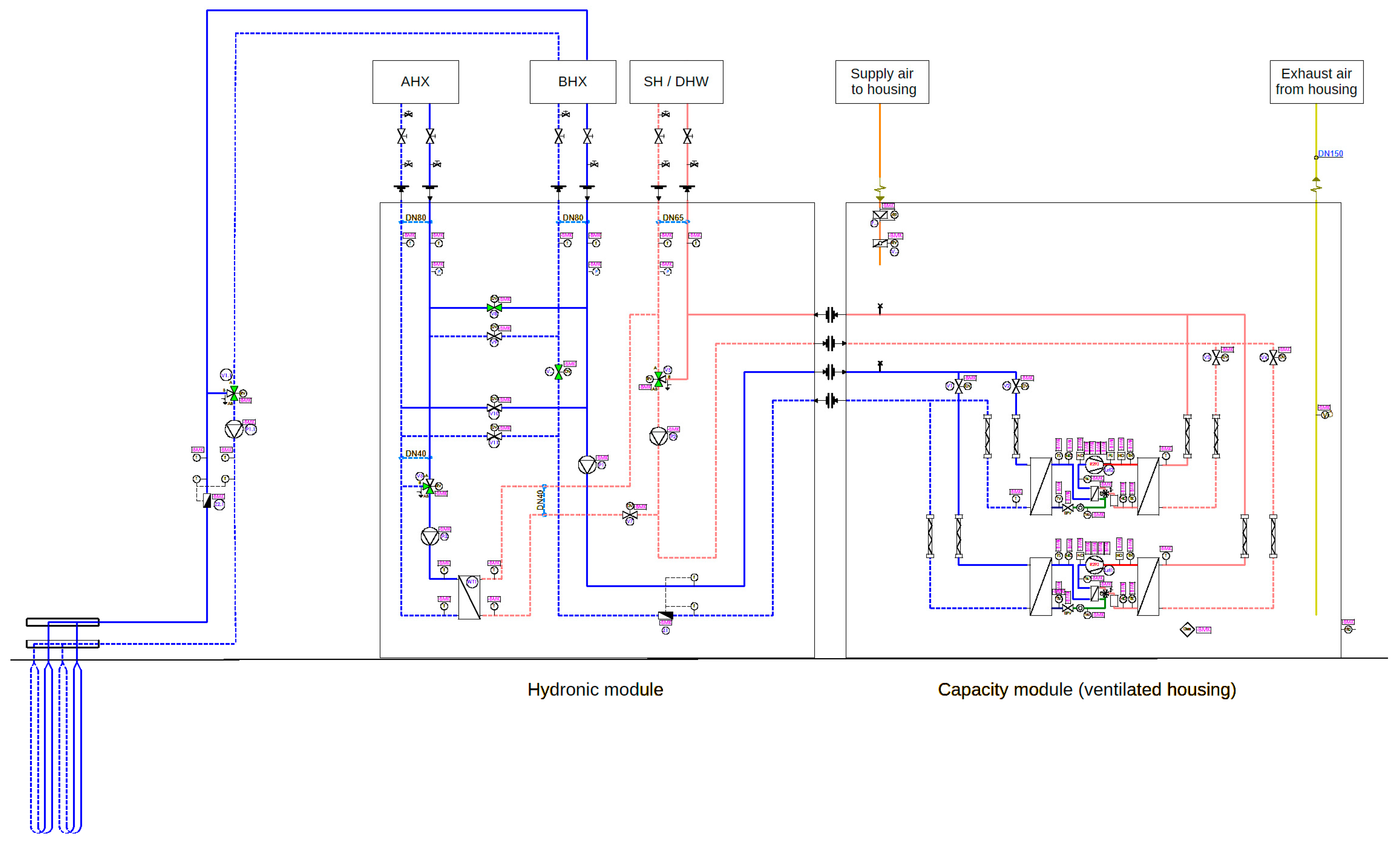
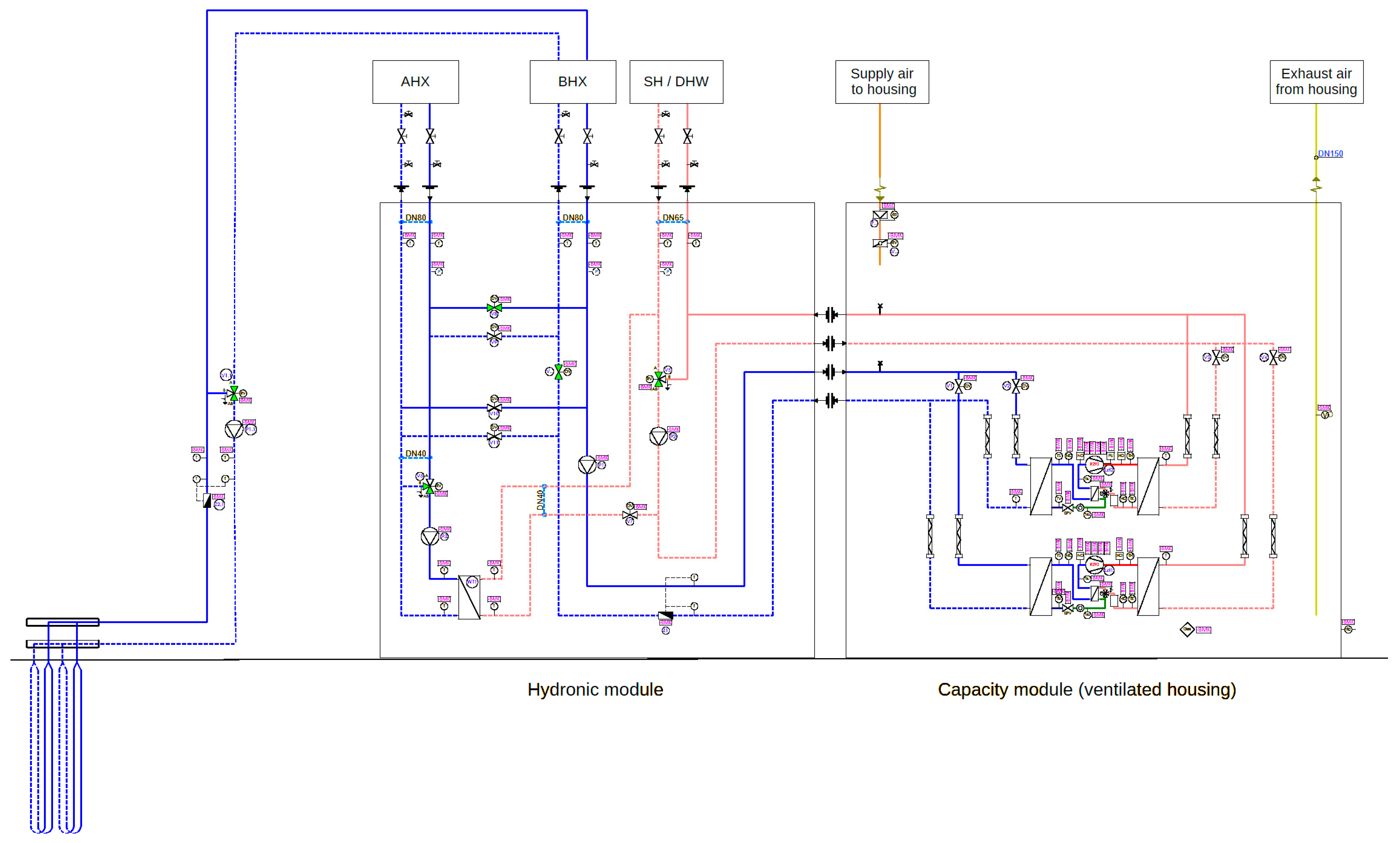
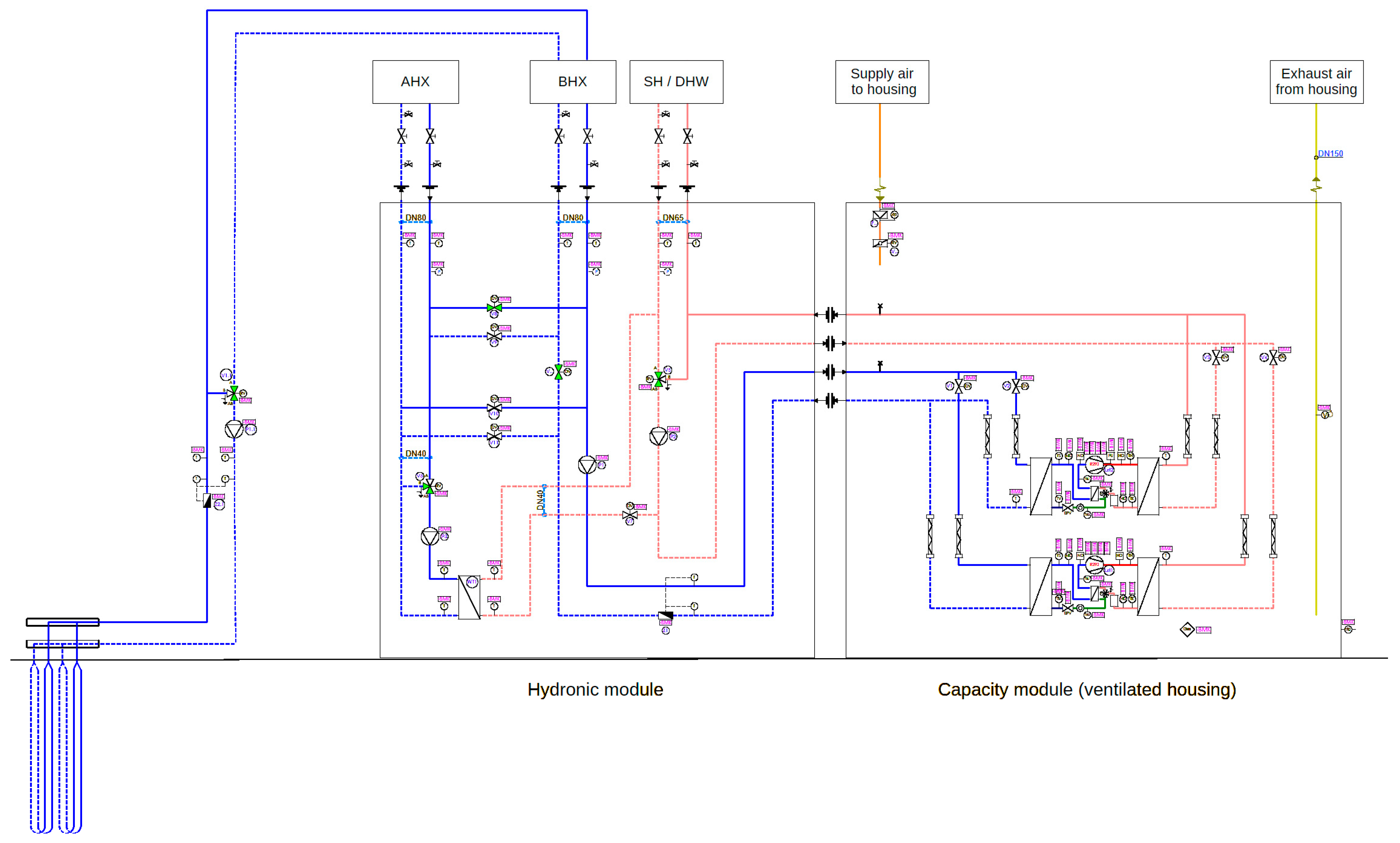
2.2.3. Installed System Configuration
- Control cabinet.
- Capacity module in ventilated housing for the refrigerant circuits, see Figure 4, depicting the two capacity modules. Each capacity module comprises two separate refrigeration circuits, each with a speed-controlled compressor by inverter.
- Hydraulic module, which contains the hydraulic components such as valves, pumps and plate heat exchangers.
- Heating/DHW with outdoor air as source.
- Heating/DHW with ground probes as source.
- Heating/DHW with outdoor air and ground probes as source.
- Regeneration without HP operation.
- Regeneration with HP operation.
- Defrosting.
- Building K6: 8 probes of 100 m each + 1 probe of 106 m = 906 m in total.
- Building K8: 7 probes of 100 m + 1 probe of 86 m = 786 m in total.
- Summer: AHX source.
- Winter: Base load AHX, peak load BHX.
- Regeneration: Whenever possible, the ground is regenerated using the AHX.
2.2.4. P&D Objectives and Monitoring Equipment
- Verification of the concept of the peak load ground source over the complete project phases “planning–commissioning–monitoring–optimization”.
- Review of the planning principles and hydraulic integration.
- Evaluation of 3 years of operation (optionally also longer measurements).
- Model validation with operating data and system optimization.
- Optimization of source management (e.g., by means of setpoint shifting: dynamic balance point, combination with summer regeneration, etc.).
- System comparison abstracted from the real boundary conditions in order to verify whether multi-source systems can also offer advantages for cases without heat source limitations.
2.2.5. Representativeness and Limitations of the Case Study
- Typical building stock buildings with only slight renovation and oil boiler heating system before the retrofitting. This corresponds to the situation of almost 40% of the Swiss building stock.
- The buildings are not located in the city center but nevertheless experience similar limitations as in a densely built area due to the steep surrounding terrain and limited space of the parking lot available for the ground probes. Due to the artesian water, additional limitation of the drilling depth occurred.
- The buildings have typical radiator emission systems, implying higher supply temperatures in the range of 60 °C. The stock building also implies typical DHW share in the range of 20% of the total heat demand.
- By the combination of the presented strategies, the effects of both strategies of peak load coverage and regeneration can be evaluated in the same pilot plant. However, it is intended to consider the combined operation, which seems to be more favorable regarding the existing limitations of both heat sources, in particular the ground probes, which are significantly shorter than originally planned.
- The site exhibits typical ground parameters and the representative climate for the Swiss midland. The site is only about 20 km away from Zurich, which is often used as a reference climate.However, this also leads to some limitation of the chosen P&D plant:
- The evaluation is limited to the site in the Swiss midlands and is thus not representative for other sites in more mountainous areas. However, the densely populated areas are in the Swiss midlands.
- The system layout is fixed by the installed systems, i.e., no variants regarding design of the source system can be verified, e.g., in terms of probe number, probe distance and probe depth. The system, though, has been adapted to the limitations of the site, and the resulting system layout is thus a typical compromise based on the boundary conditions and reflects typical practical limitations for many sites.
- The load conditions are also fixed by the connected buildings and cannot be arbitrarily varied. In particular, the results are not directly transferable to new buildings with different load conditions, in particular a higher DHW share. Nevertheless, the limitations are more critical in the case for the building stock due to higher space heating loads in wintertime, since new-built buildings have better insulation.
- Also, the regeneration source is fixed to outdoor air regeneration, which has different characteristics to solar regeneration, which is also often applied. But solar regeneration is often also limited, e.g., by unavailable roof areas in existing buildings.
2.3. Indoor Installation of HP with Propane Natural Refrigerant
2.3.1. Characteristics of Propane and Other Refrigerants
2.3.2. Safety Concept
- Technical measures (T).
- Structural measures (M).
- Organizational measures (O).
3. Results
3.1. Simulation Results
3.1.1. Results of the Strategy “Peak Load Coverage”
3.1.2. Results of the Strategy “Regeneration”
3.2. Simulation Support for the Redesign to a Dual-Source System
3.2.1. Combination of Strategies
3.2.2. Simulation Results for P&D System Combination of Strategies
3.2.3. Exergy Losses
3.3. Monitoring of Boiler Replacement by Dual-Source HP System
4. Discussion
4.1. Simulation Results of Dual Heat Source Integration
4.2. Monitoring Results of the Dual-Source HP Operation
5. Conclusions
Author Contributions
Funding
Data Availability Statement
Acknowledgments
Conflicts of Interest
Abbreviations
| AHX | Air Heat Exchanger |
| ASHRAE | American Society of heating, refrigeration and Air-conditioning Engineers |
| BHX | Borehole Heat Exchanger |
| CAPEX | Capital Expenditure |
| CEN | Comité Europeen de Normalisation, European Committee for Standardization |
| CFC | Chlorofluorocarbons |
| EM | Electricity Meter |
| ERA | Energy Reference Area |
| GWP | Global Warming Potential |
| HFC | Hydrofluorocarbons |
| HFO | Hydrofluoroolefins |
| HP | Heat Pump |
| HM | Heat Meter |
| KPI | Key Performance Indicator |
| MFH | Multi-Family House |
| NPV | Net Present Value |
| ODP | Ozone Depletion Potential |
| OPEX | Operational Expenditure |
| P&D | Pilot and Demonstration |
| PV | Photovoltaic |
| PF | Performance Factor |
| PV/T | Photovoltaic-Thermal collector |
| SAHP | Solar-Assisted Heat Pump |
| SPF | Seasonal Performance Factor |
| USC | Uncovered Solar Collector |
Appendix A
| Parameter | Specific Cost/Tariff | Remark |
|---|---|---|
| CAPEX | ||
| Air-source HP | 1700 EUR/kW | |
| Ground-source HP | 900 EUR/kW | |
| Borehole heat exchanger | 100 EUR/m | |
| PVT collector | 750 EUR/m2 | |
| Uncovered solar collector | 400 EUR/m2 | |
| Air heat exchanger (60–240 kW) | 1500–600 EUR/kW | |
| Maintenance | Dependent on capacity | Annual maintenance service abonnement |
| Additional cost of dual-source integration | 15 kEUR (60 kW)/ 30 kEUR (120 kW)/ 45 kEUR (240 kW) | |
| OPEX | ||
| Grid electricity tariff | 0.2 EUR/kWh | As of June 2022, strongly dependent on market |
| PV feed-in tariff | 0.10 EUR/kWh | As of June 2022, strongly dependent on market |
| PV self-consumption tariff | 0.17 EUR/kWh | As of June 2022, strongly dependent on market |
| Component lifetime/interest rate | ||
| Ground probes | 50 years | |
| Heating system components | 20 years | |
| Interest rate (real) | 1.5% |
References
- European Council: Fit for 55—Making Buildings in the EU Greener. Available online: https://www.consilium.europa.eu/en/infographics/fit-for-55-making-buildings-in-the-eu-greener/ (accessed on 20 February 2025).
- International Energy Agency. Wider Implications of Achieving Net-Zero Emissions In Net Zero by 2050, A Roadmap for the Global Energy Sector, Special report, revised version October 2021 (4th revision); International Energy Agency: Paris, France, 2021; p. 27. [Google Scholar]
- Romano, E.; De Sousa Fraga, C.; Hollmuller, P. CO2 emission savings of heat-pumps in the residential sector. Case study from multifamily buildings in Geneva. In Proceedings of the 13th IEA Heat Pump Conference, Jeju, Republic of Korea, 26–29 April 2021. [Google Scholar]
- Bundesamt Für Statistik. Available online: https://www.bfs.admin.ch/bfs/de/home/statistiken/bau-wohnungswesen/gebaeude/energiebereich.html (accessed on 20 February 2025).
- Swiss heat pump Association FWS. Heat Pump Market Development Switzerland 2024 and 4/2024; Swiss Heat Pump Association FWS: Zürich, Switzerland, 2025. [Google Scholar]
- Yang, L.W.; Xu, R.J.; Hua, N.; Xia, Y.; Zhou, W.B.; Yang, T.; Belyayev, Y.; Wang, H.S. Review of the advances in solar-assisted air source heat pumps for the domestic sector. Energy Convers. Manag. 2021, 247, 114710. [Google Scholar] [CrossRef]
- Namdar, H.; Rossi di Schio, E.; Semprini, G.; Valdiserri, P. Photovoltaic-thermal solar-assisted heat pump systems for building applications: A technical review on direct expansion systems. Energy Build. 2025, 334, 115516. [Google Scholar] [CrossRef]
- Tan, Y.; An, L.; Wang, L.; Hou, Z.; Zhao, S.; Liu, B.; Guo, Y. Proposal and performance evaluation of a solar hybrid heat pump with integrated air-source compression cycle. Energy Convers. Manag. 2024, 321, 119097. [Google Scholar] [CrossRef]
- Li, Y.; Cui, Y.; Song, Z.; Zhao, X.; Li, J.; Shen, C. Eco-economic performance and application potential of a novel dual-source heat pump heating system. Energy 2023, 283, 128478. [Google Scholar] [CrossRef]
- Reum, T.; Schmitt, D.; Summ, T.; Trinkl, C.; Ochs, F.; Schrag, T. Experimental analysis of parallel operation of two heat sources in a dual-source heat pump incorporating two compressors. Int. J. Refrig. 2025, 171, 124–138. [Google Scholar] [CrossRef]
- You, T.; Wu, W.; Yang, H.; Liu, J.; Li, X. Hybrid photovoltaic/thermal and ground source heat pump: Review and perspective. Renew. Sustain. Energy Rev. 2021, 151, 111569. [Google Scholar] [CrossRef]
- Xu, L.; Pu, L.; Zhang, S.; Li, Y. Hybrid ground source heat pump system for overcoming soil thermal imbalance: A review. Sustain. Energy Technol. Assess. 2021, 44, 101098. [Google Scholar] [CrossRef]
- Wang, J.L.; Yan, T.; Tang, X.; Pan, W.G. Design and operation of hybrid ground source heat pump systems: A review. Energy 2025, 316, 134537. [Google Scholar] [CrossRef]
- Kirschstein, X.; Ohagen, M.; Reber, J.; Vardon, P.J.; Bishara, B. Regeneration of shallow borehole heat exchanger fields: A literature review. Energy Build. 2024, 317, 114381. [Google Scholar] [CrossRef]
- Sommerfeldt, N.; Madani, H. In-depth techno-economic analysis of PV/Thermal plus ground source heat pump systems for multi-family houses in a heating dominated climate. Solar Energy 2019, 190, 44–62. [Google Scholar] [CrossRef]
- Liravi, M.; Karkon, E.; Jamot, J.; Wemhoener, C.; Dai, Y.; Georges, L. Energy efficiency and borehole sizing for photovoltaic-thermal collectors integrated to ground source heat pump system: A Nordic case study. Energy Convers. Manag. 2024, 313, 118519. [Google Scholar] [CrossRef]
- Adebayo, P.; Shor, R.; Mohamad, A.; Wemhoener, C.; Mwesigye, A. Performance analysis of a solar-assisted ground source heat pump with a single vertical U-tube ground heat exchanger. Appl. Therm. Eng. 2024, 257, 124452. [Google Scholar] [CrossRef]
- Sang, K.; Qu, M.; Yan, N.; Li, Z.; Liu, B. Energy, economic and environmental analysis of a photovoltaic-thermal integrated dual-source heat pump system under system coefficient of performance based switching strategy. Energy Build. 2024, 323, 114759. [Google Scholar] [CrossRef]
- Corberán, J.M.; Cazorla-Mar_ın, A.; Marchante-Avellaneda, J.; Montagud, C. Dual source heat pump, a high efficiency and cost-effective alternative for heating, cooling and DHW production. Int. J. Low-Carbon Technol. 2018, 13, 161–176. [Google Scholar] [CrossRef]
- Grossi, I.; Dongellini, M.; Piazzi, A.; Morini, G.L. Dynamic modelling and energy performance analysis of an innovative dual-source heat pump system. Appl. Therm. Eng. 2018, 142, 745–759. [Google Scholar] [CrossRef]
- Natale, C.; Naldi, C.; Dongellini, M.; Morini, G.L. Long term performance analysis of a Dual-Source Heat Pump system by means of ALMABuild. In Proceedings of the 14th IEA HP Conference, Chicago, IL, USA, 16–18 May 2023. [Google Scholar]
- Natale, C.; Naldi, C.; Dongellini, M.; Morini, G.L. Evaluation of the Seasonal Energy Performance of a Dual-Source Heat Pump Through Dynamic Experimental Tests. Energies 2025, 18, 2532. [Google Scholar] [CrossRef]
- Bordignon, S.; Marigo, M.; De Carli, M.; Zarrella, A. Evaluation of control strategies for a dual-source heat pump, Evaluation of control strategies for a dual-source heat pump. Sci. Technol. Built Environ. 2025, 1–12. [Google Scholar] [CrossRef]
- Solar Institute Juelich. Carnot Blockset, Version 7.1; University of Applied Sciences Aachen: Aachen, Germany, 2021. [Google Scholar]
- SIA 384/6; Swiss Engineers and Architects Society SIA 384/6 Ground Probes. SIA: Zurich, Switzerland, 2021.
- SIA 2024; Swiss Engineers and Architects Society SIA 2024 Room Use Data for the Energy- and Building Technology. SIA: Zurich, Switzerland, 2021.
- SIA 2028; Swiss Engineers and Architects Society SIA 2028 Climate Data for Building Physics; Energy and Building Technologies. SIA: Zurich, Switzerland, 2010.
- Eskilson, P. Thermal Analysis of Heat Extraction Boreholes; Lund University Press: Lund, Sweden, 1987. [Google Scholar]
- Bätschmann, M.; Büttgenbach, S.; Caflisch, M.; Willim, M. Findings on Geothermal Probe Regeneration Using the Example of a Double Multi-Family House in Ländisch, Final Report (in German), Energieschweiz, Berne. 2021. Available online: https://www.bfe.admin.ch/bfe/de/home/versorgung/energieeffizienz/umgebungswaerme.exturl.html/aHR0cHM6Ly9wdWJkYi5iZmUuYWRtaW4uY2gvZGUvcHVibGljYX/Rpb24vZG93bmxvYWQvMTA3OTU=.html (accessed on 20 August 2025).
- Huber Energietechnik AG EWS Version 5.6. Available online: https://www.hetag.ch/ews.html (accessed on 20 February 2025).
- SIA 385/2; Swiss Engineers and Architects Society SIA 385/2 Systems for Domestic Hot Water in Buildings—Hot Water Demand, Overall Requirements and Design. SIA: Zurich, Switzerland, 2015.
- Kauffeld, M.; Dudita, M. Environmental Impact of HFO Refrigerants & Alternatives for the Future; Open Access Government, 11 June 2021. Available online: https://www.openaccessgovernment.org/hfo-refrigerants/112698/ (accessed on 20 August 2025).
- Zendehboudi, A.; Ye, Z.; Hafner, A.; Andresen, T.; Skaugen, G. Heat transfer and pressure drop of supercritical CO2 in brazed plate heat exchangers of the tri-partite gas cooler. Int. J. Heat Mass Transf. 2021, 178, 121641. [Google Scholar] [CrossRef]
- CEN. EN 378 Parts 1-4 Refrigerating Systems and Heat Pumps—Safety and Environmental Requirements; CEN: Brussels, Belgium, 2017. [Google Scholar]
- SUVA. SUVA Regulations 66139 Safe Operation of Refrigeration Systems and Heat Pumps; The Swiss National Accident Insurance Fund: Lucerne, Switzerland, 2018. [Google Scholar]
- SIA 480; Swiss Engineers and Architects Society SIA 480 Economic Calculation for Investment in Building Construction. SIA: Zurich, France, 2016.
- Meier, C.; Hobe, A.; Ruesch, F.; Heid, A.; Wemhoener, C. Ground-Coupled Heat Pumps for Peak Load Coverage in District Heating Grids—Potentials and Challenges, Interim Report (in German), Rapperswil, Switzerland, Oct. 2025. Available online: https://www.aramis.admin.ch/Default?DocumentID=73674&Load=true (accessed on 20 August 2025).
- Coordination Conference of the Building and Real Estate Authorities of Public Building Contractors (KBOB) KBOB 2009/1:2022, Version 7.0, List of Life Cycle Assessment Data in the Construction Sector, Published on 3 September 2024, Zurich, Switzerland. Available online: https://www.kbob.admin.ch/de/oekobilanzdaten-im-baubereich (accessed on 20 August 2025).
















| Criteria Heat Source | Outdoor Air | Vertical Ground Probes | Horizontal Ground Source | Ground-Water | Solar Absorber |
|---|---|---|---|---|---|
| Typical temperature level in winter | −10–0 °C | 0–10 °C | 0–5 °C | around 10 °C | −3–5 °C |
| Legal regulation | Noise protection | Permit required | None | Permit required | Heritage requirements |
| Typical range of SPF | 3–3.5 | 4–5 | 3.5–4.5 | 4–5 | 4–5 |
| Investment cost | Low | High | Middle | High | Middle |
| Typical restrictions | Noise, capacity range | Excluded area for drilling (e.g., drinking water protection) Ground properties: accessibility of the site for drilling Available drilling space Drilling depth | Required area of real estate; suitable ground properties | Availability of groundwater, amount of groundwater, temperature requirements regarding heat extraction/rejection, cost of source installation | Installation space availability, heritage restrictions, suitability of the roof in terms of load bearing, shading, etc. |
| Parameter | New Built | Building Stock | Variation/Remark |
|---|---|---|---|
| Heat demand (SH and DHW) | 45 kWh/(m2 year) | 160 kWh/(m2 year) | No variation |
| Fraction SH/DHW | 33% SH, 66% DHW | 80% SH, 20% DHW | No variation |
| Energy reference area | 3300 m2 | 1040 m2 | No variation |
| Design heat load | 60 kW | 60 kW | Varied up to 240 kW |
| Number of flats | 36 | 12 | At 60 kW |
| Heating design temperature | 35 °C | 55 °C | Floor heating/radiators |
| DHW temperature | 55 °C | 55 °C | With HP-only |
| Weather data set | Zurich 1 | Zurich | Zurich 1 cold year |
| Thermal conductivity ground | 2.4 W/(mK) | 2.4 W/(mK) | Swiss midlands |
| Thermal conductivity grouting | 2.0 W/(mK) | 2.0 W/(mK) | 0.85 W/(mK) |
| Value | Unit | K6 | K8 | Total |
|---|---|---|---|---|
| Energy reference area | m2 | 2357 | 1833 | 4190 |
| Heat load at −8 °C | kW | 70.0 | 50.0 | 120.0 |
| Area-specific heat load | W/m2 | 29.7 | 27.3 | 28.6 |
| DHW heat demand | MWh/year | 70.0 | 54.4 | 124.4 |
| DHW load supplement | kW | 8.0 | 6.2 | 14.2 |
| Load without defrosting | kW | 78.0 | 56.2 | 134.2 |
| Source capacity w/o defrosting | kW | 52.0 | 37.5 | 89.5 |
| Defrosting capacity | kW | 3.9 | 2.8 | 6.7 |
| Total heat load | kW | 81.9 | 59.0 | 140.9 |
| Full load hours based on total heat load | h | 3065 | 3303 | 3165 |
| Heat pump type | SW114/2 FU-A | SW89/2 FU-A | ||
| Heating capacity HP | kW | 94.0 | 73.0 | 167.0 |
| Full load hours | h | 2670 | 2671 | 2671 |
| Capacity reserve | 13% | 19% | 16% | |
| Heat demand | MWh/year | 251 | 195 | 446 |
| DHW heat demand | MWh/year | 70.0 | 54.4 | 124.4 |
| Area-specific heating demand | kWh/(m2 year) | 106 | 106 | 106 |
| Testing Point | B0/W35 | B0W45 | B-10/W45 | B-10/W60 | |
|---|---|---|---|---|---|
| Heating capacity | kW | 114/89.1 | 106.7/83.4 | 105.5/80.0 | 92.1/72.0 |
| COP | kWth./kWel. | 4.6 | 3.8 | 3.1 | 2.4 |
| Frequency inverter | Hz | 50 | 50 | 70/68 | 70 |
| Strategy | Control Variables | Description | Flow Chart |
|---|---|---|---|
| Conservative CS2 | Process variable: Evap. inlet (T3) Setpoint: fixed value | BHX is only used when evaporator inlet temperature is below a minimum value (e.g., min. allowed inlet temperature of the HP evaporator). | ![]() |
| Progressive CS3 | Process variable: BHX return (T2) Setpoint: AHX return (T4) | Balance between the two sources is held by reaching the same return temperature, e.g., if BHX return is higher than AHX return, BHX mass flow is increased. Therefore, the BHX capacity increases and the BHX return temperature decreases and vice versa for the AHX. The challenge is not to overuse the BHX so that there is no capacity left in the coldest days. | ![]() |
| Optimized CS4 | Process variable: BHX return (T2) Setpoint: T = f(Tamb) or f(T4) | An optimized strategy increases the allowed BHX capacity with decreasing outdoor air temperature. So, at moderate outdoor air temperatures, the BHX capacity is not maximized, which helps to conserve the ground energy for the coldest days. | ![]() |
| KPI | Necessary Values | Measurements |
|---|---|---|
| Sustainable operation of the ground probes | Inlet/outlet temperatures extracted/rejected energy | Inlet/outlet temperatures and heat meter of BHX |
| Evaluation SPF | Produced heat of the HP electricity input to HP | Heat meter (HM) space heating and DHW total electric energy meter (EM) |
| Simulation model verification | Inlet/outlet temperatures capacities of heat sources and sinks (ground probes, AHX, HP) Electric power | Temperatures, mass flows BHX; AHX, evaporator inlet/outlet condenser out outdoor air temperature |
| Capacities: BHX, AHX, evaporator, condenser, electric power | ||
| Control variables: mixing valve BHX, pump BHX set point, AHX fan, set points, compressor speed | Control variables are directly extracted from the HP data | |
| Weather data, outdoor air temperature | Weather data of the site, outdoor air temperature |
| Measurement Point | Value | Sensor |
|---|---|---|
| HM AHX | Source heat | Belimo 22PE-1UH/EXT-EF-50D, Hinwil, Switzerland |
| HM BHX | Source heat | Belimo 22PE-1UH/EXT-EF-50D, Hinwil, Switzerland |
| HM S | Source heat | NeoVac SC531 BU-SS, Oberriet, Switzerland |
| HM SH | Heat | Belimo 22PE-1UH/EXT-EF-50D, Hinwil, Switzerland |
| HM DHW | Heat | Belimo 22PE-1UH/EXT-EF-50D, Hinwil, Switzerland |
| EM1 | Electricity | Optec M3PRO 1–5 MID, Wetzikon, Switzerland |
| EM2 | Electricity | Optec M3PRO 1–5 MID, Wetzikon, Switzerland |
| Refrigerant | GWP | Safety Group | Remark |
|---|---|---|---|
| Fluorinated Refrigerant (HFC) | |||
| R-134A | 1200 | A1 | Concerned by EU-F-Gas regulation |
| R-407C | 1520 | A1 | Concerned by EU-F-Gas regulation |
| R-410A | 2088 | A1 | Concerned by EU-F-Gas regulation |
| R-32 | 675 | A2L | Mildly flammable, concerned by EU-F-Gas regulation, replacement of R-410A |
| Hydrofluoroolefins (HFO, low GWP refrigerants) | |||
| R-1234yf | <1 | A2L | Mildly flammable, replacement for R-134A |
| R-1234ze | <1 | A2L | Mildly flammable, replacement for R-134A |
| Natural Refrigerants | |||
| R-290 | 3 | A3 | Flammable, higher supply temperatures up to 75 °C possible |
| R-717 | 0 | B2L | Toxic, mildly flammable, application for larger capacities and industrial district heating and industrial applications |
| R-744 | 1 | A1 | High pressure levels due to low critical temperature and therefore often application as a transcritical cycle with requirements for safety, reliability and performance. |
| Heat Generator | Used Energy 1 [MWh] | PF | Delivered Energy 2 [MWh] | CO2 Emission Factor [kg/kWh] | CO2 Emission [t] |
|---|---|---|---|---|---|
| Boiler | 446 | 0.743 | 600 | 0.324 | 194.4 |
| Heat pump | 446 | 3 | 133 | 0.125 | 18.5 |
Disclaimer/Publisher’s Note: The statements, opinions and data contained in all publications are solely those of the individual author(s) and contributor(s) and not of MDPI and/or the editor(s). MDPI and/or the editor(s) disclaim responsibility for any injury to people or property resulting from any ideas, methods, instructions or products referred to in the content. |
© 2025 by the authors. Licensee MDPI, Basel, Switzerland. This article is an open access article distributed under the terms and conditions of the Creative Commons Attribution (CC BY) license (https://creativecommons.org/licenses/by/4.0/).
Share and Cite
Meier, C.; Wemhoener, C. Dual-Source Heat Pump Application for Boiler Replacement—Investigation by Simulation and Field Monitoring. Energies 2025, 18, 5696. https://doi.org/10.3390/en18215696
Meier C, Wemhoener C. Dual-Source Heat Pump Application for Boiler Replacement—Investigation by Simulation and Field Monitoring. Energies. 2025; 18(21):5696. https://doi.org/10.3390/en18215696
Chicago/Turabian StyleMeier, Christoph, and Carsten Wemhoener. 2025. "Dual-Source Heat Pump Application for Boiler Replacement—Investigation by Simulation and Field Monitoring" Energies 18, no. 21: 5696. https://doi.org/10.3390/en18215696
APA StyleMeier, C., & Wemhoener, C. (2025). Dual-Source Heat Pump Application for Boiler Replacement—Investigation by Simulation and Field Monitoring. Energies, 18(21), 5696. https://doi.org/10.3390/en18215696



