Abstract
At present, enhancing the first- and second-law efficiencies of power generation cycles is no longer the sole objective of engineers. Increasing attention is now being paid to reducing carbon emissions in the environment and minimizing the time required to recover the costs of the power plant, in addition to improving work output and first- and second-law efficiencies. The present analytical study compares the power generation cycle with and without a carbon capture unit. The combined cycle selected is the reheat gas turbine cycle using an ammonia–water mixture and transcritical carbon dioxide as working fluids in the bottoming cycle. The comparison of both the configurations depicts that at a cycle pressure ratio of 40, an ambient temperature of 303 K, and a turbine inlet temperature of 1600 K, the configuration incorporating the maximum number of ammonia–water turbines in the bottoming cycle yields the highest work output, amounting to 952.3 kJ/kg. The payback period is found to be the longest—approximately 8 years and 4 months for the configuration utilizing transcritical carbon dioxide as the working fluid. The integration of a carbon capture unit results in a reduction in carbon emissions ranging from a minimum of 15% to a maximum of 22.81%. However, a higher operating separation temperature for ammonia and water is observed to degrade the thermodynamic performance across all configurations analyzed.
1. Introduction
Thermal power generation is a dominant source of electricity worldwide. Among its various types, combined cycle power plants (CCPPs) stand out for their high efficiency and widespread use, primarily relying on fossil fuels such as natural gas and oil. However, this dependency has serious implications for carbon emissions and climate change.
In typical CCPPs, thermal energy from fuel combustion converts into electrical energy. The core processes include air compression in a compressor, mixing of compressed air with fuel, combustion to form high-temperature flue gases, expansion of these gases in a gas turbine, and subsequent heat exchange in a heat recovery steam/gas generator (HRSG/HRVG) with the bottoming cycle working fluid. Finally, the flue gases are discharged through the stack (Figure 1).
Figure 1.
Typical layout of a combined cycle power plant.
Increasing the efficiency of CCPPs is a multi-dimensional approach, and the key parameters include various strategies, technologies, and methodologies. Some of these strategies are outlined as follows:
Advanced Gas Turbine Technologies: Innovations in materials such as superalloys and ceramic matrix composites allow gas turbines to operate at higher temperatures, thereby increasing thermal efficiency. Benini E. [1] explored the potential of these materials in achieving higher efficiency levels. Furthermore, aerodynamic improvements in turbine blade designs, as detailed by Zhang and Janeway [2], have significantly enhanced performance through computational fluid dynamics (CFD) optimizations. Zhu et al. [3] integrated a gas turbine cycle with supercritical carbon dioxide, transcritical carbon dioxide, and the Goswami cycle so as to enhance the thermodynamic efficiency and reduce the impact on the environment.
Heat Recovery Improvements: Optimized HRSG/HRVG designs can maximize waste heat recovery, see Mohammed et al. [4]. Abdollahian and Ameri [5] have demonstrated that supplementary firing in HRSGs allows for additional working fluid generation with minimal increases in emissions. Additionally, alternative working fluids—such as those used in Kalina and CO2 cycles—offer thermodynamic benefits over conventional steam cycles.
Hybrid Systems and Renewable Integration: Powell et al. [6] explored hybrid systems in diverse geographical contexts, concluding that integrating solar thermal energy with CCPPs can significantly improve overall efficiency while reducing fossil fuel dependence. Wojcik and Wang [7] emphasized the role of compressed energy storage in improving the load management and operational flexibility of CCPPs. Fan et al. [8] integrated the Kalina cycle with OTEC; the authors concluded that the cycle demonstrates a better control strategy for the rapid load tracking process. Mahmoud et al. [9] integrated supercritical carbon dioxide with a gas turbine using a concentrated solar power system.
Operational Enhancements and Control Strategies: The use of artificial intelligence (AI) can enhance real-time decision-making and predictive maintenance in power plant operations, thereby improving efficiency. Scaife [10] and Asghar et al. [11] demonstrated that modern CCPPs can operate efficiently under variable loads, optimizing fuel consumption. Yuce [12] quantified the effect of parameters on thermal and exergy efficiency of the Kalina cycle using ANOVA and Taguchi methods.
Waste Heat Utilization: Advancements in heat exchanger technologies, as discussed by Wang et al. [13], enhance the recovery of waste heat, contributing to better thermodynamic performance.
Economic Considerations: Multiple studies underline the economic benefits of investing in efficiency improvements. Brzęczek and Kotowicz [14] highlighted long-term savings from modernizing CCPP technologies. Drago and Gatto [15] noted that government incentives for clean energy can accelerate the adoption of efficient systems.
Although CCPPs contribute significantly to global electricity production, they are also a major source of CO2 emissions [16]. These emissions vary with the type of fossil fuel used, outlined below:
- Coal-Fired Power Plants: The most carbon-intensive, coal-fired plants emit approximately 900 g CO2/kWh [17], accounting for around 44% of global electricity-related CO2 emissions [18].
- Natural-Gas-Fired Power Plants: While considered a cleaner alternative to coal, natural gas still emits about 180–245 g CO2/kWh. A study by McJeon et al. [19] suggests that the role of natural gas as a transition fuel may still contribute significantly to short-term emissions if not coupled with renewable energy development.
- Oil-Fired Power Plants: Oil has a moderate carbon intensity, emitting approximately 730 g CO2/kWh. Although declining in usage in recent years, oil-fired generation still contributes to emissions in regions with limited alternatives [20].
To reduce emissions from thermal power generation, several strategies have been proposed. The International Energy Agency (IEA) recommends upgrading to supercritical and ultra-supercritical steam cycles to enhance efficiency and reduce emissions [21]. Carbon capture and storage (CCS) technologies can reduce emissions by up to 90% [22]. Integration with renewable energy sources has also shown promise in cutting carbon footprints [23]. The recent literature [24,25,26] discusses reducing CO2 through advancements in power cycles and carbon capture technologies.
In addition to these technologies, the choice of working fluid in the bottoming cycle plays a critical role in both the environmental impact and system efficiency. This study focuses on two such fluids: transcritical carbon dioxide and ammonia–water mixture. Table 1 summarizes their thermophysical and environmental characteristics across key performance parameters.
Table 1.
Comparative characteristics of transcritical CO2 and ammonia–water mixtures.
The reliability and efficiency of bottoming cycles are influenced by factors such as compressor pressure ratio, working fluid humidity, and average indirect solar irradiance. The performance of a combined supercritical CO2 cycle/vapor absorption refrigeration system with parabolic trough collectors (PTC) was investigated by Mishra et al. [34]. Prior studies—by Valdimarsson et al. [35], Wall et al. [36], Desideri and Bidini [37], and Leibowitz and Mlcak [38]—analyzed the ammonia–water mixture and concluded that a 70% ammonia concentration by mass is optimal for low-to-moderate temperature cycles.
Vijayaraghavan and Goswami [39] analyzed a combined Rankine and absorption refrigeration cycle, introducing new first- and second-law efficiency definitions that account for both power and cooling outputs. Due to its non-freezing nature at low temperatures, the ammonia–water binary mixture is suitable not only for power generation but also for combined power and cooling applications.
The authors concluded that factors affecting reliability include compressor pressure amount, highest cycling humidity, and overall indirect average irradiance.
Various authors, Valdimarrson et al. [35], Wall et al. [36], Desideri and Bidini [37], Leibowitz and Mlcak [38] analyzed the ammonia–water mixture cycle and concluded that a mixture of 70% ammonia concentration by mass is best suited for the cycle, if the cycle is operating at low-to-moderate temperatures. Vijayaraghavan and Goswami [39] analyzed a combined Rankine cycle and absorption refrigeration cycle (combined power and cooling cycle) and proposed new first-law and second-law definitions in which the cooling effect is also considered.
Though ammonia–water mixture and carbon dioxide have shown potential for near-future fluid, the concern is the corrosion of turbine blades and pumps carrying ammonia–water mixture. This issue may be neglected by using materials like stainless steel of various grades (304, 316, nitronic 60, and duplex) or 6A1-4V titanium, which do not appear to suffer from corrosion [40]. Carbon dioxide poses problems of corrosion only when it reacts with fluids such as water to form acids [41].
Table 2 summarizes the key features of recent studies investigating ammonia–water and CO2 cycles in combined cycle configurations. Previous studies, such as Zhu et al. [3] and Maheshwari & Singh [42], analyzed individual cycles but did not conduct direct cycle-to-cycle benchmarking under matched reheat and carbon capture conditions. In contrast, this study systematically compares all major configurations with explicit economic and thermodynamic metrics, filling a critical gap in the current literature.
Table 2.
Summary of the recent literature: direct comparison of ammonia–water and CO2 cycles in combined cycle applications.
By integrating both ammonia–water and transcritical CO2 cycles under identical operating and carbon capture scenarios, our work advances the comparative understanding and engineering design of high-performance low-emission CCPPs.
The present work addresses this gap by providing the first systematic thermodynamic and economic comparison of a combined cycle with a reheat gas turbine, ammonia–water turbine, ammonia–water turbine with transcritical carbon dioxide turbine (NHNHTC); a combined cycle with a reheat gas turbine, ammonia–water turbine, transcritical carbon dioxide turbine with transcritical carbon dioxide turbine (NHTCTC); and a combined cycle with a reheat gas turbine, transcritical carbon dioxide turbine, transcritical carbon dioxide turbine with transcritical carbon dioxide turbine (TCTCTC). These were tested under identical operational constraints and carbon management scenarios.
Research Gap
A review of the existing literature reveals a clear gap in thermodynamic cycle innovation, particularly from the standpoint of optimal energy utilization in power cycles that incorporate various gas turbine arrangements in the bottoming cycle. Despite significant progress in improving the efficiency of combined cycle configurations, there are still opportunities to explore novel arrangements that could enhance performance even further.
Notably, the use of ammonia–water mixtures and transcritical carbon dioxide as working fluids has proven to be more efficient than conventional alternatives. However, these fluids remain underexplored within a combined cycle framework, particularly in the bottoming cycle, and they present significant potential for improving energy recovery and system performance. The present work addresses this research gap by performing a detailed thermodynamic analysis of a combined power cycle in which ammonia–water and transcritical CO2 are used as the working fluids in the bottoming cycle. This analytical study presents a novel configuration integrating ammonia–water and CO2 with reheat and carbon capture considerations in a combined cycle power plant. This study specifically compares the impact of integrating a carbon capture unit in a combined cycle power plant where the bottoming cycle employs either CO2 or an ammonia–water mixture. The key performance indicators examined include work output, first-law efficiency, second-law efficiency, economic viability, and fuel savings in the combustion chamber. The overall cycle under investigation is based on a reheat gas turbine configuration.
2. Materials and Methods
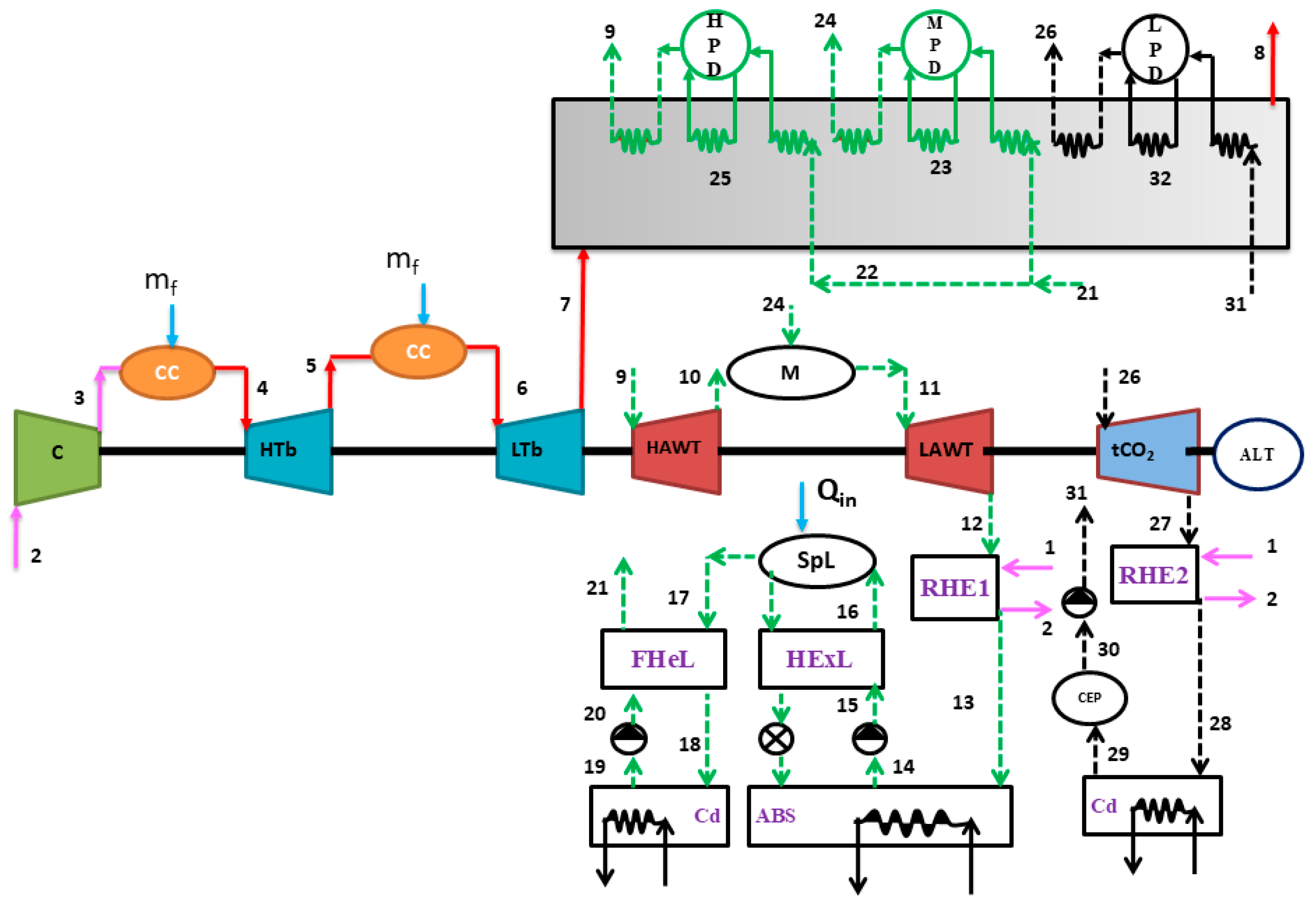
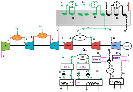
Figure 2 illustrates the combined cycle, which includes a reheat gas turbine, an ammonia–water turbine, and a transcritical carbon dioxide turbine (NHNHTC) alongside the ammonia–water turbine. In this cycle, ambient air is first cooled in a mechanical chiller (from state 1 to state 2) and then enters the compressor. The resulting high-pressure, high-temperature air (state 3) is directed into the combustion chamber (CC), where it mixes with fuel and undergoes combustion. The hot flue gases expand in the high-pressure turbine (HTb) at state 4. The partially expanded gases (state 5) are then reheated in a reheat combustion chamber (RCC) and subsequently expanded in a low-pressure turbine (LTb) at state 6. After this second expansion, the flue gases flow through a heat recovery vapor generator (HRVG) and are finally discharged as exhaust at state 8.
Figure 2.
Combined cycle with reheat gas turbine ammonia–water turbine, ammonia–water turbine with transcritical carbon dioxide turbine (NHNHTC).
In the HRVG, thermal energy from the flue gases is transferred to the working fluids of the bottoming cycle, which include an ammonia–water mixture and carbon dioxide.
The ammonia–water mixture, generated at state 9, expands through a high-pressure ammonia–water turbine (HAWT) up to state 10. This working fluid is then mixed with the ammonia–water stream from state 24, which originates from the medium-pressure drum (MPD). The resulting mixture (state 11) undergoes further expansion in the low-pressure ammonia–water turbine (LAWT), reaching state 12. After this expansion, the working fluid enters a reheat heat exchanger (RHE), which simultaneously cools ambient air entering the system (state 2). The fluid exits the RHE at state 13 and proceeds to the absorber (state 13–14), forming state 14.
Within the absorber, an exothermic reaction occurs between the ammonia–water mixture at state 13 and a weak solution from state 35. The resulting strong liquid mixture is then pumped through a heat exchanger (state 14 to 15), where it transfers heat to the incoming weak solution. This generates state 16, which enters a separator, producing a rich vapor mixture (state 17) and a weak liquid mixture (state 33).
The weak solution undergoes a pressure reduction and is transformed into state 35. The rich vapor (state 17) flows into a feed heater, where it is cooled (state 18) via heat exchange with its liquid phase. The vapor is then condensed into a liquid ammonia–water mixture (state 19), which is pressurized (state 20), passed through a pre-heating heat exchanger (state 21), and sent back to the HRVG for reheating.
In parallel, the carbon dioxide cycle operates as follows: CO2 vapor from the low-pressure drum enters a turbine at state 26, where it expands to state 27. This expanded CO2 is used for cooling ambient air and then directed to a condenser (state 28), where it condenses into a liquid. The liquid CO2 is then pumped and routed through the HRVG (state 29–31) for reheating and recirculation (state 32 to state 26).
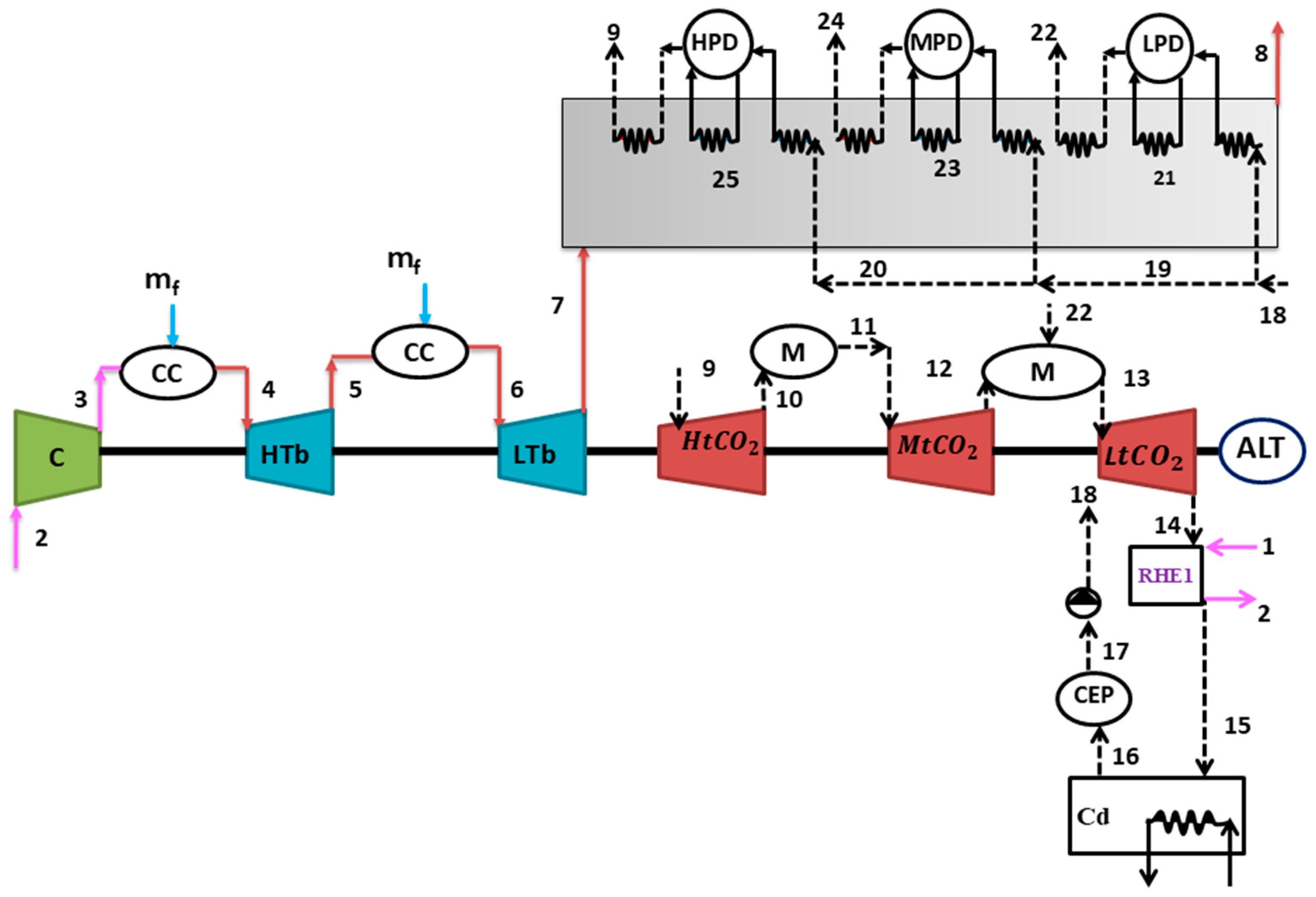
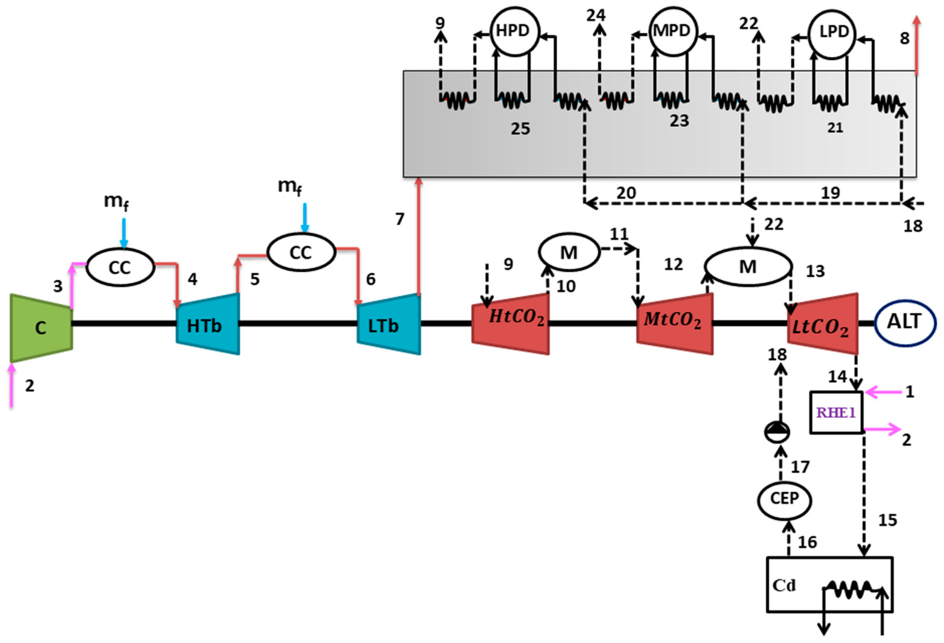
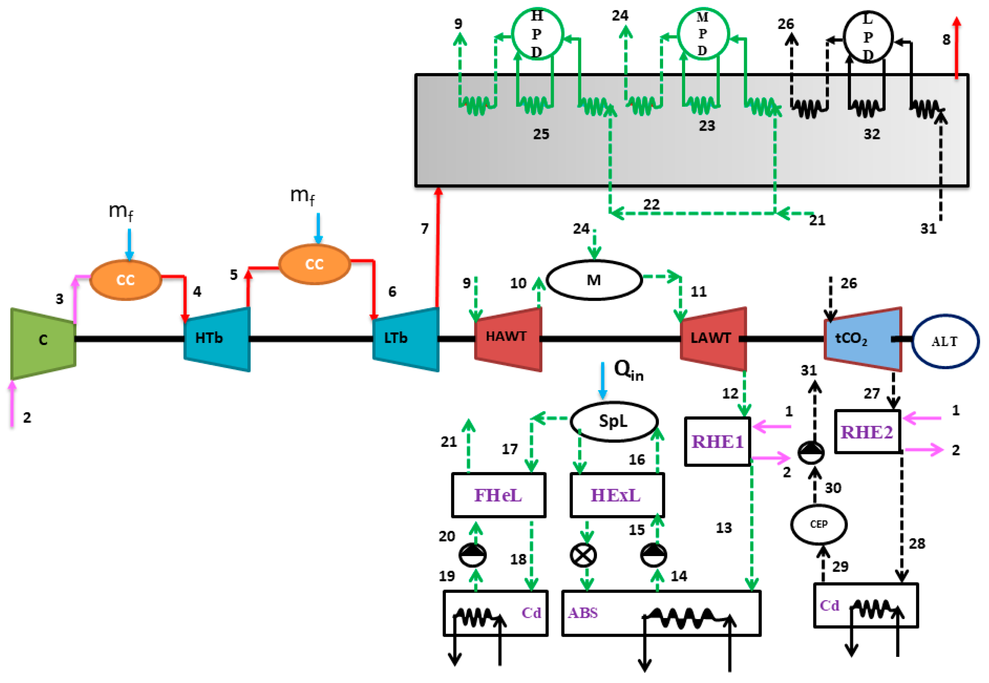
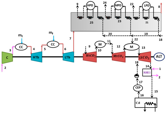
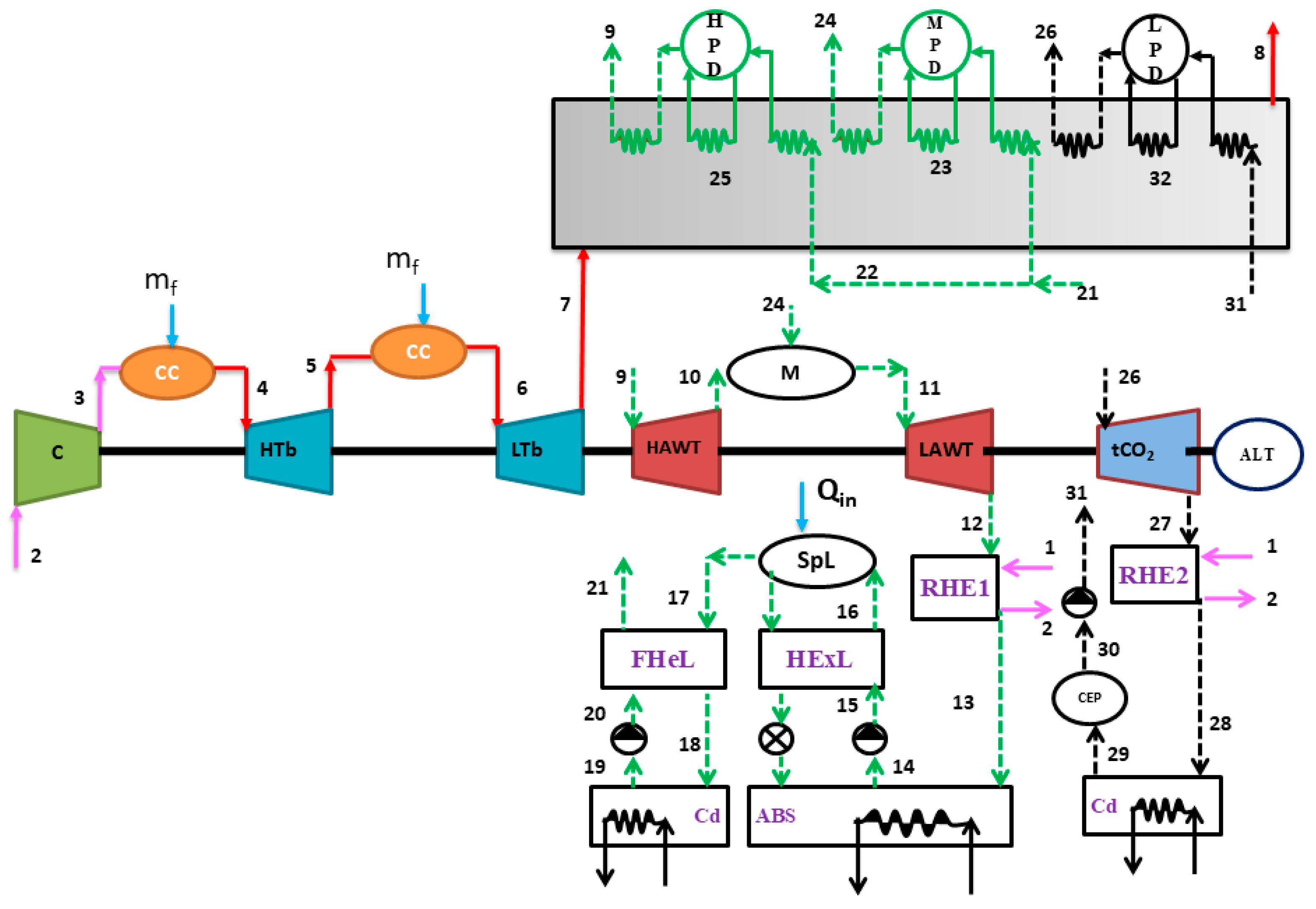
In Figure 3, one ammonia–water turbine and two carbon dioxide turbines are used, whereas in Figure 4, carbon dioxide turbines are used at all three pressure levels of the bottoming cycle—the topping cycle being the same in both configurations. The working of these individual bottoming cycle turbines is similar, as discussed in Figure 2.
Figure 3.
Combined cycle with reheat gas turbine ammonia–water turbine, transcritical carbon dioxide turbine with transcritical carbon dioxide turbine (NHTCTC).
Figure 4.
Combined cycle with reheat gas turbine, transcritical carbon dioxide turbine, transcritical carbon dioxide turbine with transcritical carbon dioxide turbine (TCTCTC).
Additionally, the captured carbon is considered for fuel conversion. The process of converting carbon to methane is detailed in Figure 5 and taken from the works of Prakash and Singh [43].
Figure 5.
A typical methanation process [43].
The exhaust gases from the gas turbine (state 8), before being released through the chimney, are directed into an absorber column packed with a liquid solvent known as amine. Within this column, carbon dioxide is absorbed by the amine solution. The resulting CO2-rich amine mixture is then transferred by a pump to a stripper column, where it comes into contact with lean amine (state a-b). The stripper is supplied with heat from an external source, facilitating the separation of carbon dioxide from the amine by breaking their chemical bond. The liberated carbon dioxide (state c) is subsequently routed to a methanation unit, where it reacts with hydrogen generated via electrolysis of water in a polymer electrolyte membrane (PEM) electrolyzer (state f). This hydrogen–carbon dioxide reaction, known as the Sabatier process, takes place in the presence of a nickel catalyst under controlled temperature and pressure conditions. The chemical reactions involved in the Sabatier process are as follows:
CO2 + 4H2 → CH4 +2H2O
Methane generated in this process is used as a fuel in the combustion chamber of the cycle.
Key mass, energy, and exergy balance equations for each subsystem were programmed, following established cycles, as outlined in Table 3. Calculation procedures are visualized in Figure 6. The input parameters, boundary conditions, and equipment details for all simulations are summarized in Table 3.
Table 3.
Thermodynamic models and governing equations for key system components, adapted from Prakash and Singh [43], Maheshwari and Singh [42,44], Yari et al. [45].
Figure 6.
Flow chart for performing calculations of performance parameters.
2.1. Assumptions
- An ammonia mass fraction of 0.7 is considered, based on Maheshwari and Singh [44];
- Erosion and corrosion of turbine blades due to the use of ammonia and carbon dioxide are not considered;
- Undercooling of working fluids is assumed to be negligible;
- Heat losses during heat transfer processes are neglected;
- Dissociation of ammonia and chemical species present in flue gases is not considered in analysis;
- The uncertainties, like labor issues, timely payment of the electricity bill by the end user, and loan repayment by the organization are not considered in the cost analysis.
2.2. Thermodynamic Modeling and Cost Function of Different Elements
All thermodynamic analyses were performed using a custom C program implementing state equations and property correlations detailed in Appendix A. Model outputs were cross validated using NIST REFPROP and compared to previously published datasets for key state points. Supplementary cost and economic calculations were conducted in Excel, following the formulas in Appendix B and Table 3.
Baseline operating parameters for all cycle configurations, including pressure ratio, turbine inlet temperature, ammonia mass fraction, and CO2 purity, are summarized in the third column of Table 3.
Table 3 depicts various thermodynamic elements with corresponding equations of the first law, the second law, and the cost function.
Total emissions (TE) from the power plant are given by
The emissions captured ECccu by the carbon capture unit is given by
Thus, the net emissions from the CCPP will be (EO), as follows:
Table 4 depicts the various parameters considered for carbon capture unit.
Table 4.
Model of CCU, Prakash and Singh [43].
Thermodynamic and economic analyses were performed using a custom C program, as detailed in Appendix A, and supplemented with data from NIST REFPROP and the literature correlations. All model outputs were validated against published values (Zhu et al. [3], Maheshwari and Singh [42,44]), with deviations under 3%. Sensitivity analyses were conducted for separator temperature, ammonia mass fraction, and turbine inlet parameters to assess model robustness. Baseline cycle parameters and carbon capture unit characteristics are presented in Table 3 and Table 4, respectively. The flow chart in Figure 6 outlines the calculation procedures. The procedure for calculating the enthalpy and entropy of the ammonia–water mixture is described in Appendix A, and the cost function is described in Appendix B. A program in C was written to calculate all the thermodynamic properties.
It should be noted that several assumptions and simplifications were made in the present analysis that may introduce sources of bias in the reported results. Specifically, heat losses in heat exchangers and other process equipment are neglected, which could result in an overestimation of cycle efficiencies and work output under real operating conditions. Additionally, economic calculations do not account for certain uncertainties such as variable capital and maintenance costs, market-driven fluctuations in electricity price, labor issues, payment delays from users, and unpredictable loan repayment conditions. The cost implications of using advanced materials for corrosion resistance and potential scale-up challenges are also omitted. These limitations may affect the actual performance and economic viability of the proposed configurations when implemented at full scale. Future studies should aim to incorporate such uncertainties and losses for a more comprehensive assessment.
3. Results and Discussion
The variation in work output in the CCPP is depicted in Figure 7. Figure 7 shows that the network output remains unaffected by the implementation of a carbon capture (CC) unit. This stability is attributed to the fact that the methane produced from captured carbon is reused in the combustion and reheat chambers, thereby maintaining the overall energy input. Configurations utilizing two ammonia–water turbines and one CO2 cycle in the bottoming cycle (NHNHTC) yield the highest work output, 952.3 kJ/kg. This is due to the higher enthalpy content of ammonia–water mixtures compared to CO2, which enables greater energy extraction during expansion. In addition, Figure 7 depicts a maximum change of 9.35% as the configuration shifts from only the CO2 cycle to the NHNHTC cycle.
Figure 7.
Variation in work output of reheat gas-turbine-based combined cycle power plants without carbon capture.
Figure 8 depicts that the efficiency of the CCPP decreases as the bottoming cycle is shifted from an ammonia–water mixture to CO2. Since the work output of the topping cycle is fixed irrespective of the configurations, the work output and hence the efficiency of the CCPP vary due to the bottoming cycle. The apparent stability of work output with CCU integration is because the methane generated during methanation is used as supplemental fuel, effectively offsetting the additional amine reboiler duty required for carbon capture. This heat-integration mechanism ensures that the net power generated by the cycle remains largely unchanged despite the added process step.
Figure 8.
Variation in efficiency of reheat gas-turbine-based CCPPs with and without carbon capture.
As stated in Figure 7, the work output decreases as the size of the CO2 turbine increases; consequently, the efficiency follows this same trend, with NHNHTC achieving the highest efficiency, followed by NHTCTC and TCTCTC.
When a carbon capture unit is used, then conversion of CO2—present in the flue gases—to methane takes place. This methane produced is utilized as a fuel in the combustion chamber, reheating the combustion chamber and then the separator; this reduces the amount of fuel, and hence the heat input, required, thereby increasing the efficiency of the cycle. The graphical attributes of Figure 8 depict that variation follows the same pattern but with increased numerical values. The observed efficiency gains with carbon capture are attributable to methane reuse in the combustion process, which lowers the net fuel requirement while maintaining total cycle energy input. This reduces both thermal and exergy losses, directly improving first- and second-law efficiencies. The gliding temperature profile of the ammonia–water mixture further reduces exergy destruction by enhancing temperature matching and minimizing irreversibility in the heat recovery vapor generator and heat exchanger network.
Figure 9 depicts the second-law efficiency for the different configurations considered. The attributes of the graph depict that second-law efficiency is maximum for the NHNHTC configuration and least for TCTCTC. This variation may be because of the gliding nature of the ammonia–water mixture. Due to this nature, a better matching of temperature profiles occurs between the ammonia–water mixture and flue gases in HRVG, in the mixing zone (mixture) and in the heat exchangers. This improvement reduces the irreversibility in the aforementioned thermodynamic elements, thereby increasing the second-law efficiency.
Figure 9.
Variation in second-law efficiency of reheat gas-turbine-based CCPPs with and without carbon capture.
Deploying the carbon capture unit increases the second-law efficiency marginally in all the configurations considered. This is because deploying CCU saves the fuel required in combustion chamber units. This, in turn, reduces the exergy loss, thereby increasing the second-law efficiency.
Thus, without CCU the maximum change in second-law efficiency observed is 8.6%, whereas after installing CCU, the maximum change observed is 9.5%.
Figure 10 depicts the CO2 being emitted with and without a carbon capture unit. Without carbon capture, NHNHTC results in the least CO2 emissions, likely due to its better thermal integration and reduced flue gas temperatures. In contrast, the TCTCTC configuration exhibits the highest emissions but also the greatest emission reduction upon CC unit integration due to higher CO2 availability in the stack gases. The effect of carbon capture units is pronounced in TCTCTC, as compared to other configurations, because the temperature of the stack gases is higher and, hence, the presence of CO2 will increase. As a result, deploying a carbon capture unit leads to a significant reduction in CO2 emissions.
Figure 10.
Emission of carbon dioxide in reheat gas-turbine-based CCPPs with and without carbon capture.
The cost of electricity produced is depicted in Figure 11. Figure 11 shows that TCTCTC results in the highest cost of electricity due to its lower efficiency. However, integration of a CC unit leads to a noticeable cost reduction in this configuration, primarily due to synthetic methane generation offsetting fuel costs. NHNHTC benefits less from CC unit deployment in this regard.
Figure 11.
Cost of electricity produced in (USD/kWh) of reheat gas-turbine-based CCPPs with and without carbon capture.
For the TCTCTC configuration, the cost of electricity production is 0.049 USD/kWh with CCU and 0.046 USD/kWh without CCU; in contrast, for the NHTCTC configuration, there is a 2.9% change when comparing costs with and without CCU.
Since the TCTCTC configuration resulted in the highest electricity production cost, the time required for the plant to recover its total costs will also be the longest. The effect of the installation of the CC unit will reduce the operational cost (due to the generation of fuel), thereby reducing the time taken to recover the total cost (Figure 12).
Figure 12.
Breakeven analysis of reheat gas-turbine-based CCPPs with and without carbon capture.
The effect of change in separator temperature is depicted for the configurations NHNHTC and NHTCTC with and without a carbon capture unit in Figure 13. The attributes of the graph depict that, with an increase in the temperature of the separator, work output decreases.
Figure 13.
Effect of separator temperature variation (step size: 10 K; range: 343–363 K) on network output in reheat gas-turbine-based CCPPs, without carbon capture.
The possible reason is likely due to lower heat transfer in the HRVG section, resulting in a lower inlet temperature to the turbine, which reduces work output in both the bottoming cycle and the overall cycle. Comparing the configurations, NHNHTC produces more work compared to NHTCTC. Figure 13 also depicts that installing a carbon capture unit does not affect the work output of the CCPPs.
The rise in separator temperature decreases the efficiency of configurations considered (with or without a carbon capture unit). An increase in separator temperature, apart from decreasing the work output, also increases the fuel requirement in the separator, which ultimately decreases the efficiency of the cycle (Figure 14).
Figure 14.
Effect of separator temperature variation (step size: 10 K; range: 370–430 K) on first-law efficiency (%) in reheat gas-turbine-based CCPPs, with and without carbon capture.
Attributes of Figure 15 depict that an increase in separator temperature reduces the second-law efficiency of the configurations. This may be because of the increase in irreversibility of the separator.
Figure 15.
Second-law efficiency (%) response to separator temperature change (step size: 10 K; range: 370–430 K) for all cycle configurations, with and without carbon capture.
This study considers a temperature increase of 10 K for the separator. Thus, the requirement of fuel for a rise in temperature will also be less, and hence a marginal increase in the cost of electricity production will be observed for both the configurations considered in Figure 16.
Figure 16.
Impact of separator temperature increment (step size: 10 K; range: 370–430 K) on the cost of electricity (USD/kWh) in each CCPP configuration, with and without carbon capture.
The effect of separator temperature is summarized as the increasing separator temperature reduces work output and both first- and second-law efficiencies. This degradation is attributed to diminished HRVG performance and increased fuel requirements. The cost of electricity sees a marginal rise, consistent with the modest energy penalty due to temperature increase.
The breakeven analysis presented in Figure 17 is for both configurations, with and without carbon capture units. The breakeven analysis reveals a longer payback period with rising separator temperatures due to elevated operational costs. The CC unit mitigates this delay by lowering fuel expenses.
Figure 17.
Effect on breakeven analysis due to variation in separator temperature in reheat gas-turbine-based CCPP with and without carbon capture.
A comparison of all the cycles considered with the gas–steam combined power cycle [CCPPR] is illustrated in Figure 18. The graph depicts that work output is maximum for the gas–steam cycle because of the high enthalpy of steam vaporization. The first- and second-law efficiencies are maximum for the configuration NHNHTC due to the temperature glide nature of ammonia. These efficiencies start decreasing as the number of ammonia turbines decreases, which is the minimum for the gas–steam cycle. Table 5 shows a summary of the comparison of all cycle configurations including carbon capture.
Figure 18.
Comparison of cycles with combined gas and vapor cycle.
Table 5.
Summary comparison of all three cycle configurations with carbon capture unit.
Validation
The current study is validated using the configurations reported in the work of Maheshwari and Singh [42], which include a reheat gas-turbine-based ammonia–water cycle (RGAAC) and a reheat gas-turbine-based steam cycle (RGSSC). Figure 19 presents a comparative analysis between the results obtained in the present study and those reported by Maheshwari and Singh [42].
Figure 19.
Validation of the present work based on work output with Maheshwari and Singh [44].
The proposed cycles show satisfactory agreement in work output trends with the reference data. However, a notable deviation of more than 100 kJ/kg is observed between the TCTCTC configuration and the RGSSC. The higher specific enthalpy of steam compared to CO2 is primarily responsible for this discrepancy. Additionally, the RGSSC configuration in the reference study employs a closed-loop cooled gas turbine, which contributes further to the increased work output.
In contrast, the NHNHTC configuration, validated against the RGAAC system, exhibits a relatively smaller deviation in work output. This closer agreement highlights the thermodynamic consistency and reliability of the proposed ammonia–water-based configurations.
Validation has also been carried out for various thermodynamic components. For example, the work output from the ammonia–water turbine in the NHNHTC configuration closely matches the results reported by Maheshwari and Singh [46]. Similarly, the exhaust conditions from the HRVG are consistent with those presented in the study by Sanjay et al. [47]. Additionally, Appendix C has been included to present the detailed state point values corresponding to the NHNHTC configuration. Table 6 depicts the validation of cycle configurations output namely first-law efficiency, work output and percentage carbon reduction of the present study with published literature.
Table 6.
Validation of cycle configurations outputs with the published literature.
4. Conclusions
This work presents a novel thermodynamic analysis of reheat gas-turbine-based combined cycle power plants (CCPPs) integrating ammonia–water mixtures and transcritical CO2 as bottoming cycle fluids, with a particular focus on the impact of carbon capture integration. The main advances and implications of this research can be summarized as follows:
- (i)
- Unlike previous studies focusing solely on conventional gas–steam cycles or individual working fluids, this study explores hybrid configurations using both ammonia–water and transcritical CO2. The analysis comprehensively compares these options, particularly under carbon capture scenarios, providing new insights into achievable efficiency benchmarks and emission reductions.
- (ii)
- The NHNHTC configuration demonstrates the highest network output (952.3 kJ/kg) and the best first- (58.45%) and second-law (66.88%) efficiencies, especially when a carbon capture unit is integrated. These values surpass those reported for traditional gas–steam and pure CO2-based cycles.
- (iii)
- Although the TCTCTC (all-CO2) configuration has higher electricity costs and longer payback periods, the inclusion of carbon capture across all cycles leads to significant emission reductions (up to 22.81% in TCTCTC) and operational benefits such as fuel savings. These findings indicate that proper cycle selection can meaningfully reduce carbon footprints and enhance economic feasibility, supporting accelerated adoption of carbon capture in modern power plants.
- (iv)
- This study identifies material compatibility, especially for ammonia–water mixtures, as a key barrier for real-world implementation—emphasizing the need for further research into corrosion-resistant design. Additionally, system modifications such as advanced blade cooling strategies and improved system integration are recommended to push performance further.
- (v)
- Experimental validation and pilot tests are needed to confirm projected efficiencies and resolve uncertainties related to ammonia–water dissociation and flue gas chemistry. Future work could also investigate advanced heat recovery and integration techniques to maximize network output and overall system reliability for gas turbine blades, utilizing bottoming cycle working fluids.
Overall, the presented analysis offers actionable guidance for CCPP upgrades, highlighting the thermodynamic and economic potential of ammonia–water and transcritical CO2 cycles with integrated carbon capture—paving the way for cleaner and more efficient power generation technologies.
Author Contributions
Conceptualization, M.M.; Data curation, A.K.S.; Formal analysis, M.M.; Methodology, M.M., A.K.S. and P.K.S.R.; Software, M.M.; Supervision, P.K.S.R.; Validation, A.K.S. and P.K.S.R.; Visualization, A.K.S.; Writing—original draft, A.K.S.; Writing—review and editing, P.K.S.R. and A.K.A. All authors have read and agreed to the published version of the manuscript.
Funding
This research received no external funding.
Data Availability Statement
The dataset may be made available to interested readers upon reasonable request to the corresponding author.
Conflicts of Interest
The authors declare no conflicts of interest.
Abbreviations
| ABS | Absorber |
| AI | Artificial intelligence |
| C | Compressor/Condenser/Cost function |
| Cost rate associated with inlet and outlet exergy streams | |
| c | Specific cost |
| CC/CCS | Combustion chamber/Carbon Capture and storage |
| CCPP | Combined cycle power plant |
| Cd | Condenser |
| CEP | Condensate extraction pump |
| CHP | Combined heat and power |
| CPRR | Gas–steam combined cycle power plant (used in Figure 18) |
| D/a | Deaerator |
| EC | Emissions captured |
| EO | Emissions output (from CCPP) |
| FHeL | Feed heater |
| FLT | First law of thermodynamics |
| FP | Feed pump |
| G | Generator |
| GT | Gas turbine |
| GWP | Global warming potential |
| HAWT/LAWT | High-/low-pressure ammonia–water turbine |
| HE/HExL | Heat exchanger |
| HPD | High-pressure vessel in HRVG |
| HRSG/HRVG | Heat recovery steam/vapor generator |
| HTb | High-pressure gas turbine |
| LPD | Low-pressure vessel in HRVG |
| LTb | Low-pressure gas turbine |
| M | Mixture |
| MPD | Medium-pressure vessel in HRVG |
| NHNHTC | Ammonia–Ammonia–Transcritical Carbon dioxide |
| NHTCTC | Ammonia–Transcritical–Transcritical Carbon dioxide |
| P1, P2, … | Pump |
| PTC | Parabolic trough collectors |
| RCC | Reheat combustion chamber |
| RGAAC | Reheat gas-turbine-based ammonia–water cycle |
| RHE | Refrigerant heat exchanger |
| SLT | Second law of thermodynamics |
| SpL | Separator |
| ST | Steam Turbine |
| t CO2/T CO2 | Transcritical carbon dioxide |
| TE | Total emissions |
| TCTCTC | Transcritical–Transcritical–Transcritical carbon dioxide |
| USD | Currency ($) used in the United States of America |
| Total cost rate associated with capital investment and operation and maintenance cost | |
| Symbol | Specification (Unit) |
| ac | Capture rate (in %) |
| °F/°C | Degree Fahrenheit/Degree Celsius |
| AT | Approach temperature (in Kelvin) |
| C | Compressor |
| cp/csp | Specific heat at constant pressure (kJ/kg·K)/Molar specific heat |
| CPR | Cycle pressure ratio |
| eI | Emission Intensity (tCO2/kW) |
| g | Gibbs free energy |
| GP | Gross power output (kW) |
| Irreversibility (kJ/sec) | |
| h | Enthalpy (kJ/kg) |
| kWh | Kilowatt-hour |
| LHV | Lower heating value (kJ/kg) |
| M | Molecular weight |
| Mass flow rate (kg/second) | |
| p/P | Pressure (bar) |
| pE | Exhaust pressure (in bar) |
| Po, To | Dead state pressure and temperature (used in exergy equation) |
| PP | Pinch point temperature (in Kelvin) |
| Q | Refrigerating effect/heat input |
| R | Gas constant (kJ/kg·K) |
| s | Entropy (kJ/kg·K) |
| T | Temperature (K) |
| TIT | Turbine inlet temperature |
| W | Work (kJ/kg or kJ/kg of inlet air) |
| x | Ammonia proportion in liquid phase of mixture |
| y | Ammonia proportion in vapor phase of mixture |
| Sub-scripts | |
| Symbol | Specification |
| a | Air/ambient/state point in HRVG profile |
| a, b, c, d | Constants |
| amw | Ammonia–water mixture |
| b | Bubble point |
| c | Compressor |
| cc | Combustion chamber |
| CV | Calorific Value |
| cw/w | Cooling Water |
| d | Dew point |
| e/o | Exit/outlet |
| ex/E | Exhaust gases from turbine |
| f | Fuel/final |
| fg | Flue gas |
| FHE | Feed heater |
| gt | Gas turbine |
| HE/HexL | Heat exchanger |
| hp/HP | High pressure |
| HRSG/HRVG | Heat recovery steam/vapor generator |
| i | Inlet/initial |
| ip/IP | Intermediate pressure |
| is | Isentropic |
| j | jth pressure level |
| lp/LP | Low pressure |
| M | Mechanical |
| mix | Mixture |
| p | Polytropic (if not used with ‘c’) |
| p | Pump |
| R | Reduced |
| ri | Rich |
| sol. | Solution |
| T | Transcritical (if used before CO2) |
| w | Water |
| we | Weak |
| wo | Working |
| Greek Letter | |
| α | Cost (USD) |
| ∆ | Difference |
| ε | Effectiveness of heat exchanging element |
| Efficiency | |
| ω | Variable used in economic analysis |
| γ | Variable used in economic analysis |
| Superscripts (used in Appendixes A and B) | |
| CI | Capital investment |
| E | Excess |
| g | Gas phase |
| l | Liquid phase |
| m,n | Constants |
| OM | Operation and maintenance |
Appendix A. Evaluation of Phase of the Mixture
Patek and Klomfar [48] equations are used to determine the boiling point and condensation point of ammonia–water proportion.
where the ‘y’ mole fraction in the vapor phase corresponding to the ammonia mass fraction in the liquid phase is given by G. Soleimani Alamdari [49].
To determine the enthalpy and entropy of the mixture, Ziegler and Trepp [50] equations of state are used, outlined below:
The excess specific enthalpy and entropy for the liquid mixture are as follows:
where ‘g’ is the Gibbs free energy given for the liquid phase as follows:
For the gas phase,
Appendix B
The cost balance equation for the kth component can be according to the formulation given by Prakash and Singh [43] and Owebor [51] as follows:
where
Value (in terms of monetary) of electricity generated (or LCOE) [52] is given by
where
and .
VAR = Cost of fuel + Cost of ammonia–water mixture + Cost of transcritical carbon dioxide
Rate of concession in % (x) = 10;
Total design life considered for the power plant in years (t) = 25;
Total operational time of power plant per year (T) = 8000 h
de = 4%;
Maintenance cost including risk factors (y) = 2.5.
Appendix C
Table A1.
Thermodynamic properties at key state points for the configuration NHNHTC without carbon capture unit.
Table A1.
Thermodynamic properties at key state points for the configuration NHNHTC without carbon capture unit.
| State Point | NHNHTC | |||
|---|---|---|---|---|
| Pressure (Bar) | Temperature (K) | Enthalpy (kJ/kg) | Entropy (kJ/kg·K) | |
| 1 | 1.013 | 323 | 449.2 | 3.95 |
| 2 | 1.013 | 303 | 429 | 3.89 |
| 3 | 20 | 704.3 | 987.33 | 3.905 |
| 4 | 19.6 | 1600 | 2129 | 7.09 |
| 5 | 4.64 | 1057 | 1560.2 | 6.91 |
| 6 | 4.54 | 1600 | 2129 | 7.54 |
| 7 | 1.08 | 1062 | 1580.46 | 7.34 |
| 8 | 1.015 | 378 | 503.74 | 6.2 |
| 9 | 200 | 773 | 2810 | 6.82 |
| 10 | 140 | 550 | 2623 | 6.1 |
| 11 | 140 | 570 | 1823 | 6.23 |
| 12 | 5.5 | 369 | 1679 | 5.91 |
| 13 | 5.5 | 343 | 1602 | 5.75 |
| 14 | 5.5 | 298 | 1498 | 5.44 |
| 15 | 67 | 298 | 233 | 0.81 |
| 16 | 67 | 312 | 290.55 | 1.03 |
| 17 | 67 | 343 | 435.7 | 1.44 |
| 18 | 67 | 310 | 288.23 | 1.01 |
| 19 | 67 | 298 | 233 | 0.81 |
| 20 | 140 | 298 | 236 | 0.79 |
| 21 | 140 | 313 | 307 | 1.03 |
| 22 | 200 | 313 | 311 | 1.08 |
| 23 | 140 | 400 | 745 | 2.4 |
| 24 | 140 | 690 | 2427 | 5.86 |
| 25 | 200 | 426 | 887 | 2.58 |
| 26 | 120 | 400 | 499 | 1.97 |
| 27 | 41.6 | 280 | 425 | 1.8 |
| 28 | 41.6 | 280 | 217.3 | 1.05 |
| 29 | 41.6 | 298 | 223 | 1.05 |
| 30 | 41.6 | 298 | 223 | 1.05 |
| 31 | 120 | 298 | 232 | 1.05 |
References
- Benini, E. Progress in Gas Turbine Performance; Intech: Rijeka, Croatia, 2013. [Google Scholar]
- Zhang, C.; Janeway, M. Optimization of Turbine Blade Aerodynamic Designs Using CFD and Neural Network Models. Int. J. Turbomach. Propuls. Power 2022, 7, 20. [Google Scholar] [CrossRef]
- Zhu, C.; Zhang, Y.; Wang, M.; Deng, J.; Cai, Y.; Wei, W.; Guo, M. Simulation and Comprehensive Study of a New Trigeneration Process Combined with a Gas Turbine Cycle, Involving Transcritical and Supercritical CO2 Power Cycles and Goswami Cycle. J. Therm. Anal. Calorim. 2024, 149, 6361–6384. [Google Scholar] [CrossRef]
- Mohammed, A.; Al-Mansour, M.; Ghaithan, A.M.; Alshibani, A. An Optimization Approach for Improving Steam Production of Heat Recovery Steam Generator. Sci. Rep. 2025, 15, 3860. [Google Scholar] [CrossRef] [PubMed]
- Abdollahian, A.; Ameri, M. Effect of Supplementary Firing on the Performance of a Combined Cycle Power Plant. Appl. Therm. Eng. 2021, 193, 117049. [Google Scholar] [CrossRef]
- Powell, K.M.; Rashid, K.; Ellingwood, K.; Tuttle, J.; Iverson, B.D. Hybrid Concentrated Solar Thermal Power Systems: A Review. Renew. Sustain. Energy Rev. 2017, 80, 215–237. [Google Scholar] [CrossRef]
- Wojcik, J.D.; Wang, J. Feasibility Study of Combined Cycle Gas Turbine (CCGT) Power Plant Integration with Adiabatic Compressed Air Energy Storage (ACAES). Appl. Energy 2018, 221, 477–489. [Google Scholar] [CrossRef]
- Fan, C.; Zhang, C.; Chen, Y. Dynamic Operation Characteristics of Ocean Thermal Energy Conversion Using Kalina Cycle. Renew. Energy 2024, 231, 120909. [Google Scholar] [CrossRef]
- Abdelghafar, M.M.; Hassan, M.A.; Kayed, H. Comprehensive Analysis of Combined Power Cycles Driven by SCO2-Based Concentrated Solar Power: Energy, Exergy, and Exergoeconomic Perspectives. Energy Convers. Manag. 2024, 301, 118046. [Google Scholar] [CrossRef]
- Scaife, A.D. Improve Predictive Maintenance through the Application of Artificial Intelligence: A Systematic Review. Results Eng. 2023, 21, 101645. [Google Scholar] [CrossRef]
- Asghar, A.; Hussain, A.; Kamal, K.; Alkahtani, M.; Mohammad, E.; Mathavan, S. Sustainable Operations of a Combined Cycle Power Plant Using Artificial Intelligence Based Power Prediction. Heliyon 2023, 9, e19562. [Google Scholar] [CrossRef]
- Yuce, B.E. Energy and Exergy Optimization of Kalina Cycle System-34 with Detailed Analysis of Cycle Parameters. Case Stud. Therm. Eng. 2024, 61, 105066. [Google Scholar] [CrossRef]
- Wang, L.; Huang, X.; Babaei, M.; Liu, Z.; Yang, X.; Yan, J. Full-Scale Utilization of Geothermal Energy: A High-Efficiency CO2 Hybrid Cogeneration System with Low-Temperature Waste Heat. J. Clean. Prod. 2023, 403, 136866. [Google Scholar] [CrossRef]
- Brzęczek, M.; Kotowicz, J. Integration of Alternative Fuel Production and Combined Cycle Power Plant Using Renewable Energy Sources. Appl. Energy 2024, 371, 123738. [Google Scholar] [CrossRef]
- Drago, C.; Gatto, A. Policy, Regulation Effectiveness, and Sustainability in the Energy Sector: A Worldwide Interval-Based Composite Indicator. Energy Policy 2022, 167, 112889. [Google Scholar] [CrossRef]
- Oecd Publishing (Oecd). World Energy Outlook 2020; Paris Organisation For Economic Co-Operation And Development Oecd: Paris, France, 2020. [Google Scholar]
- Ritchie, H.; Rosado, P.; Roser, M. Energy Production and Consumption; Our World in Data: Oxford, England, 2020. [Google Scholar]
- Stark, M.; Cataudella, F.; Mayer, J. A Cleaner Future for Coal Power Plants and Communities; World Economic Forum: Davos, Switzerland, 2022; Available online: https://www.weforum.org/stories/2022/03/a-cleaner-life-for-coal-power-plants (accessed on 20 March 2025).
- McJeon, H.; Edmonds, J.; Bauer, N.; Clarke, L.; Fisher, B.; Flannery, B.P.; Hilaire, J.; Krey, V.; Marangoni, G.; Mi, R.; et al. Limited Impact on Decadal-Scale Climate Change from Increased Use of Natural Gas. Nature 2014, 514, 482–485. [Google Scholar] [CrossRef]
- Agathokleous, E.; Barceló, D.; Calabrese, E.J. US EPA: Is There Room to Open a New Window for Evaluating Potential Sub-Threshold Effects and Ecological Risks? Environ. Pollut. 2021, 284, 117372. [Google Scholar] [CrossRef]
- Canton, H. The Europa Directory of International Organizations 2021; Routledge: London, UK, 2021. [Google Scholar] [CrossRef]
- Ochu, E.R.; Friedmann, S.J. CCUS in a Net-Zero U.S. Power Sector: Policy Design, Rates, and Project Finance. Electr. J. 2021, 34, 107000. [Google Scholar] [CrossRef]
- Tooryan, F.; HassanzadehFard, H.; Collins, E.R.; Jin, S.; Ramezani, B. Smart Integration of Renewable Energy Resources, Electrical, and Thermal Energy Storage in Microgrid Applications. Energy 2020, 212, 118716. [Google Scholar] [CrossRef]
- Kumar Shukla, A.; Ahmad, Z.; Sharma, M.; Dwivedi, G.; Nath Verma, T.; Jain, S.; Verma, P.; Zare, A. Advances of Carbon Capture and Storage in Coal-Based Power Generating Units in an Indian Context. Energies 2020, 13, 4124. [Google Scholar] [CrossRef]
- Sharma, M.; Pavithran, A.; Shukla, A.K. Thermodynamic investigation on coal fired emission free s-CO2 power cycles. Energy Equip. Syst. 2024, 12, 197–216. [Google Scholar]
- Kumar Rai, S.; Sharma, M.; Kumar Shukla, A. Parametric evaluation of a cascaded novel system based on biomass, solar, and SCO2 power cycle. Energy Equip. Syst. 2025, 13, 93–114. [Google Scholar]
- Meng, J.; Wei, M.; Song, P.; Tian, R.; Hao, L.; Zheng, S. Performance Evaluation of a Solar Transcritical Carbon Dioxide Rankine Cycle Integrated with Compressed Air Energy Storage. Energy Convers. Manag. 2020, 215, 112931. [Google Scholar] [CrossRef]
- Gu, Z.; Liu, Z.; Yang, S.; Xie, N.; Ma, K. Exergy and Environmental Footprint Analysis for a Green Ammonia Production Process. J. Clean. Prod. 2024, 455, 142357. [Google Scholar] [CrossRef]
- Wolf, V.; Bertrand, A.; Leyer, S. Analysis of the Thermodynamic Performance of Transcritical CO2 Power Cycle Configurations for Low Grade Waste Heat Recovery. Energy Rep. 2022, 8, 4196–4208. [Google Scholar] [CrossRef]
- Zare, V.; Mahmoudi, S.M.S.; Yari, M. Ammonia–Water Cogeneration Cycle for Utilizing Waste Heat from the GT-MHR Plant. Appl. Therm. Eng. 2012, 48, 176–185. [Google Scholar] [CrossRef]
- 2016 ANNUAL REPORT. 2017. Available online: https://area-eur.be/sites/default/files/2017-05/AREA%20Annual%20Report%202016%20%28web%29.pdf (accessed on 24 March 2025).
- Wang, J.; Zhao, P.; Niu, X.; Dai, Y. Parametric Analysis of a New Combined Cooling, Heating and Power System with Transcritical CO2 Driven by Solar Energy. Appl. Energy 2012, 94, 58–64. [Google Scholar] [CrossRef]
- Anwar, M.; Mehdizadeh, A.; Karimi, N. Waste Heat Recovery from a Green Ammonia Production Plant by Kalina and Vapour Absorption Refrigeration Cycles: A Comparative Energy, Exergy, Environmental and Economic Analysis. Sustain. Energy Technol. Assess. 2024, 69, 103916. [Google Scholar] [CrossRef]
- Mishra, R.S.; Singh, H. Detailed Parametric Analysis of Solar Driven Supercritical CO2 Based Combined Cycle for Power Generation, Cooling and Heating Effect by Vapor Absorption Refrigeration as a Bottoming Cycle. Therm. Sci. Eng. Prog. 2018, 8, 397–410. [Google Scholar] [CrossRef]
- Valdimarsson, P.; Eliasson, L. Factors influencing the economics of the Kalina power cycle and situations of superior performance. In Proceedings of the International Geothermal Conference, Reykjavík, Iceland, 14–17 September 2003; pp. 14–17. [Google Scholar]
- Wall, G.; Chuang, C.C.; Ishida, M. Exergy study of the Kalina cycle. Anal. Des. Energy Syst. Anal. Ind. Process. 1989, 10, 73–77. [Google Scholar]
- Desideri, U.; Bidini, G. Study of Possible Optimisation Criteria for Geothermal Power Plants. Energy Convers. Manag. 1997, 38, 1681–1691. [Google Scholar] [CrossRef]
- Leibowitz, H.M.; Micak, H.A. Design of a 2MW Kalina cycle binary module for installation in Husavik, Iceland. Trans. Geotherm. Resour. Counc. 1999, 23, 75–80. [Google Scholar]
- Vijayaraghavan, S.; Goswami, D.Y. On Evaluating Efficiency of a Combined Power and Cooling Cycle. Adv. Energy Syst. 2002, 125, 287–295. [Google Scholar] [CrossRef]
- Whittaker, P. Corrosion in the Kalina cycle: An investigation into corrosion problems at the Kalina cycle geothermal power plant in Húsavík, Iceland. Ph.D. Thesis, University of Iceland, Reykjavík, Iceland, University of Akureyri, Akureyri, Iceland, 2009. [Google Scholar]
- Svoboda, R.; Denk, J.; Maggi, C. Influence of carbon dioxide on corrosion in steam turbines. Power Plant Chem. 2003, 5, 581–586. [Google Scholar]
- Maheshwari, M.; Singh, O. Comparative Evaluation of Different Combined Cycle Configurations Having Simple Gas Turbine, Steam Turbine and Ammonia Water Turbine. Energy 2019, 168, 1217–1236. [Google Scholar] [CrossRef]
- Prakash, D.; Singh, O. Thermo-Economic Study of Combined Cycle Power Plant with Carbon Capture and Methanation. J. Clean. Prod. 2019, 231, 529–542. [Google Scholar] [CrossRef]
- Maheshwari, M.; Singh, O. Exergoeconomic Study of Reheat Combined Cycle Configurations Using Steam and Ammonia-Water Mixture for Bottoming Cycle Parameters. J. Therm. Eng. 2023, 9, 1272–1290. [Google Scholar] [CrossRef]
- Yari, M.; Mehr, A.S.; Zare, V.; Mahmoudi, S.M.S.; Rosen, M.A. Exergoeconomic Comparison of TLC (Trilateral Rankine Cycle), ORC (Organic Rankine Cycle) and Kalina Cycle Using a Low Grade Heat Source. Energy 2015, 83, 712–722. [Google Scholar] [CrossRef]
- Maheshwari, M. Thermodynamic Analysis of Combined Power Cycle with Ammonia Water Mixture for Power Generation. Inflibnet.ac.in. 2019. Available online: http://hdl.handle.net/10603/309491 (accessed on 19 February 2025).
- Sanjay, Y.; Singh, O.; Prasad, B.N. Energy and Exergy Analysis of Steam Cooled Reheat Gas–Steam Combined Cycle. Appl. Therm. Eng. 2007, 27, 2779–2790. [Google Scholar] [CrossRef]
- Pátek, J.; Klomfar, J. Simple Functions for Fast Calculations of Selected Thermodynamic Properties of the Ammonia-Water System. Int. J. Refrig. 1995, 18, 228–234. [Google Scholar] [CrossRef]
- Soleimani Alamdari, G. Simple Functions for Predicting Thermodynamic Properties of Ammonia-Water Mixture (RESEARCH NOTE). Int. J. Eng. 2007, 20, 94–104. [Google Scholar]
- Ziegler, B.; Trepp, C. Equation of State for Ammonia-Water Mixtures. Int. J. Refrig. 1984, 7, 101–106. [Google Scholar] [CrossRef]
- Owebor, K.; Oko, C.O.C.; Diemuodeke, E.O.; Ogorure, O.J. Thermo-Environmental and Economic Analysis of an Integrated Municipal Waste-To-Energy Solid Oxide Fuel Cell, Gas-, Steam-, Organic Fluid- and Absorption Refrigeration Cycle Thermal Power Plants. Appl. Energy 2019, 239, 1385–1401. [Google Scholar] [CrossRef]
- CFI Team. Levelized Cost of Energy (LCOE); Corporate Finance Institute: Vancouver, BC, Canada, 2024; Available online: https://corporatefinanceinstitute.com/resources/valuation/levelized-cost-of-energy-lcoe/ (accessed on 22 March 2025).
Disclaimer/Publisher’s Note: The statements, opinions and data contained in all publications are solely those of the individual author(s) and contributor(s) and not of MDPI and/or the editor(s). MDPI and/or the editor(s) disclaim responsibility for any injury to people or property resulting from any ideas, methods, instructions or products referred to in the content. |
© 2025 by the authors. Licensee MDPI, Basel, Switzerland. This article is an open access article distributed under the terms and conditions of the Creative Commons Attribution (CC BY) license (https://creativecommons.org/licenses/by/4.0/).




























