Topology and Control of Current-Fed Quadruple Active Bridge DC–DC Converters for Smart Transformers with Integrated Battery Energy Storage Systems
Abstract
1. Introduction
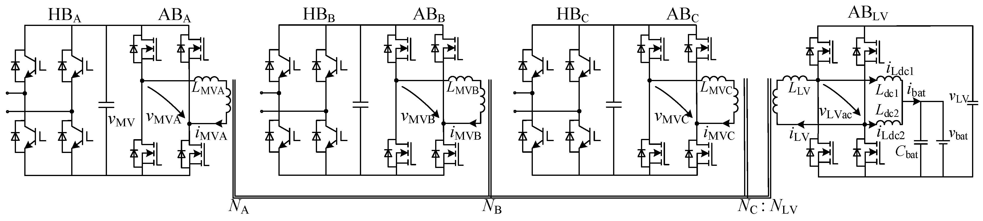
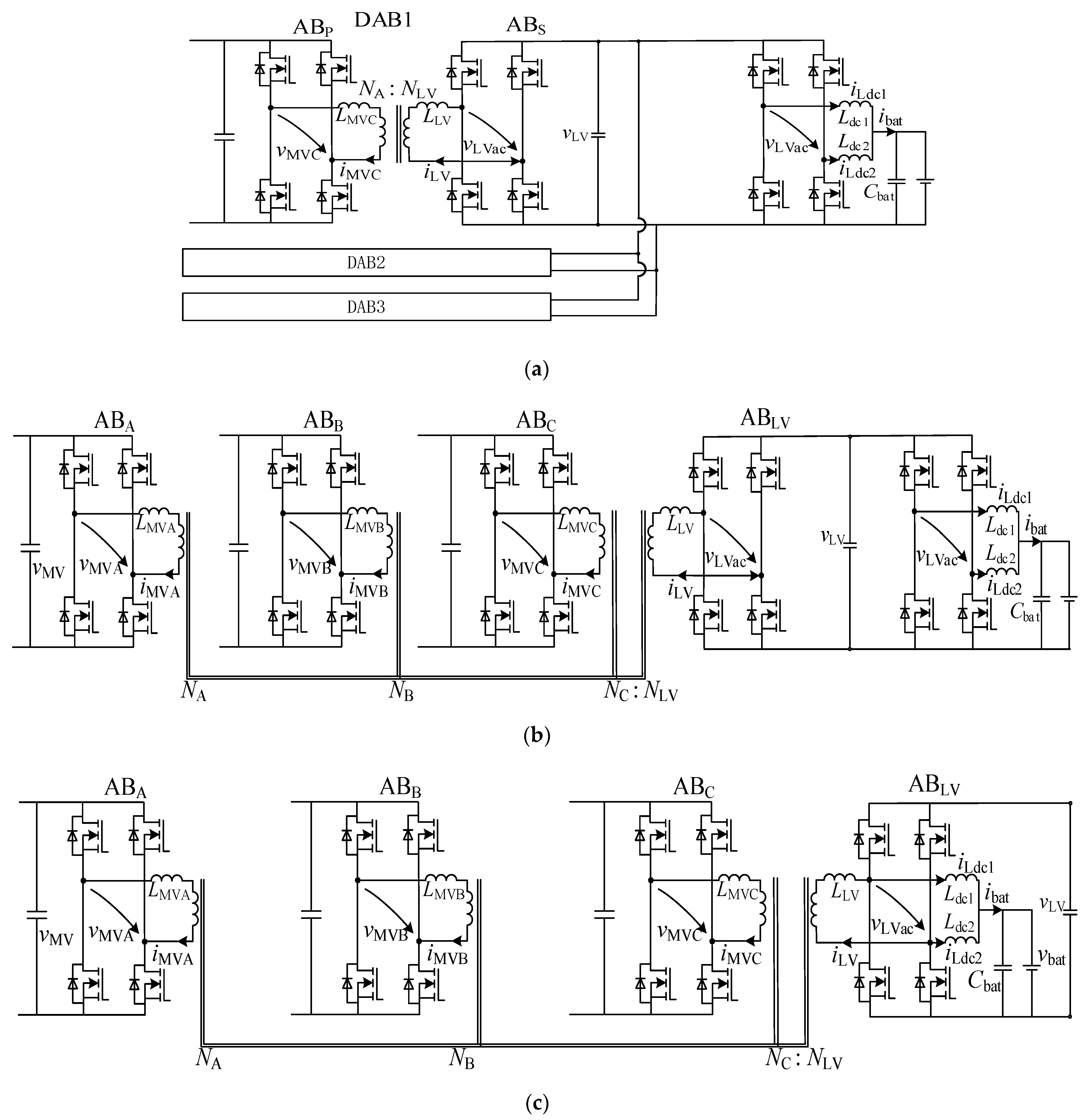
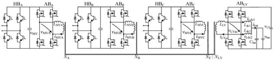
2. Proposed Smart Transformer Architectures
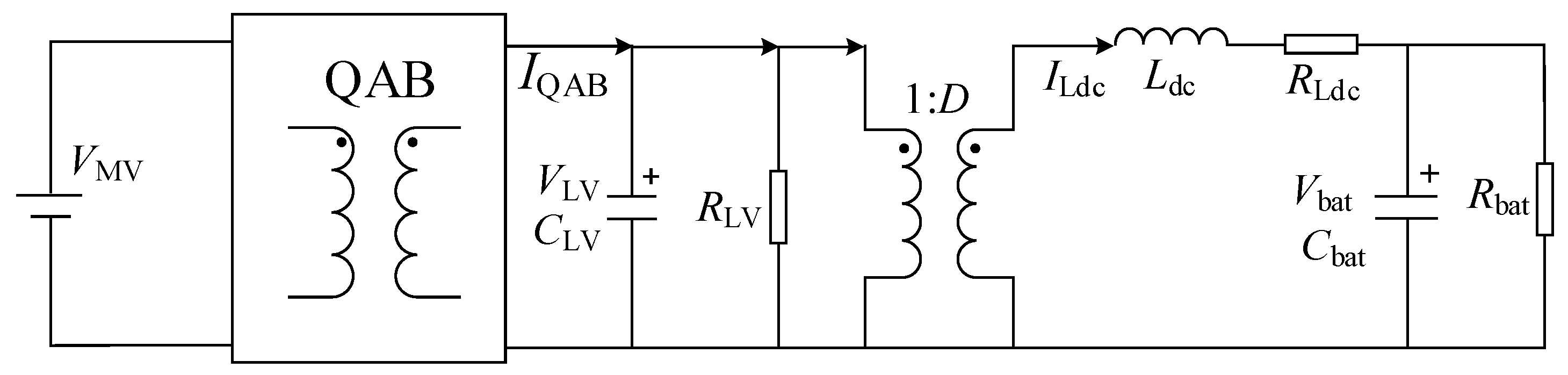
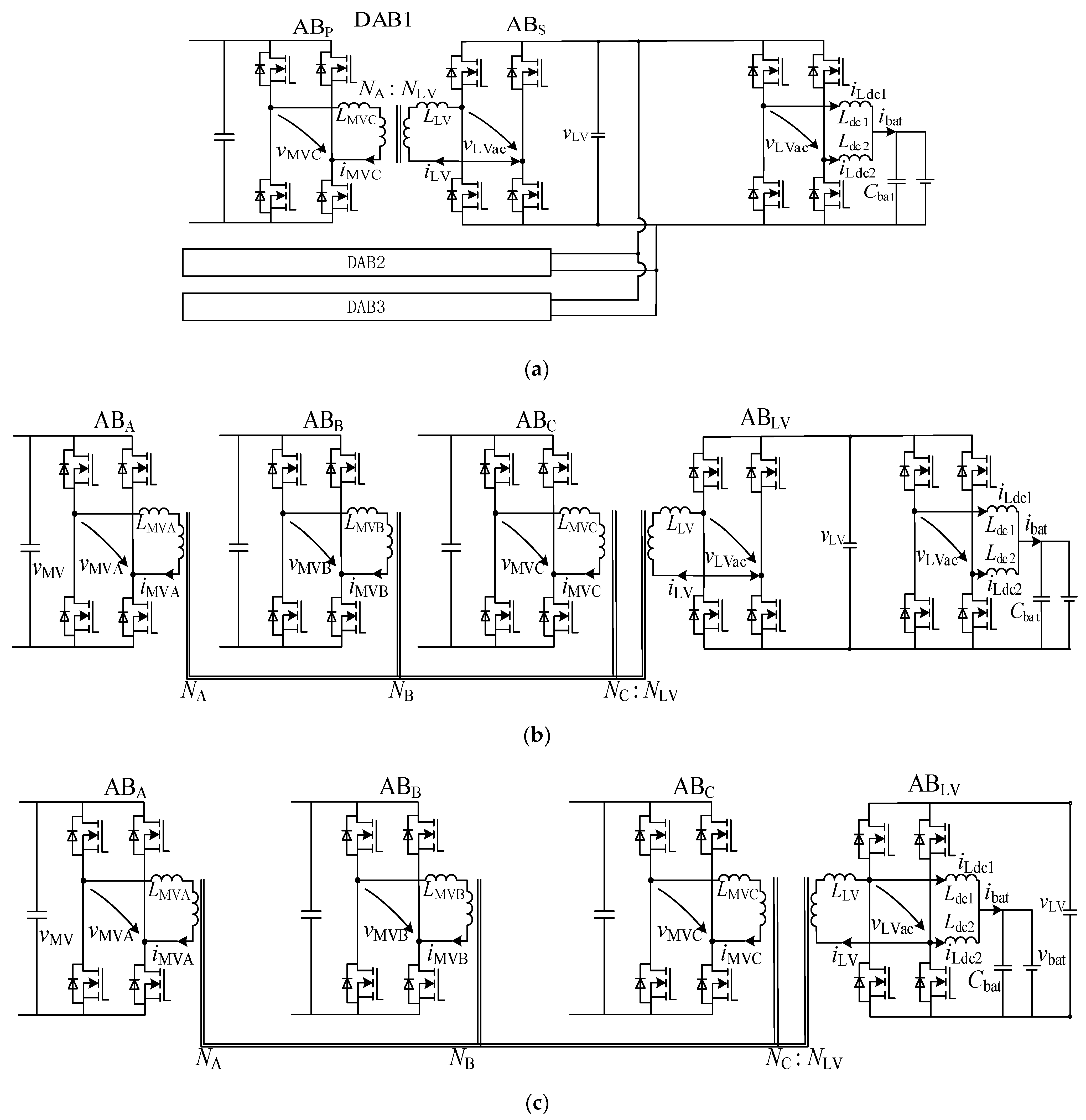
2.1. Topology of the CF-QAB Converters
2.2. Comparison and Analysis of Losses and Efficiencies with Other Converters
3. Modeling and Control System Design
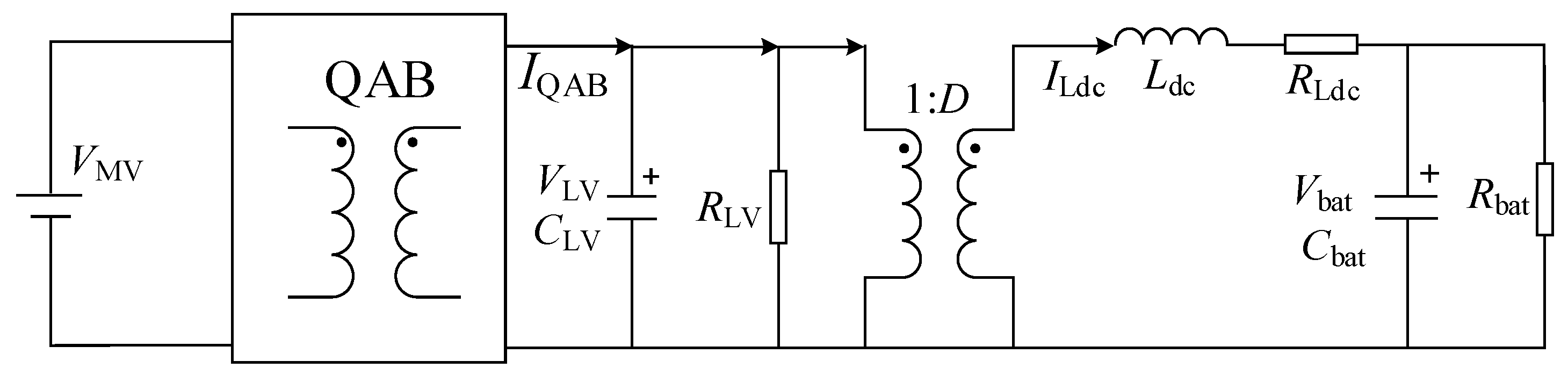
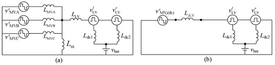
3.1. Small-Signal Model of the CF-QAB Converters
3.2. Control System Design of the CF-QAB Converter
4. Experimental Results
5. Conclusions
Author Contributions
Funding
Data Availability Statement
Conflicts of Interest
Appendix A
Appendix A.1
Appendix A.2
Appendix A.3
Appendix A.4
Appendix B
| DAB + Boost Converter | QAB + Boost Converter | CF-QAB Converter (The Proposed Converter) | |
|---|---|---|---|
| Irms | 32.27 A | 33.5 A(MAB)/102.1 A(LAB) | 30.11 A(MAB)/87.66 A, 93.74 A(LAB) |
| Id_off | 50.04 A | 50.04 A(MAB)/54.37 A(LAB) | 52.38 A(MAB)/143.71 A, 152.09 A(LAB) |
| tf | 38 ns | 75 ns | 78 ns |
| Steinmetz k | 46.208 | 46.208 | 46.208 |
| Steinmetz α | 1.226 | 1.226 | 1.226 |
| Steinmetz β | 3.256 | 3.256 | 3.256 |
| core volume Vcore | 571,400 mm3 | 571,400 mm3 | 571,400 mm3 |
References
- Haegel, N.M.; Kurtz, S.R. Global Progress Toward Renewable Electricity: Tracking the Role of Solar. IEEE J. Photovolt. 2021, 11, 1335–1342. [Google Scholar] [CrossRef]
- Tang, Z.; Yang, Y.; Blaabjerg, F. Power electronics: The enabling technology for renewable energy integration. CSEE J. Power Energy Syst. 2022, 8, 39–52. [Google Scholar] [CrossRef]
- Calero, F.; Cañizares, C.A.; Bhattacharya, K.; Anierobi, C.; Calero, I.; de Souza, M.F.Z.; Farrokhabadi, M.; Guzman, N.S.; Mendieta, W.; Peralta, D.; et al. A Review of Modeling and Applications of Energy Storage Systems in Power Grids. Proc. IEEE 2023, 111, 806–831. [Google Scholar] [CrossRef]
- Suboh, S.M.; Sharma, R.; Tushar, W.; Ahamad, N.B. Enhancing Active Power Dispatchability of WTG-BESS Through Integrated Control Considering Wind Forecast Error. IEEE Access 2024, 12, 2778–2792. [Google Scholar] [CrossRef]
- Tawfiq, K.B.; Zeineldin, H.; Al-Durra, A.; El-Sadaany, E.F. Enhancing photovoltaic grid integration with hybrid energy storage and a novel three-phase ten-switch inverter for superior power quality. Int. J. Electr. Power Energy Syst. 2025, 167, 110580. [Google Scholar] [CrossRef]
- Mandal, A.; Muttaqi, K.M.; Islam, M.R.; Sutanto, D. Solid-State Power Substations for Future Power Grids. IEEE Trans. Ind. Appl. 2025, 61, 1055–1067. [Google Scholar] [CrossRef]
- Bravo, P.; Pereda, J.; Merlin, M.M.C.; Neira, S.; Green, T.C.; Rojas, F. Modular Multilevel Matrix Converter as Solid State Transformer for Medium and High Voltage AC Substations. IEEE Trans. Power Deliv. 2022, 37, 5033–5043. [Google Scholar] [CrossRef]
- Buticchi, G.; Lam, C.-S.; Xinbo, R.; Liserre, M.; Barater, D.; Benbouzid, M.; Gomis-Bellmunt, O.; Ramos-Paja, C.A.; Kumar, C.; Zhu, R. The Role of Renewable Energy System in Reshaping the Electrical Grid Scenario. IEEE Open J. Ind. Electron. Soc. 2021, 2, 451–468. [Google Scholar] [CrossRef]
- Zhu, R.; Liserre, M. Architecture and Topology Overview of Modular Smart Solid-State Transformer. In Proceedings of the 2021 6th IEEE Workshop on the Electronic Grid (eGRID), New Orleans, LA, USA, 5 January 2021; pp. 1–5. [Google Scholar] [CrossRef]
- Wang, K.; Zhu, L.; Wu, W.; Ko, Y.; Zhu, R. Cascaded H-bridge Converter-based Large-Scale Photovoltaic Systems: Power Imbalance and Topology Derivation. In Proceedings of the 2021 IEEE 12th Energy Conversion Congress & Exposition-Asia (ECCE-Asia), Singapore, 13 July 2021; pp. 730–735. [Google Scholar] [CrossRef]
- Ma, D.; Chen, W.; Shu, L.; Qu, X.; Zhan, X.; Liu, Z. A Multiport Power Electronic Transformer Based on Modular Multilevel Converter and Mixed-Frequency Modulation. IEEE Trans. Circuits Syst. II Express Briefs 2020, 67, 1284–1288. [Google Scholar] [CrossRef]
- Huber, J.E.; Kolar, J.W. Applicability of Solid-State Transformers in Today’s and Future Distribution Grids. IEEE Trans. Smart Grid 2019, 10, 317–326. [Google Scholar] [CrossRef]
- Wei, R.; Wang, H.; Kish, G.J.; Li, Y. A Simplified Time-Domain Model-Based Maximum Efficiency Tracking-Aided Synchronous Rectification Strategy for CLLC Chargers. IEEE Trans. Power Electron. 2025, 40, 17160–17171. [Google Scholar] [CrossRef]
- Zhu, R.; Hoffmann, F.; Vázquez, N.; Wang, K.; Liserre, M. Asymmetrical Bidirectional DC–DC Converter with Limited Reverse Power Rating in Smart Transformer. IEEE Trans. Power Electron. 2020, 35, 6895–6905. [Google Scholar] [CrossRef]
- Wang, K.; Zhu, R.; Wei, C.; Liu, F.; Wu, X.; Liserre, M. Cascaded Multilevel Converter Topology for Large-Scale Photovoltaic System with Balanced Operation. IEEE Trans. Ind. Electron. 2019, 66, 7694–7705. [Google Scholar] [CrossRef]
- Guo, J.; Wang, H.; Xu, G.; Sun, Y.; Su, M. Magnetic Integration with Controllable Leakage Inductance and Unbalanced Current Suppression for CF DAB Converter Based on Single EE Core. IEEE Trans. Power Electron. 2025, 40, 15562–15571. [Google Scholar] [CrossRef]
- Marei, M.I.; Alajmi, B.N.; Abdelsalam, I.; Ahmed, N.A. An Integrated Topology of Three-Port DC-DC Converter for PV-Battery Power Systems. IEEE Open J. Ind. Electron. Soc. 2022, 3, 409–419. [Google Scholar] [CrossRef]
- Alajmi, B.N.; Abdelsalam, I.; Marei, M.I.; Ahmed, N.A. Two Stage single-phase EV On-Board Charger Based on Interleaved Cascaded Non-Inverting Buck-Boost Converter. In Proceedings of the 2023 IEEE Conference on Power Electronics and Renewable Energy (CPERE), Luxor, Egypt, 11 May 2023; pp. 1–6. [Google Scholar] [CrossRef]
- Liao, J.; Guo, C.; He, D.; Zhou, N.; Wang, Q.; Wang, Y. Decoupling Control of Triple Active Bridge-Power Flow Controller in Meshed Bipolar DC Distribution Grids. IEEE J. Emerg. Sel. Top. Power Electron. 2022, 10, 7569–7580. [Google Scholar] [CrossRef]
- Ugalde-Loo, C.E.; Acha, E.; Licéaga-Castro, E. Analysis of the damping characteristics of two power electronics-based devices using ‘individual channel analysis and design’. Appl. Math. Model. 2018, 59, 527–545. [Google Scholar] [CrossRef]


















| Mode | Initial Current ijLV(0) | Total Transferred Power Ptot | Simplified Transferred Power Ptot_s |
|---|---|---|---|
| I | |||
| II | |||
| III | |||
| IV | |||
| Converter | DAB + Boost Converter | QAB + Boost Converter | CF-QAB Converter (The Proposed Converter) | |
|---|---|---|---|---|
| Device | ||||
| Power Semi-conductor Device | MV side MOSFET | C2M0040120D*12 | C2M0040120D*12 | C2M0040120D*12 |
| LV side MOSFET | C2M0040120D*12 | C3M0016120K1*4 | C3M0016120K1*4 | |
| interleaved Boost converter | C2M0040120D*4 | C3M0016120K1*4 | ||
| High-frequency Transformer | Core Type | EE185/80/27 | EE240/118/40 | EE240/118/40 |
| Core Material | LP3A | LP3A | LP3A | |
| Wire Type | 8076/20AWG | 8076/20AWG | 8076/20AWG | |
| Number of Winding Turns | 49:49 | 32:32 | 32:32 | |
| Number of Coil Strands | 31:31 | 25:76 | 25:76 | |
| Inductor Components | Core Type | EE55/28/21 | EE85/45/31 | EE85/45/31 |
| Core Material | LP3A | LP3A | LP3A | |
| Winding Wire Type | 20AWG | 20AWG | 20AWG | |
| Number of Winding Turns | 48 | 62 | 62 | |
| Number of Coil Strands | 31 | 76 | 76 | |
| Inductor Components in interleaved Boost converter | Core Type | EE65/32/27 | EE65/32/27 | EE55/28/21 |
| Core Material | LP3A | LP3A | PC44 | |
| Winding Wire Type | 24AWG | 24AWG | 18AWG | |
| Number of Winding Turns | 40 | 40 | 110 | |
| Number of Coil Strands | 34 | 34 | 7 | |
| Capacitor | Voltage-Stabilizing Capacitor | SNAJ50471M450BK | ||
| Cooling System | Heat Sink(511-9U/228*132) | |||
| DAB + Boost Converter | QAB + Boost Converter | CF-QAB Converter (The Proposed Converter) | |
|---|---|---|---|
| Cost | High | High | Low |
| Loss | High loss | Moderate Loss | Low Loss |
| Switch voltage stress | Low | High | High |
| Switch current stress | Low | High | High |
| Structural configuration | Complex | Moderately Complex | Simple |
| BESS integration capability | Poor | Poor | Excellent |
| control complexity | Low Complexity | Low Complexity | High Complexity |
| hardware requirements | Lowest | High | Moderate |
| Parameters | Description | Values |
|---|---|---|
| VMV | MV side reference voltage | 400 V |
| VLV | LV side reference voltage | 400 V |
| CLV | LV side capacitor | 0.1 mF |
| Cbat | BESS port capacitor | 0.1 mF |
| L | Equivalent AC inductor | 50 μH |
| Ldc1 | Boost inductor | 1500 μH |
| RLdc1 | Resistor of Boost inductors | 0.5 Ω |
| k | Transformer turns ratio | 1:1:1:1 |
| f | Switching frequency | 10 kHz |
Disclaimer/Publisher’s Note: The statements, opinions and data contained in all publications are solely those of the individual author(s) and contributor(s) and not of MDPI and/or the editor(s). MDPI and/or the editor(s) disclaim responsibility for any injury to people or property resulting from any ideas, methods, instructions or products referred to in the content. |
© 2025 by the authors. Licensee MDPI, Basel, Switzerland. This article is an open access article distributed under the terms and conditions of the Creative Commons Attribution (CC BY) license (https://creativecommons.org/licenses/by/4.0/).
Share and Cite
Wang, K.; Shen, Z.; Qu, Y.; Yang, Y.; Tan, W. Topology and Control of Current-Fed Quadruple Active Bridge DC–DC Converters for Smart Transformers with Integrated Battery Energy Storage Systems. Energies 2025, 18, 5381. https://doi.org/10.3390/en18205381
Wang K, Shen Z, Qu Y, Yang Y, Tan W. Topology and Control of Current-Fed Quadruple Active Bridge DC–DC Converters for Smart Transformers with Integrated Battery Energy Storage Systems. Energies. 2025; 18(20):5381. https://doi.org/10.3390/en18205381
Chicago/Turabian StyleWang, Kangan, Zhaiyi Shen, Yixian Qu, Yayu Yang, and Wei Tan. 2025. "Topology and Control of Current-Fed Quadruple Active Bridge DC–DC Converters for Smart Transformers with Integrated Battery Energy Storage Systems" Energies 18, no. 20: 5381. https://doi.org/10.3390/en18205381
APA StyleWang, K., Shen, Z., Qu, Y., Yang, Y., & Tan, W. (2025). Topology and Control of Current-Fed Quadruple Active Bridge DC–DC Converters for Smart Transformers with Integrated Battery Energy Storage Systems. Energies, 18(20), 5381. https://doi.org/10.3390/en18205381

