Next Article in Journal
Machine Learning-Assisted Reconstruction of In-Cylinder Pressure in Internal Combustion Engines Under Unmeasured Operating Conditions
Previous Article in Journal
Legislative, Social and Technical Frameworks for Supporting Electricity Grid Stability and Energy Sharing in Slovakia
 
 
Font Type:
Arial Georgia Verdana
Font Size:
Aa Aa Aa
Line Spacing:
Column Width:
Background:
Article

Single-Phase Earth-Fault Protection of Power Cable of a Salt-Producing Floating Platform

by
Aleksandr Novozhilov
1,
Zhanat Issabekov
1,*,
Timofey Novozhilov
2,
Bibigul Issabekova
1 and
Lyazzat Tyulyugenova
1
1
Faculty of Energy, Department of “Electric Power Engineering”, Toraighyrov University, Building A, Lomov Str., 64, Pavlodar 140008, Kazakhstan
2
Power Engineering Institute, Department of “Power Supply of Industrial Enterprises”, Omsk State Technical University, Mira Av., 11, Omsk 644050, Russia
*
Author to whom correspondence should be addressed.
Energies 2025, 18(19), 5234; https://doi.org/10.3390/en18195234
Submission received: 25 July 2025 / Revised: 29 August 2025 / Accepted: 15 September 2025 / Published: 2 October 2025
(This article belongs to the Section F: Electrical Engineering)

Abstract

In this paper, a method to improve the protection of a four-core power cable of a salt-producing floating platform equipped with an automatic breaker with an independent tripping mechanism is suggested. The use of this automatic breaker in combination with a suggested protection device ensures reliable protection of not only the power cables of the platform against all faults but also the personnel of the platform and animals on the reservoir banks against electric shock in the event of a single-phase ground fault in reservoir water. This would be possible due to a voltage sensor made in the form of a metal ring on the power cable and a relay; one terminal of the relay winding is connected to the voltage sensor by a single-core control cable, and the other to the neutral of a power source on the platform. The typically open contacts of this relay are connected to an electric circuit which includes a power source and a coil for an independent tripping mechanism of the automatic breaker. This design ensures reliable operation of the suggested protection device in the event of a single-phase ground fault in the power cable of the platform when underwater cable insulation is damaged.

1. Introduction

Salt-producing floating platforms are mainly supplied through a 380 V electrical network with a solid grounded neutral. Electricity is transmitted from a transformer substation located on the shore of a lake to a salt-mining floating platform through a floating four-core rubber cable, where three cores are used as phase and one core is neutral. The cross section of the latter is usually about half the cross section of the phase cores. The neutral core is directly connected to the transformer neutral on the transformer substation side and is securely connected to the metal casing of the floating platform on the other side [1,2]. To prevent corrosion of the platform casing, it is painted, and thus isolated from the salt lake water. This network design makes it possible to use it to power three- and single-phase electrical installations.
When a salt-producing platform moves across a lake, the cable sheath and insulation of its cores can become damaged. If the cable sheath is intact, then damage to the insulation of the phase and neutral cores leads to a short circuit (SC) [3,4], and the currents in the cable cores significantly increase. According to the Electrical Installation Code [5,6], protective devices [7,8] in the form of fuses [9] or circuit breakers [10,11] should be used for SC protection of such networks.
Simultaneous damage to the cable sheath and insulation of one of its phase cores leads to a single-phase ground fault (SGF). During SGF, currents insignificantly increase, because short-circuiting occurs through salt water, and protection fuses or circuit breakers do not respond to it. The SGF current, often called leakage current [12,13], flowing through saline solution can shock service personnel and people and animals on the reservoir shores.
In such cases, the integrity of the insulation relative to the ground in mobile electrical installations is controlled by earth leakage current meters in accordance with [12,13]. In networks with an industrial frequency of 50 Hz and a voltage of 230 or 380 V, this control can be performed with PKI-2 devices [12,13], the operating principle of which is based on measuring voltage between artificially created zero point and casing. These devices cannot be used for SGF protection of salt-producing platforms because of significant single-phase load in the form of lighting on them, which results in displacements of artificially created zero point and false operation of PKI-2.
Devices of RUD-05-UZ type [12,13] enable eliminating the effect of single-phase load current on leakage current measurements. This device is connected to the secondary winding of a zero current transformer put on all the cores of a protected cable. However, the sensitivity of this device to leakage currents is limited by the measurement error of the zero current transformer, and can sometimes be insufficient to protect service personnel and people and animals on the reservoir shores against electric shock.
Device [14,15] for protecting a four-core power cable of a salt-producing floating platform from ground faults is free of this drawback. Its operation is based on measuring voltage between the grounded neutral of a power source and an electrode placed in the reservoir. However, its implementation is complicated by the lack of methods for determining parameters of the measuring protection element (relay) and electrode position. We suggest the following approach to their determination.

2. Protection Design

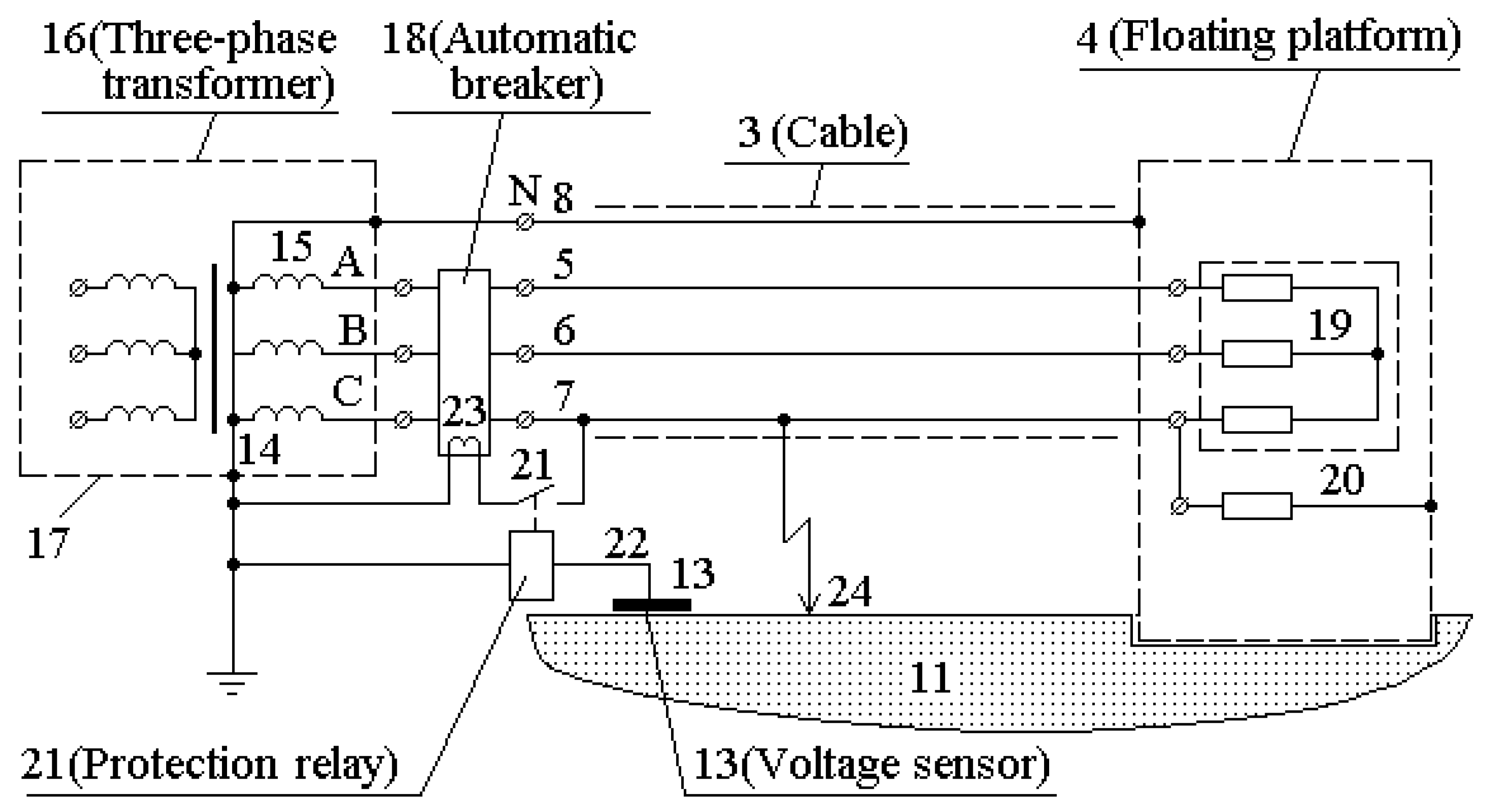
Figure 1 shows a power supply system of a salt-producing floating platform. Its power source 1 is a transformer substation [5,6]. The high-voltage winding of its transformer is connected to overhead electrical line 2. On the low-voltage side, the transformer is connected to the internal network of salt-producing floating platform 4 with four-core power cable 3. Cores 5–7 of this cable are connected to phases A, B, and C of power source 1; core 8 is connected to neutral N of power source 1 in the low-voltage side of the transformer. These cores have insulation 9, and cable 3 has sheath 10. To ensure the buoyancy of four-core power cable 3 during the motion of salt-producing floating platform 4 along the surface of reservoir 11, floats 12 are put on the cable. Since the salt-producing platform should move along the water surface, and to simplify the protection design, electrode 13 of the protection is recommended to be made in the form of a metal ring fixed on the power cable. In the future, this electrode will be called a voltage sensor.
Figure 2 shows the electrical circuit of the power supply system of salt-producing floating platform and four-core cable 3 protection. It shows that neutral 14 of secondary winding 15 of three-phase transformer 16 is connected to grounding contour 17 of the transformer substation and is grounded. Neutral core 8 is bolted to grounding contour 17 and the metal casing of floating platform 4.
Secondary winding 15 of the transformer is connected to the internal network of salt-producing floating platform 4 via automatic breaker 18 through cores 5–7 of the cable. The internal network of this platform supplies power to three- (19) and single-phase (20) loads. The former is motors of pumps and propellers; the latter is represented by lighting and heating devices of platform personnel.
One terminal of the winding of protection relay 21 is connected to neutral 14 of the transformer substation, and the other terminal, to voltage sensor 13 by control cable 22. The contacts of this relay are included in the power supply circuit of winding 23 of the remote tripping mechanism of circuit breaker 18.
One can see from Figure 2 that circuit breaker 18 closing induces operating voltage supply from transformer 16 through power cable 3 to salt-producing floating platform 4. If the insulation of cable 3 is intact, then current from its phase conductors does not leak into the salt water of the reservoir. Therefore, the voltage between neutral 14 of transformer substation 1 and voltage sensor 13 is zero. Hence, the voltage across the winding of relay 21 and the current in it are also zero. As a result, this relay remains in the initial state and its contacts are open, there is no current in the circuit of winding 23 of the remote tripping mechanism of circuit breaker 18, and circuit breaker 18 remains closed.
If insulation 9, e.g., of core 7 and sheath 10 is damaged in the underwater part of cable 3, for example, at point 24, a single-phase short circuit of this core to salt water occurs, and the current spreads in the salt water of the reservoir. In this case, the voltage arises between neutral 14 of power source 1 and voltage sensor 13 and induces current in the winding of protection relay 21, which actuates this relay. Relay contacts close, and current rises in the power circuit of winding 23 of the remote tripping mechanism of circuit breaker 18. This current opens circuit breaker 18, thus disconnecting power cable 3 from transformer 16 and clearing the single-phase short circuit to salt water. The protection response time is determined by the actuation time of protection relay 21 and the trip time of circuit breaker 18. This time is usually short, which enables quick and reliable protection of platform service personnel against electric shock.

3. Design Circuit

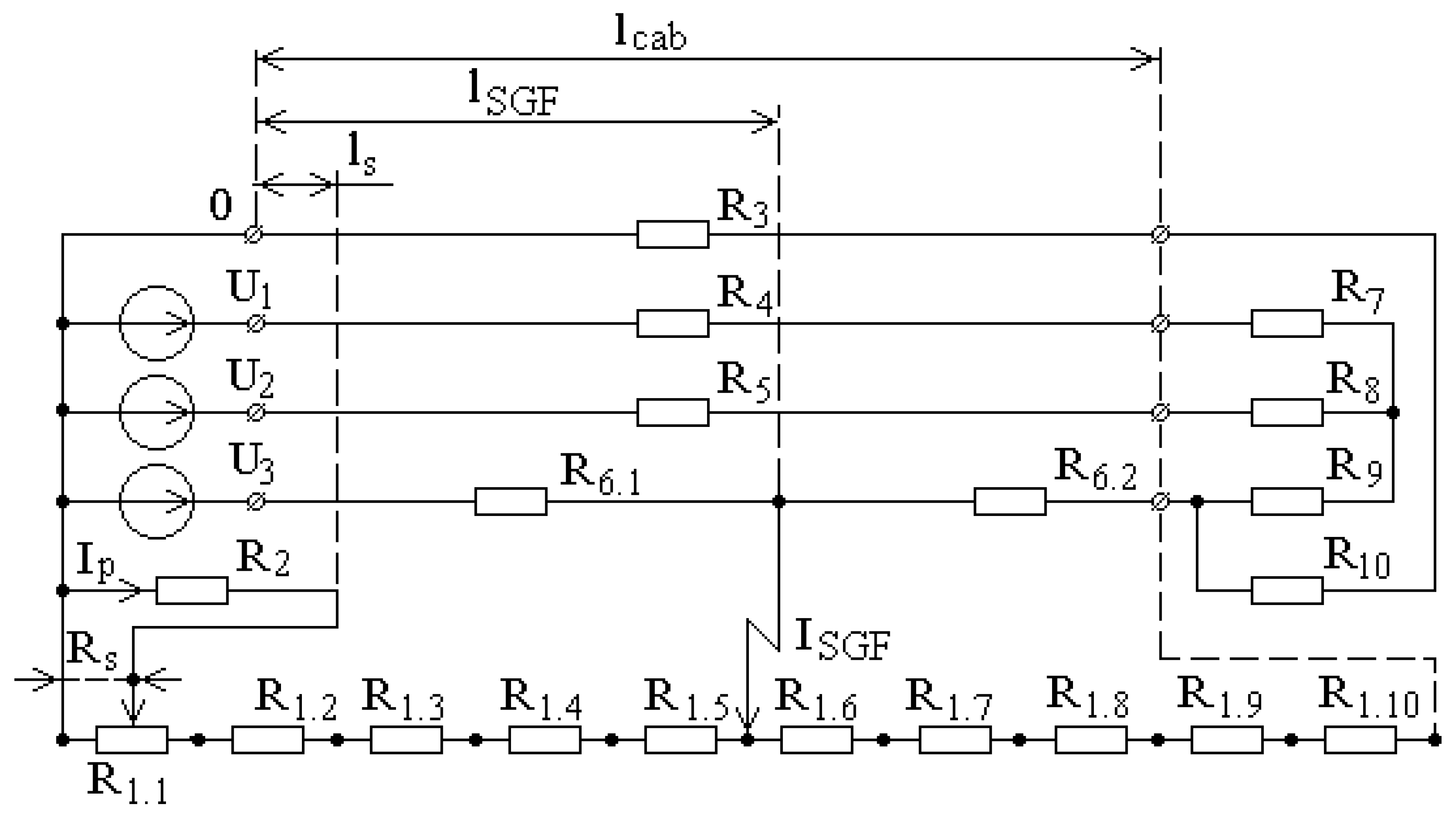
According to the circuit is Figure 2, in the event of SGF, current in the winding of protection relay 21 depends on the lake water conductivity, position of voltage sensor 13 on power cable 3, and SGF point. The point of fixing voltage sensor 13 of the protection, capable of protecting the entire cable against a SGF, is selected from the dependence of the current in the winding of protection relay 21 on the SGF point at different positions of sensor 13 on the cable for different magnitudes of the relay actuation current. For this, a circuit design is suggested (Figure 3).
The power supply network of a salt-producing floating platform is fed from the secondary winding of a power transformer. Since the voltage across its terminals insignificantly changes upon variations in a load, the equivalent circuit in Figure 3 uses this voltage instead of EMF and resistance of the secondary winding. The voltages of phases A, B, and C:
U 1 = U ph e j 0 ° ,   U 2 = U ph e j 120 ° ,   and   U 3 = U ph e j 240 ° ,
where Uph is the effective phase voltage, Uph = 220 V for a 380 V three-phase power network.
The resistance R1 of salt water in a reservoir segment between a transformer substation and a floating platform is determined by the distance between them, which is taken equal to the cable length lcab, and water conductivity ρw:
R1 = ρwlcab.
Water conductivity depends on the concentration of salts in the reservoir and their chemical composition [16]. In approximate calculations, one can use the resistivity of lakes with different salinity from Table 1.

4. Calculation of Protection Element Parameters

The resistance of salt water in a reservoir can attain several thousand ohms. Therefore, to increase the protection sensitivity, the resistance of the winding of relay 21 should be selected from the condition of its maximal resistance at the minimal response power for the selected relay type. According to [17,18], polarized relays of RP4 type with RS4.520.008 design meet this condition. The resistance of the winding of such a relay is 6000 ± 1500 Ohm at the relay actuation current Iact = 0.058–0.24 mA. The winding of the polarized relay is connected to neutral 14 of the transformer substation and control cable 22 through a diode bridge.
As can be seen from Figure 3, the current Iop in the circuit of resistance R2 depends on the position of voltage sensor 13 and SGF point, which are determined by ls and lSGF values. That is why the point for mounting voltage sensor 13 for the protection capable of protecting the entire cable against SGF at a known relay actuation current Iact is chosen from the dependence Iop = f(lSGF) derived for different ls values.
To derive this dependence, resistance R1 is represented as N similar resistances R1.1–R1.N,
R1.1 ÷ R1.N = R1/N.
It is evident that the shorter ls, the cheaper control cable 22 and its mounting on the power cable and, hence, the cheaper the protection device and higher its reliability. Therefore, the position of voltage sensor 13 on the power cable is chosen at the distance lcab/N from the coast. The resistance of the salt water in this section is equal to R1.1. If this section is divided into M equal parts of lcab/N/M in length, then the resistance Rs for a section with specified number m is defined as
Rs = mR1.1/M.
In Figure 3, resistance R1.1 is shown to be variable.
Since the power supply network of salt-producing floating platforms is low-voltage and the cable is short, the capacitive and inductive components of the cable resistance can be neglected. In view of Figure 3, the resistances of the cable cores can be calculated as
R 3 = ρ l cal s n ,   R 4 = R 5 = ρ l cab s ph ,   R 6 . 1 = ρ l SGF s ph ,   and   R 6 . 2 = ρ ( l cab l SGF ) s ph ,
where ρ = 0.0172 ohm m/mm2; sph and sn = sph/2 are the cross sectional areas of phase and neutral cores of the cable.
Since resistance R6 of a cable core is much lower that the lake water resistance R1, we can assume R6.1 = R6.2 for many-time cutting the calculations of the dependence Iop = f(lSGF) without occurrence of significant errors. If we also assume only non-inductive load of the salt-producing floating platform, then resistances
R 7 R 9 = 3 U ph 2 S 3 ph   and   R 10 = U ph 2 S 1 ph
In Figure 3, the resistances of the three- and single-phase loads are determined. Here, S3ph and S1ph are the rated powers of the three- and single-phase loads. This assumption does not lead to significant errors when simulating the required dependence, since the power factor cosφ is usually close to 0.85 for a three-phase load, and the current of a single-phase load, which is represented by lighting and heating devices, is resistive.
Let us consider a salt-producing platform on Lake Koryakovskoye (Pavlodar region, Republic of Kazakhstan) as an example and calculate parameters of the SGF protection of its power cable. Electric power is transmitted to this platform from a transformer substation located on the lake shore through a floating cable 700 m long with copper cores of 120 mm2 in cross section. The maximal three- and single-phase loads on the platform are 100 and 5 kW, respectively. With allowance for data in Table 1, the seasonal average water resistivity is taken equal to 15 ohm m. The protection uses a polarized RP4 relay version RS4.520.008.
The analysis of the circuit in Figure 3 shows that the calculation of current Iop in the winding of protection relay 21 by classical methods is quite difficult. Therefore, the derivation of the required number of dependencies Iop = f(lSGF) requires quite a lot of time. This process can be simplified by using Electronics Workbench circuit simulation software Version 5.12 (25 February 2024) [19,20,21] and the network circuit shown in Figure 4, which is accepted in this software. The resistance values in this circuit were calculated as follows.
The resistivity of water ρw in Lake Koryakovskoye was experimentally estimated at 15 ohm m at the time of measurements. Hence, the resistance of salt reservoir water between the transformer substation and the floating platform, with allowance for Equation (2),
R1 = 15 × 700 = 10,500 ohm.
If N = 10, then from Equation (3),
R1.1 ÷ R1.10 = 10,500/10 = 1050 ohm.
The resistance Rs changes from 0 to R1.1., with a step determined by M, depending on the output position of m, which determines ls value when deriving the dependence Iop = f(lSGF). To simplify setting such values, resistor R1.1 is made variable, where resistance Rs is specified as a percentage of resistance R1.1.
Considering Equation (5) and the fact that cable cores are made of copper, the resistance of these cores is
R 3 = 0.0172 × 700 60 = 0.2   ohm ,   R 4 = R 5 = R 6 = 0.0172 × 700 120 = 0.1   ohm ,
and
R 6.1 = R 6.2 = R 6 / 2 = 0.05   ohm .
At specified three- and single-phase loads with allowance for Equation (5),
R 7 R 9 = 3 × 220 2 100000 = 1.452   ohm   and   R 10 = U ph 2 S 1 ph = 220 2 5000 = 9.68   ohm .
Figure 5 shows the dependencies Iop = f(lSGF) simulated in Electronics Workbench software at Rs = 0.05* R 1.1 (curve 1), 0.10* R 1.1 (curve 2), and 0.15* R 1.1 (curve 3), which correspond to ls = 3.5, 7.0, and 10.5 m, respectively.
The position of voltage sensor 13 for the SGF protection is chosen based on the length ldz of its dead zone. In Figure 5, the protection dead zone at a given value of ls is determined by the intersection of Iop = f(lSGF) curves with the relay actuation current (dashed line). One can see that if the voltage sensor is spaced 3.5 m apart from the shore, then the protection dead zone is approximately 370 m long. If the voltage sensor is spaced 7.0 m apart from the coast, this zone is absent. Hence, the SGF protection voltage sensor should be fixed just at this latter distance. This distance can be reduced by using a protection relay with lower actuation current.
The designed SGF power cable protection was mounted on a salt-producing floating platform at Lake Koryakovskoye, Republic of Kazakhstan, for trial operation. The voltage sensor position was chosen following the technique described in the paper. During the period of trial operation from 2022 to 2025, the protection device reliably responded to single-phase short circuits, for example, in the event of a single-phase short circuit in 2023, which was caused by damage to the cable insulation when the platform was moving at about 70 m from the shore. No cases of false operation of the protection occurred throughout the trial operation period.
Thus, the suggested protection device for a power cable of a salt-producing floating platform is quite simple in design, inexpensive, and ensures electric shock protection of not only the platform service personnel, but also people and animals on the lake shore.

5. Results and Discussion

Salt-producing floating platforms are usually supplied with electricity through a 380V electrical network with a solid grounded neutral, where a floating flexible four-core rubber cable is used as a power transmission line. The neutral core of this cable is directly connected to the neutral of the transformer of a shore substation on its side and is securely connected to the metal casing of this platform on the other side. To protect the casing from corrosion, it is painted, thus being isolated from salt lake water. Three- and single-phase electrical installations are electricity consumers on a floating platform.
In the event of simultaneous damage to the cable sheath and insulation of one of its phase cores in the underwater part of the cable, SGF current occurs in this circuit. This current flows through the lake salt solution and is capable of affecting both the service personnel of the platform and animals on the lake shore. Protection systems the operation of which is based on measuring the voltage between an artificially created zero point and the casing cannot protect against this current because of a significant single-phase load on the platform, which shifts the artificially created zero point and causes false operation of the protection. This problem can be solved by using a zero current transformer put on all the cores of the protected cable to measure the leakage current. However, the sensitivity of protection devices with this measuring converter is limited by its measurement error and can be insufficient to protect service personnel and people and animals on the lake shore against electric shock. A protection device, the operation of which is based on measuring the voltage between the neutral of a power source and an electrode located in the lake water, is free of this drawback. This protection design is fundamentally new; it has no analogs.
In this work, a simple and inexpensive device for protecting a floating four-core cable is suggested. It detects a single-phase ground fault by the difference in the potentials at the neutral terminal of a three-phase transformer and at a point in lake salt water at the distance ls from the lake coast. This device near instantly ceases power supply to the floating platform and ensures the required electrical safety of platform personnel. The design of the simplified electrical network circuit of a salt-producing floating platform and the technique for determining parameters of protection elements are suggested. They justify the requirements for the technique for simulating currents in the relay winding depending on SGF point. The use of Electronics Workbench software for simulation significantly reduces the time for determining the position of the protection voltage sensor, and enables this procedure to be performed by personnel with almost any skill level. The protection dead zone can be quite accurately derived from the dependence Iop = f(lSGF) for specified ls at specified protection relay actuation current Iact. To ensure protection against SGF of the entire cable located in water, the position of the protection voltage sensor should be determined by minimal ls when the dead zone is absent, which enables minimizing the costs of mounting and maintenance of the voltage sensor.

Author Contributions

Conceptualization: A.N. and T.N.; Data curation, Z.I. and B.I.; Methodology, A.N., T.N. and L.T.; Software, A.N., Z.I. and B.I.; Project administration, A.N. and T.N.; Resources, L.T., Z.I. and B.I.; Supervision, A.N.; Validation, A.N. and T.N.; Visualization, Z.I., B.I. and L.T.; Formal analysis, Z.I., B.I. and L.T.; Writing—original, B.I., A.N. and T.N.; Writing A.N. All authors have read and agreed to the published version of the manuscript.

Funding

This research was funded by Committee of Science of the Ministry of Science and Higher Education of the Republic of Kazakhstan (grant no. AP23486411).

Data Availability Statement

The raw data supporting the conclusions of this article will be made available by the authors on request.

Conflicts of Interest

The authors declare that they have no known competing financial interests or personal relationships that could have appeared to influence the work reported in this paper.

References

  1. Rokotian, S.S.; Shapiro, I.M. Handbook on the Design of Electric Power Systems, 3rd ed.; Energoatomizdat: Moskow, Russia, 1985; p. 350. (In Russian) [Google Scholar]
  2. Kasikci, I. Analysis and Design of Electrical Power Systems: A Practical Guide and Commentary on NEC and IEC 60364, 1st ed.; Wiley-VCH: Weinheim, Germany, 2022; p. 528. [Google Scholar]
  3. Andreev, V. Relay Protection and Automatics of Power Supply Systems, 4th ed.; Vyssshaya Shkola: Moscow, Russia, 2008. (In Russian) [Google Scholar]
  4. Gurevich, V. Power Supply Devices and Systems of Relay Protection; CRC Press: Boca Raton, FL, USA, 2017; p. 248. [Google Scholar] [CrossRef]
  5. Electrical Installation Rules; All current sections of the sixth and seventh editions, with amendments and additions, as of 1 January 2013; KNORUS: Moscow, Russia, 2013; p. 488. (In Russian)
  6. General Rules of Electrical Installation Design, Electrical Installation Wiki, Electronic Resource. Available online: https://www.electrical-installation.org/enwiki/General_rules_of_electrical_installation_design (accessed on 30 June 2025).
  7. Chunikhin, A.A. Electrical Apparatuses; Energiya Publ.: Moskow, Russia, 1975; p. 647. (In Russian) [Google Scholar]
  8. Kuhlmann, J.H. Design of Electrical Apparatus, 3rd ed.; Wiley: Hoboken, NJ, USA, 1950. [Google Scholar]
  9. Livshchits, D.S. Heating of Conductors and Protection by Fuses in Electric Networks up to 1000 V, 2nd ed.; Energy: Moskow, Russia, 1967; p. 74. (In Russian) [Google Scholar]
  10. Circuit Breakers—Device, Characteristics. Available online: https://elektroshkola.ru/apparaty-zashhity/avtomaticheskie-vyklyuchateli (accessed on 20 July 2024). (In Russian).
  11. Fundamental Characteristics of a Circuit-Breaker. Available online: https://www.electrical-installation.org/enwiki/Fundamental_characteristics_of_a_circuit-breaker (accessed on 30 June 2025).
  12. Korablev, V.P. Electrical Safety Devices; Energoatomizdat: Moskow, Russia, 1985; p. 87. (In Russian) [Google Scholar]
  13. Cadick, J.; Capelli-Schellpfeffer, M.; Neitzel, D.; Winfield, A. Electrical Safety Handbook, 4th ed.; McGraw-Hill Education: Columbus, OH, USA, 2012; p. 704. [Google Scholar]
  14. Novozhilov, T.A.; Novozhilov, A.N.; Petrova, E.V.; Tyulyugenova, L.B. A Device for Protecting a Four-Core Power Cable of a Salt-Producing Floating Platform from a Single-Phase Short Circuit. RU Patent 2827593, 30 September 2024. [Google Scholar]
  15. Novozhilov, A.N.; Novozhilov, T.A.; Goryunov, V.I.; Issabekov, Z.B. Device for Protecting a Power Transmission Line from Two Parallel-Connected Cables in a Network with an Isolated Neutral from a Single-Phase Ground Fault. RK Рatent 31077, 15 May 2016. [Google Scholar]
  16. Code of Rules 38.13330.2018; Loads and Impacts on Hydraulic Structures (Wave, Ice and from Ships). Standartinform Publ.: Moskow, Russia, 2018. (In Russian)
  17. Iglovskiy, I.G.; Vladimirov, G.V. Handbook of Low–Current Electric Relays; Energoatomizdat: Moscow, Russia, 1990; p. 560. [Google Scholar]
  18. Walter, A.E. Protective Relaying Theory and Applications; CRC Press: Boca Raton, FL, USA, 2004; p. 428. [Google Scholar]
  19. Panfilov, D.I.; Ivanov, V.S.; Chepurin, I.N. Electrical Engineering and Electronics in Experiments and Exercises: Workshop on Electronics Workbench; V.1: Electrical Engineering; DODEKA: Moscow, Russia, 1999; p. 304. (In Russian) [Google Scholar]
  20. Petruzzellis, T. Build Your Own Electronics Workshop: Everything You Need to Design a Work Space, Use Test Equipment, Build and Troubleshoot Circuits (TAB Electronics Technician Library), 1st ed.; McGraw-Hill/TAB Electronics: New York, NY, USA, 2004; p. 428, ISBN-10: 0071447245. [Google Scholar]
  21. Rizzoni, G. MP Principles and Applications of Electrical Engineering with Electronics Workbench Software with Upgraded Electronics Workbench Multisim Version 6.0, 3rd Bk & Cdr ed.; McGraw-Hill Education: New York, NY, USA, 2000; p. 1022. [Google Scholar]
Figure 1. Diagram of power supply system of salt-producing floating platform.
Figure 1. Diagram of power supply system of salt-producing floating platform.
Energies 18 05234 g001
Figure 2. Simplified electrical circuit of power supply system of salt-producing floating platform and power cable protection.
Figure 2. Simplified electrical circuit of power supply system of salt-producing floating platform and power cable protection.
Energies 18 05234 g002
Figure 3. Design of circuit for determining SGF protection parameters.
Figure 3. Design of circuit for determining SGF protection parameters.
Energies 18 05234 g003
Figure 4. Network circuit in Electronics Workbench software Version 5.12.
Figure 4. Network circuit in Electronics Workbench software Version 5.12.
Energies 18 05234 g004
Figure 5. Sensitivity of SGF protection sensitivity versus SGF point at Rs = 0.05* R 1.1 (ls = 3.5 m) (curve 1), 0.10* R 1.1 (ls = 7 m) (curve 2), and 0.15* R 1.1 (ls = 10.5 m) (curve 3).
Figure 5. Sensitivity of SGF protection sensitivity versus SGF point at Rs = 0.05* R 1.1 (ls = 3.5 m) (curve 1), 0.10* R 1.1 (ls = 7 m) (curve 2), and 0.15* R 1.1 (ls = 10.5 m) (curve 3).
Energies 18 05234 g005
Table 1. Conductivity of different lake water types [9].
Table 1. Conductivity of different lake water types [9].
Water TypeResistivity (ohm m)
Clear fresh water20–100
Mild-salinity lake10–20
High-salinity lake5–10
Highly organic lake1–5
Disclaimer/Publisher’s Note: The statements, opinions and data contained in all publications are solely those of the individual author(s) and contributor(s) and not of MDPI and/or the editor(s). MDPI and/or the editor(s) disclaim responsibility for any injury to people or property resulting from any ideas, methods, instructions or products referred to in the content.

Share and Cite

MDPI and ACS Style

Novozhilov, A.; Issabekov, Z.; Novozhilov, T.; Issabekova, B.; Tyulyugenova, L. Single-Phase Earth-Fault Protection of Power Cable of a Salt-Producing Floating Platform. Energies 2025, 18, 5234. https://doi.org/10.3390/en18195234

AMA Style

Novozhilov A, Issabekov Z, Novozhilov T, Issabekova B, Tyulyugenova L. Single-Phase Earth-Fault Protection of Power Cable of a Salt-Producing Floating Platform. Energies. 2025; 18(19):5234. https://doi.org/10.3390/en18195234

Chicago/Turabian Style

Novozhilov, Aleksandr, Zhanat Issabekov, Timofey Novozhilov, Bibigul Issabekova, and Lyazzat Tyulyugenova. 2025. "Single-Phase Earth-Fault Protection of Power Cable of a Salt-Producing Floating Platform" Energies 18, no. 19: 5234. https://doi.org/10.3390/en18195234

APA Style

Novozhilov, A., Issabekov, Z., Novozhilov, T., Issabekova, B., & Tyulyugenova, L. (2025). Single-Phase Earth-Fault Protection of Power Cable of a Salt-Producing Floating Platform. Energies, 18(19), 5234. https://doi.org/10.3390/en18195234

Note that from the first issue of 2016, this journal uses article numbers instead of page numbers. See further details here.

Article Metrics

Article metric data becomes available approximately 24 hours after publication online.
Back to TopTop