Next Article in Journal
Hybrid Human–AI Collaboration for Optimized Fuel Delivery Management
Previous Article in Journal
A Dual-Layer Optimal Operation of Multi-Energy Complementary System Considering the Minimum Inertia Constraint
Previous Article in Special Issue
Measurements and Analysis of Electromagnetic Compatibility of Railway Rolling Stock with Train Detection Systems Using Track Circuits
 
 
Font Type:
Arial Georgia Verdana
Font Size:
Aa Aa Aa
Line Spacing:
Column Width:
Background:
Article

Hybrid Finite Control Set Model Predictive Control and Universal Droop Control for Enhanced Power Sharing in Inverter-Based Microgrids

by
Devarapalli Vimala
1,†,
Naresh Kumar Vemula
1,†,
Bhamidi Lokeshgupta
2,†,
Ramesh Devarapalli
3,* and
Łukasz Knypiński
4,*
1
Department of Electrical and Electronics Engineering, SRM University AP, Amaravati 522240, Andhra Pradesh, India
2
Department of Electrical Engineering, Motilal Nehru National Institute of Technology Allahabad, Prayagraj 211004, Uttar Pradesh, India
3
Department of Electrical/Electronics and Instrumentation Engineering, Institute of Chemical Technology, Indian Oil Odisha Campus, Bhubaneswar 751013, Odisha, India
4
Faculty of Automatic Control, Robotic and Electrical Engineering, Poznan University of Technology, 60-965 Poznan, Poland
*
Authors to whom correspondence should be addressed.
These authors contributed equally to this work.
Energies 2025, 18(19), 5200; https://doi.org/10.3390/en18195200
Submission received: 30 August 2025 / Revised: 25 September 2025 / Accepted: 28 September 2025 / Published: 30 September 2025
(This article belongs to the Special Issue Planning, Operation and Control of Microgrids: 2nd Edition)

Abstract

This paper proposes a novel hybrid control strategy integrating a Finite Control Set Model Predictive Controller (FCS-MPC) with a universal droop controller (UDC) for effective load power sharing in inverter-fed microgrids. Traditional droop-based methods, though widely adopted for their simplicity and decentralized nature, suffer from limitations such as steady-state inaccuracies and poor transient response, particularly under mismatched impedance conditions. To overcome these drawbacks, the proposed scheme incorporates detailed modeling of inverter and source dynamics within the predictive controller to enhance accuracy, stability, and response speed. The UDC complements the predictive framework by ensuring coordination among inverters with different impedance characteristics. Simulation results under various load disturbances demonstrate that the proposed approach significantly outperforms conventional PI-based droop control in terms of voltage and frequency regulation, transient stability, and balanced power sharing. The performance is further validated through real-time simulations, affirming the scheme’s potential for practical deployment in dynamic microgrid environments.

1. Introduction

The widespread deployment of inverter-interfaced distributed generation (DG) in microgrids has brought increased flexibility and resilience to modern power systems. However, ensuring stable operation, accurate power sharing, and fast dynamic response remains a critical challenge, especially under islanded or weak-grid conditions. Among the various control strategies, droop control has gained wide acceptance due to its simplicity and decentralized nature [1,2,3,4,5]. This technique emulates the behavior of synchronous generators, enabling proportional load sharing without requiring communication links.
Despite its practicality, traditional droop control suffers from limitations such as steady-state errors, poor dynamic performance, and sensitivity to network impedance mismatches [2,3,4,5]. To overcome these issues, several enhanced droop-based techniques have been proposed. These include complex-impedance-aware designs [2], small signal modeling and linearized state-space analysis [3], output impedance shaping [4], voltage-frequency droop control for improved transient response [5], and decentralized virtual impedance [6]. Additionally, robust formulations such as multivariable control [7], dynamic angle oscillation suppression [8], and adaptive droop controller [9] have advanced the reliability of droop-controlled inverters.
A significant breakthrough in droop control came with the development of the UDC framework [10,11,12,13,14]. Unlike conventional droop designs that rely on fixed impedance assumptions, the universal droop controller enables consistent power sharing among inverters with different output impedance types. This universal formulation has been further extended to handle abnormal conditions through a generalized droop control framework based on power flow equations and impedance-invariant control laws [10], optimization-based parameter tuning [11], PLL-free self-synchronized universal droop controller [12], bounded droop control [13], and seamless mode transitions [14]. These enhancements improve the resilience and flexibility of inverter-fed microgrids. Capturing the internal behavior of DG sources (e.g., current controllers, voltage regulators) within the control structure can enhance predictive accuracy and improve control performance under variable operating conditions.
However, droop control, including UDC, inherently depends on quasi-steady-state approximations, which limit its effectiveness under fast transients and highly dynamic load or source conditions. To address this, Model Predictive Control (MPC) has emerged as a powerful alternative. MPC anticipates future system behavior using a model and computes optimal control actions in real time. In particular, FCS-MPC has shown promise for power electronic systems due to its compatibility with discrete-time inverter operations [15,16,17,18,19,20,21].
Recent studies and future directions are discussed in [15,16] and MPC has been applied to improve frequency control [17], implement master–slave microgrid coordination [18], and introduce hierarchical droop-based predictive control schemes [19]. Moreover, predictive approaches have been shown to be effective in mitigating low-frequency oscillations [20] and enabling decentralized control in PV-based systems [21]. In [22] a droop-based FCS-MPC with a decentralized inner loop for parallel inverter resources was proposed to improve voltage tracking and frequency regulation but source dynamics were neglected. Poonahela et al. [23] proposed a predictive voltage and frequency restoration scheme for decentralized FCS-MPC-based droop-controlled DGs in AC microgrids. In [24], a FCS-MPC integrated with a universal droop controller was proposed for improving load power sharing in inverter-fed microgrids. Although the method showed superior performance compared to conventional droop-based approaches, the study neglected the source dynamics. This simplification reduces the system complexity but introduces several limitations: (i) The predictive model does not fully capture the actual behavior of the distributed generators (DGs), since the dynamic response of the sources such as DC-link variations and renewable intermittency are excluded. (ii) The results may be optimistic in simulation, but in practical scenarios, frequency and voltage stability could be adversely affected when source dynamics interact with inverter and line dynamics. Relevant studies with source dynamics are discussed in [25,26].
Based on the reviewed literature, previous works have primarily focused on the conventional droop controller, universal droop controller, and their combination with FCS-MPC. To the best of the authors’ knowledge, no prior studies have explored the control of parallel inverters using a universal droop controller integrated with FCS-MPC. In this approach, the frequency and voltage generated by the universal droop controller are converted into voltage references for FCS-MPC, which are then utilized in its cost function. This paper introduces an FCS-MPC scheme with universal droop control to enhance power sharing performance under impedance mismatches and load disturbances in the considered microgrid system.
In this context, this paper proposes a hybrid control strategy that combines UDC with an FCS-MPC, incorporating detailed source dynamics. The proposed approach ensures accurate steady-state power sharing while enhancing transient performance and robustness. The predictive controller minimizes a cost function based on voltage, frequency, and power errors, while UDC ensures coordination among inverters of varying characteristics. The main contributions of this work are as follows:
  • A novel hybrid FCS–MPC with a universal droop controller is proposed, incorporating both inverter and source dynamics to achieve accurate power sharing, fast transient response, and effective frequency/voltage regulation under varying load scenarios and different line impedances.
  • The effectiveness of the proposed approach is demonstrated through comparative analysis with a conventional PI controller. The proposed method shows improved power sharing accuracy in inverter-fed microgrids.
  • Validation of the proposed approach through real-time simulation.
The remainder of the paper is structured as follows: Section 2 presents the system modeling of the inverter and source components. Section 3 discusses the modeling of conventional droop controller. Section 4 outlines the design and implementation of the proposed FCS-MPC algorithm, including the formulation of the cost function and universal droop control optimization strategy. Section 5 discusses simulation results, including steady-state and transient performance comparisons with conventional controllers, and Section 6 presents the discussion. Finally, Section 7 concludes the paper and provides future research directions, including real-time hardware implementation using OPAL-RT OP4510 platforms.

2. System Design

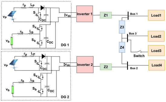
The test system considered in this study is illustrated in Figure 1. The microgrid architecture comprises multiple distributed generators (DGs), where each DG unit includes a solar PV system, a battery energy storage system (BESS), a Voltage Source Inverter (VSI), filter components, and associated loads. Z1 and Z2 are coupling impedances, which connect DG1 and DG2 to their respective buses via inverters. The inverters are interconnected through transmission line impedances, represented by Z3 and Z4, as depicted in Figure 1.

2.1. Modeling of PV System

Consider the DC–DC boost converter for the PV system as shown in Figure 1. By applying Kirchhoff’s laws, the inductor current l p can be expressed based on the switching signal and the voltage drop across the components of the ripple filter; namely, the resistance and the inductance are given as
d i P d t = 1 L P ( v P r P i P ) , if S = 1 1 L P ( v P r P i P v dc ) , if S = 0
L P d i P d t = v P r P i P ( 1 S ) v dc
According to Euler’s forward method,
i P d t = i P ( k + 1 ) i P ( k ) T s
At (k + 1) instant, the inductor current can be written as
i P ( k + 1 ) = T s L P v P r P i P ( 1 S ) v dc + i P ( k )
where: v P , v dc , and i P represent the output voltage of the PV [V], the DC bus voltage [V], and the output current [A], respectively, while L P and r P denote the inductance [H] and internal resistance [ Ω ].

2.2. Modeling of Battery Storage System

Consider the battery storage system depicted in Figure 1. The analytical expression for the inductor current in the DC–DC bidirectional converter can be derived using Kirchhoff’s laws, and output current depends on the state of the converter switch S b . This expression involves the switching signals and the voltage drop across the ripple filter components, which include the resistance and the inductance.
L b d i b d t = v b r b i b ( 1 S b ) v dc
The discrete-time equation for battery current is given as
i b ( k + 1 ) = T s L b v b r b i b ( k ) ( 1 S b ) v dc + i b ( k )
where: v b , v dc , and i b represent the battery output voltage [V], the DC bus voltage [V], and the output current [A], respectively. Additionally, L b and r b denote the inductance [H] and internal resistance of the system [ Ω ].

2.3. Modeling of DC/AC Converter

The switching signals for the inverter are given by FCS-MPC, and the voltage equation is given by
v 0 = 2 3 v d c e j ( i 1 ) π 3 , i = 1 ,   2 ,     , 7
where, v d c represents the DC-link voltage and the output voltage vectors of the VSI are represented by v 0 . The possible switching combinations, ( S a , S b , S c ) for the output voltages ( v 0 , v 1 , , v 7 ) are as follows: 000, 100, 110, 010, 011, 001, 101, and 111, respectively (where 1/0 indicates the switch is ON/OFF, respectively). The capacitor voltage for the next instant can be predicted as
v c ( k + 1 ) = v c ( k ) + e T s C f i f ( k ) + C e T s C f 1 L f v 0 ( k ) T s C f i l ( k )
where; C f is the filter capacitor [F], L f is filter inductance [H], i f and i l are the currents through filter inductor and load [A], respectively; T s is the sampling time [S].

3. Conventional Droop Controller

The control structure of distributed generators (DGs) incorporating conventional droop control and a traditional PI controller is depicted in Figure 2. Droop control is widely used to enable decentralized sharing of active and reactive power among multiple DGs. Typically, conventional droop control is applied in systems with predominantly inductive line impedance at the inverter output, whereas inverse droop control is preferred in networks with dominant resistive line impedance. Given that low-voltage microgrids often exhibit resistive characteristics, many studies in this area adopt inverse droop control, which follows a power controller, voltage controller, and current controller. As shown in Figure 2, the output voltage and current measured at the filter output are used to calculate the real and reactive power, represented by P and Q. The nominal frequency ( W n ), RMS voltage ( V n ), and droop gains ( m p and n q ) remain constant. The droop coefficients m p and n q define the slope of the droop curves and are chosen based on the rated capacity of each DG. W L and W C are the voltage and current controller gains. Additionally, the instantaneous active and reactive powers P and Q are calculated using the expressions from [1].
W = W n m p P
V = V n n q Q
P = V o d i o d + V o q i o q
Q = V o d i o q + V o q i o d

4. Proposed FCS-MPC with Universal Droop Controller

The optimization objective in this work is designed to simultaneously achieve three goals: (a) regulate the inverter terminal voltage and frequency, (b) ensure accurate active/reactive power sharing under unequal line impedances through the use of UDC-rotated power references, and (c) minimize unnecessary switching transitions to enhance efficiency. The frequency and voltage generated by the universal droop controller are converted into voltage references and supplied to the FCS–MPC cost function. Accordingly, the proposed FCS–MPC emphasizes voltage vector tracking by minimizing the error between the predicted output voltage vector and the droop-adjusted reference vector. The dynamic control process is carried out by predicting the system response for each admissible switching vector, evaluating the corresponding cost, and selecting the optimal action at every sampling instant.

4.1. Finite Control Set Model Predictive Control

The FCS-MPC is a control strategy that selects the optimal output by minimizing a cost function J. This approach involves predicting future system behavior over a specified prediction horizon of N samples using a discrete-time system model. It is a Finite Control Set one-step predictive controller that evaluates all seven switching states and picks one with the smallest one-step tracking error. So, N P = 1, N C = 1, and weights = [1, 1]. The sampling time for FCS-MPC is 10 μ s. The block diagram for proposed model is as shown in Figure 3. For designing a VSI using FCS-MPC, the following steps are essential:
  • Develop a discrete-time model representing the system dynamics.
  • Evaluate the cost function for each possible voltage output that the VSI can produce.
  • Generate the appropriate Pulse Width Modulation (PWM) switching signals based on the selected optimal output.
The cost function for the boost converter is given by
G P V = I P V ( k ) I P V ( k + 1 )
The cost function for the bidirectional converter is given by
G B = I B ( k ) I B ( k + 1 )
The cost function of inverter is given by
G = V C α _ r e f V C α ( k + 1 ) 2 + V C β _ r e f V C β ( k + 1 ) 2
The objective functions are used to minimize the error between the reference and predicted voltage values. The optimal values of the voltage are obtained and thereby, the cost function generates the switching states. The algorithm for the proposed FCS-MPC for the test system under study is mentioned as follows.
The proposed MPC for the boost converter is explained in the Algorithm 1 below.
Algorithm 1 for proposed MPC for boost converter
Step-1: Start.
Step-2: Input: currents and voltage of the converter.
Step-3: Predict I P V .
Step-4: Evaluate the cost function G using Equation (13).
Step-5: Find min( G P V ).
Step-6: Apply S corresponding to minimize cost function.
Step-7: End.
The proposed MPC for bidirectional converter is explained in the Algorithm 2 below.
Algorithm 2 for proposed MPC for bidirectional converter
Step-1: Start.
Step-2: Input: currents and voltage of the converter.
Step-3: Predict I B .
Step-4: Evaluate the cost function G using Equation (14).
Step-5: Find min( G B ).
Step-6: Apply S corresponding to minimize cost function.
Step-7: End.
The proposed MPC for inverter is explained in the Algorithm 3 below.
Algorithm 3 for proposed FCS-MPC for converter
Step-1: Start.
Step-2: Predict V C using Equation (8).
Step-3: Evaluate the cost function G using Equation (15).
Step-4: Find the minimum G
Step-5: Apply the states of switch ( S a ,   S b ,   S c ) corresponding to the minimum value of the cost function.
Step-6: End.

4.2. Universal Droop Controller

Consider the transformation matrix
T = cos α sin α sin α cos α
where α is estimated from phasor ratio tan 1 X R using line test or real-time measurement.
The real power and reactive power transform to
P R Q R = T P Q
This can be equivalently expressed in complex form as
P R + j Q R = P cos α + Q sin α + j P sin α + Q cos α
= e j α ( P + j Q ) = e j α · p
Here p is the power vector. As per the linear transformation properties, P and Q maintain a positive correlation with P R and Q R , respectively. The transformation rotates the power vector by an angle of α . The block diagram of universal droop controller is shown in Figure 4.
Defining the transformed powers as
P ˜ = P R and Q ˜ = Q R
For a small angle δ , the transformed powers approximate to
P R E and Q R δ
Combining these, we get
P ˜ P R E
Q ˜ Q R δ
Regardless of the impedance angle, real power P is always positively correlated with the voltage E, and reactive power Q is always negatively correlated with the power angle. The universal droop control law [9] can be formulated as
V = k e ( V V 0 ) m P P
W = W + n q Q
Droop gains m P , n q are selected using the equation below based on the range of frequency and voltage, respectively.
m p = Δ V o d Δ P Max
n q = Δ ω Δ Q Max
where T is transformation matrix, P and Q are active and reactive power, P R and Q R are transformed active and reactive power, α is impedance angle, and δ is power angle.

5. Results and Discussions

In this section, the proposed control model is simulated on the test system illustrated in Figure 1. Loads 1, 2, and 4 are standard connected loads, while Load 3 is introduced as a disturbance load to assess the dynamic performance of the proposed controller in terms of power sharing and dynamic response of the system. The system is tested under unequal output line impedances for DGs, with a step load disturbance applied to Load 3 between 1 and 2 s and test parameters are given in Table 1. The real-time simulation results were obtained using the OPAL-RT OP4510 digital simulator. The experimental verification setup is illustrated in Figure 5; it comprises a host PC operating MATLAB 2022a alongside OPAL-RT OP4510 software, the target platform, and an oscilloscope for analyzing the proposed method. The sampling time for the MPC is taken as T s = 10 μ s, and solver type is fixed-step and discrete-time solver. The comparative analysis between the proposed FCS-MPC integrated with a universal droop controller and the conventional PI-based droop controller is compared and evaluated, considering three different scenarios.

5.1. Case 1: When Line Impedance Is More Resistive in Nature; Z 1 = ( 0.23 + j 0.32 × 10 3 ) Ω , Z 2 = ( 0.23 + j 1.85 × 10 3 ) Ω

The active power response with the conventional controller in Figure 6a shows relatively faster tracking of the load power reference, due to which high overshoot is observed in both DGs. In contrast, the FCS-MPC-based system shown in Figure 6b demonstrates superior dynamic behavior. It exhibits better dynamic response in both DGs with a quick settling time without any overshoots. This is due to the predictive nature of FCS-MPC, which allows it to anticipate future states and generate optimal switching actions, thereby minimizing the effect of line impedance mismatch and enhancing real-time power distribution.
The reactive power response in the PI-controlled system is shown in Figure 7a; it suffers from significant imbalances and prolonged oscillations during dynamic load change. The mismatch in reactive power sharing can lead to voltage imbalance and unnecessary stress on the inverters. Conversely, the FCS-MPC with universal droop control, which is shown in Figure 7b, displays a more coherent and balanced reactive power profile. The transients are better damped, and the reactive power delivered by the DGs is more accurate confirming the controller’s effectiveness in handling the dominant resistive nature of the microgrid.
The voltage profiles shown in Figure 8 further support this observation; the voltage exhibits more fluctuations during transitions and takes a longer time to settle around the nominal voltage of 311 V with PI-controlled system. Moreover, the voltage of DG 1 is maintained around nominal value (311 V), but DG 2 fails to do so and maintains around 314 V, which is shown in Figure 8a. On the other hand, the FCS-MPC system shows significantly improved voltage tracking, with minimal overshoot and a faster return to nominal conditions as shown in Figure 8b. It can be observed that load voltage of both the DGs is maintained well, close to nominal value (311 V), with the proposed controller. This is due to the fact that universal droop controller is integrated with FCS-MPC, which aids in adjusting the voltage references more adaptively, resulting in reducing the voltage deviation during disturbances.
Frequency regulation is another critical metric for the stable operation of microgrids. The PI-based droop controller maintains frequency within acceptable limits as shown in Figure 9a. However, it exhibits more fluctuations under load disturbances. The system temporarily dips or undershoots beyond the desired frequency (49.95 Hz), which can be detrimental under sensitive load conditions. However, the proposed controller maintains a frequency around 50 Hz even at load disturbances. The frequency of DGs is slightly increased by a margin of 0.0002, which reflects the enhanced operation of the proposed controller with minimal deviation and faster stabilization. This can be attributed to the model predictive mechanism, which continuously solves an optimization problem that considers both frequency and power references and ensures better synchronization and dynamic control. The frequency, load voltage, and DC-link voltage results are plotted using an opwrite file from OPAL-RT OP4510 library due to oscilloscope constraints in taking smaller values.
The DC-link voltage regulation for both DGs using the proposed and conventional controller reveals a significant improvement in system performance with the proposed method. The DC-link voltage with conventional controller illustrates considerable overshoot and pronounced oscillations during the startup transient, as well as load disturbances, which are shown in Figure 10a. The PI-controlled system takes longer to settle and suffers from higher voltage ripple throughout the steady-state period, particularly between 1 s and 2 s, indicating sensitivity to disturbances and poorer dynamic performance as shown in the magnified part of Figure 10a. In contrast, the DC-link voltage for both DGs exhibits a sharp initial transient but quickly settles around the reference value (600 V) with minimal oscillations and excellent steady-state stability with the proposed controller, which is shown in Figure 10b. Although, during load disturbance, a small overshoot is observed, it settles quickly and reaches the reference value and the magnified part is shown in Figure 10b. The MPC controller demonstrates fast recovery and smooth voltage tracking, confirming its robustness against load variations and external disturbances. Additionally, the voltage with conventional controller remains less stable compared to the proposed controlled case, which can adversely impact sensitive loads and overall system efficiency.
Therefore, the MPC controller outperforms the PI controller in terms of transient response, voltage settling time, and steady-state ripple minimization. The predictive nature of MPC enables proactive control actions, making it more suitable for maintaining DC-link voltage stability in dynamic microgrid environments.

5.2. Case 2: When Line Impedance Is More Inductive in Nature; Z 1 = ( 0.1 + j 1 ) Ω , Z 2 = ( 0.2 + j 2 ) Ω

To test the performance analysis of the proposed controller, a more inductive transmission line impedance is considered. In a microgrid, if the line impedance between DGs is more inductive in nature, the transfer of active power from the DG to the load is adversely affected. The higher inductive reactance in the line limits the ability of the DG to inject active power into the system. The active power response, shown in Figure 11, reveals that the PI-controlled system experiences a substantial overshoot, peaking during the initial transient period. Additionally, high-frequency oscillations persist during the settling phase, indicating poor damping characteristics. In contrast, the FCS-MPC-based system demonstrates a significantly more stable response. It exhibits a smooth rise in active power, settling quickly within 0.1 s, with minimal overshoot and no oscillations as shown in Figure 11b.
In terms of frequency regulation, depicted in Figure 12, the conventional PI controller shows a noticeable dip, dropping below 49.955 Hz and low-frequency harmonics during the load disturbances. On the other hand, the FCS-MPC controller maintains the frequency response above 50 Hz with both DGS throughout the system operation, which is shown in Figure 12b. This is due to MPC’s predictive optimization, which ensures a more coordinated response among parallel inverters, enabling it to handle the high inductive impedance effectively and ensure frequency stability.
The reactive power performance shown in Figure 13 further distinguishes the PI and FCS-MPC controllers. In the PI controller case, reactive power surges erratically, peaking and then exhibiting a series of oscillations before settling. These oscillations persist even in steady state, indicating the controller’s limited capability in handling dynamic reactive power demands under high line impedance. In contrast, the MPC-controlled system displays a fast-reacting and stable trajectory. It rises with minimal overshoot and settles quickly without noticeable oscillations. At load change instants, the MPC system continues to perform with superior transient rejection and fast settling, showing that it adapts well to dynamic load variations even in the presence of inductive elements in the distribution path.
Figure 14 presents the voltage behavior at the distributed generator. Under the PI-controlled system, the voltage experiences greater fluctuations initially, which is shown in Figure 14a. Although DG 1 maintains a voltage close to the nominal level (311 V), DG 2 fails to do so and settles around 314 V instead. In contrast, the FCS-MPC system demonstrates significantly enhanced voltage tracking performance, as illustrated in Figure 14b, with minimal overshoot and a quicker return to nominal voltage. It is evident that the load voltages of both DGs are effectively maintained close to the nominal value (311 V) when using the proposed controller.
The DC-link voltage regulation for both DGs indicates an improvement in performance with the proposed controller compared to the conventional approach. As shown in Figure 15a, the PI-controlled system exhibits significant overshoot and oscillations during startup and load disturbances, between 1 s and 2 s, as highlighted in the magnified view shown in Figure 15a. In contrast, Figure 15b shows that the proposed controller achieves faster settling around the reference value (600 V), with minimal oscillations and superior steady-state stability. Although no overshoots are observed during load disturbances, it quickly settles, which is shown in the magnified portion of Figure 15b.
The results demonstrate that the FCS-MPC controller provides a robust and efficient control solution for inverter-fed microgrids operating under high transmission line inductance. It surpasses the conventional PI controller in terms of transient response, damping performance, steady-state accuracy, and disturbance rejection. These advantages validate the implementation of FCS-MPC as a more effective alternative to conventional control strategies in modern distributed energy systems.

5.3. Case 3: When Line Impedance Is Capacitive in Nature; C 1 = C 2 = 100 × 10 3 F

The active power response with both DGs is as shown in Figure 16. DG1 with conventional controller shows relatively acceptable behavior, but DG2 becomes unstable during transients, exhibiting extremely large power oscillations, which is illustrated in Figure 16a. In contrast, both DG1 and DG2 exhibit stable and coordinated operation, with smooth responses and negligible overshoot in all variables with proposed controller, which is shown in Figure 16b. The oscillations with a conventional controller not only increase the risk of instability but also place severe stress on the system components. This indicates that PI struggles to maintain stability in a multi-DG environment, while FCS-MPC ensures proper coordination and robust performance for all units.
The frequency response with conventional control DG1 maintains a somewhat acceptable trajectory but DG2 experiences high-frequency oscillations with frequency drops to 48 Hz, leading to instability of the system, which is illustrated in Figure 17a. However, the proposed controller is well maintained around 49.8 Hz with smooth decay, which is depicted in Figure 17b. By comparing both the results, FCS-MPC successfully suppresses frequency deviations in both DGs, avoiding high-frequency oscillations.
The reactive power response with conventional controller is illustrated in Figure 18a. The DG1 maintains a somewhat acceptable trajectory but DG2 experiences high-frequency oscillations, which lead to instability of the system. However, the reactive power with the proposed controller is well maintained, which is depicted in Figure 18b.
The voltage regulation with a conventional controller is depicted in Figure 19a. The DG1 voltage regulation remains acceptable, while DG2 suffers from high-frequency oscillations. However, with proposed controller, both DGs stabilize near their reference voltages (around 311 V), which is shown in Figure 19b. The oscillations with a conventional controller clearly show PI’s inability to maintain coordinated voltage control across multiple DGs, whereas FCS-MPC ensures robust and stable regulation for all DGs.
The DC-link voltage regulation for both DGs indicates an improvement in performance with the proposed controller compared to the conventional approach. As shown in Figure 20a, the PI-controlled system exhibits significant overshoot and oscillations. In contrast, Figure 20b shows that the proposed controller achieves faster settling around the reference value (600V), with minimal oscillations and superior steady-state stability. Although some overshoots are observed, it settles quickly.

5.4. Comparative Analysis

5.4.1. When Line Impedance Has Resistive Character

The active power response with the conventional controller in Figure 21a shows relatively faster tracking of the load power reference due to which high overshoot is observed in both DGs. In contrast, the FCS-MPC-based system shown in Figure 21b demonstrates superior dynamic behavior compared to conventional but both DGs are sharing equal power, which is not realistic. Figure 21c shows the active power with the proposed method. It exhibits better dynamic response and realistic power sharing means DG 1 is sharing more power compared to DG 2. This is due to the predictive nature of FCS-MPC integrating with universal droop controller, which allows it to anticipate future states and generate optimal switching actions, thereby minimizing the effect of line impedance mismatch and enhancing real-time power distribution.
The reactive power response in the PI-controlled system is shown in Figure 22a; it suffers from significant imbalances and prolonged oscillations during dynamic load change. The mismatch in reactive power sharing can lead to voltage imbalance and unnecessary stress on the inverters. The reactive power with FCS-MPC is shown in Figure 22b. The reactive power of DG 1 becomes negative in order to maintain the required voltage. Conversely, the FCS-MPC with universal droop control, which is shown in Figure 22c, displays a more coherent and balanced reactive power profile. The transients are better damped, and the reactive power delivered by the DGs is more accurate confirming the controller’s effectiveness in handling the dominant resistive nature of microgrid.

5.4.2. When Line Impedance Has Inductive Nature

The active power response with the conventional controller in Figure 23a shows relatively faster tracking of the load power reference, due to which high overshoot is observed in both DGs. In contrast, the FCS-MPC and hybrid-based system shown in Figure 23b,c demonstrates superior dynamic behavior. It exhibits better dynamic response in both DGs with a quick settling time without any overshoots. This is due to the predictive nature of FCS-MPC, with UDC allowing it to anticipate future states and generate optimal switching actions, thereby minimizing the effect of line impedance mismatch and enhancing real-time power distribution.
The reactive power performance in Figure 24 highlights the differences among the PI, FCS-MPC, and proposed controllers. With the PI controller, reactive power rises erratically, reaching a peak and then undergoing a sequence of oscillations before settling. These oscillations persist even in steady state, reflecting the controller’s limited ability to manage dynamic reactive power demands under high line impedance, which is depicted in Figure 24a. In contrast, the FCS-MPC-controlled system and proposed method demonstrate a fast and stable response. It increases with minimal overshoot, settles quickly, and shows no significant oscillations, which is shown in Figure 24b,c. During load variations, the proposed method system continues to exhibit strong transient rejection and rapid settling, confirming its robustness in adapting to dynamic load changes despite the presence of inductive elements in the distribution path.

5.4.3. When Line Impedance Has Capacitive Nature

The active power response with the conventional controller in Figure 25a shows relatively faster tracking of the load power reference, due to which high overshoot is observed in both DGs. In contrast, the FCS-MPC and hybrid-based system shown in Figure 25b,c demonstrates superior dynamic behavior but with different power ratings. It exhibits better dynamic response in both DGs with a quick settling time without any overshoots.
The reactive power responses with conventional method and FCS-MPC are shown in Figure 26a,b. In both the methods, reactive power becomes negative to maintain the voltage of the system. In contrast, the proposed method shares positive reactive power because of universal droop parameters, which is shown in Figure 26c.
Overall, the results conclusively demonstrate the superiority of the proposed FCS-MPC combined with the universal droop controller over the conventional PI-based droop control. The predictive controller not only enhances the transient response of the system but also significantly improves steady-state performance across all operational parameters like active power, reactive power, voltage, and frequency. Furthermore, the universal droop strategy allows the FCS-MPC to maintain effective power sharing even in the presence of unequal line impedances, which is a challenge that the traditional PI controller struggles to overcome. It can be observed that the peak overshoot is high with conventional PI-based droop controller when compared to the proposed method.
These improvements are particularly crucial in practical microgrid deployments where real-time performance, fast adaptability to load variations, and robust operation under mismatched conditions. Therefore, the proposed control scheme provides a promising solution for enhancing the reliability, efficiency, and resilience of microgrids, making it well-suited for future distributed energy systems.

6. Discussion

Several additional considerations can strengthen the scope of this study. The lifecycle cost analysis does not account for battery degradation and replacement costs, which are critical for an accurate economic evaluation of energy storage systems. While the introduction briefly mentions traditional control methods, it primarily focuses on droop-based approaches; including optimal control strategies and citing works such as “Managing Massive RES Integration in Hybrid Microgrids: A Data-Driven Quad-Level Approach With Adjustable Conservativeness” would provide stronger contextual grounding [27]. Furthermore, the manuscript provides limited discussion on advanced power sources such as electric vehicle (EV) batteries via vehicle-to-grid (V2G) systems, as well as challenges related to power resiliency, renewable intermittency, and harmonics. Recent studies, such as Sankhwar [28], highlight the impact of EV charging infrastructure on grid performance and should be considered to provide a more comprehensive perspective on modern microgrid integration. Incorporating these points would enhance the completeness and applicability of the proposed framework.

7. Conclusions

This paper presents a comprehensive load power sharing control scheme for inverter-based microgrids using a Finite Control Set Model Predictive Controller (FCS-MPC) in conjunction with a universal droop controller. By explicitly modeling the dynamics of DG sources and inverter stages, the proposed strategy delivers enhanced prediction accuracy and optimal real-time switching actions. The inclusion of the universal droop controller ensures effective power distribution among DGs with unequal line impedances. Comparative simulations confirm that this hybrid approach provides faster transient response, improved voltage and frequency regulation, and more accurate active and reactive power sharing than conventional PI-based droop controllers. Moreover, the results highlight the robustness of the control scheme under dynamic and mismatched operating conditions, validating its applicability for real-world microgrids. The proposed hybrid FCS–MPC with universal droop controller shows improved power sharing and dynamic performance. However, factors such as battery degradation, lifecycle costs, and a formal stability analysis are not covered in this work and will be addressed in future research to enhance the robustness and practical applicability of the strategy in larger microgrid environments.

Author Contributions

Conceptualization, methodology, and validation: D.V., N.K.V., and B.L.; formal analysis: D.V., N.K.V., B.L., R.D., and Ł.K.; data curation: D.V., N.K.V., B.L., R.D., and Ł.K.; writing—original draft preparation: D.V., N.K.V., B.L., R.D., and Ł.K.; review and editing: Ł.K. All authors have read and agreed to the published version of the manuscript.

Funding

This research received no external funding.

Institutional Review Board Statement

Not applicable.

Data Availability Statement

The original contributions presented in this study are included in the article. Further inquiries can be directed to the corresponding author(s).

Conflicts of Interest

The authors declare no conflicts of interest.

References

  1. Zhong, Q.-C. Robust droop controller for accurate proportional load sharing among inverters operated in parallel. IEEE Trans. Ind. Electron. 2013, 60, 1281–1290. [Google Scholar] [CrossRef]
  2. Yao, W.; Chen, M.; Matas, J.; Guerrero, J.; Qian, Z.-M. Design and analysis of the droop control method for parallel inverters considering the impact of the complex impedance on the power sharing. IEEE Trans. Ind. Electron. 2011, 58, 576–588. [Google Scholar] [CrossRef]
  3. Pogaku, N.; Prodanovic, M.; Green, T.C. Modeling, analysis and testing of autonomous operation of an inverter-based microgrid. IEEE Trans. Power Electron. 2007, 22, 613–625. [Google Scholar] [CrossRef]
  4. Guerrero, J.M.; de Vicuna, L.G.; Matas, J.; Castilla, M.; Miret, J. Output impedance design of parallel-connected UPS inverters with wireless load-sharing control. IEEE Trans. Ind. Electron. 2005, 52, 1126–1135. [Google Scholar] [CrossRef]
  5. Brabandere, K.D.; Bolsens, B.; den Keybus, J.V.; Woyte, A.; Driesen, J.; Belmans, R. A voltage and frequency droop control method for parallel inverters. IEEE Trans. Power Electron. 2007, 22, 1107–1115. [Google Scholar] [CrossRef]
  6. Buraimoh, E.; Aluko, A.O.; Oni, O.E.; Davidson, I.E. Decentralized virtual impedance-conventional droop control for power sharing for inverter-based distributed energy resources of a microgrid. Energies 2022, 15, 4439. [Google Scholar] [CrossRef]
  7. Rathnayake, D.B.; Bahrani, B. Multivariable control design for grid forming inverters with decoupled active and reactive power loops. IEEE Trans. Power Electron. 2023, 38, 1635–1649. [Google Scholar] [CrossRef]
  8. Zhang, X.; Zhang, H.; Li, M.; Guo, Z.; Hu, Y.; Chen, Q.; Liu, X.; Li, F. Analysis of dynamic power angle oscillation and its suppression strategy for the droop-controlled grid-connected inverter. IEEE J. Emerg. Sel. Top. Power Electron. 2021, 9, 5718–5731. [Google Scholar] [CrossRef]
  9. Prakash, S.; Nougain, V.; Mishra, S. Adaptive Droop-Based Control for Active Power Sharing in Autonomous Microgrid for Improved Transient Performance. IEEE J. Emerg. Sel. Top. Power Electron. 2021, 9, 3010–3018. [Google Scholar] [CrossRef]
  10. Zhong, Q.C.; Zeng, Y. Universal droop control of inverters with different types of output impedance. IEEE Access 2016, 4, 702–712. [Google Scholar] [CrossRef]
  11. Kumar, V.N.; Parida, S.K. Parameter optimization of universal droop and internal model controller for multi inverter-fed DGs based on accurate small-signal model. IEEE Access 2019, 7, 101928–101940. [Google Scholar] [CrossRef]
  12. Zhong, Q.C.; Ming, W.L.; Zeng, Y. Self-Synchronized Universal Droop Controller. IEEE Access 2016, 4, 7145–7153. [Google Scholar] [CrossRef]
  13. Dong, Y.; Ren, B.; Zhong, Q.-C. Bounded Universal Droop Control to Enable the Operation of Power Inverters Under Some Abnormal Conditions and Maintain Voltage and Frequency Within Predetermined Ranges. IEEE Trans. Ind. Electron. 2022, 69, 11633–11643. [Google Scholar] [CrossRef]
  14. Amin, M.; Zhong, Q.-C. Resynchronization of Distributed Generation Based on the Universal Droop Controller for Seamless Transfer Between Operation Modes. IEEE Trans. Ind. Electron. 2020, 67, 7574–7582. [Google Scholar] [CrossRef]
  15. Joshal, K.S.; Gupta, N. Microgrids with model predictive control: A critical review. Energies 2023, 16, 4851. [Google Scholar] [CrossRef]
  16. Garcia-Torres, F.; Zafra-Cabeza, A.; Silva, C.; Grieu, S.; Darure, T.; Estanqueiro, A. Model predictive control for microgrid functionalities: Review and future challenges. Energies 2021, 14, 1296. [Google Scholar] [CrossRef]
  17. Heins, T.; Joševski, M.; Gurumurthy, S.K.; Monti, A. Centralized model predictive control for transient frequency control in islanded inverter-based microgrids. IEEE Trans. Power Syst. 2022, 38, 2641–2652. [Google Scholar] [CrossRef]
  18. Carnielutti, F.; Aly, M.; Norambuena, M.; Hu, J.; Guerrero, J.; Rodriguez, J. A Master-Slave Model Predictive Control Approach for Microgrid. IEEE Trans. Power Electron. 2025, 40, 540–550. [Google Scholar] [CrossRef]
  19. Poonahela, I.; Krama, A.; Bayhan, S.; Fesli, U.; Shadm, M.B.; Abu-Rub, H.; Begovic, M.M. Hierarchical Model-Predictive Droop Control for Voltage and Frequency Restoration in AC Microgrids. IEEE Open J. Ind. Electron. Soc. 2023, 4, 85–97. [Google Scholar] [CrossRef]
  20. Zhao, Z.; Gong, S.; Yang, Q.; Xie, J.; Luo, X.; Zhang, J.; Ni, Q.; Lai, L.L. An Improved FCS-MPC Strategy for Low-Frequency Oscillation Stabilization of PV-Based Microgrids. IEEE Trans. Sustain. Energy 2023, 14, 2376–2390. [Google Scholar] [CrossRef]
  21. Zhao, Z.; Zhang, Z.; Wang, Y.; Liu, C.; Peng, C.; Lei Lai, L. Decentralized Grid-Forming Control Strategy for PV-Based DC Microgrids Using Finite Control Set Model Predictive Control. IEEE Trans. Smart Grid 2024, 15, 5269–5283. [Google Scholar] [CrossRef]
  22. Olajube, A.; Omiloli, K.; Vedula, S.; Anubi, O.M. Decentralized droop-based finite-control-set model predictive control of inverter-based resources in islanded AC microgrid. IFAC-PapersOnLine 2024, 58, 384–389. [Google Scholar] [CrossRef]
  23. Poonahela, I.; Krama, A.; Bayhan, S.; Abu-Rub, H.; Begovic, M.; Shadmand, M.B. Predictive Voltage and Frequency Restoration for Decentralized FCS-MPC based Droop Controlled DGs in AC Microgrids. In Proceedings of the 2022 3rd International Conference on Smart Grid and Renewable Energy (SGRE), Doha, Qatar, 20–22 March 2022; pp. 1–6. [Google Scholar]
  24. Vimala, D.; Lokeshgupta, B.; Kumar, V.N. A Finite Control Set based Model Predictive Controller for Load Power Sharing Applications in Inverter Fed Microgrids. In Proceedings of the 2025 Fourth International Conference on Power, Control and Computing Technologies (ICPC2T), Raipur, India, 20–22 January 2025; pp. 172–176. [Google Scholar]
  25. Nguyen, T.T.; Yoo, H.J.; Kim, H.M. Application of model predictive control to BESS for microgrid control. Energies 2015, 8, 8798–8813. [Google Scholar] [CrossRef]
  26. Hasan, M.A.; Vemula, N.K.; Devarapalli, R.; Knypiński, Ł. Investigation into PV Inverter Topologies from the Standards Compliance Viewpoint. Energies 2024, 17, 3879. [Google Scholar] [CrossRef]
  27. Liang, Z.; Yin, X.; Chung, C.Y.; Rayeem, S.K.; Chen, X.; Yang, H. Managing Massive RES Integration in Hybrid Microgrids: A Data-Driven Quad-Level Approach With Adjustable Conservativeness. IEEE Trans. Ind. Inform. 2025, 21, 7698–7709. [Google Scholar] [CrossRef]
  28. Sankhwar, P. Suitability of Electric Vehicle Charging Infrastructure and Impact on Power Grid Due to Electrification of Roadway Transportation with Electric Vehicles. SSRN Electron. J. 2025. [Google Scholar] [CrossRef]
Figure 1. Microgrid with parallel DGs.
Figure 1. Microgrid with parallel DGs.
Energies 18 05200 g001
Figure 2. Distributed generator control block diagram with traditional controller.
Figure 2. Distributed generator control block diagram with traditional controller.
Energies 18 05200 g002
Figure 3. Block diagram of proposed model.
Figure 3. Block diagram of proposed model.
Energies 18 05200 g003
Figure 4. Block diagram of universal droop controller.
Figure 4. Block diagram of universal droop controller.
Energies 18 05200 g004
Figure 5. Experimental setup for real time simulation.
Figure 5. Experimental setup for real time simulation.
Energies 18 05200 g005
Figure 6. Active power: (a) with conventional method, and (b) with the proposed method.
Figure 6. Active power: (a) with conventional method, and (b) with the proposed method.
Energies 18 05200 g006
Figure 7. Reactive power: (a) with conventional method, and (b) with the proposed method.
Figure 7. Reactive power: (a) with conventional method, and (b) with the proposed method.
Energies 18 05200 g007
Figure 8. Voltage characteristics: (a) with conventional method, and (b) with the proposed method.
Figure 8. Voltage characteristics: (a) with conventional method, and (b) with the proposed method.
Energies 18 05200 g008
Figure 9. Frequency characteristics: (a) with the conventional method, and (b) with proposed method.
Figure 9. Frequency characteristics: (a) with the conventional method, and (b) with proposed method.
Energies 18 05200 g009
Figure 10. DC-link voltage: (a) with the conventional method, and (b) with proposed method.
Figure 10. DC-link voltage: (a) with the conventional method, and (b) with proposed method.
Energies 18 05200 g010
Figure 11. Active power: (a) with conventional method, and (b) with the proposed method.
Figure 11. Active power: (a) with conventional method, and (b) with the proposed method.
Energies 18 05200 g011
Figure 12. Frequency characteristics: (a) with the conventional method, and (b) with proposed method.
Figure 12. Frequency characteristics: (a) with the conventional method, and (b) with proposed method.
Energies 18 05200 g012
Figure 13. Reactive power (a) with the conventional method, and (b) with proposed method.
Figure 13. Reactive power (a) with the conventional method, and (b) with proposed method.
Energies 18 05200 g013
Figure 14. Voltage characteristics: (a) with the conventional method, and (b) with proposed method.
Figure 14. Voltage characteristics: (a) with the conventional method, and (b) with proposed method.
Energies 18 05200 g014
Figure 15. DC-link voltage: (a) with the conventional method, and (b) with proposed method.
Figure 15. DC-link voltage: (a) with the conventional method, and (b) with proposed method.
Energies 18 05200 g015
Figure 16. Active power: (a) with conventional method, and (b) with the proposed method.
Figure 16. Active power: (a) with conventional method, and (b) with the proposed method.
Energies 18 05200 g016
Figure 17. Frequency characteristics: (a) with the conventional method, and (b) with proposed method.
Figure 17. Frequency characteristics: (a) with the conventional method, and (b) with proposed method.
Energies 18 05200 g017
Figure 18. Reactive power: (a) with the conventional method, and (b) with proposed method.
Figure 18. Reactive power: (a) with the conventional method, and (b) with proposed method.
Energies 18 05200 g018
Figure 19. Voltage characteristics: (a) with the conventional method, and (b) with proposed method.
Figure 19. Voltage characteristics: (a) with the conventional method, and (b) with proposed method.
Energies 18 05200 g019
Figure 20. DC-link voltage: (a) with the conventional method, and (b) with proposed method.
Figure 20. DC-link voltage: (a) with the conventional method, and (b) with proposed method.
Energies 18 05200 g020
Figure 21. Active power: (a) with conventional method, (b) with FCS-MPC method, and (c) with the proposed method.
Figure 21. Active power: (a) with conventional method, (b) with FCS-MPC method, and (c) with the proposed method.
Energies 18 05200 g021
Figure 22. Reactive power: (a) with conventional method, (b) with FCS-MPC method, and (c) with the proposed method.
Figure 22. Reactive power: (a) with conventional method, (b) with FCS-MPC method, and (c) with the proposed method.
Energies 18 05200 g022
Figure 23. Active power: (a) with conventional method, (b) with FCS-MPC method, and (c) with the proposed method.
Figure 23. Active power: (a) with conventional method, (b) with FCS-MPC method, and (c) with the proposed method.
Energies 18 05200 g023
Figure 24. Reactive power: (a) with the conventional method, (b) with FCS-MPC method, and (c) with proposed method.
Figure 24. Reactive power: (a) with the conventional method, (b) with FCS-MPC method, and (c) with proposed method.
Energies 18 05200 g024
Figure 25. Active power: (a) with conventional method, (b) with FCS-MPC method, and (c) with the proposed method.
Figure 25. Active power: (a) with conventional method, (b) with FCS-MPC method, and (c) with the proposed method.
Energies 18 05200 g025
Figure 26. Reactive power: (a) with the conventional method, (b) with FCS-MPC, and (c) with proposed method.
Figure 26. Reactive power: (a) with the conventional method, (b) with FCS-MPC, and (c) with proposed method.
Energies 18 05200 g026
Table 1. Parameter values [3].
Table 1. Parameter values [3].
ParameterValueParameterValue
L 0.00135 HC 5.00 × 10 5 F
V out 600 Vf5 KHz
m p 1 × 10 5 n q 1 × 10 4
K P V 0.0581 K I V 390
K P C 10.5 K I C 1.60 × 10 4
W L 0.00135 W C 5.00 × 10 5
R P 0.02   Ω L P 5.00 × 10 3 H
R b 0.02   Ω L b 1.2 × 10 3 H
C D C 440 × 10 6 F K e 50
Disclaimer/Publisher’s Note: The statements, opinions and data contained in all publications are solely those of the individual author(s) and contributor(s) and not of MDPI and/or the editor(s). MDPI and/or the editor(s) disclaim responsibility for any injury to people or property resulting from any ideas, methods, instructions or products referred to in the content.

Share and Cite

MDPI and ACS Style

Vimala, D.; Vemula, N.K.; Lokeshgupta, B.; Devarapalli, R.; Knypiński, Ł. Hybrid Finite Control Set Model Predictive Control and Universal Droop Control for Enhanced Power Sharing in Inverter-Based Microgrids. Energies 2025, 18, 5200. https://doi.org/10.3390/en18195200

AMA Style

Vimala D, Vemula NK, Lokeshgupta B, Devarapalli R, Knypiński Ł. Hybrid Finite Control Set Model Predictive Control and Universal Droop Control for Enhanced Power Sharing in Inverter-Based Microgrids. Energies. 2025; 18(19):5200. https://doi.org/10.3390/en18195200

Chicago/Turabian Style

Vimala, Devarapalli, Naresh Kumar Vemula, Bhamidi Lokeshgupta, Ramesh Devarapalli, and Łukasz Knypiński. 2025. "Hybrid Finite Control Set Model Predictive Control and Universal Droop Control for Enhanced Power Sharing in Inverter-Based Microgrids" Energies 18, no. 19: 5200. https://doi.org/10.3390/en18195200

APA Style

Vimala, D., Vemula, N. K., Lokeshgupta, B., Devarapalli, R., & Knypiński, Ł. (2025). Hybrid Finite Control Set Model Predictive Control and Universal Droop Control for Enhanced Power Sharing in Inverter-Based Microgrids. Energies, 18(19), 5200. https://doi.org/10.3390/en18195200

Note that from the first issue of 2016, this journal uses article numbers instead of page numbers. See further details here.

Article Metrics

Back to TopTop