Review of Accuracy Assessment Methods for Current Transformers: Errors, Uncertainties, and Dynamic Performance
Abstract
1. Introduction
2. Classification of Current Transformers
3. Classification of Errors in Current Transformers
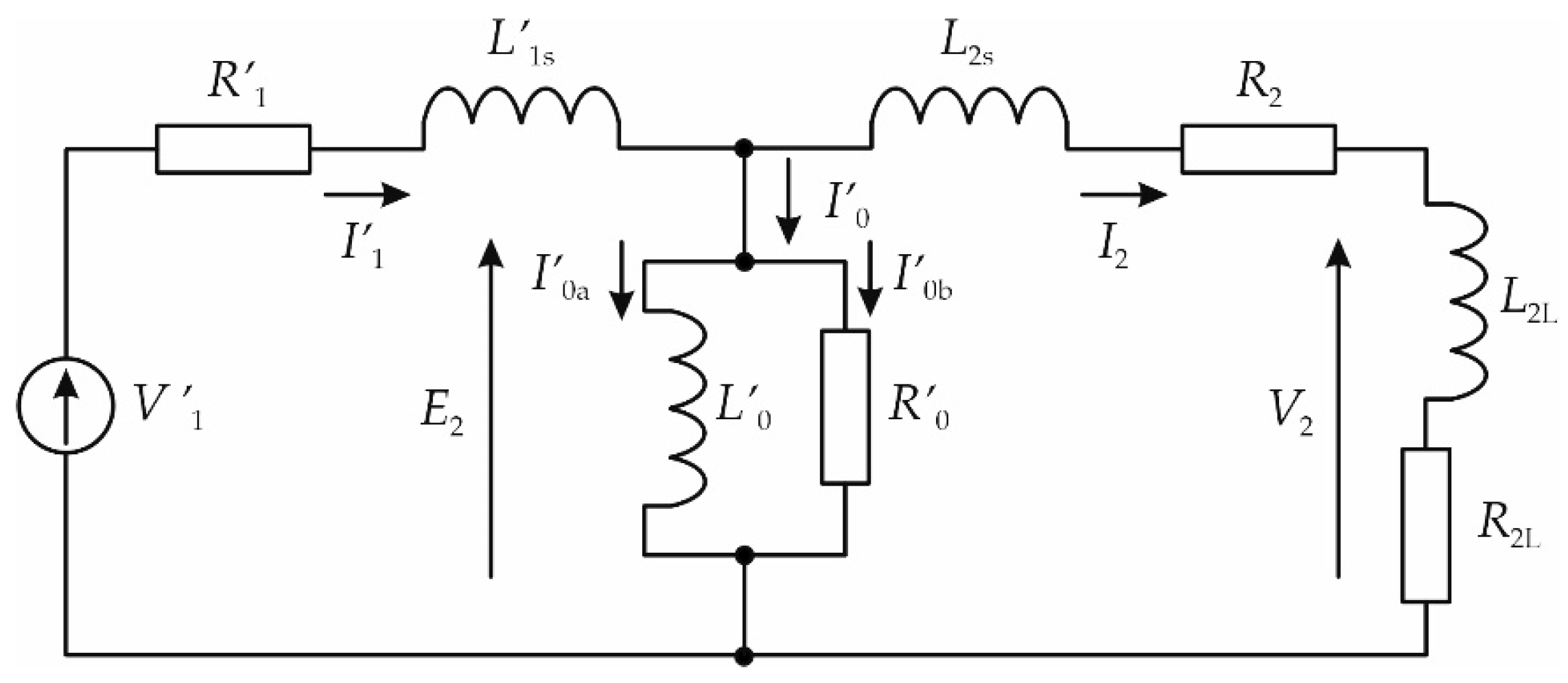
3.1. Nature, Causes, and Classification of CT Errors
3.2. Harmonic Distortion and Its Impact on CT Errors
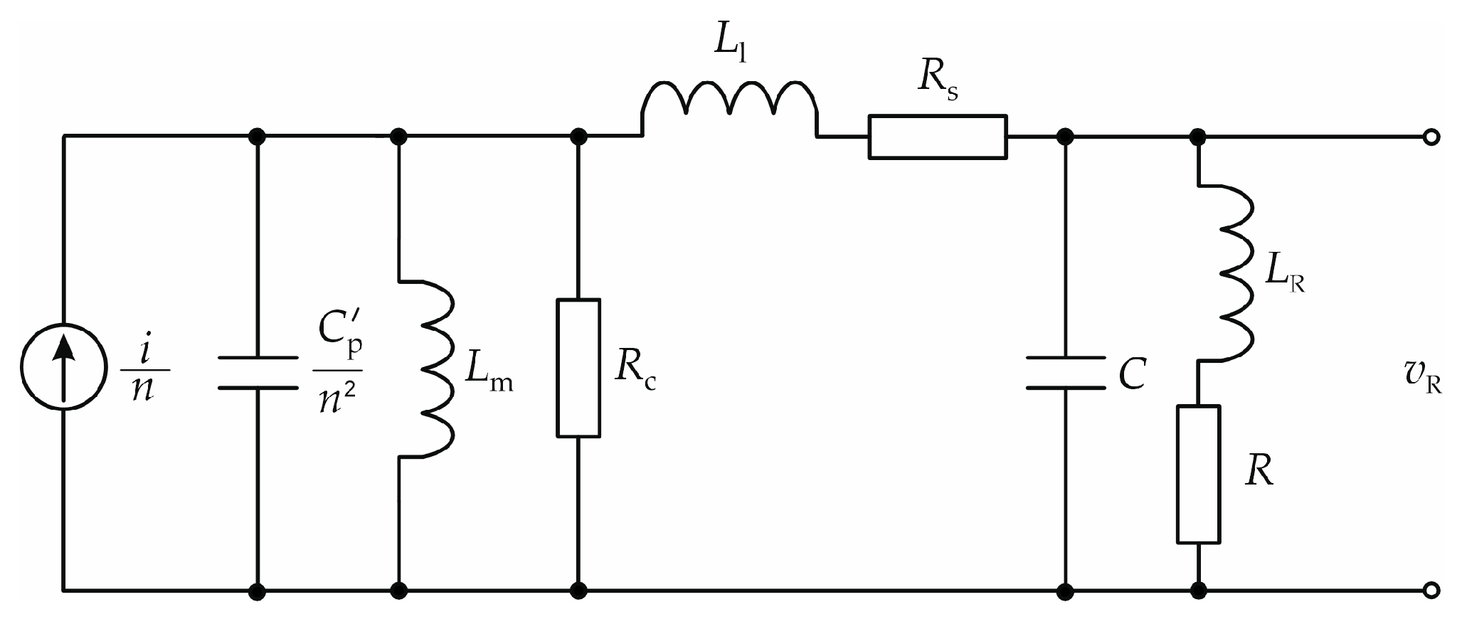
3.3. Frequency-Domain, Modeling, and Bandwidth-Oriented Methodologies
3.4. Alternative Low-Cost Methods
3.5. Static vs. Dynamic Errors in Current Transformers
4. Measurement Uncertainty Analysis
4.1. Metrological Uncertainties
- −
- Uncertainty of the reference transformer;
- −
- Uncertainties related to passive components (such as voltage dividers and shunt resistors) used to adapt the signal to the input of the A/D converter;
- −
- Uncertainties arising from variations in the characteristics of the A/D converter measurement channels;
- −
- −
- Automatic compensation by measuring and accounting for differences when the same signal is applied to both channels;
- −
- Application of signal windowing (e.g., flat-top window) in the FFT algorithm;
- −
- Sampling under near-synchronous conditions (e.g., 256 samples per cycle at 50 Hz);
- −
- Performing multiple repeated measurements and averaging, which allows for the estimation of Type-A uncertainty.
4.2. Environmental and Operational Uncertainties
4.3. Modeling and Data Processing Uncertainties
5. Dynamic Accuracy of Current Transformers
5.1. Correlation Between Static and Dynamic Accuracy
5.2. Mathematical Modeling of Dynamic Accuracy
- −
- The rise time of the measurement signal, which determines the CT’s ability to respond quickly to sudden changes in the primary current;
- −
- Core saturation—once the transformer enters saturation, its ability to accurately reproduce the current drastically decreases;
- −
- Exceeding the rated current value, a key factor in protection applications.
5.3. Indicators for Dynamic Error Evaluation
5.4. Dynamic Models of Non-Conventional CTs
- −
- For OOK signals, the largest errors occur at high current values;
- −
- For M-sequence signals, the highest errors appear at low current values.
5.5. Recent Advances in Dynamic Calibration of Digital CTs
6. Conclusions
Future Directions and Recommendations
- Error characterization and compensation:
- −
- To develop advanced analytical and numerical models that more accurately capture error mechanisms under transient and nonlinear conditions;
- −
- To implement adaptive correction and compensation schemes to minimize systematic and environment-dependent errors in real time.
- Uncertainty quantification:
- −
- To establish comprehensive frameworks for uncertainty analysis that combine laboratory calibration, simulation, and field measurements;
- −
- To integrate dynamic uncertainty estimation into international standards (IEC/IEEE), ensuring consistency across different CT technologies and manufacturers.
- Dynamic accuracy enhancement:
- −
- To investigate the transient and high-frequency performance of CTs using broadband transducers and advanced signal processing techniques;
- −
- To apply machine learning-based methods for monitoring accuracy degradation in real time without reliance on external reference devices.
- System-level reliability and flexibility:
- −
- To explore the role of CT accuracy and uncertainty in power system protection, stability assessment, and flexibility services;
- −
- To develop CT monitoring methods that improve fault detection speed, selectivity, and resilience against disturbances.
- Protection and cybersecurity aspects:
- −
- To assess the impact of measurement errors and uncertainties on the dependability of protection schemes;
- −
- To combine accurate CT monitoring with secure synchronization and communication frameworks, ensuring robustness of protection against both physical and cyber threats.
Author Contributions
Funding
Institutional Review Board Statement
Informed Consent Statement
Data Availability Statement
Conflicts of Interest
References
- Emanuel, A.E.; Orr, J.A. Current Harmonics Measurement by Means of Current Transformers. IEEE Trans. Power Deliv. 2007, 22, 1318–1325. [Google Scholar] [CrossRef]
- Stano, E.; Kaczmarek, P.; Kaczmarek, M. Understanding the Frequency Characteristics of Current Error and Phase Displacement of the Corrected Inductive Current Transformer. Energies 2022, 15, 5436. [Google Scholar] [CrossRef]
- Leśniewska, E.; Rajchert, R. Behaviour of Measuring Current Transformers with Cores Composed from Different Magnetic Materials at Non-Rated Loads and Overcurrents. IET Sci. Meas. Technol. 2019, 13, 1222–1228. [Google Scholar] [CrossRef]
- Pau, M.; Pegoraro, P.A.; Monti, A.; Muscas, C.; Ponci, F.; Sulis, S. Impact of Current and Power Measurements on Distribution System State Estimation Uncertainty. IEEE Trans. Instrum. Meas. 2018, 99, 3992–4002. [Google Scholar] [CrossRef]
- IEEE Standard C57.13-2016; IEEE Standard Requirements for Instrument Transformers. IEEE Power & Energy Society: Piscataway, NJ, USA, 2016.
- IEC 61869-2:2012; Instrument Transformers—Part 2: Additional Requirements for Current Transformers. IEC: Geneva, Switzerland, 2012.
- Tahir, Z.M.; Tahir, T.; Arfan, T.; Asim, A.; Fahad, M.; Rauf, S. Design and Implementation of Prepaid Energy Meter with Home Automation and Peak Load Management Using Android Application. Eng. Proc. 2023, 46, 23. [Google Scholar] [CrossRef]
- Vieira, D.; Shayani, R.A.; De Oliveira, M.A.G. Reactive Power Billing under Nonsinusoidal Conditions for Low-Voltage Systems. IEEE Trans. Instrum. Meas. 2017, 66, 2004–2011. [Google Scholar] [CrossRef]
- Dang, S.; Xiao, Y.; Wang, B.; Zhang, D.; Zhang, B.; Hu, S.; Song, H.; Xu, C.; Cai, Y. A High-Precision Error Calibration Technique for Current Transformers under the Influence of DC Bias. Energies 2023, 16, 7917. [Google Scholar] [CrossRef]
- Duz, F.H.d.S.; Zacarias, T.G.; Ribeiro Junior, R.F.; Steiner, F.M.; Assuncao, F.d.O.; Bonaldi, E.L.; Borges-da-Silva, L.E. Smart Monitoring of Power Transformers in Substation 4.0: Multi-Sensor Integration and Machine Learning Approach. Sensors 2025, 25, 5469. [Google Scholar] [CrossRef]
- ISO/IEC Guide 98-3:2008; Uncertainty of Measurement—Part 3: Guide to the Expression of Uncertainty in Measurement (GUM:1995). International Organization for Standardization/International Electrotechnical Commission: Geneva, Switzerland, 2008.
- Mingotti, A.; Peretto, L.; Tinarelli, R.; Ghaderi, A. Uncertainty Analysis of a Test Bed for Calibrating Voltage Transformers vs. Temperature. Sensors 2019, 19, 4472. [Google Scholar] [CrossRef]
- Kojovic, L.J.A. Comparative Performance Characteristics of Current Transformers and Rogowski Coils Used for Protective Relaying Purposes. In Proceedings of the IEEE Power Engineering Society General Meeting, Tampa, FL, USA, 24–28 June 2007; 1–6. [Google Scholar] [CrossRef]
- You, H.; Gan, M.; Duan, D.; Zhao, C.; Lv, F.; Yuan, J. Approach of Obtaining the Error of Current Transformers through the Measurement of Turns Correction Factor and Impedance. Sens. Actuators A Phys. 2024, 376, 115566. [Google Scholar] [CrossRef]
- Verhelst, B.; Rens, S.; Rens, J.; Knockaert, J.; Desmet, J. On the Remote Calibration of Instrumentation Transformers: Influence of Temperature. Energies 2023, 16, 4744. [Google Scholar] [CrossRef]
- León-Martínez, V.; Peñalvo-López, E.; Andrada-Monrós, C.; Sáiz-Jiménez, J.Á. Load Losses and Short-Circuit Resistances of Distribution Transformers According to IEEE Standard C57.110. Inventions 2023, 8, 154. [Google Scholar] [CrossRef]
- IEC 60044-1; Instrument Transformers—Part 1: Current Transformers. International Electrotechnical Commission: Geneva, Switzerland, 1996; Amendments 1 (2000), 2 (2002).
- Dirik, H.; Duran, I.U.; Gezegin, C. A Computation and Metering Method for Harmonic Emissions of Individual Consumers. IEEE Trans. Instrum. Meas. 2019, 68, 412–420. [Google Scholar] [CrossRef]
- Kaczmarek, M. Inductive Current Transformer Accuracy of Transformation for the PQ Measurements. Electr. Power Syst. Res. 2017, 150, 169–176. [Google Scholar] [CrossRef]
- Rönnberg, S.; Bollen, M. Power Quality Issues in the Electric Power System of the Future. Electr. J. 2016, 29, 49–61. [Google Scholar] [CrossRef]
- Cristaldi, L.; Faifer, M.; Laurano, C.; Ottoboni, R.; Toscani, S.; Zanoni, M. A Low-Cost Generator for Testing and Calibrating Current Transformers. IEEE Trans. Instrum. Meas. 2019, 68, 2792–2799. [Google Scholar] [CrossRef]
- Faifer, M.; Laurano, C.; Ottoboni, R.; Toscani, S. Low-Cost High-Performance Generator for Testing Current Transformers Based on Frequency-Domain Feedback. In Proceedings of the IEEE 13th International Workshop on Applied Measurements for Power Systems (AMPS), Caserta, Italy, 18–20 September 2024; pp. 1–6. [Google Scholar] [CrossRef]
- Ballal, M.S.; Wath, M.G.; Suryawanshi, H.M. A Novel Approach for the Error Correction of CT in the Presence of Harmonic Distortion. IEEE Trans. Instrum. Meas. 2019, 68, 4015–4027. [Google Scholar] [CrossRef]
- Stano, E.; Kaczmarek, M. A Practical Approach to Evaluation of Accuracy of Inductive Current Transformer for Transformation of Distorted Current Higher Harmonics. Electr. Power Syst. Res. 2015, 119, 258–265. [Google Scholar] [CrossRef]
- Stano, E.; Kaczmarek, M. Wideband Self-Calibration Method of Inductive CTs and Verification of Determined Values of Current and Phase Errors at Harmonics for Transformation of Distorted Current. Sensors 2020, 20, 2167. [Google Scholar] [CrossRef]
- Kaczmarek, M.; Stano, E. Proposal for extension of routine tests of the inductive current transformers to evaluation of transformation accuracy of higher harmonics. Int. J. Electr. Power Energy Syst. 2019, 113, 842–849. [Google Scholar] [CrossRef]
- Salah, O.; Atwa, E. Practical Power System and Protective Relays Commissioning; Elsevier Inc.: Amsterdam, The Netherlands, 2019; ISBN 978-0-12-816858-5. [Google Scholar] [CrossRef]
- Kaczmarek, M.; Pacholczyk, B. Development of Inductive Current Transformer 400/5/1 of Class 0.2S for Frequency Range 50 Hz–5 kHz. Sensors 2024, 24, 8011. [Google Scholar] [CrossRef] [PubMed]
- Burgund, D.; Nikolovski, S. Comparison of Functionality of Non-Conventional Instrument Transformers and Conventional Current Transformers in Distribution Networks. In Proceedings of the International Conference on Smart Systems and Technologies, Osijek, Croatia, 19–21 October 2022; IEEE: New York, NY, USA, 2022; pp. 55–60. [Google Scholar] [CrossRef]
- Wang, Y.; Li, J.; Hu, Y.; An, R.; Cai, Z.; He, R. Analysis on the Transfer Characteristics of Rogowski-coil Current Transformer and Its Influence on Protective Relaying. Energy Power Eng. 2013, 5, 1324–1329. [Google Scholar] [CrossRef]
- Ramboz, J.D. Machinable Rogowski Coil, Design, and Calibration. IEEE Trans. Instrum. Meas. 1996, 45, 511–515. [Google Scholar] [CrossRef]
- Frigo, G.; Agustoni, M. Calibration of a Digital Current Transformer Measuring Bridge: Metrological Challenges and Uncertainty Contributions. Metrology 2021, 1, 93–106. [Google Scholar] [CrossRef]
- IEC 61850; Communication Networks and Systems for Power Utility Automation. International Electrotechnical Commission: Geneva, Switzerland, 2004.
- Ponomarev, S.V.; Trapeznikova, E.S. Combined Digital Current and Voltage Transformer for Medium Voltage Networks. In Proceedings of the 25th International Conference of Young Professionals in Electron Devices and Materials (EDM), Altai, Russia, 5 August 2024; IEEE: Piscataway, NJ, USA, 2024; pp. 1520–1524. [Google Scholar] [CrossRef]
- Djokić, B.V.; Parks, H.; Wise, N.; Naumović-Vuković, D.; Škundrić, S.P.; Žigić, A.D. A Comparison of Two Current Transformer Calibration Systems at NRC Canada. IEEE Trans. Instrum. Meas. 2016, 66, 1628–1635. [Google Scholar] [CrossRef]
- Kaczmarek, M.; Kaczmarek, P.; Stano, E. The Reference Wideband Inductive Current Transformer. Energies 2023, 16, 7307. [Google Scholar] [CrossRef]
- Mohns, E.; Roeissle, G.; Fricke, S.; Pauling, F. An AC Current Transformer Standard Measuring System for Power Frequencies. IEEE Trans. Instrum. Meas. 2017, 66, 1433–1440. [Google Scholar] [CrossRef]
- Brandolini, A.; Faifer, M.; Ottoboni, R. A Simple Method for the Calibration of Traditional and Electronic Measurement Current and Voltage Transformers. IEEE Trans. Instrum. Meas. 2009, 58, 1345–1353. [Google Scholar] [CrossRef]
- Altin, N.; Sefa, İ. dSPACE Based Adaptive Neuro-Fuzzy Controller of Grid Interactive Inverter. Energy Convers. Manag. 2012, 56, 130–139. [Google Scholar] [CrossRef]
- Chen, H.; Qian, Z.; Liu, C.; Wu, J.; Li, W.; He, X. Time-Multiplexed Self-Powered Wireless Current Sensor for Power Transmission Lines. Energies 2021, 14, 1561. [Google Scholar] [CrossRef]
- Kondrath, N.; Kazimierczuk, M.K. Bandwidth of Current Transformers. IEEE Trans. Instrum. Meas. 2009, 58, 2008–2016. [Google Scholar] [CrossRef]
- Zhang, B.W. A Theoretical Study on the Transfer Impedance of a Plane Current Probe. Appl. Mech. Mater. 2011, 63–64, 673–677. [Google Scholar] [CrossRef]
- Marjanović, M.; Ilić, S.D.; Veljković, S.; Mitrović, N.; Gurer, U.; Yilmaz, O.; Kahraman, A.; Aktag, A.; Karacali, H.; Budak, E.; et al. The SPICE Modeling of a Radiation Sensor Based on a MOSFET with a Dielectric HfO2/SiO2 Double-Layer. Sensors 2025, 25, 546. [Google Scholar] [CrossRef]
- Dashti, H. Discriminating Transformer Large Inrush Currents from Fault Currents. Int. J. Electr. Power Energy Syst. 2016, 75, 74–82. [Google Scholar] [CrossRef]
- Solovev, D.B. Instrument Current Transducer for Measurements in Asymmetrical Conditions in Three-Phase Circuits with Upper Harmonics. Int. J. Electr. Power Energy Syst. 2017, 84, 195–201. [Google Scholar] [CrossRef]
- Chojowski, M.; Baszyński, M.; Sosnowski, R.; Dziadecki, A. High-Frequency Current Transformers Cascade for Power Electronics Measurements. Sensors 2022, 22, 5846. [Google Scholar] [CrossRef] [PubMed]
- Kaczmarek, M.; Kaczmarek, P. Comparison of the Wideband Power Sources Used to Supply Step-Up Current Transformers for Generation of Distorted Currents. Energies 2020, 13, 1849. [Google Scholar] [CrossRef]
- Zhong, M.; Tong, X.; Liu, X. A New Fast PWM Modulation Strategy for Power Electric Converter Based on Finite Set State Machine Theory. Energy Rep. 2023, 9, 90–96. [Google Scholar] [CrossRef]
- Bauer, J.; Ripka, P.; Draxler, K.; Styblikova, R. Demagnetization of Current Transformers Using PWM Burden. IEEE Trans. Magn. 2015, 51, 1–4. [Google Scholar] [CrossRef]
- Brodecki, D.; Stano, E.; Andrychowicz, M.; Kaczmarek, P. EMC of Wideband Power Sources. Energies 2021, 14, 1457. [Google Scholar] [CrossRef]
- IEC 61326-1; Electrical Equipment for Measurement, Control and Laboratory Use—EMC Requirements—Part 1: General Requirements. International Electrotechnical Commission: Geneva, Switzerland, 2020.
- Zajec, P. Current Ratio and Stability Issues of Electronically Enhanced Current Transformer Stimulated by Stray Inter-Winding Capacitance and Secondary-Side Disturbance Voltage. Sensors 2022, 22, 7565. [Google Scholar] [CrossRef]
- Mahtani, K.; Guerrero, J.M.; Platero, C.A. Improved Instantaneous Current Value-Based Protection Methods for Faulty Synchronizations of Synchronous Generators. Electronics 2024, 13, 4747. [Google Scholar] [CrossRef]
- Cataliotti, A.; Cosentino, V.; Crotti, G.; Delle Femine, A.; Di Cara, D.; Gallo, D.; Giordano, D.; Landi, C.; Luiso, M.; Modarres, M.; et al. Compensation of Nonlinearity of Voltage and Current Instrument Transformers. IEEE Trans. Instrum. Meas. 2018, 68, 1322–1332. [Google Scholar] [CrossRef]
- Stano, E.; Kaczmarek, M. Analytical Method to Determine the Values of Current Error and Phase Displacement of Inductive Current Transformers during Transformation of Distorted Currents Higher Harmonics. Measurement 2022, 200, 111664. [Google Scholar] [CrossRef]
- Rom, M.; van den Brom, H.E.; Houtzager, E.; van Leeuwen, R.; van der Born, D.; Rietveld, G.; Muñoz, F. Measurement System for Current Transformer Calibration from 50 Hz to 150 kHz Using a Wideband Power Analyzer. Sensors 2025, 25, 5429. [Google Scholar] [CrossRef]
- Shaikh, M.S.; Lin, H.; Xie, S.; Dong, X.; Lin, Y.; Shiva, C.K.; Mbasso, W.F. An Intelligent Hybrid Grey Wolf–Particle Swarm Optimizer for Optimization in Complex Engineering Design Problem. Sci. Rep. 2025, 15, 18313. [Google Scholar] [CrossRef]
- Abdulhakeem, R.M.; Kircay, A.; Antar, R.K. Renewable Power Energy Management for Single and Three-Phase Inverters Design. Energy Rep. 2024, 12, 3096–3113. [Google Scholar] [CrossRef]
- Azizi, A.; Akhbari, M.; Danyali, S.; Tohidinejad, Z.; Shirkhani, M. A Review on Topology and Control Strategies of High-Power Inverters in Large-Scale Photovoltaic Power Plants. Heliyon 2025, 11, e42334. [Google Scholar] [CrossRef]
- Chen, L.; Li, X.; Yang, L. An Online Method for the Accuracy Level Evaluation of the Phasor Measurement Units. Int. J. Electr. Power Energy Syst. 2024, 156, 109763. [Google Scholar] [CrossRef]
- IEC/IEEE 60255-118-1; Measuring Relays and Protection Equipment—Part 118-1: Synchrophasor for Power Systems—Measurements. International Electrotechnical Commission: Geneva, Switzerland; Institute of Electrical and Electronics Engineers: New York, NY, USA, 2018.
- Mohsenian-Rad, H.; Kezunovic, M.; Rahmatian, F. Synchro-Waveforms in Wide-Area Monitoring, Control, and Protection: Real-World Examples and Future Opportunities. IEEE Power Energy Mag. 2025, 23, 69–80. [Google Scholar] [CrossRef]
- Oinonen, M.; Morsi, W.G. Real-Time Detection of Insider Attacks on Substation Automation Systems Using Short Length Orthogonal Wavelet Filters and OPAL-RT. Int. J. Electr. Power Energy Syst. 2024, 162, 110311. [Google Scholar] [CrossRef]
- Almasabi, S.; Alsuwian, T.; Awais, M.; Irfan, M.; Jalalah, M.; Aljafari, B.; Harraz, F.A. False Data Injection Detection for Phasor Measurement Units. Sensors 2022, 22, 3146. [Google Scholar] [CrossRef] [PubMed]
- Hu, H.; Xu, K.; Zhang, X.; Li, F.; Zhu, L.; Xu, R.; Li, D. Research on Predictive Maintenance Methods for Current Transformers with Iron Core Structures. Electronics 2025, 14, 625. [Google Scholar] [CrossRef]
- Dolinar, M.; Štumberger, G.; Polajžer, B.; Dolinar, D. Determining the Magnetically Nonlinear Characteristics of a Three Phase Core-Type Power Transformer. J. Magn. Magn. Mater. 2006, 304, 813–815. [Google Scholar] [CrossRef]
- Li, Z.; Chen, X.; Wu, L.; Ahmed, A.-S.; Wang, T.; Zhang, Y.; Li, H.; Li, Z.; Xu, Y.; Tong, Y. Error Analysis of Air-Core Coil Current Transformer Based on Stacking Model Fusion. Energies 2021, 14, 1912. [Google Scholar] [CrossRef]
- Januário, M.; Kuo-Peng, P.; Batistela, N.J. Modelling of the Impedance Frequency Response of Transformers at No Load and under Nominal Conditions. IET Electr. Power Appl. 2015, 9, 412. [Google Scholar] [CrossRef]
- Majorkowska-Mech, D.; Cariow, A. Some FFT Algorithms for Small-Length Real-Valued Sequences. Appl. Sci. 2022, 12, 4700. [Google Scholar] [CrossRef]
- Fox, S.; Collins, R.; Boxall, J. Traditional Leakage Models for Leakage Modelling: Effective or Not? Procedia Eng. 2015, 119, 35–42. [Google Scholar] [CrossRef][Green Version]
- Zhu, Q.; Su, Y. A Non-inductive Coil Design Used to Provide High-Frequency and Large Currents. Sensors 2024, 24, 2027. [Google Scholar] [CrossRef]
- Malepe, L.; Ndungu, P.; Ndinteh, T.D.; Mamo, M.A. An In-Situ FTIR-LCR Meter Technique to Study the Sensing Mechanism of MnO2ZIF-8/CNPs and a Direct Relationship between the Sensitivity of the Sensors and the Rate of Surface Reaction. Results Phys. 2023, 52, 106864. [Google Scholar] [CrossRef]
- Inácio, P.M.C.; Guerra, R.; Stallinga, P. An Ultra-Low-Cost RCL-Meter. Sensors 2022, 22, 2227. [Google Scholar] [CrossRef] [PubMed]
- Wan, C.; Zhou, Z.; Li, S.; Ding, Y.; Xu, Z.; Yang, Z.; Xia, Y.; Yin, F. Development of a Bridge Management System Based on the Building Information Modeling Technology. Sustainability 2019, 11, 4583. [Google Scholar] [CrossRef]
- Wang, X.; Li, H.; Liu, H.; Ding, X.; Wang, J.; Zhao, P.; Jiang, H. High-Precision, Wide-Ratio, Self-Balancing Current Comparator. Sensors 2025, 25, 5289. [Google Scholar] [CrossRef] [PubMed]
- Kaczmarek, M.; Stano, E. New Approach to Evaluate the Transformation Accuracy of Inductive CTs for Distorted Current. Energies 2023, 16, 3026. [Google Scholar] [CrossRef]
- Tiliouine, I.; Leventoux, Y.; Orlianges, J.-C.; Crunteanu, A.; Froidevaux, M.; Merdji, H.; Février, S. High-Harmonic Generation in an Optical Fiber Functionalized with Zinc Oxide Thin Films. Photonics 2025, 12, 82. [Google Scholar] [CrossRef]
- Naumovic-Vukovic, D.; Skundric, S. Contribution to the calibration of current transformers with a rated secondary current of less than 1A. Meas. Sens. 2025, 38, 101428. [Google Scholar] [CrossRef]
- Cultrera, A.; Germito, G.; Serazio, D.; Galliana, F.; Trinchera, B.; Aprile, G.; Chirulli, M.; Callegaro, L. Active Energy Meters Tested in Realistic Non-Sinusoidal Conditions Recorded on the Field and Reproduced in Laboratory. Energies 2024, 17, 1403. [Google Scholar] [CrossRef]
- Fahad, M.; Shahid, A.; Manumachu, R.R.; Lastovetsky, A. A Comparative Study of Methods for Measurement of Energy of Computing. Energies 2019, 12, 2204. [Google Scholar] [CrossRef]
- Li, L.; Huang, H.; Zhao, F.; Gao, M.; Liu, Z.; Sutherland, J.W. Power Measurement in Energy Efficient Manufacturing: Accuracy Analysis, Challenges, and Perspectives for Improvement. Procedia CIRP 2019, 80, 138–143. [Google Scholar] [CrossRef]
- Veselý, T.; Smrčka, P.; Kliment, R.; Vítězník, M.; Hon, Z.; Hána, K. Accuracy Improvement of Energy Expenditure Estimation Through Neural Networks: A Pilot Study. AI 2024, 5, 2914–2925. [Google Scholar] [CrossRef]
- Faifer, M.; Laurano, C.; Ottoboni, R.; Toscani, S. A New Method to Represent the Harmonic Measurement Accuracy of Current Transformers. IEEE Trans. Instrum. Meas. 2024, 73, 9001611. [Google Scholar] [CrossRef]
- Sidorov, D.; Tynda, A.; Muratov, V.; Yanitsky, E. Volterra Black-Box Models Identification Methods: Direct Collocation vs. Least Squares. Mathematics 2024, 12, 227. [Google Scholar] [CrossRef]
- Aboites, V.; Bravo-Avilés, J.F.; García-López, J.H.; Jaimes-Reategui, R.; Huerta-Cuellar, G. Interpretation and Dynamics of the Lotka–Volterra Model in the Description of a Three-Level Laser. Photonics 2022, 9, 16. [Google Scholar] [CrossRef]
- Chen, K.S.; Lin, K.P.; Yan, J.X.; Hsieh, W.L. Renewable Power Output Forecasting Using Least-Squares Support Vector Regression and Google Data. Sustainability 2019, 11, 3009. [Google Scholar] [CrossRef]
- Kim, S.; Kim, Y.J.; Choi, S. The Development of a MATLAB/Simulink-SCADA/EMS-Integrated Framework for Microgrid Pre-Validation. Energies 2025, 18, 2739. [Google Scholar] [CrossRef]
- Ochkov, V.; Vasileva, I.; Orlov, K.; Chudova, J.; Tikhonov, A. Visualization in Mathematical Packages When Teaching with Information Technologies. Mathematics 2022, 10, 3413. [Google Scholar] [CrossRef]
- Leśniewska, E. Influence of the Selection of the Core Shape and Winding Arrangement on the Accuracy of Current Transformers with Through-Going Primary Cable. Energies 2021, 14, 1932. [Google Scholar] [CrossRef]
- Chaves, T.R.; Martins, M.A.I.; Martins, K.A.; de Macedo, A.F.; de Francisci, S. Application Study in the Field of Solutions for the Monitoring Distribution Transformers of the Overhead Power Grid. Energies 2021, 14, 6072. [Google Scholar] [CrossRef]
- Teng, J.; Wang, S.; Jiang, L.; Xie, W.; Fang, C.; Liu, S. An Online Self-Correction Method to Improve Accuracy of Split-Core Current Transformer in Low-Voltage Distribution Networks. Measurement 2022, 195, 111052. [Google Scholar] [CrossRef]
- Hong, Y. Measurement Analysis of Three Phase Intelligent Electricity Meter Based on Nonlinear Load. Meas. Sens. 2024, 33, 101215. [Google Scholar] [CrossRef]
- Jing, Z.; Gong, Y.; Cai, H.; Tang, H. Research on the Three-Dimensional Electromagnetic Positioning Method Based on Spectrum Line Interpolation. Electronics 2023, 12, 3988. [Google Scholar] [CrossRef]
- De Gersem, H.; Hameyer, K.; Weiland, T. Field–Circuit Coupled Models in Electromagnetic Simulation. J. Comput. Appl. Math. 2004, 168, 125–133. [Google Scholar] [CrossRef]
- Kaczmarek, M.; Kaczmarek, P.; Stano, E. The Performance of the High-Current Transformer during Operation in the Wide Frequencies Range. Energies 2022, 15, 7208. [Google Scholar] [CrossRef]
- Isaiev, V.; Velychko, O. Metrological Characterisation of Current Transformers Calibration Unit for Accurate Measurement. Acta IMEKO 2021, 10, 6–13. [Google Scholar] [CrossRef]
- Dong, B.; Gu, Y.; Gao, C.; Zhang, Z.; Wen, T.; Li, K. Three-Dimensional Electro-Thermal Analysis of a New Type Current Transformer Design for Power Distribution Networks. Energies 2021, 14, 1792. [Google Scholar] [CrossRef]
- Wang, J.; He, J.; Chen, X.; Tian, T.; Yao, C.; Abu-Siada, A. Power Transformer Short-Circuit Force Calculation Using Three and Two-Dimensional Finite-Element Analysis. Energies 2025, 18, 3898. [Google Scholar] [CrossRef]
- Bonavolontà, F.; Liccardo, A.; Mottola, F.; Proto, D. Real-Time Monitoring of Energy Contributions in Renewable Energy Communities Through an IoT Measurement System. Sensors 2025, 25, 1402. [Google Scholar] [CrossRef]
- Din, J.; Su, H. Blockchain-Enabled Smart Grids for Optimized Electrical Billing and Peer-to-Peer Energy Trading. Energies 2024, 17, 5744. [Google Scholar] [CrossRef]
- Samanta, S.; Yang, B.; Seo, G.-S. Stability Analysis of Power Systems with High Penetration of State-of-the-Art Inverter Technologies. Energies 2025, 18, 3645. [Google Scholar] [CrossRef]
- Ribas Monteiro, L.F.; Rodrigues, Y.R.; Zambroni de Souza, A.C. Cybersecurity in Cyber–Physical Power Systems. Energies 2023, 16, 4556. [Google Scholar] [CrossRef]
- Ikwuagwu, C.V.; Ajah, S.A. Estimated Energy Consumption and Billing Modelling Using Power Availability Recorder. e-Prime—Adv. Electr. Eng. Electron. Energy. 2023, 6, 100307. [Google Scholar] [CrossRef]
- Agustoni, M.; Frigo, G. Characterization of Sampled Value Streams in Non Real-Time Calibration Systems. Energies 2022, 15, 3245. [Google Scholar] [CrossRef]
- Li, T.; Liu, Q.; Zheng, F.; Chen, Y.; Li, Z. Online Evaluation of Error State of Current Transformer Based on Data Analysis. Scalable Comput. Pract. Exp. 2025, 26, 1317–1325. [Google Scholar] [CrossRef]
- Agustoni, M.; Castello, P.; Frigo, G. Phasor Measurement Unit With Digital Inputs: Synchronization and Interoperability Issues. IEEE Trans. Instrum. Meas. 2022, 71, 5501910. [Google Scholar] [CrossRef]
- Fan, X.; Guo, X.; Wang, B.; Wu, B.; Ma, X.; Lu, L. Research on Current Transformer Error Verification System Based on Digital Comparison Method. In Proceedings of the 2024 8th International Conference on Electrical, Mechanical and Computer Engineering (ICEMCE), Xi’an, China, 25–27 October 2024; IEEE: New York, NY, USA, 2024. [Google Scholar] [CrossRef]
- Kuhlmann de Canaviri, L.; Meiszl, K.; Hussein, V.; Abbassi, P.; Mirraziroudsari, S.D.; Hake, L.; Potthast, T.; Ratert, F.; Schulten, T.; Silberbach, M.; et al. Static and Dynamic Accuracy and Occlusion Robustness of SteamVR Tracking 2.0 in Multi-Base Station Setups. Sensors 2023, 23, 725. [Google Scholar] [CrossRef] [PubMed]
- Bertuletti, S.; Cereatti, A.; Comotti, D.; Caldara, M.; Della Croce, U. Static and Dynamic Accuracy of an Innovative Miniaturized Wearable Platform for Short Range Distance Measurements for Human Movement Applications. Sensors 2017, 17, 1492. [Google Scholar] [CrossRef] [PubMed]
- Burgund, D.; Nikolovski, S.; Galić, D.; Maravić, N. Pearson Correlation in Determination of Quality of Current Transformers. Sensors 2023, 23, 2704. [Google Scholar] [CrossRef]
- Wang, S. Application of Dynamic Accuracy Evaluation for Press Systems Based on Orthogonal Design Method. MethodsX 2024, 12, 102568. [Google Scholar] [CrossRef]
- Aihara, T.; Kamio, C.; Hara, Y.; Ito, K.; Jujo, K. Dynamic Accuracy Measurement System for Mechanical Wristwatch. Precis. Eng. 2021, 70, 117–123. [Google Scholar] [CrossRef]
- Tomczyk, K.; Beńko, P.; Ostrowska, K. Maximum Energy Density for Evaluation of the Dynamic Accuracy of LVDT Sensors Applied in the Energy Industry. Energies 2024, 17, 5525. [Google Scholar] [CrossRef]
- Dichev, D.; Diakov, D.; Zhelezarov, I.; Valkov, S.; Ormanova, M.; Dicheva, R.; Kupriyanov, O. A Method for Correction of Dynamic Errors When Measuring Flat Surfaces. Sensors 2024, 24, 5154. [Google Scholar] [CrossRef] [PubMed]
- Wang, X.; Wang, J.; Yuan, R.; Jiang, Z. Dynamic Error Testing Method of Electricity Meters by a Pseudo Random Distorted Test Signal. Appl. Energy 2019, 249, 67–78. [Google Scholar] [CrossRef]
- Layer, E. Modelling of Simplified Dynamical Systems; Springer: Berlin, Germany, 2002; ISBN 978-3642560989. [Google Scholar]
- Tomczyk, K. Procedure Proposal for Establishing the Class of Dynamic Accuracy for Measurement Sensors Using Simulation Signals with One Constraint. Measurement 2021, 178, 109367. [Google Scholar] [CrossRef]
- Tomczyk, K.; Kowalczyk, M. Assessment of uncertainties when determining the upper bound on the dynamic error in the measurement of cutting forces. Measurement 2025, 249, 116997. [Google Scholar] [CrossRef]
- Tomczyk, K.; Piekarczyk, M.; Sokal, G. Radial Basis Functions Intended to Determine the Upper Bound of Absolute Dynamic Error at the Output of Voltage-Mode Accelerometers. Sensors 2019, 19, 4154. [Google Scholar] [CrossRef]
- Verma, B.; Padhy, P.K. Integral-Square-Error Based Normalized Relative Gain Array for the Input-Output Pairing and Equivalent Transfer Function Design of MIMO Processes. IETE J. Res. 2021, 69, 5975–5985. [Google Scholar] [CrossRef]
- Solovev, D.B.; Gorkavyy, M.A. Current Transformers: Transfer Functions, Frequency Response, and Static Measurement Error. In Proceedings of the 2019 International Science and Technology Conference EastConf, Vladivostok, Russia, 20–21 September 2019; IEEE: New York, NY, USA, 2019; pp. 1–7. [Google Scholar] [CrossRef]
- Yu, W.; Shen, H.; Hu, D.; Ni, S.; Wu, C.; Lu, X. Modeling and Transfer Characteristics Simulation Analysis of Electronic Current Transformers. J. Phys. Conf. Ser. 2024, 2903, 012012. [Google Scholar] [CrossRef]
- Koul, S. Comprehensive Overview of Current Transformer. Int. J. Eng. Res. Technol. 2024, 1–10. Available online: https://www.ijert.org (accessed on 1 October 2024).
- Li, X. Mathematical Model for Current Transformer Based On Jiles-Atherton Theory and Saturation Detection Method. Master’s Thesis, University of Kentucky, Lexington, KY, USA, 2016; pp. 1–85. [Google Scholar] [CrossRef]
- Stojčić, B. Current Distribution in the Low-Voltage Winding of the Furnace Transformer. Int. J. Electr. Power Energy Syst. 2012, 43, 1251–1258. [Google Scholar] [CrossRef]
- Theodoridis, S.; Chellappa, R. Academic Press Library in Signal Processing: Signal Processing Theory and Machine Learning; Academic Press: Cambridge, MA, USA, 2013; ISBN 978-012-39-7226-2. [Google Scholar] [CrossRef]
- Gómez, P.; Uribe, F.A. The Numerical Laplace Transform: An Accurate Technique for Analyzing Electromagnetic Transients on Power System Devices. Int. J. Electr. Power Energy Syst. 2009, 31, 116–123. [Google Scholar] [CrossRef]
- Hasheminejad, S. A New Protection Method for the Power Transformers Using Teager Energy Operator and a Fluctuation Identifier Index. Electr. Power Syst. Res. 2022, 213, 108776. [Google Scholar] [CrossRef]
- Corsi, S. Voltage Control and Protection in Electrical Power Systems: From System Components to Wide-Area Control; Springer: Berlin/Heidelberg, Germany, 2015; ISBN 978-1-4471-6635-1. [Google Scholar] [CrossRef]
- May, L.; Farzaneh, N.; Das, O.; Abel, J.S. Comparison of Impulse Response Generation Methods for a Simple Shoebox-Shaped Room. Acoustics 2025, 7, 56. [Google Scholar] [CrossRef]
- Cataliotti, A.; Di Cara, D.; Nuccio, S. Frequency Response of Measurement Current Transformers. In Proceedings of the 2008 IEEE Instrumentation and Measurement Technology Conference (IMTC), Victoria, BC, Canada, 12–15 May 2008. [Google Scholar] [CrossRef]
- Hu, H.; Xu, Y.; Wu, X.; Lin, F.; Xiao, X.; Lei, M. Passive-compensation clamp-on two-stage current transformer for online calibration. IET Sci. Meas. Technol. 2021, 15, 730–737. [Google Scholar] [CrossRef]
- Zhao, J.; Zhou, J.; Zhang, L.; Sun, J. State Space Representation of Jiles–Atherton Hysteresis Model and Application for Closed-Loop Control. Materials 2024, 17, 3695. [Google Scholar] [CrossRef]
- Regan, A.; Wilson, J.; Peyton, A.J. Extension to the Jiles—Atherton Hysteresis Model Using Gaussian Distributed Parameters for Quenched and Tempered Engineering Steels. Sensors 2025, 25, 1328. [Google Scholar] [CrossRef]
- Xue, G.; Bai, H.; Li, T.; Ren, Z.; Liu, X.; Lu, C. Numerical Solving Method for Jiles-Atherton Model and Influence Analysis of the Initial Magnetic Field on Hysteresis. Mathematics 2022, 10, 4431. [Google Scholar] [CrossRef]
- Noshad, B. Dynamic Analysis of a Current Transformer during Electrical Faults. Int. J. Adv. Innov. Res. 2014, 3, 270–273. [Google Scholar]
- Xue, R.; Wang, X.; Wang, J.; Qiu, L.; Li, B.; Cao, M. The Dynamic Error Analysis of the Current Transformer. In Proceedings of the 23rd IMEKO TC4 International Symposium—Electrical & Electronic Measurements Promote Industry 4.0, Xi’an, China, 17–20 September 2019. [Google Scholar]
- Tümay, M.; Simpson, R.R.S.; El-Khatroushi, H. Dynamic Model of a Current Transformer. Int. J. Electr. Eng. Educ. 2000, 37, 247–258. [Google Scholar] [CrossRef]
- Song, H.; Hu, L. Dynamic Measurement Error Detection Method of High Voltage Current Transformer Based on Reinforcement Learning. In Proceedings of the 2021 International Conference on Wireless Communications and Smart Grid (ICWCSG), Guilin, China, 20–22 August 2021; IEEE: Piscataway, NJ, USA, 2021. [Google Scholar] [CrossRef]
- Maringolo, I.; Carvalho, A.Z.; Rocha, D.L. Simple multi-signal calibrations exploiting flow analysis systems. Talanta 2024, 272, 125787. [Google Scholar] [CrossRef] [PubMed]
- Xu, W.; Ji, X.; Zhu, R. Covert Communication Scheme for OOK in Asymmetric Noise Systems. Sensors 2025, 25, 2948. [Google Scholar] [CrossRef] [PubMed]
- Song, X.; Wang, X.; Dong, Z.; Zhao, X.; Feng, X. Analysis of Pseudo-Random Sequence Correlation Identification Parameters and Anti-Noise Performance. Energies 2018, 11, 2586. [Google Scholar] [CrossRef]
- Cai, Z.; Wang, Y.; Zhang, D.; Wen, L.; Liu, H.; Xiong, Z.; Wajid, K.; Feng, R. Digital Twin Modeling for Hydropower System Based on Radio Frequency Identification Data Collection. Electronics 2024, 13, 2576. [Google Scholar] [CrossRef]
- Yang, K.; Feng, Z.; Niu, P.; Song, Z.; Meng, J. Fast impedance measurement method for large capacity batteries using chirp and filtered pseudo-random binary sequence. J. Power Sources 2024, 624, 235587. [Google Scholar] [CrossRef]
- Wei, J.; Chammam, A.; Feng, J.; Alshammari, A.; Tehranian, K.; Innab, N.; Deebani, W.; Shutaywi, M. Power system monitoring for electrical disturbances in wide network using machine learning. Sustain. Comput. Inform. Syst. 2024, 42, 100959. [Google Scholar] [CrossRef]
- Shakya, A.K.; Pillai, G.; Chakrabarty, S. Reinforcement Learning Algorithms: A Brief Survey. Expert Syst. Appl. 2023, 231, 120495. [Google Scholar] [CrossRef]
- Mienye, I.D.; Swart, T.G. A Comprehensive Review of Deep Learning: Architectures, Recent Advances, and Applications. Information 2024, 15, 755. [Google Scholar] [CrossRef]
- IEC/IEEE 61850-9-2:2011+AMD1:2020; Communication Networks and Systems for Power Utility Automation—Part 9-2: Specific Communication Service Mapping (SCSM)—Sampled Values over ISO/IEC 8802-3. IEC/IEEE: Geneva, Switzerland, 2020.
- Li, Z.; Du, Y.; Abu-Siada, A.; Li, Z.; Zhang, T. A New Online Temperature Compensation Technique for Electronic Instrument Transformers. IEEE Access 2019, 7, 97614–97623. [Google Scholar] [CrossRef]
- Frigo, G.; Agustoni, M. Phasor Measurement Unit and Sampled Values: Measurement and Implementation Challenges. In Proceedings of the 2021 IEEE 11th International Workshop on Applied Measurements for Power Systems (AMPS), Cagliari, Italy, 29 September–1 October 2021; pp. 1–6. [Google Scholar] [CrossRef]






| CT Type | Advantages (Dynamic Conditions) | Disadvantages (Dynamic Conditions) | Typical Application Boundaries |
|---|---|---|---|
| Conventional CTs | Mature technology; high accuracy in steady state; robust insulation; cost-effective | Core saturation under fault transients; limited bandwidth; increased ratio error under harmonic conditions | Suitable for steady-state measurement and basic protection; less reliable in transient-rich smart grids |
| Non-Conventional CTs (Optical, Hybrid) | Wide dynamic range; immune to magnetic saturation; high accuracy under harmonics | Sensitive to temperature and optical alignment; higher cost; complex installation | Advanced protection and measurement in grids with high harmonic distortion |
| Rogowski Coils | Very wide bandwidth; linear response; lightweight; no magnetic core (no saturation) | Require integration circuits (sensitive to drift and noise); less accurate at low frequencies; susceptible to electromagnetic interference (EMI) | Fault transient detection; power quality monitoring; wideband current measurement |
| Digital CTs | Direct digital output; flexible signal processing; easy integration with smart grid systems | Latency due to A/D conversion; dependence on electronic stability; higher cost | Smart grid protection; renewable integration; synchrophasor measurement |
| Error Type | Nature | Underlying Cause(s) | Classification (Per Practice/IEC) | Methodologies (Literature) and Major Contributions |
|---|---|---|---|---|
| Ratio Error | Deviation from the nominal transformation ratio | Magnetizing current; core nonlinearity; leakage flux; burden | Systematic; class-dependent (IEC 61869-2) | Comparative calibration with reference CTs; NRC/PTB systems [31,32,33]: very low differences; active differential measurement; broadband reference CT up to 3 kHz |
| Phase Displacement | Phase difference between the primary and secondary currents | Core magnetization curve, leakage reactance | Systematic; frequency-dependent | Comparative/ampere-turns; FFT-based harmonic extraction [18,19,34] |
| Composite/Harmonic Errors | Distortion of amplitude and phase of individual harmonics | Core nonlinearity, saturation, stray capacitance, load nonlinearity | Nonlinear/systematic; harmonic-indexed | FFT-based per-harmonic assessment and ANN correction [20]; composite error metrics [21] |
| Bandwidth-Related Errors | Attenuation and phase lag vs. frequency | Finite , capacitances, and resistances | Frequency-response limitation | Equivalent circuit together with parasitic elements; analytical bandwidth derivation and experimental validation [37,38,39] |
| Calibration Method | Reported Maximum Accuracy | Applicable CT Accuracy Classes | Key Limitations |
|---|---|---|---|
| Comparative Method (IEC 61869-2 [35,36,37]) | ±0.05% (for ratio error), ±0.1′ (for phase displacement) | 0.1, 0.2, 0.5 | Requires expensive reference CT; high-current source needed |
| FFT-Based Methods ([24]) | ±0.1% (for ratio error), ±0.3′ (for phase displacement) | 0.2, 0.5 | Limited to CTs with uniform winding; sensitive to operating point |
| Self-Calibration Methods ([25,26]) | ±0.1% (for ratio error), ±0.2′ (for phase displacement) | 0.2, 0.5 | Insufficient accuracy for class-0.1 CTs; relies on excitation current modeling |
| Impedance-Based Method ([14]) | 0.0048% (for ratio error), 0.14′ (for phase displacement) | 0.1, 0.2 | Results depend strongly on the resolution of the measuring instruments; less field-proven |
| Methodology | Main Idea | Strengths | Limitations | Literature and Notable Results |
|---|---|---|---|---|
| High-Current Harmonic Generators | Generate large, controllable, distorted currents | Realistic emulation; controlled phase | Costly; complex; accuracy depends on burden | Works [21,22,38] (including the frequency-domain feedback in [22]) |
| FFT-Based ANN Correction | Use the FFT of the secondary current as features for an ANN | High correction capability; supports multiple cores | Cost of the dSPACE platform | Phase displacement errors presented in [23] |
| Composite Per-Harmonic Metrics | Define , and | Per-harmonic insight; no reference CT | Assumes measurement chain precision; uniform windings preferred | Solutions developed in [24,25,26] |
| Methodology | Modeling/ Measurement Focus | Advantages | Limitations | Literature and Contribution |
|---|---|---|---|---|
| Equivalent Circuit with Parasitic Effects Included | Transresistance bandwidth via , and | Predictive design; experimentally validated | Requires accurate parameter identification | Works [21,26,30,41] (analytical transresistance; bandwidth formulae, and corresponding validation) |
| FFT-Based Per-Harmonic Characterization | The secondary current FFT | Field-deployable diagnostics | Sensitive to shunt calibration | Works [24,25,26] |
| Self-Calibration via Excitation/Impedance | Wide-frequency impedance of the secondary | No high-current source; standards-consistent error bounds | Operating-point sensitivity | Work [25] (comparison with the ampere-turns method) |
| Methodology | Equipment | Accuracy/ Notable Results | Advantages | Limitations | Literature |
|---|---|---|---|---|---|
| Secondary Harmonic Excitation | Low-voltage source and measurement | to for ratio error, ±0.02° to ±0.3° for phase displacement at 5 kHz | No high-current source; per-harmonic errors | If only sinusoidal current is present, the benefit is reduced | Work [55] |
| Impedance and Turns Correction | Millivoltmeter and impedance meter | 0.0048% for ratio error, 0.14′ for phase displacement at rated current | Low hardware cost | Emphasizes sinusoidal regime; needs careful calibration | Work [14] |
| Year | Reference | Error Type Addressed | Methodology | Key Contribution |
|---|---|---|---|---|
| 2022 | [55] | Harmonics/excitation | Nonlinear core excitation analysis | Harmonic-specific ratio and phase displacement determination without high-current source |
| 2022 | [46] | High-frequency measurement accuracy | Cascade connection of HFCTs (High-Frequency Current Transformers) | Extended bandwidth and reduced sensor size/weight for fast transient current measurements in power electronics |
| 2023 | [36] | Harmonics/broadband | Broadband reference inductive CT | Accurate CT measurements up to 3 kHz |
| 2023 | [9] | Ratio/phase under DC bias | RFC-based saturation classification | Two-stage reconstruction of primary current under DC bias; accurate ratio/phase displacement correction meeting 0.2 S class requirements |
| 2024 | [22] | Harmonic distortion | Frequency-domain feedback in generator | Improved accuracy of distorted current generation for CT testing |
| 2025 | [56] | Ratio/phase (wideband 50 Hz–150 kHz) | Sampling ammeter (precision power analyzer) | CT calibration system with quantified uncertainties |
| 2025 | [57] | Parameter estimation and optimization | Hybrid Grey Wolf–Particle Swarm Optimizer (GWO–PSO) | Proposes an advanced swarm intelligence algorithm for optimization in complex engineering design; can be applicable to CT parameter estimation and error correction |
| Uncertainty Type | Source | Test Conditions | Impact on Accuracy | Estimation Methodology | References |
|---|---|---|---|---|---|
| Ratio Error | Imperfect transformation ratio, magnetic core loss | Steady-state sinusoidal currents | Direct % deviation in current measurement | Comparative method with reference CTs; GUM-based error propagation | [6,34,36] |
| Phase Displacement | Flux leakage, magnetizing current | Rated current, sinusoidal excitation | Incorrect phase angle, affects power/energy measurements | Phase comparator methods; FFT-based estimation | [6,24,37] |
| Burden Effect | Load impedance on secondary | Different burdens applied | Changes ratio error and phase displacement | Optimization of secondary load; impedance matching | [25,41] |
| Accuracy Class Limitation | CT class (0.1, 0.2, 0.5, etc.) | Laboratory calibration | IEC comparative calibration, harmonic analysis | [6,26] |
| Uncertainty Type | Source | Test Conditions | Impact on Accuracy | Estimation Methodology | References |
|---|---|---|---|---|---|
| Temperature Effect | Core nonlinearity varies with temperature | –20 °C to +60 °C | Phase displacement and ratio error shift | Temperature-compensated core materials, correction factors | [44,45,51] |
| Humidity and Aging | Moisture ingress, insulation degradation | Long-term operation | Increases leakage currents, deteriorates accuracy | Protective coatings, periodic recalibration | [25,47] |
| Electromagnetic Interference | External EMI coupling | Distorted network conditions | Noise superimposed on secondary current | Shielding, filtering | [50] |
| Load Impedance Variability | Secondary wiring length, connected devices | Field installations | Affects ratio error and phase displacement | Burden optimization, self-calibration | [25,41] |
| Uncertainty Type | Source | Test Conditions | Impact on Accuracy | Estimation Methodology | References |
|---|---|---|---|---|---|
| Equivalent Circuit Simplification | Neglect of parasitic elements | High-frequency harmonics | Underestimated bandwidth limitations | Extended equivalent models with parasitic effects included | [41,42] |
| FFT Resolution | Limited frequency resolution | Non-sinusoidal currents | Leakage between harmonic bins | Higher-resolution FFT, windowing | [24,26] |
| ANN Generalization | Dependence on training data | Variable network conditions | Poor prediction for unseen patterns | Larger training datasets, hybrid ANN–physical models | [23,39] |
| Numerical Propagation | Uncertainty propagation in GUM | All conditions | Accumulation of computational errors | Monte Carlo methods, interval analysis | [19,20] |
| Uncertainty Source | Type (A/B) | Typical Contribution | Remarks |
|---|---|---|---|
| Reference CT Calibration | B | 0.02% | Traceability to national standards; negligible drift |
| Measurement Equipment (Digitizers, Shunts) | B | 0.01% | Includes calibration uncertainty of shunts |
| Core Nonlinearity and Hysteresis | B | 0.05% | Strongly dependent on flux density; increases at higher harmonics |
| Ambient Temperature Variation (±10 °C) | B | 0.03% | Affects winding resistance and burden; cross-influence with load |
| Load Impedance Tolerance (±5%) | B | 0.04% | Impacts phase displacement; larger for inductive burdens |
| Statistical Repeatability of Measurements | A | 0.01% | Based on the standard deviation of repeated measurements |
| Year | Focus Area | Methodology/ Approach | Real-Time Application Context | References |
|---|---|---|---|---|
| 2021 | Split-core CT design | 3D electromagnetic field modeling for error/uncertainty reduction | Enhancing accuracy of compact CTs in practical installations | [89] |
| 2022 | Split-core CT self-correction | Online self-correction of split-core CTs | Field-deployable accuracy improvement under distorted conditions | [91] |
| 2022 | Digital CT calibration and sampled-value performance | Characterization of IEC 61850-9-2 sampled-value streams (latency, stability) | Ensuring fidelity and interoperability in digital substations | [95] |
| 2021 | Calibration and metrology | Digital CT measuring bridge calibration; uncertainty budget | Precision accuracy verification for CTs in operational grids | [32] |
| 2022, 2024 | Digital CT calibration | Sampled-value integration and comparison methods (IEC 61850-9-2); device interoperability | Online assessment and interoperability in digital substations | [33,104,105,106] |
| 2024 | Wide dynamic CT calibration | Dual spectral-line interpolation with Nuttall windowing | 0.1% verification accuracy | [107] |
| 2025 | Advanced error tracking | PCA-based online evaluation of CT error states | Real-time error deterioration detection in converter stations | [105] |
| Static Parameter | Expected Effect on Dynamic Response | Typical Dynamic Error Outcome | References |
|---|---|---|---|
| High Magnetizing Inductance | Delays onset of core saturation | Lower dynamic ratio error | [13,19,24] |
| Low Knee-Point Voltage | Faster core saturation under fault | Higher transient error | [20,25,53] |
| High Excitation Current | Increased waveform distortion | Phase displacement increase | [19,26,45,52] |
| Large Core Losses | Increased distortion due to hysteresis and eddy losses | Reduced bandwidth, phase displacement, harmonic-rich secondary signal | [24,41,42] |
| Indicator | Definition | Advantages | Disadvantages | Typical Applications | References |
|---|---|---|---|---|---|
| Peak Error | Maximum instantaneous deviation during transient | Directly relevant to worst-case CT behavior in faults | Sensitive to noise and outliers; may overestimate significance | Protection relays; fault current monitoring | [115,136] |
| Integral Square Error (ISE) | Integral of squared deviation over time | Captures cumulative distortion; suitable for modeling | Less intuitive for operational engineers; requires full waveform data | Benchmarking CT models; research on transient CT behavior | [119,120,133] |
| Energy Error | Deviation in measured vs. actual energy over interval | Directly relates to billing accuracy; easy to interpret | Ignores instantaneous distortions important in protection | Energy measurement, revenue CT applications | [19,115,137,138] |
| Composite Error Indices | Hybrid metrics (e.g., combining peak and RMS error) | Provides balanced view; adaptable | More complex to compute; less standardized | Smart grid applications, mixed-use CTs | [137,139] |
| Year | Method | Standard | Key Features | Benefits | References |
|---|---|---|---|---|---|
| 2021–2022 | Metrological calibration of digital CT measuring bridges | Laboratory (synchronous analog–digital) | Uncertainty budget; synchronization of analog and IEC 61850 SV outputs | Benchmark for online/dynamic calibration infrastructures | [32,104] |
| 2020–2022 | IEC 61850-9-2 SV-based calibrator characterization | Smart grid test platform | SV latency and publishing-rate stability; synch analog and SV generation | Seamless IED/SCADA integration for online assessment | [105,107,149, 150] |
| 2019 | Online temperature compensation for electronic instrument transformers | Electronic instrument transformers | Real-time thermal drift correction | Improved field accuracy and stability | [149] |
| 2025 | PCA-based online evaluation of CT error state | Converter station (three CTs at the same point) | Residual-subspace Q-statistics; contribution plots | Real-time detection of error deterioration without standard references | [105] |
| 2021–2022 | PMU and SV integration for digital substations | IEC 61850-90-5/IEC 61850-9-2 | PMU on digital inputs; mapping PMU data to IEC 61850 | Dynamic performance tracking in WAMS | [106,150] |
| 2024 | Verification method for combined digital CT/VT (CDCVT) (VT—Voltage Transformer) | IEC 61850-9-2 SV; GPS/PTP time synchronization | End-to-end verification; interoperability tests with IEDs/meters | Practical deployment readiness | [33] |
| 2024 | Digital comparison method calibrator for wide dynamic CT | Harmonic-rich/AC–DC mixed conditions | Dual spectral-line interpolation with Nuttall windowing | 0.1% verification accuracy for complex signals | [107] |
Disclaimer/Publisher’s Note: The statements, opinions and data contained in all publications are solely those of the individual author(s) and contributor(s) and not of MDPI and/or the editor(s). MDPI and/or the editor(s) disclaim responsibility for any injury to people or property resulting from any ideas, methods, instructions or products referred to in the content. |
© 2025 by the authors. Licensee MDPI, Basel, Switzerland. This article is an open access article distributed under the terms and conditions of the Creative Commons Attribution (CC BY) license (https://creativecommons.org/licenses/by/4.0/).
Share and Cite
Tomczyk, K.; Sieja, M.; Ostrowska, K.; Owczarek, D. Review of Accuracy Assessment Methods for Current Transformers: Errors, Uncertainties, and Dynamic Performance. Energies 2025, 18, 4995. https://doi.org/10.3390/en18184995
Tomczyk K, Sieja M, Ostrowska K, Owczarek D. Review of Accuracy Assessment Methods for Current Transformers: Errors, Uncertainties, and Dynamic Performance. Energies. 2025; 18(18):4995. https://doi.org/10.3390/en18184995
Chicago/Turabian StyleTomczyk, Krzysztof, Marek Sieja, Ksenia Ostrowska, and Danuta Owczarek. 2025. "Review of Accuracy Assessment Methods for Current Transformers: Errors, Uncertainties, and Dynamic Performance" Energies 18, no. 18: 4995. https://doi.org/10.3390/en18184995
APA StyleTomczyk, K., Sieja, M., Ostrowska, K., & Owczarek, D. (2025). Review of Accuracy Assessment Methods for Current Transformers: Errors, Uncertainties, and Dynamic Performance. Energies, 18(18), 4995. https://doi.org/10.3390/en18184995
