Next Article in Journal
Simulation and Finite Element Analysis of the Electrical Contact Characteristics of Closing Resistors Under Dynamic Closing Impacts
Previous Article in Journal
Optimization of Grid-Connected and Off-Grid Hybrid Energy Systems for a Greenhouse Facility
Previous Article in Special Issue
Selective Extraction and Hydrotreatment of Biocrude from Sewage Sludge: Toward High-Yield, Alkane-Rich, Low-Heteroatom Biofuels
 
 
Font Type:
Arial Georgia Verdana
Font Size:
Aa Aa Aa
Line Spacing:
Column Width:
Background:
Article

Development of Process Configurations and Simulation of Biofuel Production

Department of Chemistry and Chemical Engineering, Royal Military College of Canada, Kingston, ON K7K 7B4, Canada
*
Author to whom correspondence should be addressed.
Energies 2025, 18(17), 4713; https://doi.org/10.3390/en18174713
Submission received: 21 July 2025 / Revised: 29 August 2025 / Accepted: 2 September 2025 / Published: 4 September 2025

Abstract

The production of biobutanol from lignocellulosic biomass is a promising route toward sustainable biofuels, but current research is limited due to the use of commercial simulation tools, incomplete process modeling, and insufficient variation in available feedstock. The current work addresses these gaps by developing and evaluating a complete process simulation for biobutanol production using the open-source software DWSIM. A process flow diagram was established based on a comprehensive literature review, and relevant experimental data were collected to guide simulation inputs and validate results. Six process configurations were developed, using dilute acid and autohydrolysis as pretreatment methods, and assessed based on parameters such as feedstock composition, conversion efficiency, and enzymatic hydrolysis performance. Simulation results show that DWSIM effectively models key stages of biobutanol production and accommodates variations in pretreatment and hydrolysis conditions. Processing solid fractions of pretreated biomass yields higher biobutanol concentrations than using liquid prehydrolysate alone, and the efficiency of enzymatic hydrolysis strongly influences the final output. This work demonstrates that DWSIM is a viable platform for simulating biofuel processes and offers a flexible, cost-effective alternative for early-stage process development, followed by process design with implications for future biorefinery integration and technology scaling.

1. Introduction

The petrochemical industry extensively relies on fossil fuels as raw materials for products like polyester, epoxy, commodities and fuels [1]. However, petroleum refining is an energy-intensive process with significant environmental impacts [2]. Additionally, the dependence on fossil fuel poses energy security concerns. Many countries, including those with significant energy needs, rely on petroleum imports [3].
Utilizing renewable carbon resources as an alternative energy source reduces dependence on fossil fuels and stabilizes greenhouse gas (GHG) levels [4]. There is an increased focus on using biomass to produce sustainable bioproducts such as chemicals and energy. Biomass is a renewable feedstock that can be sourced from various agricultural and forestry resources, dedicated energy crops, and waste residues [5]. Liquid biofuels have been increasingly integrated into the fuel mix for transportation due to their ability to reduce dependence on fossil fuels, lower exhaust emissions, and support local agriculture [6].
Lignocellulosic biomass (LCB), a second-generation biomass that does not compete with food cultivation, is abundant, and is considered carbon dioxide neutral. LCB is a significant energy source besides coal, petroleum, and natural gas [7]. The cellulose and hemicellulose components of LCB serve as substrates for various products such as xylitol, furfural, ethanol, butanol, and acetone, to name a few. Moreover, employing biomass as a raw material for bio-products and biofuel production reduces the costs related to fossil fuel import since biomass can often be grown domestically [8]. Therefore, converting lignocellulosic biomass to biofuel could alleviate both environmental and economic concerns.
Biobutanol is a promising candidate to be used as a drop-in liquid fuel due to its compatibility with gasoline. However, the current biobutanol production relies mainly on edible sources as substrates, contributing to 60–70% of the biofuel production cost [9]. The use of lignocellulosic material can improve the economic feasibility of biobutanol production. However, several challenges must be addressed, including inhibitor formation in the production process, high energy requirements for product separation and economic viability [10].
Process simulation is an effective tool to predict scale-up based on laboratory data [11]. Moreover, the cost-efficiency of computer simulations in providing deep insights towards process design development, analysis, and optimization makes them particularly attractive [12,13]. While process simulation is commonly used in biobutanol process development, many studies rely on commercial software such as Aspen Plus to model the biochemical production of biofuels [14,15,16,17]. However, the accessibility and cost-free nature of open-source software make it an attractive alternative, especially for small companies, to incorporate simulations effectively. In addition, open-source simulations enable preliminary studies of pilot plant behavior without the necessity of conducting experiments, resulting in a substantial reduction in experimental costs [18,19,20,21]. Examples of open-source simulators include DWSIM, COCO, and ASCEND. The software package can be downloaded on a user’s computer without requiring the purchase of a license. The relevance of open-source platforms was heightened during the pandemic and they are currently showing increased utilization. In addition, open-source simulation software can yield results comparable to those obtained with commercial simulators. For example, Tangsriwong et al. compared simulation results obtained from DWSIM and Aspen Plus in the context of offshore petroleum production processes, finding consistency with real plant data [22]. Similarly, Nayak et al. conducted simulations using OpenModelica and compared the outcomes with data obtained from DWSIM and Aspen Plus [23]. Their findings show agreement with various chemical processes, including methanol–water distillation, ethylene glycol production from ethylene oxide and water, and esterification of acetic acid.
In this study, the biobutanol production process was simulated with the chemical process simulator DWSIM version 7.3.2, aligning with previous studies performed at a laboratory scale. Daniel Wagner Oliveira de Medeiros has developed DWSIM [24]. The software can be downloaded for free and is compatible with various platforms such as Windows, Linux, macOS, Android, and IOS. To the author’s knowledge, no previous study has modeled biobutanol production using the open-source simulator DWSIM.
The objective of this study is to investigate the feasibility of process modeling for biobutanol production from lignocellulosic materials using the open-source simulator DWSIM. Additionally, this work aims to evaluate different process configurations based on feedstock composition and pretreatment method, and to compare biobutanol yield across various feedstocks.

2. Materials and Methods

2.1. Biobutanol Process Description

A literature review was first conducted to establish a flow diagram outlining the main steps involved in the bioconversion of LCB into butanol. Relevant experimental data was also gathered from literature focusing on a variety of LCB, autohydrolysis or dilute acid pretreatment methods, conversion rates in hydrolysis and fermentation steps and the need to model the complete biobutanol production process. The collected data were then used to develop different process configurations.
The biobutanol production process involves the following steps: (1) pretreatment of biomass feedstock; (2) separation of the pretreated liquid and solid; (3) detoxification to minimize the effect of inhibitors on the subsequent steps; (4) enzymatic hydrolysis to convert polysaccharides into monomeric sugars; (5) fermentation to metabolize sugars into acetone-butanol-ethanol (ABE), acids, and gas; and (6) distillation to recover butanol. Subsequently, a simulation model was developed based on the main steps and was validated using experimental data from the literature.

2.2. Simulation Development

In this study, the biobutanol production process was simulated with DWSIM used on a Windows system.

2.2.1. Compound Selection and Creation in DWSIM

As shown in Table 1, not all compounds required to simulate the biobutanol production process are available in the software database. The development of the simulation began with the creation of absent compounds. These compounds were created using information from PubChem [25] and UNIFAC group assignments from the Dortmund Data Bank [26].
A key focus of the simulation was to illustrate the conversion of glucose and xylose to biobutanol, given that they constitute the major sugar units in cellulose and hemicellulose, respectively. Glucose-oligosaccharide (glucolig) and xylose-oligosaccharide (xylolig) were integrated to simulate the generation of polysaccharides during the pretreatment and subsequent conversion of these polymers into monomeric sugars in the enzymatic hydrolysis step. Additionally, soluble lignin was included to represent inhibitory compounds derived from lignin.

2.2.2. Data Collection

During the data collection phase, specific information was extracted from the literature including: (i) feedstock composition; (ii) operating conditions for pretreatment; (iii) prehydrolysate sugar composition; (iv) enzymatic hydrolysis conditions; (v) hydrolysate sugar concentration. Autohydrolysis and dilute acid pretreatment were the targeted methods in data collection as they are commonly employed pretreatment methods for lignocellulosic feedstock [27,28].

2.2.3. Assumptions

The following assumptions were made during the flowsheet development in DWSIM:
(i)
The feedstock composition reported in the literature varies considerably. Lignocellulose composition is presented either in terms of cellulose, hemicellulose and lignin percentage or as carbohydrate mass percentage (e.g., glucan, xylan, arabinan, mannan, galactan). When the lignocellulose composition is presented in the form of cellulose, hemicellulose and lignin, it is assumed that the entire mass of hemicellulose consists of xylan and cellulose is composed of cellobiose.
(ii)
Some studies implement simultaneous saccharification and fermentation (SSF). To ensure consistency in the simulation, separate conversion reactors were used for saccharification and fermentation instead of combining them into a single reactor.
(iii)
Clostridial species exhibit carbon catabolite repression (CCR) when fermenting mixed sugar. In the fermentation reaction setup, it was assumed that the conversion of xylose into fermentation products was as efficient as that of glucose.
(iv)
In instances where data for specific compounds during pretreatment was not provided in the literature, it was assumed that no conversion of these compounds occurred.
(v)
Several studies involve physical pretreatment methods such as biomass chipping and milling, which were not integrated into the simulation flowsheet.

2.3. Flowsheet Devlopment for Biomass Converison Modeling

2.3.1. Operating Units

Figure 1 illustrates the main operating modules used in the flowsheet development. The conversion reactor (CR) module was used to model pretreatment, enzymatic hydrolysis, and fermentation. The setting for CR allows us to specify the percentage conversion of the limiting reactant. The compound separator (CS) module was chosen to model liquid/solid separation after pretreatment and inhibitor removal in detoxification. The setting enables users to specify the percentage of compounds within one inlet stream. Shortcut column module was used in the separation and purification of biobutanol through distillation. Ancillary modules such as stream mixers, coolers, heaters were also used. Stream mixer was employed to simulate the mixture of biomass and water or dilute acid solution. Heaters and coolers were used to represent a temperature change.

2.3.2. Reaction Sets

The conversion process includes three reaction sets: (i) pretreatment reactions that convert a portion of hemicellulose and cellulose into oligomers and monomers; (ii) enzymatic hydrolysis to break down oligomers into monomeric form; and (iii) reactions that metabolize C5 and C6 sugars into fermentation products, modeling the Clostridium saccharobutylicum metabolism.
The conversion rate in the pretreatment reactions was calculated based on experimental data from the literature. Reactions converting xylan into furfural and acetic acid, as well as lignin into soluble lignin, were included to represent the formation of inhibitors. The generation of glucolig, glucose, xylolig and xylose was considered in the pretreatment because some cellulose and hemicellulose are hydrolyzed into oligomeric and monomeric forms.
Four reactions were included in enzymatic hydrolysis to represent the breakdown of the pretreated solid or liquid. Reactions of cellulose and xylan represented the hydrolysis of the pretreated solid, while the conversion of glucolig and xylolig into monomers were used to represent the hydrolysis of the liquid fraction.

3. Results

3.1. Flowsheet Development

Six flowsheet configurations were developed, based on feedstock composition, pretreatment conditions, and feed to enzymatic hydrolysis. In configuration one, the approach involved SSF of charcoal-detoxified liquid prehydrolysate from hybrid poplar. Elmwood was used in configuration two, undergoing autohydrolysis pretreatment, followed by enzymatic hydrolysis of the solid fraction. The resulting hydrolysate was then used for fermentation. In configurations three and six, switchgrass was used as a feedstock, employing similar operating conditions for pretreatment and SSF, but differing pretreatment methods; configuration three used autohydrolysis, while configuration six used dilute acetic acid pretreatment. Configuration four involved dilute sulfuric acid pretreatment of wheat straw, followed by enzymatic hydrolysis of the pretreated solid. Finally, in configuration five, dilute sulfuric acid treatment of pulp and paper side-stream, followed by SSF of the resulting pretreated solid, was considered. The conversion rates for pretreatment and enzymatic hydrolysis reactions are summarized in Table 2.
In fermentation, the reactions and conversions described by Meramo-Hurtado et al. [34] were used for all configurations and are shown in Table 3. This approach provides consistency and accurate comparison of the amount of butanol produced from different feedstock and pretreatment methods.
The simulation flowsheet started with a mixer combining either water stream or dilute acid stream with biomass stream to achieve the desired solid to liquid ratio (SLR). The resulting stream was then heated to obtain the required pretreatment temperature before feeding into the pretreatment reactor. After the reactor, the pretreated slurry stream was cooled down to 25 °C. A compound separator was used to simulate the separation of the liquid prehydrolysate and the pretreated solid. The detoxification step was represented by adding a CS unit to separate inhibitory compounds from the liquid prehydrolysate.
In enzymatic hydrolysis, often the liquid prehydrolysate lacking high sugar content for effective fermentation is discarded [31] and the focus is on treating the pretreated solid, which contains the bulk of polysaccharides. However, it is possible to hydrolyze both solid and liquid phases or just the liquid prehydrolysate. All these scenarios were considered in this study. Conversions of glucolig and xylolig were only included when the liquid prehydrolysate was used in enzymatic hydrolysis. The outlet stream from the enzymatic hydrolysis step was sent to a compound separator to create a stream containing glucose, xylose, and water prior to fermentation.
Before butanol recovery and purification, the gases and acids from fermentation were separated from the desired products. To recover and purify the butanol from the fermentation broth, three shortcut distillation modules were utilized, and a separator was employed as a decanter. The order of product separation was determined based on the boiling points of the fermentation products. At atmospheric pressure and temperature of 364.6 K, butanol forms a heterogeneous azeotropic complex with water with a composition of 76.3 mol % water [35]. The presence of the butanol–water azeotrope required a decanter unit to disrupt these interactions.
The process for ABE product recovery was elucidated by Kujawska et al. [36]. Initially, the material stream containing solvents and water underwent distillation to extract acetone, achieving a high removal percentage of 99.5 wt%. The resulting stream was then sent to a second distillation column to remove ethanol from the mixture. Subsequently, a decanter was introduced to disrupt the butanol-water azeotrope. The decanter generated a butanol-rich stream (containing 23.0 wt% water) and a butanol-lean stream (containing 9.50 wt% butanol). The butanol-rich stream was further processed in another distillation column.

3.2. Model Validation

The results generated with DWSIM were compared against the experimental data obtained by Amiri and Karimi [30], who conducted autohydrolysis on elmwood at 180 °C for 60 min by mixing 40 g of biomass and 400 g of deionized water (1:10 SLR) in a high-pressure stainless-steel reactor. The liquid prehydrolysate was separated from the pretreated slurry through cheesecloth. Enzymatic hydrolysis was conducted on the pretreated solid. The resulting hydrolysate, containing 13.2 g/L of C6 sugars and 5.0 g/L of C5 sugars, was then fermented by C. acetobutylicum NRRL B-591.
In the DWSIM flowsheet, the elmwood composition was 51.8% cellulose, 22.7% xylan, 25.1% lignin, and 0.40% acetate [30]. The mass flow of the biomass stream was 40 kg/h and it was mixed with 400 kg/h of water to reflect the 1:10 SLR. The mixed stream was then heated to 180 °C. The heated stream was sent to the CR for the autohydrolysis reaction. The outlet streams from autohydrolysis were combined and the resulting stream was then introduced into a cooler and a CS to separate the liquid fraction from the solid fraction. The stream containing glucose, xylose, and water was then fed to the fermentation reactor. After fermentation, butyric acid, acetic acid, carbon dioxide, hydrogen gas, and some water, were removed using a CS prior to distillation.
For model validation, the compound concentration in the liquid prehydrolysate, feed to fermentation, and ABE products in DWSIM were compared against literature data. The compound concentration in the simulation was close to the reference values.

3.3. Implementatio of Process Configurations in DWSIM

3.3.1. Feedstock Selection

Several studies have been conducted to investigate the optimal pretreatment conditions for LCB [37,38,39,40]. In this work, different feedstocks were examined to further explore the effectiveness of DWSIM in simulating biobutanol production process. The data were gathered from various reference sources focusing on either autohydrolysis or dilute acid pretreatment of LCB. A diverse feedstock was selected to encompass its variety: woody biomass, agricultural biomass, and waste biomass. A total of six configurations were developed in DWSIM with different feedstock composition as detailed in Table 4.

3.3.2. Flowsheet Configurations

The configurations encompassed three pretreatment methods: autohydrolysis, dilute sulfuric acid, and dilute acetic acid. The parameters of the main process steps in each configuration are shown in Table 5.
  • Configuration 1—Autohydrolysis on hybrid poplar wood
Configuration 1 (Figure 2) involved the mixing of 50 kg/h of hybrid poplar containing 45.4% cellulose, 19.2% xylan, 27.5% lignin, and 7.90% acetate, with 250 kg/h of water in a mixer, MIX-101. The resulting stream with a mass flow of 300 kg/h was heated to an outlet temperature of 170 °C. The heated stream was then introduced into R-101, where pretreatment reactions took place. During the pretreatment step, 4.07% of cellulose was converted into glucolig, 1.50% of cellulose into glucose, 32.9% of xylan into xylolig and 6.50% of xylan into xylose. In addition, 1.90% of xylan was converted into furfural and 2.26% of lignin was converted into soluble lignin (inhibitory compound). The outlet streams from R-101 were combined in MIX-102 because components of interest were generated in both streams, followed by cooling to 25 °C. CS was employed to separate the solid components (cellulose, xylan, lignin, acetate) from the pretreated slurry. CS produced a solid and a liquid stream and only the liquid stream was further utilized in this configuration. The resulting stream (labeled as 09-Prehydrolysate) was then directed to V-102, where 14.2% of glucolig, 90.3% of soluble lignin, 3.60% of xylolig, 14.2% of glucose, 3.60% of xylose, 43.2% of acetic acid, and 66.7% of furfural were removed from the liquid, yielding detoxified stream 12.
R-102 and R-103 were utilized to represent the conversion of xylolig to xylose at a conversion rate of 38.0% and glucolig to glucose at a conversion rate of 77.7%, respectively. Stream 17 exiting R-103, and containing monomers, oligomers and the remaining inhibitory compounds was cooled to a temperature of 25 °C, resulting in stream 18. Stream 18 was subsequently passed through V-103 to obtain a stream containing glucose, xylose, and water prior to the fermentation reactions in R-104 and R-105. Stream 25 consisted of 9.50 g/L of butanol, 4.70 g/L of acetone, 2.90 g/L of ethanol, 0.77 g/L of acetic acid, and 0.31 g/L of butyric acid. V-104 and V-105 were used to remove butyric acid, acetic acid, carbon dioxide, hydrogen, glucose, and xylose from the fermentation products before distillation.
Stream 28 (ABE, water) was fed into T-101 to remove acetone in the distillate stream. The bottom stream was then directed to T-102 to remove ethanol in the distillate. The bottom stream (stream 33) was introduced into V-106 to represent a decanter, disrupting the azeotrope between butanol and water. V-106 was set to generate a butanol-rich stream and a butanol-lean stream. The butanol-rich stream composed of 23.0 wt% water and 77.0 wt% butanol was processed in T-103 to purify butanol.
  • Configuration 2—Autohydrolysis on elmood
Configuration two (Figure 3) considered a stream of elmwood with a mass flow of 40 kg/h consisting of 51.8% cellulose, 22.7% xylan, 25.1% lignin, and 0.40% acetate and mixed with 400 kg/h water. The resulting combined stream was then heated to 180 °C. Subsequently, this stream was introduced into R-101, where pretreatment reactions occurred. In the reactor, 19.2% of cellulose was converted into glucolig, 7.30% of cellulose into glucose, 1.76% of xylan into xylolig, 12.3% of xylan into xylose, and 1% of xylan into furfural. Additionally, 1% of lignin was converted into soluble lignin. The outlet streams from R-101 were mixed to collect products and the merged stream, referred to as stream 07, was cooled to 25 °C.
V-101 was employed to separate cellulose, xylan, lignin, and acetate into the solid stream, while the remaining portion was designated as 09-Autohydrolysate. Only the solid stream was heated to 45 °C and subsequently introduced into R-102 for enzymatic hydrolysis. In the reactor, cellulose was converted into glucose at a rate of 38.4%, and xylan into xylose at a rate of 10.7%. Stream 13 was cooled to 25 °C in E-104, resulting in stream 14, which was then sent to V-102 to generate a stream containing glucose, xylose, and water to be used in the fermentation reactions in R-103 and R-104.
In stream 21, the concentrations of solvents and acids were 4.96 g/L of butanol, 1.96 g/L of acetone, 0.96 g/L of ethanol, 0.63 g/L of acetic acid, and 0.40 g/L of butyric acid. V-103 was employed to separate butyric acid, acetic acid, carbon dioxide, hydrogen, glucose, and xylose from the fermentation products. Stream 22 (ABE, water) was sent to distillation column T-101 to separate acetone into the distillate stream. The residual stream (stream 24) was then introduced into T-102 to remove ethanol in the distillate. Stream 26 was processed through V-104, yielding the 27-butanol-rich stream. Finally, the butanol-rich stream was fed into T-103 to purify biobutanol.
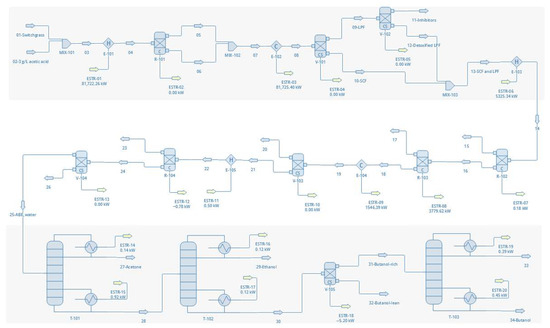
  • Configuration 3—Autohydrolysis on switchgrass
The biobutanol process utilizing switchgrass as a feedstock is illustrated in Figure 4. The mass flow of switchgrass was 10 kg/h containing 35.6% cellulose, 19.2% xylan, 22.6% lignin, and 22.6% acetate. This biomass stream was mixed with a mass flow of 100 kg/h of water, and the resulting mixture was heated to 170 °C. The heated stream was introduced to R-101 for autohydrolysis pretreatment where 11.0% of cellulose was converted into glucolig, 2.80% of cellulose into glucose, 37.0% of xylan into xylolig, 3.10% of xylan into xylose, and 3.65% of xylan into furfural. Furthermore, 27.4% of lignin was converted into soluble lignin. The two outlet streams from R-101 were combined into stream 07 to collect all products and was then cooled to 25 °C.
The separation of cellulose, xylan, lignin, acetate into the solid stream was achieved in V-101. The 09-LPF stream from V-101 was fed into V-102 to separate some of the inhibitors and model the activated carbon adsorption. The detoxified stream was then combined with the solid fraction, heated to 30 °C and fed to R-102. In the reactor, cellulose and glucolig were converted into glucose at a 77.7% conversion rate. R-103 subsequently converted xylan and xylolig into xylose at a rate of 78.0%.
The outlet stream from R-103 (stream 18) was cooled to 25 °C and then sent to V-103 to generate a stream containing glucose, xylose, and water for fermentation reactions in R-104 and R-105. Fermentation products in stream 26 included 4.96 g/L of butanol, 1.96 g/L of acetone, 0.96 g/L of ethanol, 0.63 g/L of acetic acid, and 0.40 g/L of butyric acid. V-104 and V-105 were used to produce stream 30 (ABE, water) containing solvents and water.
Stream 30 was then introduced into distillation column T-101 to separate acetone. The remaining stream, denoted as stream 32, underwent ethanol removal in T-102. Stream 34 was then processed through V-106, resulting in the 35-butanol-rich stream. Finally, stream 35 was sent to T-103 for the purification of biobutanol.
  • Configuration 4—Dilute sulfuric acid pretreatment on wheat straw
In configuration 4, dilute sulfuric acid pretreatment of wheat straw was employed. The flowsheet for this configuration is shown in Figure 5. A stream of 10 kg/h wheat straw consisting of 38.4% cellulose, 19.7% xylan, 16.9% lignin, and 25.0% acetate was mixed with a dilute sulfuric acid stream containing 99% mass fraction of water and 1% mass fraction of sulfuric acid. The resulting combined stream 03 underwent heating to generate stream 04, which was then directed to R-101 for pretreatment reactions. In R-101, cellulose was converted to glucose at 3% conversion, xylan was converted to xylose at 45.1%, xylan to furfural at 1%, and lignin to soluble lignin also at 1% conversion. Streams 05 and 06 were mixed, cooled and subsequently fed into V-101, which was used to separate liquid and solid fractions.
To achieve enzymatic hydrolysis of the solid fraction, stream 10-Solid was heated to 50 °C. Stream 11 was then introduced into R-102 to hydrolyze 89.3% of cellulose into glucose and 47.2% of xylan into xylose. Stream 13 exiting R-102 was cooled down to a room temperature and directed to V-102 to generate stream 16 containing only glucose, xylose, and water. This stream was subsequently sent to R-103 for fermentation. The outlet stream 19 was fed into V-103 and V-104 to separate solvents and water from other compounds. The resulting stream 23 (ABE, water) was then sent to T-101 to separate acetone. Ethanol was removed in T-102. V-105 produced butanol-rich and butanol-lean streams. Finally, T-103 column was utilized to purify butanol.
  • Configuration 5—Dilute sulfuric acid pretreatment on pulp and paper side-stream
In configuration 5, dilute sulfuric acid pretreatment was applied on pulp and paper waste stream. The flowsheet configuration is presented in Figure 6. The pulp and paper side stream was combined with 0.2% dilute sulfuric acid stream. The resulting stream was heater to 180 °C and sent to R-101 for pretreatment reactions. Streams 05 and 06 were mixed to combine all pretreatment products. The resulting stream was cooled to 25 °C and then introduced into V-101 to facilitate the separation of liquid and solid components. The solid fraction underwent heating and was sent to R-102 for enzymatic hydrolysis reactions, resulting in the conversion of 47% of cellulose to glucose and 30% of xylan to xylose.
The reactor outlet stream 13 was subsequently cooled and fed to V-102 to produce stream 16, consisting of glucose, xylose, and water. This stream was then heated to 37 °C and introduced into the fermentation reactor R-103. The outlet stream 19 underwent separation in V-103 to eliminate unconverted sugars, gases, and acids, leaving in stream 20 solvents and water.
For product separation, stream 20 was sent to T-101 to separate acetone from the mixture. Subsequently, the remaining stream was introduced to T-102 to remove ethanol. Stream 24 was then directed into V-104, simulating a decanter and producing a butanol-rich stream and a butanol-lean stream. Finally, the butanol-rich stream underwent final purification in T-103.
  • Configuration 6—Dilute acetic acid pretreatment on switchgrass
As illustrated in Figure 7, configuration 6 models the process for biobutanol production from switchgrass pretreated with acetic acid. A switchgrass stream with a flowrate of 10 kg/h was mixed with 100 kg/h solution containing 3 g/L of acetic acid. The resulting combined stream was heated to 170 °C and sent to R-101 for pretreatment reactions. In the pretreatment reactor, 11.8% of cellulose was converted to glucolig, 4.49% to glucose, 49.5% of xylan was converted into xylolig, 4.17% to xylose, 4.17% of xylan was converted to furfural, and 25.5% of lignin into soluble lignin.
The resulting outlet streams 05 and 06 were mixed to consolidate all the products, resulting in stream 07. This combined stream was cooled to 25 °C and fed to V-101 to separate liquid prehydrolysate (09-LPF) from solid (10-SCF). The liquid prehydrolysate underwent processing in V-102 to remove some inhibitors, producing a detoxified stream, which was then combined with 10-SCF into stream 13 (SCF and LPF). The combined stream was heated to 30 °C and sent to R-102 where 78% of xylan and 78% of xylolig were convted to xylose. The stream was then introduced into R-103, converting 71% of cellulose and 71% of glucolig into glucose.
After enzymatic hydrolysis, stream 18 was cooled to 25 °C and fed into V-103 to isolate glucose, xylose, and water in stream 21. This stream was then heated to 30 °C and fed into R-104 for fermentation reactions. The outlet stream 24 was introduced into V-104 to remove unconverted sugars, acids, gases, and most of the water.
Stream 25 (ABE, water) was first introduced to T-101 to remove acetone. Subsequently, the remaining stream was fed into T-102 to separate ethanol into the distillate stream. The residual stream from T-102 was sent to V-105 to obtain a butanol-rich and a butanol-lean stream. The butanol-rich stream underwent final purification in T-103, resulting in a purified butanol stream.

4. Discussion

4.1. Fermentation Products

Figure 8 shows the product concentration (in g/L) in the outlet stream from the fermentation step in each configuration. It can be observed that butanol, acetone, and ethanol concentrations were relatively comparable across all configurations, except for configurations one and two, which presented significantly lower values. Configuration one was the only one that used liquid prehydrolysate alone for enzymatic hydrolysis, which means it had a low availability of fermentable sugars resulting in a lower concentration of ABE. As for configuration two, the low enzymatic conversion rate (cellulose to glucose conversion rate of 38.4%, and xylan into xylose conversion rate of 10.7%) contributed to the low product yield. Configuration three, which employed autohydrolysis to pretreat switchgrass, had the highest ABE conversion because it had a higher amount of sugars available for fermentation. Configuration three utilized both pretreated liquid and solid fractions for hydrolysis and fermentation. Additionally, this configuration had a high enzymatic hydrolysis rate (cellulose and glucolig were converted into glucose at a 77.7% conversion rate, and xylan and xylolig into xylose at a rate of 78.0%), which further increased the amount of carbon source available for fermentation.
Comparable concentrations of acetone, butanol and ethanol are obtained in the configurations simulated with DWSIM in this work and results generated by other researchers. For example, in the work conducted by Adesanya et al., pretreated switchgrass hydrolysate was submitted to enzymatic hydrolysis and detoxified prior to fermentation. After ABE fermentation, the concentration of ABE products was 12.5 g/L of butanol, 1.19 g/L of ethanol and 4.13 g/L of acetone [41]. As shown in Figure 8, (configuration 3), the concentration of butanol obtained in fermentation was 12.5 g/L, the concentration of ethanol 2.90 and the concentration of acetone 5.40 g/L. Fermentation of poplar wood hydrolysate conducted by Wnag et al. generated 6.98 g/L of butanol, 0.93 g/L of ethanol and 1.73 g/L of acetone [42]. These results are close to the concentrations shown on Figure 8 for configuration 1.

4.2. Software Performance

Since this work is one of the first studies that used the open-source software DWSIM version 7.3.2 to simulate fermentative biobutanol production from lignocellulosic materials, it is important to assess the experience during simulation development from the user’s perspective. This will enable potential improvements to the software and will allow other researchers interested in modeling and simulation of biorefinery configurations to evaluate whether DWSIM is a viable software to use.
DWSIM is a user-friendly software and can be easily manipulated by users with limited experience in simulation. The software shows several advantages: (i) the interface is intuitive and clear; (ii) the settings are easy to navigate; (iii) the simulator contains key operation units; (iv) inputs to the operation units and conditions are easy to set; and (v) compounds that do not exist in the database can be included using the compound creator function.
However, some aspects of the DWSIM software need further improvement. For instance, the number of conversion reactions set in a reactor seems to affect the accuracy of conversion percentages. In some flowsheets, the fermentation reactions required two conversion reactors, whereas in others, one conversion reactor was able to accommodate all reactions. Therefore, the conversion reactors presented inconsistency regarding the number of reactions that could be included. Additionally, when user-created compounds were added after the flowsheet development, the operating units were unable to accept the new compounds, rendering the flowsheet inactive.

4.3. Potential Biorefinery Locations in Canada

To evaluate the potential of industrial-level biobutanol production and the possible locations of the developed configurations in Canada, Agriculture and Agri-Food Canada’s Biomass Inventory Mapping and Analysis Tool (BIMAT) was explored in order to assess biomass availability in different regions [43]. BIMAT is an interactive application tool that maps out biomass inventory data for a variety of biomass sources such as agricultural biomass, waste forestry biomass, and municipal solid waste. In addition, it enables the analysis of the availability of the hardwood species (hybrid poplar wood and elmwood) and wheat straw used in flowsheet configurations. Furthermore, BIMAT can calculate the amount of biomass around a specified area or to determine the area to be covered to secure a specified amount of biomass.
To evaluate possible biorefinery locations, the feedstock mass flow was increased to 4000 kg/h in the simulation representing industrial level of biobutanol production. This biomass amount corresponds to 35,080 oven-dried tons (ODT)/year. BIMAT calculated the required area to satisfy the demand of biomass, including (i) hardwood residue (roadside harvest residue, mill wood residue, and mill bark residue) and (ii) wheat straw. From there, potential locations for biobutanol production plant were determined. Five sites were identified: two sites for hardwood biomass and three sites for wheat straw. The exact locations and required areas to satisfy biomass demand are listed in Table 6.
Figure 9 shows a map resulting from BIMAT and illustrating the optimal sites to satisfy the required hardwood biomass demand. Initially, nine sites with areas ranging from 400 to 1400 km2 were identified. However, the sites requiring more than 1000 km2 area were excluded to reduce the transportation cost and subsequent CO2 emissions. As a result, two sites, denoted by the “X” sign and labeled as Site 1 and Site 2 on Figure 9 were recommended as potential locations for biobutanol production plants. Both Site 1 and Site 2 are located within the southern part of the province of Québec. Site 1 is located just southeast of Quebec City, while Site 2 is located in the west of Sherbrooke. BIMAT also provided the breakdown of the type of biomass available. Within a 400 km2 radius of Site 1, BIMAT calculated 2884 ODT of roadside harvest residue, 31,181 ODT of wood mill residue, and 10,066 ODT of bark mill residue that will in total satisfy the biomass demand. BIMAT calculated that within a 700 km2 radius of Site 2, 16,434 ODT of roadside harvest residue and 58,684 ODT of bark mill residue are available. An integration with a pulp and paper mill and the development of an integrated biorefinery can be considered for these locations.
Figure 10 illustrates potential locations (marked by the “X” sign) for a biobutanol plant using 35,080 ODT of wheat straw. Sites that require more than 1000 km2 area were again excluded to reduce transportation cost and CO2 emissions. Three sites were determined: Site 1 that requires an area of 700 km2, Site 2 with 700 km2 area requirement and Site 3 with 800 km2. These sites are exclusively located in regions covered by cropland, depicted with light orange color. The identified locations are Site 1 in Drumheller, Alberta, Site 2 near Drinkwater, Saskatchewan, and Site 3 near Elie in Manitoba. A stand-alone biobutanol production plant is recommended if wheat straw is used as the sole feedstock.

5. Conclusions

Our simulation results highlighted that the use of the pretreated solid biomass fraction for further processing contributed to a higher biobutanol yield than using only liquid prehydrolysate. Additionally, enzymatic hydrolysis efficiency strongly influenced the overall product yield in the developed configurations.
Process simulation serves as an intermediary step, facilitating the transition of laboratory results to predictions of industrial-scale production. Potential locations of a biobutanol production plant based on biomass availability were proposed. Five sites utilizing hardwood biomass or wheat straw as a feedstock were identified across Canada, aimed to minimize transportation costs and CO2 emissions. Two sites valorizing hardwood biomass are in Quebec and three sites using wheat straw are in Alberta, Saskatchewan, and Manitoba.
While DWSIM offers user-friendly features such as intuitive interface and easy manipulation of inputs, challenges include inconsistent accuracy of conversion percentages based on the number of conversion reactions and difficulties integrating user-created compounds into existing flowsheets, rendering them inactive.
With respect to potential future directions, several points emerge: (i) the range of compounds created in DWSIM can be expanded to better reflect the breakdown of biomass compounds; (ii) conducting a comparative analysis of DWSIM performance with a commercial simulator, particularly for biobutanol production, could further demonstrate the efficiency of open-source simulators; and (iii) adapting the biorefinery concept to co-locate biobutanol plant with existing pulp and paper facilities can contribute to resource sharing and cost reduction. Finally, future research should extend these models to include economic assessments and environmental impact analyses to better inform industrial-scale decision-making.

Author Contributions

Conceptualization, J.K. and M.M.; methodology, J.K. and M.M.; software, J.K.; validation, J.K. and M.M.; formal analysis, J.K.; investigation, J.K.; resources, M.M.; writing—original draft preparation, M.M.; writing—review and editing, J.K.; supervision, M.M.; funding acquisition, M.M. All authors have read and agreed to the published version of the manuscript.

Funding

This research was funded by the Natural Sciences and Engineering Research Council of Canada (NSERC), grant number DDG/6992-2019 and the Canadian Defence Academy Research Program.

Data Availability Statement

The original contributions presented in this study are included in the article. Further inquiries can be directed to the corresponding author.

Conflicts of Interest

The authors declare no conflicts of interest. The funders had no role in the design of the study; in the collection, analyses, or interpretation of data; in the writing of the manuscript; or in the decision to publish the results.

Abbreviations

The following abbreviations are used in this manuscript:
GHGGreenhouse Gas
LCBLignocellulosic Biomass
ABEAcetone–Butanol–Ethanol
CCRCarbon Catabolite Repression
CRConversion Reactor
CSCompound Separator
SSFSimultaneous Saccharification and Fermentation
SHFSeparate Hydrolysis and Fermentation
SLRSolid Liquid Ratio

References

  1. Tilsted, J.P.; Mah, A.; Nielsen, T.D.; Finkill, G.; Bauer, F. Petrochemical transition narratives: Selling fossil fuel solutions in a decarbonizing world. Energy Res. Soc. Sci. 2022, 94, 102880. [Google Scholar] [CrossRef]
  2. Zhao, S.; Song, Q.; Liu, L.; Li, J.; Zhao, D. Uncovering the lifecycle carbon emissions and its reduction pathways: A case study of petroleum refining enterprise. Energy Convers. Manag. 2024, 301, 118048. [Google Scholar] [CrossRef]
  3. IEA. Global Energy Crisis. Available online: https://www.iea.org/topics/global-energy-crisis (accessed on 25 May 2025).
  4. Yuan, X.; Su, C.-W.; Umar, M.; Shao, X.; Lobont, O.-R. The race to zero emissions: Can renewable energy be the path to carbon neutrality? J. Environ. Manag. 2022, 308, 114648. [Google Scholar] [CrossRef]
  5. Williams, C.L.; Westover, T.L.; Emerson, R.M.; Tumuluru, J.S.; Chenlin, L. Sources of biomass feedstock variability and the potential impact on biofuels production. Bioenergy Res. 2016, 9, 1–14. [Google Scholar] [CrossRef]
  6. Obergruber, M.; Hönig, V.; Jenčík, J.; Hájek, J.; Schlehöfer, D.; Herink, T. Lignocellulosic Bioethanol and Biobutanol as a Biocomponent for Diesel Fuel. Materials 2021, 14, 5597. [Google Scholar] [CrossRef]
  7. Liu, W.-J.; Yu, H.-Q. Thermochemical Conversion of Lignocellulosic Biomass into Mass-Producible Fuels: Emerging Technology Progress and Environmental Sustainability Evaluation. ACS Environ. Au 2022, 2, 98–114. [Google Scholar] [CrossRef]
  8. Huang, H.; Khanna, M.; Önal, H.; Chen, X. Stacking low carbon policies on the renewable fuels standard: Economic and greenhouse gas implications. Energy Policy 2013, 56, 5–15. [Google Scholar] [CrossRef]
  9. Luo, H.; Liu, Z.; Xie, F.; Bilal, M.; Peng, F. Lignocellulosic biomass to biobutanol: Toxic effects and response mechanism of the combined stress of lignin-derived phenolic acids and phenolic aldehydes to Clostridium acetobutylicum. Ind. Crops Prod. 2021, 170, 113722. [Google Scholar] [CrossRef]
  10. Guo, Y.; Liu, Y.; Guan, M.; Tang, H.; Wang, Z.; Lin, L.; Pang, H. Production of butanol from lignocellulosic biomass: Recent advances, challenges, and prospects. RSC Adv. 2022, 12, 18848–18863. [Google Scholar] [CrossRef]
  11. Trirahayu, D.A.; Abidin, A.Z.; Putra, R.P.; Hidayat, A.S.; Safitri, E.; Perdana, M.I. Process Simulation and Design Considerations for Biodiesel Production from Rubber Seed Oil. Fuels 2022, 3, 563–579. [Google Scholar] [CrossRef]
  12. Rosova, A.; Behun, M.; Khouri, S.; Cehlar, M.; Ferencz, V.; Sofranko, M. Case study: The simulation modeling to improve the efficiency and performance of production process. Wireless Netw. 2022, 28, 863–872. [Google Scholar] [CrossRef]
  13. Pasha, M.K.; Dai, L.; Liu, D.; Guo, M.; Du, W. An overview to process design, simulation and sustainability evaluation of biodiesel production. Biotechnol. Biofuels 2021, 14, 129. [Google Scholar] [CrossRef]
  14. Lassmann, T.; Kravanja, P.; Friedl, A. Simulation of the downstream processing in the ethanol production from lignocellulosic biomass with ASPEN Plus® and IPSEpro. Energy Sustain. Soc. 2014, 4, 27. [Google Scholar] [CrossRef]
  15. Liu, G.; Zhang, J.; Bao, J. Cost Evaluation of Cellulase Enzyme for Industrial-Scale Cellulosic Ethanol Production Based on Rigorous Aspen Plus Modeling. Bioprocess Biosyst. Eng. 2016, 39, 133–140. [Google Scholar] [CrossRef]
  16. Haigh, K.; Petersen, A.M.; Gottumukkala, L.; Mandegari, M.A.; Naleli, K.; Görgens, J. Simulation and comparison of processes for biobutanol production from lignocellulose via ABE fermentation. Biofuels Bioprod. Biorefining 2018, 12, 1023–1036. [Google Scholar] [CrossRef]
  17. Ashani, P.N.; Shafiei, M.; Karimi, K. Biobutanol production from municipal solid waste: Technical and economic analysis. Bioresour. Technol. 2020, 308, 123267. [Google Scholar] [CrossRef]
  18. Cortes-Peña, Y.; Kumar, D.; Singh, V.; Guest, J.S. BioSTEAM: A Fast and Flexible Platform for the Design, Simulation, and Techno-Economic Analysis of Biorefineries under Uncertainty. ACS Sustain. Chem. Eng. 2020, 8, 3302–3310. [Google Scholar] [CrossRef]
  19. Martínez-Rodríguez, A.; Abánades, A. Comparative Analysis of Energy and Exergy Performance of Hydrogen Production Methods. Entropy 2020, 22, 1286. [Google Scholar] [CrossRef]
  20. Silva, S.S.O.; Nascimento, M.R.; Lima, R.J.P.; Luna, F.M.T.; Cavalcante Júnior, C.L. Experimental and Simulation Studies for Purification and Etherification of Glycerol from the Biodiesel Industry. AppliedChem 2023, 3, 492–508. [Google Scholar] [CrossRef]
  21. Ullah, K.; Asaad, S.M.; Inayat, A. Process modelling and optimization of hydrogen production from biogas by integrating DWSIM with response surface methodology. Digit. Chem. Eng. 2025, 14, 100205. [Google Scholar] [CrossRef]
  22. Tangsriwong, K.; Lapchit, P.; Kittijungjit, T.; Klamrassamee, T.; Sukjai, Y.; Laoonual, Y. Modeling of chemical processes using commercial and open-source software: A comparison between Aspen Plus and DWSIM. In Proceedings of the IOP Conference Series: Earth and Environmental Science, Bangkok, Thailand, 11–14 December 2019. [Google Scholar]
  23. Nayak, P.; Dalve, P.; Sai, R.A.; Jain, R.; Moudgalya, K.M.; Naren, P.R.; Fritzson, P.; Wagner, D. Chemical Process Simulation Using OpenModelica. Ind. Eng. Chem. Res. 2019, 58, 11164–11174. [Google Scholar] [CrossRef]
  24. Medeiros, D. DWSIM-Open-Source Chemical Process Simulator. Available online: http://sourceforge.net/projects/dwsim (accessed on 25 May 2025).
  25. PubChem. Available online: https://pubchem.ncbi.nlm.nih.gov (accessed on 28 May 2025).
  26. Parameters of the Modified UNIFAC (Dortmund) Model. Available online: https://www.ddbst.com/PublishedParametersUNIFACDO.html (accessed on 28 May 2025).
  27. Akhtar, N.; Gupta, K.; Goyal, D.; Goyal, A. Recent advances in pretreatment technologies for efficient hydrolysis of lignocellulosic biomass. Environ. Prog. Sustain. Energy 2016, 35, 489–511. [Google Scholar] [CrossRef]
  28. du Pasquier, J.; Paës, G.; Perré, P. Principal factors affecting the yield of dilute acid pretreatment of lignocellulosic biomass: A critical review. Bioresour. Technol. 2023, 369, 128439. [Google Scholar] [CrossRef]
  29. Guan, W.; Xu, G.; Duan, J.; Shi, S. Acetone–Butanol–Ethanol Production from Fermentation of Hot-Water-Extracted Hemicellulose Hydrolysate of Pulping Woods. Ind. Eng. Chem. Res. 2018, 57, 775–783. [Google Scholar] [CrossRef]
  30. Amiri, H.; Karimi, K. Autohydrolysis: A promising pretreatment for the improvement of acetone, butanol, and ethanol production from woody materials. Chem. Eng. Sci. 2015, 137, 722–729. [Google Scholar] [CrossRef]
  31. Wang, P.; Chen, Y.M.; Wang, Y.; Lee, Y.Y.; Zong, W.; Taylor, S.; McDonald, T.; Wang, Y. Towards comprehensive lignocellulosic biomass utilization for bioenergy production: Efficient biobutanol production from acetic acid pretreated switchgrass with Clostridium saccharoperbutylacetonicum N1-4. Appl. Energy 2019, 236, 551–559. [Google Scholar] [CrossRef]
  32. Rajan, K.; Carrier, D.J. Effect of dilute acid pretreatment conditions and washing on the production of inhibitors and on recovery of sugars during wheat straw enzymatic hydrolysis. Biomass Bioenergy 2014, 62, 222–227. [Google Scholar] [CrossRef]
  33. Sandar, S.; Yang, M.; Turunen, O.; Vepsäläinen, J.; Pappinen, A.; Kuittinen, S. Acetone-butanol-ethanol fermentation from different pulp and paper manufacturing process side-streams. BioResources 2020, 15, 9265–9290. [Google Scholar] [CrossRef]
  34. Meramo-Hurtado, S.; González-Delgado, A.; Rehmann, L.; Quiñones-Bolaños, E.; Mehrvar, M. Comparison of Biobutanol Production Pathways via Acetone–Butanol–Ethanol Fermentation Using a Sustainability Exergy-Based Metric. ACS Omega 2020, 5, 18710–18730. [Google Scholar] [CrossRef]
  35. Luyben, W.L. Control of the heterogeneous azeotropic n-butanol/water distillation system. Energy Fuels 2008, 22, 4249–4258. [Google Scholar] [CrossRef]
  36. Kujawska, A.; Kujawski, J.; Bryjak, M.; Kujawski, W. ABE fermentation products recovery methods—A review. Renew. Sustain. Energy Rev. 2015, 48, 648–661. [Google Scholar] [CrossRef]
  37. Lima, M.A.; Lavorente, G.B.; da Silva, H.K.P.; Bragatto, J.; Rezende, C.A.; Bernardinelli, O.D.; de Azevedo, E.R.; Gomez, L.D.; McQueen-Mason, S.J.; Labate, C.A.; et al. Effects of pretreatment on morphology, chemical composition and enzymatic digestibility of eucalyptus bark: A potentially valuable source of fermentable sugars for biofuel production—Part 1. Biotechnol. Biofuels 2013, 6, 75. [Google Scholar] [CrossRef]
  38. Pu, Y.; Treasure, T.; Gonzalez, R.; Venditti, R.; Jameel, H. Autohydrolysis pretreatment of mixed hardwoods to extract value prior to combustion. BioResources 2011, 6, 4856–4870. [Google Scholar] [CrossRef]
  39. Li, M.; Guo, C.; Luo, B. Comparing impacts of physicochemical properties and hydrolytic inhibitors on enzymatic hydrolysis of sugarcane bagasse. Bioprocess Biosyst. Eng. 2020, 43, 111–122. [Google Scholar] [CrossRef] [PubMed]
  40. Nitsos, C.K.; Choli-Papadopoulou, T.; Matis, K.A.; Triantafyllidis, K.S. Optimization of Hydrothermal Pretreatment of Hardwood and Softwood Lignocellulosic Residues for Selective Hemicellulose Recovery and Improved Cellulose Enzymatic Hydrolysis. ACS Sustain. Chem. Eng. 2016, 4, 4529–4544. [Google Scholar] [CrossRef]
  41. Adesanya, Y.; Atiyeh, H.K.; Olorunsogbon, T.; Khanal, A.; Okonkwo, C.C.; Ujor, V.C.; Shah, A.; Ezeji, T.C. Viable strategies for enhancing acetone-butanol-ethanol production from non-detoxified switchgrass hydrolysates. Bioresour. Technol. 2022, 44, 126167. [Google Scholar] [CrossRef] [PubMed]
  42. Wang, Q.; Zhang, C.; Yao, R.; Xu, S.; Zhong, J.; Luo, L.; Wang, Y. Butanol fermentation by Clostridium saccharobutylicum based on poplar wood. Bioresources 2015, 10, 5395–5406. [Google Scholar] [CrossRef]
  43. Agriculture and Agri-Food Canada, Biomass Inventory Mapping and Analysis. Available online: https://open.canada.ca/data/en/dataset/1a759d95-3008-4078-87af-5bb1bdf657b3 (accessed on 20 August 2025).
Figure 1. Process modules in DWSIM used in the simulation: (a) conversion reactor with inlet and outlet streams and energy requirement; (b) compound separator with inlet and outlet streams and energy requirement; (c) shortcut distillation column; (d) ancillary modules.
Figure 1. Process modules in DWSIM used in the simulation: (a) conversion reactor with inlet and outlet streams and energy requirement; (b) compound separator with inlet and outlet streams and energy requirement; (c) shortcut distillation column; (d) ancillary modules.
Energies 18 04713 g001
Figure 2. Flowsheet for configuration one modeling biobutanol production using hybrid poplar as feedstock pretreated with autohydrolysis.
Figure 2. Flowsheet for configuration one modeling biobutanol production using hybrid poplar as feedstock pretreated with autohydrolysis.
Energies 18 04713 g002
Figure 3. Flowsheet for configuration two modeling biobutanol production using elmwood as feedstock pretreated with autohydrolysis.
Figure 3. Flowsheet for configuration two modeling biobutanol production using elmwood as feedstock pretreated with autohydrolysis.
Energies 18 04713 g003
Figure 4. Flowsheet for configuration three modeling biobutanol production using switchgrass as feedstock and pretreated with autohydrolysis.
Figure 4. Flowsheet for configuration three modeling biobutanol production using switchgrass as feedstock and pretreated with autohydrolysis.
Energies 18 04713 g004
Figure 5. Flowsheet for configuration four modeling biobutanol production using wheat straw as feedstock pretreated with dilute sulfuric acid.
Figure 5. Flowsheet for configuration four modeling biobutanol production using wheat straw as feedstock pretreated with dilute sulfuric acid.
Energies 18 04713 g005
Figure 6. Flowsheet for configuration five modeling biobutanol production using pulp and paper side-stream as feedstock pretreated with dilute sulfuric acid.
Figure 6. Flowsheet for configuration five modeling biobutanol production using pulp and paper side-stream as feedstock pretreated with dilute sulfuric acid.
Energies 18 04713 g006
Figure 7. Flowsheet for configuration six modeling biobutanol production using switchgrass as feedstock pretreated with dilute acetic acid.
Figure 7. Flowsheet for configuration six modeling biobutanol production using switchgrass as feedstock pretreated with dilute acetic acid.
Energies 18 04713 g007
Figure 8. Concentration of acetone, butanol, and ethanol in g/L obtained from fermentation in configurations one to six.
Figure 8. Concentration of acetone, butanol, and ethanol in g/L obtained from fermentation in configurations one to six.
Energies 18 04713 g008
Figure 9. Map of the province of Quebec from BIMAT outlining site locations that can supply 35,080 tons/year of hardwood biomass.
Figure 9. Map of the province of Quebec from BIMAT outlining site locations that can supply 35,080 tons/year of hardwood biomass.
Energies 18 04713 g009
Figure 10. Map of Alberta, Saskatchewan, and Manitoba from BIMAT outlining the sites that can supply 35,080 tons/year of wheat straw biomass.
Figure 10. Map of Alberta, Saskatchewan, and Manitoba from BIMAT outlining the sites that can supply 35,080 tons/year of wheat straw biomass.
Energies 18 04713 g010
Table 1. List of compounds used in the DWSIM simulation.
Table 1. List of compounds used in the DWSIM simulation.
CompoundMolecular FormulaAvailable in DWSIM
CellobioseC12H22O11
Xylan C10H18O9
LigninC10H12O3
AcetateCH3COO
GlucoligC12H22O11
XyloligC10H18O9
Soluble ligninC10H12O3
Glucose C6H12O6
XyloseC5H10O5
Furfural OC4H3CHO
1-butanolCH3(CH2)3OH
Acetone CH3COCH3
N-butyric acid CH3CH2CH2COOH
Acetic acid CH3COOH
Water HOH
Carbon dioxide CO2
Hydrogen H2
Table 2. Chemical reactions and conversions for pretreatment and enzymatic hydrolysis in each configuration. Cellulose and xylan conversions refer to the hydrolysis of the pretreated solid. Glucolig and xylolig conversions refer to the hydrolysis of the liquid prehydrolysate.
Table 2. Chemical reactions and conversions for pretreatment and enzymatic hydrolysis in each configuration. Cellulose and xylan conversions refer to the hydrolysis of the pretreated solid. Glucolig and xylolig conversions refer to the hydrolysis of the liquid prehydrolysate.
Config 1 [29]Config 2 [30]Config 3 [31]Config 4 [32]Config
5 [33]
Config 6 [31]
Pretreatment Reactions
(Cellulose)n + mH2O → mGlucolig4.07%19.2%11.0%n/a *0%11.8%
(Cellulose)n + nH2O → nGlucose1.50%7.30%2.80%3.00%0%4.49%
(Xylan)n + mH2O → mXylolig32.9%1.76%37.0%n/a0%49.5%
(Xylan)n + nH2O → nXylose6.50%12.3%3.10% 45.1%0%4.17%
(Xylan)n → 2H2O + nFurfural1.90%n/a3.65%n/a1.30%4.17%
Acetate → Acetic acid10.2%n/a12.5%n/a0.190%27.9%
(Lignin)n → nSoluble lignin2.26%n/a27.4%n/an/a25.5%
Enzymatic Hydrolysis Reactions
(Cellulose)n + nH2O → nGlucose-38.4%77.7%89.3%47.0%71.0%
(Xylan)n + nH2O → nXylose-10.7%78.0%47.2%30.0%78.0%
Glucolig + H2O → Glucose77.7%-77.7%--71.0%
Xylolig + H2O → Xylose38.0%-78.0%--78.0%
* n/a—not available.
Table 3. Fermentation reactions and conversions [34].
Table 3. Fermentation reactions and conversions [34].
Fermentation ReactionsConversion (%)
Glucose → Butanol + 2CO2 + H2O57.0
Glucose + H2O → Acetone + 3CO2 + 4H227.4
Glucose → 2Ethanol + 2CO27.40
Glucose → Butyric acid + 2CO2 + 2H24.30
Glucose → 3Acetic acid3.20
6Xylose → 5Butanol + 10CO2 + 5H2O50.0
Xylose → Acetone + 2CO2 + 2H230.0
3Xylose → 5Ethanol + 5CO215.0
2Xylose → 5Acetic acid1.00
Table 4. Composition of LCB feedstock used in the simulation.
Table 4. Composition of LCB feedstock used in the simulation.
CompoundHybrid Poplar (Config 1)Elmwood
(Config 2)
Switchgrass (Config 3 and 6)Wheat Straw (Config 4)Side Stream (Config 5)
Cellulose45.4%51.8%35.6%38.4%61.3%
Xylan19.2%22.7%19.2%19.7%7.50%
Lignin27.5%25.1%22.6%16.9%19.0%
Acetate7.90%0.40%22.6%25.0%12.2%
Table 5. Parameters used in the six configurations.
Table 5. Parameters used in the six configurations.
ParameterConfig. 1Config. 2Config. 3Config. 4Config. 5Config. 6
Feedstock Hybrid poplarElmwoodSwitchgrassWheat strawPulp and paper side streamSwitchgrass
Pretreatment methodAutohydrolysisAutohydrolysisAutohydrolysisDilute sulfuric acidDilute sulfuric acidDilute acetic acid
Pretreatment conditionsSLR of 1:5 at 170 °C for 60 minSLR of 1:10 at 180 °C for 60 minSLR of 1:10 at 170 °C for 10 minSLR of 1:10 at 140 °C for 30 min with 0.01% sulfuric acid SLR of 1:10 at 180 °C for 10 min with 0.2% sulfuric acidSLR of 1:10 at 170 °C for 10 min with 3 g/L acetic acid
Solid/liquid separationVacuum filtrationCheeseclothVacuum filtrationCentrifugation Vacuum filtrationVacuum filtration
Enzymatic hydrolysisLiquid prehydrolysateTreated solidLiquid prehydrolysate and solidTreated solidTreated solidLiquid prehydrolysate and solid
Hydrolysis temperature 36 °C45 °C 30 °C50 °C30 °C30 °C
Hydrolysis methodSSFSHFSSFSaccharification only SSFSSF
Detoxification metod Charcoal adsorption Not specifiedActivated carbon adsorption Water washNot specifiedActivated carbon adsorption
FermentaionmicrobeC. acetobutylicum ATCC 824C. acetobutylicum NRRL B-591C. saccharoperbutylacetonicumNot specifiedC. acetobutylicum DSM 1731C. saccharoperbutylacetonicum
Reference[29][30][31][32][33][31]
Table 6. Location in latitude and longitude of the identified sites and area requirement in km2 for hardwood and wheat straw biomass.
Table 6. Location in latitude and longitude of the identified sites and area requirement in km2 for hardwood and wheat straw biomass.
Hardwood biomass
Site 1Site 2
Latitude and Longitude +46.698931 −70.876572+45.481278 −72.073673
Area requirement (km2)400700
Wheat straw biomass
Site 1Site 2Site 3
Latitude and Longitude +51.520299 −112.729126+50.301202 −105.126587+49.849958 −97.875611
Area requirement (km2)700700800
Disclaimer/Publisher’s Note: The statements, opinions and data contained in all publications are solely those of the individual author(s) and contributor(s) and not of MDPI and/or the editor(s). MDPI and/or the editor(s) disclaim responsibility for any injury to people or property resulting from any ideas, methods, instructions or products referred to in the content.

Share and Cite

MDPI and ACS Style

Kasprzak, J.; Marinova, M. Development of Process Configurations and Simulation of Biofuel Production. Energies 2025, 18, 4713. https://doi.org/10.3390/en18174713

AMA Style

Kasprzak J, Marinova M. Development of Process Configurations and Simulation of Biofuel Production. Energies. 2025; 18(17):4713. https://doi.org/10.3390/en18174713

Chicago/Turabian Style

Kasprzak, Joanna, and Mariya Marinova. 2025. "Development of Process Configurations and Simulation of Biofuel Production" Energies 18, no. 17: 4713. https://doi.org/10.3390/en18174713

APA Style

Kasprzak, J., & Marinova, M. (2025). Development of Process Configurations and Simulation of Biofuel Production. Energies, 18(17), 4713. https://doi.org/10.3390/en18174713

Note that from the first issue of 2016, this journal uses article numbers instead of page numbers. See further details here.

Article Metrics

Back to TopTop