A Review of Solid-State Transformer-Based Ultra-Fast Charging Station Technologies: Topologies, Control, and Grid Interaction
Abstract
1. Introduction
2. Functional Demand-Driven Evolution of SST Topologies
2.1. High-Efficiency Energy Conversion Demand
2.1.1. Classical Topologies and Their Bottlenecks
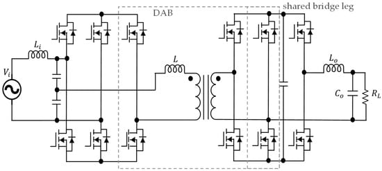
2.1.2. High-Frequency Innovative Topologies
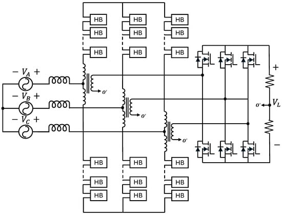
2.2. Modularity and Scalability Demand
2.3. Grid Interaction Capability Demand
3. SST Control Strategies and Grid Interaction
3.1. Inner Control Layer
3.1.1. Modulation Optimization and Soft-Switching Control
3.1.2. Decoupling and Model Reconstruction Control Strategies
3.1.3. Ripple-Suppression and Energy-Buffering Techniques
3.2. Middle Control Layer
3.2.1. Power Balancing and Voltage Coordination
3.2.2. Dynamic Power Scheduling and Efficiency Optimization for Multi-Module/Multi-Port Systems
3.2.3. Grid Support and Abnormal Condition Adaptability
3.3. Outer Control Layer
3.3.1. System Architecture and Module-Level Communication Support
3.3.2. System-Level Power Scheduling and Grid-Adaptive Control
3.4. Control Optimization Under Complex Conditions
3.4.1. Robust Control Under Weak Grid Conditions and Parameter Uncertainty
3.4.2. Dynamic Control Under Grid Faults and Overload Conditions
3.5. Topology–Control Co-Design and Synergy Analysis
4. System Performance Evaluation and Challenges
4.1. Efficiency and Loss Analysis
4.2. Reliability and Engineering Challenges
4.2.1. Thermal Management and Electro-Thermal Coordination
4.2.2. Device Aging and Lifetime-Oriented Optimization
4.2.3. Device-System Co-Design and Packaging Integration
4.3. Commercialization Progress and Engineering Challenges
4.4. Future Trends and Research Directions
5. Conclusions
Author Contributions
Funding
Data Availability Statement
Conflicts of Interest
References
- U.S. Department of Energy. Enabling Fast Charging Infrastructure for EVs; U.S. Department of Energy: Washington, DC, USA, 2017.
- Rivera, S.; Goetz, S.M.; Kouro, S.; Lehn, P.W.; Pathmanathan, M.; Bauer, P.; Mastromauro, R.A. Charging Infrastructure and Grid Integration for Electromobility. Proc. IEEE 2023, 111, 371–396. [Google Scholar] [CrossRef]
- IEC 61851-23:2023; Electric Vehicle Conductive Charging System-Part 23: DC Electric Vehicle Supply Equipment. International Electrochemical Commission: Geneva, Switzerland, 2023.
- GB/T 20234.3-2023; Electric Vehicle Conductive Charging System. Part 23, DC Electric Vehicle Supply Equipment. Standardization Administration of China International Electrotechnical Commission: Beijing, China, 2023.
- Mishra, D.K.; Ghadi, M.J.; Li, L.; Hossain, J.; Zhang, J.; Ray, P.K.; Mohanty, A. A Review on Solid-State Transformer: A Breakthrough Technology for Future Smart Distribution Grids. Int. J. Electr. Power Energy Syst. 2021, 133, 107255. [Google Scholar] [CrossRef]
- Ahmed, S.; Bloom, I.; Jansen, A.N.; Tanim, T.; Dufek, E.J.; Pesaran, A.; Burnham, A.; Carlson, R.B.; Dias, F.; Hardy, K.; et al. Enabling Fast Charging—A Battery Technology Gap Assessment. J. Power Sources 2017, 367, 250–262. [Google Scholar] [CrossRef]
- Wang, L.; Qin, Z.; Slangen, T.; Bauer, P.; Van Wijk, T. Grid Impact of Electric Vehicle Fast Charging Stations: Trends, Standards, Issues and Mitigation Measures—An Overview. IEEE Open J. Power Electron. 2021, 2, 56–74. [Google Scholar] [CrossRef]
- Tahir, Y.; Khan, I.; Rahman, S.; Khan, M.A.; Nadeem, M.F.; Iqbal, A.; Iqbal, A.; Xu, Y.; Xu, Y.; Rafi, M.; et al. A State-of-the-Art Review on Topologies and Control Techniques of Solid-State Transformers for Electric Vehicle Extreme Fast Charging. IET Power Electron. 2021, 14, 1560–1576. [Google Scholar] [CrossRef]
- Ahmad, A.; Qin, Z.; Wijekoon, T.; Bauer, P. An Overview on Medium Voltage Grid Integration of Ultra-Fast Charging Stations: Current Status and Future Trends. IEEE Open J. Ind. Electron. Soc. 2022, 3, 420–447. [Google Scholar] [CrossRef]
- Hannan, M.A.; Ker, P.J.; Lipu, M.S.H.; Choi, Z.H.; Rahman, S.A.; Muttaqi, K.M.; Blaabjerg, F. State of the Art of Solid-State Transformers: Advanced Topologies, Implementation Issues, Recent Progress and Improvements. IEEE Access 2020, 8, 19113–19132. [Google Scholar] [CrossRef]
- Acharige, S.S.G.; Haque, E.; Arif, M.T.; Hosseinzadeh, N.; Hasan, K.N.; Oo, A.M.T. Review of Electric Vehicle Charging Technologies, Standards, Architectures, and Converter Configurations. IEEE Access 2023, 11, 41218–41255. [Google Scholar] [CrossRef]
- Khalid, M.R.; Khan, I.A.; Hameed, S.; Asghar, M.S.J.; Ro, J. A Comprehensive Review on Structural Topologies, Power Levels, Energy Storage Systems, and Standards for Electric Vehicle Charging Stations and Their Impacts on Grid. IEEE Access 2021, 9, 128069–128094. [Google Scholar] [CrossRef]
- Valedsaravi, S.; El Aroudi, A.; Martínez-Salamero, L. Review of Solid-State Transformer Applications on Electric Vehicle DC Ultra-Fast Charging Station. Energies 2022, 15, 5602. [Google Scholar] [CrossRef]
- Safayatullah, M.; Elrais, M.T.; Ghosh, S.; Rezaii, R.; Batarseh, I. A Comprehensive Review of Power Converter Topologies and Control Methods for Electric Vehicle Fast Charging Applications. IEEE Access 2022, 10, 40753–40793. [Google Scholar] [CrossRef]
- Kilicoglu, H.; Tricoli, P. Technical Review and Survey of Future Trends of Power Converters for Fast-Charging Stations of Electric Vehicles. Energies 2023, 16, 5204. [Google Scholar] [CrossRef]
- Chon, S.; Bhardwaj, M.; Nene, H. Maximizing Power for Level 3 EV Charging Stations; Texas Instruments: Dallas, TX, USA, 2018. [Google Scholar]
- Kang, T.; Kim, C.; Suh, Y.; Park, H.; Kang, B.; Kim, D. A Design and Control of Bi-Directional Non-Isolated DC-DC Converter for Rapid Electric Vehicle Charging System. In Proceedings of the 2012 Twenty-Seventh Annual IEEE Applied Power Electronics Conference and Exposition (APEC), Orlando, FL, USA, 5–9 February 2012; IEEE: Piscataway, NJ, USA, 2012; pp. 14–21. [Google Scholar]
- Zhou, K.; Wu, Y.; Wu, X.; Sun, Y.; Teng, D.; Liu, Y. Research and Development Review of Power Converter Topologies and Control Technology for Electric Vehicle Fast-Charging Systems. Electronics 2023, 12, 1581. [Google Scholar] [CrossRef]
- Soeiro, T.B.; Friedli, T.; Kolar, J.W. Swiss Rectifier—A Novel Three-Phase Buck-Type PFC Topology for Electric Vehicle Battery Charging. In Proceedings of the 2012 Twenty-Seventh Annual IEEE Applied Power Electronics Conference and Exposition (APEC), Orlando, FL, USA, 5–9 February 2012; IEEE: Piscataway, NJ, USA, 2012; pp. 2617–2624. [Google Scholar]
- Zhu, C. High-Efficiency, Medium-Voltage-Input, Solid-State-Transformer-Based 400-kW/1000V/400A Extreme Fast Charger for Electric Vehicles; Report by Delta Electronics; Delta Electronics: Santa Clara, CA, USA, 2023. [Google Scholar] [CrossRef]
- Srdic, S.; Liang, X.; Zhang, C.; Yu, W.; Lukic, S. A SiC-Based High-Performance Medium-Voltage Fast Charger for Plug-in Electric Vehicles. In Proceedings of the 2016 IEEE Energy Conversion Congress and Exposition (ECCE), Milwaukee, WI, USA, 18–22 September 2016; IEEE: Piscataway, NJ, USA, 2016; pp. 1–6. [Google Scholar]
- Lim, C.-Y.; Jeong, Y.; Moon, G.-W. Phase-Shifted Full-Bridge DC–DC Converter with High Efficiency and High Power Density Using Center-Tapped Clamp Circuit for Battery Charging in Electric Vehicles. IEEE Trans. Power Electron. 2019, 34, 10945–10959. [Google Scholar] [CrossRef]
- Jang, Y.; Jovanović, M.M. The TAIPEI Rectifier—A New Three-Phase Two-Switch ZVS PFC DCM Boost Rectifier. IEEE Trans. Power Electron. 2013, 28, 686–694. [Google Scholar] [CrossRef]
- Zhang, C.; Wang, R.; Shen, Z.; Sadilek, T.; Anurag, A.; Barbosa, P. A Single-Stage Three-Phase Isolated AC-DC Converter for Medium Voltage Solid State Transformer Applications. In Proceedings of the 2023 IEEE Applied Power Electronics Conference and Exposition (APEC), Orlando, FL, USA, 19 March 2023; IEEE: Piscataway, NJ, USA, 2023; pp. 1503–1509. [Google Scholar]
- Xu, W.; Rajendran, S.; Guo, Z.; Vctrivelan, A.; Huang, A.Q. 7.2kV/100kVA Solid State Transformer Based on Half Bridge LLC Resonant Converter and 15kV SiC AC Switch. In Proceedings of the 2023 IEEE Applied Power Electronics Conference and Exposition (APEC), Orlando, FL, USA, 19 March 2023; IEEE: Piscataway, NJ, USA, 2023; pp. 1516–1522. [Google Scholar]
- Shu, L.; Chen, W.; Liu, R.; Shi, M. Analysis and Design of Bidirectional Three-Phase Triple-Voltage LLC (T2 -LLC) Resonant Converter for Solid-State Transformer Application. In Proceedings of the 2021 IEEE Sustainable Power and Energy Conference (iSPEC), Nanjing, China, 23 December 2021; IEEE: Piscataway, NJ, USA, 2021; pp. 3305–3310. [Google Scholar]
- Zhao, B.; Song, Q.; Liu, W.; Sun, Y. Overview of Dual-Active-Bridge Isolated Bidirectional DC–DC Converter for High-Frequency-Link Power-Conversion System. IEEE Trans. Power Electron. 2014, 29, 4091–4106. [Google Scholar] [CrossRef]
- Patil, N.S.; Shukla, A. Review and Comparison of MV Grid-Connected Extreme Fast Charging Converters for Electric Vehicles. In Proceedings of the 2021 National Power Electronics Conference (NPEC), Bhubaneswar, India, 15 December 2021; IEEE: Piscataway, NJ, USA, 2021; pp. 1–6. [Google Scholar]
- Su, M.; Huang, J.; Wang, H.; Jiang, L.; Chen, X. Direct AC–AC Solid-State Transformer Based on Hybrid DAB. IEEE J. Emerg. Sel. Top. Power Electron. 2024, 12, 1385–1394. [Google Scholar] [CrossRef]
- Dao, N.D.; Nguyen, H.V.; Lee, D.-C. Semi-Modular Solid-State Transformers with Reduced Count of Components Based on Single-Stage AC/DC Converters. IEEE Trans. Power Electron. 2022, 37, 8177–8189. [Google Scholar] [CrossRef]
- De Seram, R.; Lulbadda, K.T.; Sidhu, T.; Williamson, S.S. A Quad-Active Bridge (QAB)-Based Solid-State Transformer for Fast Charging of Light/Medium and Heavy Electric Vehicles. In Proceedings of the 2024 IEEE International Conference on Industrial Technology (ICIT), Bristol, UK, 25 March 2024; IEEE: Piscataway, NJ, USA, 2024; pp. 1–6. [Google Scholar]
- Cao, H.; Du, L.; Guo, F.; Ma, Z.; Zhao, Y. A Triple Active Bridge (TAB) Based Solid-State Transformer (SST) for DC Fast Charging Systems: Architecture and Control Strategy. In Proceedings of the 2023 IEEE Energy Conversion Congress and Exposition (ECCE), Nashville, TN, USA, 29 October 2023; IEEE: Piscataway, NJ, USA, 2023; pp. 855–860. [Google Scholar]
- Gabriel, M.T.; Mansour, D.-E.A.; Shoyama, M.; Abdelkader, S.M. A Triple-Active Bridge Based Solid State Transformer Fast Charging Station Topology for Electric Vehicles. In Proceedings of the 2024 IEEE International Conference on Environment and Electrical Engineering and 2024 IEEE Industrial and Commercial Power Systems Europe (EEEIC/I&CPS Europe), Rome, Italy, 17 June 2024; IEEE: Piscataway, NJ, USA, 2024; pp. 1–6. [Google Scholar]
- Lai, J.-S.; Lai, W.-H.; Moon, S.-R.; Zhang, L.; Maitra, A. A 15-kV Class Intelligent Universal Transformer for Utility Applications. In Proceedings of the 2016 IEEE Applied Power Electronics Conference and Exposition (APEC), Long Beach, CA, USA, 20–24 March 2016; IEEE: Piscataway, NJ, USA, 2016; pp. 1974–1981. [Google Scholar]
- Liang, X.; Srdic, S.; Won, J.; Aponte, E.; Booth, K.; Lukic, S. A 12.47 kV Medium Voltage Input 350 kW EV Fast Charger Using 10 kV SiC MOSFET. In Proceedings of the 2019 IEEE Applied Power Electronics Conference and Exposition (APEC), Anaheim, CA, USA, 17–21 March 2019; IEEE: Piscataway, NJ, USA, 2019; pp. 581–587. [Google Scholar]
- Lee, M.; Yeh, C.-S.; Yu, O.; Kim, J.-W.; Choe, J.-M.; Lai, J.-S. Modeling and Control of Three-Level Boost Rectifier Based Medium-Voltage Solid-State Transformer for DC Fast Charger Application. IEEE Trans. Transp. Electrif. 2019, 5, 890–902. [Google Scholar] [CrossRef]
- Nair, A.C.; Fernandes, B.G. Solid-State Transformer Based Fast Charging Station for Various Categories of Electric Vehicles with Batteries of Vastly Different Ratings. IEEE Trans. Ind. Electron. 2021, 68, 10400–10411. [Google Scholar] [CrossRef]
- Suarez, C.; Martinez, W. Fast and Ultra-Fast Charging for Battery Electric Vehicles—A Review. In Proceedings of the 2019 IEEE Energy Conversion Congress and Exposition (ECCE), Baltimore, MD, USA, 29 September–3 October 2019; IEEE: Piscataway, NJ, USA, 2019; pp. 569–575. [Google Scholar]
- Allebrod, S.; Hamerski, R.; Marquardt, R. New Transformerless, Scalable Modular Multilevel Converters for HVDC-Transmission. In Proceedings of the 2008 IEEE Power Electronics Specialists Conference, Rhodes, Greece, 15–19 June 2008; IEEE: Piscataway, NJ, USA, 2008; pp. 174–179. [Google Scholar]
- Makoschitz, M. Unidirectional Medium Voltage Rectifier Utilizing Sinusoidal Input Currents. Electron. Lett. 2022, 58, 474–476. [Google Scholar] [CrossRef]
- Makoschitz, M.; Hartmann, M.; Ertl, H. Control Concepts for Hybrid Rectifiers Utilizing a Flying Converter Cell Active Current Injection Unit. IEEE Trans. Power Electron. 2017, 32, 2584–2595. [Google Scholar] [CrossRef]
- Andrioli, G.; Calligaro, S.; Petrella, R.; Kolar, J.W.; Huber, J. Analysis and Comparative Evaluation of a Modularized Bridge Rectifier MVAC-LVDC Solid-State Transformer. In Proceedings of the 2024 IEEE 10th International Power Electronics and Motion Control Conference (IPEMC2024-ECCE Asia), Chengdu, China, 17 May 2024; IEEE: Piscataway, NJ, USA, 2024; pp. 2722–2729. [Google Scholar]
- Vasiladiotis, M.; Rufer, A.; Beguin, A. Modular Converter Architecture for Medium Voltage Ultra Fast EV Charging Stations: Global System Considerations. In Proceedings of the 2012 IEEE International Electric Vehicle Conference, Greenville, SC, USA, 4–8 March 2012; IEEE: Piscataway, NJ, USA, 2012; pp. 1–7. [Google Scholar]
- Ma, Z.; Cao, H.; Zhao, Y. Modular Design of Solid-State Transformer with High Flexibility. In Proceedings of the 2024 IEEE Energy Conversion Congress and Exposition (ECCE), Phoenix, AZ, USA, 20 October 2024; IEEE: Piscataway, NJ, USA, 2024; pp. 149–155. [Google Scholar]
- Vasiladiotis, M.; Rufer, A. A Modular Multiport Power Electronic Transformer with Integrated Split Battery Energy Storage for Versatile Ultrafast EV Charging Stations. IEEE Trans. Ind. Electron. 2015, 62, 3213–3222. [Google Scholar] [CrossRef]
- Barresi, M.; Ferri, E.; Piegari, L. Solid-State Transformer for EV Ultra-Fast Charging Stations with Series-Connected Dc-Buses for Multiple Charging Voltages. In Proceedings of the 2024 IEEE Transportation Electrification Conference and Expo (ITEC), Chicago, IL, USA, 19 June 2024; IEEE: Piscataway, NJ, USA, 2024; pp. 1–7. [Google Scholar]
- Saha, J.; Kumar, N.; Panda, S.K. A Futuristic Silicon-Carbide (SiC)-Based Electric-Vehicle Fast Charging/Discharging (FC/dC) Station. IEEE J. Emerg. Sel. Top. Power Electron. 2023, 11, 2904–2917. [Google Scholar] [CrossRef]
- Costa, L.F.; Buticchi, G.; Liserre, M. Quad-Active-Bridge DC–DC Converter as Cross-Link for Medium-Voltage Modular Inverters. IEEE Trans. Ind. Appl. 2017, 53, 1243–1253. [Google Scholar] [CrossRef]
- Hussain, M.N.; Furukawa, K.; Mabuchi, Y.; Choudhury, A. A Solid-State Transformer with an AC Link for Multi-Port Fast Charging of Electric Vehicles. In Proceedings of the 2023 IEEE Transportation Electrification Conference & Expo (ITEC), Detroit, MI, USA, 21 June 2023; IEEE: Piscataway, NJ, USA, 2023; pp. 1–6. [Google Scholar]
- Nami, A.; Liang, J.; Dijkhuizen, F.; Demetriades, G.D. Modular Multilevel Converters for HVDC Applications: Review on Converter Cells and Functionalities. IEEE Trans. Power Electron. 2015, 30, 18–36. [Google Scholar] [CrossRef]
- Ronanki, D.; Williamson, S.S. Modular Multilevel Converters for Transportation Electrification: Challenges and Opportunities. IEEE Trans. Transp. Electrif. 2018, 4, 399–407. [Google Scholar] [CrossRef]
- Raju, M.N.; Sreedevi, J.; Mandi, R.P.; Meera, K.S. Modular Multilevel Converters Technology: A Comprehensive Study on Its Topologies, Modelling, Control and Applications. IET Power Electron. 2019, 12, 149–169. [Google Scholar] [CrossRef]
- Priya, M.; Ponnambalam, P.; Muralikumar, K. Modular-multilevel Converter Topologies and Applications—A Review. IET Power Electron. 2019, 12, 170–183. [Google Scholar] [CrossRef]
- Lan, X.; Lehn, P. A Single-Phase MMC-Based Solid-State Transformer Suitable for EV Charging. In Proceedings of the 2024 IEEE Energy Conversion Congress and Exposition (ECCE), Phoenix, AZ, USA, 20 October 2024; IEEE: Piscataway, NJ, USA, 2024; pp. 3304–3311. [Google Scholar]
- Jianqiao, Z.; Jianwen, Z.; Xu, C.; Jiacheng, W.; Jiajie, Z. Family of Modular Multilevel Converter (MMC) Based Solid State Transformer (SST) Topologies for Hybrid AC/DC Distribution Grid Applications. In Proceedings of the 2018 IEEE International Power Electronics and Application Conference and Exposition (PEAC), Shenzhen, China, 4–7 November 2018; IEEE: Piscataway, NJ, USA, 2018; pp. 1–5. [Google Scholar]
- Himmelmann, P.; Hiller, M. Solid-state Transformer Based on Modular Multilevel Converters. J. Eng. 2019, 2019, 4490–4494. [Google Scholar] [CrossRef]
- Zheng, G.; Chen, Y.; Kang, Y. A Modular Multilevel Converter (MMC) Based Solid-State Transformer (SST) Topology with Simplified Energy Conversion Process and Magnetic Integration. IEEE Trans. Ind. Electron. 2021, 68, 7725–7735. [Google Scholar] [CrossRef]
- Teng, J.; Sun, X.; Pan, Y.; Liu, X.; Zhang, Y.; Zhao, W.; Li, X. An Inductive-Filtering Strategy of Submodule Ripple-Power in Triple-Port MMC-Based SST Applied to Hybrid Medium and Low Voltage AC/DC Interface. IEEE Trans. Power Electron. 2022, 37, 8015–8032. [Google Scholar] [CrossRef]
- Li, L.; Li, K.-J.; Sun, K.; Liu, Z. A Three-Port PSFB/DAB-MMC PET with Inertia Enhancement Under LVDC Disturbance. IEEE Trans. Ind. Appl. 2023, 59, 300–311. [Google Scholar] [CrossRef]
- Pool-Mazun, E.I.; Sandoval, J.J.; Enjeti, P.N.; Pitel, I.J. An Integrated Solid-State Transformer with High-Frequency Isolation for EV Fast-Charging Applications. IEEE J. Emerg. Sel. Top. Ind. Electron. 2020, 1, 46–56. [Google Scholar] [CrossRef]
- Zheng, L.; Kandula, R.P.; Divan, D. Soft-Switching Solid-State Transformer with Reduced Conduction Loss. IEEE Trans. Power Electron. 2021, 36, 5236–5249. [Google Scholar] [CrossRef]
- Zheng, L.; Han, X.; An, Z.; Kandula, R.P.; Kandasamy, K.; Saeedifard, M.; Divan, D. SiC-Based 5-kV Universal Modular Soft-Switching Solid-State Transformer (M-S4T) for Medium-Voltage DC Microgrids and Distribution Grids. IEEE Trans. Power Electron. 2021, 36, 11326–11343. [Google Scholar] [CrossRef]
- Hartmann, M.; Fehringer, R. Active Three-Phase Rectifier System Using a “Flying” Converter Cell. In Proceedings of the 2012 IEEE International Energy Conference and Exhibition (ENERGYCON), Florence, Italy, 9–12 September 2012; IEEE: Piscataway, NJ, USA, 2012; pp. 82–89. [Google Scholar]
- Iyer, V.M.; Gulur, S.; Gohil, G.; Bhattacharya, S. An Approach Towards Extreme Fast Charging Station Power Delivery for Electric Vehicles with Partial Power Processing. IEEE Trans. Ind. Electron. 2020, 67, 8076–8087. [Google Scholar] [CrossRef]
- Liserre, M.; Buticchi, G.; Andresen, M.; De Carne, G.; Costa, L.F.; Zou, Z.-X. The Smart Transformer: Impact on the Electric Grid and Technology Challenges. IEEE Ind. Electron. Mag. 2016, 10, 46–58. [Google Scholar] [CrossRef]
- De Carne, G.; Buticchi, G.; Liserre, M.; Yoon, C.; Blaabjerg, F. Voltage and Current Balancing in Low and Medium Voltage Grid by Means of Smart Transformer. In Proceedings of the 2015 IEEE Power & Energy Society General Meeting, Denver, CO, USA, 26–30 July 2015; pp. 1–5. [Google Scholar] [CrossRef]
- Zou, Z.-X.; De Carne, G.; Buticchi, G.; Liserre, M. Smart Transformer-Fed Variable Frequency Distribution Grid. IEEE Trans. Ind. Electron. 2018, 65, 749–759. [Google Scholar] [CrossRef]
- Liserre, M.; Perez, M.A.; Langwasser, M.; Rojas, C.A.; Zhou, Z. Unlocking the Hidden Capacity of the Electrical Grid Through Smart Transformer and Smart Transmission. Proc. IEEE 2023, 111, 421–437. [Google Scholar] [CrossRef]
- She, X.; Huang, A.Q.; Burgos, R. Review of Solid-State Transformer Technologies and Their Application in Power Distribution Systems. IEEE J. Emerg. Sel. Top. Power Electron. 2013, 1, 186–198. [Google Scholar] [CrossRef]
- Agarwal, R.; Li, H.; Guo, Z.; Cheetham, P. The Effects of PWM with High Dv/Dt on Partial Discharge and Lifetime of Medium-Frequency Transformer for Medium-Voltage (MV) Solid State Transformer Applications. IEEE Trans. Ind. Electron. 2023, 70, 3857–3866. [Google Scholar] [CrossRef]
- Saha, J.; Gorla, N.B.Y.; Subramaniam, A.; Panda, S.K. Analysis of Modulation and Optimal Design Methodology for Half-Bridge Matrix-Based Dual-Active-Bridge (MB-DAB) AC–DC Converter. IEEE J. Emerg. Sel. Top. Power Electron. 2022, 10, 881–894. [Google Scholar] [CrossRef]
- Saha, J.; Yadav Gorla, N.B.; Panda, S.K. Analytical Expression-Based Modulation for Soft-Switched Matrix-Based Dual-Active-Bridge (S2MB-DAB) Single-Phase AC-DC Converter. IEEE J. Emerg. Sel. Top. Power Electron. 2022, 10, 6511–6522. [Google Scholar] [CrossRef]
- Jean-Pierre, G.; Beheshtaein, S.; Altin, N.; Nasiri, A. Control and Loss Analysis of a Solid State Transformer Based DC Extreme Fast Charger. In Proceedings of the 2021 IEEE Transportation Electrification Conference & Expo (ITEC), Chicago, IL, USA, 21 June 2021; IEEE: Piscataway, NJ, USA, 2021; pp. 9–14. [Google Scholar]
- Jean-Pierre, G.; Altin, N.; El Shafei, A.; Nasiri, A. Efficiency Optimization of Dual Active Bridge DC– DC Converter with Triple Phase-Shift Control. In Proceedings of the 2020 IEEE Energy Conversion Congress and Exposition (ECCE), Detroit, MI, USA, 11 October 2020; IEEE: Piscataway, NJ, USA, 2020; pp. 1217–1222. [Google Scholar]
- Rothmund, D.; Guillod, T.; Bortis, D.; Kolar, J.W. 99.1% Efficient 10 kV SiC-Based Medium-Voltage ZVS Bidirectional Single-Phase PFC AC/DC Stage. IEEE J. Emerg. Sel. Top. Power Electron. 2019, 7, 779–797. [Google Scholar] [CrossRef]
- Andrioli, G.; Calligaro, S.; Huber, J.; Kolar, J.W.; Petrella, R. Advanced Control of Modularized Bridge Rectifier Solid-State Transformers in MVAC-LVDC Applications. In Proceedings of the 2024 IEEE Energy Conversion Congress and Exposition (ECCE), Phoenix, AZ, USA, 20 October 2024; IEEE: Piscataway, NJ, USA, 2024; pp. 3259–3266. [Google Scholar]
- Lahooti Eshkevari, A.; Mosallanejad, A.; Sepasian, M. In-depth Study of the Application of Solid-state Transformer in Design of High-power Electric Vehicle Charging Stations. IET Electr. Syst. Transp. 2020, 10, 310–319. [Google Scholar] [CrossRef]
- Zhou, J.; Zhang, J.; Wang, J.; Zang, J.; Shi, G.; Feng, X.; Cai, X. Design and Control of Power Fluctuation Delivery for Cell Capacitance Optimization in Multiport Modular Solid-State Transformers. IEEE Trans. Power Electron. 2021, 36, 1412–1427. [Google Scholar] [CrossRef]
- Zheng, L.; Kandula, R.P.; Divan, D. Predictive Direct DC-Link Control for 7.2 kV Three-Port Low-Inertia Solid-State Transformer with Active Power Decoupling. IEEE Trans. Power Electron. 2022, 37, 11673–11685. [Google Scholar] [CrossRef]
- Cao, H.; Wang, H.; Darvish, P.; Du, L.; Wang, Z.; Yang, Y.; Ma, Z.; Zhao, Y. Double Line Frequency Voltage Ripple Reduction Control Strategy for Dual-Active-Bridge in DC/AC System. In Proceedings of the 2024 IEEE Energy Conversion Congress and Exposition (ECCE), Phoenix, AZ, USA, 20 October 2024; IEEE: Piscataway, NJ, USA, 2024; pp. 269–275. [Google Scholar]
- Saha, J.; Gorla, N.B.Y.; Panda, S.K. Implementation of Power Balance Control Scheme for a Cascaded Matrix-Based Dual-Active-Bridge (CMB-DAB) MVAC-LVDC Converter. IEEE Trans. Ind. Appl. 2022, 58, 388–399. [Google Scholar] [CrossRef]
- Saha, J.; Sundararajan, P.; Panda, S.K. Evaluation of Closed-Loop Control Techniques for Single-Stage MVAC-LVDC Solid-State-Transformers in Compact EV Ultra-Fast Charging Stations. In Proceedings of the 2024 IEEE 10th International Power Electronics and Motion Control Conference (IPEMC2024-ECCE Asia), Chengdu, China, 17 May 2024; IEEE: Piscataway, NJ, USA, 2024; pp. 182–187. [Google Scholar]
- Saha, J.; Gorla, N.B.Y.; Panda, S.K. Closed-Form Solution for Multiobjective Optimal Analytical Balance Control for a Single-Stage Isolated MVAC-LVDC Converter in an Electric-Vehicle Ultra-Fast Charging Station. IEEE Trans. Transp. Electrif. 2024, 10, 9055–9070. [Google Scholar] [CrossRef]
- Shi, H.; Wen, H.; Chen, J.; Hu, Y.; Jiang, L.; Chen, G.; Ma, J. Minimum-Backflow-Power Scheme of DAB-Based Solid-State Transformer with Extended-Phase-Shift Control. IEEE Trans. Ind. Appl. 2018, 54, 3483–3496. [Google Scholar] [CrossRef]
- Verdugo, D.; Lillo, J.; Rojas, F.; Azharuddin, M.; Pereda, J. Capacitor Balance Control of a Modular Multilevel Converter Based on Parallel Connected Branches for a MVAC/LVDC Solid State Transformer. In Proceedings of the 2021 IEEE 22nd Workshop on Control and Modelling of Power Electronics (COMPEL), Cartagena, Colombia, 2 November 2021; IEEE: Piscataway, NJ, USA, 2021; pp. 1–7. [Google Scholar]
- Sun, K.; Su, M.; Xu, G.; Chen, X.; Xiong, W. Modulated Coupled Inductor-Based IPOP-DAB Converter with Optimized Modulation Trajectory Considering the Phase-Shift Angle Between Submodules for SST Applications. IEEE J. Emerg. Sel. Top. Power Electron. 2023, 11, 6112–6123. [Google Scholar] [CrossRef]
- Zheng, L.; Kandula, R.P.; Divan, D. Multiport Power Management Method with Partial Power Processing in a MV Solid-State Transformer for PV, Storage, and Fast-Charging EV Integration. In Proceedings of the 2020 IEEE Energy Conversion Congress and Exposition (ECCE), Detroit, MI, USA, 11 October 2020; IEEE: Piscataway, NJ, USA, 2020; pp. 334–340. [Google Scholar]
- Choi, D.; Park, J.-H.; Lee, J.-S. Individual Module Power Transmission Control for Extreme Fast Charging Stations Configured with Solid-State Transformer. In Proceedings of the 2023 IEEE Applied Power Electronics Conference and Exposition (APEC), Orlando, FL, USA, 19 March 2023; IEEE: Piscataway, NJ, USA, 2023; pp. 1723–1728. [Google Scholar]
- Choi, D.; Park, J.-H.; Lee, J.-S. Individual Module-Power Control with Minimum Power Loss for Solid-State Transformer-Based Extreme Fast Charging Stations. In Proceedings of the 2023 IEEE Energy Conversion Congress and Exposition (ECCE), Nashville, TN, USA, 29 October 2023; IEEE: Piscataway, NJ, USA, 2023; pp. 2026–2031. [Google Scholar]
- Cozac, F.; Amorim, T.S.; Yahyaoui, I.; Mendo, D.B.; Encarnação, L.F. Multifunctional Control Strategy for a Hybrid Solid-State Transformer Applied to Modern Distribution Electric Grids. Electronics 2024, 13, 4123. [Google Scholar] [CrossRef]
- Rawat, S.; Narwal, R.; Bhattacharya, S.; Baliga, B.J.; Hopkins, D.C. Enhanced Reactive Power Transfer Capability and ZVS Range Analysis for a Single-Stage DAB Based Electronic Transformer Using Bidirectional Switches. In Proceedings of the 2024 IEEE Energy Conversion Congress and Exposition (ECCE), Phoenix, AZ, USA, 20 October 2024; IEEE: Piscataway, NJ, USA, 2024; pp. 3585–3592. [Google Scholar]
- Wald, F.; De Carne, G. Adaptive Virtual Synchronous Machine Control for Asynchronous Grid Connections. In Proceedings of the 2023 11th International Conference on Power Electronics and ECCE Asia (ICPE 2023-ECCE Asia), Jeju Island, Republic of Korea, 22 May 2023; IEEE: Piscataway, NJ, USA, 2023; pp. 991–996. [Google Scholar]
- Akagi, H.; Watanabe, E.H.; Aredes, M. Instantaneous Power Theory and Applications to Power Conditioning; IEEE Press: Piscataway, NJ, USA; John Wiley & Sons: Hoboken, NJ, USA, 2007; ISBN 978-0-470-10761-4. [Google Scholar]
- Ferreira Costa, L.; De Carne, G.; Buticchi, G.; Liserre, M. The Smart Transformer: A Solid-State Transformer Tailored to Provide Ancillary Services to the Distribution Grid. IEEE Power Electron. Mag. 2017, 4, 56–67. [Google Scholar] [CrossRef]
- Beck, H.-P.; Hesse, R. Virtual Synchronous Machine. In Proceedings of the 2007 9th International Conference on Electrical Power Quality and Utilisation, Barcelona, Spain, 9–11 October 2007; IEEE: Piscataway, NJ, USA, 2007; pp. 1–6. [Google Scholar]
- Rashed Hassan Bipu, M.; Montes, O.; Teng, F.; Wang, D.; Awal, M.A.; Yu, W.; Husain, I.; Lukic, S. Design, Control, and Protection of a 13.2 kV, 1 MVA Solid State Transformer for Electric Vehicle Extreme Fast Charging Station. IEEE Trans. Transp. Electrif. 2025, 11, 4469–4481. [Google Scholar] [CrossRef]
- Topkil, A.; Taha, M.; Walker, A.; Gonzalez, J.O. Scaling Down Megawatt-Level SSTs: Prototype Design and Performance Evaluation. In Proceedings of the 2024 IEEE Workshop on Wide Bandgap Power Devices and Applications in Europe (WiPDA Europe), Cardiff, UK, 16 September 2024; IEEE: Piscataway, NJ, USA, 2024; pp. 1–6. [Google Scholar]
- Salman, M.; Ling, Y.; Li, Y.; Xiang, J. Coordination-Based Power Management Strategy for Hybrid AC/DC Microgrid. IEEE Syst. J. 2023, 17, 6528–6539. [Google Scholar] [CrossRef]
- Xu, Z.; Hu, Z.; Song, Y.; Luo, Z.; Zhan, K.; Wu, J. Coordinated Charging Strategy for PEVs Charging Stations. In Proceedings of the 2012 IEEE Power and Energy Society General Meeting, San Diego, CA, USA, 22–26 July 2012; IEEE: Piscataway, NJ, USA, 2012; pp. 1–8. [Google Scholar]
- Tu, H.; Feng, H.; Srdic, S.; Lukic, S. Extreme Fast Charging of Electric Vehicles: A Technology Overview. IEEE Trans. Transp. Electrif. 2019, 5, 861–878. [Google Scholar] [CrossRef]
- Saha, J.; Kumar, N.; Panda, S.K. A Grid-Supportive Current Ramp-Rate Constrained (GS-CR2 C) Control Strategy for a SST-Based Bidirectional Multi-Port Fast-Charging Station. In Proceedings of the 2022 IEEE International Conference on Power Electronics, Drives and Energy Systems (PEDES), Jaipur, India, 14 December 2022; IEEE: Piscataway, NJ, USA, 2022; pp. 1–6. [Google Scholar]
- Shareef, H.; Islam, M.; Mohamed, A. A Review of the Stage-of-the-Art Charging Technologies, Placement Methodologies, and Impacts of Electric Vehicles. Renew. Sustain. Energy Rev. 2016, 64, 403–420. [Google Scholar] [CrossRef]
- Clement-Nyns, K.; Haesen, E.; Driesen, J. The Impact of Charging Plug-In Hybrid Electric Vehicles on a Residential Distribution Grid. IEEE Trans. Power Syst. 2010, 25, 371–380. [Google Scholar] [CrossRef]
- Meegahapola, L.; Bu, S.; Gu, M. Low Short-Circuit Strength and Converter Associated Stability Issues. In Hybrid AC/DC Power Grids: Stability and Control Aspects; Power Systems; Springer International Publishing: Cham, Switzerland, 2022; pp. 189–231. ISBN 978-3-031-06383-1. [Google Scholar]
- Rasool, A.; Yan, X.; Rasool, U.; Abbas, F.; Numan, M.; Rasool, H.; Jamil, M. Enhanced Control Strategies of VSG for EV Charging Station under a Low Inertia Microgrid. IET Power Electron. 2020, 13, 2895–2904. [Google Scholar] [CrossRef]
- North American Electric Reliability Corporation. Integrating Inverter-Based Resources into Low Short Circuit Strength Systems; NERC: Atlanta, GA, USA, 2017. [Google Scholar]
- Elshenawy, M.A.; Radwan, A.; Mohamed, Y.A.-R.I. Coordinated Grid-Forming Controller for Solid-State Transformer-Enabled PV Farms. IEEE Trans. Energy Convers. 2023, 38, 2596–2611. [Google Scholar] [CrossRef]
- Zheng, L.; Kandula, R.P.; Divan, D. Robust Predictive Control for Modular Solid-State Transformer with Reduced DC Link and Parameter Mismatch. IEEE Trans. Power Electron. 2021, 36, 14295–14311. [Google Scholar] [CrossRef]
- Ye, Q.; Mo, R.; Li, H. Impedance Modeling and DC Bus Voltage Stability Assessment of a Solid-State-Transformer-Enabled Hybrid AC–DC Grid Considering Bidirectional Power Flow. IEEE Trans. Ind. Electron. 2020, 67, 6531–6540. [Google Scholar] [CrossRef]
- Zhao, T.; Feng, Z.; Wang, M.; Wu, M.; Zhang, X. Active Power Backflow Suppression Strategy of Cascaded PV Solid-State Transformer Under Interphase Short-Circuit Fault Condition. IEEE J. Emerg. Sel. Top. Power Electron. 2023, 11, 2350–2363. [Google Scholar] [CrossRef]
- De Carne, G.; Buticchi, G.; Liserre, M.; Vournas, C. Frequency-Based Overload Control of Smart Transformers. In Proceedings of the 2015 IEEE Eindhoven PowerTech, Eindhoven, The Netherlands, 29 June–2 July 2015; IEEE: Piscataway, NJ, USA, 2015; pp. 1–5. [Google Scholar]
- Ronanki, D.; Kelkar, A.; Williamson, S.S. Extreme Fast Charging Technology—Prospects to Enhance Sustainable Electric Transportation. Energies 2019, 12, 3721. [Google Scholar] [CrossRef]
- Li, S.; Lu, S.; Mi, C.C. Revolution of Electric Vehicle Charging Technologies Accelerated by Wide Bandgap Devices. Proc. IEEE 2021, 109, 985–1003. [Google Scholar] [CrossRef]
- Huber, J.E.; Kolar, J.W. Applicability of Solid-State Transformers in Today’s and Future Distribution Grids. IEEE Trans. Smart Grid 2019, 10, 317–326. [Google Scholar] [CrossRef]
- Jin, F.; Nabih, A.; Chen, C.; Chen, X.; Li, Q.; Lee, F.C. A High Efficiency High Density DC/DC Converter for Battery Charger Applications. In Proceedings of the 2021 IEEE Applied Power Electronics Conference and Exposition (APEC), Phoenix, AZ, USA, 14 June 2021; IEEE: Piscataway, NJ, USA, 2021; pp. 1767–1774. [Google Scholar]
- Mukherjee, S.; Ruiz, J.M.; Barbosa, P. A High Power Density Wide Range DC–DC Converter for Universal Electric Vehicle Charging. IEEE Trans. Power Electron. 2023, 38, 1998–2012. [Google Scholar] [CrossRef]
- Rothmund, D.; Guillod, T.; Bortis, D.; Kolar, J.W. 99% Efficient 10 kV SiC-Based 7 kV/400 V DC Transformer for Future Data Centers. IEEE J. Emerg. Sel. Top. Power Electron. 2019, 7, 753–767. [Google Scholar] [CrossRef]
- Grider, D.; Das, M.; Agarwal, A.; Palmour, J.; Leslie, S.; Ostop, J.; Raju, R.; Schutten, M.; Hefner, A. 10 kV/120 A SiC DMOSFET Half H-Bridge Power Modules for 1 MVA Solid State Power Substation. In Proceedings of the 2011 IEEE Electric Ship Technologies Symposium, Alexandria, VA, USA, 10–13 April 2011; IEEE: Piscataway, NJ, USA, 2011; pp. 131–134. [Google Scholar]
- Kadandani, N.B.; Dahidah, M.; Ethni, S.; Alharbi, M.A. Overloading Scenario in Solid State Transformer. In Proceedings of the 2020 11th International Renewable Energy Congress (IREC), Hammamet, Tunisia, 29 October 2020; IEEE: Piscataway, NJ, USA, 2020; pp. 1–6. [Google Scholar]
- Andresen, M.; Raveendran, V.; Buticchi, G.; Liserre, M. Lifetime-Based Power Routing in Parallel Converters for Smart Transformer Application. IEEE Trans. Ind. Electron. 2018, 65, 1675–1684. [Google Scholar] [CrossRef]
- Haque, M.S.; Choi, S. Deep Deterministic Gradient Policy (DDGP) Reinforcement Learning Assisted Degradation-Aware Control of Solid-State Transformer. In Proceedings of the 2021 IEEE Applied Power Electronics Conference and Exposition (APEC), Phoenix, AZ, USA, 14 June 2021; IEEE: Piscataway, NJ, USA, 2021; pp. 2090–2096. [Google Scholar]
- Rothmund, D.; Ortiz, G.; Kolar, J.W. SiC-Based Unidirectional Solid-State Transformer Concepts for Directly Interfacing 400V DC to Medium-Voltage AC Distribution Systems. In Proceedings of the 2014 IEEE 36th International Telecommunications Energy Conference (INTELEC), Vancouver, BC, USA, 28 September–2 October 2014; IEEE: Piscataway, NJ, USA, 2014; pp. 1–9. [Google Scholar]
- ABB E-mobility. ABB E-Mobility Charging Solutions for Electric Bus Fleets; ABB E-mobility: Zurich, Switzerland, 2023. [Google Scholar]
- ABB Ltd. T360 Proven and Reliable Fast Charging; ABB E-mobility: Zurich, Switzerland, 2024. [Google Scholar]
- Siemens, A.G. High-Power Compact Charging System SICHARGE D; Siemens Smart Infrastructure: Erlangen, Germany, 2024. [Google Scholar]
- Tritium DCFC Limited. TRI-FLEX Data Sheet; Tritium E-Mobility: Brisbane, QLD, Australia, 2025. [Google Scholar]
- XCharge Technology Co., Ltd. C7 Ultra-Fast Charger Data Sheet; Xcharge: Beijing, China, 2023. [Google Scholar]
- Huawei Technologies Co., Ltd. Huawei FusionCharge Solution; Huawei Digital Power: Shenzhen, China, 2024. [Google Scholar]
- International Energy Agency. Global EV Outlook 2025; IEA: Paris, France, 2025. [Google Scholar]
- Charging Interface Initiative, e.V. (CharIN). Megawatt Charging System (MCS) 2.0 White Paper; CharIN e.V.: Berlin, Germany, 2025. [Google Scholar]
- China High-Voltage Fast Charging Industry Development Report (2023–2025); Huawei Technologies Co., Ltd.: Beijing, China, 2025.
- BloombergNEF. Electric Vehicle Outlook 2025: Executive Summary; Bloomberg Finance L.P.: New York, NY, USA, 2025. [Google Scholar]
- Dyussembekova, N.; Schütt, R.; Leiße, I.; Ralfs, B. Decision Process for Identifying Appropriate Devices for Power Transfer between Voltage Levels in Distribution Grids. Energies 2024, 17, 2158. [Google Scholar] [CrossRef]
- Saha, J.; Hazarika, D.; Gorla, N.B.Y.; Panda, S.K. Machine-Learning-Aided Optimization Framework for Design of Medium-Voltage Grid-Connected Solid-State Transformers. IEEE J. Emerg. Sel. Top. Power Electron. 2021, 9, 6886–6900. [Google Scholar] [CrossRef]






























| Topology Type | Technical Features | Efficiency and THD (%) | Bottlenecks | Cases |
|---|---|---|---|---|
| Vienna Rectifier [9,11,12,13,14,15] | • Three-level structure • Unidirectional | >95% <1 | • Does not support V2G • Neutral-point balancing issues | Texas Instruments Level 3 Commercial Fast Charging (120–350 kW) [16] |
| NPC Rectifier (Neutral Point Clamped) [9,14,15] | • Three-level topology • Supports V2G | >97% <1 | • Neutral-point balancing issues | NPC-Based Bi-Directional Rapid EV Charging Prototype (30 kW) [17] |
| SWISS RECTIFIER [14,18] | • Eight-switch bridgeless structure • Unidirectional | >96% <1 | • Does not support V2G • Limited power capability •Complex control | Swiss-Rectifier-Based EV Charging Prototype (10 kW) [19] |
| CHB Rectifier (Cascaded H-Bridge Rectifier) [9,13,14] | • Multi-module series-connected topology | >95% <1 | • Low efficiency under light load • Complex control | CHB + Three-level CLLC Resonant Converter [20] |
| Standard Multi-Level/Boost-Type Rectifiers (TLB, TLI, MCB, AFE, etc.) [9] | • Boost-type structure • Mature technology, compatible with standard PFC control schemes | - | • Neutral-point balancing issues • Large neutral-point support capacitor | - |
| Topology Type | Main Technical Features | Efficiency | Existing Bottlenecks | Application Cases |
|---|---|---|---|---|
| LLC Resonant Converter [9,13,14,15] | • Resonant soft-switching structure, suitable for improving light-load efficiency • High power-density topology design • Includes enhanced CLLC variant to improve light-load efficiency and gain control | >95% | • Poor light-load efficiency | Texas Instruments Level 3 Commercial Fast Charging (120–350 kW) [16] |
| DAB [9,13,14,15] | • Symmetrical dual-bridge structure • Supports ZVS soft-switching • Sensitive to parasitic parameters | >95% | • Sensitive to parasitic parameters • Challenges in thermal management and resonant control | SiC-Based Medium-Voltage Fast Charger Prototype (200 kW) [21] |
| PSFB (Phase-Shifted Full Bridge) [9,14,15] | • Simple control logic | >95% | • Secondary hard switching affects efficiency • Not suitable for complex grid-side feedback | PSFB with Center-Tapped Clamp Prototype (3.3 kW) [22] |
| Non-Isolated Boost/Buck Converter [14,15] | • Simple structure, low cost | - | • No galvanic isolation • Limited voltage capability • Lack of isolation leads to large ripple and strong interference | NPC-Based Bi-Directional Rapid EV Charging Prototype (30 kW) [17] |
| Core Topology Combination | Power Rating | System Characteristics |
|---|---|---|
| Three-level active front-end rectifier + LLC resonant converter + hybrid-switch inverter [34] | 15 kV/25 kW | - Natural cooling - High voltage regulation - Foundational architecture for SST |
| TLB + ANPC-DAB [35] | 12.47 kV/350 kW | - High-voltage direct connection - Compact structure - Well-suited for SiC devices |
| ISOP + Three-level boost PFC + Half-bridge LLC [36] | 3.8 kV input/16 kW (4 × 4 kW) | - Modular redundancy - Harmonic optimization |
| QAB + Wide-voltage direct connection structure [37] | MV input/4 kW | - Three-phase self-balancing - Adaptable to various EVs |
| CHB + Three-level CLLC resonant converter [20] | 13.2 kV/400 kW | - High efficiency - Commercially deployable topology |
| Topology Type | Grid Interaction Capability | Key Technical Features | Loss Characteristics |
|---|---|---|---|
| Modular Multilevel Converter (MMC) [9,13,14,15] | • V2G • Grid–vehicle interaction | • Multi-level modular structure • High-voltage output and fault tolerance | • Loss sharing |
| Modular Push–Pull Converter (MPC) [9,14,15] | • V2G | • Three-phase center-tapped structure eliminates DC bias | • Parallel architecture reduces conduction loss |
| Cascaded H-Bridge (CHB) [9,13,14] | • V2G • Grid–vehicle interaction • Low harmonic pollution | • Each submodule has self-sustained capacitor voltage balancing | • Circulating current loss is controllable |
| Multiport Modular SST (MPMSST) [13,14] | • V2X • Large-scale deployment | • Multiport modular parallel power distribution • MPC-based power flow optimization | • Multiport optimization reduces overall losses |
| Control Method | Applicable Topologies | Advantages | Areas for Improvement |
|---|---|---|---|
| Dual-Loop Control [13,18] | - TPSSBR - Vienna | -Simple structure - high reliability | -Sampling delay -Poor light-load performance |
| Proportional Resonant Control (PR) [13,18] | - Vienna - NPC multilevel | - No steady - state error | - Parameter sensitivity - Complex computation |
| SVM voltage balancing in closed-loop [18] | - NPC - CHB multilevel | - Utilizes redundant switching states | - High control complexity |
| Voltage-Oriented Control (VOC) [13,14,18] | - Vienna - Multilevel | - Easy PFC implementation - Compatible with SVPWM | - Requires PLL |
| Sliding Mode Control (SMC) [13] | - Vienna rectifier | - Fast response - Strong robustness | - Switching chattering issue |
| Model Predictive Control (MPC) [13] | - CHB - TLT | - High dynamic performance | - High computational burden |
| Control Method | Applicable Topologies | Advantages | Improvement Direction |
|---|---|---|---|
| PI Cascade Control [13,18] | - Multi-phase interleaved topology | - Simple and easy to implement | - Low light-load efficiency |
| Model Predictive Control (MPC) [13,18] | - MMC - three-level DC/DC | - Multi-objective optimization - High dynamic performance | - High computational complexity |
| Burst-Mode Control [18] | - LLC - PSFB | - Low light-load loss | - Output voltage ripple suppression |
| Mixed PFM + PWM control [14,18] | - LLC | - Extended soft-switching range | - Complex control logic |
| Phase-Shift Control [13,14,18] | - DAB - PSFB | - Low backflow and switching loss | - SPS cannot achieve soft switching at light load |
| Control Method | Application Scenario | Implementation Mechanism | Advantages |
|---|---|---|---|
| Droop Control [18] | Multi-charger parallel operation | Simulates droop characteristics of synchronous generators | Communication-independent |
| Zero-Sequence Circulating Current Suppression [14] | Parallel AC/DC modules | Zero-sequence current feedback loop ([79]) | - No need for extra sensors - >90% suppression rate |
| Distributed Voltage Balancing Control [13] | ISOP/IPOS structures | - Local controller exchanges voltage error - Independently adjusts PWM duty cycle | - No central controller - Single-point failure does not affect the whole system |
| Target Function | Applicable SST Structure | Typical Application Scenario/Limitations |
|---|---|---|
| Harmonic compensation, reactive power regulation, partial power processing (PPP) [90] | Hybrid SST | - Effective for low-voltage distribution grids |
| Enhanced reactive power support under light load, extended ZVS region [91] | Single-stage DAB electronic transformer | - Designed for light-load and weak grid conditions - Experimental validation confirms improved ZVS region and reduced THD |
| Frequency support and inertia emulation under weak grid conditions [92] | B2B-structured simulated SST (AC–DC–AC) | - Offers practical potential for low-inertia systems with a high share of renewables |
| Control Method | Targeted Special Operating Conditions | Solution Approach and Key Measures | Applicable Scenarios |
|---|---|---|---|
| Adaptive ZSV Compensation (AZSVCS)+ PNS Harmonic Injection(PNSMMHZSVIS) [110] | - Active power backflow during interphase faults. - Modulation instability under low power/deep voltage sag | - Dynamically adjust zero-seq coefficient for power balance - Inject harmonic zero-seq voltage to reshape modulation - Hierarchical control to reduce latency | - High dynamic power scenarios - Deep voltage sag scenarios |
| Frequency-Based Overload Control (FBOC) [111] | - Current approaching the hard limit and exceeds the set security threshold | - ST actively lowers grid frequency - Activates DG droop controllers to increase active power injection - Resets nominal frequency when current recovers | - LV grids with droop-controlled DG |
| Typical Topologies and Their Features | Corresponding Control Strategies | Synergistic Performance Benefits | Assessment (Complexity, Stability, Comparison) |
|---|---|---|---|
| • DAB and Variants - Natural bidirectionality - Wide ZVS capability [71,72,73,74] | • Online Analytical Modulation • Minimum-Backflow-Power Scheme (MEPS) | • Efficiency: 96–98.5% (wide load range) • THD: 0.8–1.6% (grid-side) • Power Density: 2.4–3.8 kW/L • Full-range ZVS achieved | - Computational load, model dependency - Model sensitivity, light-load oscillation risk - High efficiency and flexibility vs. highest control complexity |
| • LLC and Variants - Resonant soft-switching - High peak efficiency [24,25,26] | • Hybrid Control (PFM+PWM) • Adaptive Dead-Time Control | • Efficiency: 97.5–99% • Innate Bidirectionality • EMI: Low | - Medium-Low control algorithm complexity - Inherently high stability - efficiency and superior EMI performance vs. narrower gain range |
| • Other Front-End Topologies - Multi-level, PFC capability - MV direct connection [35,36] | • Hybrid Feedforward Control | • THD: <3.75% • Efficiency: 98% • Robust MV grid adaptation | - Requires precise modeling - High robustness to grid disturbance - Excellent PFC and cost-effective solutions vs. complex modeling |
| Typical Topologies and Their Features | Corresponding Control Strategies | Synergistic Performance Benefits | Assessment (Complexity, Stability, Comparison) |
|---|---|---|---|
| • DAB and Modular Variants - Fundamental building block for scaling [84,85,86] | • Multi-objective Optimal Control (MOC) • Modulated Coupled Inductor Control | • <5% power sharing accuracy • Significant reduction in turn-off and RMS current • Enables high-power system scaling (MW-level) | - Requires fast online parameter estimation and communication sync - Good hot-swap support - Achieving modularity vs. high complexity |
| • Modularized Bridge Rectifier (mBR) - Ultra-simplified hardware architecture [39,40,41,42] | • ΣΔ-Vector Control | • THD < 1% • Efficiency > 98% | - Complexity: Medium - High robustness to parameter changes - High power density and low cost vs. unidirectional power flow |
| • Modular Multilevel Converter (MMC) [78] - Superior waveform quality for MV connection | • Power Fluctuation Delivery (PFD) Control | • Capacitor volume reduced by 90% • Power density increased by 50% | - No additional hardware required - Stable operation - Ideal for compact high-power scenarios vs. higher submodule count |
| Typical Topologies and Their Features | Corresponding Control Strategies | Synergistic Performance Benefits | Assessment (Complexity, Stability, Comparison) |
|---|---|---|---|
| • DAB and Variants - Provides galvanic isolation - Compact structure [91] | • Reduced Frequency Modulation (RFM) | • Enhanced light-load reactive power support • THD reduced from 5.2% to 2.5% • Light-load efficiency improved | -Low complexity - Good for light-load/weak grid conditions - Effective solution for extending operating range |
| • Cascaded H-Bridge (CHB) - Excellent fault voltage tolerance [110] | • Dynamic Comp. and Harmonic Modulation (AZSVCS and PNSMMHZSVIS) | • Suppresses active power backflow during faults • Rapid DC bus stabilization (<250 ms) | - High complexity - Enhanced robustness in asymmetric faults - Superior for fault ride-through in high-power applications |
| • Others (HSST, etc.) - Full controllability [87,90,92,93,95,111] | • Multi-function Control Strategies - Harmonic/reactive comp. and PPP - Adaptive VSM and FBOC - LV side voltage/frequency regulation | • Multi-dimensional power quality regulation • Frequency support in weak grids • Dynamic overload management • Cost-effective solutions | - High complexity - Cost-effective and full ancillary services |
| Commercial Case Name | Power Rating | Voltage Range | Peak Efficiency | Interface Protocols | Year |
|---|---|---|---|---|---|
| ABB HVC360 [123] | 360 kW | 150–850 V DC | 96% | • CCS2 | 2024 |
| Terra 360 [124] | 360 kW | 150–920 V DC | >95% | • CCS2 • CHAdeMO 1.2 | 2021 |
| Siemens Sicharge D 400 [125] | 400 kW | 150–1000 V DC | 96% | • CCS2 | 2024 |
| Tritium TRI-FLEX [126] | 400 kW | 150–1000 V DC | 97.20% | • CCS1 • CCS2 • NACS | 2025 |
| XCharge C7 Ultra-Fast Charger [127] | 400 kW | 200–1000 V DC | ≥94% | • CCS2 | 2024 |
| Huawei Fusion Charge [128] | 600 kW | 200–1000 V DC | ≥96% | • CCS2 • GB/T • CHAdeMO | 2024 |
Disclaimer/Publisher’s Note: The statements, opinions and data contained in all publications are solely those of the individual author(s) and contributor(s) and not of MDPI and/or the editor(s). MDPI and/or the editor(s) disclaim responsibility for any injury to people or property resulting from any ideas, methods, instructions or products referred to in the content. |
© 2025 by the authors. Licensee MDPI, Basel, Switzerland. This article is an open access article distributed under the terms and conditions of the Creative Commons Attribution (CC BY) license (https://creativecommons.org/licenses/by/4.0/).
Share and Cite
Xiao, H.; Prasad, K.; Kilby, J. A Review of Solid-State Transformer-Based Ultra-Fast Charging Station Technologies: Topologies, Control, and Grid Interaction. Energies 2025, 18, 4705. https://doi.org/10.3390/en18174705
Xiao H, Prasad K, Kilby J. A Review of Solid-State Transformer-Based Ultra-Fast Charging Station Technologies: Topologies, Control, and Grid Interaction. Energies. 2025; 18(17):4705. https://doi.org/10.3390/en18174705
Chicago/Turabian StyleXiao, Hanbing, Krishnamachar Prasad, and Jeff Kilby. 2025. "A Review of Solid-State Transformer-Based Ultra-Fast Charging Station Technologies: Topologies, Control, and Grid Interaction" Energies 18, no. 17: 4705. https://doi.org/10.3390/en18174705
APA StyleXiao, H., Prasad, K., & Kilby, J. (2025). A Review of Solid-State Transformer-Based Ultra-Fast Charging Station Technologies: Topologies, Control, and Grid Interaction. Energies, 18(17), 4705. https://doi.org/10.3390/en18174705

