Next Article in Journal
Transient Stability Assessment of Power Systems Built upon a Deep Spatio-Temporal Feature Extraction Network
Previous Article in Journal
Parameter-Free Model Predictive Control of Five-Phase PMSM Under Healthy and Inter-Turn Short-Circuit Fault Conditions
 
 
Font Type:
Arial Georgia Verdana
Font Size:
Aa Aa Aa
Line Spacing:
Column Width:
Background:
Article

Design of a Fuzzy Logic Control System for a Battery Energy Storage System in a Photovoltaic Power Plant to Enhance Frequency Stability

1
Department of Electrical Engineering, Faculty of Electrical and Electronic Engineering, National University of Engineering, Lima 15333, Peru
2
MCIA Research Center, Department of Electronic Engineering, Universitat Politècnica de Catalunya, 08222 Terrassa, Spain
3
Group of Mathematical Modeling and Numerical Simulation, National University of Engineering, Lima 15333, Peru
*
Author to whom correspondence should be addressed.
Energies 2025, 18(17), 4550; https://doi.org/10.3390/en18174550
Submission received: 24 June 2025 / Revised: 15 August 2025 / Accepted: 22 August 2025 / Published: 27 August 2025
(This article belongs to the Section F1: Electrical Power System)

Abstract

The increasing penetration of photovoltaic (PV) generation in power systems is progressively displacing traditional synchronous generators, leading to a significant reduction in the system’s equivalent inertia. This decline undermines the system’s ability to withstand rapid frequency variations, adversely affecting its dynamic stability. In this context, battery energy storage systems (BESS) have emerged as a viable alternative for providing synthetic inertia and enhancing the system’s response to frequency disturbances. This paper proposes the design and implementation of an adaptive fuzzy logic controller aimed at frequency regulation in PV-BESS systems. The controller uses frequency deviation (Δf), rate of change of frequency (ROCOF), and battery state of charge (SOC) as input variables, with the objective of improving the system’s response to frequency variations. The controller’s performance was evaluated through simulations conducted in the MATLAB environment, considering various operating conditions and disturbance scenarios. The results demonstrate that the proposed controller achieves the lowest maximum frequency deviation across all analyzed scenarios when the initial SOC is 50%, outperforming other comparative methods. Finally, compliance with primary frequency regulation (PFR) was verified in accordance with the Technical Procedure PR-21 related to spinning reserve, issued by the Peruvian Committee for Economic Operation of the System.

1. Introduction

Recently, solar energy has experienced significant and rapid global expansion, driven by technological advancements, declining production costs, and favorable regulatory reforms that facilitate its integration into the electricity grid. Solar photovoltaic (PV) has become the second most widely deployed renewable energy source, surpassed only by hydropower [1]. In 2023, the global solar PV sector saw substantial growth, with 447 GW of newly installed capacity, accounting for 78% of the 576 GW of new renewable energy capacity added that year. This surge solidifies solar PV as the leading renewable power generation technology, far surpassing the combined contributions of other renewable sources, with a capacity more than three times greater. Over the past few years, solar’s share of newly added renewable capacity has increased significantly, rising from 56% in 2021 to 66% in 2022 and reaching 78% in 2023. These figures underscore the rapid development and growing importance of solar energy within the global energy landscape (see Figure 1) [2]. Despite these advancements, the renewable energy sector continues to face challenges arising from geopolitical conflicts, protectionist policies, and persistent risks within the global energy landscape. China, the United States, India, Japan, and Germany currently lead in total installed solar power capacity. However, the global energy transition remains uneven, particularly in comparison with countries that continue to rely heavily on fossil fuels for energy security [3].
Electricity generation from solar photovoltaic (PV) systems fundamentally differs from conventional sources such as thermal power plants, which utilize fossil fuels (e.g., natural gas, diesel, or coal) to produce alternating current (AC) electricity. In contrast, PV panels directly convert solar energy into direct current (DC) electricity. Thermoelectric power plants operate with generators that are synchronized with the power grid, typically running at 50 Hz or 60 Hz to maintain system stability and synchronization. PV plants, however, lack the rotating mass that characterizes conventional generators. Instead, they rely on power electronic inverters to convert DC output into AC, enabling seamless integration into the electrical grid [4].
The transition to a greenhouse gas (GHG)-free energy matrix presents significant challenges to power grid stability. The integration of renewable energy sources, such as solar photovoltaic (PV) systems, introduces variability and intermittency due to fluctuations in solar irradiance and the inherently low inertia of these technologies [5,6]. Unlike conventional generation systems, these sources do not contribute rotational inertia, leading to a decrease in the overall system inertia as renewable penetration increases (see Figure 2) [7,8]. This reduction in inertia can compromise grid stability, as PV systems, unlike wind power, cannot leverage the mechanical inertia of rotating wind turbines to help regulate system frequency, even temporarily [9,10]. Consequently, it has become increasingly important for PV power plants to provide essential grid support services [11]. Specifically, they must be capable of contributing to voltage and frequency regulation in a manner comparable to conventional synchronous generators.
Traditionally, PV systems operate using maximum power point tracking (MPPT) techniques [12,13], which prioritize maximizing energy output over grid frequency regulation. However, the development of flexible maximum power point tracking (FPPT) strategies has emerged to address this limitation [14]. FPPT enables PV systems to operate below their maximum power point, thereby creating an active power reserve. Although solar PV plants inherently lack rotational inertia, it is possible to emulate the kinetic energy of synchronous generator rotors through appropriate control strategies [15,16]. One such approach involves the deliberate creation of power reserves using various control methods, including adaptive control schemes that respond to adverse environmental conditions, such as shading from cloud cover [17]. Another solution involves the integration of energy storage systems (ESS) with PV plants, which can further enhance frequency regulation capabilities and improve overall economic efficiency [18]. In this context, Ref. [19] identifies two primary challenges related to frequency stability. The first is the lack of inertia, as PV technologies are static generation systems that do not provide rotational inertia, complicating their coordination with conventional generation sources. The second challenge involves frequency fluctuations; due to their low inertia, PV systems pose a risk to the mechanical inertia balance of the power system. Inverter-based power systems with low inertia are particularly vulnerable to disturbances, as the rate of change of frequency (ROCOF) increases rapidly following a contingency, potentially resulting in significant frequency deviations and even cascading system failures [20,21,22]. To mitigate these adverse effects, several solutions have been proposed, including energy storage systems, advanced power electronics, improved control strategies, and, fundamentally, comprehensive grid planning.
Consequently, several research projects have been undertaken, including those led by the National Renewable Energy Laboratory (NREL) and First Solar [23]. The primary objective of these initiatives has been the development of control strategies for photovoltaic systems integrated with battery energy storage systems (BESS), enabling the demonstration of their effectiveness in various scenarios, such as:
  • Adaptation of generation to load through time-shifting, thereby reducing constraints imposed on photovoltaic energy;
  • Facilitation of higher levels of PV penetration in the power grid;
  • Application of PV-BESS systems in swing damping control;
  • Implementation of grid-forming capabilities using BESS to enable black start and islanded operation of PV-BESS systems.
The results obtained demonstrate that the PV-BESS system exhibits robust primary frequency regulation (PFR) capabilities at droop settings of 5% and 3%. In [24], the authors propose and evaluate a BESS with droop control and droop coefficient design to mitigate the impacts of high PV penetration under various types of disturbances. State of charge (SOC) and frequency deviation operating bands are considered in [25] to optimize both the sizing of the BESS and its operation as a frequency support system for PV power plants. In [26], a control strategy is presented in which the BESS operation incorporates specific consideration of disturbance types, applying SOC constraints based on the nature of the event. In [27], an adaptive droop control strategy based on a logistic function, dependent on the SOC, is implemented for a large-scale BESS. Notably, the BESS is proposed to be distributed in modular units within a centralized storage facility, operating in coordination with thermal power plants. In [28], a coordinated control for energy storage participating in the PFR, considering the rate of change of frequency (ROCOF), is incorporated. The utilization of fuzzy logic for the computation of the droop control coefficient and the optimization of the coefficients for the two control modes, virtual inertia or virtual droop, are among the contributions.
Recent advances in adaptive frequency regulation for photovoltaic systems with battery energy storage systems (PV-BESS) have investigated various control strategies, including fuzzy logic-based controllers, with the goal of enhancing grid stability and addressing the inherent challenges posed by high renewable energy penetration. For instance, Ref. [29] proposes an interval type-2 fuzzy logic controller (IT2FLC) for optimal energy management in hybrid microgrids, demonstrating its adaptability to different modes of electric vehicle integration, with a focus on cost reduction and energy balance. Similarly, the authors in [30] examine the optimal battery management in wind and solar-based microgrids using a Modified Slime Mould Algorithm (MSMA) combined with a fuzzy-PID controller, emphasizing its real-time applicability and robust state of charge (SOC) prediction. In [31], a robust type-2 fuzzy logic controller is presented for photovoltaic systems connected to microgrids with battery storage, demonstrating its effectiveness in enhancing power quality under conditions of solar irradiance variability and nonlinear loads through the use of a multifunctional inverter. Another relevant study is presented in [32], which discusses and evaluates an optimal strategy for DC bus voltage regulation in photovoltaic systems with battery storage, employing an adaptive fuzzy logic controller alongside a novel supervisory energy management approach. This strategy focuses on ensuring power flow stability and maintaining component operating limits. Finally, the authors in [33] investigate the control of active and reactive power in a battery storage system using fuzzy logic to sustain voltage and frequency stability in an islanded microgrid, demonstrating a rapid return to steady-state conditions.
Although previous studies have established a solid foundation for the application of fuzzy logic-based controllers in PV-BESS systems aimed at enhancing frequency stability and energy management, the controller proposed in this work introduces key innovations that set it apart from prior contributions. This study presents an adaptive control strategy based on fuzzy logic applied to a battery energy storage system (BESS), utilizing three input variables: frequency deviation (Δf), rate of change of frequency (ROCOF), and the state of charge (SOC) of the batteries. These variables enable the provision of synthetic inertia and primary frequency regulation in response to various types of disturbances in the electrical system. The combination of these three input variables enables a more accurate and efficient control response while preserving the state of charge of the BESS. The control strategy is implemented using a Barbell strategy, also known as convex transformation, which facilitates rapid recovery of frequency stability without requiring prior knowledge of the exact timing of disturbances. Instead, this strategy focuses on avoiding operating conditions that could compromise the stability of the electrical system. Within this framework, fuzzy logic emerges as a versatile and effective tool due to its ability to model complex nonlinear systems and its ease of integration with conventional control schemes. The performance of the proposed controller was compared against three alternative approaches: conventional droop control, droop control with a hybrid strategy, and droop control based on a logistic function. The evaluation was conducted using three key performance indicators: the impact of the control on frequency deviation, the root mean square (RMS) of the BESS state of charge (SOC), and the level of non-compliance (NCL). The results demonstrate that the proposed controller achieves the lowest maximum frequency deviation across all evaluated scenarios when the initial SOC is set at 50%, significantly outperforming the benchmark methods.
Likewise, the proposed controller was validated by verifying its compliance with the primary frequency regulation (PFR) requirements, in accordance with Technical Procedure PR-21 on spinning reserve, issued by the Peruvian System Economic Operation Committee (COES, by its acronym in Spanish). Finally, the mathematical models of the photovoltaic plant, the BESS, and the fuzzy control system were developed and implemented in the MATLAB/Simulink version 2024a environment.
The remainder of this paper is organized as follows. Section 2 presents the frequency dynamics of the power system, with emphasis on conventional generation units and the photovoltaic power plant. Section 3 describes the connection scheme of the BESS within the PV plant and the operation of the bidirectional converter. The droop control strategies that were implemented for the BESS for primary frequency regulation are delineated in Section 4. In Section 5, the operating regions of the BESS and the SOC recovery strategy are explained. Section 6 introduces the proposed adaptive droop control method, along with the membership functions associated with the input and output variables of the fuzzy logic controller. Section 7 presents the mathematical formulations of the indicators used to evaluate the adaptive droop control, aiming to verify its effectiveness in terms of frequency and SOC performance. The simulation results of the proposed controller under various scenarios are discussed in Section 8. Additionally, its validation is presented through compliance with the primary frequency regulation (PFR) requirements outlined in Technical Procedure PR-21 regarding the spinning reserve, which was issued by the Peruvian Committee for Economic Operation of the System. Finally, Section 9 provides the conclusions and recommendations of this work.

2. System Frequency Dynamics

To maintain the balance between electricity generation and demand, power systems implement multiple levels of control operating at different time intervals, as illustrated in Figure 3. When a mismatch between generation and demand occurs, generators are unable to adjust their output instantaneously. In such instances, the kinetic energy stored in the rotating masses of conventional synchronous generators provides an immediate inertial response, temporarily mitigating the imbalance until primary control is activated (typically within 1 to 5 s). The speed governor then initiates the primary control action within the first few seconds following a frequency disturbance (generally between 10 and 40 s), aiming to reduce the initial frequency deviation. Subsequently, Automatic Generation Control (AGC) engages as a secondary control mechanism, operating over several minutes (typically between 10 and 30 min) to restore system frequency to its nominal value. Finally, tertiary control is deployed to manage power reserves once the system has identified the need for sustained frequency regulation, generally after 30 min or more.
As conventional generators are gradually replaced by renewable energy sources, the system’s ability to provide inertial response diminishes. This reduction leads to an increased rate of change of frequency (ROCOF) and a more pronounced drop in the nadir frequency over a short time span. In this context, primary control does not have sufficient time, typically less than 10 s, to respond effectively and halt the frequency decline. As a result, the power system becomes more susceptible to frequency instabilities.
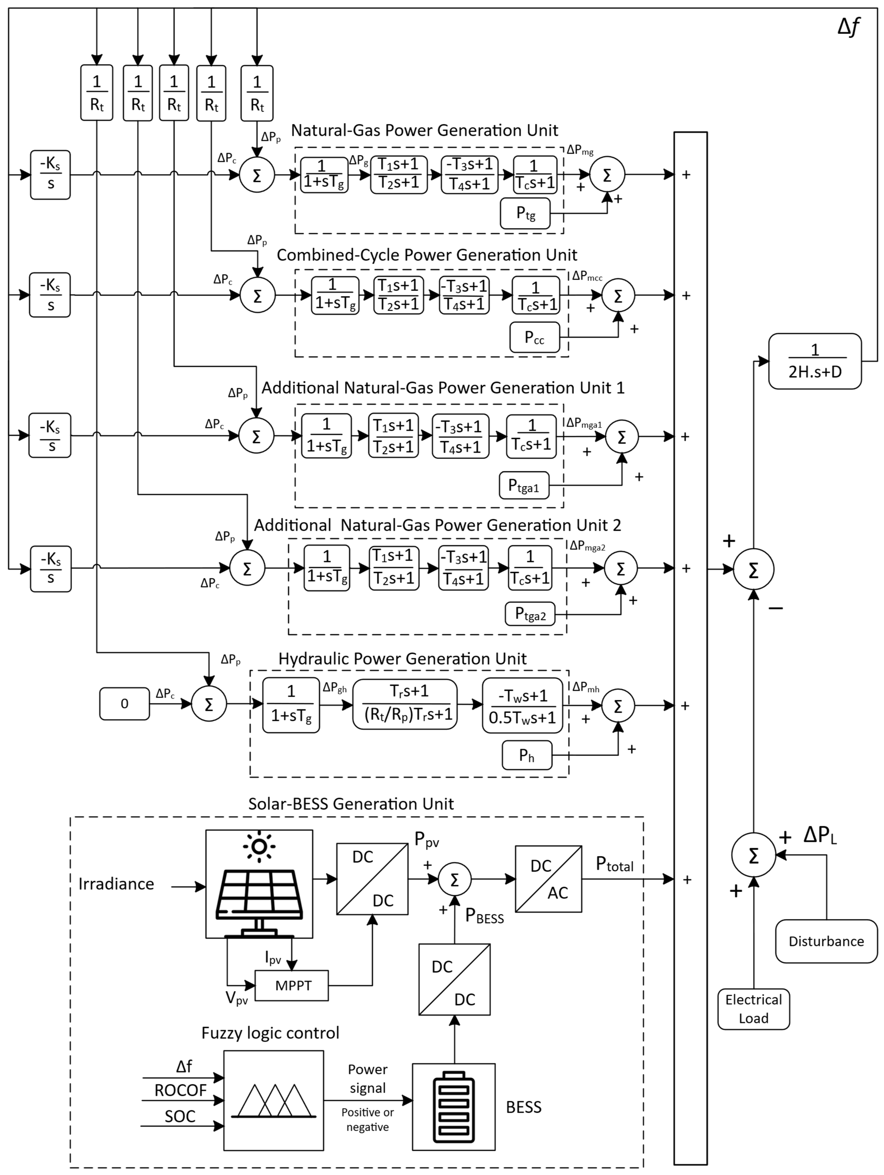
To evaluate the stability of frequency in relation to inertia and PFR control, it is essential to develop the dynamic models of the generation and load units. Figure 4 shows a simplified control model of a speed governor for a conventional synchronous generator connected to a basic load.
This work is based on a simplified schematic power–frequency control model of the electrical power system in a given area. It consists of a combined cycle thermal generation unit, three thermal generation units at gas, and a hydraulic generation unit, which make up the conventional electric generation, and, finally, a solar photovoltaic power plant integrated into the BESS. Three fundamental schemes are used for control of frequency, such as control due to inertia, primary control, and secondary control. The BESS is responsible for providing synthetic inertia to through the action of the ROCOF variable, reacting to this variable with an appropriate power, in addition to performing the primary control. The primary control is responsible for the stabilization of the frequency to a new value within a 10 to 40 s interval by all thermal generation units, whether gas or combined cycle, as well as the hydro generation unit. Secondary control, on the other hand, is carried out exclusively through the thermal generation units, whether gas or combined cycle. The gas-fired thermal generating units, combined-cycle units, and hydroelectric generating units are modeled mathematically. It is important to note that the models for the combined-cycle and simple gas-fired thermal generating units are considered equivalent, as the simple gas cycle plays the primary role in power generation and frequency control. Consequently, the combined-cycle unit is represented by the simple gas cycle (Brayton cycle), and it is not necessary to include the Rankine cycle model for steam turbines in this study.
By linearizing the dynamic behavior of the generation and load blocks, as illustrated in Figure 5 of the study system, the frequency deviation in the power system can be expressed by Equation (1).
f ( s ) = 1 2 H . s + D ( P mg + P mcc + P mga 1 + P mga 2 + P mh + P PV + P BESS P L )
where P mcc , P mg , P mga 1 , and P mga 2 refer to the mechanical power variations of the combined-cycle thermal generation units, the simple gas-fired cycle, and two additional gas-fired units that are scheduled to be replaced by the solar PV plant, respectively. P mh corresponds to the mechanical power variation of the hydroelectric generation unit. P PV denotes the power injected into the system by the PV plant based on solar irradiance, while P BESS represents the power injected or absorbed by the battery energy storage system (BESS) to enhance frequency stability. Finally, P L represents the load variation.
P mg = T 1 s   + 1 T 2 s + 1 ·   T 3 s + 1 T 4 s   + 1 ·   1 T c s   + 1 P g ( s )
P g ( s )   = 1 1 + s T g ( P c ( s ) 1 R t f ( s ) )
P c ( s )   = K s s ( f ( s ) )
P mh s = T r s + 1 R t R P T r s   + 1 ·   T w s + 1 0.5 T w s   + 1 Δ P gh ( s )
P gh ( s )   = 1 1 + s T g ( 1 R h )
P PV ( s ) = 1 1 + s T PV P solar ( s )
Figure 5 illustrates the power–frequency control model [34], in which the synchronous generators and the solar PV plant are integrated. In this scheme, P C represents the secondary control signal, P P indicates the change in the primary control action, and P solar corresponds to the initial variation in the power generated by the PV plant.

3. BESS for the Photovoltaic Power Plant

This section examines the integration of battery energy storage systems (BESS) within photovoltaic (PV) plants. It focuses on grid connection configurations and the design of bidirectional DC/DC converters, both of which are critical for effective energy management and overall system stability.

3.1. Integration of the BESS into the Photovoltaic Power Plant

Figure 6 shows the connection configuration of the solar PV plant with the grid, integrating the BESS at the DC link. This setup enables the PV plant to provide primary frequency regulation (PFR), thereby enhancing frequency stability. It is important to note that the BESS depends on the power generated by the PV system; therefore, its ability to recharge and maintain optimal state of charge (SOC) levels for frequency control is subject to solar irradiance.

3.2. Bidirectional DC/DC Converter for the BESS

The bidirectional DC/DC converter controls the charging and discharging processes of the BESS via the DC link. This device incorporates two controllers responsible for modulating the switching times (on/off) of its two IGBT transistors (see Figure 7). The inductor plays a critical role by enabling energy transfer and storage depending on the operating states of the IGBTs. As a result, the inductance L is appropriately sized to meet the design requirements in both buck and boost modes. This particular converter topology was selected due to its robustness and simplicity [35].
The converter operates in boost mode when transistor M1 is in the off state and transistor M2 is modulated through switching. When M2 is turned on, the BESS supplies power through the inductor (L) and capacitor (C2). When M2 is turned off, the antiparallel diode D1 conducts, allowing both the BESS and the inductor to discharge simultaneously into the capacitor. Conversely, power transfer from the DC link to the BESS occurs in buck mode. In this configuration, M2 remains off while M1 is modulated. When M1 is turned on, power supplied by the grid flows directly to the inductor, the capacitor, and the BESS. When M1 is turned off, the antiparallel diode D2 conducts, enabling the inductor to discharge through this diode and into the BESS.

4. Droop Control Strategies Based on BESS

This section analyzes various droop control strategies implemented in battery energy storage systems (BESS). It first presents the conventional fixed droop method, followed by advanced dynamic approaches, including hybrid strategies and implementations based on logistic functions, aimed at improving frequency regulation performance and extending battery lifespan.

4.1. Conventional Droop Control

The conventional droop control strategy, also referred to as the fixed droop strategy, employs a droop control coefficient with a constant value over time (see Figure 8). However, in battery-integrated systems, this approach presents significant technical limitations when subjected to long-term disturbances. Continuous charge and discharge operations negatively affect battery lifespan and hinder proper state of charge (SOC) management. Furthermore, this strategy may fail to restore system frequency due to insufficient energy output when the SOC approaches its limiting values.

4.2. Droop Control by Hybrid Strategy

In [36], various strategies for primary frequency regulation (PFR) using battery energy storage systems (BESS) are analyzed. Three main categories are proposed: conservative, radical, and hybrid strategies. The results indicate that the hybrid strategy is, overall, relatively optimal, as it combines the advantages of both the conservative and radical approaches. This enables efficient operation even under conditions of limited battery capacity and significant energy deficits. The hybrid strategy determines its droop control coefficient based on the state of charge (SOC) of the BESS, distinguishing itself by incorporating features from both conservative and radical strategies. Accordingly, the coefficient is designed to be dynamic, varying as a function of the BESS operating mode (charging or discharging) and the specific subsections of the SOC range. The droop control coefficient is calculated as follows:
If SOC     SOC min , then:
K dc   =   K max
K dd   = 0
If SOC min   <   SOC     SOC 0   , then:
K dc   =     1 2 K max 1   +   SOC   SOC 0 SOC min SOC 0
K dd =   1 2 K max 1 SOC SOC 0 SOC min   SOC 0
If SOC 0   <   SOC     SOC max   , then:
K dc   =   1 2 K max 1     SOC     SOC 0 SOC max     SOC 0
K dd   = 1 2 K max 1 + SOC   SOC 0 SOC max   SOC 0
If SOC     SOC max   , then:
K dc   =   0
K dd   = K max
where SOC 0 represents the target state of charge, typically set to 0.5, K dc is the droop control coefficient during charging; and K dd is the droop control coefficient during discharging.

4.3. Droop Control by Logistic Function

In [27], a dynamic droop control method based on the BESS state of charge is proposed, utilizing a logistic function. This approach enables the adjustment of the battery’s active power by modifying the droop coefficient through SOC feedback. The logistic function plays a key role in preventing both over-discharge and overcharge conditions, thereby extending battery lifespan. Two distinct formulations of the logistic function are used: one for the discharging process and another for the charging process, as expressed in Equations (16) and (17), respectively.
  • Battery discharging
K dd = K max P o e v ( s SOC s min ) / ( s high s min ) K max +   P o ( e v s SOC   s min / ( s high s min ) 1 )
  • Battery charging
K dc = K max P o e v s max s SOC / s max   s low K max +   P o ( e v s max s SOC / s max   s low 1 )
where K dd and K dc represent the improved adaptive droop control coefficients for the battery discharging and charging processes, respectively. K max denotes the maximum value of the improved control coefficient. S SOC indicates the current battery state of charge, while S max and S min define the upper and lower allowable SOC limits. The SOC thresholds, S high and S low , are set to 0.9, 0.1, 0.55, and 0.45, respectively. Additionally, parameters such as P 0 , the initial value of the logistic function, where higher values reduce the saturation time, and v , an index indicating the rate of change of the curve (with higher values resulting in faster growth), are also considered.

5. Definition of BESS Operating Regions for Fuzzy Logic Control

To define the regions of operation, the ROCOF variable is not considered as an initial criterion for BESS activation. Instead, power management is based on the frequency deviation f and SOC variables, which determine when BESS participation in PFR is both necessary and feasible. Under PFR operation, BESS power primarily depends on f , SOC , and the droop control coefficient ( K d ). For modeling purposes, BESS power is divided into two distinct components: P BESS P F R , representing the instantaneous power at time t allocated to support frequency regulation, and P BESS SOC , representing the power allocated to SOC recovery. Additionally, the maximum BESS power is defined as a percentage ( n ) of the PV plant power, such that P BESS max   =   n P PV .
Figure 9a illustrates the BESS operational regions under conventional droop control, serving as the foundation for the proposed control strategy. The horizontal axis represents the frequency deviation ( f ) , while the vertical axis indicates the BESS power allocated to PFR. The operational regions are labeled as 1 through 5. Regions 1 and 5 correspond to BESS saturation, where the system exchanges its maximum power ( P BESS max ) with the grid. Regions 2 and 4 represent the linear response zones, where P BESS P F R is proportional to f , forming a straight line with a slope equal to the inverse of the droop coefficient. Region 3 defines the dead band, where no power is exchanged for PFR purposes; instead, a small amount of power is exchanged to restore the SOC to its target range. Figure 9b presents the operational regions considering the BESS state of charge, which must be considered during PFR. This ensures appropriate energy management and protects the BESS from deep discharge or overcharging, both of which can lead to degradation and reduced lifespan.
The state of charge (SOC) of the battery energy storage system (BESS) is defined as the ratio between the currently stored energy E t and its nominal capacity E n . Figure 9b illustrates five operating regions of the BESS based on SOC t , labeled (I) through (V).
  • Region (I) corresponds to battery overcharge SOC   >   SOC max , where the system cannot absorb additional energy from the grid.
  • Region (V) represents excessive discharge SOC   <   SOC min , which prevents the battery from supplying power to the grid.
  • Regions (II) and (IV) define operating conditions where the SOC allows both charging and discharging, enabling the full provision of primary frequency regulation (PFR) services, although the SOC may lie outside its preferred target band.
In regions (I), (II), (IV), and (V), it is essential for the BESS to either absorb or supply energy through the P BESS SOC control action to bring the SOC back to its target band, provided the frequency deviation f remains within the dead band. In contrast, region (III), defined by SOC tar     SOC t     SOC tar + , requires no P BESS SOC intervention and enables the unconstrained provision of primary frequency regulation (PFR) services.
As illustrated in Figure 9a, P BESS PFR represents the portion of power that responds linearly to the frequency deviation ( f ) and is defined by Equation (18). The coefficient b m takes a positive value when the frequency deviation is negative ( f   <   0 ) and a negative value when the frequency deviation is positive ( f   >   0 ).
P BESS PFR = K SOC ,   f ( f   ±   b m )
In this study, the thermal limits of the batteries were not considered. This represents a critical omission, as maintaining the cells within a safe temperature range is essential under real-world operating conditions. Failure to do so may lead to disconnections due to overheating and accelerate the degradation of internal components such as the electrolyte and electrodes. Conversely, low temperatures can reduce battery capacity and even cause charging failures. Additionally, electrochemical degradation curves, vital for modeling the evolution of capacity and internal resistance over time, were not included. The absence of these curves limits the accuracy of the predictive model, as the fuzzy control response may degrade, thereby compromising the efficiency of the primary frequency reserve (PFR) service. It is important to emphasize that battery lifespan is closely tied to charge and discharge profiles. In PFR applications, where energy throughput is significant, system aging is accelerated. Therefore, a comprehensive analysis must account for these factors not only from a technical standpoint but also from an economic perspective, as timely module replacement will be necessary.
Figure 10 illustrates the calculation of P BESS SOC (Figure 10a) and P BESS PFR (Figure 10b), both determined according to the operating regions defined in Figure 9. A sign convention is adopted whereby power is considered positive when the BESS absorbs energy from the power grid and negative when the BESS delivers energy through the DC link. It is important to note that P BESS SOC is configured to be non-zero only when the frequency lies within the dead band (region III), as illustrated in Figure 10a. In this context, P BESS SOC can be interpreted as either a power injection into or absorption from the system, depending on its sign. The magnitude of this power must be kept small to avoid significant imbalances between generation and demand, which could otherwise lead to further frequency deviations. Limiting the power also enables a gradual charging and discharging of the storage system. It is worth noting that P BESS SOC is defined as proportional to the maximum power capacity of the BESS, a fixed percentage of the nominal power, determined by a low-power SOC recovery factor, denoted by β.
Figure 10b illustrates the theoretical operation of the BESS based on SOC regions and Δf for providing primary frequency regulation (PFR). However, this model presents three main limitations:
  • Thermal limit not considered: By ignoring the thermal limit, the safe operating temperature range remains unknown. In practice, this could affect both the efficiency and safety of the system.
  • Nonlinear degradation: The actual degradation of batteries follows a nonlinear behavior. Over time, this could render the proposed operating regions for the BESS inaccurate, compromising service efficiency and overestimating the available energy.
  • Ignored cycle impact: The dependence on the number of cycles (charging and discharging) has not been considered. This omission could lead to inadequate controller optimization, as the cost associated with the battery’s lifespan is disregarded.
The proposed operational model of the battery energy storage system (BESS) does not account for the physical constraints imposed by the battery charger and the Battery Management System (BMS). Nevertheless, the fuzzy control strategy designed for this system demonstrates effective regulation of the charging and discharging processes. This methodological design prevents operation under critical conditions and ensures continuous monitoring of the state of charge (SOC), thereby fulfilling the objective of safeguarding the battery. However, the implementation of this strategy is currently conditioned by the need for a BMS with a broader set of functionalities, which is essential for operation in practical scenarios. Therefore:
  • Safety and Physical Performance: There is a significant risk of overvoltage or overcurrent, which could cause permanent damage to the system. In cases of overcharging, cell venting leads to the release of flammable gases, posing a serious safety hazard. Moreover, insufficient voltage or current would negatively affect battery performance, while inadequate monitoring would further increase operational risks. High temperatures, excessive heat, and other anomalies can degrade the battery system [37].
  • Lack of Protection and Reliability: The battery system is exposed to multiple risks due to the absence of the protections ensured by a BMS. This deficiency limits its operability and leaves it vulnerable to any failure.
  • Efficiency and Economic Feasibility: The efficiency of the charging and discharging procedures is not guaranteed. Furthermore, the SOC has not been optimized to maximize the battery’s lifespan. Therefore, a comprehensive economic assessment is required to determine the system’s feasibility.
  • Controller Diagnosis and Adaptability: The absence of fault diagnosis [38] and the monitoring of changes in battery parameters reduces the efficiency of the fuzzy controller. This lack of information prevents ensuring optimal battery performance.
  • System Integration and Adaptation: There is no communication with other systems, which prevents optimizing the battery’s performance. Without such integration, it is not possible to adjust the fuzzy controller strategy based on the batteries’ future states [39].

6. Design of the Proposed Fuzzy Controller

6.1. Selection of Variables for Controller Design

Fragility studies of systems, such as electrical power systems, reveal that frequency deviations ( f ) are critical indicators of their stability [40]. Small deviations, commonly in the range of −0.15 Hz < f < 0.15 Hz, have minimal impact on frequency stability. However, significant deviations ( f > 0.15 Hz or f < −0.15 Hz) compromise both safe operation and dynamic stability of the system. It is crucial to note that both f and rate of change of frequency (ROCOF) are directly related to the imbalance between power generation and demand. Although changes in the generation to load imbalance ( P L ), also referred to as power mismatch, are inherently unpredictable, their impact on the frequency stability of the power electric system can be effectively quantified. By continuously monitoring the state of the grid through such measurements, it is possible to identify operating conditions that either support or compromise frequency stability.
The design of a fuzzy controller that implements the “Barbell Strategy” is proposed. This strategy is conceptualized using fuzzy logic and seeks to take advantage of the antifragility properties inherent to the manipulation of volatilities (deviations) to exploit convexity effects. In this context, ROCOF will be used as a robust metric to improve the frequency stability of the system. Therefore, the Barbell Strategy proposes the following:
While an underlying variable x may not be fully known, its associated risks can be mitigated by controlling the system’s exposure to it. This is achieved by applying barbell strategies to specific elements of the system, thereby reducing its overall risk. In essence, the strategy focuses on managing a function of x , denoted f ( x ) , even in the absence of complete information about x . Through a process known as convex transformation, a term often used interchangeably with Barbell Strategy [41], f ( x ) can be adjusted until the system reaches a desired or more stable state.
In the context of power electrical systems, the variable x corresponds to the power mismatch ( P L ). Accordingly, the function f ( x ) represents system responses such as frequency deviation ( f ) and the rate of change of frequency (ROCOF). These relationships are summarized in Table 1, according to the knowability characteristics of each variable.
The frequency deviation (Δf) and rate of change of frequency (ROCOF) are key indicators of the electric power system (EPS) condition during unforeseen disturbances that threaten system stability. Both variables reflect deviations from nominal values.
The controller adopts a Barbell Strategy based on a convex transformation, designed to mitigate undesirable Δf and ROCOF states without the need for event prediction. This principle has been incorporated into the design of the fuzzy controller’s membership functions, which are linked to Δf, ROCOF, and the power output of the battery energy storage system (BESS). This design grants the controller adaptability, enabling it to continuously receive, assess, and respond to these variables in real time. Consequently, the controller leverages system deviations: the greater the Δf and ROCOF values, the stronger its response, ultimately enhancing frequency stability and providing additional synthetic inertia to the system.

6.2. Membership Functions

To maximize the effects of convexity and harness antifragility in the face of disturbances, membership functions will be defined for the fuzzy controller. This controller, based on an adaptive droop control strategy with fuzzy logic, will operate using the input variables f and ROCOF, which directly reflect the impact of disturbances with unknown magnitude. In addition, the SOC of the BESS will be integrated into the fuzzy logic structure, as illustrated in Figure 11. Consequently, the controller will feature three input variables and a single output variable: P BESS PFR .
The membership functions for the input and output variables are depicted in Figure 12. The fuzzy subsets of the input variables corresponding to f , ROCOF, and SOC, as well as the output variable P BESS PFR , are presented in Table 2. These fuzzy subsets were used to construct the membership functions following a Barbell Strategy.
The fundamental reasoning criterion of the fuzzy logic approach is as follows: First, the SOC variable is considered to determine the availability of the BESS for primary frequency regulation (PFR). For instance, in the Free Zone (FZ), control over P BESS PFR is determined exclusively by the frequency deviation ( f ) and the ROCOF. In this case, extreme values of f and ROCOF are used to charge or discharge the BESS at its maximum power level. This corresponds to an aggressive control strategy.
In contrast, in the High Zone (HZ) and Low Zone (LZ), as shown in Figure 12c, control is still based on f and ROCOF but follows a more conservative SOC management approach (with 80% < SOC < 90% and 0% < SOC < 20%, respectively). As a result, the output power P BESS PFR is lower compared to the Free Zone (FZ). Finally, if the SOC falls within the LCZ or HCZ regions, P BESS PFR is completely restricted and set to zero. At all times, the objective is to ensure that the BESS delivers high values of P BESS PFR in the presence of large frequency deviations ( f > 0.1 Hz) and/or rapid changes in ROCOF, while adopting a conservative approach when the SOC is near regions that could lead to BESS degradation. The fuzzy logic reasoning is detailed in Table 3, Table 4, Table 5, Table 6 and Table 7.
The output of the fuzzy logic system is determined based on the Mamdani algorithm using the “max–min” inference method. For the defuzzification process, the centroid method is employed, as described in [42]. Figure 13 presents the surface plots resulting from this fuzzy inference process.

6.3. Flowchart of the Proposed Control Process

To provide a clear understanding of the decision-making logic, this section presents the flowchart of the proposed fuzzy control process. The diagram in Figure 14 illustrates the sequence of operations, beginning with the measurement of the system input variables: frequency deviation (Δf), rate of change of frequency (ROCOF), and state of charge (SOC). It concludes with the generation of the control power signal for the battery energy storage system (BESS). This visual representation emphasizes how the fuzzy controller interprets these real-time signals and delivers a fast and adaptive response, thereby enhancing system frequency regulation.

7. Design of the Proposed Fuzzy Controller Indicators for Frequency Control Evaluation

7.1. Definition of Indicators for Comparison of Control Strategies

Specific performance indicators are employed to evaluate and compare the control strategies implemented for the power system and the battery energy storage system.

7.1.1. Frequency Control Effect Indicators

The following indicators are defined to evaluate frequency deviation: the initial deviation ( f 0 ) , the maximum deviation ( f m ) , the quasi-steady-state deviation ( f s ) and the root mean square value ( f rms ).
(a)
The root mean square frequency deviation ( f rms ) is calculated using Equation (19), where i denotes the sample index and N is the total number of samples. A lower f rms value indicates improved performance.
f rms = 1 N i = 1 N ( f i f 0 ) 2
(b)
The frequency decay rate ( V m ) is calculated using Equation (20), where t 0 represents the initial time and t m denotes the time at which the maximum deviation from the nominal network frequency occurs.
V m = f 0 f m t 0 t m
(c)
The frequency recovery rate ( V r ) is determined using Equation (21), where t s denotes the time corresponding to the deviation observed during the quasi-steady-state of the network frequency.
V r = f s f m t s   t m

7.1.2. BESS-SOC Indicator ( SOC rms )

Equation (22) presents the formula for a key indicator used to assess the ability of control methods to maintain the SOC. However, this model relies on simplifications that do not account for critical factors such as the thermal limit. Therefore, in a real operating scenario, this indicator would require adjustment to incorporate this factor, which could significantly alter the results.
SOC rms = 1 N i = 1 N ( SOC i   SOC 0 ) 2
Moreover, due to the progressive degradation of the batteries, the values calculated using Equation (22) will decrease over time. Similarly, when considering the dependence on the number of cycles, the indicator should be adjusted downward for each control method according to the charging and discharging processes.

7.1.3. Non-Compliance Level (NCL)

The indicator of the level of non-compliance with the PFR contribution is defined in Equation (23), where %PRNS represents the percentage of Primary Reserve Not Supplied. It should be noted that the maximum value of %PRNS is 100%, corresponding to an NCL value of 1, which indicates total non-compliance with the PFR. Conversely, an NCL value of 0 indicates full compliance.
NCL   = max   [ 0.434   ln   % PRNS 100 + 1 ,   0 ]

8. Results and Simulations

This section presents the results and analysis of the simulations performed to evaluate the proposed fuzzy droop control strategy for battery energy storage systems (BESS) integrated into photovoltaic power plants. The performance is examined under various scenarios, including increasing levels of PV penetration, variations in system inertia, and different types of disturbances. Additionally, a comparative evaluation of the proposed method against both conventional and advanced droop control strategies is provided, along with an assessment of primary frequency response compliance in accordance with established regulatory standards. Simulations were performed with MATLAB R2024a software on a computer with the following characteristics: an Intel(R) Core (TM) i5-9400F microprocessor, 16 GB of DDR4 RAM, an NVIDIA GeForce GTX 1660 graphics card, and the Windows 10 Pro operating system.
The operational parameters of all components within the simulated system—including conventional power plants, the photovoltaic power plant, and the battery energy storage system (BESS)—were precisely defined to ensure consistency with their respective modeling characteristics. Detailed specifications for each component are provided in the Appendix A, specifically in Table 8, Table 9 and Table 10.

8.1. Evaluation of the Proposed Fuzzy Logic Control

To evaluate the proposed fuzzy control strategy, two scenarios, Scenario A and Scenario B, were simulated under identical initial conditions: an irradiance of 1000 W/m2, a state of charge of 50%, and a step load of 48 MW.

8.1.1. Scenario A: Impact of Increasing Photovoltaic Penetration

Scenario A examines the gradual increase in photovoltaic penetration while maintaining constant system inertia. The details of these scenarios are presented in Table 11.

8.1.2. Scenario B: System Inertia Variation with PV Participation

Scenario B evaluates the replacement of conventional generation with photovoltaic sources and the resulting changes in system inertia, as detailed in Table 12. In this context, a 60 MW PV plant is capable of providing primary frequency regulation (PFR) in Scenario B3. It is important to note that the disconnection of two 30 MW gas-fired power plants in Scenarios B2 and B3 leads to a reduction in the system’s equivalent inertia.
Figure 15 presents the simulation results for Scenarios A and B. In Figure 15a, it can be observed that increasing photovoltaic (PV) penetration and BESS capacity leads to higher frequency nadir values (the minimum frequency reached following a disturbance in the power system), while the quasi-steady-state frequency decreases. Figure 15b illustrates how variations in system inertia, caused by the loss of thermal units and their replacement with a PV-BESS plant, can compensate for deficiencies and enhance frequency stability. Notably, Scenario B3 significantly outperforms Scenarios B1 and B2.

8.2. Comparative Analysis of the Performance of Droop Control Methods

Three types of disturbances were applied to evaluate frequency stability using BESS technology. According to [26], these disturbances are categorized as follows: a step-type disturbance; a continuous, low-magnitude, long-duration disturbance; and a combined disturbance involving both a high-magnitude transient and a continuous, low-magnitude, long-duration component. To enable a fair comparison and analysis under identical operating conditions, several control strategies were implemented, namely, the proposed method, Method 1, Method 2, and Method 3, as detailed in Table 13.

8.2.1. Case Study 1: Large-Magnitude Step-Type Disturbance

A 60 MW step-type load disturbance, representing a critical load for the power system, was simulated. In this simulation, this load is connected 10 s after the start of the simulation and remains active for the following 50 s.
Figure 16a shows that the proposed method is capable of maintaining a higher frequency nadir compared to the other methods. However, in the quasi-steady-state phase, it exhibits the lowest frequency value. This suggests that, while the proposed method is effective in enhancing frequency stability following a disturbance, alternative frequency control methods achieve higher quasi-steady-state frequency levels. Figure 16b presents the BESS state of charge curves for the different control methods. The proposed method exhibits the greatest SOC drop, indicating higher energy consumption. Method 1 shows the second-largest SOC drop, with an SOC rms , value of 10.1827%. It is important to highlight that, in this method, the droop control coefficient is not dependent on the SOC, which may negatively impact battery lifespan and compromise frequency stability at critical SOC levels.
In the case of Method 2, greater SOC stability is observed, as indicated by a curve with a smaller drop, resulting in an SOC rms of 3.56%. However, this method exhibits the poorest frequency response among the tested approaches, due to a more pronounced frequency drop. Finally, Method 3 shows a smaller SOC drop than the proposed method, indicating improved SOC stability. Nevertheless, in terms of frequency stability, its performance is slightly inferior, with a f rms difference of 0.0032 Hz compared to the proposed method, though this difference is relatively minor.
Table 14 presents the evaluation indices established for each droop control method, based on frequency and SOC. The most favorable results are shaded, indicating that the proposed method is superior in almost all indices, with the exception of SOC stability. This method enables a more effective action and a considerable reduction in f m , resulting in the lowest value among all methods. However, it also corresponds to the highest energy consumption, calculated at 0.0948 MWh.

8.2.2. Case Study 2: Continuous Disturbance of Low Magnitude and Long Duration

For this study, a load disturbance profile was defined, characterized by small, random fluctuations generated from a discrete uniform distribution, with connection and disconnection magnitudes not exceeding 3 MW. This configuration results in a continuous disturbance of low magnitude and extended duration. Figure 17 shows the applied load profile, which varies between –3 MW and 3 MW. A simulation time window of 10 min (600 s) was used for this analysis.
As shown in Figure 18a, the frequency simulation results indicate that the scenario without the BESS exhibits the most significant deviations, with frequency values exceeding the dead band limits (60.03 Hz and 59.97 Hz). In contrast, the proposed method maintains a substantially higher percentage of frequency samples within the dead band, an essential factor for ensuring frequency stability. These results highlight the superior performance of the proposed method in mitigating the effects of continuous low-magnitude disturbances compared to the other methods evaluated. Given that such disturbances are among the most common in real-world power system operations, their simulation and evaluation using various adaptive droop control strategies are of critical importance. Figure 18b shows the BESS SOC curves for the various droop control methods. The proposed method ranks second in terms of SOC stability. In contrast, Method 3 and Method 1, respectively, exhibit the least favorable SOC performance. The best results are achieved by Method 2, which adopts the most conservative approach to maintaining the SOC near its optimal value. These graphical findings are supported by the SOC stability indicators summarized in Table 12.
It is important to emphasize that superior state of charge (SOC) stability refers to maintaining the SOC value as close as possible to the 50% reference level. This target is critical for ensuring sufficient energy capacity to support the PFR, allowing the system to either inject or absorb power during over-frequency or under-frequency events. As shown in Table 15, SOC variations remain within a narrow range of 0% to 1.5%. These minor deviations are primarily caused by small load fluctuations, which vary depending on the type of disturbance applied.
Table 15 summarizes the evaluation indices for each droop control method in terms of frequency response and SOC performance. The proposed method achieves the best result for the f m indicator, with a value of −0.045754 Hz. For the f rms , indicator, Method 3 performs best, followed by Method 1, while the proposed method ranks second to last. In terms of the SOC rms indicator, Method 2 proves to be the most effective in maintaining SOC stability, although it is the least effective in terms of frequency regulation. The most adverse indicators emerge when the BESS is not utilized in the operation of the photovoltaic power plant. Consequently, even a small difference of 0.0063 Hz in the indicator between Method 2 and “Without BESS” operation leads to significant effects on the power system. This highlights the BESS’s capacity for rapid action to dampen frequency oscillations, effectively increasing system inertia and contributing to a more robust system.

8.2.3. Case Study 3: Combined Large-Magnitude Step Disturbance and Continuous Low-Magnitude, Long-Duration Disturbance

Figure 19 presents a load profile that combines two types of disturbances: a continuous, low-magnitude, long-duration disturbance (ranging from −3 to 3 MW) and a superimposed step disturbance of 60 MW. The step disturbance is applied at the 150 s mark and lasts for 10 s. After this event, the system returns to the continuous low-magnitude disturbance profile for the remainder of the simulation.
Figure 20a shows that the proposed method delivers the most effective damping of frequency variations, remaining closest to the dead band limits in most cases when compared to the other methods. Figure 20b presents the BESS state of charge (SOC) curves for the various control methods, offering a comparative illustration of their SOC stability. The proposed method exhibits the most significant SOC drop during the 60 MW load event; however, it demonstrates a greater capacity to deliver energy during extreme conditions compared to Methods 1 and 3. Method 2, by contrast, stands out for its superior performance in maintaining SOC stability, highlighting its more conservative energy management strategy.
Table 16 presents the evaluation results of the frequency and SOC indices based on the profile shown in Figure 20. The outcomes are compared, with the best results for each indicator highlighted in bold. The proposed method demonstrates superior performance in terms of both f m and f rms , achieving values of –0.23235 Hz and 0.029522 Hz, respectively. However, this method exhibits reduced SOC stability, as indicated by the SOC rms value, which deviates by 2.5221% above the reference over the 10 min simulation period. Conversely, Method 2 maintains the SOC reference value more effectively, though it performs the worst in terms of frequency-related indicators, outperforming only the scenario where the PV power plant operates without BESS participation.

8.3. Performance Comparison Under Critical SOC Conditions

The same case studies as in the previous section are evaluated, with the exception that the simulations now begin with an initial SOC value of 15%.

8.3.1. Case Study 1: Large Step-Type Disturbance

Figure 21a shows that all frequency control methods improve frequency stability compared to the simulation scenario without energy storage. The proposed method is capable of maintaining a higher frequency nadir than the other methods, with the exception of Method 1. Figure 21b shows the SOC curves for all methods, each starting from an initial SOC of 15%. Method 1 does not incorporate a droop control coefficient that depends on the battery SOC; as a result, the SOC drops below 5% and continues decreasing until full discharge. Methods 2 and 3 adjust the droop control coefficient to reduce energy discharge and prevent the SOC from reaching critical levels, resulting in a less steep decline. In the case of the proposed method, the SOC decreases to 5%, which is the lower limit established for this method, thereby avoiding full discharge of the BESS.
Table 17 shows that the proposed method yields the lowest values for both f rms and V m , while f m is the second lowest, following Method 1. Although Method 1 achieves the smallest f m value, the proposed method is able to mitigate frequency deterioration more rapidly. However, Method 1 lacks control over SOC limit values, which poses a significant operational drawback. With respect to the f s indicator, the proposed method exhibits the worst performance, while the best result corresponds to the scenario without energy storage. Finally, the proposed method achieves the second-lowest V r value, after Method 1, which is consistent with the observed f m values.

8.3.2. Case Study 2: Low-Magnitude, Long-Duration Continuous Disturbance

As shown in Figure 22a, all frequency control methods have a greater positive impact on frequency stability compared to the simulation scenario without energy storage. The proposed method maintains the frequency within, or very close to, the dead band limits. Additionally, the most significant frequency deviations are observed in the case without BESS participation.
Figure 22b shows the SOC profiles, all exhibiting an increasing trend. This behavior is attributed to the fact that the small disturbances seldom exceed the dead band threshold, enabling the SOC to recover toward the nominal value of 50%. Under these conditions, all methods facilitate favorable BESS operation. The proposed method yields the second-weakest SOC recovery performance, outperforming only Method 1, while Method 2 proves to be the most effective in restoring SOC.
Table 18 shows that the Proposed Method achieves the lowest f m value, indicating superior performance in halting the frequency drop rapidly compared to the other methods. However, it exhibits the highest f rms value, which can be attributed to its fuzzy control design optimized for handling large frequency deviations. Nonetheless, its SOC rms value is only exceeded by that of Method 1.

8.3.3. Case Study 3: High-Magnitude Disturbance Combined with a Low-Magnitude, Long Duration Continuous Disturbance

As shown in Figure 23a, all frequency control methods outperform the scenario without energy storage, resulting in improved frequency regulation. Among them, the proposed method is the most effective, minimizing deviations and maintaining the frequency within the dead band. In contrast, the “Without BESS” scenario exhibits the largest frequency deviations. Figure 23b illustrates the SOC curve for all control methods, displaying a pattern of increase, decrease, and subsequent recovery. This behavior is attributed to the impact of the disturbance on the SOC profile. The proposed method turns out to be the most efficient in SOC management, achieving a recovery of over 40% following the disturbance, outperforming the other methods. Moreover, once the high-magnitude disturbance subsides, the proposed method captures the most energy, facilitating greater SOC recovery.
Table 19 shows that the proposed method outperforms the other approaches, exhibiting lower f rms and SOC rms values, which indicate superior performance in both frequency stability and state of charge management. In terms of f m , the proposed method achieves the second-lowest value, closely trailing Method 1, reaffirming its effectiveness in arresting frequency decay. The performance of the proposed method is closely tied to the SOC; under optimal conditions, its results could be even more favorable, as demonstrated in the previous section for this type of disturbance.

8.4. Sensitivity Analysis of the Membership Functions in the Proposed Fuzzy Controller

For the sensitivity analysis, the simulation parameters from Scenario A3 in Table 11 were used. A slight shift was applied to the membership functions of frequency deviation (Δf), ROCOF, and BESS power output P BESS PFR . These modifications, representing 20% of the maximum variation range for each variable, are illustrated in Figure 24. The SOC membership functions remained unchanged from the original design.
Figure 25 presents and compares the simulation results for each modified membership function. As observed, no significant differences are evident, which aligns with the inherently robust nature of fuzzy control. By design, this type of controller is tolerant to variations in its internal parameters. The overlap of membership functions and the smooth transitions defined by fuzzy rules help prevent small shifts in inflection points from causing abrupt changes in the control surface. Consequently, the adaptive fuzzy logic controller exhibits a natural resilience to such variations without compromising system performance.

8.5. Evaluation of the Imprecision and Time Delay of the ROCOF Sensor for the Proposed Fuzzy Controller

An analysis was performed of the impact of measurement inaccuracy and signal delay from the ROCOF sensor. The study evaluated how band-limited white noise and different delay times affect the primary frequency regulation (PFR). Both cases were analyzed separately using Scenario A3 in Table 11.

8.5.1. Inaccuracy of the Measurement of the ROCOF Variable

To simulate measurement inaccuracy, band-limited white noise was added to the ROCOF input variable. Figure 26 depicts the noise signal, including its variation and maximum amplitude.
Figure 27 shows that white noise in the ROCOF variable does not significantly affect the dynamics of frequency deviation. Furthermore, despite the presence of noise and measurement inaccuracies in the ROCOF variable, the proposed fuzzy controller preserves satisfactory control performance across the entire operating range.

8.5.2. Delay in ROCOF Sensor Measurement

The simulation was conducted using three specific delay times in the measurement of the ROCOF variable: 20 ms, 40 ms, 100 ms, 200 ms, and 300 ms. Figure 28 shows the variation of the ROCOF variable due to different delays in the sensor input.
Figure 28 illustrates the frequency variation dynamics resulting from the introduction of these delays. It can be seen that there is no appreciable error in the frequency dynamics due to a delay in the ROCOF sensor, even with a delay of 300 ms. Likewise, Figure 29 illustrates that delays of up to 300 ms exert no significant influence on the frequency deviation dynamics.

8.6. Comparative Analysis of Fuzzy Control and PI Controllers

The PI controller used for comparison with the proposed fuzzy controller is based on a model proposed in [43], a novel concept for virtual inertia control design. This model employs a derivative technique to simultaneously emulate both virtual inertia and damping, thereby improving frequency response and preventing system instability and collapse. Its primary objective is to support synchronous generators in systems with low inertia and damping, particularly under high penetration of renewable energy sources. This concept can be implemented using a battery energy storage system (BESS), an inverter, and a virtual inertia control technique. The most important feature of this method is inertia emulation, achieved by using the rate of change of frequency (ROCOF) to adjust the BESS reference power during a contingency. This equivalent mechanical control model is known as VISMA.
For the synthesis of virtual inertia in the BESS system, a PI controller was employed. This allows the system to operate similarly to a synchronous generator by emulating both virtual inertia and virtual damping. The results of this implementation are clear: although PI control reduces frequency transients, its frequency nadir is higher than that achieved with fuzzy logic. This demonstrates that fuzzy logic exhibits more robust performance in this aspect, although it is still outperformed by the proposed controller, which delivers the best overall result. Furthermore, in terms of settling time, measured at 20 s, the fuzzy controller shows a slight advantage over PI control, indicating a faster stabilization of the system.
Figure 30 shows the comparison of the system’s frequency variation and response for six types of controllers, including the PI controller and the proposed fuzzy controller.
To quantify the comparative performance of the frequency control methods, the following key indicators have been defined:
  • Maximum frequency deviation (Δf)
  • Quasi-steady-state deviation (Δfs)
  • Root mean square frequency deviation (frms) (Equation (19))
  • Frequency nadir rate (Vm) (Equation (20))
  • Frequency recovery rate (Vr) (Equation (21))
These indicators enable a comprehensive assessment of the response time, overshoot, and robustness of each strategy, highlighting the advantages of fuzzy control in nonlinear dynamic scenarios. Table 20 presents a comparison of the indicators, where the proposed fuzzy control stands out with a slight advantage over the virtual inertia control that employs a PI regulator to improve the calculation of the virtual inertia constant. All simulations were conducted for a load of 48 MW, a state of charge (SOC) of 50%, and an irradiance of 1000 W/m2.

8.7. Evaluation of PFR Compliance According to PR-21 of the Economic System Operation Committee of Peru

In Peru, the operation of the power system is governed by specific technical procedures. PR-21, in particular, focuses on the Rotating Reserve for primary frequency regulation (PFR). This procedure includes a defined methodology for the “Evaluation of Compliance with the PFR” (Annex 3), which applies to the various generation units operating within the national interconnected electric system. The methodology covers the determination of the evaluation period, the modeling of the PFR power response, the assessment of power contribution for PFR, and, finally, the verification of compliance [44].
The Peruvian System Economic Operation Committee (COES, for its acronym in Spanish) has published a standard plant model and computational code in MATLAB/Simulink for conducting this evaluation. The current version, dated December 2018 and aligned with Annex 3 of PR-21, is used to assess the droop control methods considered in this study.
A scenario combining a high-magnitude disturbance with a low-magnitude, long-duration continuous disturbance, previously illustrated in Figure 19, was selected for the evaluation. The simulation runs for a total of 10 min, from which a continuous 5 min segment of power and frequency data is extracted from the generating units, in accordance with COES requirements.
These data are processed in MATLAB, and the output parameters are computed using the algorithms defined by the COES methodology.
Ultimately, the PFR compliance evaluation results are presented for each droop control method proposed in this study, as well as for the operation of a solar photovoltaic power plant without a BESS, which implies the absence of PFR contribution in the latter scenario. These results, based on the COES methodology and simulation outcomes, are summarized in Table 21.
All the droop control methods presented (Method 1, Method 2, Method 3, and the proposed method) achieve a noncompliance level of zero. However, as discussed in Section 7, each method presents its set of advantages and limitations.
It is crucial to highlight certain output parameters, such as statism (%E). The “Without BESS” control method records the highest value, reaching an extraordinary 9527.5%, which is far above the typical 5% expected for droop control. In contrast, the proposed method presents the lowest droop value, at just 1.04%. Regarding the dead band (DB), all methods provide acceptable estimates, remaining below the 30 mHz limit established by COES. The only exception is the “Without BESS” operation, which yields a value of 58.68 mHz, significantly exceeding the standard.

9. Conclusions and Future Work

This paper proposes an adaptive droop control strategy based on fuzzy logic, implemented in a battery energy storage system (BESS) integrated with a grid-connected photovoltaic (PV) plant. This novel approach enhances frequency stability by enabling greater participation of PV plants in primary frequency regulation (PFR). The proposed method helps reduce the system’s minimum and maximum frequency deviations following a disturbance, lowers the rate of change of frequency (ROCOF), and effectively manages the State of Charge (SOC) to prevent full discharge or overcharge. It also allows the use of a non-predictive strategy to handle various grid disturbances. The research is based on modeling the PV plant and BESS as a consolidated generation unit within a single-area power system. Scenarios with high PV penetration and reduced system inertia are evaluated, along with multiple disturbance case studies and adaptive droop control variants. The objective is to assess and compare the performance of the proposed approach.
The key observations supported by the simulation results are:
  • The proposed method can operate effectively during the day, as the BESS can be automatically recharged in the event of a contingency. At night, its operation depends on the BESS’s SOC and is only partial due to the lack of solar irradiance, which may limit its performance. A potential solution for nighttime operation is to allow the BESS to be recharged from or discharged to the grid.
  • The proposed method achieved a significant improvement in frequency stability. It reduced frequency deviations, decreased the rate of change of frequency (ROCOF), and ensured effective SOC management, thereby facilitating the contribution of the PV plant to primary frequency regulation (PFR).
  • The proposed method does not offer optimal SOC stability. This is due to its design, which is intended to take advantage of extreme values of frequency deviation and ROCOF, thereby requiring more energy to restore frequency stability.
  • The proposed fuzzy controller successfully passed the tests for inaccuracy, delay, and noise in the ROCOF sensor. This performance is attributed to the robustness of this type of controller against variations that may occur in the input variables.
  • The PR-21 methodology established by COES for evaluating compliance with the PFR should incorporate the BESS SOC to optimize PFR operation and promote the efficient development of electricity generation, in alignment with Law No. 28822.
Future work should focus on optimizing the membership functions using evolutionary algorithms. This would help address the convexity introduced by the halter strategy and improve SOC stability by minimizing deviations around the initial SOC. Furthermore, to advance this research, the following lines of work are proposed: the extension of the model to include thermal limits to ensure safe and efficient operation; a nonlinear degradation model applied to PFR that reflects the actual aging of the batteries; a real-time lifespan indicator integrating operational and degradation variables; experimental validation using a BMS and thermal sensors to compare with theoretical results; and a multi-objective optimization framework that balances performance, thermal constraints, and battery lifespan.

Author Contributions

Conceptualization, A.S. and M.A.; resources, A.S.; writing—original draft preparation, A.S.; writing—review and editing, A.S. and M.A.; supervision, M.A. and J.M.; project administration, M.A. and J.M. All authors have read and agreed to the published version of the manuscript.

Funding

This work was funded by the Vice-Rectorate for Research of the National University of Engineering (UNI, for its acronym in Spanish).

Data Availability Statement

Data will be made available on request.

Acknowledgments

During the preparation of this paper, the authors used the premium version of LanguageTool (https://languagetool.org/es), an intelligent spell checker, for spelling and grammatical correction.

Conflicts of Interest

The authors declare no conflicts of interest.

Abbreviations

The following abbreviations are used in this manuscript:
PFRPrimary frequency regulation
BESSBattery energy storage systems
PVPhotovoltaic
SOCState of charge
ROCOFRate of change of frequency
BMSBattery Management System
NCLNon-compliance level
DBDead band

Appendix A

Table A1. Hydraulic Power Generation Unit.
Table A1. Hydraulic Power Generation Unit.
DescriptionSymbolValueUnit
Inertia constant H h 3.5s
Statism R h 5%
Valve servomotor time constant T g 0.2s
Transient statism R t 0.38p.u.
Time constant of transient stationarity T r 5s
Water time constant T w 1s
Table A2. Natural-Gas Power Generation Unit.
Table A2. Natural-Gas Power Generation Unit.
DescriptionSymbolValueUnit
Inertia constant H g 5s
Statism R g 5%
Damper servomotor time constant T gg 0.05s
Time constants of the turbine’s transient response characteristics T 1 0.6s
T 2 0.5s
T 3 0.01s
T 4 0.24s
Time constant of delay T c 0.2s
Table A3. Grid-tied inverter.
Table A3. Grid-tied inverter.
DescriptionSymbolValueUnit
Rated power P inv 5s
Rated frequency f 60%
DC link voltage V dc 1650s
Three-phase AC output voltage V ac 900V
Switching frequency f sw 3.2   × 10 3 s
Table A4. Output filter.
Table A4. Output filter.
DescriptionSymbolValueUnit
Inductance L f 42.969   ×   10 6 F
Resistance R f 1.62   × 10 3 Ω
Table A5. Bidirectional converter for the BESS.
Table A5. Bidirectional converter for the BESS.
DescriptionSymbolValueUnit
Rated power P o 5   ×   10 6 W
High voltage side V H 1650V
Low voltage side V L 825V
Switching frequency of electronic devices f sw 5000Hz
Ripple on the high voltage side V H 1%
Ripple on the low voltage side V L 1%
Inductance L 0.68063   ×   10 3 H
Capacitance of the low voltage side capacitor C L 0.36731   ×   10 3 F
Capacitance of the high voltage side capacitor C H 18.4   ×   10 3 F
Table A6. DC/DC Converter for the Photovoltaic System.
Table A6. DC/DC Converter for the Photovoltaic System.
DescriptionSymbolValueUnit
Rated Power P n 5   ×   10 6 W
Typical Input Voltage V in 825V
Desired Output Voltage V out 1650V
Minimum switching frequency f s 5   ×   10 3 Hz
Inductance L c 5.4   ×   10 3 H
Capacitance C out ( min ) 18.4   × 10 3 F

References

  1. Pourasl, H.H.; Barenji, R.V.; Khojastehnezhad, V.M. Solar energy status in the world: A comprehensive review. Energy Rep. 2023, 10, 3474–3493. [Google Scholar] [CrossRef]
  2. Global Market Outlook for Solar Power 2024–2028. Available online: https://www.solarpowereurope.org/insights/outlooks/global-market-outlook-for-solar-power-2024-2028#download (accessed on 4 January 2025).
  3. Renewables 2024 Global Status Report. Available online: https://www.ren21.net/wp-content/uploads/2019/05/GSR2024_Supply.pdf (accessed on 6 January 2025).
  4. Çavdar, B.; Akyazi, Ö.; Şahin, E.; Nuroğlu, M. Effect of PV plant on frequency stability in IEEE 12 bus system for different penetration levels and depth of frequency support. Arab. J. Sci. Eng. 2024, 49, 15899–15916. [Google Scholar] [CrossRef]
  5. Saleh, A.M.; István, V.; Khan, M.A.; Waseem, M.; Ali Ahmed, A.N. Power system stability in the Era of energy Transition: Importance, Opportunities, Challenges, and future directions. Energy Convers. Manag. X 2024, 24, 100820. [Google Scholar] [CrossRef]
  6. Saleem, M.I.; Saha, S. Assessment of frequency stability and required inertial support for power grids with high penetration of renewable energy sources. Electr. Power Syst. Res. 2024, 229, 110184. [Google Scholar] [CrossRef]
  7. Tielens, P.; Van Hertem, D. The relevance of inertia in power systems. Renew. Sustain. Energy Rev. 2016, 55, 999–1009. [Google Scholar] [CrossRef]
  8. Njoka, G.M.; Mogaka, L.; Wangai, A. Impact of variable renewable energy sources on the power system frequency stability and system inertia. Energy Rep. 2024, 12, 4983–4997. [Google Scholar] [CrossRef]
  9. Miller, N.W.; Shao, M.; Venkataraman, S.; Loutan, C.; Rothleder, M. Frequency response of California and WECC under high wind and solar conditions. In Proceedings of the 2012 IEEE Power and Energy Society General Meeting, San Diego, CA, USA, 22–26 July 2012; pp. 1–8. [Google Scholar] [CrossRef]
  10. Amaro Pinazo, M.; Antara Arias, R.; Mirez Tarrillo, J. Comparison of primary frequency control methods for wind turbines based on the doubly fed induction generator. Wind Eng. 2022, 46, 1923–1947. [Google Scholar] [CrossRef]
  11. Maity, S.; Rather, Z.H.; Doolla, S. A comprehensive review of grid support services from solar photovoltaic power plants. Renew. Sustain. Energy Rev. 2025, 210, 115133. [Google Scholar] [CrossRef]
  12. Katche, M.L.; Makokha, A.B.; Zachary, S.O.; Adaramola, M.S. A comprehensive review of maximum power point tracking (MPPT) techniques used in solar PV systems. Energies 2023, 16, 2206. [Google Scholar] [CrossRef]
  13. Arsad, A.Z.; Zuhdi, A.W.M.; Azhar, A.D.; Chau, C.F.; Ghazali, A. Advancements in maximum power point tracking for solar charge controllers. Renew. Sustain. Energy Rev. 2025, 210, 115208. [Google Scholar] [CrossRef]
  14. Nusrat, M.; Mekhilef, S.; Mubin, M.; Ahmed, S.; Seyedmahmoudian, M.; Stojcevski, A.; Alshammari, O. Advancements in flexible power point tracking and power control strategies for photovoltaic power plants: A comprehensive review. Energy Rep. 2024, 12, 237–250. [Google Scholar] [CrossRef]
  15. Rajan, R.; Fernandez, F.M. Power control strategy of photovoltaic plants for frequency regulation in a hybrid power system. Int. J. Electr. Power Energy Syst. 2019, 110, 171–183. [Google Scholar] [CrossRef]
  16. Chen, W.; Zhao, Z.; Yang, W.; Jia, Y.; Chen, Q.; Shi, Y. Hierarchical power reserve control of string-inverter-based photovoltaic power plant for primary frequency control. Energy Rep. 2024, 12, 2588–2599. [Google Scholar] [CrossRef]
  17. Dilger, E.B.; de Oliveira, R.V. Power reserve control for utility-scale PV power plants under cloud conditions. Electr. Power Syst. Res. 2024, 229, 110099. [Google Scholar] [CrossRef]
  18. Zhang, J.; Sun, P.; Dong, G.; Chen, Y. Adaptive power regulation-based coordinated frequency regulation method for PV and energy storage system. J. Energy Storage 2025, 106, 114794. [Google Scholar] [CrossRef]
  19. Islam, B.; Baharudin, Z.; Kattel, P. Inertia Theory Frequency Dynamic Analysis and Control of Power System with High Proportion of Renewable Source. Math. Probl. Eng. 2021, 2021, 9472957. [Google Scholar] [CrossRef]
  20. Panda, R.K.; Mohapatra, A.; Srivastava, S.C. Application of indirect adaptive control philosophy for inertia estimation. In Proceedings of the 2019 IEEE PES GTD Grand International Conference and Exposition Asia (GTD Asia), Bangkok, Thailand, 19–23 March 2019; pp. 478–483. [Google Scholar] [CrossRef]
  21. Mo, R.; Deng, X.; Liu, M.; Chang, X. Ambient-measurement-based equivalent inertia constant identification via Tikhonov regularization algorithm. In Proceedings of the 2022 International Conference on Renewable Energies and Smart Technologies (REST), Seville, Spain, 23–25 November 2022; pp. 1–5. [Google Scholar] [CrossRef]
  22. Nedd, M.; Browell, J.; Bell, K.; Booth, C. Containing a credible loss to within frequency stability limits in a low-inertia GB power system. IEEE Trans. Ind. Appl. 2020, 56, 1031–1039. [Google Scholar] [CrossRef]
  23. Gevorgian, V.; Wallen, R.; Koralewicz, P.; Mendiola, E.; Shah, S.; Morjaria, M. Provision of grid services by PV plants with integrated battery energy storage system. In Proceedings of the 10th Solar & Storage Integration Workshop, Dublin, Ireland, 4–5 November 2020. [Google Scholar]
  24. Hambissa, T.; Biru, G.; Ghandhari, M. Analysis of fast frequency control using battery energy storage systems in mitigating impact of photovoltaic penetration in Ethiopia–Kenya HVDC link. Int. J. Electr. Power Energy Systems 2024, 156, 109732. [Google Scholar] [CrossRef]
  25. Mejía-Giraldo, D.; Velásquez-Gomez, G.; Muñoz-Galeano, N.; Cano-Quintero, J.B.; Lemos-Cano, S. A BESS sizing strategy for primary frequency regulation support of solar photovoltaic plants. Energies 2019, 12, 317. [Google Scholar] [CrossRef]
  26. Meng, Y.; Li, X.; Liu, X.; Cui, X.; Xu, P.; Li, S. A control strategy for battery energy storage systems participating in primary frequency control considering the disturbance type. IEEE Access 2021, 9, 102004–102018. [Google Scholar] [CrossRef]
  27. He, B.; Ren, Y.; Xue, Y.; Fang, C.; Hu, Z.; Dong, X.; Denai, M. Research on the frequency regulation strategy of large-scale battery energy storage in the power grid system. Int. Trans. Electr. Energy Syst. 2022, 2022, 4611426. [Google Scholar] [CrossRef]
  28. Yang, B.; Weng, L.; Li, Y.; Zhang, Y.; Zhou, C. Research on coordinated control strategy of energy storage participating in primary frequency regulation considering frequency deviation change rate. J. Phys. Conf. Ser. 2021, 1750, 012034. [Google Scholar] [CrossRef]
  29. Aljohani, T. Intelligent Type-2 Fuzzy Logic Controller for Hybrid Microgrid energy management with different modes of EVs integration. Energies 2024, 17, 2949. [Google Scholar] [CrossRef]
  30. Behera, S.; Choudhury, N.B.D. Optimal battery management in PV + WT micro-grid using MSMA on fuzzy-PID controller: A real-time study. Sustain. Energy Res. 2024, 11, 41. [Google Scholar] [CrossRef]
  31. Maroua, B.; Laid, Z.; Benbouhenni, H.; Fateh, M.; Debdouche, N.; Colak, I. Robust type 2 fuzzy logic control microgrid-connected photovoltaic system with battery energy storage through multi-functional voltage source inverter using direct power control. Energy Rep. 2024, 11, 3117–3134. [Google Scholar] [CrossRef]
  32. Assem, H.; Azib, T.; Bouchafaa, F.; Laarouci, C.; Belhaouas, N.; Arab, A.H.; Reddy, J.K. Adaptive fuzzy logic-based control and management of photovoltaic systems with battery storage. Int. Trans. Electr. Energy Syst. 2023, 2023, 9065061. [Google Scholar] [CrossRef]
  33. Tephiruk, N.; Kanokbannakorn, W.; Kerdphol, T.; Mitani, Y.; Hongesombut, K. Fuzzy logic control of a battery energy storage system for stability improvement in an islanded microgrid. Sustainability 2018, 10, 1645. [Google Scholar] [CrossRef]
  34. Khamies, M.; Sayed, K.; Alrumayh, O.; Almutairi, A.; Mahmoud, A.A. Advanced active disturbance rejection control for enhancing frequency stability in low-inertia power grids linked with virtual inertia applications. Heliyon 2025, 11, e42556. [Google Scholar] [CrossRef]
  35. Gorji, S.A.; Sahebi, H.G.; Ektesabi, M.; Rad, A.B. Topologies and control schemes of bidirectional DC–DC power converters: An overview. IEEE Access 2019, 7, 117997–118019. [Google Scholar] [CrossRef]
  36. Li, X.; Huang, Y.; Huang, J.; Tan, S.; Wang, M.; Xu, T.; Cheng, X. Modeling and control strategy of battery energy storage system for primary frequency regulation. In Proceedings of the 2014 International Conference on Power System Technology (POWERCON), Chengdu, China, 20–22 October 2014; pp. 543–549. [Google Scholar] [CrossRef]
  37. Lee, H.; Park, J.; Kim, J. Incremental capacity curve peak points-based regression analysis for the state-of-health prediction of a retired LiNiCoAlO2 series/parallel configured battery pack. Electronics 2019, 8, 1118. [Google Scholar] [CrossRef]
  38. Aiello, O.; Crovetti, P.S.; Fiori, F. Susceptibility to EMI of a battery management system IC for electric vehicles. In Proceedings of the 2015 IEEE International Symposium on Electromagnetic Compatibility (EMC), Dresden, Germany, 16–22 August 2015. [Google Scholar]
  39. Gabbar, H.A.; Othman, A.M.; Abdussami, M.R. Review of battery management systems (BMS) development and industrial standards. Technologies 2021, 9, 28. [Google Scholar] [CrossRef]
  40. Taleb, N.N.; Douady, R. Mathematical definition, mapping, and detection of (anti)fragility. Quant. Financ. 2013, 13, 1677–1689. [Google Scholar] [CrossRef]
  41. Taleb, N.N. Antifragile: Things That Gain from Disorder; Penguin Books: London, UK, 2013. [Google Scholar]
  42. Ross, T.J. Fuzzy Logic with Engineering Applications, 3rd ed.; Wiley-Blackwell: Hoboken, NJ, USA, 2010. [Google Scholar]
  43. Kerdphol, T.; Rahman, F.S.; Watanabe, M.; Mitani, Y.; Turschner, D.; Beck, H.-P. Enhanced virtual inertia control based on derivative technique to emulate simultaneous inertia and damping properties for microgrid frequency regulation. IEEE Access 2019, 7, 14422–14433. [Google Scholar] [CrossRef]
  44. Comité de Operación Económica del Sistema Interconectado (COES). Reserva Rotante para la Regulación Primaria de Frecuencia. Procedimientos Técnicos. Available online: https://www.coes.org.pe/Portal/MarcoNormativo/Procedimientos/Tecnicos (accessed on 28 August 2020).
Figure 1. Annual installed capacity (in GW) of solar photovoltaic (PV) systems worldwide from 2001 to 2023 [2].
Figure 1. Annual installed capacity (in GW) of solar photovoltaic (PV) systems worldwide from 2001 to 2023 [2].
Energies 18 04550 g001
Figure 2. Power system governed by conventional synchronous generators and the concept of the system inertia constant.
Figure 2. Power system governed by conventional synchronous generators and the concept of the system inertia constant.
Energies 18 04550 g002
Figure 3. Frequency response across multiple time frames in a power system following a frequency disturbance.
Figure 3. Frequency response across multiple time frames in a power system following a frequency disturbance.
Energies 18 04550 g003
Figure 4. Schematic diagram of a simplified speed governor for a conventional synchronous generator.
Figure 4. Schematic diagram of a simplified speed governor for a conventional synchronous generator.
Energies 18 04550 g004
Figure 5. Power–frequency control model, integrating primary and secondary control schemes for frequency stability.
Figure 5. Power–frequency control model, integrating primary and secondary control schemes for frequency stability.
Energies 18 04550 g005
Figure 6. Configuration for a BESS within a photovoltaic power plant.
Figure 6. Configuration for a BESS within a photovoltaic power plant.
Energies 18 04550 g006
Figure 7. Schematic of bidirectional converter for charging and discharging a BESS implemented in MATLAB/Simulink.
Figure 7. Schematic of bidirectional converter for charging and discharging a BESS implemented in MATLAB/Simulink.
Energies 18 04550 g007
Figure 8. Frequency–power characteristic curve of conventional droop control.
Figure 8. Frequency–power characteristic curve of conventional droop control.
Energies 18 04550 g008
Figure 9. BESS operating regions from (a) a conventional droop control characteristic and (b) the SOC characteristic.
Figure 9. BESS operating regions from (a) a conventional droop control characteristic and (b) the SOC characteristic.
Energies 18 04550 g009
Figure 10. BESS operating regions as a function of SOC and f . (a) P BESS SOC and (b) P BESS PFR . * means that it is the maximum power.
Figure 10. BESS operating regions as a function of SOC and f . (a) P BESS SOC and (b) P BESS PFR . * means that it is the maximum power.
Energies 18 04550 g010
Figure 11. Inputs and output of proposed fuzzy logic controller.
Figure 11. Inputs and output of proposed fuzzy logic controller.
Energies 18 04550 g011
Figure 12. Membership functions. (a) Rate of change of frequency (ROCOF); (b) frequency deviation (Δf); (c) state of charge (SOC); (d) BESS output power.
Figure 12. Membership functions. (a) Rate of change of frequency (ROCOF); (b) frequency deviation (Δf); (c) state of charge (SOC); (d) BESS output power.
Energies 18 04550 g012
Figure 13. Fuzzy inference results. (a) Considering frequency deviation and ROCOF and (b) considering frequency deviation and SOC.
Figure 13. Fuzzy inference results. (a) Considering frequency deviation and ROCOF and (b) considering frequency deviation and SOC.
Energies 18 04550 g013
Figure 14. Structure of fuzzy controller implementing the Barbell Strategy. Inputs include frequency deviation (Δf), rate of change of frequency (ROCOF), and state of charge (SOC) of the battery energy storage system (BESS).
Figure 14. Structure of fuzzy controller implementing the Barbell Strategy. Inputs include frequency deviation (Δf), rate of change of frequency (ROCOF), and state of charge (SOC) of the battery energy storage system (BESS).
Energies 18 04550 g014
Figure 15. Results of proposed fuzzy control. (a) Impact of increased PV penetration and BESS capacity on frequency response and (b) effect of PV power integration on system inertia variation.
Figure 15. Results of proposed fuzzy control. (a) Impact of increased PV penetration and BESS capacity on frequency response and (b) effect of PV power integration on system inertia variation.
Energies 18 04550 g015
Figure 16. Results for step-type disturbance. (a) Frequency response curves and (b) BESS state of charge (SOC) curves.
Figure 16. Results for step-type disturbance. (a) Frequency response curves and (b) BESS state of charge (SOC) curves.
Energies 18 04550 g016
Figure 17. Load profile representing a continuous disturbance of low magnitude and extended duration.
Figure 17. Load profile representing a continuous disturbance of low magnitude and extended duration.
Energies 18 04550 g017
Figure 18. Results under continuous low-magnitude, long-duration disturbance. (a) Frequency response and (b) BESS state of charge (SOC) response.
Figure 18. Results under continuous low-magnitude, long-duration disturbance. (a) Frequency response and (b) BESS state of charge (SOC) response.
Energies 18 04550 g018
Figure 19. Load profile combining a high-magnitude step disturbance and a continuous low-magnitude, long-duration disturbance.
Figure 19. Load profile combining a high-magnitude step disturbance and a continuous low-magnitude, long-duration disturbance.
Energies 18 04550 g019
Figure 20. Results for the combined high-magnitude step disturbance and continuous low-magnitude, long-duration disturbance. (a) Frequency response and (b) BESS state of charge (SOC) curve.
Figure 20. Results for the combined high-magnitude step disturbance and continuous low-magnitude, long-duration disturbance. (a) Frequency response and (b) BESS state of charge (SOC) curve.
Energies 18 04550 g020
Figure 21. Results for combined scenario involving a large-magnitude step disturbance and a low-magnitude, long-duration continuous disturbance. (a) Frequency response and (b) BESS state of charge (SOC) curve.
Figure 21. Results for combined scenario involving a large-magnitude step disturbance and a low-magnitude, long-duration continuous disturbance. (a) Frequency response and (b) BESS state of charge (SOC) curve.
Energies 18 04550 g021
Figure 22. Results for low-magnitude, long-duration continuous disturbance scenario: (a) Frequency response and (b) BESS state of charge (SOC) curve.
Figure 22. Results for low-magnitude, long-duration continuous disturbance scenario: (a) Frequency response and (b) BESS state of charge (SOC) curve.
Energies 18 04550 g022
Figure 23. Results for combined large-magnitude disturbance and low-intensity, long-duration continuous disturbance: (a) frequency response and (b) BESS state of charge (SOC) curve.
Figure 23. Results for combined large-magnitude disturbance and low-intensity, long-duration continuous disturbance: (a) frequency response and (b) BESS state of charge (SOC) curve.
Energies 18 04550 g023
Figure 24. Transfer of disrupted membership functions. (a) Rate of change of frequency (ROCOF); (b) frequency deviation (Δf); (c) state of charge (SOC); (d) BESS output power.
Figure 24. Transfer of disrupted membership functions. (a) Rate of change of frequency (ROCOF); (b) frequency deviation (Δf); (c) state of charge (SOC); (d) BESS output power.
Energies 18 04550 g024
Figure 25. Comparison of frequency dynamics under different membership function variations.
Figure 25. Comparison of frequency dynamics under different membership function variations.
Energies 18 04550 g025
Figure 26. ROCOF signal with added band-limited noise.
Figure 26. ROCOF signal with added band-limited noise.
Energies 18 04550 g026
Figure 27. Comparison of system frequency dynamics with and without noise in the ROCOF input of fuzzy controller.
Figure 27. Comparison of system frequency dynamics with and without noise in the ROCOF input of fuzzy controller.
Energies 18 04550 g027
Figure 28. Comparison of ROCOF variation with different delay times applied to the sensor.
Figure 28. Comparison of ROCOF variation with different delay times applied to the sensor.
Energies 18 04550 g028
Figure 29. Comparison of frequency response with different delay times applied to the ROCOF sensor.
Figure 29. Comparison of frequency response with different delay times applied to the ROCOF sensor.
Energies 18 04550 g029
Figure 30. Comparison of system’s frequency dynamics using PI controllers and proposed fuzzy controller.
Figure 30. Comparison of system’s frequency dynamics using PI controllers and proposed fuzzy controller.
Energies 18 04550 g030
Table 1. Identification of power mismatch, frequency deviation and ROCOF for their ability to be determined for use in the “Barbell Strategy”.
Table 1. Identification of power mismatch, frequency deviation and ROCOF for their ability to be determined for use in the “Barbell Strategy”.
x f ( x )
Power   mismatch   ( P L ) f ROCOF
UnknownMeasurableMeasurable
Table 2. Fuzzy subsets of input and output variables for fuzzy controller.
Table 2. Fuzzy subsets of input and output variables for fuzzy controller.
Fuzzy   Subset   of   f Fuzzy Subset of ROCOFFuzzy Subset of SOC Fuzzy   Subset   of   P BESS PFR
Large Negative (LN)Large Negative (LN)Low Critical Zone (LCZ)High Discharge Power (HDP)
Medium Negative (MN)Small Negative (SN)Low Zone (LZ)Medium Discharge Power (MDP)
Small Negative (SN)Zero (ZE)Free Zone (FZ)Low Discharge Power (LDP)
Zero (ZE)Small Positive (SP)High Zone (HZ)Zero Power (ZP)
Small Positive (SP)Large Positive (LP)High Critical Zone (HCZ)Low Charging Power (LCP)
Medium Positive (MP)------Medium Charging Power (MCP)
Large Positive (LP)------High Charging Power (HCP)
Table 3. Fuzzy logic reasoning table with SOC in Low Zone (LZ).
Table 3. Fuzzy logic reasoning table with SOC in Low Zone (LZ).
BESS   Power   ( P BESS PFR ) Frequency Deviation
ROCOFLNMNSNZESPMPLP
LNHDPMDPLDPZPHCPHCPHCP
SNMDPMDPLDPZPHCPHCPHCP
ZELDPMDPLDPZPHCPHCPHCP
SPLDPLDPLDPZPHCPHCPHCP
LPLDPMDPLDPZPHCPHCPHCP
Table 4. Fuzzy logic reasoning table with SOC in High Zone (HZ).
Table 4. Fuzzy logic reasoning table with SOC in High Zone (HZ).
BESS   Power   ( P BESS PFR ) Frequency Deviation
ROCOFLNMNSNZESPMPLP
LNHDPHDPHDPZPLCPMCPLCP
SNHDPHDPHDPZPLCPLCPLCP
ZEHDPHDPHDPZPLCPMCPLCP
SPHDPHDPHDPZPLCPMCPMCP
LPHDPHDPHDPZPMCPMCPHCP
Table 5. Fuzzy logic reasoning table with SOC in Free Zone (FZ).
Table 5. Fuzzy logic reasoning table with SOC in Free Zone (FZ).
BESS   Power   ( P BESS PFR ) Frequency Deviation
ROCOFLNMNSNZESPMPLP
LNHDPHDPMDPZPLCPMCPHCP
SNHDPHDPLDPZPLCPMCPHCP
ZEHDPMDPLDPZPLCPMCPHCP
SPHDPMDPLDPZPLCPHCPHCP
LPHDPMDPLDPZPMCPHCPHCP
Table 6. Fuzzy logic reasoning table with SOC in Low Critical Zone (LCZ).
Table 6. Fuzzy logic reasoning table with SOC in Low Critical Zone (LCZ).
BESS   Power   ( P BESS PFR ) Frequency Deviation
ROCOFLNMNSNZESPMPLP
LNZPZPZPZPLCPMCPHCP
SNZPZPZPZPLCPMCPHCP
ZEZPZPZPZPLCPHCPHCP
SPZPZPZPZPMCPHCPHCP
LPZPZPZPZPMCPHCPHCP
Table 7. Fuzzy logic reasoning table with SOC in High Critical Zone (HCZ).
Table 7. Fuzzy logic reasoning table with SOC in High Critical Zone (HCZ).
BESS   Power   ( P BESS PFR ) Frequency Deviation
ROCOFLNMNSNZESPMPLP
LNHDPHDPMDPZPZPZPZP
SNHDPHDPMDPZPZPZPZP
ZEHDPHDPLDPZPZPZPZP
SPHDPMDPLDPZPZPZPZP
LPHDPMDPLDPZPZPZPZP
Table 8. Rated power, inertia constant, droop coefficient, and integral control gain values for conventional generating units.
Table 8. Rated power, inertia constant, droop coefficient, and integral control gain values for conventional generating units.
Power PlantsRated PowerInertia Constant (H)Statism (R)Integral Control Gain (K)
Hydroelectric260 MW H h = 3.5   s R h = 5 % Not applicable
Gas-fired thermoelectric150 MW H tg = 5   s R tg = 5 % K tg = 2
Combined cycle350 MW H tcc = 6.5   s R tcc = 5 % K tcc   = 2
Gas-fired thermoelectric 130 MW H tga 1 = 5   s R tga 1 = 5 % K tga 1 = 2
Gas-fired thermoelectric 230 MW H tga 2 = 5   s R tga 2 = 5 % K tga 2 = 2
Table 9. Data for operation of the photovoltaic power plant.
Table 9. Data for operation of the photovoltaic power plant.
ParametersPhotovoltaic Power Plant
Power60 MW
Irradiance1000 W/m2
MPPTPerturbation and Observation (PO)
Table 10. Parameters for BESS operation.
Table 10. Parameters for BESS operation.
ParametersBESS
Initial SOC50%
Rated Voltage825 V
Nominal Capacity900 Ah
Table 11. Scenario A.
Table 11. Scenario A.
Scenario ASolar Power (MW)PFRConventional Generation
(MW)
Photovoltaic Energy Participation
(%)
BESS Capacity (Ah)
Scenario A120No8202.38300
Scenario A220Yes8202.38300
Scenario A340Yes8204.65600
Scenario A460Yes8206.82900
Table 12. Scenario B.
Table 12. Scenario B.
Scenario BSolar Power (MW)PFRConventional Generation
(MW)
H eq (s)
Scenario B160No8204.235
Scenario B260No7603.935
Scenario B360Yes7603.935
Table 13. Frequency control methods used for performance comparison and evaluation.
Table 13. Frequency control methods used for performance comparison and evaluation.
MethodFrequency Control MethodVariables UsedMeasurable SOC
Method 1Conventional droop control fYes
Method 2Droop control by hybrid strategy f and SOCYes
Method 3Droop control by logistic function f and SOCYes
Proposed methodFuzzy logic control f, ROCOF and SOCYes
Without BESSNoneNoneNo
Table 14. Comparison of frequency response and SOC performance indices for Case Study 1: Large-Magnitude Step-Type Disturbance.
Table 14. Comparison of frequency response and SOC performance indices for Case Study 1: Large-Magnitude Step-Type Disturbance.
IndicatorProposed MethodMethod 1Method 2Method 3Without BESS
f m (Hz)−0.2475−0.2555−0.2925−0.2623−0.3402
f s (Hz)−0.0421−0.0421−0.0371−0.0414−0.0320
f rms (Hz)0.0849350.0871350.0932720.0881070.099613
V m (Hz/s)0.0219840.022980.0261660.0235870.030157
V r (Hz/s)0.0071470.00739120.00886220.00764680.010732
SOC rms (%)13.477710.18273.568.5747---
Table 15. Comparison of frequency response and SOC performance indices for Case Study 2: Continuous Disturbance of Low Magnitude and Long Duration.
Table 15. Comparison of frequency response and SOC performance indices for Case Study 2: Continuous Disturbance of Low Magnitude and Long Duration.
Indicator f m (Hz) f r m s (Hz) S O C r m s (%)
Proposed method−0.0457540.0172210.44919
Method 1−0.0476590.016251.0202
Method 2−0.0486630.0167620.41754
Method 3−0.0479280.0160440.85185
Without BESS−0.0539470.017602----
Table 16. Comparative evaluation of frequency and SOC performance indices for Case Study 3: Combined Large-Magnitude Step Disturbance and Continuous Low-Magnitude, Long-Duration Disturbance.
Table 16. Comparative evaluation of frequency and SOC performance indices for Case Study 3: Combined Large-Magnitude Step Disturbance and Continuous Low-Magnitude, Long-Duration Disturbance.
Indicator f m (Hz) f r m s (Hz) S O C r m s (%)
Proposed method−0.232350.0295222.5221
Method 1−0.23720.030281.5397
Method 2−0.277340.0335060.63102
Method 3−0.244820.0308041.3013
Without BESS−0.323050.037387---
Table 17. Comparative analysis of frequency and SOC indicators for Case Study 1: Large Step-Type Disturbance.
Table 17. Comparative analysis of frequency and SOC indicators for Case Study 1: Large Step-Type Disturbance.
IndicatorProposed MethodMethod 1Method 2Method 3Without BESS
f m (Hz)−0.27187−0.26414−0.33235−0.30361−0.3402
f s (Hz)−0.037962−0.033971−0.032813−0.035041−0.0320
f rms (Hz)0.0926780.0949220.0985250.0954160.099613
V m (Hz/s)0.0238480.0236260.0295160.0271080.030157
V r (Hz/s)0.00817850.00798630.0104220.00932540.010732
SOC rms (%)41.595543.679135.511937.1171----
Table 18. Comparison of frequency and SOC performance indices for Case Study 2: Low-Magnitude, Long-Duration Continuous Disturbance.
Table 18. Comparison of frequency and SOC performance indices for Case Study 2: Low-Magnitude, Long-Duration Continuous Disturbance.
Indicator f m (Hz) f rms (Hz) SOC rms (%)
Proposed method−0.048190.01724426.6206
Method 1−0.0498260.0166527.0918
Method 2−0.0517860.01701725.6564
Method 3−0.0512230.01686326.3693
Without BESS−0.0555570.017224----
Table 19. Comparison of frequency and SOC performance indices for Case Study 3: High-Magnitude Disturbance Combined with a Low-Magnitude, Long Duration Continuous Disturbance.
Table 19. Comparison of frequency and SOC performance indices for Case Study 3: High-Magnitude Disturbance Combined with a Low-Magnitude, Long Duration Continuous Disturbance.
Indicator f m (Hz) f rms (Hz) SOC rms (%)
Proposed method−0.239660.03080822.3275
Method 1−0.231080.03112328.1828
Method 2−0.304140.03505723.4547
Method 3−0.25320.03236125.611
Without BESS−0.321930.037675---
Table 20. Comparison of frequency response and SOC performance indices with different controllers.
Table 20. Comparison of frequency response and SOC performance indices with different controllers.
IndicatorConventionalHybridLogisticsFuzzy
Logic
Virtual
PI
Virtual Without PI
f m (Hz)−0.23229−0.24596−0.22617−0.21199−0.21598−0.27386
f s (Hz)−0.03349−0.031412−0.034229−0.034553−0.034631−0.028474
f rms (Hz)0.0752480.077580.0743470.0721120.0747740.081236
V m (Hz/s)0.0208140.0219610.0202660.0188260.0191140.024279
V r (Hz/s)0.00689320.00744950.00665550.00617370.00631890.0085442
SOC rms (%)5.58062.90896.899511.466724.21720.055672
Table 21. Comparison of PFR compliance assessment results for droop control methods according to PR-21.
Table 21. Comparison of PFR compliance assessment results for droop control methods according to PR-21.
MethodE (%)DB (mHz)T (s) P ref (MW)PE (MW) P max (MW) P min (MW)r (%)PRNS (%)NCL
Without BESS9527.558.680.069758.2958.296057.960.4551001
Method 11.0914.480.076358.0770.1975.5846.290.95300
Method 22.2914.830.065758.1863.9068.0548.920.92300
Method 31.3914.410.059758.1667.6474.4147.100.97300
Proposed Method1.049.380.090657.5970.6876.3942.990.85200
Disclaimer/Publisher’s Note: The statements, opinions and data contained in all publications are solely those of the individual author(s) and contributor(s) and not of MDPI and/or the editor(s). MDPI and/or the editor(s) disclaim responsibility for any injury to people or property resulting from any ideas, methods, instructions or products referred to in the content.

Share and Cite

MDPI and ACS Style

Silva, A.; Amaro, M.; Mirez, J. Design of a Fuzzy Logic Control System for a Battery Energy Storage System in a Photovoltaic Power Plant to Enhance Frequency Stability. Energies 2025, 18, 4550. https://doi.org/10.3390/en18174550

AMA Style

Silva A, Amaro M, Mirez J. Design of a Fuzzy Logic Control System for a Battery Energy Storage System in a Photovoltaic Power Plant to Enhance Frequency Stability. Energies. 2025; 18(17):4550. https://doi.org/10.3390/en18174550

Chicago/Turabian Style

Silva, Alain, Mauro Amaro, and Jorge Mirez. 2025. "Design of a Fuzzy Logic Control System for a Battery Energy Storage System in a Photovoltaic Power Plant to Enhance Frequency Stability" Energies 18, no. 17: 4550. https://doi.org/10.3390/en18174550

APA Style

Silva, A., Amaro, M., & Mirez, J. (2025). Design of a Fuzzy Logic Control System for a Battery Energy Storage System in a Photovoltaic Power Plant to Enhance Frequency Stability. Energies, 18(17), 4550. https://doi.org/10.3390/en18174550

Note that from the first issue of 2016, this journal uses article numbers instead of page numbers. See further details here.

Article Metrics

Back to TopTop