Next Article in Journal
A Review of Optimization Scheduling for Active Distribution Networks with High-Penetration Distributed Generation Access
Previous Article in Journal
Leveraging Dynamic Pricing and Real-Time Grid Analysis: A Danish Perspective on Flexible Industry Optimization
error_outline You can access the new MDPI.com website here. Explore and share your feedback with us.
 
 
Font Type:
Arial Georgia Verdana
Font Size:
Aa Aa Aa
Line Spacing:
Column Width:
Background:
Article

Load Frequency Control of Power Systems Using GPI Observer-Based Controller

Department of Electrical and Computer Engineering, Northeastern University, Boston, MA 02115, USA
*
Author to whom correspondence should be addressed.
Energies 2025, 18(15), 4117; https://doi.org/10.3390/en18154117
Submission received: 22 June 2025 / Revised: 23 July 2025 / Accepted: 31 July 2025 / Published: 3 August 2025

Abstract

This paper considers the problem of the load frequency control of power systems when system states are not directly available for implementation and in the presence of unknown disturbances. The conventional proportional observer (PO) fails to solve this problem unless the disturbances are known or can be explicitly modeled. Therefore, we provide a detailed analysis of the proportional integral observer (PIO) and its generalization (GPIO) for the load frequency control (LFC) of a single-area power system. This study demonstrates that both observers can be reliably employed, depending on the scenarios of system dynamics. Since they are able to estimate both the states and unknown disturbances, they can be integrated in LFC with disturbance accommodation to ensure the system stability and to satisfy the specified performance measures. Numerical examples are given to illustrate the advantage of GPI observer-based LFC for a single-area power system model.

1. Introduction

In a decentralized and interconnected power grid, maintaining the balance between generation and consumption within each control region is vital. To ensure that scheduled power exchanges and system frequency remain close to their target values, a precisely designed regulatory strategy, commonly referred to as load frequency control (LFC), is essential. With the growing integration of renewable energy sources and distributed energy resources, maintaining system stability has become significantly more challenging, primarily due to the inherently stochastic and time-varying nature of such sources and their impact on grid dynamics [1]. As modern power networks expand in scale and complexity, they become increasingly vulnerable to the propagation of oscillations across large regions, increasing the threat of large-scale blackouts. To mitigate these risks, advanced control methodologies have been embedded within LFC architectures to enhance grid resilience and maintain overall system stability.
Traditional LFC strategies commonly employ integral controllers [2]. A key shortcoming of these controllers is that their dynamic behavior is restricted by the selection and tuning of the integral gain [3]. Extensive research has focused on enhancing system stability by extending conventional proportional integral (PI) frameworks. However, these efforts often face challenges related to the design and parameter tuning of proportional integral derivative (PID) controllers in the context of load frequency control [4,5,6]. The principal objective of LFC is to eliminate steady-state frequency deviations, accurately follow load variations, and simultaneously ensure that frequency and tie-line power deviations remain within acceptable limits in terms of overshoot and settling time [7,8]. Considering the crucial role of LFC, considerable scholarly attention has been directed toward advanced methodologies, such as optimal control [9,10], variable structure control [11], and adaptive control techniques [12] to improve dynamic performance and robustness. Recently, a wide range of optimization-based approaches have been introduced to enhance the performance of different controllers [13]. However, in all these approaches, ensuring system stability while meeting user-defined objectives and constraints proves to be computationally expensive [14]. Moreover, these approaches may require high-fidelity forecasting models or extensive real-time measurements, which may not always be feasible in practical deployments [15,16].
While these approaches hold promise for enhancing load frequency control, they are difficult to apply in practice due to unmeasured inputs, system uncertainties, and actuator malfunctions. Such disruptions can significantly affect the performance of the control system. Moreover, when these disturbances are unknown, achieving a robust disturbance estimation requires complex frameworks. Approaches such as the equivalent input disturbance (EID) method offer one solution [17], but observer-based techniques provide a more structured and direct means of estimating and rejecting disturbances in LFC applications. The use of observer-based feedback controllers in LFC has been explored in [18], employing both proportional observer (PO) and proportional integral observer (PIO) schemes. The comparative analysis revealed only marginal variations in the transient characteristics and the convergence behavior.
This study demonstrates that notable performance enhancements can be achieved through the application of the PIO, which offers distinct advantages in robust state estimation, particularly under parameter variations and external disturbances. The PIO was found to be useful in robust control in [19]. However, its complete structure with full design freedom was first introduced in connection with robust LTR design of observer-based optimal LQR [20]. Subsequently, it was also realized that PIO is capable of estimating unknown disturbances and faults [21,22].
This work presents an in-depth investigation of the PIO and its generalization, the GPIO, for LFC of power systems. We show that both observer structures are well-suited for the design of observer-based controllers in scenarios where unknown disturbances are incorporated into the system model. The distinguishing feature of the GPIO lies in its inclusion of a fading memory term, which can influence the effect of transients on decaying the integral action over time. A single-area power system model is considered to evaluate the effectiveness of the GPIO to achieve stable disturbance estimation and its integration into the LFC of the closed-loop control system. Although this work considers a single-area power system as the case study, the proposed methodology is inherently scalable and can be extended to multi-area power systems, for instance, by implementing the same observer-based control strategy in a distributed manner across interconnected regions.
The remainder of this paper is organized as follows: The system model is described in Section 2. In Section 3, the structure of the GPI observer is explained. The power system model and GPIO-based disturbance accommodation for LFC are described in Section 4 and Section 5, respectively. Section 6 presents the simulation results and is followed by the conclusion in Section 7.

2. System Model and Proportional Observer

Consider the linear time-invariant system
x ˙ ( t ) = A x ( t ) + B u ( t ) + E d ( t )
y ( t ) = C x ( t )
where x ( t ) R n , u ( t ) R m , y ( t ) R p , and d ( t ) R r represent state, input, output, and disturbance, respectively. The coefficient matrices in (1) and (2) are of appropriate sizes. Note that one can always extend the above model by including faults and unmodeled dynamics depending on the scenarios of interest. In Section 4 we define the state space parameters for the power system associated with LFC. It is clear that when d ( t ) = 0 , the conventional proportional observer (PO) given by
x ^ ˙ ( t ) = A L P C x ^ ( t ) + L P y ( t ) + B u ( t )
is sufficient to estimate the system states by proper selection of L P such that A L P C is stable. In fact, even if the disturbance d ( t ) 0 admits a model, e.g., d ˙ = M d , then an augmented system can be constructed with the combined states z = x d . This allows the PO structure to be modified to an extended proportional observer known as the disturbance observer (DO), whereby the estimate of both states and disturbance can be obtained. On the other hand, if the disturbance is unknown, PO alone cannot be used since the disturbance term appears in its error dynamics e ˙ = A L P C e E d . Although one can estimate the states by decoupling the disturbance through an unknown input observer (UIO) [23], the disturbance estimation and accommodation cannot be achieved in control design. Consequently, we take advantage of an alternative observer structure known as the proportional integral observer (PIO) and its generalization GPIO.

3. Analysis of PI and GPI Observers

The drawback of PO can be resolved with PIO or GPIO. Depending on the assumptions made for the disturbance, one can either use PIO or GPIO, as will be described in this section. The structure of PIO is a special case of GPIO and will not be separately discussed. GPIO provides complete freedom for the design parameters of the observer and can fit for any desired objectives. So, let us define the GPIO by [24]
x ^ ˙ ( t ) = A L P C x ^ ( t ) + L P y ( t ) + B u ( t ) + L d w ( t )
w ˙ ( t ) = L I [ y ( t ) C x ^ ( t ) ] + L f w ( t )
where w ( t ) R r represents the integral term and L P , L I , L f , L d are the gain matrices defined as the proportional, integral, fading, and direct integral parameter matrices, respectively. The GPIO Equations (4) and (5) can compactly be written as
z ˙ = A z z + L z y + B z u
where we dropped the time argument for simplicity of notation and define
z = x ^ w , A z = A x L x C x , L z = L P L I , B z = B 0
with
A x = A 0 0 0 , L x = L P L d L I L f , C x = C 0 0 I
It is easy to show that the error dynamics of GPIO can be obtained as
e ˙ w ˙ = A z e w
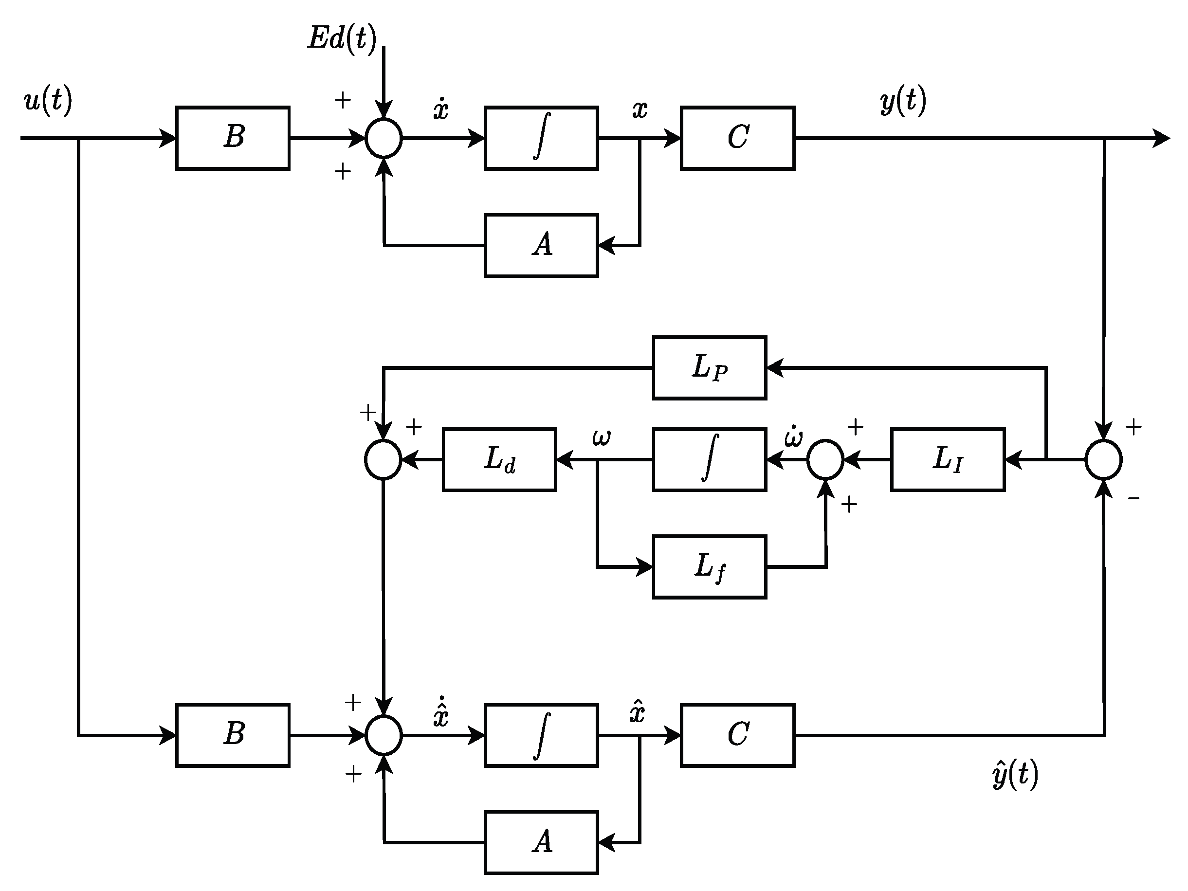
where e = x ^ x and the observability of the pair A x , C x guarantees that we can obtain L P , L I , L f , L d . Note that if the fading term L f is eliminated and L d = B , the GPIO reduces to the PIO structure as it was introduced in connection to the LTR design associated with an observer-based LQR [18]. On the other hand, if one is interested to use GPIO for disturbance estimation and accommodation, then w is replaced by d ^ and L d = E . In this case, the designer may also use the GPIO without the fading term L f = 0 or by carefully selecting L f = F 0 , depending on the additional knowledge of the disturbance signal d ( t ) . Figure 1 shows the structure of GPIO, when disturbance estimation is of interest.

3.1. GPIO Without Fading Term

Theorem 1.
Consider the systems (1), (2) and assume that d ( t ) is a smooth bounded disturbance such that lim t d ( t ) exists. Then there exists a GPIO for the system (1), (2) of the form (4), (5) with L f = 0 , L d = E , and w ( t ) = d ^ ( t ) such that lim t e ( t ) = 0 and lim t ε ( t ) = 0 , where e ( t ) = x ^ ( t ) x ( t ) and ε ( t ) = d ^ ( t ) d ( t ) if and only if { A , C } is an observable pair and
rank A E C 0 = n + r
where rank E = r and rank C = p with p r .
Proof. 
Using the statement of the theorem, the GPIO without the fading term becomes a PIO, which is written as
x ^ ˙ = A L P C x ^ + L P y + B u + E d ^
d ^ ˙ = L I ( y C x ^ )
The error dynamics of the state combined with (10) can easily be constructed as
e ˙ d ^ ˙ = A L P C E L I C 0 A ¯ e d ^ E 0 d
The eigenvalues of the matrix A ¯ can arbitrary be assigned in a stable region of complex planes by the appropriate selection of L P and L I matrices if and only if the matrix pair
A E 0 0 , C 0
is observable, i.e.,
rank λ I A E 0 λ I C 0 = n + r
for all λ C . This condition is equivalent to
rank A E C 0 = n + r
when λ = 0 , which is the condition 8 of theorem 1, and
rank λ I A C = r
for all λ C when λ 0 , which is the observability condition of the pair { A , C } . Thus, the dynamical equation (11) is asymptotically stable and its solution will converge to the equilibrium point, i.e.,
e ˙ e d ^ ˙ e = A ¯ e e d ^ e E 0 d ¯ = 0
where d ¯ = lim t d ( t ) = d ( ) . Denoting e e = e ( ) and d ^ e = d ^ ( ) , we can rewrite the above equation as
A L P C e ( ) + E d ^ ( ) = E d ( )
and
L I C e ( ) = 0
Since L I 0 is the design parameter, we have C e ( ) = 0 , and augmenting it with A e ( ) yields
A e ( ) C e ( ) = A C e ( ) = λ I A C λ = 0 e ( )
Due to the observability of the pair { A , C } , one can conclude that e ( ) = 0 , or lim t e ( t ) = 0 . Substituting it in the first equation, it follows that d ^ ( ) = d ( ) or lim t [ d ^ ( t ) d ( t ) ] = lim t ε ( t ) = 0 . This completes the proof of the theorem. □
Remark 1.
Note that for the special case of constant disturbance d, we have d ˙ = 0 and
e ˙ ε ˙ = A ¯ e ε 0 d ˙ = A ¯ e ε
Consequently, the stability of A ¯ with proper selection of L P , L I guarantees lim t e ( t ) and lim t ε ( t ) = 0 .

3.2. GPIO with Fading Term

Theorem 2.
Consider the system (1), (2) and assume that d ( t ) is a smooth bounded disturbance. Then there exists a high-gain GPIO for the system (1), (2) of the form (4), (5) with L f = F , L d = E , and w ( t ) = d ^ ( t ) such that lim t e ( t ) = 0 and lim t ε ( t ) = 0 , where e ( t ) = x ^ ( t ) x ( t ) and ε ( t ) = d ^ ( t ) d ( t ) if and only if { A , C } is an observable pair, and
rank A E C F = n + r
C A i 1 E = 0 for i = 1 , , ν
where ν is the observibility index.
Proof. 
Similar to the Proof of Theorem 1, the GPI observer with the fading term is given by
x ^ ˙ = A L P C x ^ + L P y + B u + E d ^
d ^ ˙ = L I ( y C x ^ ) + F d ^
where L f = F , L d = E , and w ( t ) = d ^ ( t ) , as defined in the statement of the theorem. The error dynamics of the state combined with (17) can easily be constructed as
e ˙ d ^ ˙ = A L P C E L I C F A ˜ e d ^ E 0 d
The eigenvalues of the matrix A ˜ can arbitrary be assigned in the stable region of the complex plane by proper selection of the matrices L P and L I if and only if the matrix pair
A E 0 F , C 0
is observable or equivalently, the pair { A , C } is observable and the rank condition (14) is satisfied. The stability of A ˜ along with the bounded assumption of d ( t ) guarantee the solution of (18) to be bounded. Now, let L P = α L ˜ P and L I = α L ˜ I , then (18) can be written as
1 α e ˙ d ^ ˙ = 1 α A E 0 F e d ^ L ˜ P L ˜ I C e 1 α E 0 d
It is easy to see that when α , the above expression reduces to C e = 0 . Differentiating C e and using (18) we get
C e ˙ = C ( A L P C ) e + C E ( d ^ d )
Applying condition (15) and letting C e = 0 , we get C A e = 0 . Repeating the process of differentiation and using condition (12) leads to C A i 1 e = 0 , i = 1 , , 2 . Collecting all the terms, we can write them compactly as
C C A C A ν 1 e = 0
where ν can be regarded as the observability index of the pair { A , C } . Since the system is observable, it follows that e ( t ) = 0 and its substitution in (18) gives d ^ ( t ) d ( t ) = ε ( t ) = 0 . Thus, the stability of A ˜ along with conditions (14), (15) allow the high-gain GPIO to estimate the states and unknown disturbance as t . □

3.3. Analysis of the Fading Term

A quick derivation reveals that the error dynamics of state and disturbance can be written as
e ˙ ε ˙ = A L P C E L I C F e ε 0 d ˙ F d
If the unknown input is assumed to be approximated by a fictitious dynamic system d ˙ = F d with stable matrix F, then the stability of A ˜ is sufficient for convergence of e ( t ) and ε ( t ) . However, when the disturbance is assumed to be bounded, we were able to estimate the disturbance by a high-gain GPIO with a fading term F. Furthermore, an analysis shows that the appropriate selection of F can be used to control the quality of estimation and convergence rate of d ^ by moderate-sized observer gains.
Let us write the Laplace transform of (20) and perform simple algebraic manipulations to obtain
e ( s ) = Δ ( s ) E ε ( s )
ε ( s ) = I + F ( s ) L I C Δ ( s ) 1 d ( s )
where Δ ( s ) = S I A L P C 1 and F ( s ) = ( s I F ) 1 . To minimize the effect of the unknown input d ( t ) on the estimation error ε ( t ) in (22), it is required that
I + F ( s ) L I C Δ ( s ) 1 λ , λ 0
Since the unknown input is assumed to be bounded, the high-gain observer with L s L P will reduce the estimation error ε ( t ) to the extent possible. However, a very high gain may have an undesirable effect on the measurement noise and unmodeled dynamics. The additional fading term F may be adjusted to avoid unnecessary increases of high gain. It can also be tuned so that the effect of transients on the integral action decays over time. Note that when the bounded disturbance is constant, then d = 0 in (20) and one immediately selects F = 0 . Thus, one can apply GPIO without the fading term as in Theorem 1.

4. Power System Model and LFC

4.1. State Space Model

In this section, the case of a single generator supplying power to a single service area is considered. Since for the load frequency control problem the investigated power system is affected by small changes in load, it can be sufficiently represented by the linear model shown in Figure 2 by linearizing the plant around the operating point [2,3].
It is well-known that the load frequency control system consists of four major parts: power system, turbine, governor, and speed regulator, which are defined in Figure 2.
The associated gains for the first three blocks are K P , K T , a n d K G and the corresponding time constants are denoted by T P , T T , a n d T G , respectively. The speed regulator parameter of the governor is specified by R. The load disturbance, the reference input, and the output of the system are Δ P D , Δ P C , and Δ P , respectively. For the purpose of regulation, we consider a free governor operation, i.e., Δ P C = 0 .
Let us define the output of each block by state variables x 1 , x 2 , and x 3 . The state x 1 represents the frequency variation of the system, the state x 2 is the output power of the turbine which is attached to the power generator by a shaft, and the state x 3 defines the valve position of the governor, which controls the flow of steam into the turbine.
Using the transfer functions associated with each block, defining the state variables x 1 , x 2 , and x 3 , and assuming K G = K T = 1 , one can write the state equation of the system as follows
x ˙ 1 x ˙ 2 x ˙ 3 = 1 T P K P T P 0 0 1 T T 1 T T 1 R T G 0 1 T G x 1 x 2 x 3 + 0 0 1 T G u + K P T P 0 0 Δ P D y = 1 0 0 x 1 x 2 x 3
For the purpose of comparison with previous results we consider the typical values for parameters used in for the LFC model [3,18]. The third-order model defined in (23) can be extended to a fourth-order model by considering an integral action on the state of frequency variation x 1 , i.e., x ˙ 4 = k i x 1 . This leads to the following state space representation
x ˙ 1 x ˙ 2 x ˙ 3 x ˙ 4 = 1 T P K P T P 0 0 0 1 T T 1 T T 0 1 R T G 0 1 T G 0 k i 0 0 0 x 1 x 2 x 3 x 4 + 0 0 1 T G 0 u + K P T P 0 0 0 Δ P D
with y = x 1 .

4.2. State Feedback Design of LFC

The power flow from the generator passes through several stations, which are connected by transmission lines. Frequency variation usually propagates in this process and affects the smooth operation of power systems. Load frequency control ( L F C ) is a proper procedure to maintain the frequency deviation within an acceptable tolerance. Applying the state feedback control law u = K x = K 1 x 1 K 2 x 2 K 3 x 3 to (23), the characteristic equation of the closed-loop system can easily be derived and represented by a cubic equation s 3 + a 1 s 2 + a 2 s + a 3 = 0 . The coefficients a 1 , a 2 , and a 3 are given in terms of the known parameters and the feedback gains K 1 , K 2 , and K 3 . One way to design the control law is to apply the Hurwitz stability condition and obtain the feasible solution to ensure stability and possibly to improve the performance. However, the procedure is not systematic and a more reliable approach is to apply optimal control using LQR. Nevertheless, let us obtain the allowable range of feedback gains for stability of the third-order system (22). The necessary and sufficient condition for stability in terms of a 1 , a 2 , and a 3 are a 1 > 0 , a 2 > 0 , and a 3 > 0 , where
a 1 = T P T G + T T T G + T T T P ( 1 + K 3 ) T T T P T G a 2 = T P ( K 2 + K 3 + 1 ) + T T ( K 3 + 1 ) + T G T T T P T G a 3 = R K 1 K P + K 2 + K 3 + 1 + K P R T T T P T G
Using the numerical values defined for the third-order system (23), the range for the stability of the controllable gains can be obtained as K 1 [ 0.097 , 10 ] , K 2 [ 10 , 7 ] , and K 3 [ 10 , 2 ] . If one considers the gravitational search algorithm (GSA) proposed in [25], one can obtain K 1 = 9.72371 , K 2 = 9.00402 , and K 3 = 9.85103 with respect to the objective function defined for GSA.
On the other hand, if LQR is applied with the performance index
J = 0 x x Q x + u R u d t
the feedback gain is given by
K p = R 1 B P
where P is the solution of the algebraic Riccati equation
A T P + P A P B R 1 B T P + Q = 0
and { Q , R } are the positive definite weighting matrices.

5. Disturbance Accommodation with GPI Observer-Based Controller

The problem of LFC becomes even more challenging when unknown disturbances are present and may cause undesirable effects on the performance of power systems. In addition, most available results on LFC assume that all states of the system are available for measurement. However, due to a number of reasons, such as physical constraints, sensor placement, and cost, it is desirable to use observers to estimate the states of power systems. Unfortunately, the conventional proportional observer (PO) cannot be used if unknown disturbances are incorporated in the system, as we elaborated in the introduction. Consequently, we provided the complete development of a generalized proportional integral observer (GPIO), which can reliably be an observer-based LFC.
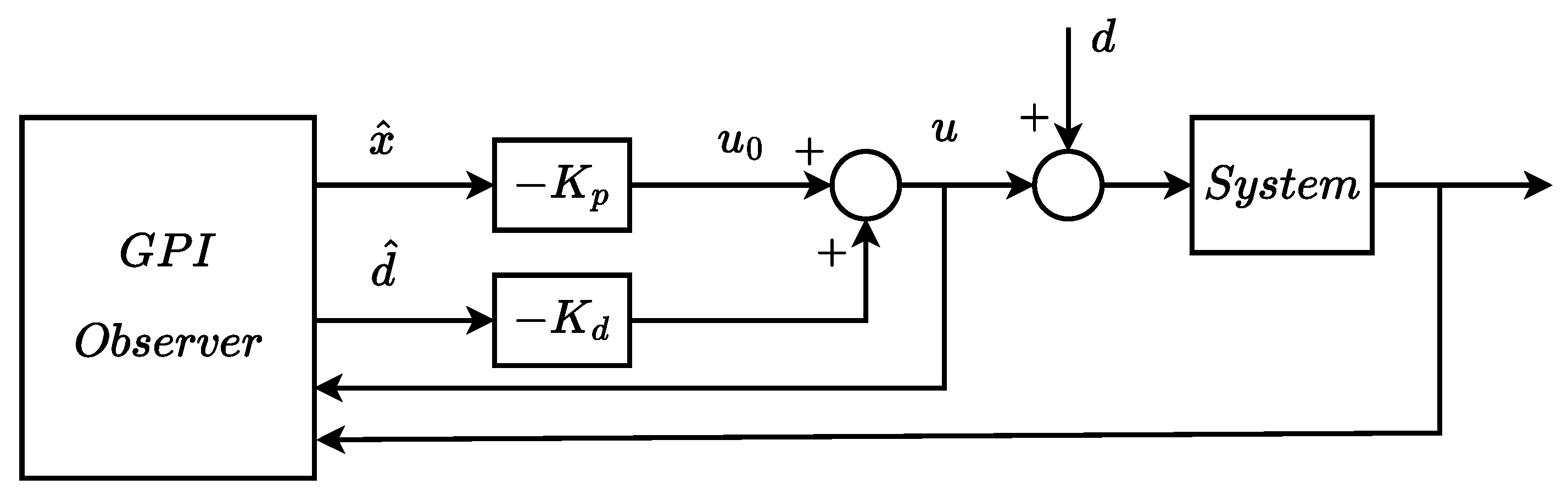
Since the GPIO is estimating both states and unknown disturbance, an indirect approach for disturbance accommodation is based on the equivalent input disturbance cancellation. To illustrate this approach, let us assume for simplicity that E = B in Figure 1 and applying the state feedback control law u = u 0 d ^ = x ^ d ^ to x ˙ = A x + B [ u + d ] , as shown in the simplified Figure 3.
In the following, we provide a direct approach to disturbance accommodation using GPIO-based optimal control.

GPIO-Based Controller

Applying the state feedback control law
u ( t ) = v ( t ) K p x ^ ( t ) K d d ^ ( t )
to the systems (1), (2) and the GPIOs (4), (5), as specified in Figure 1, we obtain the combined control loop system
x ˙ x ^ ˙ d ^ ˙ = A B K p B K d L P C A L P C B K p E B K d L I C L I C F x x ^ d ^ + E 0 0 d + B B 0 v
where we used the parameters of GPIO with w = d ^ , L d = E , and L f = F . If we define e = x ^ x and ε = d ^ d , the first equation of (30) leads to
x ˙ = A B K p x B K p e B K d ε + E B K d d + B v
Suppose E B K d = 0 , which requires E R ( B ) , then
K d = B g E
and (30) reduces to
x ˙ e ˙ ε ˙ = A B K p B K p B K d 0 A L P C E 0 L I C F x e ε 0 0 d ˙ F d + B 0 0 v
Equation (33) clearly shows the separation property of the GPIO-based state feedback controller. Consequently, the eigenvalues of the composite matrix in (33) is the union of those in A B K p and those of the GPIO eigenvalues, as is evident from (20). According to Theorem 1 or Theorem 2, the steady-state estimation errors approach zero, i.e., lim t e ( t ) = 0 and lim t ε ( t ) = 0 . Therefore, the effect of the error in (33), or equivalently in (31), can be neglected and we have the closed loop system.
x ˙ ( t ) = A B K p x ( t )
y ( t ) = C x ( t )
where we eliminated the reference variable, i.e., v = 0 . What remains to be done is to design the state feedback u = K p x , such that (34) is asymptotically stable and minimizes the quadratic performance index (26). Choosing the Lyapunov function as V ( x ) = x P x and using standard techniques, one can guarantee stability and satisfy the following upper bound of the performance index
J = 0 x P x + u P u d t x ( 0 ) P x ( 0 )
if the following inequality holds
A B K p P + P A B K p + Q + K p R K p < 0
Furthermore, in order to find the minimal cost function, we may minimize γ , where γ > x 0 P x 0 is required, i.e., x 0 P x 0 γ < 0 .
Theorem 3.
System (34) is asymptotically stable satisfying the cost control performance index (36), if the following LMI is feasible with variables X and Y:
min γ s . t . A X + X A B Y Y B X Y X Q 1 0 Y 0 R 1 < 0
λ x 0 x 0 X < 0 a n d X > 0
where X = P 1 and the state feedback gain can be obtained as K p = Y X 1 .
Proof. 
Multiplying (37) on the left and right by P 1 = X and applying the Schur complement formula, one can establish the equivalence of (37) and (38). The equivalence of (39) and x 0 P x 0 γ < 0 can also be verified again by the Schur complement formula, i.e., for a symmetric matrix M partitioned as
M = M 11 M 12 M 21 M 22 , M 21 = M 12 T
M < 0 if and only if M 11 M 12 M 22 1 M 21 < 0 . So, by defining M 11 = γ , M 12 = X 0 T , and M 22 = X = P 1 , (39) reduces to x 0 P x 0 γ < 0 . □
Remark 2.
If the condition E B K d = 0 , i.e., E R ( B ) is not satisfied, we can still apply the procedure by imposing the condition min E B K d , which is equivalent to a least square solution for K d .

6. Simulation Results

The simulation results for the power system described in Section 4 using the disturbance accommodation techniques introduced in Section 5 are presented here. For a better comparison between the discussed methods, the LFC for the power system model described in Section 4 is studied using Luenberger, PI, and GPI observers.
In this study, we used typical values of the power system parameters [3,18]:
K P = 120 , K G = 1 , K T = 1 , T P = 20 , T G = 0.08 , T T = 0.3 s, and R = 2.4 .
Figure 4 shows the step response for the power system discussed in Section 4, in which the under damped property of the model is apparent.

6.1. Performance of the Proposed Control Strategy for LFC

Proportional, PI, and GPI observers are developed for the single-area power system modeled in Section 4 using the following values determined via pole placement:
L P = 0.5 0.5 0.5 T , L I = 1 , L d = 6 0 0 T , L f = 0.001
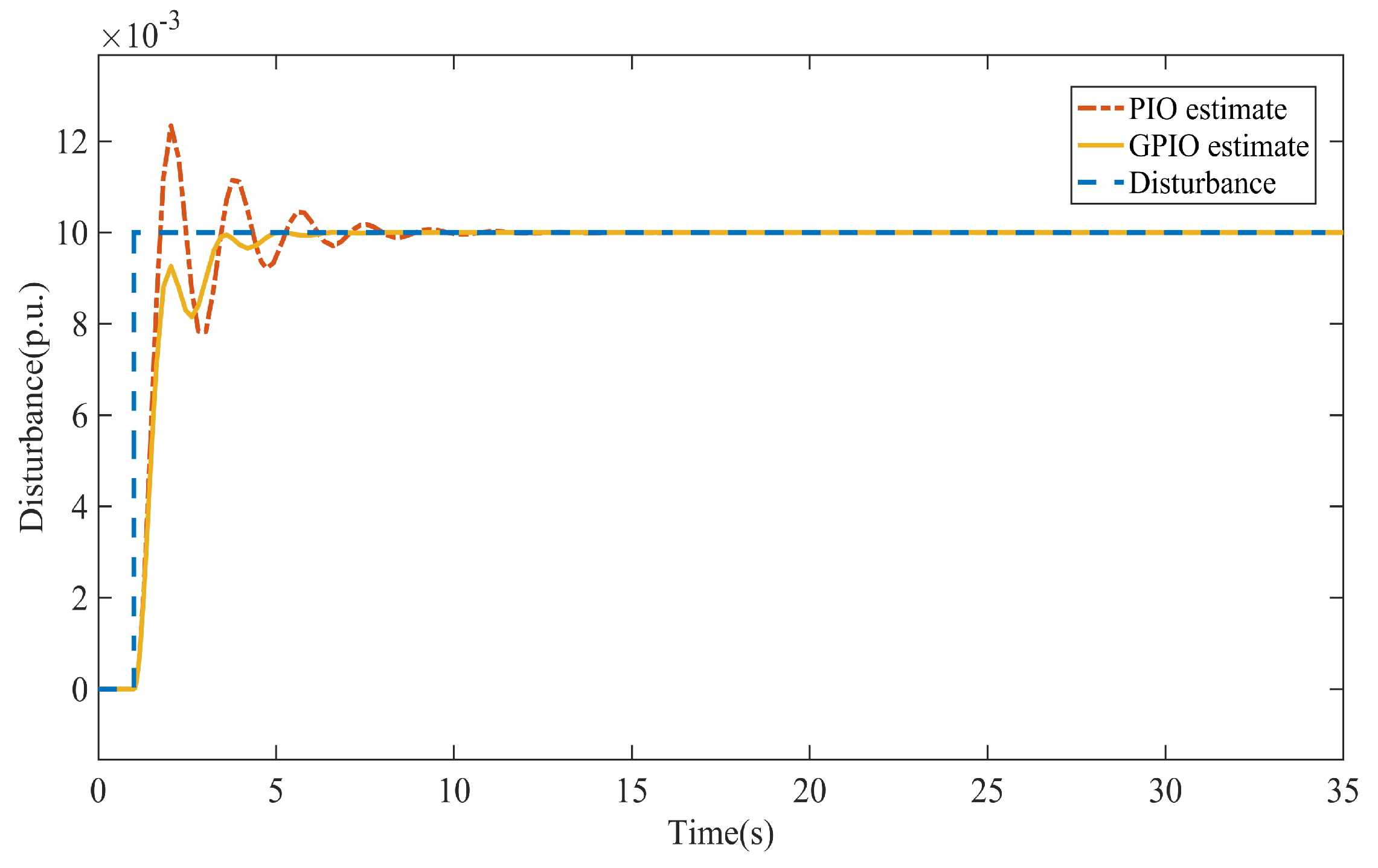
The disturbance is considered to be a step function of value Δ P D = 0.01 p.u. and is injected into the system at t = 1 s . For an optimal observer design, the gain should be calculated in such a way that the error dynamics should regulate to zero.
The results of disturbance estimation and LFC using PO, PI, and GPI observers are presented in Figure 5 and Figure 6, and Table 1 presents the numerical values of the maximum frequency deviation and the corresponding settling time, defined as the time required for Δ f to enter and remain within a 0.005 Hz bound.
While the conventional Luenberger observer is not able to estimate the disturbance, it is evident in Figure 5 that the GPIO estimates disturbances more quickly and with less overshoot compared to the PIO, attributed to the incorporation of the additional fading term in the GPIO framework. Consequently, the output frequency of the system demonstrates reduced overshoot and improved settling time, as shown in Figure 6.

6.2. Disturbance Estimation

To further evaluate the effectiveness of the proposed method in estimating unknown disturbances, in this section, two additional scenarios involving more complex disturbance profiles are examined: first, a sinusoidal disturbance with an amplitude of 0.01 p.u. and a frequency of 1 Hz is injected into the system at t = 0 s and second, a combination of step functions with various magnitudes is applied at different time instances.
As shown in Figure 7 and Figure 8, the GPI observer is able to successfully estimate these disturbances. The results demonstrate that the proposed method is capable of accurately estimating complex forms of dynamic disturbances without requiring any prior knowledge about their nature.
While the GPIO-based LFC results presented in this section demonstrate robust performance across the considered scenarios, its effectiveness may be limited under certain practical conditions such as substantial modeling inaccuracies, nonlinear dynamics, or high measurement noise levels. These factors may affect the accuracy of disturbance estimation and observer convergence.

7. Conclusions

In this paper, a proportional integral observer (PIO) and its generalization (GPIO) are introduced for the load frequency control (LFC) of a single-area power system. This study demonstrates that the GPI observer can improve the LFC of the system in certain aspects such as reducing the maximum deviation of the system frequency from its nominal value and decreasing the settling time. Since GPIO is able to estimate both the states and unknown disturbances, it can be integrated in LFC with disturbance accommodation to ensure the system stability and to satisfy the specified performance measures. Specifically, by understanding the form of disturbance in power systems using GPIO, a more effective decision-making, enhancement of the system’s reliability, and contribution to the overall resilience of power systems becomes feasible. Future work will aim to improve the robustness of the observer under challenging conditions, including significant model uncertainties, nonlinear system behavior, and high levels of measurement noise. Additionally, adaptive and nonlinear extensions of the proposed approach will be investigated to enhance its applicability in more complex scenarios.

Author Contributions

Conceptualization, M.D. and B.S.; methodology, M.D. and B.S.; validation, M.D., B.S.; investigation, M.D. and B.S.; writing—original draft preparation, B.S.; writing—review and editing, M.D. and B.S.; visualization, M.D. All authors have read and agreed to the published version of the manuscript.

Funding

This research received no external funding.

Data Availability Statement

The original contributions presented in the study are included in the article, further inquiries can be directed to the corresponding author.

Conflicts of Interest

The authors declare no conflicts of interest.

Nomenclature

The following abbreviations are used in this manuscript:
Δ P d Load disturbance (p.u.MW)
K P Electric system gain
T P Electric system time constant (s)
T T Turbine time constant (s)
T G Governor time constant (s)
RSpeed regulation due to governor action (Hz/p.u.MW)

References

  1. Li, J.; Liu, F.; Li, Z.; Shao, C.; Liu, X. Grid-side flexibility of power systems in integrating large-scale renewable generations: A critical review on concepts, formulations and solution approaches. Renew. Sustain. Energy Rev. 2018, 93, 272–284. [Google Scholar] [CrossRef]
  2. Kundur, P.S.; Malik, O.P. Power System Stability and Control; McGraw-Hill Education: Columbus, OH, USA, 2022. [Google Scholar]
  3. Tan, W. Tuning of PID load frequency controller for power systems. Energy Convers. Manag. 2009, 50, 1465–1472. [Google Scholar] [CrossRef]
  4. Hossaiin, M.; Takahashi, T.; Rabbani, M.; Sheikh, M.; Anower, M. Fuzzy-proportional integral controller for an AGC in a single area power system. In Proceedings of the 2006 International Conference on Electrical and Computer Engineering, Mumbai, India, 15–17 December 2006; pp. 120–123. [Google Scholar]
  5. Talaq, J.; Al-Basri, F. Adaptive fuzzy gain scheduling for load frequency control. IEEE Trans. Power Syst. 1999, 14, 145–150. [Google Scholar] [CrossRef]
  6. Moon, Y.H.; Ryu, H.S.; Lee, J.G.; Song, K.B.; Shin, M.C. Extended integral control for load frequency control with the consideration of generation-rate constraints. Int. J. Electr. Power Energy Syst. 2002, 24, 263–269. [Google Scholar] [CrossRef]
  7. Shayeghi, H.; Shayanfar, H.; Jalili, A. Load frequency control strategies: A state-of-the-art survey for the researcher. Energy Convers. Manag. 2009, 50, 344–353. [Google Scholar] [CrossRef]
  8. Çelik, E. Design of new fractional order PI–fractional order PD cascade controller through dragonfly search algorithm for advanced load frequency control of power systems. Soft Comput. 2021, 25, 1193–1217. [Google Scholar] [CrossRef]
  9. Calovic, M. Linear regulator design for a load and frequency control. IEEE Trans. Power Appar. Syst. 1972, PAS-91, 2271–2285. [Google Scholar] [CrossRef]
  10. Fosha, C.E.; Elgerd, O.I. The megawatt-frequency control problem: A new approach via optimal control theory. IEEE Trans. Power Appar. Syst. 2007, PAS-89, 563–577. [Google Scholar] [CrossRef]
  11. Bengiamin, N.; Chan, W. Variable structure control of electric power generation. IEEE Trans. Power Appar. Syst. 1982, PAS-101, 376–380. [Google Scholar] [CrossRef]
  12. Pan, C.T.; Liaw, C.M. An adaptive controller for power system load-frequency control. IEEE Trans. Power Syst. 1989, 4, 122–128. [Google Scholar] [CrossRef]
  13. Gulzar, M.M.; Sibtain, D.; Alqahtani, M.; Alismail, F.; Khalid, M. Load frequency control progress: A comprehensive review on recent development and challenges of modern power systems. Energy Strategy Rev. 2025, 57, 101604. [Google Scholar] [CrossRef]
  14. Ghosh, A.; Ray, A.K.; Singh, O.; Jamshidi, M. Optimized load frequency controller performances with a reduced number of decision variables: A gravitational search algorithm-based method. IEEE Syst. Man Cybern. Mag. 2023, 9, 48–57. [Google Scholar] [CrossRef]
  15. Sharifhosseini, S.M.; Niknam, T.; Taabodi, M.H.; Aghajari, H.A.; Sheybani, E.; Javidi, G.; Pourbehzadi, M. Investigating Intelligent Forecasting and Optimization in Electrical Power Systems: A Comprehensive Review of Techniques and Applications. Energies 2024, 17, 5385. [Google Scholar] [CrossRef]
  16. Stanojev, O.; Markovic, U.; Aristidou, P.; Hug, G.; Callaway, D.; Vrettos, E. MPC-based fast frequency control of voltage source converters in low-inertia power systems. IEEE Trans. Power Syst. 2020, 37, 3209–3220. [Google Scholar] [CrossRef]
  17. Mei, Q.; She, J.; Wang, F.; Nakanishi, Y. Disturbance rejection and control system design based on an improved equivalent-input-disturbance approach. IEEE Trans. Ind. Electron. 2022, 70, 2876–2886. [Google Scholar] [CrossRef]
  18. Hussein, A.A.; Salih, S.S.; Ghasm, Y.G. Implementation of proportional-integral-observer techniques for load frequency control of power system. Procedia Comput. Sci. 2017, 109, 754–762. [Google Scholar] [CrossRef]
  19. Beale, S.; Shafai, B. Robust control system design with a proportional integral observer. Int. J. Control 1989, 50, 97–111. [Google Scholar] [CrossRef]
  20. Niemann, H.H.; Stoustrup, J.; Shafai, B.; Beale, S. LTR design of proportional-integral observers. Int. J. Robust Nonlinear Control 1995, 5, 671–693. [Google Scholar] [CrossRef]
  21. Oghbaee, A.; Shafai, B.; Nazari, S. Complete characterisation of disturbance estimation and fault detection for positive systems. IET Control Theory Appl. 2018, 12, 883–891. [Google Scholar] [CrossRef]
  22. Nazari, S.; Shafai, B. Distributed proportional-integral observers for fault detection and isolation. In Proceedings of the 2018 IEEE Conference on Decision and Control (CDC), Miami Beach, FL, USA, 17–19 December 2018; pp. 6328–6333. [Google Scholar]
  23. Guan, Y.; Saif, M. A novel approach to the design of unknown input observers. IEEE Trans. Autom. Control 1991, 36, 632–635. [Google Scholar] [CrossRef]
  24. Wu, A.G.; Duan, G.R. Design of generalized PI observers for descriptor linear systems. IEEE Trans. Circuits Syst. I Regul. Pap. 2006, 53, 2828–2837. [Google Scholar] [CrossRef]
  25. Rashedi, E.; Nezamabadi-Pour, H.; Saryazdi, S. GSA: A gravitational search algorithm. Inf. Sci. 2009, 179, 2232–2248. [Google Scholar] [CrossRef]
Figure 1. GPIO structure with w = d ^ , L d = E , and L f = F for state and disturbance estimation.
Figure 1. GPIO structure with w = d ^ , L d = E , and L f = F for state and disturbance estimation.
Energies 18 04117 g001
Figure 2. Block diagram of power system model for LFC.
Figure 2. Block diagram of power system model for LFC.
Energies 18 04117 g002
Figure 3. Indirect GPIO-based disturbance accommodation.
Figure 3. Indirect GPIO-based disturbance accommodation.
Energies 18 04117 g003
Figure 4. Step response of third-order power system model.
Figure 4. Step response of third-order power system model.
Energies 18 04117 g004
Figure 5. Disturbance and PIO and GPIO estimation of disturbance.
Figure 5. Disturbance and PIO and GPIO estimation of disturbance.
Energies 18 04117 g005
Figure 6. Response of LFC system with PO, PI, and GPI observers.
Figure 6. Response of LFC system with PO, PI, and GPI observers.
Energies 18 04117 g006
Figure 7. Sinusoidal disturbance (dashed) and GPIO estimation of disturbance (solid).
Figure 7. Sinusoidal disturbance (dashed) and GPIO estimation of disturbance (solid).
Energies 18 04117 g007
Figure 8. Combination of step functions as disturbance (dashed) and GPIO estimation of disturbance (solid).
Figure 8. Combination of step functions as disturbance (dashed) and GPIO estimation of disturbance (solid).
Energies 18 04117 g008
Table 1. Numerical evaluation of LFC performance using PO, PIO, and GPIO.
Table 1. Numerical evaluation of LFC performance using PO, PIO, and GPIO.
ObserverMax Frequency Deviation (Hz)Settling Time (s)
PO0.028754.9
PIO0.023743.74
GPIO0.02332.21
Disclaimer/Publisher’s Note: The statements, opinions and data contained in all publications are solely those of the individual author(s) and contributor(s) and not of MDPI and/or the editor(s). MDPI and/or the editor(s) disclaim responsibility for any injury to people or property resulting from any ideas, methods, instructions or products referred to in the content.

Share and Cite

MDPI and ACS Style

Dorostian, M.; Shafai, B. Load Frequency Control of Power Systems Using GPI Observer-Based Controller. Energies 2025, 18, 4117. https://doi.org/10.3390/en18154117

AMA Style

Dorostian M, Shafai B. Load Frequency Control of Power Systems Using GPI Observer-Based Controller. Energies. 2025; 18(15):4117. https://doi.org/10.3390/en18154117

Chicago/Turabian Style

Dorostian, Mehrdad, and Bahram Shafai. 2025. "Load Frequency Control of Power Systems Using GPI Observer-Based Controller" Energies 18, no. 15: 4117. https://doi.org/10.3390/en18154117

APA Style

Dorostian, M., & Shafai, B. (2025). Load Frequency Control of Power Systems Using GPI Observer-Based Controller. Energies, 18(15), 4117. https://doi.org/10.3390/en18154117

Note that from the first issue of 2016, this journal uses article numbers instead of page numbers. See further details here.

Article Metrics

Back to TopTop