Enhancement of Power Quality in Photovoltaic Systems for Weak Grid Connections
Abstract
1. Introduction
- VSC-Based DC–AC Conversion: Enables efficient conversion of PV-generated DC power into grid-compliant AC for injection during available irradiance conditions;
- Active Harmonic Filtering: The VSC functions as an active filter, mitigating grid voltage distortions, compensating reactive power, and regulating the DC-link voltage to improve efficiency;
- Adaptive PSD Control: Accurately extracts positive sequence components (PSCs) from distorted grid voltages, ensuring balanced grid currents and maintaining Total Harmonic Distortion (THD) within IEEE 519 limits;
- Robust MPPT under Variable Irradiance: The P&O-based MPPT technique ensures consistent maximum power extraction under dynamic environmental conditions;
- Experimental Validation: The proposed system is validated through MATLABR2019b/Simulink simulations and real-time hardware-in-the-loop testing using the OPAL-RT OP4510 platform, confirming its practical viability and performance.
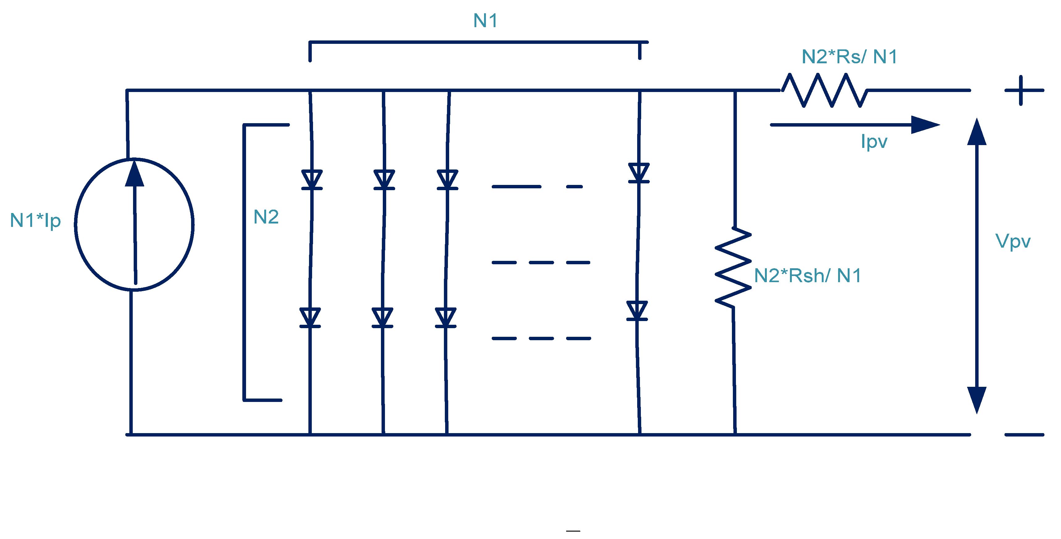
2. Mathematical Framework for Solar PV Module
3. System Layout and Control Process
3.1. System Architecture and Novel Features
- Adaptive Control Mechanism: Unlike static control methods, our adaptive mechanism dynamically adjusts the DC-link voltage in real-time based on grid conditions, minimizing VSC losses during fluctuations;
- Enhanced PSE: We incorporate an improved PLL-based estimator that effectively isolates PSCs even under severe voltage sags, swells, and unbalanced grid conditions;
- Integrated Harmonic Mitigation: The VSC not only manages DC–AC conversion but also acts as an active filter, significantly reducing THD to below 3.90%, outperforming conventional SOGI-based methods.
3.2. Advanced Control Strategy
- A.
- MPPT Enhancement
- B.
- Dynamic VSC control
- a.
- Positive Sequence Component Isolation:
- b.
- Control Strategy for PCC Voltage Regulation:
- DC-Link Voltage Regulation Using PI Controller:
- The DC-link voltage regulation is a crucial aspect of the control system, ensuring that power transfer remains stable and efficient.;
- The reference DC-link voltage is compared with the measure DC link-voltage () to compute an error signal;
- This error is processed using a Proportional-Integral (PI) controller, which generates an output signal to compensate for losses and maintain the desired DC link voltage;
- The computed power loss component is integrated into the overall control scheme, influencing the reference grid current calculation as provided in (8).
- ii.
- Dynamic Reference Grid Current Computation:
- The reference grid currents are computed to ensure proper synchronization with the grid;
- The power generated by the PV array is dynamically adjusted by subtracting the loss component , giving the effective power component (
- c.
- PLL and Grid Reference Current Generation
- d.
- Grid Reference Current Computation
- Once the phase information is obtained, the reference grid current is computed to maintain balance power injection:
- 1.
- Extracting the active power component ( ) from the PV system;
- 2.
- Utilizing the direct-axis voltage , obtained from the transformed grid voltage, to determine the reference current;
- 3.
- Computing the required reference using:
4. Simulation Results and Discussion
- A.
- Performance during fluctuations in PV irradiation levels
- B.
- Performance during voltage sag
- C.
- Performance during voltage swell
5. Experimental Result and Analysis [25]
- ➢
- Case-1: Variation in PV Irradiation t = 1 Second
- ➢
- Case-2: Voltage Sag at t = 1 Second
- ➢
- Case-3: Voltage Swell at t = 1 Second
6. Comparison of Different Control Strategies
7. Conclusions
Author Contributions
Funding
Data Availability Statement
Conflicts of Interest
Nomenclature
| PV | Photovoltaic |
| VSC | Voltage Source Converter |
| RES | Renewable Energy Sources |
| DER | Distributed Energy Resources |
| PQ | Power Quality |
| PCC | Point of Common Coupling |
| PLL | Phase Locked Loop |
| PSE | Positive Sequence Estimator |
| APSE | Adaptive Positive Sequence Estimator |
| PSD | Positive Sequence Detection |
| MPPT | Maximum Power Point Tracking |
| SOGI | Second Order Generalized Integrators |
| UPF | Unity Power Factor |
| PSC | Positive Sequence Components |
| P&O | Perturb and observe |
| DVR | Dynamic Voltage Restorer |
| THD | Total Harmonic Distortion |
| Inductor of boost converter | |
| Capacitor of boost converter | |
| DC link capacitor | |
| Grid impedance | |
| to | MOSFET of VSC |
| and | Line current of grid for , and phase |
| PCC line voltage between phase and phase | |
| PCC phase voltage of , and phase | |
| Terminal PCC voltage | |
| DC link voltage | |
| component of Clark transformation of PCC phase voltage | |
| component of input voltage of inverse Clark transform (output of filter). | |
| Filtered output voltage of inverse Clark transform | |
| and | loop gain of filter |
| Output power of solar panel | |
| Grid line voltage | |
| Grid line current | |
| Direct axis voltage component of to transformation |
Appendix A
Appendix A.1
Appendix A.2
References
- Juarez-Perez, E.J.; Momblona, C.; Casas, R.; Haro, M. Enhanced power-point tracking for high hysteresis perovskite solar cells with a galvanostatic approach. Cell Rep. Phys. Sci. 2024, 5, 101885. [Google Scholar] [CrossRef]
- Modi, G.; Singh, B. Power quality improvement in solar energy conversion system integrated to weak ac grid. J. Inst. Eng. Ser. B 2024, 105, 1511–1526. [Google Scholar] [CrossRef]
- Alturki, Y.A.; Alhussainy, A.A.; Alghamdi, S.M.; Rawa, M. A novel point of common coupling direct power control method for grid integration of renewable energy sources: Performance evaluation among power quality phenomena. Energies 2024, 17, 5111. [Google Scholar] [CrossRef]
- Saxena, V.; Kumar, N.; Singh, B.; Panigrahi, B.K. A voltage support control strategy for grid integrated solar PV system during abnormal grid conditions utilizing interweaved GI. IEEE Trans. Ind. Electron. 2020, 68, 8149–8157. [Google Scholar] [CrossRef]
- Nguyen, N.T.; Hosani, K.A.; Al-Sumaiti, A.S.; Nguyen, T.H.; Jaafari, K.A.A.; Alsawalhi, J.Y. Fast harmonic rejecting control design to enable active support of charging stations to micro-grids under distortion. IEEE Trans. Transp. Electrif. 2023, 9, 4132–4146. [Google Scholar] [CrossRef]
- Devassy, S.; Singh, B. Performance analysis of solar PV array and battery integrated unified power quality conditioner for microgrid systems. IEEE Trans. Ind. Electron. 2021, 68, 4027–4035. [Google Scholar] [CrossRef]
- Dahesh, M.; Al-Matwakel, M.; Dhamrin, M. Degradation analysis of 38-year-old PV modules under the weather conditions of sana’a-yemen. IEEE J. Photovolt. 2025, 15, 137–145. [Google Scholar] [CrossRef]
- Mishra, S.; Mallick, R.K.; Nayak, P.; Ramasamy, T.N.; Panda, G. Dynamic power quality disturbance classification in grid-integrated PV systems: Leveraging clark transformed modal voltage and subspace weighted KNN. IEEE Access 2024, 12, 116572–116586. [Google Scholar] [CrossRef]
- Wang, K.; Yuan, Z.; Song, Q.; Xin, Q.; Huang, B.; Liu, W.; Feng, J. Grid-forming offshore wind farm integration through LCC-assisted diode rectifier. IEEE Trans. Power Deliv. 2025, 40, 178–190. [Google Scholar] [CrossRef]
- Saroha, J.; Pandove, G.; Singh, M. Modelling and simulation of grid connected SPV system with active power filtering features. J. Inst. Eng. Ser. B 2018, 99, 25–35. [Google Scholar] [CrossRef]
- Jain, V.; Singh, B. Power quality improvement in PV system tied to weak grid. IEEE Trans. Ind. Appl. 2021, 57, 1265–1273. [Google Scholar] [CrossRef]
- Xiong, L.; Liu, X.; Liu, Y.; Zhuo, F. Modeling and stability issues of voltage-source converter-dominated power systems: A review. CSEE J. Power Energy Syst. 2022, 8, 1530–1549. [Google Scholar] [CrossRef]
- Taghvaie, A.; Warnakulasuriya, T.; Kumar, D.; Zare, F.; Sharma, R.; Vilathgamuwa, D.M. A comprehensive review of harmonic issues and estimation techniques in power system networks based on traditional and artificial intelligence/machine learning. IEEE Access 2023, 11, 31417–31442. [Google Scholar] [CrossRef]
- Srikanth, M.; Kumar, Y.V.P.; Amir, M.; Mishra, S.; Iqbal, A. Improvement of transient performance in microgrids: Comprehensive review on approaches and methods for converter control and route of grid stability. IEEE Open J. Ind. Electron. Soc. 2023, 4, 534–572. [Google Scholar] [CrossRef]
- Dileep, G.; Singh, S.N. Maximum power point tracking of solar photovoltaic system using modified perturbation and observation method. Renew. Sustain. Energy Rev. 2015, 50, 109–129. [Google Scholar] [CrossRef]
- Mohamed, F.; Wasti, S.; Afshar, S.; Macedo, P.; Disfani, V. Mmc-based distributed maximum power point tracking for photovoltaic systems. In Proceedings of the 2020 IEEE Power & Energy Society General Meeting (PESGM), Montreal, QC, Canada, 2–6 August 2020; pp. 1–5. [Google Scholar] [CrossRef]
- Jahid, M.; Ehtesham, S.; Kirmani, B.; Manullah. Application of flower pollination algorithm and its comparative analysis for MPPT of solar panels under partial shading conditions. J. Inst. Eng. Ser. B 2025. [Google Scholar] [CrossRef]
- Mehta, G.; Singh, S.P. Design of single-stage three-phase grid-connected photovoltaic system with MPPT and reactive power compensation control. Int. J. Power Energy Convers. 2014, 5, 211–227. [Google Scholar] [CrossRef]
- Mirhosseini, M.; Pou, J.; Agelidis, V.G. Single-and two-stage inverter-based grid-connected photovoltaic power plants with ride-through capability under grid faults. IEEE Trans. Sustain. Energy 2015, 6, 1150–1159. [Google Scholar] [CrossRef]
- Yan, Q.; Zhao, R.; Yuan, X.; Ma, W.; He, J. A DSOGI-FLL-based dead-time elimination PWM for three-phase power converters. IEEE Trans. Power Electron. 2018, 34, 2805–2818. [Google Scholar] [CrossRef]
- Jain, C.; Singh, B. A single-phase two-stage grid interfaced SPV system with adjustable DC link voltage for VSC under non ideal grid conditions. In Proceedings of the 2014 IEEE International Conference on Power Electronics, Drives and Energy Systems (PEDES), Mumbai, India, 16–19 December 2014; IEEE: Piscataway, NJ, USA, 2015; pp. 1–6. [Google Scholar] [CrossRef]
- Laasri, S.; Hafidi, E.M.E.; Mortadi, A.; Chahid, E.G. Solar-powered single-stage distillation and complex conductivity analysis for sustainable domestic wastewater treatment. Environ. Sci. Pollut. Res. 2024, 31, 29321–29333. [Google Scholar] [CrossRef]
- Hafidi, E.M.E.; Chahid, E.G.; Mortadi, A.; Laasri, S. Study on a new solar-powered desalination system to alleviate water scarcity using impedance spectroscopy. Mater. Proceeding 2024. [Google Scholar] [CrossRef]
- Menti, A.; Pachoos, P.; Psomopoulos, C.S. Supraharmonic Distortion at the grid connection point of a network comprising a photovoltaic system. Energies 2025, 18, 564. [Google Scholar] [CrossRef]
- IEEE P519.1/D12; IEEE Draft Guide for Applying Harmonic Limits on Power Systems. IEEE: Piscataway, NJ, USA, 2015; pp. 1–124. Available online: https://ieeexplore.ieee.org/servlet/opac?punumber=6246648 (accessed on 17 May 2025).
- IEEE Std. 1159-2019; IEEE Recommended Practice for Monitoring Electric Power Quality. IEEE: Piscataway, NJ, USA, 2019; pp. 1–98. Available online: https://ieeexplore.ieee.org/document/8796486 (accessed on 17 May 2025).
- Khan, M.T.; Singh, P.; Chauhan, A.; Arya, R.; Verma, A.; Titare, L.S.; Choube, S.C. Optimal placement of multiple distributed generators using a novel voltage stability indicator employing arithmetic optimization algorithm. Comput. Electr. Eng. 2023, 110, 108853. [Google Scholar] [CrossRef]
- Vinod; Kumar, R.; Singh, S.K. Solar photovoltaic modeling and simulation: As a renewable energy solution. Energy Rep. 2018, 4, 701–712. [Google Scholar] [CrossRef]
- Yang, Z.; Chen, Y.; Yang, S.; Mak, P.I.; Martins, R.P. A 10.6-mW 26.4-GHz dual-loop type-II phase-locked loop using dynamic frequency detector and phase detector. IEEE Access 2020, 8, 2222–2232. [Google Scholar] [CrossRef]
- Arya, L.D.; Singh, P.; Titare, L.S. Optimum load shedding based on sensitivity to enhance static voltage stability using DE. Swarm Evol. Comput. 2012, 6, 25–38. [Google Scholar] [CrossRef]

















| Sr. No. | Symbol | Parameter | Value |
|---|---|---|---|
| 1. | Voltage at Maximum Power (per panel) | 54.70 Volt | |
| 2. | Current at Maximum Power (per panel) | 5.76 Amp | |
| 3. | Maximum Power Transferred by PV array | 98.00 kW | |
| 4. | Grid Line Voltage | 300 Volt | |
| 5. | Filter Inductance | 0.28 mh | |
| 6. | Rated Frequency | 50 Hz | |
| 7. | Proportional Gain of PI Controller | 112 | |
| 8. | Integral Gain of PI Controller | 735 | |
| 9. | Sampling time | 1.00 μs | |
| 10. | DC Link Voltage | 525 Volt | |
| 11. | Angular Frequency | 314 rad/s |
| Parameters | Proposed Technique | SOGI-D [11] | DSOGI [20] | SOGI-Q [11] |
|---|---|---|---|---|
| Dynamic recovery time (Second) | 0.02 | 0.11 | 0.09 | 0.14 |
| DC offset removal performance | 0.0987 | 0.1054 | 0.1263 | 0.8187 |
| Harmonic Elimination | Improved (THD = 3.85%) | Poor (THD = 7.87%) | Good (THD = 4.30%) | Good (THD = 5.32%) |
| Techniques with Different Cases | Arithmetic Mean | Standard Deviation | Best | Worst | Convergence Frequency | Level of Confidence | Value Chosen for the Engineering Application | Standard Error | Confidence Interval | Length of Confidence Interval |
|---|---|---|---|---|---|---|---|---|---|---|
| Proposed Technique (Sag) | 3.9091 | 0.0775 | 3.8000 | 4.1100 | 13 | 0.95 | 2.0452 | 0.0478 | 3.8613 3.9569 | 0.1955 |
| DSOGI (Sag) | 4.0052 | 0.0805 | 3.9570 | 4.2379 | 09 | 0.95 | 2.0452 | 0.0503 | 3.9549 4.0555 | 0.2057 |
| SOGI-Q (Sag) | 5.0108 | 0.0894 | 4.9956 | 5.9864 | 09 | 0.95 | 2.0452 | 0.0583 | 4.9525 5.0691 | 0.2384 |
| Proposed Technique (Swell) | 3.9473 | 0.0341 | 3.9000 | 4.0200 | 12 | 0.95 | 2.0452 | 0.0210 | 3.9263 3.9683 | 0.0859 |
| DSOGI (Swell) | 4.7762 | 0.0389 | 4.6746 | 5.8160 | 08 | 0.95 | 2.0452 | 0.0257 | 4.7505 4.8019 | 0.1051 |
| SOGI-Q (Swell) | 5.9976 | 0.0587 | 5.6706 | 6.8741 | 07 | 0.95 | 2.0452 | 0.0304 | 5.9672 6.0280 | 0.1243 |
| Proposed Technique (PV solar irradiance) | 3.9109 | 0.0181 | 3.8600 | 3.9200 | 12 | 0.95 | 2.0452 | 0.0112 | 3.8997 3.9221 | 0.0457 |
| DSOGI (PV solar irradiance) | 4.5635 | 0.0246 | 4.2684 | 4.9254 | 09 | 0.95 | 2.0452 | 0.0176 | 4.5459 4.5811 | 0.0712 |
| SOGI-Q (PV solar irradiance) | 5.4526 | 0.0365 | 5.2938 | 6.4582 | 09 | 0.95 | 2.0452 | 0.0275 | 5.4251 5.4801 | 0.1125 |
Disclaimer/Publisher’s Note: The statements, opinions and data contained in all publications are solely those of the individual author(s) and contributor(s) and not of MDPI and/or the editor(s). MDPI and/or the editor(s) disclaim responsibility for any injury to people or property resulting from any ideas, methods, instructions or products referred to in the content. |
© 2025 by the authors. Licensee MDPI, Basel, Switzerland. This article is an open access article distributed under the terms and conditions of the Creative Commons Attribution (CC BY) license (https://creativecommons.org/licenses/by/4.0/).
Share and Cite
Sharma, P.K.; Singh, P.; Choube, S.C.; Titare, L.S. Enhancement of Power Quality in Photovoltaic Systems for Weak Grid Connections. Energies 2025, 18, 4066. https://doi.org/10.3390/en18154066
Sharma PK, Singh P, Choube SC, Titare LS. Enhancement of Power Quality in Photovoltaic Systems for Weak Grid Connections. Energies. 2025; 18(15):4066. https://doi.org/10.3390/en18154066
Chicago/Turabian StyleSharma, Pankaj Kumar, Pushpendra Singh, Sharat Chandra Choube, and Lakhan Singh Titare. 2025. "Enhancement of Power Quality in Photovoltaic Systems for Weak Grid Connections" Energies 18, no. 15: 4066. https://doi.org/10.3390/en18154066
APA StyleSharma, P. K., Singh, P., Choube, S. C., & Titare, L. S. (2025). Enhancement of Power Quality in Photovoltaic Systems for Weak Grid Connections. Energies, 18(15), 4066. https://doi.org/10.3390/en18154066

