Next Article in Journal
Predicting the Energy Consumption in Chillers: A Comparative Study of Supervised Machine Learning Regression Models
Previous Article in Journal
Distributed Voltage Optimal Control Method for Energy Storage Systems in Active Distribution Network
 
 
Font Type:
Arial Georgia Verdana
Font Size:
Aa Aa Aa
Line Spacing:
Column Width:
Background:
Article

Research on Lithium Iron Phosphate Battery Balancing Strategy for High-Power Energy Storage System

The National Key Laboratory of Electromagnetic Energy, Naval University of Engineering, Wuhan 430033, China
*
Author to whom correspondence should be addressed.
Energies 2025, 18(14), 3671; https://doi.org/10.3390/en18143671
Submission received: 16 June 2025 / Revised: 3 July 2025 / Accepted: 8 July 2025 / Published: 11 July 2025
(This article belongs to the Section D: Energy Storage and Application)

Abstract

For the problem of consistency decline during the long-term use of battery packs for high-voltage and high-power energy storage systems, a dynamic timing adjustment balancing strategy is proposed based on the charge–discharge topology. Compared with the traditional balancing strategy, the dynamic timing adjustment balance strategy is more suitable for the transient high-frequency pulse and high-rate output of a high-power energy storage system. It gives full play to the pulse output adjustment function of the integrated charge–discharge topology. The advantages of this strategy include improving the balance between battery groups, the operating capacity of the system, and improving the continuous working ability of the system. Combined with the work condition of the high-power energy storage system, a balance control model is established, and a cycle charge–discharge test platform of battery packs is built. The effectiveness and advantages of the balance strategy of dynamic timing adjustment are verified by the experiment and simulations. The balancing time is less than 2 min, and the voltage difference is less than 6 mv.

1. Introduction

The consistency of a battery pack is critical to its performance and safety. However, due to variations in manufacturing technology and materials, the electrochemical characteristics of each individual cell can vary. Additionally, during use, differences in temperature and current can exacerbate these variations, leading to increasing inconsistencies in battery capacity, internal resistance, and state of charge (SoC). These inconsistencies not only reduce the energy utilization of the battery pack but also pose safety risks [1,2]. Therefore, the regular balancing of a battery pack is particularly important [3,4].
Existing battery balancing methods can be divided into active and passive balancing according to the energy consumption and transfer mode during the balancing process [5,6,7]. Passive balancing converts the energy of batteries with high SoCs into thermal energy through resistors. Active balancing temporarily stores the energy of the batteries with higher SoCs in inductors or capacitors and then transfers this energy to batteries with lower SoCs to achieve energy balance among cells. Based on the differences in the energy storage components used in balancing circuits, active balancing methods can be further divided into inductive balancing [8,9], capacitive balancing [10,11], and transformer balancing methods [12,13].
However, the passive balancing method converts excess energy into heat through shunt resistors, which is inefficient and increases the thermal management burden [14,15]. Although the active balancing method has addressed the consistency problem of the battery pack to some extent, various methods still need improvement in terms of energy transfer efficiency and balancing speed [16,17]. Designing an efficient and fast balancing circuit and strategy remains an important topic of current research.
Lee et al. proposed a circuit structure that can be reconfigured between series and parallel modes. By switching between these modes, balanced charging and discharging of multiple battery cells can be achieved. Compared with the traditional fixed circuit structure, where the battery voltage difference may exceed 10%, the reconfigured circuit structure reduces the voltage difference to less than 2% [18].
Hong et al. combined the buck–boost balancing circuit with a reconfigurable balancing circuit and designed a reconfigurable buck–boost charging balancing circuit. If the initial SoC difference is large (up to 20%), after adjustment, the SoC difference of each battery cell can be reduced to within 3%. In the case of a large initial voltage difference (up to 300 mV), after equalization, the voltage difference can be reduced to within 10 mV [19,20].
Based on the inductive bidirectional balancing circuit of a buck–boost converter, Yu et al. proposed an improved inductive bidirectional balancing circuit and a balancing strategy that combines the advantages of the adjacent ratio method. The balancing time was shortened from usually several hours using traditional methods to less than 30 min, and the voltage difference between battery cells was reduced from an initial 200 mV to less than 5 mV [21].
Li et al. proposed a balancing circuit based on a multi-winding transformer, achieving an energy transfer efficiency of more than 92%, which is significantly higher than that of traditional passive balancing methods (usually between 70% and 80%) [22].
Wang et al. proposed a multi-mode balancing circuit that can significantly increase the balancing speed between battery cells. When the initial voltage difference is 200 mV, the balancing time can be shortened from several hours with traditional methods to less than 30 min, and the final voltage difference can be reduced to less than 10 mV. Its energy transfer efficiency is over 95%, significantly higher than that of traditional passive balancing methods [23].
The above methods have improved the balancing efficiency and speed to a certain extent. However, there is still a lack of research on battery pack balancing strategies under long-term high-rate charge and discharge conditions. High-rate charge and discharge conditions will quickly increase the inconsistency between batteries in a short period of time. Therefore, it is very important to study efficient balancing strategies that are suitable for such conditions.
Therefore, this paper proposes a dynamic timing adjustment balancing strategy for the specific scenario of long-term high-rate charging and discharging conditions in high-power energy storage system battery packs. By designing a new balancing circuit topology, more efficient energy transfer can be achieved. Combined with the dynamic timing adjustment balancing strategy, the balancing process is accelerated, and the balancing speed is increased, allowing for alternating balancing between multiple battery packs and single-cell batteries. A balancing circuit simulation model consisting of four battery packs was built in PLECS to verify the feasibility and effectiveness of the balancing circuit and balancing strategy. Moreover, in this paper, a high-voltage balancing topology is proposed, which takes the lowest voltage as the equalization index to improve the output capacity of the system. The balancing efficiency produced through this study, combined with charge and discharge, was close to 99%. This topology can be adapted to different series and parallel numbers, as well as different voltage levels of high-power energy storage systems.
The structure of this paper is as follows: Section 2 introduces the charging–discharging topology of high-power energy storage systems. Section 3 elaborates on the battery balancing strategy. Section 4 details the experimental platform and corresponding results. Section 5 validates the proposed balancing strategy through simulations. Finally, Section 6 concludes the paper by summarizing the key findings.

2. Charge–Discharge Topology for the High-Power Energy Storage System

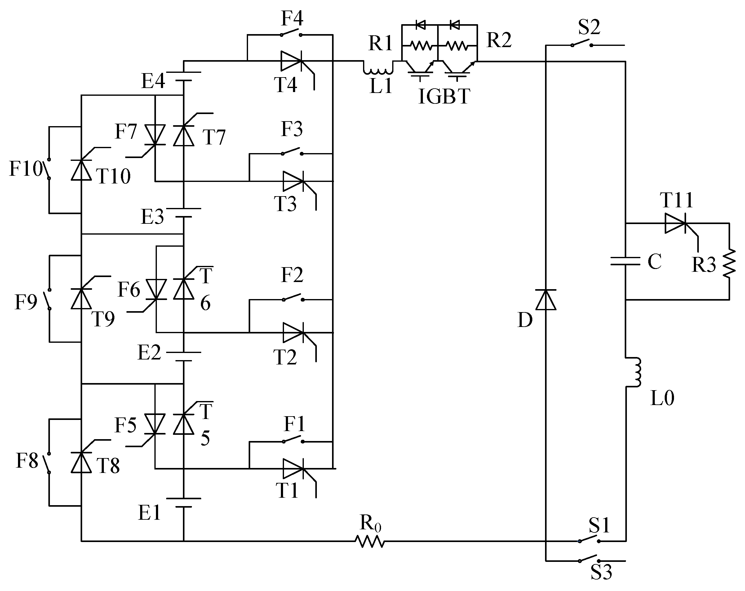
The first-generation high-rate energy storage platform is designed with independent discharging and charging topologies. It comprises multiple battery packs connected in series and discharges into a capacitive load. The discharge topology of the battery energy storage system consists of the battery pack, battery management equipment (BMS), charger, thyristor, diode, charge and discharge switches, corresponding air conditioning and fire protection, etc. During the discharge phase, a pulse current is discharged to the capacitor through a sequential series connection of thyristors and diodes, as shown in Figure 1.
The discharge waveform is in the shape of a pulse peak. Every time a group of batteries is connected, a pulse wave is generated. Finally, after the capacitor is discharged to a certain voltage by the battery, the battery discharge stops.
Different color paths represent different discharge timing orders. The discharge time varies depending on the order in which the battery packs are connected. Battery packs with greater power capacity exhibit longer discharge times, and their discharges are scheduled earlier in the sequence. Thus, sequential rotation and balanced discharge of the battery packs are achieved. The battery system uses an independent charge topology. The charging topology consists of multiple charging modules. Multiple independent chargers charge different battery packs. The charger uses a multiple chopping method to absorb energy from the power grid, as shown in Figure 2. Figure 2 is the equilibrium between single cells used by a BMS, which belongs to passive equilibrium. Because the system belongs to the high-voltage system, and the BMS is connected to each single battery, it is necessary to use the high-voltage isolation circuit to improve the safety of the system and prevent the high voltage from causing damage to the BMS and the control system.
Each battery pack is equipped with the same individual charger. Each charger independently absorbs energy from the grid. There is no correlation between multiple chargers. Each charger achieves balanced charging based on the state of charge of each battery pack. After charging, the battery packs are isolated by disconnecting the contactor, as shown by KM4.
The instantaneous high-rate output of the high-power energy storage system requires the battery pack to work under ultra-high charge and discharge rates. Additionally, the working mode is a strong-pulse instantaneous cycle. Traditional balance strategies have difficulty meeting the consistency requirements of high voltage and rapid response demand for high-power energy storage platforms. Therefore, it is necessary to study a more reasonable and efficient balance strategy in combination with the charge and discharge topology.
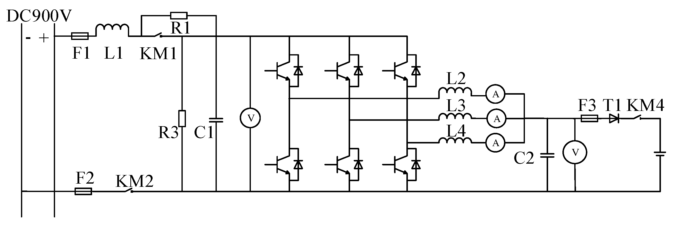
The charging, discharge, and balancing topologies of the first-generation high-power energy storage platform are independent of each other. Therefore, the second generation of high-rate charge and discharge topology is proposed, as shown in Figure 3.
The second generation of high-power energy storage system eliminates the independent charger and integrates the charging and discharging topologies. The volume, weight, and complexity of the system are reduced, and the reliability of the system is improved. Based on the charge and discharge topology, a balance control strategy that adopts a high-frequency chopping method is proposed. Compared with the traditional discharge, the ripple length is smaller, and the efficiency is greatly improved. Additionally, the system energy transfer time is reduced by half of the first-generation topology. It also reduces the demand for the battery discharge rate and the number of parallel connections. Moreover, the balance, safety, and economy of the system are better compared with traditional charge and discharge methods, leading to obvious advantages.

3. Balance Strategy

3.1. Charge and Discharge Balance Strategy

When using an independent charge and discharge topology, the balance of the battery packs is achieved by adjusting their charge time and discharge switching sequence.
The sequential time-series rotation balance strategy can improve the consistency of the battery packs to a certain extent, but the disadvantage is that it requires multiple rounds of continuous discharge to achieve the balance effect. Taking the sequential discharge of 10 battery packs in series as an example, the discharge sequence for the 1st to 10th battery packs is 194, 1585, 2089, 3430, 4538, 5841, 6535, 8149, 8630, and 9000 ms.
The discharge duration is determined by multiple factors such as the device current level of the system. Due to the fact that the discharge time of the tenth group of batteries is much longer than that of the first group, after one discharge round, the first and tenth battery packs show extreme imbalance. The second sequence of discharging the 1st to 10th battery packs is 9000, 8630, 8149, 6535, 5841, 4538, 3430, 2089, 1585, and 194 ms.
The average energy consumption time of each battery pack after adopting the sequential time-series rotation balance strategy becomes 4597, 5107.5, 5119, 4982.5, 5189.5, 5189.5, 4982.5, 5119, 5107.5, and 4597 ms. After two rounds of discharge, the balance between the ten battery packs returns to the average value, but there still exists a certain degree of unavoidable balance difference of 592.5 ms. This difference will accumulate gradually with the increase in charge and discharge cycles. It can only be compensated through charging balance.
The balance strategy is shown in Figure 4.
This paper proposes a dynamic timing high-frequency adjustment balance strategy in combination with the charge–discharge integration topology. By establishing a balance criterion for the battery packs and using high-frequency discharge pulses to dynamically adjust the discharge process, the battery packs can achieve balanced discharge at each round. During the charging process, the consistency is dynamically adjusted with the charging time and high-frequency pulses. The charge and discharge pulse frequency of a single battery pack is 3 kHz. The multiple switching frequency of 10 battery packs reaches 30 kHz. After adopting the integrated charge and discharge topology, the balance rate of the battery packs becomes significantly improved by more than 12%.

3.2. The Criterion of the Balance Strategy

Hundreds of thousands of lithium iron phosphate batteries (LFPs) are applied in the high-power energy storage system in series, parallel, or combination to meet the voltage and capacity requirements of the system. Each cell contains indicators such as initial capacity, terminal voltage, open circuit voltage, AC internal resistance, DC internal resistance, median voltage, SoC, SoH, charging constant current ratio, charging temperature rise, and discharging temperature rise. According to these indicators, the scientific and reasonable sorting of batteries has a significant impact on the consistency of the battery packs, as well as the output capacity and life of the system.
This paper uses SPSS13.0 software for cluster analysis, which is a method of simplifying data through a statistical model. Cluster analysis is one of the main methods of data mining. Moreover, cluster analysis can serve as an independent tool to obtain the distribution of data, observe the characteristics of each cluster of data, and focus on further analysis of specific cluster sets. It can also serve as a preprocessing step for classification and qualitative induction algorithms. Therefore, the cluster analysis method with SPSS is highly feasible for classifying numerous individual cells for the high-power energy storage system.
The evaluation metrics of cluster analysis are used to evaluate the clustering results. These metrics are divided into two categories: internal indicators and external indicators. External indicators refer to the use of a prespecified clustering model as a reference to evaluate the quality of clustering results, while internal indicators refer to the use of only the samples participating in clustering to evaluate the quality of clustering results without any external reference. The internal indicators use the Chebyshev distance as a criterion, taking two m-dimensional samples xi = (xi1, xi2,... xim) and xj = (xj1, xj2,..., xjm) as examples, as shown in (1).
d i c t c d = lim t ( k = 1 m | x i k x j k | t ) 1 t
In Equation (1), dictcd is the distance indicator between two samples. A balance criterion for the high-power energy storage system is defined as an external indicator for clustering analysis, as shown in (2) and (3) [24].
ϵ ~ = 1 ϵ 0 i n { ln v i v ¯ v ¯ a · s o c i s o c ¯ s o c ¯ b · T i T ¯ T ¯ c }
v i = E s K Q Q i t i N i + A e B Q 1 i t K Q Q i t i t + σ l g ( D i t + C i 2 N t + M )
In (2), ϵ ¯ represents the consistency coefficient of the battery pack. ϵ 0 represents the initial consistency coefficient. v i represents the battery terminal voltage. S o C i is the real-time state of charge of the battery. T i is the real-time temperature. v ¯ , s o c ¯ , and T ¯ represent the average voltage, average SoC, and average temperature of the battery pack during the calculation period.
Equation (3) is the iterative formula for the model, which describes the relationship between the battery voltage and its internal parameters. Es represents the initial voltage. K and N represent the polarization resistance and ohmic resistance, respectively. Q is the battery capacity. i and i* are the transient current and filtering current of the battery, respectively. σ is a high-rate term that plays a role when the rate exceeds 20 C. a, b, and c are weight proportion coefficients. A, B, C, D, and M are identification parameters for the cell characteristic.
Using clustering analysis to group battery packs can maximize the continuous output capability of the system. It is also an important method to improve the system balance level.

3.3. BMS Balance Strategy

The battery management system (BMS) is a device commonly used in energy storage systems. It is mainly used for real-time monitoring of battery voltage, current, internal resistance, temperature, SoC, SoH, and other indicators, as well as for balancing between battery cells. The more complex the balancing circuit of the BMS, the better the balancing effect and the smaller the losses. However, the system’s reliability and cost increase simultaneously. The corresponding volume and weight also increase simultaneously.
The energy storage topology of the hybrid system is complex, featuring high charge and discharge rates, a large number of cells, and stringent requirements for system power density and reliability. Therefore, an isolated passive balance circuit was selected as the balance topology. The unique charge and discharge topology requires the balance circuit to have a high voltage withstand level. Therefore, an isolated passive balancing circuit was designed, as shown in Figure 5.
The self-designed BMS balancing device is shown in Figure 6. The three-level balancing method addresses the balancing requirements of each system level, thereby improving the system’s overall security, life, and output capacity while ensuring its balancing rate, efficiency, and precision. The basic parameters of the BMS are shown in the Table 1.
This paper tested and verified the SOC difference between batteries. Under normal circumstances, a good charge and discharge strategy can keep the battery in good working condition. However, with the long-term cycle use of the battery, the inherent consistency difference of the internal characteristics of the battery, the external heat dissipation difference of the battery, and the occasional separate charging and discharging of different battery packs will lead to a decrease in the overall consistency of the system. This is an objective problem that cannot be avoided by the energy storage system. Therefore, lithium-ion batteries are usually equipped with a BMS for various active or passive equalization maintenance needs.
The balancing strategies can be divided into three levels. (1) Pulse high-speed balancing between battery packs, which is the focus of this article, is a real-time balancing achieved through charging and discharging topology. (2) Passive balancing of single cells by charging and discharging through the BMS is employed for the inconsistency deviation within a battery pack, where single cells with high power are discharged through the resistance of the BMS, and single cells with low power are charged through the maintenance equipment shown in Figure 6. (3) The third level of balancing measures is to sort the batteries during the battery grouping process through cluster analysis so that batteries with similar comprehensive indicators are grouped in the same battery group. At the same time, the sorting information of the battery group is recorded, and similar new batteries are used to replace the batteries in the battery pack.

4. Experiment

To verify the effectiveness of the balance strategy, a battery pack platform for charge and discharge testing was established. Then, based on the high-power energy storage system, the dynamic timing charge and discharge balance strategy was verified. Finally, a battery pack from the system was randomly selected for an internal balance comparison test. The effectiveness of the balance strategy was experimentally verified, thereby maintaining the consistency of the entire system.
The actual system is a MWh energy storage system. In order to verify the balancing strategy, this study built a test platform using 14 groups of batteries, each with a voltage of 640 V. A special high-rate battery was selected, and the discharge curve at different rates is shown in Figure 7.
The charge and discharge platform of one 640 V battery pack is shown in Figure 8.
The 640 V test battery consisted of four identical battery packs, arranged in four stacked layers. Three cooling fans were installed at the tail of each battery pack. The entire battery pack was placed in a closed box with a heat exchanger on top to achieve constant temperature control. Each battery pack was equipped with two identical BMS devices to collect the status data of each cell. The consistency of the four battery packs and the entire battery pack were determined through the status data.
The battery pack underwent cyclic testing under the high-rate charge and discharge conditions of the high-power energy storage system. The discharge current and voltage are shown in Figure 9 and Figure 10.
The basic parameters of the battery pack are shown in Table 2 [24].
The entire battery pack has a total of 400 batteries, which are composed of two-parallel connections and 200 strings, divided into four battery packs. Each battery pack is composed of two-parallel battery connections and 50 strings, and the four battery packs were charged and discharged in series in this experiment. The discharge current of the entire battery pack is 2000 A. Since the entire battery pack consists of two-parallel units and 200 strings, the current for each of the 200 string units is the same, and the two-parallel battery units share 2000 A, so the discharge current of a single battery is 1000 A, which is 62.5 C. The capacity of a single battery is 16 Ah, the two-parallel unit is 32 Ah, and the unit capacity of 2 parallel and 200 strings is also 32 Ah, so the capacity of the entire battery pack is 32 Ah. Traditional batteries are rarely able to discharge at such a large rate, which is also an important innovation basis of the fast balance strategy.
The voltage at the end of each discharge cycle decreased first and then increased. This is a special phenomenon of high-rate discharge, mainly due to the rapid temperature rise inside the battery during high-rate discharge. After the temperature rise, the internal resistance of the battery will slightly decrease, resulting in an increase in discharge voltage. As shown in Figure 7, it can be observed that the higher the discharge rate, the more the voltage rose.
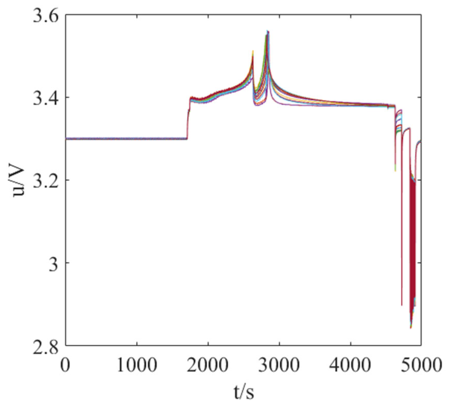
Due to the extremely high charge and discharge rate, the imbalance between the batteries accelerated. The conventional charge and discharge rate requires a longer cycle period to increase the internal differences of the battery pack. In contrast, high-temperature and high-rate cycling accelerate the expansion of the differences. In order to verify the balance effect of a single battery pack, the battery status before using the intra-balance method was compared. The maximum voltage of the battery before balancing is shown in Figure 11.
As shown in Figure 11, the experiment consists of two charging stages and three discharging stages, with the third discharging stage performing a large continuous pulse discharge. The interval between the points on the horizontal axis represents a BMS sampling frequency of 10 Hz. During the charging process, the differences between each cell could be clearly observed. After charging was completed, the battery terminal voltage stabilized. At 1060.2 s, the difference between the highest and lowest voltages reached 3.47 V − 3.353 V = 0.117 V.
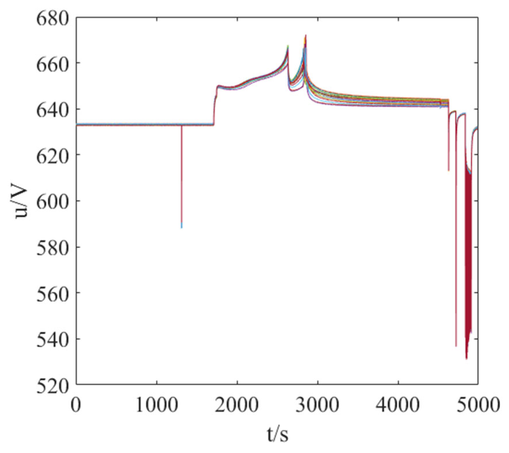
In order to compare the consistency differences between battery packs more clearly, the total voltage of the battery packs is shown in Figure 12.
The total voltage of the orange line is significantly lower than that of the other battery packs during the charging stage. At 2120.4 s, the difference between the highest and lowest voltages was 6.4 V. At 1395.4 s, the voltage rose to 12.88 V. The greater the difference, the worse the battery’s health, which will cause a series of problems. Further deterioration of consistency will lead to greater battery voltage differences, as shown in Figure 13.
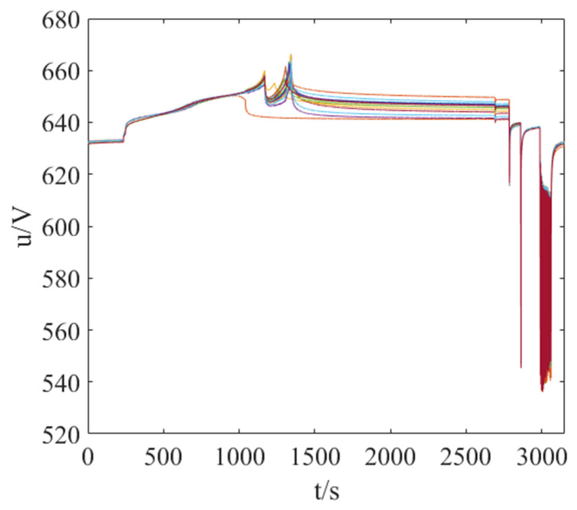
As the consistency deteriorated, the highest voltage of one group of batteries reached the charge cutoff voltage early, but its static voltage was the lowest after charging was completed. As the consistency differences further deteriorated, the total voltage of the battery pack was measured and is shown in Figure 14.
After the deterioration of consistency, the total voltage of the battery pack was significantly lower than that of the other battery packs, as indicated by the orange line at 24.82 V. The temperature change of the battery pack during this period is shown in Figure 15.
The temperature monitoring of the battery was measured by the BMS temperature sensor between the battery connection bolt and the pole. We installed a sensor on each parallel connection of battery cells. Therefore, each battery pack was equipped with multiple temperature sensors, and their positions were the same.
Figure 15 shows that there was no obvious change in temperature during the charging phase. During the high-rate discharging stage, the temperature difference reached 12 °C (from 52 °C to 40 °C). The highest temperature is represented by the orange curve, which corresponds to the same set of batteries as the lowest voltage. This further confirms the significant difference between the battery pack with the orange curve and the other battery packs. The lowest single-cell battery of the battery pack is shown in Figure 16.
As shown in the ellipse of Figure 16, the battery pack that reached the cutoff charging voltage the fastest typically had the lowest voltage during the discharge process.
The simulation verification of the balance strategy involved setting the battery pack with poor initial consistency. Then, the consistency and balance speed before and after adopting the balance strategy were compared. The degree of balance of battery pack after charging and discharging cycles was calculated.
The balance strategy includes the charging balance and discharging balance. The main idea is to determine the priority for charging and discharging in real time based on consistency criteria. Then, the charging and discharging current and duration of different battery packs are calculated. Ultimately, balance between each battery pack is achieved. The control logic is shown in Figure 17.
In order to visually observe the balance effect, one of the battery packs was manually turned off the balance during the charging process. This way, its SoC would be much lower than the other 13 battery packs. Afterwards, discharge tests were performed to verify the discharge balance effect of the system. Similarly, during discharge, the discharge switch of a battery pack was manually turned off, causing the SoC of this battery pack to be much higher than that of the other 13 battery packs. Then, charge tests were performed to verify the charging balance function of the system.
The battery status after the balance is shown in Figure 18. The voltage difference reduced to 0.006 V.
The total voltage and temperature of the battery pack after balancing are shown in Figure 19 and Figure 20.
The corresponding relationship between the open circuit voltage and SOC of a single cell is shown in Figure 21.
From the test results, we can see that the balancing effect was much greater than 30%. For lithium iron phosphate batteries, the battery plateau is very gentle. The voltage difference was only 0.0891 V in the range of 20–80% of the battery power, as shown in Figure 21. For a battery pack with 200 strings, this means that the voltage difference in the range of 20–80% of the battery power is only 200 × 0.0891 = 17.82 V, and the SOC difference of different batteries can reach 60%. Therefore, the balancing voltage established in this article is 12.88 V, which means that the SOC difference reaches 0.6 × 12.88/17.82 = 0.434, so the balancing effect of the test effect is 43.4%.
The probability of this artificial imbalance during actual use is relatively low, because the battery pack is balanced in each charging and discharging process. Therefore, the balance state of the battery pack will be maintained in a relatively good state.

5. Simulation

In order to further illustrate the working mechanism and effectiveness of the balance strategy, a charge and discharge simulation model for a high-power energy storage system was constructed.
The simulation model was constructed using the PLECS tool, as shown in Figure 22.
The model consists of four battery packs, an IGBT protection switch, a filter inductor, and a freewheeling diode. The battery pack discharges to the pulse capacitor through the main circuit switch. After the discharge is completed, the pulse capacitor discharges to the resistive load, and this cycle repeats for multiple cycles.
The four battery packs were randomly assigned initial SoC values of 95%, 92.5%, 90%, and 88%, respectively. A balance discharge test was then carried out. The current is shown in Figure 23.
The blue line represents battery pack 1, with an initial SOC of 90%. The orange line represents battery pack 2, with an initial SOC of 95%. The yellow line represents battery pack 3, with an initial SOC of 92.5%. The purple line represents battery pack 4, with an initial SOC of 88%. In order to achieve the goal of balance, a battery pack with a larger initial SOC will release more electricity in one discharge cycle, resulting in a larger discharge current. It can be seen that the current difference in different battery packs gradually decreased over time. The voltage is shown in Figure 24.
The larger the discharge current, the greater the voltage drop. The voltage difference of the different battery packs also gradually decreased over time. The SoC is shown in Figure 25.
After one discharge cycle, the SOC difference between the four battery packs gradually decreased. The SoC difference decreased from 7% to 0.2%. During the discharge process, as the differences between the batteries gradually decreased, the balance regulation also gradually decreased, so the discharge current also gradually decreased. When the four battery levels are completely equal, the discharge current will also be the same. At this point, the system has achieved a good balance effect, and there is currently no need for balance regulation.
To further illustrate the effectiveness of balanced control, taking four battery packs with SoCs of 94%, 76%, 71%, and 64%, respectively, as an example, the simulation was carried out. The current is shown in Figure 26, the voltage is shown in Figure 27, and the SOC is shown in Figure 28. The blue line represents battery pack 1, with an initial SOC of 94%. The orange line represents battery pack 2, with an initial SOC of 76%. The yellow line represents battery pack 3, with an initial SOC of 71%. The purple line represents battery pack 4, with an initial SOC of 64%.
The entire balancing time was less than 2 min. The SoC difference decreased from 30% to 1.22%. The effective balancing effect of the topology and method for the high-power energy storage system was further verified through simulation.

6. Conclusions

This paper proposes a novel balancing topology and strategy for high-power energy storage systems. Firstly, a balance index criterion was constructed, and based on the criterion, a balance strategy for each level of battery energy storage was further designed. Finally, experimental and simulation verifications were conducted for charge and discharge balancing. Both the experimental and simulation results indicate that the system achieves good balancing performance. Additionally, it achieved a 17% reduction in difference in the battery pack within a 2-minute discharge cycle, which has great practical application value. Aiming at the development of a high-power energy storage platform with an operating voltage of 15 kV, this paper combined three equalization strategies. The first layer achieved rapid high-voltage balancing through charge–discharge balancing topology, with a balancing time of less than 2 min. The second layer was balanced by SPSS sorting, which improved the utilization rate of battery groups, and the output capacity of the whole life cycle was increased by 18%. The third layer of balancing was achieved through handheld devices to achieve intra-group balancing with an accuracy of 6 mv. Aiming at the high-voltage and strict volume limitation of the high-power energy storage system, this paper provides an effective fast equalization method.
The method used in this paper has good application value in the field of high-rate charging and discharging. On the one hand, it improves the energy storage density and achieves the combination of charging and discharging topology. On the other hand, it can quickly achieve balance in the process of high-rate charging and discharging. The advantage of this balancing method is that it combines charging and discharging topologies to achieve balancing function, without the need for additional balancing hardware.
For large-scale power grid energy storage, regularly applying the balancing method proposed in this paper can effectively improve system consistency. Combined with regular intra-group balancing, it can effectively improve the system’s lifespan. However, for traditional energy storage, as the charging and discharging current decreases, the balancing speed will decrease. Since the energy storage system is a test and simulation of the LFP battery pack, the core of this method relies on the charge and discharge topology, pulse regulation strategy, and multi-level balancing measures, so it has good application prospects for ternary batteries and other lithium-ion batteries. It has a good balancing effect on batteries that may have obvious terminal voltage fluctuations during the charge and discharge process, but it cannot play a good role for battery types where their voltage is less correlated with their battery consistency.

Author Contributions

Conceptualization, R.Z. and J.L.; methodology, R.Z. and J.L.; software, R.Z.; validation, R.Z., H.Z. and Y.W.; formal analysis, R.Z. and K.Y.; investigation, K.Y. and Y.W.; resources, R.Z.; data curation, H.Z.; writing—original draft preparation, R.Z., H.Z. and J.L.; writing—review and editing, K.Y. and Y.W.; visualization, R.Z. and Y.W.; supervision, J.L.; project administration, R.Z.; funding acquisition, R.Z. and J.L. All authors have read and agreed to the published version of the manuscript.

Funding

This research was funded by the Young Scientists Fund of the National Natural Science Foundation of China of Ren Zhou (No. 52107235). This work was supported by the National Science Fund for Distinguished Young Scholars of China of Junyong Lu (No. 51925704).

Data Availability Statement

The original contributions presented in this study are included in the article. The data are available upon request because of the project’s policies. Further inquiries can be directed to the corresponding author.

Conflicts of Interest

The authors declare no conflicts of interest.

References

  1. Khan, N.; Ooi, C.A.; Alturki, A.; Amir, M.; Shreasth; Alharbi, T. A Critical Review of Battery Cell Balancing Techniques, Optimal Design, Converter Topologies, and Performance Evaluation for Optimizing Storage System in Electric Vehicles. Energy Rep. 2024, 11, 4999–5032. [Google Scholar] [CrossRef]
  2. Dai, S.; Zhang, F.; Zhao, X. Series-connected Battery Equalization System: A Systematic Review on Variables, Topologies, and Modular Methods. Int. J. Energy Res. 2021, 45, 19709–19728. [Google Scholar] [CrossRef]
  3. Liao, L.; Li, H.; Li, H.; Jiang, J.; Wu, T. Research on Equalization Scheme of Lithium-Ion Battery Packs Based on Consistency Control Strategy. J. Energy Storage 2023, 73, 109193. [Google Scholar] [CrossRef]
  4. Bashir, S.B.; Beig, A.R. An Improved Voltage Balancing Algorithm for Grid Connected MMC for Medium Voltage Energy Conversion. Int. J. Electr. Power Energy Syst. 2018, 95, 550–560. [Google Scholar] [CrossRef]
  5. Qays, M.O.; Buswig, Y.; Hossain, M.L.; Rahman, M.M.; Abu-Siada, A. Active Cell Balancing Control Strategy for Parallel Connected LiFePO4 Batteries. CSEE JPES 2020, 7, 86–92. [Google Scholar] [CrossRef]
  6. Baveja, R.; Bhattacharya, J.; Panchal, S.; Fraser, R.; Fowler, M. Predicting Temperature Distribution of Passively Balanced Battery Module under Realistic Driving Conditions through Coupled Equivalent Circuit Method and Lumped Heat Dissipation Method. J. Energy Storage 2023, 70, 107967. [Google Scholar] [CrossRef]
  7. Xia, Z.; Abu Qahouq, J.A. State-of-Charge Balancing of Lithium-Ion Batteries with State-of-Health Awareness Capability. IEEE Trans. Ind. Appl. 2021, 57, 673–684. [Google Scholar] [CrossRef]
  8. Raeber, M.; Heinzelmann, A.; Abdeslam, D.O. Analysis of an Active Charge Balancing Method Based on a Single Nonisolated DC/DC Converter. IEEE Trans. Ind. Electron. 2021, 68, 2257–2265. [Google Scholar] [CrossRef]
  9. Kamel, M.; Sankaranarayanan, V.; Zane, R.; Maksimovic, D. State-of-Charge Balancing With Parallel and Series Output Connected Battery Power Modules. IEEE Trans. Power Electron. 2022, 37, 6669–6677. [Google Scholar] [CrossRef]
  10. Chowdhury, S.; Shaheed, M.N.B.; Sozer, Y. State-of-Charge Balancing Control for Modular Battery System with Output DC Bus Regulation. IEEE Trans. Transp. Electrif. 2021, 7, 2181–2193. [Google Scholar] [CrossRef]
  11. Chen, Z.; Liu, C.; Zhang, Y.; Yang, R.; Chen, G. Hierarchical State-of-Charge Balancing and Second-Harmonic Current Suppressing Control with a Scalable DC Reconfigurable Battery Pack. IEEE Trans. Power Electron. 2024, 39, 6758–6768. [Google Scholar] [CrossRef]
  12. Dong, G.; Yang, F.; Tsui, K.-L.; Zou, C. Active Balancing of Lithium-Ion Batteries Using Graph Theory and A-Star Search Algorithm. IEEE Trans. Ind. Inf. 2021, 17, 2587–2599. [Google Scholar] [CrossRef]
  13. Zilio, A.; Fogagnolo, D.; Gallo, E.; Biadene, D.; Mattavelli, P. A Multiport Converter for Flexible Active Balancing in Li-Ion Batteries. IEEE Trans. Ind. Electron. 2024, 71, 7085–7094. [Google Scholar] [CrossRef]
  14. Hannan, M.A.; Hoque, M.M.; Peng, S.E.; Uddin, M.N. Lithium-Ion Battery Charge Equalization Algorithm for Electric Vehicle Applications. IEEE Trans. Ind. Appl. 2017, 53, 2541–2549. [Google Scholar] [CrossRef]
  15. Qi, J.; Lu, D.D.-C. A Preventive Approach for Solving Battery Imbalance Issue by Using a Bidirectional Multiple-Input Ćuk Converter Working in DCVM. IEEE Trans. Ind. Electron. 2017, 64, 7780–7789. [Google Scholar] [CrossRef]
  16. Turksoy, A.; Teke, A. A Fast and Energy-Efficient Nonnegative Least Square-Based Optimal Active Battery Balancing Control Strategy for Electric Vehicle Applications. Energy 2023, 262, 125409. [Google Scholar] [CrossRef]
  17. Fan, T.-E.; Liu, S.-M.; Yang, H.; Li, P.-H.; Qu, B. A Fast Active Balancing Strategy Based on Model Predictive Control for Lithium-Ion Battery Packs. Energy 2023, 279, 128028. [Google Scholar] [CrossRef]
  18. Lee, S.; Noh, G.; Ha, J.-I. Reconfigurable Power Circuits to Series or Parallel for Energy-Balanced Multicell Battery Pack. IEEE Trans. Ind. Electron. 2023, 70, 3641–3651. [Google Scholar] [CrossRef]
  19. Hong, Y.; Xu, D.; Yang, W.; Jiang, B.; Yan, X.-G. A Novel Multi-Agent Model-Free Control for State-of-Charge Balancing Between Distributed Battery Energy Storage Systems. IEEE Trans. Emerg. Top. Comput. Intell. 2021, 5, 679–688. [Google Scholar] [CrossRef]
  20. Manjunath, K.; Kalpana, R.; Singh, B.; R, K. A Two-Stage Module Based Cell-to-Cell Active Balancing Circuit for Series Connected Lithium-Ion Battery Packs. IEEE Trans. Energy Convers. 2023, 38, 2282–2297. [Google Scholar] [CrossRef]
  21. Li, D.; Hou, X.; Yang, C.; Mo, J. Research on Hierarchical Active Equalization Control of Series Lithium-Ion Battery Pack Based on Model. In Proceedings of the 2024 36th Chinese Control and Decision Conference (CCDC), Xi’an, China, 25 May 2024; IEEE: New York, NY, USA, 2024; pp. 2345–2350. [Google Scholar]
  22. Li, Y.; Xu, J.; Mei, X.; Wang, J. A Unitized Multiwinding Transformer-Based Equalization Method for Series-Connected Battery Strings. IEEE Trans. Power Electron. 2019, 34, 11981–11989. [Google Scholar] [CrossRef]
  23. Wang, S.; Yang, S.; Yang, W.; Wang, Y. A New Kind of Balancing Circuit with Multiple Equalization Modes for Serially Connected Battery Pack. IEEE Trans. Ind. Electron. 2020, 68, 2142–2150. [Google Scholar] [CrossRef]
  24. Zhou, R.; Lu, J.; Long, X.; Wu, Y.; Liu, L.; Liu, Y. Theoretical Model of Lithium Iron Phosphate Power Battery under High-rate Discharging for Electromagnetic Launch. Int. J. Mech. Syst. Dyn. 2021, 1, 220–229. [Google Scholar] [CrossRef]
Figure 1. The discharge topology of the battery energy storage system. (1) Represents E2 discharge. (2) Represents the discharge of E2 and E4. (3) Represents the discharge of E1, E2, and E4. (4) Represents the discharge of all battery packs.
Figure 1. The discharge topology of the battery energy storage system. (1) Represents E2 discharge. (2) Represents the discharge of E2 and E4. (3) Represents the discharge of E1, E2, and E4. (4) Represents the discharge of all battery packs.
Energies 18 03671 g001
Figure 2. The charge topology of the battery energy storage system.
Figure 2. The charge topology of the battery energy storage system.
Energies 18 03671 g002
Figure 3. The integrated charge and discharge topology of the battery energy storage system.
Figure 3. The integrated charge and discharge topology of the battery energy storage system.
Energies 18 03671 g003
Figure 4. The original sequential time-series rotation balance strategy.
Figure 4. The original sequential time-series rotation balance strategy.
Energies 18 03671 g004
Figure 5. Isolated balance circuit in the BMS.
Figure 5. Isolated balance circuit in the BMS.
Energies 18 03671 g005
Figure 6. Isolated balance circuit and maintenance equipment.
Figure 6. Isolated balance circuit and maintenance equipment.
Energies 18 03671 g006
Figure 7. Discharge curves of different rates of the single cell [24].
Figure 7. Discharge curves of different rates of the single cell [24].
Energies 18 03671 g007
Figure 8. Battery pack and temperature control platform.
Figure 8. Battery pack and temperature control platform.
Energies 18 03671 g008
Figure 9. Discharge current of the battery pack for the high-power energy storage system.
Figure 9. Discharge current of the battery pack for the high-power energy storage system.
Energies 18 03671 g009
Figure 10. Discharge voltage of the battery for the high-power energy storage system.
Figure 10. Discharge voltage of the battery for the high-power energy storage system.
Energies 18 03671 g010
Figure 11. Maximum single-cell voltage before the balance.
Figure 11. Maximum single-cell voltage before the balance.
Energies 18 03671 g011
Figure 12. Voltage difference of battery pack before the balance.
Figure 12. Voltage difference of battery pack before the balance.
Energies 18 03671 g012
Figure 13. Voltage comparison after the deterioration of the consistency differences.
Figure 13. Voltage comparison after the deterioration of the consistency differences.
Energies 18 03671 g013
Figure 14. The voltage of the battery pack after the deterioration of the consistency differences.
Figure 14. The voltage of the battery pack after the deterioration of the consistency differences.
Energies 18 03671 g014
Figure 15. The temperature of the battery pack after the deterioration of the consistency differences.
Figure 15. The temperature of the battery pack after the deterioration of the consistency differences.
Energies 18 03671 g015
Figure 16. The lowest voltage comparison after the deterioration of the consistency differences.
Figure 16. The lowest voltage comparison after the deterioration of the consistency differences.
Energies 18 03671 g016
Figure 17. The balance control logic.
Figure 17. The balance control logic.
Energies 18 03671 g017
Figure 18. Individual voltage after the balance.
Figure 18. Individual voltage after the balance.
Energies 18 03671 g018
Figure 19. The total voltage of the battery pack after the balance.
Figure 19. The total voltage of the battery pack after the balance.
Energies 18 03671 g019
Figure 20. The temperature of the battery pack after the balance.
Figure 20. The temperature of the battery pack after the balance.
Energies 18 03671 g020
Figure 21. The relationship between the open circuit voltage and SOC of a single cell.
Figure 21. The relationship between the open circuit voltage and SOC of a single cell.
Energies 18 03671 g021
Figure 22. The balance simulation model for the high-power energy storage system [24].
Figure 22. The balance simulation model for the high-power energy storage system [24].
Energies 18 03671 g022
Figure 23. Discharge current values of four battery packs.
Figure 23. Discharge current values of four battery packs.
Energies 18 03671 g023
Figure 24. Discharge voltage values of four battery packs.
Figure 24. Discharge voltage values of four battery packs.
Energies 18 03671 g024
Figure 25. SoC values of four battery packs.
Figure 25. SoC values of four battery packs.
Energies 18 03671 g025
Figure 26. Discharge current values of four battery packs.
Figure 26. Discharge current values of four battery packs.
Energies 18 03671 g026
Figure 27. Discharge voltage values of four battery packs.
Figure 27. Discharge voltage values of four battery packs.
Energies 18 03671 g027
Figure 28. SoC values of four battery packs.
Figure 28. SoC values of four battery packs.
Energies 18 03671 g028
Table 1. The basic parameters of the BMS.
Table 1. The basic parameters of the BMS.
IndexParameter
Supply Voltage/V9–26
Operation Temperature Range/°C−40~85
Power Dissipation/W≤5
Size/mm3120 × 95 × 25
Weight/g255
Sampling Points60
Voltage Sampling Accuracy/mV±1
Temperature Sampling Accuracy/°C≤±1
Sampling Frequency/Hz/s≥20
Balance Current/mA<100
Table 2. The basic parameters of the battery pack.
Table 2. The basic parameters of the battery pack.
ParameterSingle CellBattery PackBattery Module
Nominal voltage/V3.2160640
Capacity/Ah163232
Charge rate/C4 (64 A)4 (128 A)4 (128 A)
Discharge rate/C62.5 (1000 A)62.5 (2000 A)62.5 (2000 A)
Initial temperature/°C252525
Number of cells1100400
Number of series connections 150200
Number of parallel connections 122
Disclaimer/Publisher’s Note: The statements, opinions and data contained in all publications are solely those of the individual author(s) and contributor(s) and not of MDPI and/or the editor(s). MDPI and/or the editor(s) disclaim responsibility for any injury to people or property resulting from any ideas, methods, instructions or products referred to in the content.

Share and Cite

MDPI and ACS Style

Zhou, R.; Lu, J.; Wu, Y.; Zhang, H.; Yan, K. Research on Lithium Iron Phosphate Battery Balancing Strategy for High-Power Energy Storage System. Energies 2025, 18, 3671. https://doi.org/10.3390/en18143671

AMA Style

Zhou R, Lu J, Wu Y, Zhang H, Yan K. Research on Lithium Iron Phosphate Battery Balancing Strategy for High-Power Energy Storage System. Energies. 2025; 18(14):3671. https://doi.org/10.3390/en18143671

Chicago/Turabian Style

Zhou, Ren, Junyong Lu, Yiting Wu, Hehui Zhang, and Kangwei Yan. 2025. "Research on Lithium Iron Phosphate Battery Balancing Strategy for High-Power Energy Storage System" Energies 18, no. 14: 3671. https://doi.org/10.3390/en18143671

APA Style

Zhou, R., Lu, J., Wu, Y., Zhang, H., & Yan, K. (2025). Research on Lithium Iron Phosphate Battery Balancing Strategy for High-Power Energy Storage System. Energies, 18(14), 3671. https://doi.org/10.3390/en18143671

Note that from the first issue of 2016, this journal uses article numbers instead of page numbers. See further details here.

Article Metrics

Back to TopTop